设备安装记录
- 格式:docx
- 大小:15.73 KB
- 文档页数:1
设备安装(吊装)施工记录表摘要:1.设备安装(吊装) 施工记录表的概述2.设备安装(吊装) 施工记录表的内容3.设备安装(吊装) 施工记录表的作用4.设备安装(吊装) 施工记录表的填写规范5.设备安装(吊装) 施工记录表的保存与归档正文:一、设备安装(吊装) 施工记录表的概述设备安装(吊装) 施工记录表是记录设备安装(吊装) 施工过程中的各种数据和信息的重要工具,对于确保施工质量和安全具有重要的意义。
设备安装(吊装) 施工记录表通常包括设备的基本信息、施工过程中的各种数据和施工结束后的验收结果等内容。
二、设备安装(吊装) 施工记录表的内容设备安装(吊装) 施工记录表主要包括以下内容:1.设备基本信息:包括设备名称、型号、规格、数量等。
2.施工过程数据:包括施工开始时间、结束时间、施工人员、施工部位、施工方法等。
3.施工质量控制:包括质量验收标准、质量验收结果、质量问题处理等。
4.施工安全管理:包括安全措施、安全隐患处理、安全事故记录等。
5.施工验收结果:包括设备安装(吊装) 质量验收结果、设备运行情况等。
三、设备安装(吊装) 施工记录表的作用设备安装(吊装) 施工记录表在施工过程中发挥着重要作用:1.确保施工质量:通过记录施工过程中的各种数据和信息,可以及时发现和处理质量问题,确保施工质量。
2.保障施工安全:通过记录施工过程中的安全管理和安全事故情况,可以及时发现和处理安全隐患,保障施工安全。
3.方便施工管理:通过记录施工过程中的各种数据和信息,可以方便施工管理人员进行施工进度、质量、安全等方面的管理。
4.便于后期验收和维护:通过记录设备安装(吊装) 施工过程中的各种数据和信息,可以为后期验收和设备维护提供重要依据。
四、设备安装(吊装) 施工记录表的填写规范在填写设备安装(吊装) 施工记录表时,应遵循以下规范:1.准确填写设备基本信息,确保信息真实有效。
2.详细记录施工过程数据,确保数据完整无遗漏。
设备安装记录
1. 安装背景
在公司的工作过程中,为了提高工作效率和质量,我们需要安装一些新的设备。
本文档记录了这些设备的安装情况。
2. 安装时间和地点
- 设备名称:[设备名称]
- 安装时间:[安装时间]
- 安装地点:[安装地点]
3. 安装人员
本次设备安装由以下人员负责:
- 主管人员:[主管人员姓名]
- 技术人员:[技术人员姓名1]、[技术人员姓名2]
4. 安装过程
以下是设备安装的过程:
1. 准备工作:根据设备安装说明书,准备所需工具和材料。
2. 安装设备:按照设备安装说明书中的步骤进行设备组装和连接。
3. 调试测试:完成设备安装后,进行功能测试和调试,确保设备正常运行。
4. 安全考虑:检查设备的安全措施,确保设备在使用过程中没有安全隐患。
5. 完成安装:确认设备安装完毕,并进行记录和报告。
5. 安装结果
本次设备安装顺利完成,设备正常运行。
6. 安装后的工作
在设备安装完成后,我们将继续进行以下工作:
- 培训:为使用该设备的员工提供培训,确保正确使用设备。
- 维护:制定设备维护计划,定期进行设备维护和检修工作。
- 数据记录:记录设备的使用情况和维护记录,便于后续分析和追踪。
7. 安装总结
本次设备安装的成功完成,将为我们的工作带来更高的效率和质量保障。
我们将密切关注设备的使用情况,并根据需要进行进一步的优化和改进。
以上是设备安装记录的内容,供参考。
如有其他需要,请及时联系相关部门负责人。
谢谢!。
设备安装(吊装)施工记录表
摘要:
一、设备安装施工记录表的概述
1.定义与作用
2.包含的内容
二、设备安装施工记录表的填写要求
1.填写的基本信息
2.填写的规范与标准
三、设备安装施工记录表的实例与应用
1.实例展示
2.应用场景
四、设备安装施工记录表的意义和价值
1.对施工质量的监控
2.对施工过程的追溯
正文:
设备安装施工记录表是记录设备安装(吊装) 施工过程的一种重要表格,主要用于记录设备安装施工过程中的关键信息,为施工质量控制、施工过程追溯提供依据。
一、设备安装施工记录表的概述
设备安装施工记录表,简称施工记录表,是一种记录设备安装(吊装) 施工过程的表格。
它详细记录了设备安装施工过程中的关键信息,包括施工时
间、施工人员、施工设备、施工步骤、施工中发现的问题等。
二、设备安装施工记录表的填写要求
1.填写的基本信息应准确无误,包括施工时间、施工人员、施工设备等。
2.填写的规范与标准应符合相关法规和标准,例如施工记录表应包含哪些内容,如何填写等。
三、设备安装施工记录表的实例与应用
以下是一个设备安装施工记录表的实例:
施工时间:2023 年2 月18 日
施工人员:张三、李四
施工设备:吊车1 辆、电动葫芦1 台
施工步骤:
1.张三和李四负责设备的吊装工作。
2.吊车和电动葫芦进行设备的起吊和移动。
3.设备安装到指定位置,并进行调试。
4.施工中发现的问题:设备与预留孔不符,重新开孔。
设备安装调试记录模板一、安装前准备。
在进行设备安装前,首先需要对安装现场进行勘察,确保安装环境符合设备要求。
同时,需要准备好安装所需的工具和材料,确保安装过程顺利进行。
二、设备安装。
1. 将设备搬运至安装位置,注意搬运过程中设备的稳固,避免碰撞和摔落。
2. 根据设备安装图纸和说明书,进行设备组装和安装。
在安装过程中,要严格按照安装步骤进行,确保安装正确。
3. 连接设备所需的电源线、数据线等,并进行线路接地和绝缘测试,确保电气安全。
三、设备调试。
1. 对设备进行初步通电测试,检查设备各部分是否正常工作。
2. 根据设备调试手册,进行设备参数设置和调试,确保设备能够正常运行。
3. 对设备进行功能测试,验证设备各项功能是否正常。
4. 进行设备性能测试,检测设备性能指标是否符合要求。
四、安装调试完成。
1. 对安装调试过程进行记录,包括安装过程中的问题和解决方法,设备调试过程中的参数设置和测试结果等。
2. 对设备进行最终检查,确保设备安装调试完成并符合要求。
3. 整理安装调试记录,归档保存,以备日后查阅和维护。
五、安装调试总结。
在安装调试完成后,对整个安装调试过程进行总结,包括安装过程中的经验教训,设备调试过程中的问题和解决方法,以及安装调试的效率和质量等方面进行总结,为日后类似工作提供参考和借鉴。
六、附录。
1. 安装现场照片。
2. 安装调试记录表。
3. 设备安装图纸和说明书。
以上为设备安装调试记录模板,希望对大家在进行设备安装调试时有所帮助。
如有任何疑问或建议,欢迎随时与我们联系。
设备安装调试检查记录记录人:XXX 日期:XXXX年XX月XX日一、安装前准备在设备安装调试之前,需要进行一系列的准备工作,确保安全和顺利完成安装调试任务。
主要包括以下几个方面:1. 确认设备安装位置和周围环境是否符合安装要求;2. 检查设备运输过程中是否有损坏情况,并核对设备配件是否齐全;3. 确保安装过程中所需的工具和材料已准备完备;4. 拟定安装工作计划,明确责任人和工作流程。
二、安装过程根据设备安装相关要求和实际情况,我们按照以下步骤进行了安装调试:1. 按照设备图纸和说明书,仔细阅读并理解设备的安装步骤和要求;2. 根据设备的类型和特点,采用相应的安装方法和工艺;3. 在安装过程中,严格按照安装要求和流程进行操作,确保每个环节的质量;4. 在安装结束前,对设备进行外观检查,确保设备安装牢固且符合相关标准;5. 根据设备的特点和要求,进行相应的连接和调试,确保设备正常运行。
三、调试过程设备安装完成后,我们进行了以下的调试工作:1. 对设备进行功能测试,验证设备的各项功能是否正常;2. 根据设备的工作原理,设置相应的参数和指标,确保设备符合工作要求;3. 对设备进行各项测试,例如电气性能测试、传感器测试、性能曲线测试等;4. 根据调试结果,对设备进行相应的调整和修正,直至设备达到预期的工作状态。
四、检查记录在安装调试过程中,我们进行了以下的检查记录:1. 外观检查:检查设备外观是否完好,无划痕、变形等情况;2. 运行状态监测:观察设备在运行过程中的工作状态,检查是否存在异常情况;3. 参数测试记录:记录并比对设备在正常工作条件下的参数数值,确保设备的准确性和稳定性;4. 安全防护措施检查:检查设备的安全防护装置是否齐全、有效;5. 操作手册和标识检查:核对设备的操作手册、标识等是否清晰、准确。
五、安装调试总结根据以上的安装调试过程和检查记录,我们对设备的安装调试工作进行了总结:1. 设备的安装步骤和工艺符合要求,安装位置合理,外观完好;2. 设备的功能测试和参数测试结果正常,达到预期的工作状态;3. 设备的安全防护装置齐全有效,操作手册、标识清晰准确;4. 安装调试过程中未出现相关问题和隐患。
设备安装记录1. 引言设备安装记录是为了记录和追踪设备在特定位置的安装和部署过程。
这些记录对于设备维护、升级和故障排除非常重要。
本文档将提供一个模板,以便于编写设备安装记录。
2. 设备安装记录模板以下是设备安装记录的模板,其中包括了一些常见的必要信息。
设备信息•设备名称:•设备型号:•设备序列号:•设备制造商:•设备供应商:•设备描述:安装信息•安装日期:•安装位置:•安装环境描述:•安装人员:•安装过程描述:配置信息•IP地址:•子网掩码:•默认网关:•DNS服务器:•特殊配置说明:测试和验证•测试日期:•测试结果:•验证人员:•验证过程描述:•验证结果:备注•备注说明:3. 设备安装记录示例以下是一个设备安装记录示例,以便于更好地理解如何填写这些信息。
设备信息•设备名称:交换机A•设备型号:CISCO 2960•设备序列号:12345•设备制造商:Cisco Systems•设备供应商:IT Solutions Inc.•设备描述:用于局域网的核心交换设备。
安装信息•安装日期:2021年1月1日•安装位置:办公室一楼机房•安装环境描述:温度适宜,通风良好,防尘措施完善。
•安装人员:张三•安装过程描述:将交换机安装在机架上,并连接电源和网络线缆。
配置信息•IP地址:192.168.1.1•子网掩码:255.255.255.0•默认网关:192.168.1.254•DNS服务器:8.8.8.8•特殊配置说明:无测试和验证•测试日期:2021年1月2日•测试结果:交换机能够正常工作,网络连通性良好。
•验证人员:李四•验证过程描述:通过Ping命令测试交换机可达性,并检查网络连通性。
•验证结果:测试通过,网络正常。
备注•备注说明:交换机需要定期维护,并保持固件更新。
4. 总结设备安装记录对于设备管理和维护非常重要。
通过准确地记录设备的安装和配置信息,可以方便地进行维护和故障排除。
使用上述模板和示例,可以帮助您编写完整和详细的设备安装记录。
2022 年6 月版1 ※2 ※31 2 ※3※4 567 8 9 101112131415 图纸会审、设计变更、洽商记录,涉及建造节能、水、暖、电、燃气、通讯等的设计变更和审图机构批准文件工程质量事故报告及事故处理资料工程停工通知书及复工通知书、整改通知书及整改报告,不合格或者不符合要求事项处理资料建造给排水分部工程设备及主要材料(配件)进场检查验收记录汇总表建造给排水分部工程设备及主要材料(配件)进场复验抽检报告汇总表调压阀(装置)调试记录阀门、配件安装前检查试验记录预埋套管隐蔽验收记录(包括穿越地下室或者地下构筑物的外墙处、穿越屋面处、穿越钢筋混凝土水池(箱)的壁板或者底板连接管道时防水套管) 管道(管件/部件)焊接记录管道系统冲洗(吹扫)记录至少应包含水源(市政供水、自备井水等)、水处理设施出水及最不利用水点的全部常规指标及项目所在地实施的非常规指标)室内给水管道系统通水试验记录卫生器具满水和通水试验记录设备基础/机架复验记录备注161718191 2 ※3 4 5 6 7 ※8 ※9 10 ※11 12131415 ※16 ※171 2 离心式水泵安装检测记录水泵试运转测试记录非密闭水箱满水试验记录建造给排水分部工程安全和功能检验资料核查及主要功能抽查记录建造电气分部工程设备及主要材料(配件)进场检查验收记录汇总表;建造电气分部工程设备及主要材料(配件)进场复验抽检报告汇总表含充电桩)路线装置直流电阻测试记录电气装置送电检测调试记录电气照明系统运行试验记录低压配电系统接地故障回路阻抗测试记录电源质量检测报告平均照度、照明功率密度及普通显色指数检测报告柴油发机电组运行试验前静态测试记录、负载连续运行试验记录、及负载试验报告。
不间断电源(UPS) /应急电源(EPS)机组运行试验记录漏电保护装置测试记录建造电气装置抽查检测报告建造电气分部工程安全和功能检验资料核查及主要功能抽查记录通风、空调分部工程设备及主要材料(配件) 进场检查验收记录汇总表(包备注34 ※56 ※7 ※8 ※91011121314151617 ※181920212223242526 通风、空调分部工程主要材料(配件)进场复验抽检报告汇总表()风机盘管机组性能检验报告、安装前测试记录风管严密性和强度检测报告或者风管安装后严密性测试记录冷却塔性能检测报告、冷却塔安装检测记录或者冷却塔试运转测试记录凝结水系统充水及排水测试记录制冷、空调、水管道强度试验、严密性试验记录阀门(配件)安装前检查试验记录设备基础/机架复验记录离心式水泵安装记录水泵试运转测试记录管道(管件/部件)焊接记录防火风阀防排烟风阀(风口)检查试验记录通风机/空调风机试运转检测记录防烟加压送风系统送风量测试记录防烟加压送风系统正压测试记录防烟、排烟系统工程验收记录(《建造防烟排烟系统技术标准》GB51251-2022 附录F 表F-1 )室内空气温度和湿度检测报告或者空调室内空气环境参数测试记录制冷机组性能系数检测报告空调机组(冷冻、冷却)水流量检测报告或者空调水流量测试记录空调机组冷冻水供回水温差检测报告定风量系统平衡度检测报告通风与空调系统总风量和风口风量检测报告或者通风与空调系统总/干管/支管风量测试记录及风口风量调试记录组合式空调机组漏风率检测报告或者现场组装漏风量测试记录通风与空调分部工程安全和功能检验资料核查及主要功能抽查记录备注※1 2 ※3 ※4 ※5 6※1 23 4 5※6 ※78 9 ※101 2 3 4 电梯分项、分部工程质量验收记录设备出厂合格证书和随机文件接地电阻测试记录绝缘电阻测试记录电梯建造检测报告(特检机构出具,无表式)电梯安全使用合格证智能建造分项、分部工程验收记录智能建造分部工程主要使用功能和安全性能第三方实体检测资料/实体质量抽查记录;智能建造分部工程设备及主要材料(配件)产品质量证明文件汇总表;智能建造分部工程设备及主要材料(配件)进场检查验收记录汇总表;智能能建造分部工程设备及主要材料(配件)进场复验抽检报告汇总表;电气火灾监控系统调试、检测、验收记录(《火灾自动报警系统施工及验收标准》GB 50166-2022 表E.5)消防设备电源监控系统调试、检测、验收记录(《火灾自动报警系统施工及验收标准》GB 50166-2022 表E.6)火灾自动报警系统施工过程质量检查验收记录火灾自动报警系统工程安全和功能检验资料核查及主要功能抽查记录分部(建造设备)工程质量验收记录设备、主要材料(配件)进场验收记录及复验记录(包括电缆、电线、管材、风机盘管机组、绝热材料、卫生器具、灯具、风机、冷却塔、泵组、变压器、电梯、成品水箱、抗震支架后置锚固件、止回排气阀、排气扇等)生活饮用水、直饮水、集中生活热水、游泳池水、采暖空调系统用水、景观水体、非传统水源供水的水质检测报告风管严密性和强度检测报告或者风管安装后严密性测试记录2022 年6 月版备注5 6 7 8 91011121 2 3 4 ※5 6 ※7 8 9 10 ※111213 ※14 15 一氧化碳监测装置和相关控制装置联动调试记录、试运行记录减压阀调试记录照度、功率密度及普通显色指数检测记录电源质量检测记录通风与空调系统节能性能检测报告循环冷却水系统(冷却塔)运行调试记录(循环冷却水系统停运时刻,集水盘或者平衡水箱应不溢水;启动时刻补水管不应补水。
主要设备安装记录变压器安装记录1、设备及材料准备变压器应装有铭牌,铭牌上应注明制造厂名、额定容量,一二次额定存量,一二次额定电压,电流,阻抗,电压%用接线组别等技术数据。
变压器的容量,规格及型号必须符合设计要求。
附件备件齐全,并有出厂合格证及技术文件。
型钢:各种规格型钢应符合设计要求,并无明显锈蚀。
螺栓:除地脚螺栓及防震装置螺栓外,均应采用镀锌螺栓,并配相应的平垫圈和弹簧垫。
其它材料:电焊条,防锈漆,调和漆等均应符合设计要求,并有产品合格证。
2、作业条件施工图及技术资料齐全无误。
建工程基本施工完毕,标高、尺寸、结构及预埋件强度符合设计要求。
屋面、屋顶喷浆完毕,屋顶无漏水,门窗及玻璃安装完好。
室内粗制地面工程结束,场地清理干净,道路畅通。
3、操作工艺3.1变压器稳装变压器的高、低压侧应分别装设熔断器。
高压侧熔断器的底部对地面的垂直高度不低于4.5m,各相熔断器的水平距离不应小于0.5m,为了便于操作和熔丝熔断后熔丝管能顺利地跌落下来,跌落式熔断器的轴线应与垂直线成15~30倾角。
低压侧熔断器的底部对地面的垂直距离不低于3.5m,各相熔断器的水平距离不少于0.2m。
跌落式熔断器熔丝的选择按“保证配电变压器内部或高、低压出线套管发生短路时迅速熔断”的原则来选择,熔丝的熔断时间必须小于或等于0.1S。
按规程规定:容量在100KV A及以下者,高压侧熔丝额定电流按变压器变量额定电流的2~3倍选择;容量在100KV A以上者,高压侧熔丝额定电流按变压器容量额定电流的1.5~2倍选择。
变压器低压侧熔丝按低压侧额定电流选择。
3.3避雷器的安装运行经验证明:影响配电变压器安全运行的外界危险大部分来电雷电事故。
因此,变压器应装设防雷装置。
我局选用无间隙合成绝缘外套金属氧化物避雷器代替原有的阀式瓷外套避雷器,其工频电压耐受能力强,密封性好,保护特性稳定。
避雷器应装设在熔断器与变压器之间,并尽量靠近变压器。
这样不仅能有效地保护变压器,且便于检修。
设备安装记录范文一、设备安装记录的目的与意义设备安装记录是指对其中一设备进行安装过程的详细记录和归档,以便在未来的维修、升级、更换等工作中能够查阅和参考。
设备安装记录的主要目的是为了保持设备正常运行,提高设备的可靠性和维护效率,减少因设备故障造成的生产停工和损失。
1.为设备维修提供依据。
通过设备安装记录,可以了解到设备的安装过程、参数设置等详细信息,为后续的设备维修提供依据,并且可以帮助维修人员更快地定位和解决问题。
2.提高设备的可靠性。
通过设备安装记录,可以了解到设备的安装标准和要求,并且可以将安装经验记录下来,以便在下次设备安装中参考,减少因安装不规范导致的故障和事故的发生。
3.促进设备升级和改进。
通过设备安装记录,可以了解到设备的型号、制造商、配件等信息,为设备的升级和改进提供依据,并且可以通过记录设备的使用情况和性能指标,分析设备的优缺点,为后续设备的选购和改进提供参考。
二、设备安装记录的内容和要点1.设备信息。
记录设备的名称、型号、出厂编号、生产厂商等基本信息,以便在维修和升级时能够准确识别设备和获取相关信息。
2.安装日期和地点。
记录设备的安装日期和安装地点,以便追溯设备的安装历史和了解设备的使用环境。
3.安装人员。
记录设备的安装人员和相关人员,以便在后续发生设备问题时能够找到责任人。
4.安装过程。
详细记录设备的安装过程,包括位置确定、配件连接、电气接线等步骤,以及安装过程中的重要细节和注意事项,便于后续的维修和改进工作。
5.参数设置。
记录设备的参数设置和调试过程,包括设备的供电电压、设备的工作温度、设备的控制参数等,以便在维修和改进中参考。
6.检测结果。
记录设备安装后的检测结果,包括设备的性能指标、功能检测、故障排除等,以便在后续的维修和升级中对比,判断设备的健康状况。
7.安装验收。
记录设备的安装验收情况,包括验收人、验收日期、验收结果等,以便在后续的工作中查阅。
三、设备安装记录的编写和管理1.详尽准确。
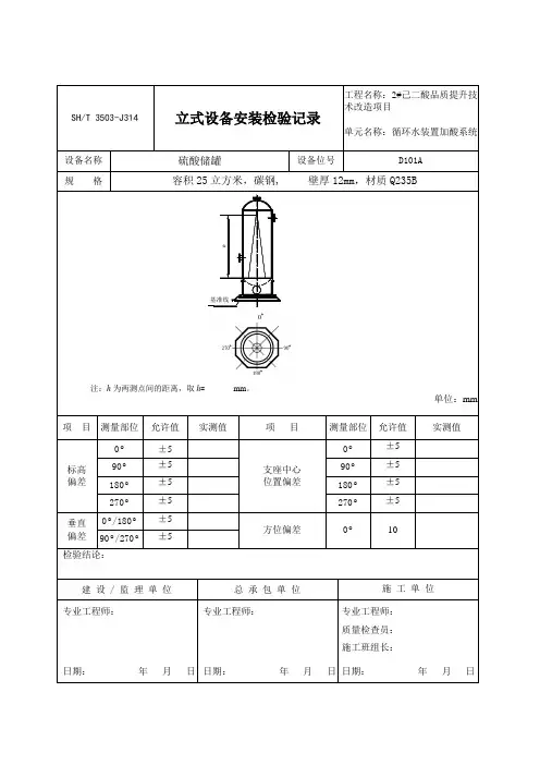
SH/T 3503-J314 立式设备安装检验记录工程名称:2#己二酸品质提升技术改造项目单元名称:循环水装置加酸系统设备名称硫酸储罐设备位号D101A规格容积25立方米,碳钢, 壁厚12mm,材质Q235Bh基准线注:h为两测点间的距离,取h= mm。
单位:mm 项目测量部位允许值实测值项目测量部位允许值实测值标高偏差0º±5支座中心位置偏差0º±5 90º±5 90º±5 180º±5 180º±5 270º±5 270º±5垂直偏差0º/180º±5方位偏差0º10 90º/270º±5检验结论:建设/ 监理单位总承包单位施工单位专业工程师:日期:年月日专业工程师:日期:年月日专业工程师:质量检查员:施工班组长:日期:年月日SH/T 3503-J314 立式设备安装检验记录工程名称:2#己二酸品质提升技术改造项目单元名称:循环水装置加酸系统设备名称硫酸储罐设备位号D101B规格容积25立方米,碳钢, 壁厚12mm,材质Q235Bh基准线注:h为两测点间的距离,取h= mm。
单位:mm 项目测量部位允许值实测值项目测量部位允许值实测值标高偏差0º±5支座中心位置偏差0º±5 90º±5 90º±5 180º±5 180º±5 270º±5 270º±5垂直偏差0º/180º±5方位偏差0º10 90º/270º±5检验结论:建设/ 监理单位总承包单位施工单位专业工程师:日期:年月日专业工程师:日期:年月日专业工程师:质量检查员:施工班组长:日期:年月日。