电仪车间仪表隐患排查表日常检查
- 格式:docx
- 大小:401.89 KB
- 文档页数:3
隐患体系治理排查表文档编制序号:[KKIDT-LLE0828-LLETD298-POI08]
目录表1、公司级综合安全检查表
表2、车间级综合安全检查表
表3、班组(工段)级综合安全检查表表4、日常安全检查表
表5、电气设备(专业)安全检查表表6、防火防爆及消防安全检查表
表7、压力容器、压力管道安全检查表表8、危险化学品安全检查表
表9、特种设备与机械设备安全检查表表10、季节性安全检查表
表11、监测仪表安全检查表
表12、厂房、建筑物安全检查表
表13、节假日安全检查表
表1 公司级综合安全检查表
检查人:检查时间:
表2 车间级综合安全检查表
检查人:日期:
表3 工段(班组)级综合安全检查表
检查人:日期:
表4日常安全检查表
表5电气设备(专业)安全检查表
表6 防火防爆及消防安全检查表
表7 压力容器、压力管道安全检查表
表8 危险化学品安全检查表
检查人:检查时
表9特种设备与机械设备安全检查表
表10季节性安全检查表
表11 监测仪表安全检查表
表12 厂房、建筑物安全检查表
表13节假日安全检查表
文件修改状态记录。
班组名称:设备、管路完日期时间好,无跑、冒、滴、漏班组日常安全检查表车间:压力表、温度计、操作要求明确,消防器材、应劳动防护用品佩安全标志完好,物安全防护等安全设安全措施到位,料、工器具放置规检查人备注急器材完好戴规范,放置规范施有效交接班规范范,现场整洁注:现场情况符合打“√” ,不符合打“×” ,异常情况填入备注栏。
车间:设备、管路完日期时间好,无跑、冒、滴、漏车间日常安全检查表压力表、温度计、员工操作规范,消防器材、应劳动防护用品佩安全标志完好,物安全防护等安全设料、工器具放置规检查人备注遵章守纪急器材完好戴规范,放置规范施有效范,现场整洁注:现场情况符合打“√” ,不符合打“×” ,异常情况填入备注栏。
综合安全检查表车间(部门):年月日序号检查内容检查标准符合性备注否不适用是1运行管理目标指标、隐患整改措施执行到位2安全职责明确,定期召开安全会议,对职工进行安全教育安全责任定期开展安全活动和安全检查特种作业人员持证上岗3人员管理人员遵章守纪无违章现象劳动防护用品穿戴规范设备完好,设备管道无跑、冒、滴、漏4设备标识正确齐全,检查、保养责任落实到人生产设备设备运行正常,转动装置有防护安全附件(压力表、温度计、安全阀等)符合规定消防设施、应急设施齐全可靠,消防报警、可燃气体报警等装置运行正常5安全设施自控联锁等防护装置运行正常防雷、防静电接地与跨接系统齐全、有效,接地电阻定期检测,记录齐全工作场所安全警示标志完好,设备、管道、物料标识齐全清晰、无破损化学品存放规范,现场有安全技术说明书,容器张贴安全标签工、器具、原辅料定置定位防火管理执行到位,易燃易爆场所不使用产生火花的工具6生产现场进入生产区的机动车手续完备,有防火措施,规范停放动火、受限空间等危险作业审批手续齐全电气设备按规范配置,运行正常严格执行交接班制度,记录及时个人防护用品规范放置,柜内无杂物7应急预案定期演练,评估及时应急管理化学品存放处有围堰和防泄漏装置器材,围堰内无杂物清浊分流、雨污分流设施完好有效8环境保护废弃物分类收集、储存、标识清楚,处置规范车间废气处理设施、除尘装置运行正常,无异常排放。
日常隐患排查表
附表3:综合性隐患排查表综合性隐患排查表
附表4:工艺(专业)类隐患排查表
工艺(专业)隐患排查表
附表5:电气(专业)隐患排查表
电气(专业)隐患排查表
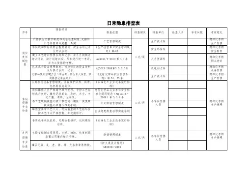
附表6:仪表(专业)隐患排查表
仪表(专业)隐患排查表
附表7:设备(专业)隐患排查表
设备(专业)隐患排查表
附表8:消防系统(专业)隐患排查表
消防系统(专业)隐患排查表
附表9:公用工程系统(专业)隐患排查表
公用工程系统(专业)隐患排查表
附表10:安全基础管理(专业)隐患排查表
安全基础管理(专业)隐患排查表
附表11:危险化学品管理(专业)隐患排查表
危险化学品管理(专业)隐患排查表
附表12:储存系统(专业)隐患检查表
储存系统(专业)隐患排查表
附表13:春季隐患排查表
春季隐患排查表
附表14:夏季隐患排查表
附表15:秋季隐患排查表
秋季隐患排查表
附表16:冬季隐患排查表
附表17:重大活动及节假日前隐患排查表
重大活动及节假日前隐患排查表。
电器安全隐患排查表
一、背景
为了确保电器的安全使用,及时发现和排查电器安全隐患是非常重要的。
本文档提供了一个电器安全隐患排查表,帮助用户系统地检查和记录电器安全隐患。
二、使用说明
使用本排查表时,请根据实际情况进行检查和填写。
注意事项:
- 检查过程中,请确保安全和正确操作。
- 如发现电器安全隐患,请及时采取措施修复或报修。
三、电器安全隐患排查表
四、总结
通过使用本电器安全隐患排查表,可以帮助用户及时发现电器安全隐患,并采取相应的处理措施。
定期进行电器安全排查是确保家庭和办公环境安全的必要步骤。
> 注意:本排查表仅供参考,具体的电器安全隐患排查需根据实际情况进行调整和完善。
目录
1.公司级安全检查表 (2)
2.车间级安全检查表 (3)
3.工段(班组)级安全检查表 (4)
4.安全设施设备安全检查表 (5)
5.防火防爆及消防安全检查表 (6)
6.季节性安全检查表 (7)
7.夏季四防安全检查表 (8)
8.冬季四防安全检查表 (8)
9.日常巡查安全检查表 (10)
10.电器、仪表安全检查表 (11)
11.压力容器安全检查表 (11)
12.节假日安全检查表 (12)
13.电气设备(专业)安全检查表 (13)
14.危险化学品安全检查表 (15)
15.危险化学品(6#溶剂)储罐区防火安全检查表 (16)
16.工具类机械设备安全检查表 (17)
17.厂房、建筑物安全检查表 (18)
18.起重机械安全检查表 (19)
工段(班组)级安全检查表检查人:检查时间:
安全设施设备安全检查表
防火防爆及消防安全检查表
季节性安全检查表
夏季四防安全检查表
冬季四防安全检查表
日常巡查安全检查表
电器、仪表安全检查表
压力容器安全检查表
节假日安全检查表
电气设备(专业)安全检查表
危险化学品安全检查表
危险化学品(6#溶剂)储罐区防火安全检查表
工具类机械设备安全检查表
厂房、建筑物安全检查表
起重机械安全检查表。
电仪车间安全隐患排查表电仪设备安全隐患周排查表检查人:检查时间:目的对生产过程及安全管理中可能存在的隐患、有害危险因素、缺陷等进行查证,查找不安全因素和不安全行为,以确保隐患或有害、危险因素或缺陷存在状态,以及它们转化为事故的条件,以制定整改措施,消除或控制隐患和有害与危险因素,确保生产安全,使企业符合《危险化学品从业单位安全标准化规范》的要求。
要求按照《危险化学品从业单位安全标准化规范》的要求认真检查,查出不符合项。
对查出问题及时处理,暂时无法处理得应采取有效的预防措施,并立即向公司安环科汇报。
内容见检查项目计划每周一次检查序号检查项目检查标准检查方法(或依据)检查情况1 八大作业严格票证制度、必须得到相关部门批准有资格证、现场无违章作业、违章指挥现场检查2 作业规范无“三违”现象,工作服、安全帽、绝缘鞋等劳保用品正确穿戴、使用规范,必须持证上岗。
现场检查查证件3 安全设施验电笔、拉杆、绝缘靴、绝缘手套等劳动保护用具安全有效,在有效期内。
有毒有害、可燃气体检测仪运行良好。
防护栅栏安全有效。
现场检查查校验报告4 消防设施灭火器在有效期内,安全有效。
消防锹、消防钩、消防桶、消防斧等消防工具完好无锈蚀。
消防报警系统灵敏有效。
现场检查5 造气循环水配电室变压器温度<85℃,无异常响声,配电柜声音正常,无异常响声,温度<70℃,无异味,运行状态正常。
防护栅栏正常。
现场检查6 消防泡沫站配电室变压器温度<85℃,无异常响声。
配电柜声音正常,无异常响声,温度<70℃,无异味,运行状态正常。
防护栅栏正常。
现场检查7 十一万变电站变压器温度<85℃,无异常响声,油位不低于最低刻度线,硅胶无明显变色。
配电柜声音正常,无异常响声,温度<70℃,无异味,运行状态正常。
现场检查8 甲醇配电室变压器温度<85℃,无异常响声,油位不低于最低刻度线,硅胶无明显变色。
配电柜声音正常,无异常响声,温度<70℃,无异味,运行状态正常。
隐患排查方式
采用综合检查、专业检查、季节性检查、节假日检查、日常检查等方式进行隐患排查。
具体如下:
综合安全检查表
被查部门负责人:
专业检查
电、气焊和气割容器安全检查表
受检单位:年月日编号:YTTDI/R-SBD-012
泵类机械安全检查表
季节性检查表
春季安全检查表
防雷、防静电
检查单位:安全环保科检查人员:被查部门负责人:检查时间:
检查班组负责人:
夏季安全检查表
防洪防汛、防雷及防暑降温
检查单位:安全环保科检查人员:被查部门负责人:检查时间:
检查班组负责人:
秋季安全检查表
防风及防冻保暖
检查单位:检查人员:被查部门负责人:检查时间:
检查考核意见:
检查班组负责人:
冬季安全检查表
防火、防爆、防中毒、防冻防凝、防滑
检查单位:检查人员:被查部门负责人:检查时间:
检查班组负责人:
节假日安全检查表
每周安全生产检查表
日常检查表
部门:月份:检查人:。