各规格注塑机技术参数
- 格式:doc
- 大小:265.00 KB
- 文档页数:6
注塑机的主要参数
注塑机的主要参数包括螺杆直径、注射容量(理论)、注射重量、注射压力、注射行程、螺杆转速、机筒加热功率、锁模力、拉杆内间距(水平×垂直)、允许模具厚度(最大、最小)、移模行程、模板开距(最大)、液压顶出行程、液压顶出力、液压顶出杆数量、油泵电机功率、油箱容积、机器尺寸(长×宽×高)、机器重量、最小模具尺寸(长×宽)、模具平行度等。
其中,螺杆直径是注塑机的重要参数之一,它决定了塑料在注塑过程中的流量和塑化能力。
注射容量是指注塑机在一次注射行程中能够注射的塑料体积,通常以克或盎司表示。
注射重量则是指每次注射时所注入模具中的塑料重量,通常以克为单位。
注射压力是指在注塑过程中,塑料通过螺杆进入模具腔体时所承受的压力。
注射压力的大小取决于塑料的种类、模具的结构和注塑机的型号等因素。
此外,注射行程是指注塑机在注射过程中,螺杆能够向前移动的最大距离。
螺杆转速是指在注塑过程中,螺杆的旋转速度,通常以转/分或转/秒表示。
机筒加热功率是指注塑机加热系统对塑料进行加热所需的功率。
锁模力是指注塑机在锁模过程中能够施加的最大压力,以保证模具紧密闭合,防止塑料溢出。
以上参数的选择将直接影响注塑机的性能和生产效率,因此在实际使用中需要根据具体的生产需求和材料特性进行选择和调整。
各规格注塑机技术参数注塑机是一种常用于制造塑料制品的设备,具有不同的规格和技术参数。
下面将介绍一些常见注塑机的技术参数。
首先是注塑机的射出量和射出压力。
射出量是指每秒钟射出的塑料量,单位通常是克/秒或克/小时。
射出压力是指在注塑过程中应用于塑料的压力,单位通常是千牛顿。
注塑机的闭模力也是一个重要的技术参数。
闭模力是指机器在封闭模具时所施加的力,通常以吨为单位。
闭模力的大小决定了机器的稳定性和生产效率。
另一个重要参数是模具开口间距。
模具开口间距是指模具在关闭时的最大间距,也就是模具最大尺寸。
这个参数决定了可以使用的模具大小和制造的产品尺寸。
注塑机的射胶机构也有一些关键的技术参数。
其中一个是螺杆直径。
螺杆直径是指注塑机中用于推送和混合塑料颗粒的螺杆的直径。
螺杆直径的大小会影响到注塑机的射胶能力和生产效率。
螺杆的长径比也是一个重要参数。
长径比是指螺母的长度与直径之比。
长径比的选取与塑料的类型和工艺有关,不同的塑料需要不同的长径比来保证良好的注塑效果。
注塑机的加热功率也是一个关键技术参数。
加热功率是指用于加热注塑机螺筒和模具的功率需求。
加热功率的大小决定着注塑机可以处理哪种类型的塑料以及生产的效率。
此外,还有一些其他的技术参数需要考虑。
例如,注塑机的最大开模距离、最大注塑压力、最大模具尺寸、射出速度等等。
这些参数会根据不同的注塑机型号和制造商而有所差异。
总结起来,注塑机的技术参数包括射出量、射出压力、闭模力、模具开口间距、螺杆直径、螺杆长径比、加热功率等。
这些参数的大小决定了注塑机的生产能力、稳定性和适用范围,根据具体的生产需求选择合适的注塑机是非常重要的。
JD120型技术参数表
合计功率为:18.2Kw/H JD160型技术参数表
JD90型技术参数表
HDX 78 T技术参数S P ECIF ICATI ON
海天牌注塑机技术参数:
海天HTF86/TJ注塑机总功率为:13.7 Kw/H(86吨)
海天HTF160J/TJ注塑机总功率为:24.75 Kw/H(160吨)
海天HTF200J/TJ注塑机总功率为:32.75 Kw/H(200吨)
注塑机生产电耗:油压机,机器前二个小时内为全负荷运作,二个小时后耗电量为额定功率的65%左右,电动机则为50%左右。
如果采用伺服电机会更省电,一般注塑机都是步进电机。
通过以上机器参数可以得出,80吨新注塑机一天的253度电(以最大功率机器计算),120吨新注塑机一天的约338度电(以最大功率机器计算),160吨新注塑机一天的约424度电(以最大功率机器计算)。
各注塑机型技术参数对照注塑机是一种将熔融塑料压入模具中以制造制品的设备。
不同的注塑机型号有不同的技术参数,下面是各注塑机型技术参数的对照。
1.注射容积和射出压力:注射容积是指注塑机每次射料的最大容积,一般以克为单位。
不同型号的注塑机注射容积不同,通常在50克至5000克之间。
射出压力是指注塑机将熔融塑料推进模具的压力,一般以千牛为单位。
不同型号的注塑机射出压力不同,一般在50千牛至5000千牛之间。
2.螺杆直径和螺杆长径比:螺杆直径是指注塑机螺杆的最大直径,一般以毫米为单位。
不同型号的注塑机螺杆直径不同,通常在20毫米至200毫米之间。
螺杆长径比是指螺杆长度与螺杆直径的比值,一般没有单位。
不同型号的注塑机螺杆长径比不同,一般在15:1至25:1之间。
3.锁模力和开模行程:锁模力是指注塑机在射料时锁紧模具所需的最大力量,一般以吨为单位。
不同型号的注塑机锁模力不同,通常在30吨至5000吨之间。
开模行程是指模板在射料后打开模具所需的最大行程,一般以毫米为单位。
不同型号的注塑机开模行程不同,一般在100毫米至2000毫米之间。
4.螺杆转速和冷却时间:螺杆转速是指注塑机螺杆的最大转速,一般以转/分钟为单位。
不同型号的注塑机螺杆转速不同,通常在50转/分钟至2000转/分钟之间。
冷却时间是指模具在射料后冷却的最短时间,一般以秒为单位。
不同型号的注塑机冷却时间不同,一般在10秒至120秒之间。
5.注塑速度和射出时间:注塑速度是指注塑机将熔融塑料射入模具的速度,一般以毫米/秒为单位。
不同型号的注塑机注塑速度不同,通常在100毫米/秒至1000毫米/秒之间。
射出时间是指注射器将熔融塑料射入模具所需的最短时间,一般以秒为单位。
不同型号的注塑机射出时间不同,一般在0.5秒至5秒之间。
6.加热功率和机器重量:加热功率是指注塑机加热器的总功率,一般以千瓦为单位。
不同型号的注塑机加热功率不同,通常在5千瓦至100千瓦之间。
各规格注塑机技术参数注塑机是一种用于制造塑料制品的机械设备,主要通过将熔融塑料注入模具中,然后冷却硬化成型,最后取出成品。
不同型号和规格的注塑机具有不同的技术参数,下面将介绍一些常见的注塑机技术参数。
第一个重要的参数是注射容量(注射量),它表示每次注射到模具中的塑料量,单位通常是克(g)或立方厘米(cm³)。
注射容量是根据注射缸和螺杆的直径和行程来计算的,决定了每个周期注塑的质量。
然后是射出压力,它表示材料被注入模具时所需的压力。
通常用千帕(KPa)或兆帕(MPa)来表示。
射出压力取决于注射容量和注射速度,因此注射容量和射出压力之间有一定的关联。
接下来是射出速度,它表示注射材料进入模具的速度。
射出速度是由液压系统控制的,通常用毫米/秒(mm/s)来表示。
射出速度是根据注射时间和注塑机的射出行程来计算的。
注塑机的闭模力也是一个重要的技术参数。
闭模力表示模具在注射材料时需要施加的力量,单位通常是吨(T)。
闭模力的大小取决于模具大小和复杂性,以及注射材料的特性。
另一个重要的参数是射出时间,它表示注射材料进入模具所需的时间。
射出时间是根据射出速度和注射容量来计算的,通常用秒(s)来表示。
接下来是保压时间,它表示注塑材料在模具中保持压力的时间。
保压时间取决于材料的特性和模具的要求,通常用秒(s)来表示。
注塑机的开模力也是一个重要的技术参数。
开模力表示打开模具时所需的力量,单位通常是吨(T)。
开模力的大小取决于模具大小和复杂性。
最后一个重要的参数是机器尺寸,包括注塑机的长度、宽度、高度和重量。
机器尺寸是根据每个型号的注塑机的设计和要求来确定的。
总之,注塑机的技术参数包括注射容量、射出压力、射出速度、闭模力、射出时间、保压时间、开模力和机器尺寸等。
不同的注塑机具有不同的技术参数,根据实际生产需求选择适合的注塑机是非常重要的。
JD120型技术参数表
合计功率为:18.2Kw/H JD160型技术参数表
合计功率为:26Kw/H JD90型技术参数表
合计功率为:15.5Kw/H 海天牌注塑机技术参数:
海天HTF86/TJ注塑机总功率为:13.7 Kw/H(86吨)
海天HTF160J/TJ注塑机总功率为:24.75 Kw/H(160吨)
海天HTF200J/TJ注塑机总功率为:32.75 Kw/H(200吨)
海天HTF250J/TJ注塑机总功率为:38.65 Kw/H(250吨)
注塑机生产电耗:油压机,机器前二个小时内为全负荷运作,二个小时后耗电量为额定功率的65%左右,电动机则为50%左右。
如果采用伺服电机会更省电,一般注塑机都是步进电机。
通过以上机器参数可以得出,80吨新注塑机一天的253度电(以最大功率机器计算),120吨新注塑机一天的约338度电(以最大功率机器计算),160吨新注塑机一天的约424度电(以最大功率机器计算)。
注塑机参数与注塑工艺参数注塑成形技术系统培训教材SANSEI精密注塑成形蔡军注塑机装置的技术参数1.螺杆直径mm2.螺杆长径比L/D3.螺杆压缩比4.螺杆行程cm5.理论注射容积cm36.最大注射重量(以PS计算)g7.螺杆最大转速r/min8.最大塑化能力kg/h9.注射压力MPa10.注射速率g/s11.注射时间s12.注射座推力与喷嘴推力kN13.喷嘴行程cm14.喷嘴伸出量(即伸出模具安装平面的长度)cm 进一步的技术参数:15.注射速度mm/s16.螺杆最大扭矩N/m17.螺杆驱动功率kW18.喷嘴球半径mm19.螺杆驱动方式(如油压马达、电动马达等)20.回复率。
合模装置的技术参数1.合模力kN2.开模力kN3.开模行程cm4.拉杆有效间距mm5.最大、最小模厚mm6.模板间的最大间距mm7.顶出力kN8.顶出行程mm9.模板定位孔直径mm10.移模速度m/s11.模板尺寸(H*V)mm12.模具安装尺寸可进一步提供的参数:13.拉杆直径mm14.调模驱动功率kN15.调模方式:如手动、电动、液压、马达等。
16.合模方式:如机械式、液压式、机械-液压式等。
17.顶出方式:机械、液压、气动等。
18.顶针数量19.顶出次数20.顶针速度其它整机性能参数1.油泵马达功率kN2.电热量kW3.油箱容量L4.料斗容量kg5.外形尺寸(长*宽*高)m6.机器重量kg7.空循环时间s8.单耗Kw/kg9.最大油泵压力MPa10.总用电量kW与成形工艺有关的参数1.最大的注射量(通常要求制品与浇注系统所需塑料量为注射重量75%-80%)2.合模力(足够的合模力才能保证成形模具的锁紧,精密制品需要的合模力为模具所需合模力的1.5倍)与模具有关的参数1.嘴头部球面半径2.模板上的定位孔3.拉杆间的有效间距4.模具的厚度5.模板上模具安装螺孔(或T形槽)的尺寸与取出制品有关的参数1.合模距离必须小于注塑机的最大开模距离,确认最大开模距离2.顶出装置与顶出行程距离的确认和顶杆位置与顶杆数量的确认与机器安装有关的参数1.总用电量的确认2.贮油箱容量的确认3.注塑机外形尺寸的确认4.整机重量的确认5.冷却介质的确认螺杆结构形式的选用渐变形螺杆是一种有较长压缩段的螺杆,塑化时能量转换较为缓和,主要用于非结晶型材料,如:PVC、PS、HIPS等。
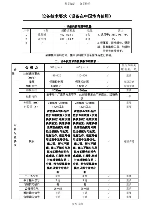
设备技术要求(设备在中国境内使用)三、设备的具体要求2 设备产品规格,设备产品图纸,产品范围(产品中有范围变化要求时,每个尺寸的最大最小值):5设备各部分的功能和动作要求,设备各部分的生产步骤(过程)要求:6设备各部分的输入状态,输出状态,质量要求,安全要求,功能和技术要求,以及具体组成部分的具体配置、规格、数量要求等:7 设备平面布局图:(粘贴在此处或者单独附图)四、安全要求:产品图号为:图纸内容详见签字版和电子版。
八、元器件配置要求:8.1关于元器件的选择,要求采用国际或者国内知名公司的产品,不允许采用乙方独有(乙方技术独享)而其他公司没有的件。
8.2设备所采用元器件的品牌建议采用如下:九、备件要求:9.1随机备件明细:9.1.1该部分备件在设备安装完成,交付使用时一起交付备件库,(办理正常入库手续)或者设备验收后交付。
安装工具不做为备件入库,但可以做为工具入库,来分发到该设备安装人员使用。
9.1.2 新设备没有验收之前,合同上的备件不准随便出库使用,出一个必须厂家给一个,待设备验收完后正常采购和出库使用.备注(未提到的备件,无法在开标后再追加采购)。
9.2合同签定后甲方向乙方不论是否在质保期内采购备件均享受最优惠价。
乙方因成本降低而造成备件供货价格下降的,应及时通知甲方。
甲方在采购过程中对某一备件价格提出异议的,乙方应及时做出解释或解决。
9.3一般备件,在接到甲方通知 7 天内提供。
对于个别金额较大非易损件需要生产工厂提供的,最长不超过 15 个工作日(乙方无法控制的因素除外,如海关等)。
供货周期自乙方接到甲方指定人员(甲方已授权并通告乙方的人员)书面认可起计算。
9.4乙方承诺严格按照合同中要求的规格型号和品牌来提供设备或配套部件,不自行变更品牌和规格型号。
如果在设备到货时出现规格型号和品牌与约定不符的问题,则视为乙方的偷工减料行为,乙方除根据合同要求进行更换外,另外还需要按照合同中约定的设备或配套部件价值的10倍进行处罚。
注塑机参数与注塑工艺参数注塑成形技术系统培训教材SANSEI精密注塑成形蔡军注塑机装置的技术参数1.螺杆直径mm2.螺杆长径比L/D3.螺杆压缩比4.螺杆行程cm5.理论注射容积cm36.最大注射重量(以PS计算)g7.螺杆最大转速r/min8.最大塑化能力kg/h9.注射压力MPa10.注射速率g/s11.注射时间s12.注射座推力及喷嘴推力kN13.喷嘴行程cm14.喷嘴伸出量(即伸出模具安装平面的长度)cm 进一步的技术参数:15.注射速度mm/s16.螺杆最大扭矩N/m17.螺杆驱动功率kW18.喷嘴球半径mm19.螺杆驱动方式(如油压马达、电动马达等)20.回复率。
合模装置的技术参数1.合模力kN2.开模力kN3.开模行程cm4.拉杆有效间距mm5.最大、最小模厚mm6.模板间的最大间距mm7.顶出力kN8.顶出行程mm9.模板定位孔直径mm10.移模速度m/s11.模板尺寸(H*V)mm12.模具安装尺寸可进一步提供的参数:13.拉杆直径mm14.调模驱动功率kN15.调模方式:如手动、电动、液压、马达等。
16.合模方式:如机械式、液压式、机械-液压式等。
17.顶出方式:机械、液压、气动等。
18.顶针数量19.顶出次数20.顶针速度其它整机性能参数1.油泵马达功率kN2.电热量kW3.油箱容量L4.料斗容量kg5.外形尺寸(长*宽*高)m6.机器重量kg7.空循环时间s8.单耗Kw/kg9.最大油泵压力MPa10.总用电量kW与成形工艺有关的参数1.最大的注射量(通常要求制品及浇注系统所需塑料量为注射重量75%-80%)2.合模力(足够的合模力才能保证成形模具的锁紧,精密制品需要的合模力为模具所需合模力的倍)与模具有关的参数1.嘴头部球面半径2.模板上的定位孔3.拉杆间的有效间距4.模具的厚度5.模板上模具安装螺孔(或T形槽)的尺寸与取出制品有关的参数1.合模距离必须小于注塑机的最大开模距离,确认最大开模距离2.顶出装置及顶出行程距离的确认和顶杆位置及顶杆数量的确认与机器安装有关的参数1.总用电量的确认2.贮油箱容量的确认3.注塑机外形尺寸的确认4.整机重量的确认5.冷却介质的确认螺杆结构形式的选用渐变形螺杆是一种有较长压缩段的螺杆,塑化时能量转换较为缓和,主要用于非结晶型材料,如:PVC、PS、HIPS等。
注塑机相关技术参数注塑机技术参数 7注塑机维修及保养常识注塑机安装及使用时注意事项:①仔细阅读说明书,熟悉机器结构,了解操纵面板、仪表面板上各电器开关、仪表及电器元件的作用。
②按电器部分说明的要求接上总电源,用户使用的电压必须与本机电源设备的额定电压相符合,并按电气安全规程要求,将机器的外壳妥然接地。
③开动机器前,检查一下各控制按钮、主令开关、电器元件、触点等接线是否松动,并将各开关置于'断开'位置。
④将工作方式选择开关QC置于手动或调整位{TodayHot}置时,才能启动电机。
启动电机时,应观察它的旋转方向是否正确,如不正确,应调整电源的程序,电脑在手动时起动电机。
⑤机器不运行时,就将总电源断开,操纵板各按纽和主令一必须处于'断'的位置。
⑥在正常使用过程中应定期对电器元件予以保养、检查各电器元件接点有无松动、行程开关是否可靠、配电箱内应保持清洁干燥,从而使电器元件能正常工作,延长使用寿命。
2、机器的维护和保养:①机械部分a、保持机器各部位的清洁和环境整齐是生产优质产品的前提。
b、每天对润滑部件加油1-2次,注意润滑管道畅通。
c、经常检查各部件的螺钉、螺母有否松动,予以拧紧。
d、料斗必须加盖,防止杂物落入,加入的回用塑料原料要特别注意铁屑、螺钉等不得混入,以免损坏机器的螺杆料筒。
②液压部分a、经常注意冷却水的畅通,观察油温不得超过55℃。
{HotTag}b、每三个月清洗油液过滤网一次,每年更换液压油一次,并清洗油箱,冷却水不得渗入油箱。
c、经常检查各管道的卡套螺母有无松动,予以拧紧,检查高压软管有无'肿瘤'等弊病并及时更换。
d、根据机器工作情况,每半年到一年更换一次油缸及活塞杆的密封元件。
③电器部分a、经常保持电气、控制箱的清洁和干燥,油、水不得流入电器箱、控制箱内。
b、经常检查电器箱内接头各接点有无松动,并予以拧紧。
c、电器元件损坏,必须根据原有型号更换,不得任意替代。
很多人在选择注塑机的时候又犯愁了,各种型号参数眼花缭乱。
本文,主要介绍的就是注塑机的型号、基本参数及型号选择,想要看的懂注塑机,就快来研究一下吧!注塑机型号:注塑机型号国外机大部分都使用注塑机最大锁模力(千牛顿)来标明型号,而国内的很多以注塑机生产厂家都使用的是注塑机每分钟最大塑化(聚苯乙烯)量来标明注塑机型号的。
注塑机的型号规格有三种表示方法:锁模力、注射量/锁模力、注射量。
锁模力表示法是用注塑机的最大锁模力参数来表征该机的型号规格,此表示法直观、简单,可直接反映注射制品的面积大小。
注射量/锁模力表示法是用理论注射容量与锁模力两个参数共同表示注塑机的型号规格,这种表示方法能够比较全面地反映注塑机加工制品的能力。
注射量表示法是用注塑机的理论注射容量参数来表征注塑机的型号规格。
我国注塑机行业制订的规格系列有SZ系列和XS系列。
SZ系列是以理论注射容量和锁模力共同表示设备规格。
如S2-200/1000,SZ意为塑料(S)注射(Z)成型机,理论注射容量为200 cm³,锁模力为1000kN。
XS系列是比较早时采用的系列,它以理论注射容量表示设备的规格。
如XS-ZY-125A注塑机,XS-ZY指预塑式(Y)塑料(S)注射(Z)成型(X)机,125指理论注射容量为125 cm³,A指设备设计序号为第一次改型。
注塑机的基本参数:1、注塑量——在对空注射条件下,注塑螺杆或柱塞作一次最大注塑行程时,注塑系统所能达到的最大注出量。
该参数在一定程度上反映了注塑机的加工能力,标志着该注塑机能成型塑料制品的最大质量,是注塑机的一个重要参数,注塑量一般有二种表示方式,一种以PS为标准(密度ρ=1.05g/cm3)用注出熔体的质量(g)表示,另一种是用注出熔体的容积(cm3)来表示根据定义,注塑螺杆一次所能注出的最大注塑容量的理论值为:螺杆头部在其垂直与轴线方向的最大投影面积与注塑螺杆行程的乘积。
QL =π/4 D2 S注塑机在工作过程中是达不到理论值的,因为塑料的密度随温度,压力的变化而发生相应变化,,因此,注塑容量需作适当修正,修正后的注塑容量为Q=αQL =π/4 D2 Sα, α——射出系数,一般为0.7∽0.9,在注塑机上加工塑料制品,一般制品的质量及浇注系统总用料量以不超过注塑机注塑量的25%∽70%为好,2、注塑压力——螺杆或柱塞端面作用于熔体单位面积上的力,注塑压力的大小与注塑机结构,流动阻力,制品形状,塑料的性能,塑化方式,塑化温度,模具结构,模具温度和对制品精度要求等因素有关,实际生产中,注塑压力能在机器容许的范围内调节,注塑压力的大小要根据实际情况进行选用,一般注塑压力选择范围如下。
HTF86/TJA B C 螺杆直径Screw Diameter mm 34 36 40 螺杆长径比Screw L/D Ratio L/D 21.2 20 18 理论容量Shot Size(Theoretical) cm3131 147 181 注射重量Injection Weight(PS) g 119 134 165 注射压力Injection Pressure Mpa 206 183 149 螺杆转速Screw Speed rpm 0~205合模力Clamp Tonnage KN 860移模行程Toggle Stroke mm 310拉杆内距Space Between Tie Bars mm 360x360最大模厚Max.Mold Height mm 360最小模厚Min.Mold Height mm 150顶出行程Ejector Stroke mm 100顶出力Ejector Tonnage KN 33顶出杆根数Ejector Number Piece 5最大油泵压力Max.Pump Pressure MPa 17.5油泵马达Pump Motor Power kw 7.5电热功率Heater Power kw 6.2外形尺寸Machine Dimension(LxWxH) m 4.5x1.25x1.9重量Machine Weight t 3.45料斗容积Hopper Capacity kg 25油箱容积Oil Tank Capacity L 230螺杆长径比Screw L/D Ratio L/D 23.3 20 18.7 理论容量Shot Size(Theoretical) cm3173 214 270 注射重量Injection Weight(PS) g 157 195 246 注射压力Injection Pressure Mpa 197 160 126 螺杆转速Screw Speed rpm 0~195合模力Clamp Tonnage KN 1200移模行程Toggle Stroke mm 350拉杆内距Space Between Tie Bars mm 410x410最大模厚Max.Mold Height mm 430最小模厚Min.Mold Height mm 150顶出行程Ejector Stroke mm 120顶出力Ejector Tonnage KN 33顶出杆根数Ejector Number Piece 5最大油泵压力Max.Pump Pressure MPa 16油泵马达Pump Motor Power kw 11电热功率Heater Power kw 9.75外形尺寸Machine Dimension(LxWxH) m 4.92x1.33x1.95重量Machine Weight t 4.56料斗容积Hopper Capacity kg 25油箱容积Oil Tank Capacity L 240螺杆长径比Screw L/D Ratio L/D 22.5 20 18.8 理论容量Shot Size(Theoretical) cm3253 320 364 注射重量Injection Weight(PS) g 230 291 331 注射压力Injection Pressure Mpa 202 159 140 螺杆转速Screw Speed rpm 0~175合模力Clamp Tonnage KN 1600移模行程Toggle Stroke mm 420拉杆内距Space Between Tie Bars mm 455x455最大模厚Max.Mold Height mm 500最小模厚Min.Mold Height mm 180顶出行程Ejector Stroke mm 140顶出力Ejector Tonnage KN 33顶出杆根数Ejector Number Piece 5最大油泵压力Max.Pump Pressure MPa 17.5油泵马达Pump Motor Power kw 15电热功率Heater Power kw 9.75外形尺寸Machine Dimension(LxWxH) m 5.4x1.45x2.05重量Machine Weight t 5.2料斗容积Hopper Capacity kg 25油箱容积Oil Tank Capacity L 320螺杆长径比Screw L/D Ratio L/D 22.2 20 18.2 理论容量Shot Size(Theoretical) cm3334 412 499 注射重量Injection Weight(PS) g 304 375 454 注射压力Injection Pressure Mpa 210 170 141 螺杆转速Screw Speed rpm 0~165合模力Clamp Tonnage KN 2000移模行程Toggle Stroke mm 470拉杆内距Space Between Tie Bars mm 510x510最大模厚Max.Mold Height mm 510最小模厚Min.Mold Height mm 200顶出行程Ejector Stroke mm 130顶出力Ejector Tonnage KN 62顶出杆根数Ejector Number Piece 9最大油泵压力Max.Pump Pressure MPa 17.5油泵马达Pump Motor Power kw 18.5电热功率Heater Power kw 14.25外形尺寸Machine Dimension(LxWxH) m 5.3x1.6x2.1重量Machine Weight t 6.8料斗容积Hopper Capacity kg 50油箱容积Oil Tank Capacity L 390螺杆长径比Screw L/D Ratio L/D 22 20 18.3 理论容量Shot Size(Theoretical) cm3442 535 636 注射重量Injection Weight(PS) g 402 487 579 注射压力Injection Pressure Mpa 205 169 142 螺杆转速Screw Speed rpm 0~180合模力Clamp Tonnage KN 2500移模行程Toggle Stroke mm 540拉杆内距Space Between Tie Bars mm 570x570最大模厚Max.Mold Height mm 570最小模厚Min.Mold Height mm 220顶出行程Ejector Stroke mm 130顶出力Ejector Tonnage KN 62顶出杆根数Ejector Number Piece 9最大油泵压力Max.Pump Pressure MPa 17.5油泵马达Pump Motor Power kw 22电热功率Heater Power kw 16.65外形尺寸Machine Dimension(LxWxH) m 6.02x1.7x2.1重量Machine Weight t 8.1料斗容积Hopper Capacity kg 50油箱容积Oil Tank Capacity L 630螺杆长径比Screw L/D Ratio L/D 21.7 20 18.6 理论容量Shot Size(Theoretical) cm3727 853 989 注射重量Injection Weight(PS) g 662 776 900 注射压力Injection Pressure Mpa 213 182 157 螺杆转速Screw Speed rpm 0~185合模力Clamp Tonnage KN 3000移模行程Toggle Stroke mm 600拉杆内距Space Between Tie Bars mm 660x660最大模厚Max.Mold Height mm 660最小模厚Min.Mold Height mm 250顶出行程Ejector Stroke mm 160顶出力Ejector Tonnage KN 62顶出杆根数Ejector Number Piece 13最大油泵压力Max.Pump Pressure MPa 16油泵马达Pump Motor Power kw 30电热功率Heater Power kw 19.65外形尺寸Machine Dimension(LxWxH) m 6.5x2.0x2.4重量Machine Weight t 12.5料斗容积Hopper Capacity kg 50油箱容积Oil Tank Capacity L 670螺杆长径比Screw L/D Ratio L/D 21.5 20 18.7 理论容量Shot Size(Theoretical) cm31068 1239 1423 注射重量Injection Weight(PS) g 972 1127 1295 注射压力Injection Pressure Mpa 208 180 156 螺杆转速Screw Speed rpm 0~185合模力Clamp Tonnage KN 3600移模行程Toggle Stroke mm 660拉杆内距Space Between Tie Bars mm 710x710最大模厚Max.Mold Height mm 710最小模厚Min.Mold Height mm 250顶出行程Ejector Stroke mm 160顶出力Ejector Tonnage KN 110顶出杆根数Ejector Number Piece 13最大油泵压力Max.Pump Pressure MPa 17.5油泵马达Pump Motor Power kw 37电热功率Heater Power kw 24.85外形尺寸Machine Dimension(LxWxH) m 6.9x2.1x2.5重量Machine Weight t 15料斗容积Hopper Capacity kg 100油箱容积Oil Tank Capacity L 922螺杆长径比Screw L/D Ratio L/D 22.9 20 19 理论容量Shot Size(Theoretical) cm31424 1860 2050 注射重量Injection Weight(PS) g 1296 1693 1866 注射压力Injection Pressure Mpa 204 156 141 螺杆转速Screw Speed rpm 0~155合模力Clamp Tonnage KN 4500移模行程Toggle Stroke mm 740拉杆内距Space Between Tie Bars mm 780x780最大模厚Max.Mold Height mm 780最小模厚Min.Mold Height mm 330顶出行程Ejector Stroke mm 200顶出力Ejector Tonnage KN 110顶出杆根数Ejector Number Piece 13最大油泵压力Max.Pump Pressure MPa 17.5油泵马达Pump Motor Power kw 45电热功率Heater Power kw 29.45外形尺寸Machine Dimension(LxWxH) m 7.9x2.3x3.2重量Machine Weight t 19料斗容积Hopper Capacity kg 100油箱容积Oil Tank Capacity L 1170螺杆长径比Screw L/D Ratio L/D 22 21 19.6 17.6 理论容量Shot Size(Theoretical) cm32212 2438 2799 3456 注射重量Injection Weight(PS) g 2012 2218 2547 3145 注射压力Injection Pressure Mpa 180 163 142 115 螺杆转速Screw Speed rpm 0~130合模力Clamp Tonnage KN 5300移模行程Toggle Stroke mm 825拉杆内距Space Between Tie Bars mm 830x800最大模厚Max.Mold Height mm 850最小模厚Min.Mold Height mm 350顶出行程Ejector Stroke mm 200顶出力Ejector Tonnage KN 158顶出杆根数Ejector Number Piece 17最大油泵压力Max.Pump Pressure MPa 17.5油泵马达Pump Motor Power kw 55电热功率Heater Power kw 40.25外形尺寸Machine Dimension(LxWxH) m 9x2.3x3.6 重量Machine Weight t 26料斗容积Hopper Capacity kg 200油箱容积Oil Tank Capacity L 1250螺杆长径比Screw L/D Ratio L/D 24.8 22 19.8 18 理论容量Shot Size(Theoretical) cm32036 2576 3181 3849 注射重量Injection Weight(PS) g 1853 2344 2895 3503 注射压力Injection Pressure Mpa 224 177 143 118 螺杆转速Screw Speed rpm 0~120合模力Clamp Tonnage KN 6500移模行程Toggle Stroke mm 900拉杆内距Space Between Tie Bars mm 895x895最大模厚Max.Mold Height mm 900最小模厚Min.Mold Height mm 400顶出行程Ejector Stroke mm 260顶出力Ejector Tonnage KN 175顶出杆根数Ejector Number Piece 17最大油泵压力Max.Pump Pressure MPa 17.5油泵马达Pump Motor Power kw 22+37电热功率Heater Power kw 49.25外形尺寸Machine Dimension(LxWxH) m 9.9x2.4x3.8 重量Machine Weight t 31.3料斗容积Hopper Capacity kg 200油箱容积Oil Tank Capacity L 1480螺杆长径比Screw L/D Ratio L/D 24.4 22 20 18.3 理论容量Shot Size(Theoretical) cm32799 3456 4181 4976 注射重量Injection Weight(PS) g 2547 3145 3805 4528 注射压力Injection Pressure Mpa 228 184 152 128 螺杆转速Screw Speed rpm 0~104合模力Clamp Tonnage KN 7800移模行程Toggle Stroke mm 980拉杆内距Space Between Tie Bars mm 980x980最大模厚Max.Mold Height mm 980最小模厚Min.Mold Height mm 400顶出行程Ejector Stroke mm 260顶出力Ejector Tonnage KN 186顶出杆根数Ejector Number Piece 21最大油泵压力Max.Pump Pressure MPa 17.5油泵马达Pump Motor Power kw 37+37电热功率Heater Power kw 61.15外形尺寸Machine Dimension(LxWxH) m 10.5x2.6x3.8 重量Machine Weight t 37.2料斗容积Hopper Capacity kg 200油箱容积Oil Tank Capacity L 1630螺杆长径比Screw L/D Ratio L/D 24.4 22 20 18.3 理论容量Shot Size(Theoretical) cm32799 3456 4181 4976 注射重量Injection Weight(PS) g 2547 3145 3805 4528 注射压力Injection Pressure Mpa 228 184 152 128 螺杆转速Screw Speed rpm 0~114合模力Clamp Tonnage KN 9000移模行程Toggle Stroke mm 1020拉杆内距Space Between Tie Bars mm 1060x1000最大模厚Max.Mold Height mm 1020最小模厚Min.Mold Height mm 450顶出行程Ejector Stroke mm 260顶出力Ejector Tonnage KN 186顶出杆根数Ejector Number Piece 21最大油泵压力Max.Pump Pressure MPa 17.5油泵马达Pump Motor Power kw 37+45电热功率Heater Power kw 61.15外形尺寸Machine Dimension(LxWxH) m 11.3x2.8x4.0 重量Machine Weight t 46料斗容积Hopper Capacity kg 200油箱容积Oil Tank Capacity L 1630螺杆长径比Screw L/D Ratio L/D 24.4 22 20.2 18.6 理论容量Shot Size(Theoretical) cm33770 4562 5429 6371 注射重量Injection Weight(PS) g 3431 4145 4940 5798 注射压力Injection Pressure Mpa 211 174 146 125 螺杆转速Screw Speed rpm 0~101合模力Clamp Tonnage KN 10000移模行程Toggle Stroke mm 1100拉杆内距Space Between Tie Bars mm 1090x1090最大模厚Max.Mold Height mm 1100最小模厚Min.Mold Height mm 500顶出行程Ejector Stroke mm 320顶出力Ejector Tonnage KN 215顶出杆根数Ejector Number Piece 21最大油泵压力Max.Pump Pressure MPa 17.5油泵马达Pump Motor Power kw 37+55电热功率Heater Power kw 68.75外形尺寸Machine Dimension(LxWxH) m 11.9x2.8x4.0 重量Machine Weight t 49料斗容积Hopper Capacity kg 200油箱容积Oil Tank Capacity L 1730。
各规格注塑机技术参数JD12018.2KW/H26KW/HJD9017.5KW/HHDX 78 T 技术参数SPECIFICATION 规格项⽬(Description) HDX78T(U nit)螺杆直径(Screw Diameter) mm 34 36 40 螺杆长径⽐(Screw L/D Ratio) L/D 21.2 20 18 最⼤理论射胶容积(Max.Theoretical Injection Cap acity) cm 110 125 154 最⼤注射量(Shot Weigh PS) g 100 114 140 最⼤射胶压⼒(Max.Injection Pressure) MPa 180 160 130 螺杆转速(Screw Speed Range) r.p .m 10-230最⼤锁模⼒(Max.Clamping Force) ton 78最⼤开模⾏程(Max.Opening Stroke) mm 300哥林柱内距(Space Between The Bars “Vx H”)mm 330X 330容模量(Min-Max Mould Thickness) mm 150-300顶针推⼒/⾏程(Ejector Force/Stroke ) Kn/mm 25 / 80油泵最⼤压⼒(Pump P.Max) MPa 16油泵电动机功率(Pump Motor Power) kw 9电加热功率(Heating Capacity) KW 6.5外形尺⼨(Machine Size “Lx WX H” ) m 3.9 X 1.1 X 1.9重量(Machine Weight) ton 2.5莫具定位圈直径(Mold Location Recess Diameters ) mm 100喷嘴圆球半径(Nozzle Radius ) mm SR10合计功率为:15.5KW/H海天牌注塑机技术参数:注射装杆直径INJECTION UNITScrew Diameter A mm B 34 36 C :40 螺杆长径⽐Screw L/D Ratio L/D 21.2 20 18 理论容量Shot Size(Theoretical) cm 131 147 181 注射重量Injection Weight( PS) g 119 134 165 注射压⼒Injectio n Pressure Mpa 206 183 149 螺杆转速Screw Sp eed rpm 0 ?205合模装置CLA MPING UNIT合模⼒Clamp Tonn age KN 860移模⾏程Toggle Stroke mm 310拉杆内距Space Betwee n Tie Bars mm 360x360最⼤模厚Max.Mold Height mm 360最⼩模厚Mi n. Mold Height mm 150顶出⾏程Ejector Stroke mm 100顶出⼒Ejector Tonn age KN 33 顶出杆根数Ejector Number P iece 5 其它OTHERS最⼤油泵压⼒Max. Pump Pressure MPa 17.5 油泵马达Pump Motor Po wer kw 7.5电热功率Heater Po wer kw 6.2外形尺⼨Machi ne Dime nsio n(LxWxH) m 4.5x1.25x1.9 重量Machi ne Weight t 3.45 料⽃容积Hopper Cap acity kg 25油箱容积Oil Tank Cap acity L 230海天HTF86/TJ注塑机总功率为:13.7 Kw/H (86吨)注射装置T径INJECTION UNSCrew Diameter A mm B36 40 C 45 螺杆长径⽐Screw L/D Ratio L/D 23.3 20 18.7 理论容量Shot Size(Theoretical) 3 cm 173 214 270 注射重量Injection Weight (PS) g 157 195 246 注射压⼒Injectio n Pressure Mpa 197 160 126 螺杆转速Screw Sp eed rpm 0 ?195合模装置CLA IMPING UNIT合模⼒Clamp Tonn age KN 1200移模⾏程Toggle Stroke mm 350拉杆内距Space Betwee n Tie Bars mm 410x410最⼤模厚Max.Mold Height mm 430最⼩模厚Mi n. Mold Height mm 150顶出⾏程Ejector Stroke mm 120顶出⼒Ejector Tonn age KN 33 顶出杆根数Ejector Number P iece 5 其它OTHERS最⼤油泵压⼒Max.Pump P ressure MPa 16 油泵马达Pump Motor Po wer kw 11电热功率Heater Po wer kw 9.75外形尺⼨Machi ne Dime nsio n(LxWxH) m 4.92x1.33x1.95 重量Machi ne Weight t 4.56 料⽃容积Hopper Cap acity kg 25油箱容积Oil Tank Cap acity L 240海天HTF120J/TJ注塑机总功率为:20.75 Kw/H (120吨)注射装置直径INJECTION UNIScrew Diameter A mm B 40 45 C 48 螺杆长径⽐Screw L/D Ratio L/D 22.5 20 18.8 理论容量Shot Size(Theoretical) 3 cm 253 320 364 注射重量Injection Weight( PS) g 230 291 331 注射压⼒Injectio n Pressure Mpa 202 159 140 螺杆转速Screw Sp eed rpm 0 ?175合模装置CLA MPING UNIT合模⼒Clamp Tonn age KN 1600移模⾏程Toggle Stroke mm 420拉杆内距Space Betwee n Tie Bars mm 455x455最⼤模厚Max.Mold Height mm 500最⼩模厚Mi n. Mold Height mm 180顶出⾏程Ejector Stroke mm 140顶出⼒Ejector Tonn age KN 33 顶出杆根数Ejector Number P iece 5 其它OTHERS最⼤油泵压⼒Max. Pump P ressure MPa 17.5 油泵马达Pump Motor Po wer kw 15电热功率Heater Po wer kw 9.75外形尺⼨Machi ne Dime nsio n(LxWxH) m 5.4x1.45x2.05 重量Machi ne Weight t 5.2 料⽃容积Hopper Cap acity kg 25油箱容积Oil Tank Cap acity L 320海天HTF160J/TJ注塑机总功率为:24.75 Kw/H (160吨)注射螺杆直径INJECTION UNITScrew Diameter A mm E 1 45 50 C 55 螺杆长径⽐Screw L/D Ratio L/D 22.2 20 18.2 理论容量Shot Size(Theoretical) cm 334 412 499 注射重量Injection Weight( PS) g 304 375 454 注射压⼒Injectio n Pressure Mpa 210 170 141 螺杆转速Screw Sp eed rpm 0 ?165合模装置CLA MPING UNIT合模⼒Clamp Tonn age KN 2000移模⾏程Toggle Stroke mm 470拉杆内距Space Betwee n Tie Bars mm 510x510最⼤模厚Max.Mold Height mm1510 最⼩模厚Mi n. Mold Height mm 1200顶出⾏程Ejector Stroke mm 130顶出⼒Ejector Tonn age KN 62 顶出杆根数Ejector Number P iece 9 其它OTHERS最⼤油泵压⼒Max .Pump Pressure MPa 17.5油泵马达Pump Motor Po wer kw 18.5电热功率Heater Po wer kw 14.25外形尺⼨Machi ne Dime nsio n(LxWxH) m 5.3x1.6x2.1 重量Machi ne Weight t 6.8 料⽃容积Hopper Cap acity kg 50油箱容积Oil Tank Cap acity L 390海天HTF200J/TJ注塑机总功率为:32.75 Kw/H (200吨)注射装置直径螺杆长径⽐INJECTION UNITScrew DiameterScrew L/D RatioA mmL/DB 50 55C 6022 20 18.3理论容量Shot Size(Theoretical) cm3442 535 636 注射重量Injection Weight( PS) g 402 487 579 注射压⼒Injectio n Pressure Mpa 205 169 142 螺杆转速Screw Sp eed rpm 0 ? 180合模装置CLA MPING UNIT合模⼒Clamp Tonn age KN 2500移模⾏程Toggle Stroke mm 540拉杆内距Space Betwee n Tie Bars mm 570x570最⼤模厚Max.Mold Height mm 570最⼩模厚Mi n. Mold Height mm 220顶出⾏程Ejector Stroke mm 130顶出⼒Ejector Tonn age KN 62顶出杆根数Ejector Number P iece 9HTF250J/TJ 38.65 Kw/H 250注塑机⽣产电耗:油压机,机器前⼆个⼩时内为全负荷运作,⼆个⼩时后耗电量为额定功率的则为50%左右。
海天注塑机尺⼨参数安徽永安电⼦海天注塑机规格⼀海天天隆系列MA900B/260技术参数序号项⽬单位技术参数1 注塑容量 cm31532 注射速率 g/s 983 注射压⼒ Mpa 1734 塑化能⼒(PS) g/s 11.35 锁模⼒ KN 9006 开模⾏程 mm 3207 容模量(Min~Max) mm 150~3808 哥林柱内距 mm 360×3609 模板尺⼨(⽔平×垂直) mm 540×54010 模具定位孔直径 mm 12511 顶出⾏程 mm 10012 顶出⼒ KN 3313 顶出杆跟数根 514 抽芯装置组 2动模侧定模侧⼆海天天隆系列MA1600B/540技术参数序号项⽬单位技术参数1 注塑容量 cm33202 注射速率 g/s 1483 注射压⼒ Mpa 1694 塑化能⼒(PS) g/s 185 锁模⼒ KN 16006 开模⾏程 mm 4307 容模量(Min~Max) mm 180~5208 哥林柱内距 mm 470×4709 模板尺⼨(⽔平×垂直) mm 705×70510 模具定位孔直径 mm 12511 顶出⾏程 mm 14012 顶出⼒ KN 3313 顶出杆跟数根 514 抽芯装置组 2动模侧定模侧三海天天隆系列MA2500B/1000技术参数序号项⽬单位技术参数1 注塑容量 cm35702 注射速率 g/s 2003 注射压⼒ Mpa 1784 塑化能⼒(PS) g/s 26.65 锁模⼒ KN 25006 开模⾏程 mm 5407 容模量(Min~Max) mm 220~5808 哥林柱内距 mm 580×5809 模板尺⼨(⽔平×垂直) mm 860×86010 模具定位孔直径 mm 16011 顶出⾏程 mm 15012 顶出⼒ KN 6213 顶出杆跟数根 914 抽芯装置组 2动模侧定模侧。
JD120型技术参数表
合计功率为:18.2Kw/H JD160型技术参数表
合计功率为:26Kw/H JD90型技术参数表
合计功率为:15.5Kw/H 海天牌注塑机技术参数:
海天HTF86/TJ注塑机总功率为:13.7 Kw/H(86吨)
海天HTF120J/TJ注塑机总功率为:20.75 Kw/H(120吨)
海天HTF160J/TJ注塑机总功率为:24.75 Kw/H(160吨)
海天HTF250J/TJ注塑机总功率为:38.65 Kw/H(250吨)
注塑机生产电耗:油压机,机器前二个小时内为全负荷运作,二个小时后耗电量为额定功率的65%左右,电动机则为50%左右。
如果采用伺服电机会更省电,一般注塑机都是步进电机。
通过以上机器参数可以得出,80吨新注塑机一天的253度电(以最大功率机器计算),120吨新注塑机一天的约338度电(以最大功率机器计算),160吨新注塑机一天的约424度电(以最大功率机器计算)。