便道原始收方记录
- 格式:xls
- 大小:13.50 KB
- 文档页数:1
四川铁投集团川东北基地综合体项目部(一)
施工现场临设工程收方记录
一、围挡
1、外围挡(双星路侧):从分界线(1、2#楼10轴/11轴)至盛通公司民工生活区后侧段,总长为135.3米。
2、施工大门:2道。
3、临边围挡(铁艺护栏):从分界线(1、2#楼10轴/11轴)至盛通公司民工生活区前侧段,总长为107米。
4、挡水线:从分界线(1、2#楼10轴/11轴)至盛通公司民工生活区前侧段,总长为107米。
二、截水沟
从分界线(1、2#楼10轴/11轴)至盛通公司施工大门段,总长为77米。
三、施工便道硬化
1、施工大门至洗车槽尾端段工程量(入施工场地道路):C25钢筋砼38m*4.4m=167.2m2;
施工大门至洗车槽尾端段工程量(出施工场地道路):C25钢筋砼38m*3.6m=136.8m2;
此段道路钢筋用量总量为7.52t。
2、洗车槽尾端至施工现场:C25钢筋砼147m*3.5m=514.5m2;
此段道路钢筋用量总量为2.2t。
四、材料堆料场硬化
从分界线(1、2#楼10轴/11轴)至盛通公司施工大门段,C25砼 1.6m*77m=123.2m2。
路航公司参加人员签字:
盛通公司参加人员签字:
2016年5月31日。
工程名称綦江县通惠新城核桃湾分区A段Ⅱ标段道路工程时间2013年1月25日施工单位四川德友建筑工程有限公司地点通惠核桃湾收方部位公路K0+400.000~K0+450.000处土石方开挖收方依据及原因由于指定渣场变更,导致费用增加。
详情见现场施工记录收方单位及人员施工单位监理单位建设单位其它收方及签证内容、简图及计算式自2013年1月9日~2013年1月25日止。
共计外运土石方为583车(18m³/车):1、车辆运输费用:583车×180.00元/车=104940.00元2、渣场费用:583车×90.00元/车=52470.00元收方汇总工程量确认施工单位:(施工负责人)综上所述:合计费用:157410.00元监理单位:(监理工程师)建设单位:(现场代表)备注工程名称綦江县通惠新城核桃湾分区A段Ⅱ标段道路工程时间2013年2月21日施工单位四川得友建筑工程有限公司地点通惠核桃湾收方部位公路K0+000~K0+040.396右侧边坡土石方开挖收方依据及原因由于当地居民阻拦挖机未能正常开挖作业收方单位及人员施工单位监理单位建设单位其它收方及签证内容、简图及计算式320挖机进出场费、现场杂工工资:1、320挖机进出场费用:1500.00元3、现场杂工费用:4人×100.00元/天=400.00元收方汇总工程量确认施工单位:(施工负责人)综上所述:合计费用:1900.00元监理单位:(监理工程师)建设单位:(现场代表)备注工程名称綦江县通惠新城核桃湾分区A段Ⅱ标段道路工程时间2013年2月25日施工单位四川得友建筑工程有限公司地点通惠核桃湾收方部位公路K0+000~K0+040.396右侧边坡土石方开挖收方依据及原因由于当地居民阻拦挖机未能正常作业收方单位及人员施工单位监理单位建设单位其它收方及签证内容、简图及计算式320挖机进出场费、现场杂工工资:1、320挖机进出场费用:1500.00元2、现场杂工费用:4人×100.00元/天=400.00元收方汇总工程量确认施工单位:(施工负责人)综上所述:合计费用:1900.00元监理单位:(监理工程师)建设单位:(现场代表)备注工程名称綦江县通惠新城核桃湾分区A段Ⅱ标段道路工程时间2013年3月4日施工单位四川得友建筑工程有限公司地点通惠核桃湾收方部位公路K0+000~K0+040.396右侧边坡土石方开挖收方依据及原因由于当地居民阻拦挖机未能正常作业收方单位及人员施工单位监理单位建设单位其它收方及签证内容、简图及计算式320挖机进出场费、现场杂工工资:1、320挖机进出场费用:1500.00元2、现场杂工费用:4人×100.00元/天=400.00元收方汇总工程量确认施工单位:(施工负责人)综上所述:合计费用:1900.00元监理单位:(监理工程师)建设单位:(现场代表)备注工程名称綦江县通惠新城核桃湾分区A段Ⅱ标段道路工程时间2013年3月3日施工单位四川得友建筑工程有限公司地点通惠核桃湾收方部位渣场修临时施工道路及移动现场光纤收方依据及原因现场实测数据及施工记录收方单位及人员施工单位监理单位建设单位其它收方及签证内容、简图及计算式经现场实测:1、修路土石方开挖工程量:长21.5m×宽12.3m×厚5.8m=1533.81m³2、移动现场光纤人工:2人×120.00元/天=240.00元收方汇总工程量确认施工单位:(施工负责人)综上所述:1、渣场修路土石方开挖量:1533.81m³2、人工:240.00元监理单位:(监理工程师)建设单位:(现场代表)备注停工报告重庆市綦江县东部新城开发建设有限公司:我公司承建的綦江县通惠新城核桃湾分区A段Ⅱ标段.B段道路工程。
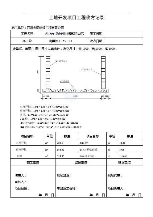
土地开发项目工程收方记录施工单位:四川金河建设工程有限公司工程名称 内江市市中区永安镇土地整理项目二标段施工日期施工段山粪池(165口)收方日期(计算式、草图):图中尺寸以毫米计,净空尺寸:长1500、宽1000、高1000,M7.5浆砌标砖C15砼底板1001000100120150012010010砂浆抹面M土方开挖:1.95×1.45×0.6×165=280.5m 3 石方开挖:1.95×1.45×0.4×165=186.45m 3 回填:1.7+1.13-1.5×1×1×165=219.45 m 3 C15砼:1.95×1.45×0.1×165=46.65m 3 M7.5砂浆砌砖:(1.12+1.62)×2×1×0.12×165=108.9m 3 M10砂浆抹面:(1.5+1)×2×1+1.74×1.24×165=1189.65㎡项目名称单位数量项目名称单位数量土方开挖 m 3 280.5 C15砼 m 3 46.65石方开挖 m 3 186.45 M7.5砂浆砌砖m 3 108.9 回填m 3219.45M10砂浆抹面㎡1189.65施工单位监理单位建设单位填表人: 审核人: 项目经理:年 月 日现场监理:总监理工程师:年 月 日现场代表:项目负责人:年 月 日本表由施工单位填写一式三份:建设、施工、监理存档各一份。