信息产业部信息系统工程监理与咨询服务收费参考标准
- 格式:doc
- 大小:39.50 KB
- 文档页数:1
信息产业部信息系统工程监理与咨询服务收费参考标准信息系统工程监理与咨询服务收费既考虑了信息系统工程的特点,又参照了其它监理行业的收费标准。
其收费参考标准内容如下:一、计算公式1、费率公式:S=A×B×C2、收费公式:F=S×M(万元)二、费率相关系数说明(一)信息系统工程一般分为两大阶段,一是工程前期咨询服务阶段,一是设计、实施、验收阶段。
信息系统工程项目类型分为:软件工程、信息应用系统工程、信息网络系统工程、其它工程(包括以计算机网络、监控为中心的建筑智能化工程等),因此,监理阶段的费率A(二)鉴于信息系统工程项目分布的地域不同,因此,监理的费率应在监理的各阶段费率的基础上考虑地域的因素,地域调整系数B如下:1、集中建设的信息系统工程项目:地域调整系数B为1;2、地市范围的信息系统工程项目:地域调整系数B为1—1.2;3、全省范围的信息系统工程项目:地域调整系数B为1.2—1.5;4、全国范围的信息系统工程项目:地域调整系数B为1.5—2。
(三)鉴于信息系统工程工期长短不一,因此,监理的费率应在监理的各阶段费率的基础上考虑工期的因素。
工期调整系数C如下:序号工程工期T(年)工期调整系数C三、收费其它情况说明如果信息系统工程项目建设中有下列情况,监理附加报酬取费可以按照下列方式计取:1、对于非监理原因造成工程延期而产生的监理附加工作,监理单位有权获得监理附加报酬,监理附加报酬率附加工作月数/12。
2、对于维护阶段的监理取费由业主单位和监理单位协商解决。
3、本参考标准未作规定的,可参考国家相关标准。
注:软件工程:以软件开发为核心的工程。
信息应用系统工程:是指包含各类业务管理系统的应用系统工程,不包含软件开发。
信息网络系统工程:是指以信息技术为主要手段建立的信息处理、传输、交换和分发的计算机网络系统工程。
其它工程:以监控系统为中心的智能建筑或者其他建设工程。
信息系统工程监理与咨询服务收费参考标准起草说明一、收费参考标准制定的必要性(一)有利于信息系统工程建设市场规范化管理。
精心整理关于发布《信息系统工程监理及相关信息技术咨询服务取费计算方法(参照标准)》的通知中电企协监字[2014]01号?各有关单位:为推进信息系统工程监理行业的发展,结合信息系统工程监理行业的特点,特制订《信息系统工程监理及相关信息技术咨询服务取费计算方法(参照标准)》,现印发给你们。
工作中有何问题,请及时与我们联系。
电子邮件:中国电子企业协会信息系统工程监理分会2014年1月20日抄报:工业和信息化部计算机信息系统集成资质认证工作办公室附件:《信息系统工程监理及相关信息技术咨询服务取费计算方法(参照标准)》信息系统工程监理及相关信息技术咨询服务取费计算方法(参照标准)一、计算方法参考的有关政策、标准1、《信息系统工程监理暂行规定)》(信部信[2002]570号文);2、《信息系统工程监理单位资质等级评定条件(2012年修定版)》(工信计资[2012]8号文)和《信息系统工程监理单位资质等级评定条件实施细则》(工信计资[2012]号文);3、《国家电子政务工程建设项目管理暂行办法》(国家发展和改革委员会第55号令);4、《国民经济行业分类》(GB/T4754-2011)国家标准;5、国家GB/T19668系列规范;6、国家发改委、建设部联合颁布的《建设工程监理与相关服务收费管理规定》(发改价格[2007]670号文);7、《信息系统工程监理及相关信息技术咨询服务取费计算方法(征求意见稿)》(中电企协监字[2013]01号文);8、《上海市工程设备监理收费规定(参照标准)》(沪设监协12009]1号文)。
本计算方法还参考了信息系统工程监理及相关信息技术咨询服务有关取费研究资料,以及取费计算方法征求意见收到的修改建议和意见。
二、适用范围本方法适用于信息系统工程建设过程中的信息网络系统、信息资源系统、信息应用系统的新建、升级、改造工程与运行维护中信息系统工程监理服务的取费,以及相关信息技术咨询服务的取费。
信息系统监理取费标准信息系统监理是指对信息系统工程实施全过程的监督和管理,以确保信息系统工程能够按照合同要求、质量标准和工程进度进行。
信息系统监理取费标准是指对信息系统监理服务的收费标准,合理的取费标准既可以保障监理机构的合法权益,也可以为建设单位提供优质的监理服务。
下面将就信息系统监理取费标准进行详细介绍。
首先,信息系统监理取费标准应当根据监理服务内容和监理工作量来制定。
监理服务内容包括工程前期的准备工作、施工过程的监督管理、工程竣工验收等内容,监理工作量则包括监理人员的工作时间、工作强度、监理任务的复杂程度等。
因此,监理取费标准应当根据实际情况来确定,以保证监理机构能够获得合理的报酬。
其次,信息系统监理取费标准应当与监理服务质量相挂钩。
监理机构应当根据自身的监理能力和水平来确定监理取费标准,对于有较高监理能力和服务质量的机构可以适当提高取费标准,以激励其提供更好的监理服务;而对于监理能力和服务质量较差的机构,则应当降低其取费标准,以促使其提高监理水平。
再次,信息系统监理取费标准应当公开透明。
监理机构在制定取费标准时应当遵循公开、公平、公正的原则,将取费标准向社会公开,接受社会监督。
同时,监理机构应当向建设单位和监理对象详细说明监理取费标准的依据和计算方法,确保取费标准的合理性和透明度。
最后,信息系统监理取费标准应当根据市场行情和监理服务需求来调整。
随着信息系统建设的不断发展,监理服务的需求也在不断增加,监理取费标准应当根据市场行情和监理服务需求的变化进行适时调整,以保证监理机构能够获得合理的收益,同时为建设单位和监理对象提供优质的监理服务。
综上所述,信息系统监理取费标准应当根据监理服务内容和监理工作量来制定,与监理服务质量相挂钩,公开透明,并根据市场行情和监理服务需求进行调整。
只有合理的取费标准才能够保障监理机构的合法权益,同时为建设单位和监理对象提供优质的监理服务。
希望各相关方能够共同努力,为信息系统监理取费标准的制定和实施做出积极的贡献。
信息安全机构收费依据信息系统建设工作的信息安全服务收费主要参考国家物价局、建设部发布的《工程建设监理费有关规定》中的有关条款:工程建设监理费,根据委托监理业务的范围、浓度和工程的性质、规模、难易程度以及工作条件等情况,按照下列方法之一计收:(一)按所监理工程概(预)算的百分比计收(见下表)(二)不宜按(一)、(二)两项办法计收的,由建设单位和监理单位按商定的其它方法计收。
目前从国内外信息安全服务行业的总体水平来看,不管是从技术含量,还是专业人才的稀有性上,信息安全机构的服务费用都要明显高于信息系统工程监理。
在信息系统建设初期开始参与的信息安全机构,其工作内容不仅包扩设计阶段的参与、施工阶段的测试与监督,而且包括在项目验收阶段的整体信息安全评估工作。
详细的工作内容如下:1.采取访谈及案例分析的方式,协助甲方进行信息安全需求分析。
有针对性的对甲方的整个业务需求进行挖掘,并将需求逐步的细化到硬件基础设施建设、软件设计开发、管理体系建设中去;2.根据整个需求及建设经费,协助甲方建立完善的信息安全体系,给出详细的体系建设方案及建议;3.协助甲方监理完善的信息安全管理制度体系,一般是参考ISO27001和《信息安全技术信息安全等级保护基本要求》进行制定,对参与到项目的相关人员进行信息安全培训;4.采取文档检查、设备测试、渗透测试、功能测试、性能测试等方式,协助甲方对设备及系统集成方、软件开发方等的信息安全需求具体执行情况进行检查,并及时给出测试结果,提出整改建议;5.在系统建设的不同阶段,提交阶段性安全测试报告,使甲方及时了解设备及系统的安全现状;6.协助甲方在项目验收阶段,对整个信息系统的信息安全进行评估,并给出详细的评估报告;7.在系统运行阶段,信息安全服务机构协助甲方进行定期的安全巡检和安全加固工作,及时反馈给甲方最新的信息安全风险信息及处理方式。
因此,对于信息系统工程的收费,我们不妨对上表也做一个调整,作为信息系统工程的参考。
湖北省信息系统工程监理收费参考标准为了规范湖北信息系统工程监理取费行为,更好地发挥工程建设监理效能,提高工程建设水平,根据信息产业部印发的《信息系统工程监理暂行规定》 ( 信部信 [2002]570 号 ) 及信息产业部《关于发布通信工程建设监理费计费标准规定的通知》(信部规 [2000]1219 号),综合考虑信息系统工程监理特点、项目建设周期、地域分布、监理方式、监理难度等因素,制定本收费标准。
具体内容如下:一、按照信息系统工程费(或合同价)的百分比计取:主要根据信息系统工程的规模、阶段、内容、复杂程度、监理成本等多方面因素综合计取。
说明:1 、若工程规模较大,诸如既有机房工程、信息系统集成,又有综合布线、软件工程等多个单项工程,则上表中的工程费 M 即是各单项合同价。
2 、以上取费是以 1 年的建设周期为基准费率,周期不同按基准费率乘以建设周期系数计取。
二、按照参与信息系统工程的监理人员服务费计取:如小型工程、业主有特殊要求的工程等,按人· 月取费。
单位:元 / 人· 月三、由建设单位和监理单位商定不宜按以上两项办法计取的,由建设单位和监理单位参照以上两项取费标准,按商定的其他办法计取。
附:工程项目监理人员配置说明信息系统工程本身是一个高技术含量、高智能、多专业化的新兴行业,而作为承担起信息系统工程管理服务的监理工程师和监理员,要适合信息工程监理岗位的工作,则不仅要是高度专业化的 IT 业的人才,具备一定的学历,还应熟悉与工程建设相关的法律法规、政策规定,要求具有精深的专业知识、丰富的实践经验、高度的组织协调能力,不断了解新技术、新设备、新材料、新工艺,持续保持较高的知识水准,成为具备经济、管理、法律等相关知识的复合型人才,才能站在第三方的立场上为业主提供高智能、高度专业化的工程建设的“管理服务”。
监理的全过程分为工程前期、设计、施工和保修阶段,每个阶段监理人员的配置与对其要求各个不相同。
GB6017.1-20起重机械安全规程-第1部分信息系统工程监理工作的收费标准信息系统工程监理工作的收费标准目前还没有经过国家物价局批准,但是我们从前面的介绍可以看出,信息系统工程监理的工作难度显著高于建设工程监理的工作难度,聘用的人才也要求也更加高,所以从这两个角度,我们可以合理地推论,信息系统工程的取费标准应该在同等规模的项目中高于建设工程监理的取费标准。
<BR><BR>我们不妨先参考以下国家物价局、建设部发布的《工程建设监理费有关规定》中的有关条款:<BR><BR>工程建设监理费,根据委托监理业务的范围、浓度和工程的性质、规模、难易程度以及工作条件等情况,按照下列方法之一计收:(一)按所监理工程概(预)算的百分比计收(见下表);(二)按照参与监理工作的年度平均人数计算:3.5万元--5万元/人年;(三)不宜按(一)、(二)两项办法计收的,由建设单位和监理单位按商定的其它方法计收。
从一个侧面来看,建设监理工程人员按照3.5万元--5万元/人年计算监理费用,这个待遇在信息技术领域是比较低的,信息系统工程监理工程师既然在信息技术领域属于技术水平较高、经验较丰富、管理协调能力较强的一群高素质的人才,其收入至少是上述金额的2倍,7万元--10万元/人年。
所以,对于信息系统工程的收费,我们不妨对上表也做一个调整,作为信息系统工程的参考。
由于信息系统工程监理是设计监理加实施监理,所以合二类收费为一类:另外,我们建议可以根据工程的不同性质按不同的费率收费。
我们可以将信息系统工程中的监理工作难度加以区分,难度依次分为软件工程监理、方案设计监理、软件安装调试监理、工程实施监理、设备采购和安装监理,我们建议以不同的比率收费。
租房协议书出租方(以下简称甲方)身份证地址、号码:承租方(以下简称乙方)身份证地址、号码:甲、乙双方通过友好协商,就房屋租赁事宜达成协议如下:GB6017.1-20起重机械安全规程-第1部分一、租赁地点及设施:1.租赁地址:路弄号室;房型规格 ;居住面积平方米;2.室内附属设施:A :电器:电话沐浴空调冰箱彩电洗衣机微波炉吊扇音响 VCDB :家俱:二、租用期限及其约定:1.租用期限:甲方同意乙方租用年;自年月日起至年月日;2.房屋租金:每月元人民币;3.付款方式:按支付,另付押金元,租房终止,甲方验收无误后,将押金退还乙方,不计利息。
信息产业部信息系统工程监理与咨询服务收费标准(软件工程)信息系统工程监理与咨询服务收费既考虑了信息系统工程的特点,又参照了其它监理行业的收费标准。
其收费参考标准内容如下:一、计算公式1、费率公式:S=A*B*C2、收费公式:F=S*M(万元)二、费率相关系数说明(一)信息系统工程一般分为两大阶段,一是工程前期咨询服务阶段,一是设计、实施、验收阶段。
信息系统工程项目类型分为:软件工程、信息应用系统工程、信息网络系统工程、其它工程(包括以计算机网络、监控为中心的建筑智能化工程等),因此,监理阶段的费率A及监理的各阶段费率a和b如下:(二)鉴于信息系统工程项目分布的地域不同,因此,监理的费率应在监理的各阶段费率的基础上考虑地域的因素,地域调整系数B如下:1、集中建设的信息系统工程项目:地域调整系数B为1;2、地市范围的信息系统工程项目:地域调整系数B为1—1.2;3、全省范围的信息系统工程项目:地域调整系数B为1.2—1.5;4、全国范围的信息系统工程项目:地域调整系数B为1.5—2。
(三)鉴于信息系统工程工期长短不一,因此,监理的费率应在监理的各阶段费率的基础上考虑工期的因素。
工期调整系数C如下:三、收费其它情况说明如果信息系统工程项目建设中有下列情况,监理附加报酬取费可以按照下列方式计取:1、对于非监理原因造成工程延期而产生的监理附加工作,监理单位有权获得监理附加报酬,监理附加报酬率=S*附加工作月数/合同监理周期(月数)2、对于维护阶段的监理取费由业主单位和监理单位协商解决。
3、本参考标准未作规定的,可参考国家相关标准。
注:软件工程:以软件开发为核心的工程。
信息应用系统工程:是指包含各类业务管理系统的应用系统工程,不包含软件开发。
信息网络系统工程:是指以信息技术为主要手段建立的信息处理、传输、交换和分发的计算机网络系统工程。
其它工程:以监控系统为中心的智能建筑或者其他建设工程。
中华人民共和国信息产业部二OO六年四月信息系统工程监理与咨询服务收费参考标准起草说明一、收费参考标准制定的必要性(一)有利于信息系统工程建设市场规范化管理。
信息系统工程监理及相关信息技术咨询服务取费计算方法嘿,咱今儿就来唠唠信息系统工程监理及相关信息技术咨询服务取费计算方法。
你说这玩意儿重要不?那可太重要啦!就好比你要去一个陌生的地方,得知道怎么走,得清楚花费多少吧。
信息系统工程监理,这就像是一个严格的大管家,确保整个工程按部就班地进行,不出岔子。
而相关信息技术咨询服务呢,那就是给你出谋划策的军师,让你在这复杂的信息世界里不迷路。
那取费计算方法呢,就是决定你要为这个大管家和军师付出多少代价啦。
咱先说说这信息系统工程监理的取费。
一般来说,它可不是随随便便定个数字就行的。
得考虑好多因素呢,比如工程的规模大小。
你想想,一个小工程和一个超级大工程,那监理的难度和工作量能一样吗?肯定不能啊!所以规模越大,取费可能就越高咯。
这就好像你请个保姆照顾小孩,一个小孩和五个小孩,那工资能一样嘛!还有工程的复杂程度。
要是一个简单的系统,那监理起来也相对轻松些。
可要是那种特别复杂,技术含量超高的系统,那监理得操多少心啊,取费自然也就得涨涨啦。
就跟你学加减法和学高等数学,那难度能一样吗?再说说相关信息技术咨询服务的取费。
这也得看人家给你提供了多少有价值的建议和帮助呀。
要是人家随便给你说几句,那能收你多少钱?可要是人家真的帮你找到了最佳方案,让你的工程顺顺利利,少走好多弯路,那多收点钱也不过分吧?这就跟你找医生看病似的,好医生能药到病除,那诊费能便宜吗?那具体怎么计算呢?这可没有一个固定的公式。
不同的情况,不同的项目,那算法都可能不一样。
有的可能按比例来,有的可能按时间来,还有的可能综合各种因素来定。
这就像是做菜,同样是炒青菜,不同的厨师可能有不同的做法,但目的都是让菜好吃。
咱举个例子哈,比如说有个信息系统工程,规模挺大,技术也挺复杂。
那监理的取费可能就得综合考虑工程总价的一定比例,再加上监理人员投入的时间和精力。
而信息技术咨询服务呢,可能就得看咨询的内容和难度了,也许是按小时收费,也许是根据项目的重要性来定价。
关于发布《信息系统工程监理及相关信息技术咨询服务取费计算方法(参照标准)》的通知中电企协监字[2014]01号?各有关单位:为推进信息系统工程监理行业的发展,结合信息系统工程监理行业的特点,特制订《信息系统工程监理及相关信息技术咨询服务取费计算方法(参照标准)》,现印发给你们。
工作中有何问题,请及时与我们联系。
电子邮件:中国电子企业协会信息系统工程监理分会2014年1月20日抄报:工业和信息化部计算机信息系统集成资质认证工作办公室附件:《信息系统工程监理及相关信息技术咨询服务取费计算方法(参照标准)》信息系统工程监理及相关信息技术咨询服务取费计算方法(参照标准)一、计算方法参考的有关政策、标准1、《信息系统工程监理暂行规定)》(信部信[2002]570号文);2、《信息系统工程监理单位资质等级评定条件(2012年修定版)》(工信计资[2012]8号文)和《信息系统工程监理单位资质等级评定条件实施细则》(工信计资[2012]号文);3、《国家电子政务工程建设项目管理暂行办法》(国家发展和改革委员会第55号令);4、《国民经济行业分类》(GB/T4754-2011)国家标准;5、国家GB/T19668系列规范;6、国家发改委、建设部联合颁布的《建设工程监理与相关服务收费管理规定》(发改价格[2007]670号文);7、《信息系统工程监理及相关信息技术咨询服务取费计算方法(征求意见稿)》(中电企协监字[2013]01号文);8、《上海市工程设备监理收费规定(参照标准)》(沪设监协12009]1号文)。
本计算方法还参考了信息系统工程监理及相关信息技术咨询服务有关取费研究资料,以及取费计算方法征求意见收到的修改建议和意见。
二、适用范围本方法适用于信息系统工程建设过程中的信息网络系统、信息资源系统、信息应用系统的新建、升级、改造工程与运行维护中信息系统工程监理服务的取费,以及相关信息技术咨询服务的取费。
三、取费原则信息系统工程监理及相关信息技术咨询服务是专业性很强的技术性服务工作,取费应当体现“优质优价、合理计取、难易有别、分段计取”的原则。
新乡市软件行业规范DSIA02042010信息服务资费标准信息化工程监理类(试行)2010年2月2日发布 2010年5月25日施行新乡市软件行业协会前言《信息服务资费标准》依据《ISO/IEC20000:2005“信息技术——服务管理”》标准、《信息服务管理规范》(试行),及其它国家和行业相关法律、法规制订。
《信息服务资费标准》分为9部分:第一部分:计算机信息系统集成类第二部分:计算机信息系统运营和维护类第三部分:软件服务类第四部分:数据加工和处理费类第五部分:内容和增值服务类第六部分:数据库服务类第七部分:电子商务服务类第八部分:信息化工程监理类第九部分:其它专业类服务类本部分为《信息化工程监理类》。
本部分起草人:孙毅、薛源福、孙鹏、于道勇、孙传刚、谢长健本标准专家组:郎庆斌、孙鹏、刘玉贞、王小庚、孙毅、杨莉本标准由大连市信息产业局提出并归口。
本标准召集单位:大连软件行业协会目录1 适用范围 (4)2 引用标准 (4)3 定义 (4)3.1 相关总投资 (4)4 要求 (4)5 资费管理 (4)5.1 管理原则 (4)5.2 资费确认 (5)6资费计算 (5)6.1 投资区段 (5)6.2 计算基准 (5)6.3 取费方式 (5)7 实施 (5)附件1: (6)信息服务资费标准(信息化工程监理类)1 适用范围本标准规定了实施信息化工程监理服务资费管理的原则和依据。
本标准适用于提供信息化监理服务的相关组织。
提供信息化监理服务的相关组织包括:a)信息化工程监理的管理、监督部门;b)从事信息化工程监理的单位和个人;c)信息化工程的业主单位;d)信息化工程的承建单位;e)信息化工程监理的教育、培训和研究单位。
2 引用标准●《ISO/IEC20000:2005“信息技术——服务管理”》●《GB/T 19668.1-2005 信息化工程监理规范第1部分总则》●《GB/T 19668.2-2007 信息化工程监理规范第2部分通用布缆系统工程监理规范》●《GB/T 19668.3-2007 信息化工程监理规范第3部分电子设备机房系统工程监理规范》●《GB/T 19668.4-2007 信息化工程监理规范第4部分计算机网络系统工程监理规范》●《GB/T 19668.5-2007 信息化工程监理规范第5部分软件工程监理规范》●《GB/T 19668.6-2007 信息化工程监理规范第6部分信息化工程安全监理规范》●《信息服务管理规范第一部分总则》(试行)3 定义GB/T 19668确定的定义及下列定义适用于本部分。
信息系统监理费用标准信息系统监理是指对信息系统建设过程中的设计、施工、验收和运行维护等环节进行监督和检查,以确保信息系统建设的质量和安全。
监理费用是监理单位为提供监理服务所收取的费用,其标准是根据监理服务的内容、范围、工作量等因素来确定的。
下面将介绍信息系统监理费用标准的相关内容。
首先,信息系统监理费用标准应当根据监理服务的内容和范围来确定。
一般来说,监理服务包括项目前期准备、设计审查、施工监理、验收监理和运行维护监理等环节。
针对不同的监理内容和范围,监理费用标准也会有所不同。
比如,对于设计审查环节,监理单位需要对设计文件进行审核和评审,因此监理费用标准会根据设计文件的复杂程度和数量来确定。
其次,信息系统监理费用标准还应当考虑监理工作的工作量和难度。
监理工作的工作量和难度会直接影响监理费用标准的确定。
一般来说,监理工作的工作量越大、难度越大,监理费用标准也会相应增加。
比如,在施工监理环节,监理单位需要对施工现场进行频繁的巡查和检查,因此监理费用标准会根据施工现场的规模和施工进度来确定。
另外,信息系统监理费用标准还应当考虑监理单位的资质和经验。
监理单位的资质和经验会直接影响监理服务的质量和效果,因此监理费用标准也会根据监理单位的资质和经验来确定。
一般来说,具有较高资质和丰富经验的监理单位,其监理费用标准也会相对较高。
最后,信息系统监理费用标准还应当考虑监理市场的行情和竞争情况。
监理市场的行情和竞争情况会直接影响监理费用标准的确定。
一般来说,监理市场竞争激烈、监理单位众多的地区,监理费用标准会相对较低;而监理市场竞争不激烈、监理单位较少的地区,监理费用标准会相对较高。
综上所述,信息系统监理费用标准的确定应当综合考虑监理服务的内容和范围、工作量和难度、监理单位的资质和经验,以及监理市场的行情和竞争情况等因素。
只有合理确定监理费用标准,才能保障监理单位提供高质量的监理服务,促进信息系统建设的顺利进行。
发布信息系统工程监理及相关信息技术咨询服务取费计算方法参照标准的通知Coca-cola standardization office【ZZ5AB-ZZSYT-ZZ2C-ZZ682T-ZZT18】关于发布《信息系统工程监理及相关信息技术咨询服务取费计算方法(参照标准)》的通知中电企协监字[2014]01号?各有关单位:为推进信息系统工程监理行业的发展,结合信息系统工程监理行业的特点,特制订《信息系统工程监理及相关信息技术咨询服务取费计算方法(参照标准)》,现印发给你们。
工作中有何问题,请及时与我们联系。
联系电话:0电子邮件:中国电子企业协会信息系统工程监理分会2014年1月20日抄报:工业和信息化部计算机信息系统集成资质认证工作办公室附件:《信息系统工程监理及相关信息技术咨询服务取费计算方法(参照标准)》信息系统工程监理及相关信息技术咨询服务取费计算方法(参照标准)一、计算方法参考的有关政策、标准1、《信息系统工程监理暂行规定)》(信部信[2002]570号文);2、《信息系统工程监理单位资质等级评定条件(2012年修定版)》(工信计资[2012]8号文)和《信息系统工程监理单位资质等级评定条件实施细则》(工信计资[2012]号文);3、《国家电子政务工程建设项目管理暂行办法》(国家发展和改革委员会第55号令);4、《国民经济行业分类》(GB/T4754-2011)国家标准;5、国家GB/T19668系列规范;6、国家发改委、建设部联合颁布的《建设工程监理与相关服务收费管理规定》(发改价格[2007]670号文);7、《信息系统工程监理及相关信息技术咨询服务取费计算方法(征求意见稿)》(中电企协监字[2013]01号文);8、《上海市工程设备监理收费规定(参照标准)》(沪设监协12009]1号文)。
本计算方法还参考了信息系统工程监理及相关信息技术咨询服务有关取费研究资料,以及取费计算方法征求意见收到的修改建议和意见。
工程咨询服务收费标准一、前言。
工程咨询服务是指为建设工程提供技术、管理、经济等方面的咨询服务。
在建设工程的各个阶段,工程咨询服务都扮演着重要的角色。
为了规范工程咨询服务的收费标准,提高服务质量,制定了以下收费标准。
二、收费项目。
1. 咨询报告编制费用,根据工程规模、复杂程度、技术难度等因素确定咨询报告编制费用。
费用包括咨询报告编制的人工成本、材料费用等。
2. 项目管理费用,对于需要进行项目管理的工程项目,工程咨询服务机构将根据项目的规模、周期、管理难度等因素确定项目管理费用。
3. 技术咨询费用,工程咨询服务机构提供技术咨询服务的费用,根据提供的技术服务内容和技术难度确定。
4. 工程设计审核费用,对于需要进行工程设计审核的项目,工程咨询服务机构将根据审核的规模、复杂程度、审核难度等因素确定工程设计审核费用。
5. 施工监理费用,工程咨询服务机构提供施工监理服务的费用,根据监理的周期、工程规模、监理难度等因素确定。
6. 其他相关费用,其他与工程咨询服务相关的费用,如出差费、通讯费等。
三、收费标准制定原则。
1. 公平合理原则,收费标准应当公平、合理,既要考虑工程咨询服务机构的成本,又要考虑服务对象的承受能力。
2. 服务质量原则,收费标准应当与服务质量挂钩,提高服务质量的同时,也可以适当提高收费标准。
3. 透明公开原则,收费标准应当公开透明,服务对象应当清楚了解工程咨询服务的收费标准,避免出现不必要的纠纷。
四、收费标准调整。
1. 工程咨询服务机构可以根据市场变化、成本变化、服务质量变化等因素,适时调整收费标准。
2. 调整收费标准应当提前向服务对象进行公告,并在合同中明确约定。
3. 调整收费标准应当合理合法,不得损害服务对象的合法权益。
五、结语。
工程咨询服务的收费标准直接关系到工程咨询服务的质量和发展。
只有合理制定收费标准,才能保障工程咨询服务机构的正常运转,提高服务质量,满足服务对象的需求。
希望各工程咨询服务机构能够严格遵守收费标准,为建设工程提供优质的咨询服务。
新乡市软件行业规范DSIA02042010信息服务资费标准信息化工程监理类(试行)2010年2月2日发布 2010年5月25日施行新乡市软件行业协会前言《信息服务资费标准》依据《ISO/IEC20000:2005“信息技术——服务管理”》标准、《信息服务管理规范》(试行),及其它国家和行业相关法律、法规制订。
《信息服务资费标准》分为9部分:第一部分:计算机信息系统集成类第二部分:计算机信息系统运营和维护类第三部分:软件服务类第四部分:数据加工和处理费类第五部分:内容和增值服务类第六部分:数据库服务类第七部分:电子商务服务类第八部分:信息化工程监理类第九部分:其它专业类服务类本部分为《信息化工程监理类》。
本部分起草人:孙毅、薛源福、孙鹏、于道勇、孙传刚、谢长健本标准专家组:郎庆斌、孙鹏、刘玉贞、王小庚、孙毅、杨莉本标准由大连市信息产业局提出并归口。
本标准召集单位:大连软件行业协会目录1 适用范围 (4)2 引用标准 (4)3 定义 (4)3.1 相关总投资 (4)4 要求 (4)5 资费管理 (4)5.1 管理原则 (4)5.2 资费确认 (5)6资费计算 (5)6.1 投资区段 (5)6.2 计算基准 (5)6.3 取费方式 (5)7 实施 (5)附件1: (6)信息服务资费标准(信息化工程监理类)1 适用范围本标准规定了实施信息化工程监理服务资费管理的原则和依据。
本标准适用于提供信息化监理服务的相关组织。
提供信息化监理服务的相关组织包括:a)信息化工程监理的管理、监督部门;b)从事信息化工程监理的单位和个人;c)信息化工程的业主单位;d)信息化工程的承建单位;e)信息化工程监理的教育、培训和研究单位。
2 引用标准●《ISO/IEC20000:2005“信息技术——服务管理”》●《GB/T 19668.1-2005 信息化工程监理规范第1部分总则》●《GB/T 19668.2-2007 信息化工程监理规范第2部分通用布缆系统工程监理规范》●《GB/T 19668.3-2007 信息化工程监理规范第3部分电子设备机房系统工程监理规范》●《GB/T 19668.4-2007 信息化工程监理规范第4部分计算机网络系统工程监理规范》●《GB/T 19668.5-2007 信息化工程监理规范第5部分软件工程监理规范》●《GB/T 19668.6-2007 信息化工程监理规范第6部分信息化工程安全监理规范》●《信息服务管理规范第一部分总则》(试行)3 定义GB/T 19668确定的定义及下列定义适用于本部分。
信息系统工程监理与相关技术服务收费参考标准(讨论稿)一、信息系统工程监理收费(一)信息系统工程监理主要内容信息系统工程监理是指依法设立且具备相应资质的第三方技术服务的信息系统工程监理单位(以下简称监理单位),受业主单位委托,依据国家有关法律法规、技术标准和信息系统工程监理合同,从技术、控制、管理、应用、服务角度对信息系统工程项目实施的监督管理。
涉及信息系统工程的招标、设计、实施、验收,其主要内容是对信息系统工程的质量、进度和投资进行控制,对项目风险(信息安全管理、变更管理等)、项目合同和文档资料进行管理,协调有关单位间的工作关系。
(二)信息系统工程监理收费参考标准信息系统工程监理收费=监理收费基价×专业类型调整系数×工程范围调整系数×(1±浮动幅度值)计费额处于两个数值区间的,采用直线内插法确定监理收费基价。
1、信息系统工程监理收费基价表(简称监理收费基价)计费额小于200万元的,以计费额乘以10%的收费率计算收费基价。
其他未包含的其收费由双方协商议定。
2、专业调整系数表和工程范围调整系数注:智能管理信息系统集成等其他其他系统是以计算机网络、监控为中心的智能化工程,其特点是利用信息技术,使管理信息在网络及自动控制系统上应用,包括智能建筑、智能交通等。
3、浮动幅度值按照信息系统工程监理工作内容要求,信息系统工程监理收费浮动幅度值±10%。
注:本表适用于提供短期服务的人工费用标准。
三、信息系统工程相关技术服务收费信息系统工程相关技术服务是指具有第三方技术服务的企业(包括监理单位),受业主单位委托,提供信息系统工程项目立项、维护等阶段的相关技术服务,具体工作内容执行国家、行业有关规范、规定。
信息系统工程相关技术服务收费国家有规定的,从其规定;国家没有规定的,可参照相关技术服务工作所需工日和《信息系统工程监理与相关技术服务人员人工日费用标准》,或由业主单位与监理单位协商确定。
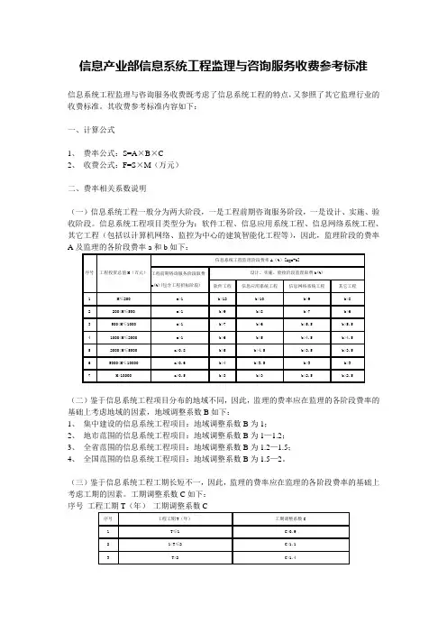
信息产业部信息系统工程监理与咨询服务收费参考标准(一)信息系统工程一般分为两大阶段,一是工程前期咨询服务阶段,一是设计、实施、验收阶段。
信息系统工程项目类型分为:软件工程、信息应用系统工程、信息网络系统工程、其它工程(包括以计算机网络、监控为中心的建筑智能化工程等),因此,监理阶段的费率A及监理的各阶段费率a和b如下:
(二)鉴于信息系统工程项目分布的地域不同,因此,监理的费率应在监理的各阶段费率的基础上考虑地域的因素,地域调整系数B如下:
1、集中建设的信息系统工程项目:地域调整系数B为1;
2、地市范围的信息系统工程项目:地域调整系数B为1—1.2;
3、全省范围的信息系统工程项目:地域调整系数B为1.2—1.5;
4、全国范围的信息系统工程项目:地域调整系数B为1.5—2。
(三)鉴于信息系统工程工期长短不一,因此,监理的费率应在监理的各阶段费率的基础上考虑工期的因素。
工期调整系数C如下:。