电杆抗倾覆计算公式
- 格式:docx
- 大小:26.96 KB
- 文档页数:4
倾覆力矩与抗倾覆力矩的计算一、引言在物理学中,力矩是描述物体受力时发生旋转的物理量。
对于倾覆力矩与抗倾覆力矩的计算,我们需要了解相关概念和公式,并透彻理解其在实际问题中的应用。
本文将对倾覆力矩和抗倾覆力矩进行详细的介绍和计算方法的说明。
二、倾覆力矩的计算倾覆力矩是指物体受到外力作用时,由于受力点与物体重心之间的距离产生的力矩。
当倾覆力矩超过物体的抗倾覆力矩时,物体将发生倾覆。
1. 定义倾覆力矩可以通过以下公式进行计算:倾覆力矩 = 外力F × 垂直于力的距离d2. 计算方法我们需要确定物体受力的位置和大小。
然后,找到物体的重心位置。
接下来,计算重心和受力点之间的距离d。
最后,将外力F与距离d相乘,即可得到倾覆力矩的大小。
举个例子来说明,假设有一个长方体,长为L,宽为W,高为H,质量为M。
该长方体受到外力F作用在长方体最上方的表面上。
我们需要计算该长方体发生倾覆的倾覆力矩。
我们需要找到该长方体的重心位置。
对于长方体来说,重心位于长方体的中心位置,即重心距离底部的距离为H/2。
然后,我们需要计算受力点与重心之间的距离d。
由于受力作用在长方体最上方的表面上,因此受力点与重心之间的距离为H/2。
将外力F与距离d相乘,即可得到倾覆力矩的大小。
三、抗倾覆力矩的计算抗倾覆力矩是指物体自身的重力产生的力矩,用于抵抗外力作用时的倾覆力矩。
当抗倾覆力矩大于或等于倾覆力矩时,物体将保持稳定不倾倒。
1. 定义抗倾覆力矩可以通过以下公式进行计算:抗倾覆力矩 = 物体自身重力矩2. 计算方法抗倾覆力矩的计算需要先计算物体的自身重力矩。
自身重力矩的大小等于物体的质量乘以重力加速度乘以重心距离。
举个例子来说明,假设有一个长方体,长为L,宽为W,高为H,质量为M。
我们需要计算该长方体的抗倾覆力矩。
我们需要找到该长方体的重心位置。
对于长方体来说,重心位于长方体的中心位置,即重心距离底部的距离为H/2。
然后,计算物体的自身重力矩。
塔机抗倾覆稳定性计算一、塔机主要部件自重及重心位置表序号名称自重()重心lc(m)序号名称自重)重lc(m)1 起重臂45000 27.182 短拉杆3231 6.563 长拉杆7619 18.4924 变幅机构3300 7.585 司机室3860 16 变幅小车2350 14.57 吊钩2264 14.5 8 载荷60000 14.59 平衡臂20000 6.86 10 平衡臂拉杆4350 5.10211 配电柜2000 2.65 12 起升机构16000 7.413 配重143000 11.105 14 回转总成28950 015 塔帽22250 0 16 套架30650 017 基础节20360 0 18 标准节7230 0二、塔机抗倾覆稳定性的计算1、概述QTZ80(5513)塔机独立高度40 米,对塔机超过独立高度40 米后就采用附着装置固定在建筑物上。
附着塔机由于与建筑物连接在一起,不存在倾覆的危险,因此对塔机独立高度和安装高度的塔机进行抗倾覆稳定性校核验算。
2、验算工况工况一:工作状态,独立高度,无风静载;工况二:工作状态,独立高度,有风动载;工况三:工作状态,独立高度,突然卸载或吊具脱落;工况四:非工作状态,独立高度,暴风侵袭下的非工作状态;3、载荷系数验算工况自重载荷系数起升载荷系数惯性载荷系数风载系数一 1.0 1.5 0 0二 1.0 1.3 1.0 1.0三 1.0 -0.2 0 1.0四 1.0 1 0 1.24、验算原则本塔机抗倾覆稳定性校核验算按最不利载荷组合条件进行,若各种载荷对倾覆边的例句之和大于或等于零(ΣM ≧0),最不利状态下地基的最大压应力小于 2.0×105Pa,则塔机是稳定的。
沈阳神雕塔机制造有限公司0 2 4 - 8 6 8 0 1 7 4 3QTZ63 (5511)塔机计算书2010抗倾覆稳定性示意图沈阳神雕塔机制造有限公司0 2 4 - 8 6 8 0 1 7 4 3 16QTZ63 (5511)塔机计算书2010 塔机各个部件尾吹风部件名称 C P(Pa)A(m2) F (N )驾驶室 1.2 250 2.1 630 塔帽 1.3 250 2 650 配重 1.1 250 2.85 784 配电柜 1.1 250 0.3 82.5 吊臂 1.3 250 0.49 198 起升机构 1.1 250 1.4 385 载荷+吊钩 1.1 250 5 1375 标准节45° 1.6 250 1.884 753.6 塔机各个部件离心力(吊载6t 时)部件名称重量(N)Lc(m)n(r/min) P(N)起重臂45000 27.18 0.6 246.7 短拉杆3231 6.56 0.6 4.3 长拉杆7619 18.492 0.6 28.3 变幅机构3300 7.58 0.6 5 司机室3860 1 0.6 0.8 塔帽21930 0.18 0.6 0.8 变幅小车2350 14.5 0.6 0.8 吊钩2264 14.5 0.6 12.7 载荷60000 14.5 0.6 337 平衡臂20000 6.86 0.6 27.6 平衡臂拉杆4350 5.102 0.6 4.5 配电柜2000 2.65 0.6 1.1 起升机构16000 7.4 0.6 23.8 配重143000 11.105 0.6 306.9 Lc——部件重心到回转中心的距离;Fn——部件回转惯性力;根据GB/T13752-92 4.6.3 —(13)、(14)可知e=(M+Fh · h)/(Fv+Fg);PB=2(Fv+ Fg)/3(b· l )。
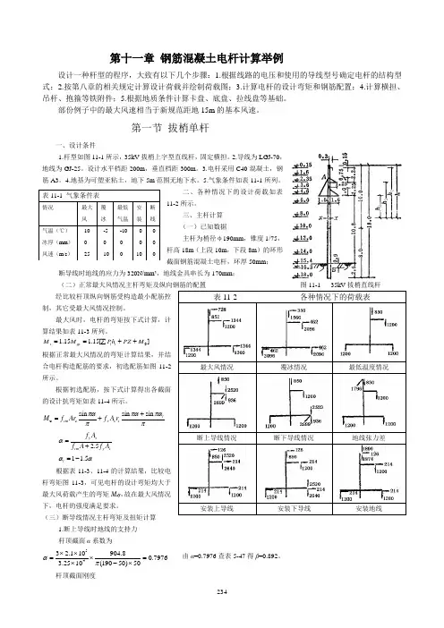
234第十一章 钢筋混凝土电杆计算举例设计一种杆型的程序,大致有以下几个步骤:1.根据线路的电压和使用的导线型号确定电杆的结构型式;2.按第八章的相关规定计算设计荷载并绘制荷载图;3.计算电杆的设计弯矩和钢筋配置;4.计算横担、吊杆、抱箍等铁附件;5.根据地质条件计算卡盘、底盘、拉线盘等基础。
部份例子中的最大风速相当于新规范距地15m 的基本风速。
第一节 拔梢单杆一、设计条件1.杆型如图11-1所示,35kV 拔梢上字型直线杆,固定横担。
2.导线为LGJ-70,地线为GJ-25。
设计水平档距200m ,垂直档距300m 。
3.电杆采用C40混凝土,钢筋A3。
4.地基为可塑亚粘土,地下5m 范围无地下水。
5.气象条件如表11-1所列。
二、各种情况下的设计荷载如表11-2所示。
三、主杆计算 (一)已知数据主杆为梢径φ190mm ,锥度1/75,杆高18m (上段10m ,下段8m )的环形截面钢筋混凝土电杆,环厚50mm ;断导线时地线的应力为320N/mm²,地线金具串长为170mm ;(二)正常最大风情况主杆弯矩及纵向钢筋的配置 图11-1 35kV 拔梢直线杆 经比较杆顶纵向钢筋受构造最小配筋控制,其它受最大风情况控制。
最大风时,电杆的弯矩按下式计算,计算结果如表11-3所列。
01.15 1.15[]x qx i i M M Ph PZ M ==∑++ 根据正常最大风情况的弯矩计算结果,并结合电杆构造配筋的要求,初选配筋如图11-2所示。
根据初选配筋,按下式计算得出各截面的设计抗弯矩如表11-4所示。
u ssin sin sin t cm y s sM f Ar f A r παπαπαππ+=+2.5y scm y sf A f A f A α=+ 1 1.5t αα=-根据表11-3、11-4的计算结果,比较电杆弯矩图11-3,可见电杆的设计弯矩均大于最大风荷载产生的弯矩M df ,故在最大风情况下,电杆的强度满足要求。
电杆抗倾覆计算公式8.1.2 电杆基础极限倾覆力S 或极限倾覆力矩M 的计算,是假定土壤达到了极jj 限平衡状态。
土压力的X的计算式如下:β,, =,,,,,,,,?,,= , , ,,,:土压力,KPa;3,:土压力参数,按表8.1.2确定,KN/m; β:等代内摩阻角,按表8.1.2确定,(?); ,:自设计地面起算的深度,m 。
8.1.3 电杆的计算宽度应按8.1.3的第一款和第二宽的内容确定。
1、基础为单杆组成时应按式(8.1.3-1)确定:,= ,k(8.1.3-1) 00,,β, K=1,,,,,,,,?,,,,,β (8.1.3-2) 0,,,B:电杆的计算宽度,m; 0b:电杆的实际宽度,m;k:空间增大系数,可按式(8.1.3-2)或按表8.1.3-1确定; 0ξ:土的侧压力系数,可按表8.1.3-2确定。
2、基础为双杆组成时,基础计算宽度按式(8.1.3-3)与(8.1.3-4)中的较小者确定,双杆中心距,?2.5 ,:b=(,+,,,,,)K (8.1.3-3) 00,=2,K(8.1.3-4) 008.1.4 不带卡盘的电杆基础,当基础埋深等确定后,极限倾覆力或极限倾覆力矩应符合下列公式要求:S?,S (8.1.4-1) j0 ,M?,HS (8.1.4-2) j00,,,,,,, S= (8.1.4-3) j,,,,,,,, M= (8.1.4-4) j,,, ,, (8.1.4-5) ,,, μ= (8.1.4-6) ,,,,,, θ= (8.1.4-7) ,,式中:S——极限倾覆力; jM——极限倾覆力矩; jγ——按表5.0.17确定; fH——S作用点至设计地面处的距离,m。
00,,,32θ可由公式θ,θη, η,,0求得,或按表8.1.4确定。
,,,8.1.5 当S,,S或M,,HS时,应采取措施增强抗倾覆承载能力。
一般方法j0j00,, ,是在基础埋深处加设卡盘,必要时增加下卡盘,当基土为冻胀土时应不设卡盘, 或采取防冻胀措施。
电杆倾斜吊装受力计算公式在工程领域中,吊装是一个非常重要的环节,尤其是在建筑、桥梁、机械设备等领域。
吊装过程中,受力计算是至关重要的一环,它可以帮助工程师确定吊装过程中所受的力,从而确保吊装的安全性和稳定性。
本文将重点介绍电杆倾斜吊装受力计算公式,希望对相关工程师和技术人员有所帮助。
首先,我们需要了解电杆倾斜吊装的基本原理。
在吊装过程中,如果电杆倾斜,那么它所受的力将会发生变化。
因此,我们需要通过受力计算来确定倾斜状态下的受力情况。
在这里,我们将介绍电杆倾斜吊装受力计算的基本公式和步骤。
电杆倾斜吊装受力计算的基本公式如下:F = P / cos(θ)。
其中,F表示倾斜状态下的受力,P表示垂直方向的受力,θ表示倾斜角度。
接下来,我们将介绍电杆倾斜吊装受力计算的具体步骤:1. 确定倾斜角度。
在进行受力计算之前,首先需要确定电杆的倾斜角度。
倾斜角度可以通过测量或者计算得出。
在实际工程中,通常会使用仪器来测量电杆的倾斜角度,从而确定倾斜状态下的受力情况。
2. 计算垂直方向的受力。
在确定了倾斜角度之后,接下来需要计算垂直方向的受力。
垂直方向的受力可以通过吊装物体的重量和其他外力来确定。
在实际工程中,通常会根据吊装物体的重量和其他外力来计算垂直方向的受力。
3. 使用公式计算倾斜状态下的受力。
一旦确定了倾斜角度和垂直方向的受力,接下来就可以使用公式来计算倾斜状态下的受力。
通过公式F = P / cos(θ),可以很容易地计算出倾斜状态下的受力情况。
4. 分析受力情况。
最后,需要对计算出的受力情况进行分析。
通过分析受力情况,可以确定倾斜状态下的吊装是否安全和稳定。
如果计算出的受力超出了电杆的承载能力,那么就需要采取相应的措施来保证吊装的安全性和稳定性。
总之,电杆倾斜吊装受力计算是吊装过程中非常重要的一环。
通过合理的受力计算,可以帮助工程师确定倾斜状态下的受力情况,从而确保吊装的安全性和稳定性。
希望本文介绍的电杆倾斜吊装受力计算公式和步骤对相关工程师和技术人员有所帮助。
输配电线路杆塔基础抗倾覆能力计算方法分析输配电线路杆塔基础的抗倾覆能力关系到杆塔的牢固度、稳定性,也影响到杆塔架线功能的發挥。
实际的杆塔基础稳定性受到多种因素的影响,要将多种影响性因素纳入考虑范围。
文章分析了输配电线路杆塔基础抗倾覆能力计算方法。
标签:输配电线路;杆塔基础;抗倾覆能力;计算方法杆塔基础的基本作用就是将杆塔的重力逐渐伸向地下土体,其主体作用力同导线向绝缘子传递力量大致相同。
参照相似的原理,绝缘子应该按照线路的具体特征来选择规格、精心审计,以此来满足各个类型导线的张力。
与此类似,杆塔基础的设计也要确保满足各类载荷,这样才能真正提高杆塔基础的牢固度。
1 输配电线路杆塔基础设计的依据1.1 地质条件输配电线路杆塔基础上设计首先要明确杆塔地基所处地理环境、地质条件、岩土特征、地下水位等,根据这些客观条件来设计杆塔基础。
1.2 载荷特点输配线路杆塔基础需承受多种载荷条件,具体见图1所示。
Z方向存在竖方向的载荷,与此相对应的X/Y则存在水平载荷,其中Z-Y.Z-X 面上也存在倾覆力矩,X-Y平面则存在扭矩。
实际的输电线路杆塔基础设计要考虑到多种变化性因素,例如:不同载荷的变化、载荷频率、分布等。
同时,也要考虑到杆塔基础的型号、大小、质量等因素。
1.3 地基与岩石的承载特征地基自身是否达到标准的承重水平,能承受的载荷大小,重载荷是否将带来破坏面,破坏的深度、程度等。
破坏面的类型不同对应的地基岩土载荷传递模式也有所差异。
1.4 土与岩石的承载特征重点从土体、岩石等的强度、变形特点、空隙水应力等方面出发,以及土体的排水性能等来综合得出杆塔基础的承载特征。
1.5 施工方案实际的杆塔地基施工中所采用的施工方法也至关重要,方法的选择将影响到地基系统的承载能力,所采取的方法不当或者未能正确履行施工程序,都可能影响地基承载力。
2 杆塔基础于土体的抗拔能力2.1 地基受损的主要模式杆塔基础包括多种类型,例如:直轴型基础、直埋式基础、底板型基础等。
&1.2电杆基础极限倾覆力Sj或极限倾覆力矩Mj的计算,是假定土壤达到了极限平衡状态。
土压力的X的计算式如下:X =Y s ytan2 (45° +|)=m yX:土压力,KPa;叫土压力参数,按表&1.2确定,KN/n?;0:等代内摩阻角,按表8.1.2确定,(° );必自设计地面起算的深度E。
8.1.3电杆的计算宽度应按8.1.3的第一款和第二宽的内容确定。
1、基础为单杆组成时应按式(&1.3-1)确定:b0= b%(8.1.3-1)Ko=1 + 抽cos (45 ° + 4)tan B(8.1.3-2) B(1:电杆的计算宽度,m;b:电杆的实际宽度,m;k«:空间增大系数,可按式(8.1.3-2)或按表8.131确定;5:土的侧压力系数,可按表8.1.3-2确定。
2、基础为双杆组成时,基础计算宽度按式(8.133)与(8.1.3-4)中的较小者确定,双杆中心距此2.5恥b0= (b+Lcosp)&(8.1.3-3)b o=2b I<o(8.1.3-4)8.1.4不带卡盘的电杆基础,当基础埋深等确定后,极限倾覆力或极限倾覆力矩应符合下列公式要求:s%s°(8.1.4-1) MpYfHoS(8.1.4-2)。
式中:Sj ---- 极限倾覆力; Mj ——极限倾覆力矩; Yf —按表5.0.17确定;Ho —%作用点至设计地面处的距离,m o— — ———H 可由公式M 十2晒-切2-()求得,或按表&1.4确定。
8.1.5当Sj<Y0或“产丫彳”禺时,应采取措施增强抗倾覆承载能力。
一般方法是在基础埋深亍处加设卡盘,必要时增加下卡盘,当基土为冻胀土时应不设卡盘或采取防冻胀措施。
8.1.6计算带上卡盘的电杆基础时,当埋深及上卡盘位置确定后,应按式 (8.1.6-1)计算卡盘横向压力,按式(8.1.6-2).式(8.1.6-3)确定卡盘长度:(8.1.6-2)L±=L i + bPk =Y fS 0 (H 2- 2)(8.1.6-1) (8.1.4-3)(8.1.4-4)(8.1.4-5)(8.1.4-6)(8.1.4-7)(8.1.6-3)Sj= HM式中:•上卡盘横向设计值,KN;•上卡盘计算长度,m;人一设计地面至上卡盘的距离,m;d i ------- 上卡盘厚度,m;d2—上卡盘宽度,m;L± --- 上卡盘全长,m;当y,= m, H值可按下列方法求得,或结合表&1.6确定;Yf s°(i + 3q)「= mb o/l t2(8.1.6-4)1F1=2 +e2 - 2H3(8.1.6-5)8.1.7当采用上下、卡盘时,应分别按式(8.1.7-1)和式(8.1.7-2)确定上、下卡盘的压力值,按式(8.1.6-3)确定上卡盘长度,按时式(8.1.7-3).式(8.1.7-4) 确定下卡盘长度:(Y f S0-Sj)(H0 + y2) P=『2-儿k(* S°・ Sj)(H° + yi)Q 严——QkL 2_y2(md3 + 2y0d4tan B)L下出+ b式中:Qk——下卡盘横向设计压力值,KN;L>—下卡盘计算长度,m;y2—设计地面至下卡盘的距离,m;d 3 ------ 下卡盘厚度,m;•下卡盘宽度,m;(8.1.7-1) (8.1.7-2) (8.1.7-3) (8.1.7-4)'T--- 下卡盘全长,m;窄基铁塔浅基础倾覆稳定计算822有台阶基础倾覆稳定计算(见图&2.2)应符合下列公式要求:1a i -診[-%) _ | E/i t(l -加为 + y(e + f 内)Yf s(H()w(8.2.2-1)F + G-Yf S0/-py= 1 + /r p2 <o.8a i a^fiy>°(B.2.2-2)1 2E“m叽(S.2.2-3)吹辭o,a o= h t ~h\a(B.2.2-4)5= bK Q(B.2.2-5)X0 = \(B.2.2-6)1(B.2.2-7)e<3a if p= tan P(B.2.2-8)式中:61一底板侧面宽度,m;勺―底板侧面的计算宽度,m o8.2.3无台阶基础倾覆稳定计算(见图8.2.3)应符合下列公式要求1 2 “ 、 Yf S ()H 0<2E /p h i-3Eh i + y (e + / (A) F + Go-YfVpy1+圧 <o.s a i a ^咀y>°12E =1e<3^i式中:G°——基础自重,KN 。
勾股定理的实际案例计算电线杆的倾斜度与高度勾股定理的实际案例:计算电线杆的倾斜度与高度勾股定理是几何学中非常重要的定理,它描述了直角三角形中三个边的关系。
然而,这个定理在实际生活中也有着广泛的应用。
在本文中,我们将以计算电线杆的倾斜度与高度为例,来探讨勾股定理在工程领域的实际应用。
在电力工程中,电线杆是用来支撑电力输送线路的重要构件。
为了确保线路的稳定与安全,电线杆的倾斜度和高度需要进行精确的计算。
首先,我们需要明确一些基本概念。
在三角形ABC中,AB代表电线杆,AC代表地面水平线,BC代表电线杆与地面之间的垂直高度。
假设我们已知AC的长度为a,BC的长度为b,我们需要计算的是AB的长度,即电线杆的实际高度。
根据勾股定理,我们可以得到以下关系式:AB² = AC² + BC²通过前述关系式,我们可以通过已知的AC和BC的长度,计算出AB的长度,从而得到电线杆的实际高度。
在实际应用中,我们通常已知电线杆的倾斜角度θ和倾斜距离d,而不是直接给出AC和BC的长度。
那么,如何将这些信息转化为我们需要的已知量?首先,我们需要利用三角函数来计算AC和BC的长度。
通过定义,我们可以得到以下关系式:sinθ = BC/ABcosθ = AC/AB由此可见,我们可以通过已知的倾斜角度θ和倾斜距离d,利用三角函数的计算,求解出AC和BC的长度。
进一步运用勾股定理,我们最终可以得到电线杆的实际高度AB。
让我们通过一个具体的案例来演示如何应用勾股定理来计算电线杆的倾斜度和高度。
假设一个电线杆的倾斜角度为30°,倾斜距离为10米。
我们首先需要计算出AC和BC的长度。
AC = AB * cosθ = AB *cos30° = AB * √3/2BC = AB * sinθ = AB * sin30° = AB * 1/2已知倾斜距离为10米,我们可以得到以下关系式:AB² = (AB * √3/2)² + (AB * 1/2)²化简后可得:AB² = 3/4 * AB² + 1/4 * AB²整理后得到:AB = 10 * √3因此,电线杆的实际高度为10 * √3 米。
电杆抗倾覆计算范文在计算电杆的抗倾覆能力之前,首先需要收集以下信息:1.电杆材质和尺寸:了解电杆的材质和尺寸,包括电杆的高度、横截面形状和尺寸。
2.风速数据:了解电杆所在地区的年平均最大风速数据。
3.冰厚数据:了解电杆所在地区的冰厚数据,即电杆上冰的最大厚度,一般以毫米为单位。
根据以上信息,可以进行电杆的抗倾覆计算。
下面是抗倾覆计算的基本步骤:步骤一:计算风载荷Fw=0.5×ρ×v^2×Cd×A其中,Fw为风载荷,ρ为空气密度,v为风速,Cd为风阻系数,A为电杆的有效面积。
步骤二:计算冰载荷Fi=0.03×ρ×h×A其中,Fi为冰载荷,ρ为冰的密度,h为冰的厚度,A为电杆的有效面积。
步骤三:计算倾覆力矩电杆的倾覆力矩可以通过以下公式计算:Mf=(Fw+Fi)×(h1+h2+h3)/1000其中,Mf为电杆的倾覆力矩,Fw为风载荷,Fi为冰载荷,h1为电杆顶部以上的距离,h2为电杆中部以上的距离,h3为电杆底部以上的距离。
步骤四:计算电杆的抗倾覆能力电杆的抗倾覆能力可以通过以下公式计算:Cr=Mf/(h1+h2+h3)其中,Cr为电杆的抗倾覆力矩系数,Mf为电杆的倾覆力矩,h1、h2、h3分别为电杆顶部以上、中部以上和底部以上的距离。
根据计算结果,可以判断电杆是否具有足够的抗倾覆能力。
如果抗倾覆能力不足,则需要采取相应的加固措施,例如增加电杆的基础深度或使用抗倾覆装置。
需要注意的是,抗倾覆计算的准确性和可靠性取决于所使用的公式和所采集的数据的准确性。
在进行抗倾覆计算时,应该根据具体情况选择合适的计算公式,并确保所采集的数据准确可靠。
此外,考虑到实际情况的复杂性,可能需要进行进一步的工程分析和评估,以获得更准确的结果。
电杆承受的拉力计算公式电杆是电力输送和分配系统中的重要组成部分,承受着电力线路的拉力。
在设计和施工电力线路时,计算电杆承受的拉力是至关重要的,这可以帮助工程师确定电杆的合适尺寸和材料,以确保电力线路的安全和稳定运行。
本文将介绍电杆承受的拉力计算公式,以及相关的理论知识和实际应用。
首先,让我们来了解一下电杆承受的拉力是如何产生的。
在电力输送和分配系统中,电力线路会承受来自输电线路本身重量、风载荷、冰载荷等外部作用力。
这些作用力会通过绝缘子串传递到电杆上,产生拉力。
因此,电杆承受的拉力是由这些外部作用力引起的。
在计算电杆承受的拉力时,需要考虑以下几个因素,输电线路的设计参数、电杆的材料和尺寸、外部环境的作用力等。
其中,最重要的是确定外部作用力对电杆的影响,这可以通过风载荷、冰载荷等标准来计算。
一般来说,风载荷和冰载荷是根据当地的气候条件和电力线路的设计要求确定的。
接下来,我们将介绍电杆承受的拉力计算公式。
在实际应用中,电杆承受的拉力可以通过以下公式进行计算:F = T + W。
其中,F表示电杆承受的总拉力,T表示来自输电线路的张力,W表示电杆的自重。
在这个公式中,T和W是两个主要的影响因素。
T可以通过以下公式计算:T = T1 + T2。
其中,T1表示输电线路的水平张力,T2表示输电线路的垂直张力。
W可以通过以下公式计算:W = mg。
其中,m表示电杆的质量,g表示重力加速度。
通过以上公式,可以计算出电杆承受的总拉力。
在实际应用中,工程师需要根据具体的情况确定T1、T2和m的数值,然后代入公式进行计算。
这样可以帮助工程师确定电杆的合适尺寸和材料,以确保电力线路的安全和稳定运行。
除了以上介绍的计算公式,还有一些其他的因素需要考虑。
比如,电杆的安装方式、地基的稳定性、电杆的挠度等,这些因素也会对电杆承受的拉力产生影响。
因此,在实际应用中,工程师需要综合考虑这些因素,以确保电杆的安全和稳定运行。
总之,电杆承受的拉力是电力输送和分配系统中的重要问题。
抗倾覆验算本工程由于外挑900mm,配重板仅500mm宽(见下图),为了预防倾覆,采用内支撑架加宽至1800mm,并在1800mm-800mm跨处扫地杆上铺50厚木板,木板上加载不小于5.5KN/m的砂袋的措施预防倾覆,验算及详图附后。
1. 斜支撑5.2m高,0.9m宽,换算后斜向立杆的轴心压力最大值N =(2.229kN+9.86 kN)×1.015 =12.27kN,水平倾覆力为N =12.27kN×0.173=2.12 kN,单扣件抗滑承载力满足要求!2.取100mm×300mm梁支座反力为2.29kN/m,每米考虑2根立杆;100mm板支座反力为9.86kN,每米考虑1根立杆,则∑M=2.29kN×0.8×2+9.86kN×0.45=8.101 KN·m抗倾覆荷载为(安全系数取2):8.101 KN·m/1.3m×2=12.46KN故在支撑架内侧1800mm -800mm跨处每米有12.46KN向下的荷载即可满足抗倾覆要求。
采用砂袋进行堆载。
模板拆除、成品保护1、模板拆除⑴模板拆除的顺序和方法应遵循先支后拆,先非承重部位,后非承重部位以及自上而下得原则。
拆模时,严禁用大锤和撬棍硬砸硬撬。
拆模顺序:水平拉杆——柱侧模——梁侧模——梁底支撑——梁底模侧模应在能保证其表面及棱角不因拆除而损坏时方可拆除。
底模在砼强度复合下列规定时方可拆除,拆模时必须有砼强度同条件养护拆模试压报告,并经技术负责人开具拆模令后方可拆模。
2)柱模板拆除时,先拆掉水平拉杆,然后拆掉柱箍及对拉螺栓然后用撬棍轻轻撬动模板,使模板与混凝土脱离。
3)拆除模板时,操作人员应站在安全的地方。
4)拆除跨度较大的梁下支顶时,应先从跨中开始,分别向两端拆除。
5)拆下的模板及时清理粘结物,涂刷脱模剂,并分类堆放整齐,拆下的扣件及时集中统一管理。
2、成品保护(1)坚持每次模板使用后清理板面,涂刷脱模剂。
8.1.2电杆基础极限倾覆力S j或极限倾覆力矩M j的计算,是假定土壤达到了极限平衡状态。
土压力的X的计算式如下:=::土压力,KPa1 :土压力参数,按表8.1.2确定,KN/m3;B :等代内摩阻角,按表8.1.2确定,(°);:自设计地面起算的深度,m。
8.1.3电杆的计算宽度应按8.1.3的第一款和第二宽的内容确定。
1、基础为单杆组成时应按式(8.1.3-1)确定:0= k o (8.1.3-1)+ 花盘陽(45 + —EK0=1 % 2 (8.1.3-2)Ba:电杆的计算宽度,m;b:电杆的实际宽度,m;k o:空间增大系数,可按式(8.1.3-2)或按表8.1.3-1确定;E:土的侧压力系数,可按表8.1.3-2确定。
2、基础为双杆组成时,基础计算宽度按式(8.1.3-3)与(8.1.3-4)中的较小者确定,双杆中心距 < 2.5 I :b0=(' + :) K)(8.1.3-3)%=2斥0 (8.1.3-4)8.1.4不带卡盘的电杆基础,当基础埋深等确定后,极限倾覆力或极限倾覆力矩应符合下列公式要求:S j> S0 (8.1.4-1)M j > H0S0 (8.1.4-2)mi o h t2S j= (8.1.4-3)mh0fc(3M j= 1 (8.1.4-4)%n = v® (8.1.4-5)3卩= ' (8.1.4-6) t9 = (8.1.4-7)式中:S――极限倾覆力;M j——极限倾覆力矩;Y ---- 按表5.0.17确定;H o ------- S0作用点至设计地面处的距离,m。
3 3 1+ —9可由公式9 392 n—- ——=5 20求得,或按表8.1.4确定。
8.1.5当S<V0或M jV^H o S0时,应采取措施增强抗倾覆承载能力。
一般方法1是在基础埋深「处加设卡盘,必要时增加下卡盘,当基土为冻胀土时应不设卡盘或采取防冻胀措施。
8.1.2 电杆基础极限倾覆力S j或极限倾覆力矩M j的计算,是假定土壤达到了极限平衡状态。
土压力的X的计算式如下:
X=γ
s y tan2(45°+β
2
)= m y
X:土压力,KPa;
m:土压力参数,按表8.1.2确定,KN/m3;
β:等代内摩阻角,按表8.1.2确定,(°);
y:自设计地面起算的深度,m 。
8.1.3 电杆的计算宽度应按8.1.3的第一款和第二宽的内容确定。
1、基础为单杆组成时应按式(8.1.3-1)确定:
b0= b k0 (8.1.3-1)
K0=1+2ℎt
3b ξcos(45°+β
2
)tanβ(8.1.3-2)
B0:电杆的计算宽度,m;
b:电杆的实际宽度,m;
k0:空间增大系数,可按式(8.1.3-2)或按表8.1.3-1确定;
ξ:土的侧压力系数,可按表8.1.3-2确定。
2、基础为双杆组成时,基础计算宽度按式(8.1.3-3)与(8.1.3-4)中的较小者确定,双杆中心距L≤2.5 b:
b0=(b+L cosρ)K0 (8.1.3-3)
b0=2b K0 (8.1.3-4)
8.1.4 不带卡盘的电杆基础,当基础埋深等确定后,极限倾覆力或极限倾覆力矩应符合下列公式要求:
S j≥γf S0 (8.1.4-1)
M j≥γf H0S0(8.1.4-2)
S j=mb0ℎt 2
ημ
(8.1.4-3)
M j=mb0ℎt 3
μ
(8.1.4-4)
η=H0
ℎt
(8.1.4-5)
μ=3
1−2θ3
(8.1.4-6)
θ=t
ℎt
(8.1.4-7)
式中:
S j——极限倾覆力;
M j——极限倾覆力矩;
γf——按表5.0.17确定;
H0——S0作用点至设计地面处的距离,m。
θ可由公式θ3+ 3
2θ2η−3
4
η−1
2
=0求得,或按表8.1.4确定。
8.1.5 当S j<γf S0或M j<γf H0S0时,应采取措施增强抗倾覆承载能力。
一般方法
处加设卡盘,必要时增加下卡盘,当基土为冻胀土时应不设卡盘是在基础埋深1
3
或采取防冻胀措施。
8.1.6 计算带上卡盘的电杆基础时,当埋深及上卡盘位置确定后,应按式(8.1.6-1)计算卡盘横向压力,按式(8.1.6-2)、式(8.1.6-3)确定卡盘长度:
)(8.1.6-1)
P k =γf S0 −mb0ℎt2(θ2−1
2
(8.1.6-2)
L1=P k
y1(md1+2yd2tanβ)
L上=L1+b (8.1.6-3)
式中:
P k——上卡盘横向设计值,KN;
L1——上卡盘计算长度,m;
y1——设计地面至上卡盘的距离,m;
d1——上卡盘厚度,m;
d2——上卡盘宽度,m;
L上——上卡盘全长,m;
时,θ值可按下列方法求得,或结合表8.1.6确定;
当y1=ℎt
3
(8.1.6-4)
F1 = γf S0(1+3η)
mb0ℎt2
F1 =1
+θ2 −2θ3(8.1.6-5)
2
8.1.7 当采用上下、卡盘时,应分别按式(8.1.7-1)和式(8.1.7-2)确定上、下卡盘的压力值,按式(8.1.6-3)确定上卡盘长度,按时式(8.1.7-3)、式(8.1.7-4)确定下卡盘长度:
(8.1.7-1)
P k =(γf S0−Sj)(H0+y2)
y2−y1
(8.1.7-2)
Q k =(γf S0−Sj)(H0+y1)
y2−y1
(8.1.7-3)
L2=Q k
y2(md3+2γ0d4tanβ)
L下=L2+b(8.1.7-4)
式中:
Q k——下卡盘横向设计压力值,KN;
L2——下卡盘计算长度,m;
y2——设计地面至下卡盘的距离,m;
d3——下卡盘厚度,m;
d4——下卡盘宽度,m;
L下——下卡盘全长,m;
8.2 窄基铁塔浅基础倾覆稳定计算
8.2.2 有台阶基础倾覆稳定计算(见图8.2.2)应符合下列公式要求:
γf S0H0≤1
2Efβ[(a1−b0
a0
θ2)(a1−b1)]− 2
3
Eℎt(1−b0
a0
θ3)+ y(e+fβℎt)
(8.2.2-1)
y=F+G−γf S0fβ
1+fβ2
≤0.8a1af a且y>0(8.2.2-2)
E=1
2
maℎt2(8.2.2-3)a0=ℎt
2K
0−ℎ1
2K
,
ℎt2−ℎ12
a(8.2.2-4)b0= bK0(8.2.2-5)
θ= ℎ1
ℎt
(8.2.2-6)
e≤1
3
a1(8.2.2-7)fβ= tanβ(8.2.2-8)
式中:a−底板侧面宽度,m;
a0−底板侧面的计算宽度,m。
8.2.3 无台阶基础倾覆稳定计算(见图8.2.3)应符合下列公式要求
γf S0H0≤1
2 Efβb1−2
3
Eℎ1+ y(e+fβℎt)(8.2.3-1)
y=F+G0−γf S0fβ
1+fβ2
≤0.8a1 af a且y>0(8.2.3-2)
E=1
2
mb0ℎt2(8.2.3-3)
e≤1
3
b1(8.2.3-4)
式中:
G0——基础自重,KN。
8.3 窄基铁塔深基础倾覆稳定计算
8.3.2 有台阶基础倾覆稳定计算(见图8.3.2)应符合下列公式要求:
γf S0H0≤1
2 E[(1−θ2)fβa1+θ2fβb0b1
a0
]
+1
3
mℎt3[a0−θ3(b0+a0)]+y(e+fβℎt)(8.3.2-1)
y=F+G−γf S0fβ
1+fβ2
≤0.8a1 a0f a且y>0(8.3.2-2)
E=1
2
mb0ℎt2(8.3.2-3)
a0=ℎt 2K
0−ℎ1
2K
,
ℎt2−ℎ12
a(8.3.2-4)
b0= bK0(8.3.2-5)
θ= ℎ1
ℎt
(8.3.2-6)
e≤1
3
a1(8.3.2-7)fβ= tanβ(8.3.2-8)8.3.3 无台阶基础倾覆稳定计算(见图8.3.3)应符合下列公式要求:
γf S0H0≤1
2Efβb1+2
3
Eℎt(1−2θ3)+y(e+fβℎt)(8.3.3-1)
θ2=γf S0+(F+G0)fβ
2E(1+fβ2)+1
2
<1(8.3.3-2)
y=F+G0−γf S0fβ
1+fβ2
≤0.8a1a f a且y>0(8.3.3-3)
E=1
2
mb0ℎt2(8.3.3-4)
e≤1
3
b1(8.3.8-5)
8.5 挡土墙
8.5.1 挡土墙宜采用墙背垂直、墙表面光滑、填土表面水平且与墙齐高的型式。
其稳定性计算应符合下列要求:
1 抗滑移稳定性应按式(8.5.1-1)计算(见图8.5.1-1):
Gμ
E a
≥1.3 (8.5.1-1)
E a=1
2γsℎ2tan2(45°−Φ
2
)
式中:
G——挡土墙没延米自重;
μ——土对挡土墙基底的摩擦系数,可按表8.5.1选用;
E a——主动土压力;
Φ——墙背填土的内摩阻角;
ℎ——挡土墙高度;
b——基地的水平投影宽度。
2 抗倾覆稳定性应满足式(8.5.1-2的要求)
Gx0
E a z
≥1.6 (8.5.1-2)式中:
z——土压力作用点离墙踵的高度;
x0——挡土墙重心离墙趾的水平距离。
3——挡土墙应符合地基承载力要求。