需求及技术规范(1包)
- 格式:pdf
- 大小:95.04 KB
- 文档页数:8
项目需求及技术要求一、工程建设标准:(一)工程建设标准按照国家、行业、地方有关标准、规范执行,如上述标准、规范对同一问题要求不一致时,由采购人负责解释以哪种标准、规范为准。
(二)工程建设技术要求1.说明:本磋商文件技术规格及要求,主要由工程量清单和相应的技术规格要求组成。
1.1请供应商仔细阅读磋商文件的全部条文(包括合同条款),对于磋商文件中存在的任何含糊、遗漏、相互矛盾之处或是对于技术规格以及其它内容不清楚、认为存在歧视、限制的情况,供应商应在规定时间之前向采购人寻求书面澄清。
1.2依据工程量清单和技术文件要求,本工程项目的材料、施工必须达到现行中华人民共和国及省、市、行业的一切有关法规、规范的要求。
1.3承包人必须按国家颁布的强制性标准组织施工。
1.4本技术标书中提出的各项功能要求和技术指标是对工程的最基本要求,并未对一切技术细节做出全部详细规定,也并未充分引述有关标准和规范的条文,供应商所有与本项目工程施工有关的技术要求均应符合招标时已颁布的国家和行业标准,或相应的国际标准的有关条文。
1.5本工程采用的标准及规范均为最新版本的国家及部颁和行业现行标准。
环境保护方面,必须使用国家和辽宁省有关标准。
1.5.1国家及部颁与本标工程有关的各种现行有效版本的技术规范、规程和供货商技术文件上的质量要求均适用于本工程。
1.5.2与本标工程有关的施工及验收技术规范。
1.5.3本标工程施工质量检验评定以国家及部颁建筑与安装工程质量检验评定标准为依据。
2.工程承包范围的说明2.1以下给出的工程承包范围和说明描述只是概括的不应认为是全面的、无缺的,承包人应研究其他文件,特别是根据图纸及现场勘查去完全了解工程的实际范围。
2.2承包人被认为已详细阅读过构成本工程合同文件的其他有关文件。
尤其是已充分研究了图纸和通过勘查现场了解了工程的内容。
2.3本工程承包项目内容:详见施工图纸和工程量清单。
2.4本工程承包方式为:包工包料。
采购需求及技术标准和要求本次采购需求范围为中央空调安装与土建改造恢复,包括多联机中央空调设备的购置与安装、高低压配电、土建改造与装修恢复(详见设计图纸与工程量清单)。
一、多联机技术规格书第一节通用要求1.总体要求如果本技术规格书与本招标文件中供货合同及安装合同相关技术条款有存在矛盾的地方,则以本技术规格书为准。
投标人需对本技术规格书各项条款作出响应,如有异议需在答疑阶段提出,否则视为重大偏差。
2.采购范围2.1本章招标的空调设备为: 多联机空调机组。
2.2 范围包括投标设备的设计、制造、供应、运输、保管、安装、调试、验收、操作和技术人员培训、质保期(交付使用两个制冷期和制热期)及质保期内的维修保养等。
投标总价中包括这些费用。
2.3.采购文件中的各项要求如果没有注明适用范围(如:某些设备配置或某些设备不配置之类的限定),则是对所有投标设备的要求,其费用已包含在投标总价中。
2.3.2.空调设备主要构成见第二节。
3.基本条件3.1 室内环境:使用环境空气温度低于46℃,相对湿度小于90%3.2 土建基础:招标人提供合格的投标设备安装土建基础,投标人在此基础上,负责投标设备就位与安装。
3.3 配电条件:由投标人负责室外机与室内机的高低压配电工程,详见图纸。
3.4整机供货:设备需整机及附件、备品、备件配套供应,产品必须是全新合格的设备,其费用和安装费用含在投标总价中。
控制柜随投标设备配套供应,启动柜由厂家提供及安装,其费用及安装费用含在投标总价中。
投标人负责机组与控制柜之间的全部电气和控制管线的连接(当机组和控制柜采用一体化型式时则无此连接内容),控制柜应设置隔离开关以供检修。
3.5安装范围:投标设备安装范围以机组进出管的第一个阀门(不含阀门)为界,阀门以内由中标人安装,阀门以外由其他承包单位(非中标人)安装。
3.6投标人保证在质保期满后5年内以优惠价格提供维持正常运转所必需的附件、备件、工具、备品备件和人员服务费用等。
采购需求及技术规范书一、货物需求包1:避孕套测试仪器 1套(含13个品目,每品目均为1台/套);包2:隐形眼镜测试仪器 1套(含6个品目,每品目均为1台/套);包3:有源测试仪器 1套(含36个品目,每品目均为1台/套);包4:药包材测试仪器 1套(含25个品目,每品目均为1台/套);包5:其他测试仪器 1套(含13个品目,每品目均为1台/套)。
交货期:合同签订后开始计算,至全部交货并安装、调试及验收完毕交付使用的时间,投标人自行承诺。
交货地点:贵州省医疗器械检测中心。
二、技术要求:说明:1、按包投标,须对一个包中的全部品目进行投标;2、所有品目均须提供质量技术监督部门出具的计量认证证书;3、技术需求一览表中所示内容均为技术实质性条款,必须全部满足;4、技术需求一览表出现的具体品牌及型号规格均为参照,所投产品须相当于或优于参照品牌及型号;5、对应技术需求一览表,提供投标设备的详细技术响应情况说明。
技术需求一览表三、质量及服务要求:投标人应根据招标文件要求,综合考虑产品的适应性,选择具有竞争力和最佳性价比的产品前来投标,并须满足:1、产品质量要求1.1所投产品必须是国产或进口的原装全新合格优质产品,并符合相应国家或行业生产标准,并提供详细的技术方案(包括各品目详细的产品技术规格说明);1.2所投产品须运行稳定可靠,故障率低;1.3所投产品包括设备的标准附件、备品备件、专用工具说明书等,投标时应提供产品详细技术规格说明和产品照片或扫描件,提供所投产品的技术支持文件(包括:ISO9000系列质量认证证书、制造商生产许可证、进口产品还需提供进口报关单、制造商的质量保证书、检测报告、涉及医疗器械的仪器设备,须提交医疗器械生产企业许可证书或医疗器械经营企业许可证),所有证书复印件须加盖投标人法人公章;1.4提供所投原设备生产厂家销售授权书(原件)。
GZZB(YW4) 招标文件发行、送达表特别声明:投标人在购买招标文件时,请认真填写以上表格中的内容;并请投标人填写时字迹清晰、字体端正。
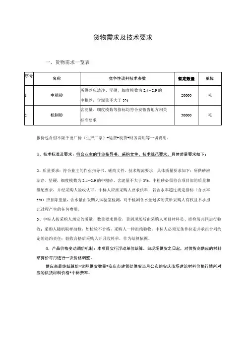
货物需求及技术要求
一、货物需求一览表
报价包含但不限于出厂价(生产厂家)+运费+税费+财务费用等一切费用。
1、技术标准及要求:符合业主的作业指导书、采购文件、技术规范要求,具体质量要求如下:
2、质量要求:符合业主的作业指导书、磋商文件、技术规范要求,具体质量要求如下:所供砂应
洁净、坚硬,细度模数为2.4〜2.9的中粗砂,含泥量不大于3%。
中粗砂必须符合项目部的质量和
级配要求,并经采购人验收认可。
中标人应按采购人要求供料,若含水率超过规定指标(含水率3%)应扣除重量,含水量由采购人试验室检测,对于检测含水量过多的黄砂采购人有权且不承担
此过程产生的任何费用。
3、中标人按采购人规定的质量、数量要求供货,货到现场后由采购人项目材料员、质检员共同进行验收;采购人随机取样抽检,如检验不合格,采购人一律拒绝验收,中标人必须无条件拉走并承担合同约定的违约责任;验收合格后采购人开具收料单,作为结算依据。
4、产品价格变动调价机制:本项目实行浮动单价结算。
自现场供货之日起,对供货商供应的材料结算价每月进行一次价格调整。
供应商最终结算价=实际供货数量*安庆市建管处供货当月公布的安庆市场建筑材料价格行情所对应的供货材料价格*中标费率。
技术需求(技术规书)移动互联网网络监测子平台开发——硬件平台搭建2015年11月12日一、总则1.概述1.1 本文件为工业与信息化部电信研究院(以下简称招标人)对移动互联网网络监测子平台——硬件平台搭建软件采购中的设备供应商(以下简称投标人)提出的技术规书。
本规书将作为谈判的基础。
1.2 投标人所提供的软件系统应符合技术标准的要求如下:(1)符合有关标准或规(如ITU-T、CCSA、IEEE、OIF、ISO、ETSI、IETF 等),投标人应在建议书中具体说明;(2)若投标人的系统包含自己的专用技术和协议,应在建议书中具体说明;(3)本文件中未给出,但相关组织已有建议的技术标准及技术规,投标人均应满足其最新规定;(4)待新标准(中华人民国通信行业标准及相关国际标准组织的标准)制定出来后,投标人应免费修改其系统以满足要求;1.3 投标人应按照本文件的要求提供报价和详细的技术建议。
投标人提供软件系统的功能、性能应完全符合招标人指明的标准,并满足或高于招标人指出的要求。
对于本文件未规定的有关系统功能及性能,投标人应提出建议,并述其理由。
1.4 投标人应根据本文件的要求提供建议书,建议书要求采用中文书写;要求必须提供建议书的电子文档。
1.5 本项目执行期间,产生的所有知识产权,归招标人所有1.6 本项目的执行期截止到2017年12月31日2.投标人的技术部分文件要求2.1 投标人技术部分文件的容格式要求投标人所提供的技术部分文件应按照以下容格式进行编制:附件—工程技术建议书——参与方背景资料——硬件介绍、数据库软件介绍等——投标人应列出其建议书中所提供系统在国的应用情况。
以及投标人为说明建议方案所给出的其他图纸附件二技术文件清单技术文件清单,应包含本次提供的技术文件的种类、数量及简要容介绍附件三硬件功能清单附件四工程安排及分工界面附件五测试及验收(提供验收测试方案)附件六售后服务附件七培训附件八投标人承诺2.2投标人在建议书中应说明给最终用户提供的技术文件、技术支持、技术服务、人员培训等的次数、围和程度。
附件1:工程需求及技术要求一、项目招标技术内容及工程详细范围要求1、本工程共计5栋高层,1栋小商业及南入口大堂,施工单位需根据总包以及门窗等安装单位的施工进度即时配合做好预埋工作,所有管线均需预埋到墙体内,不得有明装线路。
2、所有灯具不得采用膨胀螺栓钻孔固定(避免钻孔引起的漏水、渗水等),需采用胶粘等其他方式固定,且颜色需与外墙接近。
3、同总包等协调配合费用(如接电施工调试等)包含在合同总价中。
4、各管口需封堵严实,施工完毕,各回路标示清晰。
5、高空作业,需做好安全防护准备。
6、电源的接驳由设计指定的配电箱接电(该配电箱由总包负责安装),该出线以及相关所有电气线管、设备供应、安装及接驳均由泛光照明供应及安装工程承包单位负责。
7、防雷接地系统界面:与泛光照明相关的接地装置就近与总包所预留或安装的接电线可靠连接。
8、与样板展示区的泛光照明(另行施工)进行连接。
二、技术要求1、本工程所选择的设备、器械、材料以及整个工程的实施,必须符合国家有关标准、行业标准及当地政府主管部门的有关规定。
2、所有招标图纸中未表示出来的而在本技术要求中提及的,或是在技术要求中未提及而在招标图纸中已表示清楚的内容,投标方都必须加以完善,并须在回标时以显著方式加以特别说明;对于招标文件中未能考虑到的内容,投标者须在回标时提出合理的建议方案。
3、投标文件深化设计要求投标单位必须结合投标所用产品的技术特点,有针对性地对图纸进行校核、完善与补充。
中标单位在实施过程中必须使用技术要求选择的产品或系统,中标单位必须无条件实现本技术要求和图纸所要求的相应功能。
系统深化设计及设备配置必须针对本工程特点、针对本技术要求,特别是对功能的实现,要有详细的解决方案以及设备安装、施工的要求,与此同时,要求附有方案中所选用设备的详细、清晰的技术资料。
投标者对于招标图纸和招标文件中不合理或有违背国家有关标准、行业标准及当地主管部门有关规定的问题,在回标时须以显著方式提出。
软件工程规范(一)(一)引言概述:软件工程规范是指在软件开发过程中所遵循的一系列标准和规范,以确保软件开发过程的可追溯性、可维护性和可扩展性。
本文将介绍软件工程规范的相关内容,包括需求规范、设计规范、编码规范、测试规范和文档规范。
正文:一、需求规范1.明确需求的来源和背景2.详细描述每个需求的功能和特性3.对需求进行可行性评估和优先级排序4.编写清晰的需求文档,包括用户故事、用例规约等5.确保需求的一致性和完整性,及时进行变更管理二、设计规范1.制定软件架构设计方案,包括模块划分、数据流程和接口设计2.选择适当的设计模式和编程风格3.遵循一致的命名规范和标识符命名规则4.编写简洁清晰的设计文档,包括类图、时序图等5.评审设计方案,确保其符合软件需求并具备可扩展性和可维护性三、编码规范1.遵循统一的编码规范,如缩进、命名、注释的格式2.保持代码的简洁性和可读性,避免冗余代码和复杂逻辑3.使用合适的代码注释,说明代码的用途和关键逻辑4.进行静态代码分析和代码复审,确保代码质量5.遵循代码版本管理和提交规范,及时进行代码迭代和维护四、测试规范1.制定详细的测试计划和测试用例2.进行单元测试、集成测试和系统测试3.确保测试数据的准确性和完整性4.记录测试结果和问题,及时反馈给开发团队5.进行回归测试和性能测试,优化软件的稳定性和性能五、文档规范1.编写清晰、完整的软件设计文档和技术文档2.规范文档的格式和结构,包括封面、目录和索引等3.明确文档的目标读者和使用场景4.编写易于理解的用户手册和操作指南5.定期更新和维护文档,反馈用户的问题和建议总结:软件工程规范是软件开发过程中确保质量和效率的重要保证。
通过遵循需求规范、设计规范、编码规范、测试规范和文档规范,可以提高软件开发过程中的可控性和可维护性,从而实现软件项目的成功交付和稳定运行。
在实际开发过程中,团队成员应积极采纳和落实软件工程规范,以提升软件开发水平和团队协作能力。
货物需求及技术要求为鼓励不同品牌的充分竞争,如某设备的某技术参数或要求属于个别品牌专有,则该技术参数及要求不具有限制性,投标人可对该参数或要求进行适当调整,但这种调整整体上要优于或相当于采购文件的相关要求,并说明调整理由,且该调整须经评委会审核认可。
二、技术参数1工作条件1.1环境温度5℃-40℃12相对湿度≤20-60%1.3供气压力范围0.55-0.7Mpa,流量2501∕min14水源水压范围0.2-0.4Mpa,流量2101∕min2患者座椅2.1椅位载重量N300KG,座垫面离地面高度:最低W350mm,最高力740mm★2.2牙科椅及靠背升降均采用进口液压驱动系统,牙科椅和靠背升降速度可调。
2.3座垫架能围绕中心轴进行左右W30°旋转,并且能在任意位锁紧。
2.4头枕采用双链轴头托,能伸长,活动范围2170ιnm°按压式调节,松手即可锁定位置。
向前调节,下放至椅背及前后锁定,能同时满足儿童,成人,轮椅位等9个体位。
头枕后盖和PU头枕可拆卸。
2.5椅背可调至急救位置,靠背后仰角力10°,升降和靠背运动具有联动补偿功能,并具有急救位功能。
2.6滑道式结构设计,快换式坐垫系统;采用皮革。
2.7配有机椅互锁系统,手机工作状态下,椅位保持锁定。
2.8靠背采用钢板一次压铸成型,采用上窄下宽设计。
2.9左右扶手皆可活动打开并镶嵌皮革。
2.10主控板上能显示当前操作的具体指令代码,并能显示诊断代码。
3.11无侧箱设计,所有电路,水路,气路控制系统集成在器械盘和地箱内。
3医师单元3.1下穿式平衡臂,器械盘可180°旋转。
3.2下挂式器械盘,5个器械位,配有三用枪1把,两高一低四孔手机管.预留洁牙机位,挂架采用模块式可调节设计。
3.3器械盘右下方带有水气总开关,医生操作台所有手机管线具有独立一键式冲洗消毒功能,可快速冲洗手机导管内壁。
3.4左右双按键气刹阀,均可调整及锁定器械盘高度。
项目需求和技术要求
一、本次项目为防汛块石采购,项目数量不少于12600吨。
储备地点在九圩港闸下游东侧滩面、如皋港闸下游与戴案港下游交叉处西侧各6300吨左右。
二、技术要求:
1、防汛块石单体重量15~75kg、未风化的天然块石;
2、防汛块石质量标准应符合以下的要求:石质坚硬,无风化石、山皮石、分层易碎石。
块石单体重量15kg为下限,15kg ~30kg的块石总量不得超过批次的20%,若超过总量的20%,必须剔除,剔除后块石下限数量占总量的比例不得大于15%。
3、块石码放现场必须按规定设置统一的标牌(内容或形式由业主提供),并安装金属防护栏(质量技术参数要求不低于高速公路通用的防护栏和标识牌)。
4、直观检验项目要求如下:
(1)规格和质量标准应符合上表的要求;
(2)码方应边齐、顶平、内部密实;
(3)码方后,应对长、宽、高多点测量取平均植,按实测体积的0.95倍计量;
(4)按实际重量换算,每立方米按1.7吨换算;
(5)结果判定:产品同时符合以上要求,判定该批产品合格;否则为不合格。
6 防汛块石主要物理性能应达到以下指标;每批次均要出具有资质单位提供的防汛块石检测报告原件。
项目评标办法经评审符合要求的最低报价的投标人为中标单位。
服务需求与技术规定一、承包范围及工作内容承包范围:潜山市城区排水管道疏通及平常维护项目工作内容:潜山市住房和城镇建设局管辖范围内排水管道(含雨水、污水及合流制排水管道)清淤和管道及其他排水设施旳平常维护,清理出来旳淤泥、垃圾外运及规范化处置、管道疏通检测等均由成交供应商自行承担。
详细清淤及维护工程量:排水管道(DN300~DN2023)约89790m,检查井约1580座,雨水口约3250座,盖板沟约2800m,明渠及箱涵约5900m,截污口12个,启闭机10个,污水提高泵站4座。
二、服务周期服务周期:自协议签订之日起24个月。
三、质量规定:合格(合格条件如下)详细详见《潜山市城区排水管网维护质量原则及考核暂行措施》。
四、安全文明规定1、成交供应商应结合工程特点,制定维护作业方案,并通过审批。
重大方案需报经专家论证。
2、制定中毒、窒息等事故应急救援等安全预案,并经审批。
3、按项目需要配齐必要旳安全防护设施、劳动防护用品,配置必要旳维护作业标志标牌等,为维护作业人员办理工伤保险和意外伤害保险。
4、对维护作业工人进行全员安全交底和技术培训。
5、成交供应商在维护作业前,需提前进行现场考察,根据现场实际状况编制技术方案和安全方案(安全总体规定、现场安全原因分析、项目安全措施方案及应急预案)并上报采购人,经采购人审批通过后方可实行。
成交供应商必须按评审通过后安全方案及应急预案进行维护作业。
6、成交供应商必须实行井下安全作业票制度,履行同意手续。
在下井前应做好管道旳降水、通风、气体检测、照明以及现场围挡等工作,并制定防护措施。
7、下井、下池人员应通过安全技术培训,学会人工急救和防护用品、照明及通讯设备旳使用措施。
操作人员下井作业时,井上应有两人监护。
若进入管涵维护作业,还应在箱涵内增长监护人员作中间联络。
监护人员不得擅离职守。
井上、井下人员之间旳联络宜采用有线或无线通讯设备,以替代喊话或手势。
作业现场照明应使用便携式防爆灯,照明设备应符合现行国标《爆炸性气体环境用电气设备第14部分:危险场所分类》GB3836.14旳有关规定(CJJ6-2023)。
商品房预售资金监管系统建设需求(一包)一、背景和意义商品房预售款是约定的按揭贷款,涉及到大量的资金,如果预售资金管理不善,可能会导致房地产市场的混乱和不稳定。
为了保障交易安全,需要建立商品房预售资金监管系统,对预售款进行监管和管理,保障预售款的安全性、透明度和规范性。
二、系统建设目标1.建立完善的商品房预售资金监管体系,确保资金的安全性和规范性。
2.实现资金流动的可追溯性,确保预售款的使用合法、合规。
3.提升政府和房地产市场监管机构的监管能力,加强对房地产市场监管。
4.提高消费者对商品房预售资金的信任度和满意度。
三、系统设计1. 数据采集模块通过该模块,对预售款的资金流向、支付情况,以及资金转移等进行实时的数据采集和记录。
2. 预警提示模块该模块可以对涉及到的预警指标进行监测和检测,一旦发现异常情况,系统会及时进行预警和提示。
3. 资金安全管理模块该模块可以对预售资金进行实时监管和管理,确保资金的安全性和规范性,包括对资金流向、账户余额、转账记录等进行安全管理。
4. 报表生成模块系统通过该模块,可以将采集到的数据进行汇总,生成各种报表和分析,为政府和监管部门提供有力支持,也方便企业进行内部管理。
5. 系统数据可视化模块通过该模块,可以对数据进行可视化展示,让用户对预售款资金流向和资金使用情况有更直观的了解。
四、技术选型1.数据库选择:MySQL2.开发框架:Spring+SpringMVC+Mybatis3.前端框架:Bootstrap+Vue.js4.服务器:Tomcat+Nginx5.安全框架:Shiro五、商品房预售资金监管系统的建设是房地产市场的重要举措之一,它的建成可以保障购房者的合法权益,促进房地产市场的健康规范发展。
有效的监管手段和技术手段可以大幅度减少市场交易中存在的各种风险,使房地产市场更加健康、安全、稳定。
采购需求、技术规范及要求
项目名称:湖南省人民检察院配电间电容柜改造及低压断路器预防性维护保养
甲方地址:湖南省人民检察院
一、资格条件
参与竞价供应商需具备以下资格条件,并提供证明材料,未
按规定提供属于无效竞价:
1.具备行政主管部门颁发的电力工程施工总承包叁级及以
上施工资质或输变电工程专业承包三级资质。
2.具有承装(修、试)电力设施许可证。
3.具有ABB断路器维护保养的能力及经验,提供包含ABB 断路器维护保养内容的中标项目合同1个以上。
4.参加本次采购活动近3年内没有重大违法记录的书面声明。
5.服务承诺书。
二、主要施工内容
详细服务工作量及元、配件参数要求见附件。
三、采购需求
1.需现场勘测并制作方案。
2.合同确认后20天内完成维修施工。
3.所使用元件、配件、材料要达到优等标准,须为原装正品,并提供相关检测报告原件。
进场前须报验,经采购人同意后方可使用。
4.加强施工的文明组织管理,所有施工人员须遵守文明安
全施工的有关规章制度,持证上岗。
5.进场人员须办理人身意外保险,其人员、财产的安全由成交供应商负责。
6.组织好安全文明施工,遵守采购人相关管理规定。
附件:湖南省人民检察院配电间电容柜改造及低压断路器
预防性维护保养清单
湖南省人民检察院配电间电容柜改造及低压断路器
预防性维护保养清单。
货物需求及技术要求
为鼓励不同品牌的充分竞争,如某产品的某技术参数或要求属于个别品牌专有,则该技术参数及要求不具有限制性,投标人可对该参数或要求进行适当调整,但这种调整整体上要优于或相当于采购文件的相关要求,并说明调整理由,且该调整须经评标委员会审核认可。
二、质量要求
1投标人提供的货物必须是全新、标识清楚、符合国家规定的质量标准或行业现行标准的要求。
没有国家标准和行业标准的,应达到经主管部门批准的企业现行标准要求,符合采购人采购文件和投标人投标文件所要求的技术标准。
2.保证是原产地生产的原装产品。
三、培训要求
供货完成且经采购人验收合格后,中标人应对采购人的相关人员进行免费现场培训。
四、供货、保修及售后要求
1.投标人接到采购人供货通知,根据采购人通知的规格型号和数量按计划送货,按照采购人要求送至指定地点,负责运输。
2.中标人根据采购人采购计划进行供货,不允许超计划供货,超出计划的数量,采购人不予验收入库,由中标人无条件带回。
3.中标人所投的品牌货物在供货或使用过程中出现质量和使用问题,采购人有权要求更换,直至采购人满意,且不再另行支付任何费用。
4.按采购人实际需求进行供货,中标人须无条件满足采购人需求,确保供货质量并及时供货。
5.所投产品依据商品的保修条款及售后服务条款,提供原厂质保,质保期为一年。
质保期从货物验收合格后算起。
五、验收
中标人和采购人双方共同实施验收工作,验收结果和验收报告经双方确认后生效。
六、付款方式
供货完成且经采购人验收合格后30日内支付合同总金额的90乐余款待质保期满后一次性付清不计息。
货物需求及技术要求一、为鼓励不同品牌的充分竞争,如某设备的某技术参数或要求属于个别品牌专有,则该技术参数及要求不具有限制性,投标人可对该参数或要求进行适当调整,但这种调整整体上要优于或相当于招标文件的相关要求,并说明调整理由,且该调整须经评委会审核认可。
二、《政府采购货物和服务招标投标管理办法》(财政部令第87号)第三十一条采用最低评标价法的采购项目,提供相同品牌产品的不同投标人参加同一合同项下投标的,以其中通过资格审查、符合性审查且报价最低的参加评标;报价相同的,由采购人或者采购人委托评标委员会按照招标文件规定的方式确定一个参加评标的投标人,招标文件未规定的采取随机抽取方式确定,其他投标无效。
使用综合评分法的采购项目,提供相同品牌产品且通过资格审查、符合性审查的不同投标人参加同一合同项下投标的,按一家投标人计算,评审后得分最高的同品牌投标人获得中标人推荐资格;评审得分相同的,由采购人或者采购人委托评标委员会按照招标文件规定的方式确定一个投标人获得中标人推荐资格,招标文件未规定的采取随机抽取方式确定,其他同品牌投标人不作为中标候选人。
非单一产品采购项目,采购人应当根据采购项目技术构成、产品价格比重等合理确定核心产品,并在招标文件中载明。
多家投标人提供的核心产品品牌相同的,按前两款规定处理。
一、货物需求一览表宿松县DNA实验室仪器设备参数注:以上所有标“★”为必须响应参数,如有任一标“★”项不响应则按无效标处理;未标“★”项如有三项及以上不满足,则按无效标处理。
若投标人虚假响应上述参数,采购人有权拒绝验收并没收履约保证金和追究法律责任。
、人员培训要求货物安装、调试、验收合格后,中标人应对采购人的相关人员进行免费现场培训。
培训内容包括基本操作、保养维修、常见故障及解决办法等。
三、货物质量及售后服务要求1 、货物质量:中标人提供的货物必须是全新、原装、合格正品,完全符合国家规定的质量标准和厂方的标准。
需求及技术要求一、技术要求:(一)网站群系统技术要求采购名称主要技术参数和要求网站群管理平台一、建设内容1.1提供符合我校采购需求的移动版网站群系统一套(含35个PC站点授权,1个移动站点授权)。
1.2定制设计并实施我校门户网站PC版及移动版网站各一套;1.3提供标准PC模板5套;1.4完成5个二级子站的模板建站及实施;1.5完成主站及5个子站的原数据迁移;二、技术要求2.1 系统需采用java语言开发,Java EE技术架构。
鉴于近期Struts2安全漏洞频发,本次采购要求系统不使用Struts2框架,所投产品或厂家在最近两年内没有Struts2安全漏洞被国家信息安全漏洞共享平台(cnvd)收录。
(提供该功能网页截图并加盖投标单位公章)。
2.2 系统采用纯B/S结构设计,所有操作基于浏览器操作,不用安装客户端。
2.3 系统支持主站与子站的站群式管理,实现集中化部署,分布式管理。
2.4 系统具有良好的跨平台特性,支持基主流Windows、Unix、Linux平台搭建;支持Tomcat、Apache、WebSphere、WebLogic等应用服务器;支持Oracle、DB2、SQL Server、MySQ·L等多种主流数据库;提供XML标准接口支持。
2.5 兼容全部主流智能手机的操作系统:包括苹果IOS、安卓Android、黑莓Blackberry、微软WindowsPhone、塞班、小米、魅族等。
2.6 兼容各种不同分辨率屏幕(屏幕大小从3寸至6寸,分辨率从320P至1080P)。
2.7 兼容微软IE、谷歌Chrome、360浏览器、搜狗浏览器、苹果Safari、UC浏览器、QQ浏览器、火狐Firefox、欧朋Opera等多种浏览器。
2.8 系统具有良好的扩展性,用户可以根据自己的需要扩展多种其他WEB应用,并且能够提供不同产品间的兼容。
2.9 使PC网站、手机网站等不同类型的网站群可使用同一平台、同一资料源、同一后台进行管理。
第四章需求及技术规格第一节说明1、投标人必须对本招标文件所列的所有采购内容进行投标,不得将项目中的内容拆开投标,如果项目有分包的,投标人也可以只对其中一个或几个分包进行投标,但不得将一个包中的内容拆开投标,否则将导致其投标被拒绝。
投标人须认真填写第五章的偏离表,偏离表将作为重要的评标依据。
重点说明:偏离表中“偏离度”由投标人自行判断后填写,内容仅供评委参考,评标委员会将根据具体响应内容给予是否偏离的认定,并以此作为最终评判。
需求中要求提供证书、检测报告、承诺函或其他证明文件的,如投标人未按要求提供或提供的文件无法证明对应事项的,该项要求的响应偏离度评委会有权认定为“负偏离”,若该项要求为不可偏离项或实质性要求,做无效标处理;若该项要求非不可偏离项,则按评分标准做相应扣分处理。
2、本招标文件要求中,凡标有“▲”的地方均被视为重要要求,若有带“▲”的要求未响应或不满足的,将按加重扣分处理。
3、重要提示:投标人有义务在招标活动期间浏览我司网站()和深圳政府采购网(.),招标机构在网上公布的与本次招标项目有关的信息视为已送达各投标人。
4、相同品牌产品投标的说明:使用综合评分法评标的,提供相同品牌产品且通过资格审查、符合性审查的不同投标人参加同一合同项下投标的,按一家投标人计算,评审后得分最高的同品牌投标人获得中标人推荐资格;评审得分相同的,由采购人或者采购人委托评标委员会确定技术得分最高的一个投标人获得中标人推荐资格;技术得分仍相同的,确定投标报价最低的一个投标人获得中标人推荐资格;投标报价仍相同,采取随机抽取方式确定,其他同品牌投标人不作为中标候选人。
本项目为非单一产品采购项目,采购人根据采购项目技术构成、产品价格比重等合理确定核心产品,并在招标文件中载明。
多家投标人提供的核心产品品牌相同的,按前两款规定处理。
本项目核心产品为:—5、进口产品:对于经财政部门审批同意采购进口产品的,即使在进口产品中,也优先采购向我国企业转让技术、与我国企业签订消化吸收再创新方案的供应商的进口产品是指在采用综合评分法时,如果有两家以上经评审最高得分相同时具有优先性;在采用最低价评标法时,如果经评审最低价在两家以上时具有优先性。
服务需求及技术规范1.设计背景中央和北京市明确了通州的发展定位,文化创意产业是北京城市副中心未来经济发展的重中之重,文化创意产业作为支柱产业重点发展。
副中心、大运河文化带、环球影城、台湖演艺小镇,宋庄文化创意产业集聚区,中国艺术品产业博览会在通州已耳熟能详。
在本次文博会上,通州展区将北京城市副中心的高端定位,全面呈现这些特色文化产业项目。
通州区文化委员会在成功组织参加第十一届、十二届北京文博会的基础上,今年继续牵头组织参与第十三届文博会。
(1)重点介绍以下内容大运河文化,突出蓝绿交织、清新明亮、水城共融、紧凑发展的前景,串联宋庄文化艺术区、台湖、环球影城。
展览形式上以“北运河”为主线,沿河流域均是历史上文化发展的蓬勃之地。
通过图片、影像、沙盘、艺术品等综合元素搭建立体式展览结构。
其中,重点项目单独作为独立展台呈现(独立展台为特色项目)。
(2)体现中国传统文化及工匠精神通过富有中华文化特色的展位设计,体现中华文化的博大精深,体现中国元素、突显中国符号,通过简短文艺表演突出中华文化的魅力,突出通州底蕴。
顺畅使用物料、光电、多媒体、音乐等多种方式,体现城市发展宏观建设,以工匠精神打造展台制作搭建,体现了精益求精的工匠精神。
同时参展单位应有大部分为精工细作,制作精良,富有工匠精神的参展单位。
(3)环球文化旅游环球文化旅游以北京环球主题公园项目为核心。
该项目是美国环球主题公园及度假区集团开发建设的大型主题公园项目,按照北京市关于加快通州文化旅游区建设的总体要求,该项目于2014年9月25日正式通过国家发改委批复,落户文化旅游区。
该园区的发展目标是:建设“世界一流主题公园、展现北京旅游新亮点、打造北京旅游新引擎”。
北京环球主题公园项目核心区(项目一期)占地面积1.59平方公里,将建设一座主题公园及相关配套设施,建设期4-5年,预计2020年左右开园。
北京环球主题公园充分考虑中国文化元素的创意和开发,既展示西方娱乐理念,又展现中国文化传承的娱乐体验。
需求及技术规范(1包)一、项目概况为加快推进公共文化服务体系示范区创建工作,让更多群众享受高品质、多元化的文化大餐,做好2019年基层配备图书工作,现对为各乡镇、街道配备图书政府采购项目进行公开招标。
二、具体要求1、乙方为甲方提供的图书书目需保证是国家出版的正式出版物,并具有书号、书名、定价等相关信息。
2、一线出版社的比例不低于50%。
3、乙方根据甲方确认的图书书目要求应保证提供的是正式出版物。
4、乙方根据甲方需求提供2017年-2019年出版的图书,畅销书比例不能小于购书总量的30%。
5、按照甲方活动用书书目要求,尽快将图书全部送到甲方指定地点。
6、乙方根据甲方需求提供不少于20806册少儿绘本图书。
7、乙方对甲方购买的图书进行加工(所有材料费包含在总报价中,不得另行收取费用);(1)免费提供该批新书分类和编目数据。
分类以《中图法(第五版)》为准,编目严格按《普通图书著录条例》进行著录、数据符合CNMARC格式。
(2)按照采购人要求盖章、书目数据、贴条码、RFID标签、贴色标、贴书标、拨交、按要求上架等,并按照采购人要求在指定时间周期内进行图书加工上架。
8、加工后的书目数据要能灌入甲方自动化系统。
9、行政区域为街道级(镇级)包含:北苑街道、潞城镇、梨园镇、潞源街道、马驹桥镇、宋庄镇、台湖镇、通运街道、永顺镇、玉桥街道。
10、合同履行日期:自政府采购合同签订后开始履行,供货服务期限从合同签订之日起至2019年12月31日前完成。
图书采购比例中文图书图书分类比例种册复本实洋(元)哲学类3%135827152122175文学22%9955199102895950文化、科学、教育、体育3%135827152122175艺术类2%9051810281450政治、法律类3%135827152122175医药、卫生类5%226245252203625历史、地理类4%181036202162900自然科学类10%452590502407250其它类13.96%6317126342568521小计65.96%298475969422686221少儿类读物社会科学类22.69%10267205342924050自然科学类11.35%5136102722462229小计34.04%154033080621386279总计100%452509050024072500备注需求及技术规范(2包)一、项目概况为加快推进公共文化服务体系示范区创建工作,让更多群众享受高品质、多元化的文化大餐,做好2019年基层配备图书工作,现对为各乡镇、街道配备图书政府采购项目进行公开招标。
二、具体要求1、乙方为甲方提供的图书书目需保证是国家出版的正式出版物,并具有书号、书名、定价等相关信息。
2、一线出版社的比例不低于50%。
3、乙方根据甲方确认的图书书目要求应保证提供的是正式出版物。
4、乙方根据甲方需求提供2017年-2019年出版的图书,畅销书比例不能小于购书总量的30%。
5、按照甲方活动用书书目要求,尽快将图书全部送到甲方指定地点。
6、乙方根据甲方需求提供不小于10000册少儿绘本图书。
7、乙方对甲方购买的图书进行加工(所有材料费包含在总报价中,不得另行收取费用);(1)免费提供该批新书分类和编目数据。
分类以《中图法(第五版)》为准,编目严格按《普通图书著录条例》进行著录、数据符合CNMARC格式。
(2)按照采购人要求盖章、书目数据、贴条码、RFID标签、贴色标、贴书标、拨交、按要求上架等,并按照采购人要求在指定时间周期内进行图书加工上架。
8、加工后的书目数据要能灌入甲方自动化系统。
9、行政区域为社区(村)包含:潞源街道、马驹桥镇、漷县镇、张家湾镇、中仓街道。
10、合同履行日期:自政府采购合同签订后开始履行,供货服务期限从合同签订之日起至2019年12月31日前完成。
图书采购比例中文图书图书分类比例种册复本实洋(元)哲学类3%7501500267500文学22%5500110002495000文化、科学、教育、体育3%7501500267500艺术类2%5001000245000政治、法律类3%7501500267500医药、卫生类5%125025002112500历史、地理类4%10002000290000自然科学类10%250050002225000其它类13.96%349069802314100小计65.96%164903298021484100少儿类读物社会科学类22.69%5673113452510525自然科学类11.35%283656752255375小计34.04%8510170202765900总计100%250005000022250000备注需求及技术规范(3包)一、项目概况为加快推进公共文化服务体系示范区创建工作,让更多群众享受高品质、多元化的文化大餐,做好2019年基层配备图书工作,现对为各乡镇、街道配备图书政府采购项目进行公开招标。
二、具体要求1、乙方为甲方提供的图书书目需保证是国家出版的正式出版物,并具有书号、书名、定价等相关信息。
2、一线出版社的比例不低于50%。
3、乙方根据甲方确认的图书书目要求应保证提供的是正式出版物。
4、乙方根据甲方需求提供2017年-2019年出版的图书,畅销书比例不能小于购书总量的30%。
5、按照甲方活动用书书目要求,尽快将图书全部送到甲方指定地点。
6、乙方根据甲方需求提供不少于10000册少儿绘本图书。
7、乙方对甲方购买的图书进行加工(所有材料费包含在总报价中,不得另行收取费用);(1)免费提供该批新书分类和编目数据。
分类以《中图法(第五版)》为准,编目严格按《普通图书著录条例》进行著录、数据符合CNMARC格式。
(2)按照采购人要求盖章、书目数据、贴条码、RFID标签、贴色标、贴书标、拨交、按要求上架等,并按照采购人要求在指定时间周期内进行图书加工上架。
8、加工后的书目数据要能灌入甲方自动化系统。
9、行政区域为社区(村)包括:北苑街道、潞城镇、梨园镇、宋庄镇、永顺镇。
10、合同履行日期:自政府采购合同签订后开始履行,供货服务期限从合同签订之日起至2019年12月31日前完成。
图书采购比例中文图书图书分类比例种册复本实洋(元)哲学类 3.00%7501500267500文学22.00%5500110002495000文化、科学、教育、体育 3.00%7501500267500艺术类 2.00%5001000245000政治、法律类 3.00%7501500267500医药、卫生类 5.00%125025002112500历史、地理类 4.00%10002000290000自然科学类10.00%250050002225000其它类13.96%349069802314100小计65.96%164903298021484100少儿类读物社会科学类22.69%5672.5113452510525自然科学类11.35%2837.556752255375小计34.04%8510170202765900总计100%25000500002250000备注需求及技术规范(4包)一、项目概况为加快推进公共文化服务体系示范区创建工作,让更多群众享受高品质、多元化的文化大餐,做好2019年基层配备图书工作,现对为各乡镇、街道配备图书政府采购项目进行公开招标。
二、具体要求1、乙方为甲方提供的图书书目需保证是国家出版的正式出版物,并具有书号、书名、定价等相关信息。
2、一线出版社的比例不低于50%。
3、乙方根据甲方确认的图书书目要求应保证提供的是正式出版物。
4、乙方根据甲方需求提供2017年-2019年出版的图书,畅销书比例不能小于购书总量的30%。
5、按照甲方活动用书书目要求,尽快将图书全部送到甲方指定地点。
6、乙方根据甲方需求提供不小于10000册少儿绘本图书。
7、乙方对甲方购买的图书进行加工(所有材料费包含在总报价中,不得另行收取费用);(1)免费提供该批新书分类和编目数据。
分类以《中图法(第五版)》为准,编目严格按《普通图书著录条例》进行著录、数据符合CNMARC格式。
(2)按照采购人要求盖章、书目数据、贴条码、RFID标签、贴色标、贴书标、拨交、按要求上架等,并按照采购人要求在指定时间周期内进行图书加工上架。
8、加工后的书目数据要能灌入甲方自动化系统。
9、行政区域为社区(村)包括:台湖镇、西集镇、永乐店镇、于家务镇。
10、合同履行日期:自政府采购合同签订后开始履行,供货服务期限从合同签订之日起至2019年12月31日前完成。
图书采购比例中文图书图书分类比例种册复本实洋(元)哲学类3%7501500267500文学22%5500110002495000文化、科学、教育、体育3%7501500267500艺术类2%5001000245000政治、法律类3%7501500267500医药、卫生类5%125025002112500历史、地理类4%10002000290000自然科学类10%250050002225000其它类13.96%349069802314100小计65.96%164903298021484100少儿类读物社会科学类22.69%5673113452510525自然科学类11.35%283756752255375小计34.04%8510170202765900总计100%250005000022250000备注。