空调净化系统_HVAC电子版本
- 格式:ppt
- 大小:6.97 MB
- 文档页数:40
净化空调系统的验证及维护保养季卫平(南京白敬宇制药有限责任公司,江苏南京210000)摘要:阐述了净化空调系统(HVAC)系统的基本原理及一些处理方法,并对其系统的验证作了详细的介绍。
关键词:净化空调系统(HVAC);原理;方法;验证尽管GMP规范在我国实施已近10年,但药厂仍有不少职工对净化空调的原理不甚了解,因此加强员工对此方面的学习是十分必要的,同时,对加强净化制度管理及节约运行成本都会带来好处。
而在药品生产验证指南(2003)版中,净化空调系统(下简称为HVAC)纳入在厂房验证的范畴之中,所谓的HVAC系统是指具备供热、通风和空气调节的系统。
1HVAC系统的基本原理和处理方法HVAC系统利用物理方法对空气进行的各种处理(如加热、加湿、干燥、冷却、净化等),而净化空调是要解决来自生产车间的内外干扰因素对室内空气的输送与分配所产生的矛盾。
1.1 空气的加热一般都采用蒸汽和电加热的方式进行,蒸汽加热是利用散热片的加热方式,而电加热则主要用电热管或远红外管加热的方式。
1.2 空气的加湿一般采用干蒸汽和喷淋水雾的方式进行。
1.3 空气的干燥一般采用降温除湿和物理吸收的方式。
降温除湿是在空调箱内利用表冷器冷却,使湿空气温度降到露点,并使水分析出由积水盘排出,达到除湿的要求;而物理吸收则主要利用吸湿剂(如硅胶、活性碳、氯化锂、氯化钙等)吸收水分达到干燥的要求。
后者需要用再生的方法使吸收剂还原。
1.4 空气的冷却大多数采用表冷器吸收热量而达到空气冷却的目的,冷媒是由冷水机组提供。
常用的冷水机主要为容积式和吸收式,目前常用的容积式机组是活塞型和螺杆型,而吸收式机组以溴化锂机组为主要形式。
1.5 空气的净化空气净化指通过过滤的方式使空气中的含尘量达到环境要求。
目前常用的空气过滤器有3种类型:粘性填料过滤器、干式纤维过滤器、静电过滤器。
因第1种和第3种在制药空调中极少运用暂不作介绍。
现简单介绍干式纤维过滤器:(1)过滤器的材料与形式:过滤器的滤料有玻璃纤维、合成纤维、石棉纤维以及由这些纤维制成的滤纸和滤布,常用袋式和板式;(2)过滤器的滤尘原理:过滤器滤尘主要是通过拦截、惯性、扩散、重力和静电达到滤尘的目的;(3)空气过滤器的主要考核指标有4项:效率、阻力、容尘率和滤速:1)过滤器效率η% :是指在额定速风量下过滤器捕获的灰尘量和进入过滤器的灰尘量之比的百分数,所以此值越大越好。
(word完整版)确认与验证总计划1. 目的:确认与验证总计划,是公司进行确认与验证的纲领性文件,指导公司在各项验证过程中,有组织,有计划,有步骤的进行,使各项验证必须依据计划起草、审批和实施,确保验证工作能够顺利进行和验证的有效性,为保证产品质量提供可靠的保障和依据。
2. 范围:适用于本公司所有确认与验证工作。
具体包括:2。
1 厂房设施及公用系统的确认与验证。
分为四类,分别为:2。
1。
1 厂房与设施确认;2.1.2 HVAC(空调净化系统)系统验证;2。
1.3 纯化水系统验证;2。
1。
4 压缩空气系统验证。
2。
2 检验仪器确认(或校验)及检验方法验证。
2。
3 生产设备确认及主要生产设备验证.2。
4 产品生产工艺验证。
2.5 主要生产设备清洁验证。
3. 责任:验证委员会、验证小组、实施验证人员、验证方案的起草人、审核人及批准人对本计划负责。
4。
内容:4.1 方针:确认与验证总计划方针是通过确认与验证确立控制生产过程的运行标准,通过对已验证状态进行监控,控制整个工艺过程,确保质量,并不断通过验证、建标、监控、再验证、再建标的循环动态控制为指导方针.4。
2 术语和定义4.2.1 验证总计划(VMP):是项目工程整个验证计划的概述.验证总计划一般包括:项目概述、验证的范围、所遵循的法规标准,被验证的厂房设施、系统、生产工艺,验证的组织机构,验证合格的标准,验证文件管理要求,验证进度计划等内容。
4。
2。
2 确认:有文件证明厂房、设施、设备能正确运行并可达到预期结果的一系列活动. 4。
2.3 验证:有文件证明任何操作规程、生产工艺或系统能达到预期效果的一系列活动。
4.2。
4 验证计划:验证总计划需要将整个项目分成若干个系统,如空调系统、制药用水系统、压缩空气系统、灭菌、包装等,并按其特点编写验证计划以及验证方案。
验证计划依据验证总计划制订。
4。
2.5 验证方案(VP):一个阐述如何进行验证并确定验证合格标准的书面计划,包括验证项目、起草人、审核人、批准人、目的、范围、职责、验证合格标准、实施过程、取样计划、偏差和处理以及再验证周期和相关附件。
1 常用系统1.1 常规循环风系统图5-1是常见的净化空调系统。
图5-1 常见循环系统其特点是:(1)新风经过处理与回风混合送入洁净室新风过去都用粗效空气过滤器过滤。
这一做法现在已得到发展:新风本身经过粗效、中效和亚高效过滤器组合的新风处理装置(或称净化新风机组)的过滤。
这样做的结果大大减少了系统中有关部件——例如加热器、表冷器等——的堵塞,而堵塞现象曾造成室内新风量锐减、人员晕厥的事件发生。
净化空调系统新风量远大于一般空调系统,系统中尘粒的90%多来源于新风,而尘粒又是细菌的载体,富含细菌需要的营养,因此将给系统带来污染。
所以,新风处理是系统中的重要环节。
新风过滤采用粗效、中效、亚高效三级过滤是最理想的做法。
(2)在送风机之后、送风口之前,设有中效过滤器即中效过滤器应设于风机正压段,就连系统中的消声器也应放在它的前面。
这是因为这种中效过滤器又称预过滤器,是送风口上高效过滤器的保护者。
室内回风口上也必须设中效、最低为粗效的过滤器,这是防止系统和室内双向污染、气流倒灌、风口阻力微调和改善观瞻的需要。
(3)在送风口上设有亚高效或高效过滤器也就是说,亚高效或高效过滤器一般应设于最末端,这是净化系统区别于一般空调系统的最主要特征。
(4)净化系统一般设单风机而不设双风机因为双风机在回风系统阻力较小、系统阻力平衡设有做好或房间高度太高等情况下,容易在室内形成负压,而室内正压是大部分洁净室外所必须维持的。
1.2 全新风系统这是为有毒有害有味或粉尘严重的生产工艺设计的全部采用室外空气的系统,其能量消耗最大,见图画5-2。
画5-2 全新风系统其特点是:(1)全部空气量都来自室外,经过处理后送入室内。
(2)室内的回风口不是把空气吸回系统,而是送入排风管道,由排风机或再经处理排至室外,每个房间可以单独排放,也可以几个房间联合排放。
(3)排风量小于送风量时,室内保持正压,反之为负压。
1.3有连续局部排风的系统这是为车间内局部有污染(例如片剂车间的工艺粉尘)连续产生,在生产期间都要局部抽排而设计的,见图5-3。
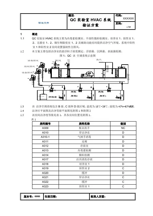
1 概述1.1 QC实验室HVAC系统主要为内毒素检测室、不溶性微粒检测室、培养室1、阳性室1、2、无菌室1、2、微生物限度室1、2及辅助功能房间提供洁净空气环境。
系统中阳性室1和阳性室2房间设置强制性全排风。
1.2本方案主要包括洁净室的悬浮粒子浓度测定、浮游菌、沉降菌、表面菌检测。
图1:QC 该空调系统示意图1.3该洁净空调系统包含B级、C级和D级区域。
温度为18℃~26℃,湿度为45%~65%RH。
1.4洁净区平面图及洁净等级平面图见附图1和附图21.5该房间洁净度等级见表1,其各房间位置见附图1。
1.6 悬浮粒子检测标准见表2表1.7 浮游菌、沉降菌限度标准见表31.8 表面菌检测标准见表42 目的2.1该方案用于QC实验室HV AC(J-1)系统的性能确认(PQ)。
2.2按照该方案执行PQ确认,确认空调净化系统能够连续、稳定地使洁净区的洁净度、温湿度、浮游菌、沉降菌、表面菌以及静压差符合设计标准及工艺的要求。
3 定义3.1 静态:指洁净室净化空调系统已处于正常运行状态,工艺设备已安装,在洁净室(或洁净区)内没有生产人员。
(中国药品生产验证指南(2003版))3.2 动态:指洁净厂房内有正常的生产活动,区域内人员处于正常工作,每个房间门处于关闭状态下的空调系统的正常运行状态。
(中国药品生产验证指南(2003版))4范围4.1 本方案应用于公司QC实验室HVAC(该)净化空调系统的性能确认。
本方案包含以下方面进行性能测试:悬浮粒子浓度测定、浮游菌、沉降菌、表面菌检测。
4.2 本次验证为QC洁净化空调系统新投入使用所控制的洁净区域进行静态、动态性能确认。
4.3 本文件描述了设备、检验程序及可接受标准、文件和参考文件,这些可以用来确定空调净化系统的操作符合公司的设计规范。
5 参考5.1 PIC/S(PE009-8 January 2009)Annex 1 Manufacture of sterile medicinal products 5.2 SOP 51-0095《QC洁净空调系统操作规程》0000版5.3 SOP 57-3001《洁净区沉降菌检测标准操作规程》0005版5.4 SOP 51-0085《SOLAR 3100RX悬浮粒子计数器使用及维护程序》0000版5.5 SOP 57-3003《洁净区浮游菌检测标准操作规程》0005版5.6 SOP 57-3004《洁净区表面菌检测标准操作规程》0007版5.7 SOP 51-0081《ATAS05060型浮游菌采集器使用及维护标准程序》0000版5.8 SOP 43-2005《QC洁净区清洁和维护程序》0000版5.9 《ISO14644-1/2》洁净室检测标准(国际标准)5.10 JGJ71-90 《洁净室施工及验收规范》1990年5.11 SOP 03-2001《制剂地洁净区环境监测管理规程》0006版5.12 SOP56-0002《QC实验室洁净区进出标准操作规程》(0003版)6 职责6.1 工程部6.1.1 负责起草验证方案和验证报告;6.1.2 负责实施批准执行的验证方案;6.1.3 负责收集各项验证数据、试验记录,形成验证报告;6.1.4 负责验证使用的仪器、仪表的校验,并提供相关校验记录。