安全培训考核合格证书式样及说明
- 格式:doc
- 大小:123.50 KB
- 文档页数:6
国家煤矿安全监察局关于印发《煤矿主要负责人、安全生产管理人员培训大纲及考核标准》的通知(煤安监人字[2003]78号)各煤矿安全监察局及北京、新疆生产建设兵团煤矿安全监察办事处,有关省、自治区负责煤矿安全监察工作的部门:为提高煤矿主要负责人、安全生产管理人员的安全生产素质和安全管理水平,依据《安全生产法》和国家安全生产监督管理局(国家煤矿安全监察局)《关于生产经营单位主要负责人、安全生产管理人员及其他从业人员安全生产培训考核工作的意见》(安监管人字〔2 002〕123号),国家煤矿安全监察局在煤安监人字〔2001〕100号文件印发的《煤炭企业主要经营管理者安全培训教学大纲》、《煤炭企业安全专职管理人员安全培训教学大纲》基础上,研究制定了《煤矿主要负责人、安全生产管理人员培训大纲及考核标准》,现予以印发,请遵照执行。
《煤炭企业主要经营管理者安全培训教学大纲》和《煤炭企业安全专职管理人员安全培训教学大纲》同时废止。
煤矿主要负责人、安全生产管理人员安全资格证书按照国家安全生产监督管理局制定的生产经营单位主要负责人和安全生产管理人员安全资格证书的式样(以安监管司办字〔200 3〕4号文件印发)执行,全国统一式样,由省级煤矿安全监察机构制作发放。
《煤炭企业主要经营管理者安全资格证书》自本通知下发之日起停止发放,已颁发的证书在有效期内可继续使用,也可直接更换为新式样的安全资格证书。
二00三年八月二十二日煤矿主要负责人安全培训大纲本大纲规定了煤矿(含煤系硫铁矿以及与煤共生、伴生矿山,以下统称煤矿)主要负责人安全生产培训的目的、要求和培训内容。
1.培训对象煤矿主要负责人。
2.培训目的通过培训,使培训对象熟悉国家有关安全生产的法律、法规、规章、规程、标准和技术规范,掌握煤矿安全管理、安全技术理论(以“一通三防”为主)以及煤矿重大灾害事故防范、抢险救灾的专业知识;了解煤炭工业环境保护与职业危害防治的知识;具备较强的煤矿安全生产规划、组织、管理能力和重大事故应急救援的组织、指挥能力,能依靠科技进步改善煤矿的安全生产条件,达到《煤矿主要负责人安全生产考核标准》的要求。
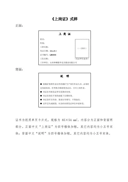
《上岗证》式样正面:背面:证书为纸质单页卡片式,规格为85×54 mm2。
内容分为正面和背面两部分。
正面中文“上岗证”为四号楷体加粗,其它内容均为小五号宋体;背面中文“说明”为四号楷体加粗,其它内容均为小五号宋体。
关于规范煤矿从业人员《上岗证》管理工作的通知各市煤炭工业局、国有重点煤炭集团公司,平朔煤炭工业公司,山西晋能集团公司,山西煤炭进出口集团公司,山西正华实业集团有限公司:按照国家和我省有关煤矿从业人员安全培训和持证上岗有关管理规定,为进一步加强煤矿从业人员岗前培训,规范证书管理,结合新修订实施的《山西省煤炭工业厅煤矿安全生产培训管理办法》及配套实施细则,省厅制定了煤矿从业人员《上岗证》式样,现印发给你们,并就有关事宜通知如下:一、岗前培训和持证上岗要求1、按照《山西省煤炭工业厅煤矿安全生产培训管理办法》及配套实施细则有关规定,煤矿生产作业人员应当接受岗前培训,经考核合格取得《上岗证》后,方可上岗作业,切实做到“上什么岗、持什么证”。
2、对于煤矿特种作业人员,从事煤矿特种作业岗位操作,取得相应作业类别的《特种作业操作证》即可上岗作业;如从事其他生产岗位作业,必须经岗前培训合格,取得相应岗位工种的《上岗证》,方可上岗作业。
3、对于煤矿班组长,如从事煤矿特种作业以外的生产岗位作业,也必须经岗前培训合格,取得相应岗位工种的《上岗证》,方可上岗作业。
4、煤矿从业人员的岗前培训、考核、发证,由所在煤矿负责管理;培训、考核、发证工作的具体组织实施按照《山西省煤炭工业厅煤矿安全生产培训管理办法》及《山西省煤炭工业厅煤矿企业其他从业人员安全生产培训实施细则》有关规定执行。
二、证书式样及有关要求1、证书印制材料和规格。
证书为纸质单页卡片式,规格为85×54 mm2。
内容分为正面和背面两部分。
正面中文“上岗证”为四号楷体加粗,其它内容均为小五号宋体;背面中文“说明”为四号楷体加粗,其它内容均为小五号宋体。
国家安全监管总局办公厅关于印发危险化学品安全使用许可文书和许可证样式及说明的通知文章属性•【制定机关】•【公布日期】2013.04.28•【文号】安监总厅管三[2013]53号•【施行日期】2013.04.28•【效力等级】部门规范性文件•【时效性】失效•【主题分类】正文国家安全监管总局办公厅关于印发危险化学品安全使用许可文书和许可证样式及说明的通知(安监总厅管三〔2013〕53号)各省、自治区、直辖市及新疆生产建设兵团安全生产监督管理局:根据《危险化学品安全使用许可证实施办法》(国家安全监管总局令第57号)的有关规定,我局编制了《危险化学品安全使用许可证申请书》、《危险化学品安全使用许可证审查书》、《危险化学品安全使用许可证延期申请书》、《危险化学品安全使用许可证变更申请书》、《危险化学品安全使用许可证申请材料补正告知书》、《危险化学品安全使用许可证申请受理通知书》、《危险化学品安全使用许可证现场核查通知书》、《危险化学品安全使用许可证申请不予受理通知书》、《危险化学品安全使用许可证不予颁发通知书》等9种文书和《危险化学品安全使用许可证样式及说明》(上述文书及样式电子文本请从国家安全监管总局政府网站下载)。
现印发给你们,请督促危险化学品安全使用许可证发证机关自行印制使用。
附件:1.《危险化学品安全使用许可证申请书》2.《危险化学品安全使用许可证审查书》3.《危险化学品安全使用许可证延期申请书》4.《危险化学品安全使用许可证变更申请书》5.《危险化学品安全使用许可证申请材料补正告知书》6.《危险化学品安全使用许可证申请受理通知书》7.《危险化学品安全使用许可证现场核查通知书》8.《危险化学品安全使用许可证申请不予受理通知书》9.《危险化学品安全使用许可证不予颁发通知书》10.《危险化学品安全使用许可证(正、副本)式样及说明》(略)国家安全监管总局办公厅2013年4月28日附件1申请编号:受理编号:申请日期:受理日期:危险化学品安全使用许可证申请书申请单位经办人联系电话填写日期国家安全生产监督管理总局制样填写说明一、本申请书封面“申请编号”、“申请日期”、“受理编号”、“受理日期”由发证机关经办人填写,本申请书的其他内容由申请安全使用许可证的单位填写。
《上岗证》式样正面:背面:证书为纸质单页卡片式,规格为85×54 mm2。
内容分为正面和背面两部分。
正面中文“上岗证”为四号楷体加粗,其它内容均为小五号宋体;背面中文“说明”为四号楷体加粗,其它内容均为小五号宋体。
关于规范煤矿从业人员《上岗证》管理工作的通知各市煤炭工业局、国有重点煤炭集团公司,平朔煤炭工业公司,山西晋能集团公司,山西煤炭进出口集团公司,山西正华实业集团有限公司:按照国家和我省有关煤矿从业人员安全培训和持证上岗有关管理规定,为进一步加强煤矿从业人员岗前培训,规范证书管理,结合新修订实施的《山西省煤炭工业厅煤矿安全生产培训管理办法》及配套实施细则,省厅制定了煤矿从业人员《上岗证》式样,现印发给你们,并就有关事宜通知如下:一、岗前培训和持证上岗要求1、按照《山西省煤炭工业厅煤矿安全生产培训管理办法》及配套实施细则有关规定,煤矿生产作业人员应当接受岗前培训,经考核合格取得《上岗证》后,方可上岗作业,切实做到“上什么岗、持什么证”。
2、对于煤矿特种作业人员,从事煤矿特种作业岗位操作,取得相应作业类别的《特种作业操作证》即可上岗作业;如从事其他生产岗位作业,必须经岗前培训合格,取得相应岗位工种的《上岗证》,方可上岗作业。
3、对于煤矿班组长,如从事煤矿特种作业以外的生产岗位作业,也必须经岗前培训合格,取得相应岗位工种的《上岗证》,方可上岗作业。
4、煤矿从业人员的岗前培训、考核、发证,由所在煤矿负责管理;培训、考核、发证工作的具体组织实施按照《山西省煤炭工业厅煤矿安全生产培训管理办法》及《山西省煤炭工业厅煤矿企业其他从业人员安全生产培训实施细则》有关规定执行。
二、证书式样及有关要求1、证书印制材料和规格。
证书为纸质单页卡片式,规格为85×54 mm2。
内容分为正面和背面两部分。
正面中文“上岗证”为四号楷体加粗,其它内容均为小五号宋体;背面中文“说明”为四号楷体加粗,其它内容均为小五号宋体。
特种作业人员安全技术培训考核管理规定第一章总则第一条为了规范特种作业人员的安全技术培训考核工作,提高特种作业人员的安全技术水平,防止和减少伤亡事故,根据《安全生产法》、《行政许可法》等有关法律、行政法规,制定本规定。
第二条生产经营单位特种作业人员的安全技术培训、考核、发证、复审及其监督管理工作,适用本规定。
有关法律、行政法规和国务院对有关特种作业人员管理另有规定的,从其规定。
第三条本规定所称特种作业,是指容易发生事故,对操作者本人、他人的安全健康及设备、设施的安全可能造成重大危害的作业。
特种作业的范围由特种作业目录规定。
本规定所称特种作业人员,是指直接从事特种作业的从业人员。
第四条特种作业人员应当符合下列条件:(一)年满18周岁,且不超过国家法定退休年龄;(二)经社区或者县级以上医疗机构体检健康合格,并无妨碍从事相应特种作业的器质性心脏病、癫痫病、美尼尔氏症、眩晕症、癔病、震颤麻痹症、精神病、痴呆症以及其他疾病和生理缺陷;(三)具有初中及以上文化程度;(四)具备必要的安全技术知识与技能;(五)相应特种作业规定的其他条件。
危险化学品特种作业人员除符合前款第(一)项、第(二)项、第(四)项和第(五)项规定的条件外,应当具备高中或者相当于高中及以上文化程度。
第五条特种作业人员必须经专门的安全技术培训并考核合格,取得《中华人民共和国特种作业操作证》(以下简称特种作业操作证)后,方可上岗作业。
第六条特种作业人员的安全技术培训、考核、发证、复审工作实行统一监管、分级实施、教考分离的原则。
第七条国家安全生产监督管理总局(以下简称安全监管总局)指导、监督全国特种作业人员的安全技术培训、考核、发证、复审工作;省、自治区、直辖市人民政府安全生产监督管理部门指导、监督本行政区域特种作业人员的安全技术培训工作,负责本行政区域特种作业人员的考核、发证、复审工作;县级以上地方人民政府安全生产监督管理部门负责监督检查本行政区域特种作业人员的安全技术培训和持证上岗工作。
国务院安委会关于进一步加强安全培训工作的决定安委〔2012〕10号各省、自治区、直辖市人民政府,新疆生产建设兵团,国务院安委会各成员单位,各中央企业:为提高企业从业人员安全素质和安全监管监察效能,防止和减少违章指挥、违规作业和违反劳动纪律(以下简称“三违”)行为,促进全国安全生产形势持续稳定好转,现就进一步加强安全培训工作作出如下决定:一、加强安全培训工作的重要意义和总体要求(一)重要意义。
党中央、国务院高度重视安全培训工作,安全培训力度不断加大,企业职工安全素质和安全监管监察人员执法能力明显提高。
但一些地区和单位安全培训工作仍然存在着思想认识不到位、责任落实不到位、实效性不强、投入不足、基础工作薄弱、执法偏轻偏软等问题,给安全生产带来较大压力。
实践表明,进一步加强安全培训工作,是落实党的十八大精神,深入贯彻科学发展观,实施安全发展战略的内在要求;是强化企业安全生产基础建设,提高企业安全管理水平和从业人员安全素质,提升安全监管监察效能的重要途径;是防止“三违”行为,不断降低事故总量,遏制重特大事故发生的源头性、根本性举措。
(二)总体思路。
深入贯彻落实科学发展观,认真落实党中央、国务院关于加强安全生产工作的决策部署,牢固树立“培训不到位是重大安全隐患”的意识,坚持依法培训、按需施教的工作理念,以落实持证上岗和先培训后上岗制度为核心,以落实企业安全培训主体责任、提高企业安全培训质量为着力点,全面加强安全培训基础建设,严格安全培训监察执法和责任追究,扎实推进安全培训内容规范化、方式多样化、管理信息化、方法现代化和监督日常化,努力实施全覆盖、多手段、高质量的安全培训,切实减少“三违”行为,促进全国安全生产形势持续稳定好转。
(三)工作目标。
到“十二五”时期末,矿山、建筑施工单位和危险物品生产、经营、储存等高危行业企业(以下简称高危企业)主要负责人、安全管理人员和生产经营单位特种作业人员(以下简称“三项岗位”人员)100%持证上岗,以班组长、新工人、农民工为重点的企业从业人员100%培训合格后上岗,各级安全监管监察人员100%持行政执法证上岗,承担安全培训的教师100%参加知识更新培训,安全培训基础保障能力和安全培训质量得到明显提高。
安全生产考核合格证书考试1、安全生产考核合格证书属于什么类别B证是项目负责人安全证也就是项目经理的安全证这个是必须有的,A证是企业主要负责人(如经理副经理主管安全生产的经理)的安全证。
一般投标不做要求。
办安全生产许可证时要求有。
2、什么是三类人员安全生产考核证?三类人员安全生产考核证是:办理安全生产许可证时使用的A、百B、C三种证书。
1、企业主要负责人(A证):企业法定代表人或总经理,企业分管安全生产工作的副总经理等。
2、项目负责人(B证):是指取得注册建造师执业资格,由企业法人授权,度负责建设工程项目管理的负责人等。
3、专职安全生产管理人员(C证):是指在企业专职从事安全生产管理工作的人员,包括企业安全生产管理机构的负责人及其专职工作人员和施工现场专职安全生产管理人员。
(2)安全生产考核合格证书考试扩展资料职责定位问1、建筑施工企业主要负责人,是指对本企业日常生产经营答活动和安全生产工作全面负责、有生产经营决策权的人员,包括企业法专定代表人、经理、企业分管安全生产工作的副经理等。
2、建筑施工企业项目负责人,是指由企业法定代表人授权,负责建设工程项目管理的负责人等。
3、建筑施工企业专职安全生产管理人员,是指在企业专职从事安全生产管理工作的人员,包括企业安全生产管理机构的负责人及其工作人员和施工现场专职安全生产管理人员。
属以上人员证书中编号分别用A、B、C区别,简称A类人员、B类人员、C类人员。
3、安全生产考核合格证书和安全资格证书是一个证书吗?不是一个证~~~~从事安全管理工作,需要持有复对应行业的安全管理资格证,常规生产制行业是在当地安全生产监督管理局学习、考核、办证(特殊行业在外);安全生产考核合格证百书,这类证书,很多政府部门与培训机构都在发放,其意义为已经完成相应学习与考核度工作,具备安全生产管理能力。
这感觉有点像汽车驾驶学习,取得驾校的考核合格证知后,只能说明你具备开车的能力,想要合法开车,你还必须有驾驶道证才行~4、安全生产考核合格证是指哪些安全生产考核合格证是指:建筑施工企业安全生产许可证、建筑施工企业主要负责人、项目负责人和专职安全生产管理人员安全生产考核合格证书(以下简称“三类人员”安全生产考核合格证)。
特种作业人员安全技术培训考核管理规定(安监总局30号令)特种作业人员安全技术培训考核管理规定国家安全生产监督管理总局令第30号《特种作业人员安全技术培训考核管理规定》已经2010年4月26日国家安全生产监督管理总局局长办公会议审议通过,现予以公布,自2010年7月1日起施行。
1999年7月12日原国家经济贸易委员会发布的《特种作业人员安全技术培训考核管理办法》同时废止。
局长骆琳二○一○年五月二十四日特种作业人员安全技术培训考核管理规定第一章总则第一条为了规范特种作业人员的安全技术培训考核工作,提高特种作业人员的安全技术水平,防止和减少伤亡事故,根据《安全生产法》、《行政许可法》等有关法律、行政法规,制定本规定。
第二条生产经营单位特种作业人员的安全技术培训、考核、发证、复审及其监督管理工作,适用本规定。
有关法律、行政法规和国务院对有关特种作业人员管理另有规定的,从其规定。
第三条本规定所称特种作业,是指容易发生事故,对操作者本人、他人的安全健康及设备、设施的安全可能造成重大危害的作业。
特种作业的范围由特种作业目录规定。
本规定所称特种作业人员,是指直接从事特种作业的从业人员。
第四条特种作业人员应当符合下列条件:(一)年满18周岁,且不超过国家法定退休年龄;(二)经社区或者县级以上医疗机构体检健康合格,并无妨碍从事相应特种作业的器质性心脏病、癫痫病、美尼尔氏症、眩晕症、癔病、震颤麻痹症、精神病、痴呆症以及其他疾病和生理缺陷;(三)具有初中及以上文化程度;(四)具备必要的安全技术知识与技能;(五)相应特种作业规定的其他条件。
危险化学品特种作业人员除符合前款第(一)项、第(二)项、第(四)项和第(五)项规定的条件外,应当具备高中或者相当于高中及以上文化程度。
第五条特种作业人员必须经专门的安全技术培训并考核合格,取得《中华人民共和国特种作业操作证》(以下简称特种作业操作证)后,方可上岗作业。
第六条特种作业人员的安全技术培训、考核、发证、复审工作实行统一监管、分级实施、教考分离的原则。
特种作业操作证特种作业操作证,由国家安全生产监督管理总局统一式样、标准及编号(但特种设备操作资格证格式与此不同)。
特种作业操作证有效期为6年,3年一复审,在全国范围内有效。
特种作业证件至少有安监总局、质检总局、建设部考核并发证。
特种作业操作证如何获得中文名特种作业操作证颁发机构国家安全生产监督管理总局外文名rtificates forspecialoperations规格85.5×54 mm2,厚度为0.8mm目录1法律规定2作业目录电工作业焊接热切割高处作业煤矿安全作业矿山安全石油天然气冶金生产危险化学品烟花爆竹3人员条件4注意事项5新证介绍1法律规定编辑特种作业证件至少有安监总局、质检总局、建设部考核并发证:1、国家安监总局《特种作业人员安全技术培训考核管理规定》国家安全生产监督管理总局第30号令规定:特种作业:是指容易发生事故,对操作者本人、他人的安全健康及设备、设施的安全可能造成重大危害的作业。
特种作业的范围由特种作业目录规定。
本规定所称特种作业人员,是指直接从事特种作业的从业人员。
特种作业人员所持证件为特种作业操作证。
2、《特种设备安全监察条例》规定:锅炉、压力容器、压力管道、电梯、起重机械、客运索道、大型游乐设施、场(厂)内专用机动车辆的作业人员及其相关管理人员(以下统称特种设备作业人员),应当按照国家有关规定经特种设备安全监督管理部门考核合格,取得国家统一格式的特种作业人员证书,方可从事相应的作业或者管理工作。
国家质检总局下属地方质量技术监督局颁发《特种设备作业人员证》。
3、建设部《建筑施工特种作业人员管理规定》规定:建筑施工特种作业人员是指在房屋建筑和市政工程施工活动中,从事可能对本人、他人及周围设备设施的安全造成重大危害作业的人员。
建筑施工特种作业人员必须经建设主管部门考核合格,取得建筑施工特种作业人员操作资格证书(以下简称“资格证书”),方可上岗从事相应作业。
特种作业人员必须经专门的安全技术培训并考核合格,取得《中华人民共和国特种作业操作证》(以下简称特种作业操作证)后,方可上岗作业。
附件安全合格证、特种作业操作证式样和规范一、式样及填写说明(一)安全合格证1.式样正面背面(1)实体证书材料与规格:PVC;卡面85.5mm×54mm,厚度0.8mm。
(2)色调:渐变绿色。
(3)底纹:正面底纹圆形图形,背面底纹长方形图形。
(4)图案:正面印应急管理部英文名“Ministry of Emergency Management”缩写“MEM”图案。
(5)表面印刷:背面证书名称“安全生产知识和管理能力考核合格证”分两行印制于中心位置。
“中华人民共和国应急管理部监制”和部网址“”并排印制于证书名称下方,使用“|”符号隔离。
(6)记载信息:证号、姓名、性别、人员类型、行业类别、初领日期、有效期限、签发机关、本人照片和二维码等10项信息。
2.示例和规范- 2 -3.填写说明(1)证号:居民身份证号码(无居民身份证者,如军人等用有效法定身份证件的编号代替)。
(2)姓名:据实填写,须与取证人身份证件记载信息一致。
(3)性别:据实填写,须与取证人身份证件记载信息一致。
(4)人员类型:填写主要负责人或安全生产管理人员。
(5)行业类别:严格按照全国统一考试题库分类,填写取证人申请的行业类别。
(6)初领日期:填写取证人第一次领取该类证书时间。
格式统一为yyyy-mm-dd,如:2018-09-20。
(7)有效期限:填写证书有效起止日期。
格式统一为yyyy-mm-dd至yyyy-mm-dd,如:2018-09-20至2021-09-19。
(8)签发机关:填写证书核发部门全称或规范简称。
(9)照片:近期清晰半身免冠彩照。
(10)二维码:通过统一配发的二维码编辑系统生成。
(二)特种作业操作证1.式样正面背面(1)实体证书材料与规格:PVC;卡面85.5mm×54mm,厚度0.8mm。
(2)色调:渐变蓝色。
(3)底纹:正背面底纹均为等边三角形图形。
(4)图案:正面印应急管理部英文名“Ministry of Emergency Management”缩写“MEM”图案。
特种作业操作证特种作业操作证,由国家安全生产监督管理总局统一式样、标准及编号(但特种设备操作资格证格式与此不同)。
特种作业操作证有效期为6年,3年一复审,在全国范围内有效。
特种作业证件至少有安监总局、质检总局、建设部考核并发证。
特种作业操作证如何获得中文名特种作业操作证颁发机构国家安全生产监督管理总局外文名rtificates forspecialoperations规格85.5×54 mm2,厚度为0.8mm目录1法律规定2作业目录电工作业焊接热切割高处作业煤矿安全作业矿山安全石油天然气冶金生产危险化学品烟花爆竹3人员条件4注意事项5新证介绍1法律规定编辑特种作业证件至少有安监总局、质检总局、建设部考核并发证:1、国家安监总局《特种作业人员安全技术培训考核管理规定》国家安全生产监督管理总局第30号令规定:特种作业:是指容易发生事故,对操作者本人、他人的安全健康及设备、设施的安全可能造成重大危害的作业。
特种作业的范围由特种作业目录规定。
本规定所称特种作业人员,是指直接从事特种作业的从业人员。
特种作业人员所持证件为特种作业操作证。
2、《特种设备安全监察条例》规定:锅炉、压力容器、压力管道、电梯、起重机械、客运索道、大型游乐设施、场(厂)内专用机动车辆的作业人员及其相关管理人员(以下统称特种设备作业人员),应当按照国家有关规定经特种设备安全监督管理部门考核合格,取得国家统一格式的特种作业人员证书,方可从事相应的作业或者管理工作。
国家质检总局下属地方质量技术监督局颁发《特种设备作业人员证》。
3、建设部《建筑施工特种作业人员管理规定》规定:建筑施工特种作业人员是指在房屋建筑和市政工程施工活动中,从事可能对本人、他人及周围设备设施的安全造成重大危害作业的人员。
建筑施工特种作业人员必须经建设主管部门考核合格,取得建筑施工特种作业人员操作资格证书(以下简称“资格证书”),方可上岗从事相应作业。
特种作业人员必须经专门的安全技术培训并考核合格,取得《中华人民共和国特种作业操作证》(以下简称特种作业操作证)后,方可上岗作业。
特种作业人员安全技术培训考核管理规定第一章总则第一条为了规范特种作业人员的安全技术培训考核工作,提高特种作业人员的安全技术水平,防止和减少伤亡事故,根据《安全生产法》、《行政许可法》等有关法律、行政法规,制定本规定。
第二条生产经营单位特种作业人员的安全技术培训、考核、发证、复审及其监督管理工作,适用本规定。
有关法律、行政法规和国务院对有关特种作业人员管理另有规定的,从其规定。
第三条本规定所称特种作业,是指容易发生事故,对操作者本人、他人的安全健康及设备、设施的安全可能造成重大危害的作业。
特种作业的范围由特种作业目录规定。
本规定所称特种作业人员,是指直接从事特种作业的从业人员。
第四条特种作业人员应当符合下列条件:(一)年满18周岁,且不超过国家法定退休年龄;(二)经社区或者县级以上医疗机构体检健康合格,并无妨碍从事相应特种作业的器质性心脏病、癫痫病、美尼尔氏症、眩晕症、癔病、震颤麻痹症、精神病、痴呆症以及其他疾病和生理缺陷;(三)具有初中及以上文化程度;(四)具备必要的安全技术知识与技能;(五)相应特种作业规定的其他条件。
危险化学品特种作业人员除符合前款第(一)项、第(二)项、第(四)项和第(五)项规定的条件外,应当具备高中或者相当于高中及以上文化程度。
第五条特种作业人员必须经专门的安全技术培训并考核合格,取得《中华人民共和国特种作业操作证》(以下简称特种作业操作证)后,方可上岗作业。
第七条国家安全生产监督管理总局(以下简称安全监管总局)指导、监督全国特种作业人员的安全技术培训、考核、发证、复审工作;省、自治区、直辖市人民政府安全生产监督管理部门负责本行政区域特种作业人员的安全技术培训、考核、发证、复审工作。
国家煤矿安全监察局(以下简称煤矿安监局)指导、监督全国煤矿特种作业人员(含煤矿矿井使用的特种设备作业人员)的安全技术培训、考核、发证、复审工作;省、自治区、直辖市人民政府负责煤矿特种作业人员考核发证工作的部门或者指定的机构负责本行政区域煤矿特种作业人员的安全技术培训、考核、发证、复审工作。
安全生产证件
《安全生产证件》
安全生产是一项重要的工作,而安全生产证件则是保障安全生产工作的重要保障。
安全生产证件是指在进行生产活动中,用以证明从业人员具备一定的安全生产知识和技能的相关证件,以及企业、场所所需的相关安全生产管理证件。
在我国,安全生产证件包括但不限于安全生产培训合格证、安全生产考核合格证、安全生产管理培训合格证、特种作业证和安全生产许可证等。
这些证件是从业人员和企业在进行生产活动时必须具备的,也是承担相应安全生产责任的重要凭证。
首先,安全生产证件可以规范从业人员的行为。
持有安全生产证件的从业人员通常经过一定的安全生产知识培训和技能考核,具备了一定的安全生产能力和素质。
这样可以有效地规范从业人员的行为举止,提高从业人员的安全防范意识和技能水平。
其次,安全生产证件可以提高企业安全管理水平。
企业持有相关安全生产管理证件,就意味着企业在安全生产管理方面有一定的规范和标准,能够有效地提高企业的生产安全水平,减少事故和灾害的发生。
最后,安全生产证件可以增强社会公众对企业的信任。
持有安全生产许可证的企业往往会受到社会公众的认可和信任,因为这些证件是企业在安全生产方面合法合规的表现,也是企业能够为社会公众提供安全产品和服务的保障。
总的来说,安全生产证件是安全生产工作中的重要一环,是保障从业人员和企业安全生产的重要凭证。
我们应该充分重视安全生产证件,持证上岗、讲证明责,切实做好安全生产工作,保障人民群众的生命财产安全。
特种作业人员培训考核管理办法特种作业人员培训考核管理办法第一章总则第一条【立法宗旨】为规范特种作业人员培训、考核、发证和监督管理工作,防止人员伤亡事故,促进安全生产,根据《中华人民共和国行政许可法》、《中华人民共和国安全生产法》和有关法律、行政法规的规定,制定本办法。
第二条【适用范围】本办法适用于中华人民共和国领域内涉及特种作业的单位和人员。
有关法律、行政法规和国务院另有规定的,适用其规定。
第三条【特种作业定义】本办法所指特种作业是指容易发生人员伤亡事故,对操作者本人、他人及周围设施的安全可能造成重大危害的作业。
特种作业包括:(一)电工作业;(二)焊接与热切割作业;(三)企业内机动车辆作业;(四)制冷与空调作业;(五)高处作业;(六)爆破作业;(七)矿山作业;(八)危险化学品作业;(九)烟花爆竹作业;(十)民用爆破器材作业;(十一)起重机械作业;(十二)电梯作业;(十三)锅炉作业;(十四)压力容器作业;(十五)压力管道运行操作作业;(十六)锅炉压力容器压力管道无损检测作业;(十七)客运索道作业;(十八)大型游乐设施作业;(十九)经国家安监总局认定的其他作业。
第四条【特种作业人员定义及其从业条件】特种作业人员是指直接从事特种作业的人员。
特种作业人员须同时满足以下基本条件:(一)年龄男性满18周岁,不超过60周岁,女性满18周岁,不超过55周岁;(二)经县级及以上医院体检合格,无妨碍从事相应特种作业的疾病和生理缺陷;(三)初中及以上学历;(四)符合相应特种作业需要的其他条件。
第五条【持证上岗要求】特种作业人员须经专门培训和考核合格,并取得特种作业操作资格证书,方可上岗从事相应作业。
生产经营单位招用劳动者从事特种作业工作,必须从取得相应特种作业操作资格证书的人员中选用。
第六条【培训、考核、发证基本原则】特种作业人员培训、考核、发证工作实行统一规划、归口管理、教考分离的原则,谁考核、谁发证、谁负责。
第七条【职能划分】根据特种作业类别的特点和有关法律、行政法规的规定,特种作业人员安全作业培训、考核、发证职责分工如下:(一)公安部依法组织、指导并监督民用爆破器材作业人员、爆破作业人员(不含岩土爆破和煤矿井下爆破作业人员)和烟花爆竹燃放作业人员安全作业培训、考核、发证工作;(二)交通部依法组织、指导并监督危险化学品、民用爆破器材、烟花爆竹押运作业人员安全作业培训、考核、发证工作;(三)质检总局依据《特种设备安全监察条例》,组织、指导并监督全国特种设备作业人员(锅炉、压力容器、电梯、起重机械、客运索道、大型游乐设施的作业人员及其相关管理人员,不含房屋建筑工地和市政工程工地用起重机械和煤矿矿井使用的特种设备作业人员)安全作业培训、考核、发证工作;(四)国家安监总局依法组织、指导和监督全国除上述以外的特种作业人员安全作业培训、、考核、发证工作,并对全国各类特种作业人员培训、、考核、发证工作实施综合监管。
国家安全生产监督管理总局令第30号《特种作业人员安全技术培训考核管理规定》已经2010年4月26日国家安全生产监督管理总局局长办公会议审议通过,现予以公布,自2010年7月1日起施行。
1999年7月12日原国家经济贸易委员会发布的《特种作业人员安全技术培训考核管理办法》同时废止。
局长骆琳二○一○年五月二十四日特种作业人员安全技术培训考核管理规定第一章总则第一条为了规范特种作业人员的安全技术培训考核工作,提高特种作业人员的安全技术水平,防止和减少伤亡事故,根据《安全生产法》、《行政许可法》等有关法律、行政法规,制定本规定。
第二条生产经营单位特种作业人员的安全技术培训、考核、发证、复审及其监督管理工作,适用本规定。
有关法律、行政法规和国务院对有关特种作业人员管理另有规定的,从其规定。
第三条本规定所称特种作业,是指容易发生事故,对操作者本人、他人的安全健康及设备、设施的安全可能造成重大危害的作业。
特种作业的范围由特种作业目录规定。
本规定所称特种作业人员,是指直接从事特种作业的从业人员。
第四条特种作业人员应当符合下列条件:(一)年满18周岁,且不超过国家法定退休年龄;(二)经社区或者县级以上医疗机构体检健康合格,并无妨碍从事相应特种作业的器质性心脏病、癫痫病、美尼尔氏症、眩晕症、癔病、震颤麻痹症、精神病、痴呆症以及其他疾病和生理缺陷;(三)具有初中及以上文化程度;(四)具备必要的安全技术知识与技能;(五)相应特种作业规定的其他条件。
危险化学品特种作业人员除符合前款第(一)项、第(二)项、第(四)项和第(五)项规定的条件外,应当具备高中或者相当于高中及以上文化程度。
第五条特种作业人员必须经专门的安全技术培训并考核合格,取得《中华人民共和国特种作业操作证》(以下简称特种作业操作证)后,方可上岗作业。
第六条特种作业人员的安全技术培训、考核、发证、复审工作实行统一监管、分级实施、教考分离的原则。
第七条国家安全生产监督管理总局(以下简称安全监管总局)指导、监督全国特种作业人员的安全技术培训、考核、发证、复审工作;省、自治区、直辖市人民政府安全生产监督管理部门负责本行政区域特种作业人员的安全技术培训、考核、发证、复审工作。
安全生产标准化证书安全生产标准化证书是企业安全生产管理的重要证明,是企业安全生产管理水平的体现。
获得安全生产标准化证书,意味着企业在安全生产管理方面达到了一定的标准化水平,能够有效预防和控制事故风险,保障员工的生命安全和身体健康,同时也有利于提高企业的生产效率和经济效益。
首先,安全生产标准化证书的获得需要企业全面推行安全生产责任制,建立健全安全生产管理体系,明确安全生产的各项责任和义务。
企业要建立健全安全生产管理机构,配备专业的安全管理人员,制定安全操作规程和应急预案,加强安全生产培训,提高员工的安全意识和自我保护能力。
其次,企业需要加强安全生产设施和设备的管理和维护,确保设施设备的完好性和安全性。
定期进行设施设备的检查和维护,及时消除安全隐患,确保生产设备的正常运行,提高生产效率,降低事故风险。
另外,企业还应建立健全安全生产的监测和评估机制,定期对安全生产管理工作进行评估和检查,发现问题及时整改,不断改进安全生产管理工作,提高安全生产管理水平。
同时,安全生产标准化证书的获得还需要企业积极参与相关的安全生产标准化认证工作,配合相关部门的检查和评估工作,确保企业安全生产管理工作符合国家相关的法律法规和标准要求,取得安全生产标准化证书。
总之,安全生产标准化证书的获得对企业而言意义重大,不仅是企业安全生产管理水平的体现,也是企业对员工生命安全和身体健康的保障,同时也有利于提高企业的生产效率和经济效益。
因此,企业应该高度重视安全生产管理工作,全面推行安全生产责任制,加强安全生产设施设备的管理和维护,建立健全安全生产的监测和评估机制,积极参与安全生产标准化认证工作,努力提高安全生产管理水平,确保员工的生命安全和身体健康,为企业的可持续发展创造良好的生产环境和社会形象。
安全生产考核人员合格证书1、安全生产考核合格证书什么意思你这个说的有点笼统,能用安全生产百考核合格证书这个说法的,比较常见有两种情况:1、员工上岗前要经过三级安全教育,并经考核合格后上岗,要为其建立安全培训登记卡,也可以叫做安全生产考核合格证书;2、企业的主要负责人、安全生产管度理人员,按照安监总局第3号令《生产经营单位安全培训规定问》的规定,应经过上级主管部门对其安全生产知识和管理能力考核合格后任职。
之前是要求考核合格后发放安全资格证书,2015年5月29日安监总局80号令对其进行了修订,其答中第二十四条规定,“ 煤矿、非煤矿山、危险化学品、烟花爆竹、金属冶炼等生产经营单位主要负责人和安全生产管理人员,自任职之日起6个月内,必须经安全生产监管内监察部门对其安全生产知识和管理能力考核合格。
”不再发放安全资格证书。
但是,2015年9月,安监总局发布了安监总厅宣教〔2015〕94号文《关于印发安全生产知识和管理能力考核容合格证式样的通知》,可能近期会实行发放考核合格证,只是各省市还没真正实施。
2、求助:如何办理安全生产考核合格证书“三类人员”应先参加安全生产知识培训考试,考试成绩合格后方可申请个人《安全生产考核合格证书》。
一、三类人员应具备的条件(一)为建筑施工企业的在职人员;(二)A类人员:建筑施工企业主要负责人。
是指对本企业日常生产经营活动和安全生产工作全面负责、有生产经营决策权的人员,包括企业法定代表人、经理、企业分管安全生产工作的副经理等,应具有大专以上学历、中级以上职称或5年以上从事建筑施工安全生产管理工作经历。
B类人员:建筑施工企业项目负责人,是指具有注册建造师执业资格或项目经理资质,并由企业法定代表人授权,负责建设工程项目管理的负责人等,应具有中专或高中以上学历,工程类初级以上职称。
C类人员:建筑施工企业专职安全生产管理人员,是指在企业专职从事安全生产管理工作的人员,包括企业安全生产管理机构的负责人及其工作人员和施工现场专职安全生产管理人员,应具有初级以上职称。
附件1
安全培训考核合格证书式样及说明一、安全培训考核合格证书式样
安全培训考核合格证书
单位名称
员工姓名
证书编号
所属县市区
德州市安全生产监督管理局
(封皮)
姓名:性别:
彩色照片出生日期:
文化程度:
身份证号:
工作单位:
现任岗位:
证书编号:
培训考核单位:(盖章)
发证日期:
(第二页)
取证及岗前培训考核记录
序培训内容学成培训日期考核日期
每年再培训考核记录
序培训内容学成培训日期考核日期
注:取证培训考核记录是指员工第一次取得本证时的培训考核记录;岗前培训考核记录是指新录用、轮岗换岗、“四新”等人员的上岗前培训考核记录;每年再培训考核记录是
(第三页)
说明
一、本证书为德州市安全生产监督管理局设计、各县(市、区)安全生产监督管理局监制,由危险化学品生产经营单位制发。
二、除主要负责人、安全生产管理人员和特种作业人员以外的其他作业人员(包括其他负责人、其他管理人员、技术人员和各岗位的工人以及临时聘用的人员)必须通过安全培训,并经考核合格,取得本证书。
三、本证书各栏目内容的填写要真实、完整,盖章后有效,不得擅自涂改。
四、安监部门监督检查时,应向安监部门出示,作为“全员培训考核、持证上岗”的依据。
(第四页)
二、安全培训考核合格证书说明
1.证书格式:尺寸大小为115mm×165mm,封皮颜色为绿色。
2.证书编号规则:共12位号码。
第1-4位为发证年份。
第5、6
行政区域代码
德城区01
陵城区02
禹城市03
乐陵市04
宁津县05
齐河县06
临邑县07
平原县08
武城县09
夏津县10
庆云县11
经济技术开发区12
运河经济开发区13
第7位为单位类型。
其中,1代表危化品生产企业;2代表危化品储存企业;3代表危化品使用企业;4代表危化品经营企业。
第8-12位为流水号,按照唯一性原则由企业自行按序编号。
(注:唯一性原则是指一个企业内部编号是不允许重复,但企业之间的编号是可以重复的。
)
例如:
位于德城区的危化品生产企业2017年给员工制发的安全培训考核合格证书编号可以为:0001。
位于陵城区的危化品经营企业2017年给员工制发的安全培训考核合格证书编号可以为:0001。