电气热控设备设施及特种设备安全检查表
- 格式:docx
- 大小:26.08 KB
- 文档页数:10
特种设备安全专业检查表特种设备安全专业检查表一、蒸汽锅炉1.\t是否定期进行安全阀的调整和试验?2.\t是否定期检查和清理炉膛、过热器、空气预热器和烟道等?3.\t是否定期进行水质检测和处理?4.\t是否定期进行压力表和水位计的校验和清洗?5.\t是否定期对控制系统和电气设备进行检查和维护?6.\t是否采取措施防止锅炉水位过高或过低?7.\t是否实施强制性停炉检查规定?8.\t是否定期进行锅炉、汽、水管道及附件等的松动、磨损、破坏检查?9.\t是否进行了应急预案的制定和演练?二、压力容器1.\t是否定期进行压力容器的检查和清理?2.\t是否定期进行压力测试和泄压装置的试验和调整?3.\t是否及时处理容器内和外部的腐蚀、磨损和破损等问题?4.\t是否实施停用和维修程序的规定?5.\t是否建立了容器维护记录?6.\t是否进行了应急预案的制定和演练?三、起重机械1.\t是否定期进行起重机械的保养、检查和维护?2.\t是否进行必要的钢丝绳松紧、修补和更换?3.\t是否定期校验吊钩、钢丝绳、限位器、减速器等的功能?4.\t是否需要对操作人员进行必要的安全培训?5.\t是否建立了起重机械的使用和维护记录?6.\t是否进行了应急预案的制定和演练?四、压力管道1.\t是否定期进行压力管道的检查和清理?2.\t是否对管道进行必要的防腐蚀处理?3.\t是否对加工焊接的密封性以及管道接口的连接情况进行检验?4.\t是否定期进行压力测试和泄压装置的试验和调整?5.\t是否建立了管道的维护记录?6.\t是否进行了应急预案的制定和演练?五、电梯1.\t是否定期进行电梯的保养、检查和维护?2.\t是否按规定进行必要的升降机检验?3.\t是否对电梯的电器、控制系统、制动机构等进行定期检查?4.\t是否需要对操作人员进行必要的安全培训?5.\t是否建立了电梯使用和维护记录?6.\t是否进行了应急预案的制定和演练?以上是特种设备安全专业检查表,希望大家注意工作中需要的细节,确保设备的安全稳定运行。
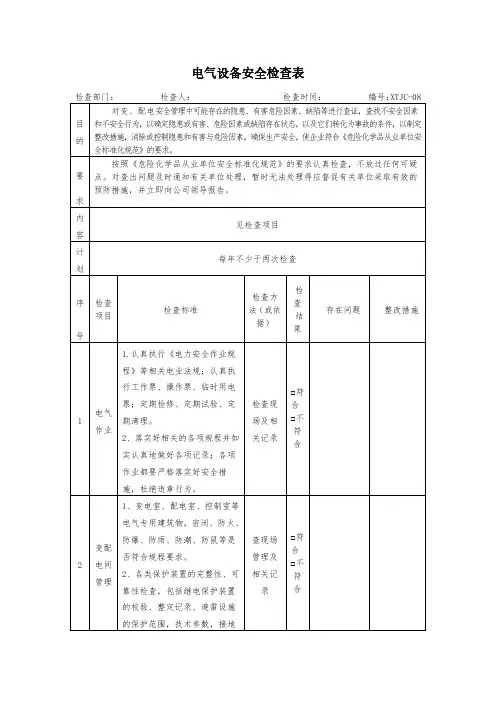
电气设备安全检查表检查部门:检查人:检查时间:编号:XTJC-08目的对变、配电安全管理中可能存在的隐患、有害危险因素、缺陷等进行查证,查找不安全因素和不安全行为,以确定隐患或有害、危险因素或缺陷存在状态,以及它们转化为事故的条件,以制定整改措施,消除或控制隐患和有害与危险因素,确保生产安全,使企业符合《危险化学品从业单位安全标准化规范》的要求。
要求按照《危险化学品从业单位安全标准化规范》的要求认真检查,不放过任何可疑点。
对查出问题及时通知有关单位处理,暂时无法处理得应督促有关单位采取有效的预防措施,并立即向公司领导报告。
内容见检查项目计划每年不少于两次检查序号检查项目检查标准检查方法(或依据)检查结果存在问题整改措施1电气作业1.认真执行《电力安全作业规程》等相关电业法规;认真执行工作票、操作票、临时用电票;定期检修、定期试验、定期清理。
2、落实好相关的各项规程并如实认真地做好各项记录;各项作业都要严格落实好安全措施,杜绝违章行为。
检查现场及相关记录□符合□不符合2变配电间管理1、变电室、配电室、控制室等电气专用建筑物,密闭、防火、防爆、防雨、防潮、防鼠等是否符合规程要求。
2、各类保护装置的完整性、可靠性检查,包括继电保护装置的校验、整定记录、避雷设施的保护范围,技术参数,接地查现场管理及相关记录□符合□不符合装置是否符合规程要求,各种保护接地、接零是否正确可靠,是否合格。
3、电气安全用具和灭火器材是否配备齐全。
4、配电柜防护是否符合安全要求;配电柜安装是否按标准进行设置和安装。
3电气设备1、电气设备运行中的电压、电流、油压、温度等指标是否正常,有无违反标准现象。
2、电气设备完好情况,包括年度绝缘预防性试验情况;主要设备的绝缘试验报告,缺陷和处理意见档案。
3、各种电气设备是否完好,有无安全隐患。
4、充油设备、检查油位是否正常,是否有漏油情况。
5、瓷绝缘部件是否有裂痕,掉碴情况。
6、临时设备,临时线是否有明确的安装要求,使用时间和安全注意事项。
特种设备专项安全检查表编号:公文写作公文写作是指根据公务活动的客观现实和需求,运用科学的逻辑思路和写作手法完成公文的撰写。
没有一篇公文不是为了解决工作中所遇到的实际问题,所以公文的写作具有很强的现实效用,对写作者的综合能力要求较高。
公文的现实效用成为公文和其他常见文学作品最大的区别。
部分文学作品虽然能够给我们带来思想上的启迪,影响我们的生活,但是没有一纸公文的影响力来得快,带来的波动大。
写作一篇合格的公文对于撰写人员的综合要求是很高的,因为公文写作本身就是一项综合性的脑力劳动.撰写人员往往需要具备大量的知识储备、工作经验以及熟练的写作技巧。
公文写作的语言特征公文的语言是非常讲究的。
一篇公文如果没有规范的语言作为载体,那么在上传下达的过程中可能无法达到预期的效果。
以下是笔者根据多年的公文写作经验总结出的五个要点。
1.真实准确真实准确的用语是公文写作的底线,是一个公文撰写者必备的职业技能,也是公文写作中最重要的一点。
写进公文中的材料必须是能够真实展现实际工作中真实发生的事件,不能有任何的虚构和编造。
因此在撰写公文的时候应该做到内容不真实的不写,材料没有落实的不写,没了解清楚的不写。
2.严谨庄重在处理公务的时候,应该保持公正的立场和严肃的态度,这一点在公文中也应该得到很好的体现。
怎样才能让公文的表达显得严谨和庄重呢?少用口语,不用方言,多用陈述性的语言,少用描绘性的语言。
在行文的过程中,要保持逻辑性,前后内容不能相互矛盾,全文要做到严谨周密。
3.简单明了公文的内容应简明扼要,让人能够直截了当地明白其中传达的意思,要做到言之有物,简而不空。
因此在写作公文前就要了解公文的核心思想和目的,整理出公文的重点,做到成竹在胸。
4.平实易懂公文中的语言只有平实易懂,才能有效地在各级机关中传播。
如果在公文中使用华丽或者带有修饰性的语言,则需要格外注意使用场合和公文的内容。
5.生动公文写作一般都是朴实且严谨的,但是这和文字的生动性并不冲突。
特种设备安全检查表
2. 检查表
特种设备安全检查表如下:
项目检查内容是否合格
1 设备名称
2 设备型号
3 设备编号
4 安全阀压力
5 压力表指针是否正常
6 水位是否正常
7 温度是否正常
8 设备是否清洁
9 设备是否有异常声音
10 设备周围是否有杂物堆积
11 设备是否有漏水现象
12 设备是否有明显损坏
13 设备是否有异味
14 设备接地是否良好
15 设备使用人员是否熟悉操作规程
16 设备是否存在紧急切断装置
17 设备是否有警示标识
18 设备电源是否正常
19 设备接线是否规范
20 设备运行是否稳定
4. 总结
特种设备的安全检查是确保设备安全运行的重要环节,在生产过程中需要高度重视。
通过合理的安全检查措施,可以及时发现并解决潜在的设备问题,减少事故的发生。
本文档提供了一份简单明了的特种设备安全检查表,希望能够为特种设备安全管理工作提供一些参考。
注:本文档仅为示例,实际的特种设备安全检查表应根据具体设备的特点和要求进行适当修改和完善。
有限公司炼铁厂电器设备检查台账检查单位:
各单位按以下标准定期对电气设备进行检查.检查频率为:
每周至少全面检查1次
厂部每月至少全面检查1次
各单位认真如实填写记录,不得弄虚作假、不得乱涂乱画,记录本不得缺页。
填完的旧本由设备所属单位存档,至少保存三年。
此记录纳入考核范围:
1、记录不全者,每次每人罚款50元。
2、经抽查查实记录与实际情况不符者,每次每人罚款100元。
3、记录不清,字迹潦草者,每次每人罚款10元。
4、乱涂乱画,缺页少页者,每页每人罚款20元.
5、历史存档不全、记录本保存不完整或无存档,对车间负责人(包括分管副主任、段长)处以每人200元罚款并通报处理。
炼铁厂电气设备(专业)安全检查表
炼铁厂电器设备自行检查记录
检查单位:班组:组长:检查时间:年月日时分。