约翰逊计数器
- 格式:doc
- 大小:86.50 KB
- 文档页数:6
电子课程设计———反应能力测试仪目录一.设计任务与要求 (2)一.总体设计模块 (2)二.总体框图 (2)二.设计方案 (3)三.选择器件 (10)四.功能模块 (13)五.总体设计电路图 (15)反应能力测试仪一、设计任务及要求1、反应能力测试仪用来检测和训练人的快速反应能力。
2、设计要求了解组成脉冲信号发生器的555定时器电路的结构和原理,了解555定时器组成的施密特触发器的工作原理,以及掌握CD4017十进制计数器电路的内部结构和原理。
3、设计要求采用十进制计数器CD4017与发光二极管组成。
二、总体框图(1)总体框图图根据设计要求和任务,设计方案可以从以下几个方面考虑。
总体框图如图1,由振荡器产生触发脉冲,作为顺序脉冲发生器的输入脉冲,当输入脉冲的频率变化时顺序脉冲发生器产生的顺序脉冲也会有不同的频率,从而达到控制发光二极管循环时间的目的。
产生顺序脉冲后将它加发光二极管系统上,使二极管产生简单的循环变化的效果,通过开关作用对产生顺序脉冲的发生器予以控制,因而使发光二极管显示为最后一个输入脉冲时的状态,进一步判断出被测试者的反应速度。
三、器件选择(2)器件清单1) 555定时器应用国产双极型定时器CB555电路结构图。
它是由比较器C 1和C 2,基本RS 触发器和集电极开路的放电三极管T D 三部分组成。
V H 是比较器C1的输入端,v 12是比较器C 2的输入端。
C 1和C 2的参考电压V R1和V R2由V CC 经三个五千欧电阻分压给出。
在控制电压输入端V CO 悬空时,V R1=2/3V CC ,V R2=1/3V CC 。
如果V CO 外接固定电压,则V R1=V CO ,V R2=1/2V CO .R D 是置零输入端。
只要在R D 端加上低电平,输出端v 0便立即被置成低电平,不受其他输入端状态的影响。
正常工作时必须使R D 处于高电平。
图中的数码1—8为器件引脚的编号。
图 (3-1) 555定时器逻辑符号555定时器是一种中规模集成电路,只要在外部配上适当阻容元件,就可以 方便地构成脉冲产生和整形电路。
使用VHDL 进行分频器设计作者:ChongyangLee摘要使用VHDL 进行分频器设计作者:ChongyangLee本文使用实例描述了在FPGA/CPLD 上使用VHDL 进行分频器设计,包括偶数分频、非50%占空比和50%占空比的奇数分频、半整数(N+0.5)分频、小数分频、分数分频以及积分分频。
所有实现均可通过Synplify Pro 或FPGA 生产厂商的综合器进行综合,形成可使用的电路,并在ModelSim 上进行验证。
目录概述 (1)计数器 (1)普通计数器 (1)约翰逊计数器 (3)分频器 (4)偶数分频器 (4)奇数分频器 (6)半整数分频器 (9)小数分频器 (11)分数分频器 (15)积分分频器 (18)概述分频器是数字电路中最常用的电路之一,在FPGA 的设计中也是使用效率非常高的基本设计。
基于FPGA 实现的分频电路一般有两种方法:一是使用FPGA 芯片内部提供的锁相环电路,如ALTERA 提供的PLL (Phase Locked Loop),Xilinx 提供的DLL(Delay Locked Loop);二是使用硬件描述语言,如VHDL、Verilog HDL 等。
使用锁相环电路有许多优点,如可以实现倍频;相位偏移;占空比可调等。
但FPGA 提供的锁相环个数极为有限,不能满足使用要求。
因此使用硬件描述语言实现分频电路经常使用在数字电路设计中,消耗不多的逻辑单元就可以实现对时钟的操作,具有成本低、可编程等优点。
计数器计数器是实现分频电路的基础,计数器有普通计数器和约翰逊计数器两种。
这两种计数器均可应用在分频电路中。
普通计数器最普通的计数器是加法(或减法)计数器。
下面是加法计数器的VHDL实现,其Synplify Pro下的RTL View如图1所示。
--file Name: ripple.vhd--Description: 带复位功能的加法计数器library ieee;use ieee.std_logic_1164.all;use ieee.std_logic_arith.all;use ieee.std_logic_unsigned.all;entity ripple isgeneric (width: integer := 4);port(clk, rst: in std_logic;cnt: out std_logic_vector(width - 1 downto 0));end ripple;architecture a of ripple issignal cntQ: std_logic_vector(width - 1 downto 0);beginprocess(clk, rst)beginif (rst = '1') thencntQ <= (others => '0');elsif (clk'event and clk = '1') thencntQ <= cntQ + 1;end if ; end process ;cnt <= cntQ;end a;代码 1 加法计数器 VHDL 代码图 1 加法计数器 RTL 视图加法计数器的Test Bench 代码如下所示,在ModelSim 下进行功能仿真,仿真 波形结果如图 2所示。
讨论了用于高速串行收发系统接收端的时钟分频电路的设计。
通过对扭环计数器工作原理的分析,提出了一种基于类扭环计数器的分频电路,该电路可以模式可选的实现奇数和偶数分频,并达到相应的占空比。
所设计电路在SMIC 0.18um CMOS工艺下采用Cadence公司的Spectre进行了仿真,结果显示电路可对1.25GHz 时钟完成相应分频。
1 引言目前,在高速串行数据传输系统中,传送的数据大多采用8B/10B 编码方案编码成自同步的数据流,因此在接收端为/tech/sheji/113289.html讨论了用于高速串行收发系统接收端的时钟分频电路的设计。
通过对扭环计数器工作原理的分析,提出了一种基于类扭环计数器的分频电路,该电路可以模式可选的实现奇数和偶数分频,并达到相应的占空比。
所设计电路在SMIC 0.18um CMOS工艺下采用Cadence公司的Spectre进行了仿真,结果显示电路可对1.25GHz时钟完成相应分频。
1 引言目前,在高速串行数据传输系统中,传送的数据大多采用8B/10B 编码方案编码成自同步的数据流,因此在接收端为了进行8B/10B 解码,需要对数据进行1:8/1:10 的串并转换;在高速收发系统中,为在特定工艺下实现更高的传输速率,通常采用半速率结构,这样可以有效降低芯片上的时钟频率,从而使电路能够以较低的功耗和简单的结构适应高速数据流的处理。
因此为了完成对串行输入数据的1:8/1:10 解复用,首先需要提供占空比和抖动性能满足相应要求的4 分频或5 分频时钟。
本文即讨论了在高速收发系统的接收端如何设计模式可选的4 分频和5 分频电路,所设计电路不仅实现了对参考时钟的4 或5 分频,同时实现了分频后时钟的不同占空比。
本文第2 部分简单介绍了扭环计数器的工作原理,并根据实际提出了一种类扭环计数器的分频方法;第3 部分讨论了基于类扭环计数器的CMOS 分频电路的设计实现与仿真;第4 部分对设计过程进行了简单总结。
琼斯计数器原理-回复琼斯计数器(Jones Counter)是一种用于测量车辆流量的设备,广泛应用于交通管理、城市规划和交通研究领域。
本文将详细介绍琼斯计数器的原理,并逐步解释其工作原理。
第一步:简介琼斯计数器是由英国工程师亨利·琼斯(Henry Arthur Jones)于1930年首次提出的一种交通统计仪器。
它基于车辆通过传感器的原理来测量车辆流量,并将数据存储起来以供分析和研究使用。
第二步:传感器类型琼斯计数器主要包括两个主要部分:传感器和记录设备。
传感器必须能够准确地检测车辆通过的事件,并将该信息传递给记录设备。
常见的传感器类型包括电线圈传感器、红外线传感器和声波传感器。
电线圈传感器是最常见的一种传感器,它安装在道路表面下方,通过感应车辆金属部分的变化来检测车辆的通过。
红外线传感器则使用红外线光束来检测车辆通过,当车辆经过时,传感器会检测到红外线光束的阻断,并记录下来。
声波传感器则利用超声波检测车辆通过时产生的声音波动。
第三步:数据记录一旦传感器检测到车辆通过的事件,数据会被记录设备存储下来。
传统上,记录设备是一种机械设备,使用机械齿轮和计数器来记录通过的车辆数量。
然而,现代琼斯计数器通常采用电子记录设备,将车辆通过的数据以数字形式存储。
这种电子记录设备通常具有更高的准确性和更大的存储容量。
第四步:数据处理一旦车辆通过的数据被记录下来,它们可以被进一步处理和分析。
这些数据通常包括车辆数量、通过时间、车辆速度和车辆分类等信息。
通过对这些数据进行分析,可以得出有关交通流量、拥堵情况和道路使用状况等方面的信息。
第五步:应用领域琼斯计数器广泛应用于交通管理、城市规划和交通研究领域。
通过收集和分析车辆通过的数据,可以评估交通基础设施的使用情况,提供对交通状况的实时监测,指导交通信号优化和道路规划,以及研究车辆行为和交通流动性等问题。
总结:琼斯计数器是一种用于测量车辆流量的设备,通过传感器检测车辆通过的事件,并将数据记录和存储下来。
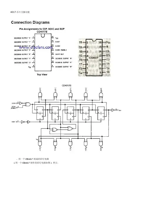
4017芯片引脚功能、用一个CD4017制成的彩灯电路1.用一个CD4017制作的彩灯电路如图1 所示。
<CD4017电路图>2.电路工作原理CD4017输出高电平的顺序分别是③、②、④、⑦、⑩、①、⑤、⑥、⑨脚,故③、②、④、⑦、⑩、①脚的高电平使6串彩灯向右顺序发光,⑤、⑥、③脚的高电平使6串彩灯由中心向两边散开发光。
各种发光方式可按自己的需要进行具体的组合,若要改变彩灯的闪光速度,可改变电容C1的大小。
二、用三个CD4O17彩灯电路图CD4017的级连,如图2所示。
<CD4017原理图电路>2.CD4017级连后可以顺序输出24个高电平,同上理可组合出各种不同的发光方式,见图3,可使6串彩灯向右流水发光,再向左流水发光,中心向两边散开后再向中心靠拢发光,1、3、5、2、4、6串间隔发光等等CD4017 结构原理作者:佚名文章来源:/点击数:6113 更新时间:2008-4-6CMOS集成电路CD4017C采用标准的双列直插式脚塑封,它的引脚排列如图1所示。
CC4017 是国标型号,它与国外同类产品CD4017 在逻辑功能、引出端和电参数等方面完全相同,可以直接互换。
其引脚功能如1:①脚(Y5),第5输出端;②脚(Y1),第1输出端;③脚(Y0),第0输出端,电路清零时,该端为高电平;④脚(Y2),第2输出端;⑤脚(Y6).第6输出端;⑥脚(y7),第7输出端;⑦脚(Y3),第3输出端;⑧脚(vss).电源负端;⑨脚(Y8),第8输出端;⑩脚(Y4).第4输出端;脚(Y9).第9输出端;脚(Qco),级联进位输出端,每输入10 个时钟脉冲,就可得一个进位输出脉冲,因此进位输出信号可作为下一级计数器的时钟信号。
脚(EN),时钟输入端,脉冲下降沿有效;脚(CP),时钟输入端.脉冲上升沿有效;脚(R),清零输入端,在“R”端加高电平或正脉冲时,CD40171C 计数器中各计数单元输出低电平“0”,在译码器中只有对应“0”状态的输出端Y0 为高电平;脚(VDD),电源正端.3~18V 直流电压。
分频计数器课程设计一、课程目标知识目标:1. 学生能理解分频计数器的基本原理,掌握分频计数器的设计方法和应用场景。
2. 学生能够运用已学的数字电路知识,分析并设计简单的分频计数器电路。
3. 学生了解不同类型的计数器,并能阐述它们之间的区别和联系。
技能目标:1. 学生能够运用所学知识,动手搭建和调试简单的分频计数器电路。
2. 学生通过实际操作,掌握使用数字电路设计工具进行电路设计和仿真。
3. 学生能够运用团队协作和沟通技巧,共同分析和解决分频计数器设计过程中遇到的问题。
情感态度价值观目标:1. 培养学生对数字电路的兴趣,激发他们探索电子技术的热情。
2. 培养学生严谨的科学态度,使他们能够认真对待实验数据和实验过程。
3. 培养学生的团队协作精神,让他们学会在团队中发挥个人优势,共同完成任务。
课程性质分析:本课程为电子技术基础课程,重点教授分频计数器的设计和应用。
课程强调实践操作,培养学生动手能力。
学生特点分析:学生为高中年级,具备一定的数字电路基础,对电子技术有一定了解,但实际操作经验不足。
教学要求:结合学生特点,课程以理论教学和实践操作相结合的方式进行,注重培养学生的实际操作能力和团队协作能力。
通过具体的学习成果分解,使学生在课程结束后能够独立完成简单的分频计数器设计和搭建。
二、教学内容1. 数字电路基础知识回顾:计数器原理,触发器类型,时钟信号作用。
2. 分频计数器原理:分频概念,计数器工作原理,分频系数计算。
3. 分频计数器设计方法:同步计数器设计,异步计数器设计,约翰逊计数器设计。
4. 常见分频计数器电路分析:二进制计数器,十进制计数器,BCD计数器。
5. 分频计数器应用案例:电子时钟,频率计,数字音序器。
6. 实践操作:分频计数器电路搭建,仿真软件使用,电路调试与优化。
7. 教材章节关联:《电子技术》第五章“数字电路基础”,第六章“计数器及其应用”。
教学大纲安排:第一课时:数字电路基础知识回顾,分频计数器原理介绍。
约翰逊算法例题约翰逊算法(Johnson Algorithm)是一种用于解决加权有向图的最短路径问题的算法。
本文将介绍约翰逊算法的原理,并通过一个例题详细解释它的实现步骤。
一、算法原理约翰逊算法的基本思想是将图中的每个节点令其附带一个虚拟权值(即h(v)),使所有边的权值变为非负数,然后使用类似于 Dijkstra 算法的方式求解最短路径。
具体步骤如下:1.计算虚拟权值 h(v):a. 对于图中任意一条边 (u, v),将其权值变为 w(u, v) + h(u) - h(v)。
b. 通过一个类似于 Bellman-Ford 算法的循环,得到每个节点的 h(v) 值。
1.将每个节点作为起始节点运行 Dijkstra 算法,得到该节点到其他节点的最短路径。
2.对于节点之间的最短路径,将其距离还原为原始值(即减去加上的虚拟权值)。
二、实现例题现有下图所示的加权有向图,假设起点为 A,终点为 G,要求求出从 A 到 G 的最短路径:---------> G/ ^ ^+ | || + || | +| | |+ + +A ---------> B--------> C--------> D\____________________/步骤 1. 计算虚拟权值 h(v):•对于边 AB,权值为 -3 + 0 - 0 = -3;•对于边 BC,权值为 -4 + 0 - (-1) = -3;•对于边 CD,权值为 -4 + (-1) - 2 = -7;•对于边 DG,权值为 -2 + 0 - 0 = -2;•对于边 BD,权值为 -1 + 0 - (-3) = 2;•对于边 CE,权值为 -1 + (-1) - (-3) = 1;•对于边 DE,权值为 2 + (-2) - (-7) = 7。
因此,得到每个节点的虚拟权值:h(A) = 0, h(B) = -3, h(C) = -1, h(D) = -8, h(E) = -4, h(G) = -2步骤 2. 以每个节点为起始节点运行 Dijkstra 算法,得到每个节点到其他节点的最短路径:•对于节点 A:A ->B (5)A ->B ->C (1)A ->B ->C ->D (6)A ->B ->C ->D -> G (8)•对于节点 B:B ->C ->D -> G (10)B ->C ->D (5)B ->C (4)B -> A ->C ->D -> G (11)•对于节点 C:C ->D -> G (8)C ->D (3)C -> B -> A -> C ->D -> G (10)C -> B -> C (4)•对于节点 D:D -> G (2)D -> C -> B -> A -> C -> D -> G (9)D -> C -> B -> C (3)D -> C (1)•对于节点 E:E -> C -> B -> A -> C -> D -> G (13)E -> C -> B -> C (3)E -> C -> D -> G (9)E -> C -> D -> C (0)•对于节点 G:G -> G (0)步骤 3. 将路径距离还原:• A -> B (5) -> (2) = 3• A -> B -> C (1) -> (0) = 1• A -> B -> C -> D (6) -> (3) = 3• A -> B -> C -> D -> G (8) -> (6) = 2因此,从 A 到 G 的最短路径为 A -> B -> C -> D -> G,距离为 2。
数字电子技术基于硬件设计的跑马灯电路系别:电力工程系班级:姓名:学号:一、实验目的1. 熟悉NE555定时器,计数器CD4017的逻辑特性。
2. 熟悉NE555构成多谐振荡器原理。
3. 设计跑马灯电路并利用Multisim软件仿真电路。
二、实验要求1. 知道NE555、CD4017的管脚排列顺序。
2. 利用NE555构成多谐振荡器。
3. 知道电阻的主要参数及其标注方法。
(见实验指导书116页)。
4. 知道电容器的主要作用。
(见实验指导书122页)。
5. 了解有关焊接的知识。
三、实验器材电路板1块。
电容:1μF(1个)。
集成芯片:NE555(1个)、CD4017(1个)。
电阻:22KΏ、1KΏ、500Ώ各一个。
二极管:IN4148(8个)、发光二极管(10个)。
(自行提供)电池:5V四、电路的安装1.555用来定时,用它产生某种方波,相当于有的时钟信号2.4017是个十进制计数器,按照时钟信号从10个口依次输出1. 检查集成芯片NE555,CD4017的安装位置有无错误.2. 检查电解电容的极性有无错误;3. 检查二极管IN4148及发光二极管的安装方向有无错误;4. 检查各个电阻的安装是否有误。
5. 检查有无虚焊。
五、电路的调试1. 电路焊接好后,先将电路板正负端接到直流电压5V及地线处,观察发光二极管是否变亮。
2. 适当改变电位器阻值,观察其对CD4017循环周期(发功二极管依次循环一周)的影响。
3. 利用秒表记录CD4017一个合适循环周期的时间。
(分别测量电阻最大时、最小时、合适时的周期)附录1. 跑马灯电路图分析电路输出图像2. CD4017的相关资料CD4017是5位Johnson计数器,具有10个译码输出端,CP,CR,INH输入端,时钟输入端的斯密特触发器具有脉冲整形功能,对输入时钟脉冲上升和下降时间无限制。
其引脚排列如下引出端功能符号:进位脉冲输出 CP:时钟输入端CR:清除端(CR接低电位时,开始计数。
世界计算机的发展史
早期的计算器为纯手动式,如算盘、算筹等。
算盘通常是以滑动的珠子制成。
在西方,算盘在印度阿拉伯数字流行前使用了数个世纪,且在近代中国的记帐与商务上仍广泛使用。
后来出现机械计算器。
17世纪初,西方国家的计算工具有了较大的发展,英国数学家纳皮尔发明的"纳皮尔算筹",英国牧师奥却德发明了计圆柱型对数算尺,这种计算尺不仅能做加减乘除、乘方、开方运算,甚至可以计算三角函数,。
这些计算工具不仅带动了计算器的发展,也为现代计算器发展奠定了良好的基础,成为现代社会应用广泛的计算工具。
1642年,年仅19岁的法国伟大科学家(Pascaline)发明了第一部机械式计算器,在他的计算器中有一些互相联锁的齿轮,一个转过十位的齿轮会使另一个齿轮转过一位,人们可以像拨电话号码盘那样,把数字拨进去,计算结果就会出现在另一个窗口中,但是只能做加减计算。
1694年,(Leibniz)在德国将其改进成可以进行乘除的计算。
此后,一直要到20世纪50年代末才有的出现。
19世纪,巴贝奇将计算工具的概念更往前推,试图创建第一个可编程式计算器,但他建造的机器太重了,因而无法操作。
20世纪,20世纪70年代开始,微处理器技术被吸纳进计算器制程,最初的微处理器是Intel于1971年为日本名为Busicom(ビジコン)的计算器公司生产的,1972年惠普推出第一款掌上科学计算器HP-35。
Wilhelm Schickard1623年,德国科学家施卡德(Wilhelm Schickard)建造出世界已知的第一部机械式计算器,成为计算机世代之父,这部机械改良自时钟的齿轮技术,能进行六位数的加减,并经由钟声输出答案,因此又称为「算数钟」,可惜後来毁於祝融,施卡德也因战祸而逝。
用机器进行计算的历史起始于一台模拟机。
1623年德国科学家Wilhelm Schikard首创了一台能进行加法运算的模拟机,该机并能借助对数表进行乘除运算。
该机器利用11个完整的、6个不完整的链轮进行加法运算,并能借助对数表进行乘除运算。
法国哲学家、数学家、和物理学家帕斯卡于1642年发明了用机器进行加减运算,该机器可以自动进行竖式借位运算。
帕斯卡将机器复制了50部,但其中的大多数成了富有人家客厅中引人好奇的摆设。
17世纪德国数学家Gottfried Leibniz设计了一种特殊齿轮传动装置,能在帕斯卡的机器上进行乘法运算。
Wilhelm Schickard计算器复制品ENIAC是电脑发展史上的一个里程碑本来,计算机的英文原词“computer”是指从事数据计算的人。
而他们往往都需要借助某些机械计算设备或模拟计算机。
这些早期计算设备的祖先包括有算盘,以及可以追溯到公元前87年的被古希腊人用于计算行星移动的安提基特拉机制。
随着中世纪末期欧洲数学与工程学的再次繁荣,1623年由Wilhelm Schickard率先研制出了欧洲第一台计算设备,这是一个能进行六位以内数加减法,并能通过铃声输出答案的“计算钟”。
使用转动齿轮来进行操作。
最早计算机械就是1623年德国人Wilhelm Schikard 亲自设计制坐的,它可以进行加减法运算,但不幸在即将完成时被毁。
现存最早的机械式计算器是法国数学家Blaise Pascal 在1642年制作的加法器。
帕斯卡加法器的原理对后来的计算机械产生了持久的影响。
不久,德国数学家莱布尼兹(G.W.Leibniz)发展了帕斯卡的加法器,增加了乘除功能,于1673年完成了他的第一台计算器,Leibniz在计算机史上的伟大功绩在于他提出了"可以用机械代人进行繁琐重复的计算工作"这一伟大思想,这一思想至今还在鼓舞着人们探求新的计算机。
环形计数器是由移位寄存器加上一定的反馈电路构成的,用移位寄存器构成环形计数器的一般框图见图23-5-1,它是由一个移位寄存器和一个组合反馈逻辑电路闭环构成,反馈电路的输出接向移位寄存器的串行输入端,反馈电路的输入端根据移位寄存器计数器类型的不同,可接向移位寄存器的串行输出端或某些触发器的输出端。
图23-5-1 移位寄存器型计数器方框图
23.5.1 环形计数器
23.5.1.1 电路工作原理
图23-5-2为一个四位环形计数器,它是把移位寄存器最低一位的串行输出端Q1反馈到最高位的串行输入端(即D触发器的数据端)而构成的,环形计数器常用来实现脉冲顺序分配的功能(分配器)。
假设寄存器初始状态为[Q4Q3Q2Q1]=1000,那么在移位脉冲的作用下,其状态将按表23-11
中的顺序转换。
当第三个移位脉冲到来后,Q1=1,它反馈到D4输入端,在第四个移位脉冲作用下Q4=1,回复到初始状态。
表23-11中的各状态将在移位脉冲作用下,反复在四位移位寄存器中不断循环。
由上述讲讨论可知,该环形计数的计数长度为N=n。
和二进制计数器相比,它有2n-n个状态没有利用,它利用的有效状态是少的。
23.5.1.2 状态转换图和工作时序
表23-11中是以1000为初始状态的,它所对应的状态转换图见图23-5-3。
如果移位寄存器中的初始状态不同,就会有不同的状态转换图。
图23-5-4给出了四位环形计数器可能有的其它几种状态转换图。
图23-5-3 状态转换图
(a) (b) (c) (d)
图23-5-4 四位环行计数器其它的状态转换图
图23-5-4(a)、(b)、(c)三个状态转换图中各状态是闭合的,相应的时序为循环时序。
当计数器处于图23-5-4(d)所示的状态0000或1111时,计数器的状态将不发生变化。
这两个状态称为悬态或死态。
四位环形计数器可能有这么多不同的循环时序,是我们不希望的,只能从这些循环时序中选出一个来工作,这就是工作时序,或称为正常时序,或有效时序。
其它末被选中的循环时序称为异常时序或无效时序。
一般选图23-5-3的时序为工作时序,因为它只循环一个“1”,不用经过译码就可从各触发器的Q端得到顺序脉冲输出,参看图23-5-5。
图23-5-5 四位环形的计数器的输出波形(正常时序)
也可选图23-5-4(a)的时序作为工作时序,它循环的是一个“0”,顺序输出一个负脉冲。
23.5.1.3 如何保证正常时序
对于图23-5-2这种结构的计数器,可能存在两个以上的循环时序。
要想使环形计器在选定的时序中工作,就必须防止异常时序和死态的出现,方法有两种。
第一种是利用触发器的直接置位端和直接复位端,将计数器的状态预置到正常时序中的某一个状态上去。
这种方法虽然简单,但有两个缺点。
其一,电路在工作中一旦受干扰脱离了正常时序,就不能自动返回;其二,对于中规模电路,由于受到引出线的限制,一个单片中的几个触发器不会同时引出直接置位端和直接复位端,因而不能采用预置的办法对某一级单独置“0”或是置“1”。
第二种是利用外接反馈逻辑电路的办法,使计数器自动进入正常时序。
所以这种电路即使受干扰脱离了正常时序也能自动返回。
这一性能称为自行启动。
图23-5-6的电路是具有自启动能力的四位环形计数器。
图23-5-6 能自启动的四位环行计数器
比较图23-5-2和图23-5-6这两种电路,可以看出后者是将Q1到D4的反馈线断开,按D4= 设置新的反馈逻辑而组成的。
计数器启动后,若Q4、Q3、Q2不同时为“0”,则D4=0。
那么,下一时钟作用后Q4转换为“0”,只要Q4、Q3、Q2仍不同时为“0”,D4仍为“0”,再一个时钟作用后,Q4=Q3=0。
所以计数器启动后,不管处于什么状态,最多经过三拍(三个时钟节拍)
电路就可进入有效工作时序。
若计数器通电后,处于[0000]态,那么D4= =1,下一时钟作用后,即可进入有效时序的[1000]状态。
具体参见状态转换图23-5-7,图中只有一个循环时序,即工作时序,其它12个状态都与工作时序相连接,具体转换关系见表23-12。
23.5.2 扭环型环形计数器
图23-5-8是另一种常用的环形计数器,称为扭环型计数器,与图23-5-6的不同之处是从
端反馈到D4端,从Q1端扭向端构成反馈,故得此名。
扭环型计数器也称约翰逊计数器。
23.5.2.1 工作原理
图23-5-8电路的状态转换图见图23-5-9。
它的循环时序有两个,一般选图(a)的为工作时序,因为它符合相邻两个数码之间只有一位码元不同的特点。
约翰逊计数器的计数长度N=2n,因为移位寄存器串行输入端的信号是从反相端处取得的。
经过n个时钟后,计数器的状态与初始状态正好相反,必须再经过n个时钟后才能扭回原状态。
对于正常时序,约翰逊计数器的译码也不复杂,不管位数多少,每一状态由两位就可确定,参看表23-13。
23.5.2.2 能自启动的扭环形计数器*
约翰逊计数器有2n个有效状态,多余状态为2n-2n个,也存在自行启动的问题,附加反馈逻辑也可使约翰逊计数器自行启动。
具体原则就是使非工作时序中的状态向正常时序过渡,能自启动的反馈逻辑可通过如下过程确定:
在真值表表23-14中的非工作时序有一部分可以一拍就进入工作时序的状态,即破坏正常的反馈
逻辑F= 所确定的反馈值。
需要修改反馈为“1”者,在旁边填上s;需要修改反馈为“0”者,在旁边填上r。
填有小写字母的状态就是异常时序被拆开进入正常时序突破口处的状态。
对于不能一拍进入工作时序的状态,仍按反馈逻辑F= 填写F的真值,待其转换到突破口处,就可进入工作时序。
将真值表23-14填入卡诺图,突破口至少要选择一个,至于选择几个突破口要以在卡诺图上使反馈函数最简来确定。
按图23-5-10的卡诺图确定的反馈逻辑,可使反馈函数最简。
于是有
图23-5-11是能自启动的扭环型计数器的完整状态转换图,图23-5-12是能自启动的扭环型计
数器的逻辑图。
图23-5-10 F卡诺图图23-5-11 能自启动的完整状态转换图
图23-5-12 能自启动的扭环型计数器。