玻璃幕墙热工参数
- 格式:doc
- 大小:1.63 MB
- 文档页数:4
建筑门窗、幕墙热工与节能性能参数
1.建筑外窗、幕墙气密性能
1.1建筑外窗、幕墙气密性能分级见表 1.1-1〜表1.1-3。
表1.1-3建筑幕墙整体气密性能分级
1.2建筑外窗、幕墙热工性能分级见表 1.2-1〜表1.2-3。
表1.2-1外窗保温性能分级
2窗框的传热系数
表2-1
2.2木窗框窗框的传热系数
木窗框的K f值是在水汽含量在12%的情况下获得:
2
K f (W/m2 K)
窗框的厚展rnm in
2.3金属窗框
框的传热系数K f的数值可以通过下列程序获得:
2
1)对没有热断桥的金属框,使用K fo = 5.9 W/(m K);
2)对具有断桥的金属框,K fo的数值从图中粗线中选取;
K fo (W/m2K)
0 A S 12 16 20 29 32 36相对应的命展窗枢之冋的最水季离J. mm
2.4.窗框与玻璃结合处的线传热系数
窗框与玻璃结合处的线传热系数“主要受间隔层材料导热系数的影响。
在没有精确计算的情况下,可采用表2-2估算窗框与玻璃结合处的线传热系数“:
系数大于1.8W/(m2K),则可以忽略附加线传热系数2。
3典型玻璃及玻璃系统的光学热工参数见表 3.-1。
4典型玻璃系统、配合不同窗框、在典型窗框面积比的情况下,典型整窗传热系数。
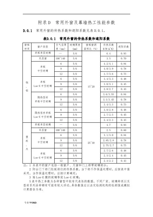
附录D 常用外窗及幕墙热工性能参数D.0.1常用外窗的传热系数和遮阳系数见表D.0.1。
表D.0.1 常用外窗的传热系数和遮阳系数2 阳台门下部门肚板部位的传热系数,当下部不作保温处理时,应按表中值采用,当作保温处理时,应按计算确定;3 贴Low-E膜的玻璃等效Low-E玻璃;5表中热工参数为各种窗型中较有代表性的数据,不同厂家、玻璃种类以及型材系列品种都有可能有较大浮动,具体数值应以法定检测机构的检测值或模拟计算报告为准。
D.0.2典型玻璃的光学、热工性能参数见表D.0.2。
表D.0.2 典型玻璃的光学、热工性能参数注:本表引自《全国民用建筑工程设计技术措施—节能专篇/建筑》,建设部工程质量安全监督与行业发展司、中国建筑标准设计研究院编,中国计划,2007年。
D.0.3采用典型玻璃、配合不同窗框,在典型窗框面积比的情况下,整窗传热系数见表D.0.3-1和D.0.3-2。
表D.0.3-1 典型玻璃配合不同窗框的整窗传热系数注:本表引自《全国民用建筑工程设计技术措施—节能专篇/建筑》,建设部工程质量安全监督与行业发展司、中国建筑标准设计研究院编,中国计划,2007年。
表D.0.3-2 典型玻璃配合不同窗框的整窗传热系数注:本表引自《全国民用建筑工程设计技术措施—节能专篇/建筑》,建设部工程质量安全监督与行业发展司、中国建筑标准设计研究院编,中国计划,2007年。
D.0.4常用玻璃贴膜性能指标见表E.0.4。
表E.0.4 常用玻璃贴膜性能指标(参考)D.0.5典型幕墙的光学、热工性能参数见表D.0.5-1和D.0.5-2。
表D.0.5-1 典型幕墙的光学、热工性能参数注:镀膜面在中空玻璃的第2面。
表D.0.5-2 典型幕墙的光学、热工性能参数注:镀膜面在中空玻璃的第2面。
玻璃幕墙及石材幕墙技术参数
玻璃幕墙技术参数
(一)、玻璃幕墙
6low-e+12A+6mm中空钢化玻璃的保温隔音功能都可以满足本建筑需要。
从室外观看,外观更透明、清晰,即保证了建筑物良好的采光,又避免了以往大面积玻璃幕墙、中空玻璃门窗光反射所造成的光污染现象,营造出更为柔和、舒适的光环境。
1、较高的可见光透过率,自然柔和效果好;
2、极低的太阳能透过率,有效的限制太阳热辐射的透过,尤其是近红外热辐射的透过;
3、良好的保温隔热性能,可以有效控制太阳能辐射,阻断远红外辐射,夏季可以节省空调
费用,冬季节省采暖费用。
隐式玻璃幕墙,根据结构强度设计,选择120系列6063AT5铝合金型材。
1、竖龙骨型材断面高×宽:120×65mm;
2、横梁断面高×宽:65×65㎜;
3、玻璃选用6low-e+12A+6mm中空钢化玻璃;
4、埋板由250×150×10㎜后置热镀锌钢板及4根φ12化学螺栓组成;
5、夹持件为100×63×8mm热侵镀锌角钢,连接螺栓M12×110或M12×130;
石材幕墙技术参数
1、埋板由250×150×10㎜后置热镀锌钢板及4根φ12化学螺栓组成;
2、采用10#热镀锌槽钢作为立柱;
3、幕墙立柱与埋板连接件为10#热镀锌槽钢;
4、50x50x5mm热镀锌角钢作为横粱;
5、钢材材质为Q235B;
6、石材挂件为不锈钢挂件;
7、石材为25mm厚荔枝面或光面花岗岩。
F、石材幕墙性价比:【高总提供】(三)、铝单板幕墙。
幕墙热工计算一、计算依据:《民用建筑热工设计规范》GB50176-93《公共建筑节能设计标准》GB50189-2005二、建筑体型系数体型系数:A区为0.102;B区为0.102;三、窗墙比A区东立面:0.58;A区南立面:0.58A区西立面:0.51A区北立面:0.46B区东立面:0.58B区南立面:0.58B区西立面:0.51B区北立面:0.46由于A、B两个区各个立面的窗墙比和建筑体形系数都一样,所以选A区一栋楼作为幕墙的热工计算考虑。
按照《公共建筑节能设计标准》GB50189-2005表4.2.2-4规定:常州属于夏热冬冷地区;非透明幕墙 K≤1;透明幕墙(窗):东立面0.5<窗墙比≤0.7,K≤2.5,SC≤0.40;南立面 0.5<窗墙比≤0.7,K≤2.5,SC≤0.40;西立面 0.5<窗墙比≤0.7,K≤2.5,SC≤0.40;北立面 0.4<窗墙比≤0.5,K≤2.8,SC≤0.55;四、非透明幕墙热工分析1、钢筋混凝土剪力墙外挂石材幕墙主体建筑的剪力墙根据结构需要厚度不等,现选取厚度最小处200mm 计算;石材为25mm厚花岗岩;详见节点图传热系数K=1/R=1/1.7352=0.58≤1符合要求!2、钢筋混凝土梁外挂玻璃幕墙主楼半隐框玻璃幕墙,钢筋混凝土梁厚度取最小值200mm,玻璃为6LOW-E+12A+6mm厚中空钢化玻璃,内设40mm 聚苯板;详见节点图传热系数K=1/R=1/2.134=0.47≤1 符合要求!2、铝板幕墙主体建筑的剪力墙根据结构需要厚度不等,现选取厚度最小处200mm 计算;铝板采用4mm 厚复合板; 详见节点图传热系数K=1/R=1/1。
728=0。
58≤1 符合要求!4、铝单板幕墙主体建筑的剪力墙根据结构需要厚度不等,现选取厚度最小处200mm 计算;铝板采用3mm 厚铝单板 详见节点图传热系数K=1/R=1/1.701=0.59≤1 符合要求!五、透明幕墙热工分析(一)、计算参数: 1、玻璃选用:2、铝合金型材:建筑幕墙外露明框均采用穿条式隔热型材; 1)、52系列铝合金隔热窗:断热条的导热系数<0.3 W/m.K 。
建筑门窗玻璃幕墙热工计算规程〔征求意见稿〕◇ 1 总那么◇ 2 术语、符号◇3根本规定◇4玻璃光学热工性能◇5框的传热计算◇6空气层传热计算◇7整窗热工性能计算◇8建筑幕墙热工计算◇9遮阳系统计算◇10结露计算◇附录1 总那么为在建筑门窗、玻璃幕墙工程中贯彻执行国家的建筑节能政策,使门窗、玻璃幕墙工程的节能设计和产品设计做到技术先进、经济合理,方便进展门窗、玻璃幕墙产品的节能性能评价,制定本规程。
本规程适用于建筑工程中作为外围护构造使用的建筑外门窗、玻璃幕墙的传热系数、遮阳系数、可见光透射比、结露性能的计算。
本规程是参照国际标准ISO15099、ISO10077、ISO10211等系列标准,结合我国现行的相关标准制定的。
本规程所计算的传热系数和遮阳系数是在建筑门窗、玻璃幕墙空气渗透量为零的情况下、采用稳态传热计算得到的,实际使用时应考虑空气渗透对热工性能和节能计算的影响。
实际工程所用建筑门窗、玻璃幕墙的室内外热工计算条件应符合相应的建筑热工设计标准和建筑节能设计标准。
建筑门窗、玻璃幕墙所用材料的热工计算参数除使用本规程给出的参数外,还应符合其它强制性的热工设计标准和建筑节能设计标准的相关规定。
实际工程中所使用材料的热工参数应按照相应材料的实际参数选取。
2 术语、符号2.1 术语2.1.1夏季标准计算条件standard summer environmental condition用于门窗或幕墙产品设计、性能评价热工性能参数计算的夏季标准热工计算环境条件。
2.1.2冬季标准计算条件standard winter environmental condition用于门窗或幕墙产品设计、性能评价热工性能参数计算的冬季标准热工计算环境条件。
2.1.3传热系数〔U〕thermal transmittance门窗或幕墙两侧环境温度差为1℃时,在单位时间内通过单位面积围护构造的传热量。
2.1.4太阳能总透射比〔g〕total solar energy transmittance通过门窗或幕墙构件成为室内得热量的太阳辐射与投射到门窗或幕墙构件上的太阳辐射的比值。
《建筑门窗幕墙热工计算规程》JGJ/T 151—2008修订对照表(方框部分为删除内容,下划线部分为增加内容)s in outhh + 璃室内表面室外表面s inouth h +内表面换外表面换7.1.2 计算框的传热系数U f 时应符合下列规定:1 框的传热系数U f 应在计算窗或幕墙的某一框截面的二维热传导的基础上获得;2 在框的计算截面中,应用一块导热系数 λ=0.03[W/(m K)]的板材替代实际的玻璃(或其他镶嵌板),板材的厚度等于所替代面板的厚度,嵌入框的深度按照实际尺寸,可见部分的板材宽度b p 不应小于200mm (图7.1.2);图7.1.2 框传热系数计算模型示意图3 在室内外计算条件下,用二维热传导计算软件计算流过图示截面的热流q w ,并应按下式整理:()pf out n,in n,p p f fW )(b b T T b U b Uq +-⋅⋅+⋅=(7.1.2-1)fpp D 2f f b b U L U ⋅-=(7.1.2-2)()outn,in n,p f W D2f T T b b q L -+=(7.1.2-3) 式中 U f ——框的传热系数[W/(m 2 K)]; 7.1.2 计算框的传热系数U f 时应符合下列规定:1 框的传热系数U f 应在计算窗或幕墙的某一框截面的二维热传导的基础上获得;2 在框的计算截面中,应用一块导热系数 λ=0.03[W/(m K)]的板材替代实际的玻璃(或其他镶嵌板),板材的厚度等于所替代面板的厚度,嵌入框的深度按照实际尺寸,可见部分的板材宽度b p 不应小于200mm (图7.1.2);图7.1.2 框传热系数计算模型示意图3 在室内外计算条件下,用二维热传导计算软件计算流过图示截面的热流q w ,并应按下式整理:()pf out n,in n,p p f fW )(b b T T b U b Uq +-⋅⋅+⋅=(7.1.2-1)fpp D2f f b b U L U ⋅-=(7.1.2-2)()outn,in n,p f W D2f T T b b q L -+=(7.1.2-3)式中:U f ——框的传热系数[W/(m 2 K)];7.1.3 框与面板接缝传热系数计算模型示意图2 用二维热传导计算程序,计算在室内外标准条件下流过图示截面的热流qψ,qψ应按下式整理:()对值大于水平表面之间的温度差的绝对值,7.4.9 转换后空腔的热流方向应由空腔的垂直和水平表面之间温差来确定(图7.4.9),并应符合下列规定:1如果空腔垂直表面之间温度差的绝对值大于水平表面之间温度差的绝对值,即rt lf tp boT T T T-≥-时,热流方向是水平的;2如果空腔水平表面之间温度差的绝对值大于垂直表面之间温度差的绝对值时,热流方向应按下列规定确定:1)空腔顶部水平表面温度小于空腔底部水平表面温度,即rt lf tp boT T T T-<-,tp boT T<时,热流方向为向上;2)空腔顶部水平表面温度大于空腔底部水平表面温度,即rt lf tp boT T T T-<-,tp boT T>时,热流方向为向下。
解读:在玻璃应用中的光学热工参数本文将有关建筑玻璃常用的光学热工性能指标进行列举和解释,供生产和应用中相关技术人员准确理解及使用。
玻璃表面辐射率:也称为E值。
从Low-E玻璃开始这一词汇就频繁地被使用,是判断是否为Low-E玻璃的标准,也是表征节能特性的重要指标,直接影响着玻璃传热系数的大小。
定义为玻璃表面单位面积辐射的热量同单位面积黑体在相同温度,相同条件下辐射热量之比,数据范围为0~1.辐射率越低,玻璃吸收热量的能力越低,反射热量能力越强。
可见光透过率Visible Light Transmittance简写为Tvis,是最早被普及使用的玻璃光学性能参数。
这一指标不仅影响着建筑的通透效果,还直接影响着室内的照明能耗,所以在《公共建筑节能设计标准》中提出了“当窗墙比小于0.4时,玻璃的可见光透射比不应小于0.4”的限制要求。
可见光反射率Visible Light Reflectance:可简写为Rvis,主要用于限制玻璃幕墙的反射“光污染”现象。
在《玻璃幕墙光学性能》标准中做了如下限定:“玻璃幕墙应采用反射比不大于0.30的幕墙玻璃”,“主干道、立交桥、高架路两侧建筑物高20m以下部分,其余路段高10m以下部分如使用玻璃幕墙,应采用反射比不大于0.16的玻璃”。
太阳光透过率Solar Energy Transmittance:缩写为Tsol,在太阳光谱(300nm至2500nm)范围内,直接透过玻璃的太阳能强度对入射太阳能强度的比值。
它包括了紫外、可见和近红外能量的透射程度,但不包括玻璃吸收直接入射的太阳光能量后向外界的二次传递的能量部分。
太阳光反射率Solar Energy Reflectance: 缩写为Rsol,在太阳光谱(300nm至2500nm)范围内,玻璃反射的太阳能强度对入射太阳能强度的比值。
在实际使用中,此项指标控制的是玻璃幕墙所形成的反射“热污染”,因为太阳光中的可见光和近红外光都能形成热量,尤其是在外形具有凹面结构的玻璃幕墙上,会形成一个“太阳灶”的效果,将热量汇集于一小块区域,该区域及附近的环境就会受到严重的加热影响。
附录D 常用外窗及幕墙热工性能参数D。
0.1常用外窗的传热系数和遮阳系数见表D.0。
1。
表D。
0。
1 常用外窗的传热系数和遮阳系数2 阳台门下部门肚板部位的传热系数,当下部不作保温处理时,应按表中值采用,当作保温处理时,应按计算确定;3 贴Low—E膜的玻璃等效Low-E玻璃;5表中热工参数为各种窗型中较有代表性的数据,不同厂家、玻璃种类以及型材系列品种都有可能有较大浮动,具体数值应以法定检测机构的检测值或模拟计算报告为准。
D。
0。
2典型玻璃的光学、热工性能参数见表D。
0.2.表D。
0。
2 典型玻璃的光学、热工性能参数注:本表引自《全国民用建筑工程设计技术措施—节能专篇/建筑》,建设部工程质量安全监督与行业发展司、中国建筑标准设计研究院编,中国计划出版社,2007年。
D.0。
3采用典型玻璃、配合不同窗框,在典型窗框面积比的情况下,整窗传热系数见表D。
0.3-1和D。
0.3—2。
表D.0.3—1 典型玻璃配合不同窗框的整窗传热系数注:本表引自《全国民用建筑工程设计技术措施—节能专篇/建筑》,建设部工程质量安全监督与行业发展司、中国建筑标准设计研究院编,中国计划出版社,2007年。
表D。
0。
3—2 典型玻璃配合不同窗框的整窗传热系数注:本表引自《全国民用建筑工程设计技术措施-节能专篇/建筑》,建设部工程质量安全监督与行业发展司、中国建筑标准设计研究院编,中国计划出版社,2007年。
D。
0.4常用玻璃贴膜性能指标见表E。
0。
4。
表E.0.4 常用玻璃贴膜性能指标(参考)D。
0.5典型幕墙的光学、热工性能参数见表D.0.5—1和D。
0.5—2。
表D.0。
5—1 典型幕墙的光学、热工性能参数注:镀膜面在中空玻璃的第2面。
表D.0。
5—2 典型幕墙的光学、热工性能参数注:镀膜面在中空玻璃的第2面。
常熟--局幕墙热工性能计算书(一)本计算概况:气候分区:夏热冬冷地区工程所在城市:南京传热系数限值:≤2.80 (W/m2.K)遮阳系数限值(东、南、西向):≤0.45遮阳系数限值(北向):≤0.45(二)参考资料:《民用建筑节能设计标准(采暖居住建筑部分)》JGJ26-95《夏热冬冷地区居住建筑节能设计标准》JGJ134-2001《民用建筑热工设计规范》GB50176-93《公共建筑节能设计标准》GB50189-2005《公共建筑节能设计标准》DBJ 01-621-2005《居住建筑节能设计标准》DBJ 01-602-2004《建筑玻璃应用技术规程》JGJ 113-2003《建筑门窗玻璃幕墙热工计算规程》(JGJ/T151-2008)《建筑门窗幕墙热工计算及分析系统(W-Energy 2010)》(三)计算基本条件:1.计算实际工程所用的建筑门窗和玻璃幕墙热工性能所采用的边界条件应符合相应的建筑设计或节能设计标准。
2.设计或评价建筑门窗、玻璃幕墙定型产品的热工参数时,所采用的环境边界条件应统一采用规定的计算条件。
3.以下计算条件可供参考:(1)各种情况下都应选用下列光谱:S(λ):标准太阳辐射光谱函数(ISO 9845-1);D(λ):标准光源(CIE D65,ISO 10526)光谱函数;R(λ):视见函数(ISO/CIE 10527)。
(2)冬季计算标准条件应为:室内环境温度 T in=20℃室外环境温度 T ou t=0℃内表面对流换热系数 h c,in=3.6 W/m2.K外表面对流换热系数 h c,out=20 W/m2.K太阳辐射照度 I s=300 W/m2(3)夏季计算标准条件应为:室内环境温度 T in=25℃室外环境温度 T ou t=30℃外表面对流换热系数 h c,in=2.5 W/m2.K外表面对流换热系数 h c,out=16 W/m2.K室外平均辐射温度 T rm=T out太阳辐射照度 I s=500 W/m2(4)计算传热系数应采用冬季计算标准条件,并取I s= 0 W/m2。
玻璃应用中的光学热工参数玻璃表面辐射率玻璃表面辐射率:也称为E值。
它是指为玻璃表面单位面积辐射的热量同单位面积黑体在相同温度、相同条件下辐射热量之比,数据范围为0~1,辐射率越低,玻璃吸收热量的能力越低,反射热量能力越强。
可见光反射比主要用于限制玻璃幕墙的反射“光污染”现象。
《玻璃幕墙光学性能》标准中做了如下限定:“玻璃幕墙应采用反射比不大于0.30的幕墙玻璃”,“主干道、立交桥、高架路两侧建筑物高20m以下部分,其余路段高10m以下部分如使用玻璃幕墙,应采用反射比不大于0.16的玻璃”。
太阳光直接透射比是指在太阳光谱(300nm~2500nm)范围内,直接透过玻璃的太阳能强度对入射太阳能强度的比值。
它包括了紫外、可见和近红外能量的透射程度,但不包括玻璃吸收直接入射的太阳光能量后向外界的二次传递的能量部分。
太阳光直接反射比是指在太阳光谱(300nm~2500nm)范围内,玻璃反射的太阳能强度对入射太阳能强度的比值。
在实际使用中,此项指标控制的是玻璃幕墙所形成的反射“热污染”,因为太阳光中的可见光和近红外光都能形成热量,尤其是在外形具有凹面结构的玻璃幕墙止,会形成一个“太阳灶”的效果,将热量汇集于一小块区域,该区域及附近的环境就会受到严重的加热影响。
紫外线透射比是指在紫外线光谱(280nm~380nm)范围内,透过玻璃的紫外线光强度对入射光强度的百分比。
由于太阳光中的紫外线对皮肤和家具油漆表面有损害,所以在设计大面积窗户和采光顶时,对此指标要予以限制,普通6mm白玻的紫外线透过率在60%多,降低紫外线透过率的最好办法是用PVB胶片做夹胶玻璃,用两片3mm白玻中间加上PVB胶片能够把Tuv降低到5%。
太阳能总透射比也称为太阳得热系数,是通过门窗或幕墙构件成为室内得热量的太阳辐射与投射到门窗或幕墙构件上的太阳辐射的比值。
这一指标是建筑节能计算中的重要参考因素,直接影响着室内的采暖能耗和制冷能耗。
但是人们在选购玻璃时习惯上使用遮阳系数数据来体现太阳光总透射比的高低。
解读:在玻璃应用中的光学热工参数本文将有关建筑玻璃常用的光学热工性能指标进行列举和解释,供生产和应用中相关技术人员准确理解及使用。
玻璃表面辐射率:也称为E值。
从Low-E玻璃开始这一词汇就频繁地被使用,是判断是否为Low-E玻璃的标准,也是表征节能特性的重要指标,直接影响着玻璃传热系数的大小。
定义为玻璃表面单位面积辐射的热量同单位面积黑体在相同温度,相同条件下辐射热量之比,数据范围为0~1.辐射率越低,玻璃吸收热量的能力越低,反射热量能力越强。
可见光透过率Visible Light Transmittance简写为Tvis,是最早被普及使用的玻璃光学性能参数。
这一指标不仅影响着建筑的通透效果,还直接影响着室内的照明能耗,所以在《公共建筑节能设计标准》中提出了“当窗墙比小于0.4时,玻璃的可见光透射比不应小于0.4”的限制要求。
可见光反射率Visible Light Reflectance:可简写为Rvis,主要用于限制玻璃幕墙的反射“光污染”现象。
在《玻璃幕墙光学性能》标准中做了如下限定:“玻璃幕墙应采用反射比不大于0.30的幕墙玻璃”,“主干道、立交桥、高架路两侧建筑物高20m以下部分,其余路段高10m以下部分如使用玻璃幕墙,应采用反射比不大于0.16的玻璃”。
太阳光透过率Solar Energy Transmittance:缩写为Tsol,在太阳光谱(300nm至2500nm)范围内,直接透过玻璃的太阳能强度对入射太阳能强度的比值。
它包括了紫外、可见和近红外能量的透射程度,但不包括玻璃吸收直接入射的太阳光能量后向外界的二次传递的能量部分。
太阳光反射率Solar Energy Reflectance: 缩写为Rsol,在太阳光谱(300nm至2500nm)范围内,玻璃反射的太阳能强度对入射太阳能强度的比值。
在实际使用中,此项指标控制的是玻璃幕墙所形成的反射“热污染”,因为太阳光中的可见光和近红外光都能形成热量,尤其是在外形具有凹面结构的玻璃幕墙上,会形成一个“太阳灶”的效果,将热量汇集于一小块区域,该区域及附近的环境就会受到严重的加热影响。
常熟--局幕墙热工性能计算书(一)本计算概况:气候分区:夏热冬冷地区工程所在城市:南京传热系数限值:≤2.80(W/m2.K)遮阳系数限值(东、南、西向):≤0.45遮阳系数限值(北向):≤0.45(二)参考资料:《民用建筑节能设计标准(采暖居住建筑部分)》JGJ26-951.2.太阳辐射照度I s=300W/m2(3)夏季计算标准条件应为:室内环境温度T in=25℃室外环境温度T ou t=30℃外表面对流换热系数h c,in=2.5W/m2.K外表面对流换热系数h c,out=16W/m2.K室外平均辐射温度T rm=T out太阳辐射照度I s=500W/m2(4)计算传热系数应采用冬季计算标准条件,并取I s=0W/m2。
(5)计算遮阳系数、太阳能总透射比应采用夏季计算标准条件,并取T out=25℃。
(6)抗结露性能计算的标准边界条件应为:室内环境温度T in=20℃室外环境温度T ou t=-20℃或T ou t=-30℃室内相对湿度RH=30%或RH=50%或RH=70%室外风速V=4m/s(7)计算框的太阳能总透射比g f应使用下列边界条件:q in=α·I sq in通过框传向室内的净热流(W/m2);α框表面太阳辐射吸收系数;I s太阳辐射照度=500W/m2。
4.设计或评价建筑门窗、玻璃幕墙定型产品的热工参数时,门窗框或幕墙框与墙的连接界面应作为绝热边界条件处理。
5.《公共建筑节能设计标准》GB50189-2005有关规定:(2)表4.2.2-2严寒地区B区围护结构传热系数限值表4.2.2-4夏热冬冷地区围护结构传热系数和遮阳系数限值表4.2.2-6不同气候区地面和地下室外墙热阻限值2·K 。
(1)塑料窗框:(2)木窗框木窗框的U f 值是在水气含量在12%的情况下获得,窗框厚度d f U f 图E.0.2-1:木窗框以及金属-木窗框的热传递与窗框厚度d f 的关系图E.0.2-2:不同窗户系统窗框厚度d f 的定义(3)金属窗框:框的传热系数U f 的数值可以通过下列程序获得:a)对没有热断桥的金属框,使用U f0=5.9W/(m 2·K);b)对具有断桥的金属框,U f0图E.0.2-3带热断桥的金属窗框的传热系数值金属窗框R f 的热阻通过下式获得:17.010-=f f U R () 金属窗框U f 的传热系数公式为:ed e e f f i d i i f f A h A R A h A U ,,,,1++=() /m.K 的隔热条)式中:A d.i ,A d,e ,A f,i ,A f,e ——窗各部件面积,m 2;其定义如图所示。
6.3 典型建筑门窗、幕墙的热工性能参数★★来源:全国民用建筑工程设计技术措施——节能专篇/建筑
6.3.1 典型玻璃的光学、热工性能参数见表6.3.1
6.3.2 典型外窗、玻璃幕墙的遮阳系数可根据表6.3.1,采用下式计算
f g
f f
g
g
w A
A A
SC
A
SC
SC
+•
+
•
=(6.3.2)
式中SC w——窗的遮阳系数;
SC g——玻璃或玻璃系统的遮阳系数;
SC f——框的遮阳系数,不隔热的金属型材可近似取0.15,其他可取0;
A g——窗玻璃面积(m2);
A f——窗框的投射面积(m2);
6.3.3 采用典型玻璃、配合不同窗框,在典型窗框面积比的情况下,整窗的传热系数见表 6.3.3-1和表6.3.3-2。
表6.3.3-1 典型玻璃配合不同窗框的整窗传热系数
以上部分数据为摘自书中。
以下数据为根据书中资料推导。
书中只给出了典型窗的传热系数。
根据(6.3.2)公式,计算出窗户的遮阳系数。
计算过程如下,
取窗面积为1平方米。
然后根据各自占的比例,按公式进行计例。
例如,普通窗的SC
查玻璃的遮阳系数为sc=1.0
由窗的遮阳系数为
SC(窗)=(0.15*0.15+1*0.85)/1=0.8725
隔热金属型材(大多指铝合金型材)多腔密封(指开启扇完全关闭后与窗框形成2个以上空腔的密封方式,最常见是2腔、3腔)
具体各个类典型门窗计算结果见EXCEL附表。
第三章建筑门窗玻璃幕墙热工计算一、整樘窗热工性能计算窗由多个部分组成,窗框、玻璃(或其它面板)等部分的光学性能和传热特性各不一样,在计算整窗的传热系数、遮阳系数以及可见光透射比时,应采用各部分的相应数值按面积进行加权平均计算。
窗玻璃(或者其它镶嵌板)边缘与窗框的组合传热效应所产生的附加传热以附加线传热系数(ψ)表达,简称“线传热系数”,应按照本章“框的传热计算”进行计算。
窗框的传热系数、太阳能总透射比按照本章“框的传热计算”进行计算。
窗玻璃的传热系数、太阳能总透射比、可见光透射比按照本章“玻璃光学热工性能计算”进行计算。
(一)整樘窗几何描述整樘窗应根据框截面的不同对窗框进行分类,每个不同类型窗框截面均应计算框传热系数、线传热系数。
不同类型窗框相交部分的传热系数可采用邻近框中较高的传热系数代替。
1、窗面积划分窗在进行热工计算时应按图3-1进行面积划分:(1)窗框的投影面积A f:从室内、外两侧分别投影,得到的可视框投影面积中的较大值,简称“窗框面积”;(2)玻璃的投影面积A g(或其它镶嵌板的投影面积A p):指从室内、外侧可见玻璃(或其它镶嵌板)边缘围合面积的较小值,简称“玻璃面积”;(3)整樘窗的总投影面积A t:窗框面积A f与窗玻璃面积A g(或其它镶嵌板的面积A p)之和,简称“窗面积”。
2、窗玻璃区域周长划分玻璃和框结合处的线传热系数对应的边缘长度l ψ应为框与玻璃室内、外接缝长度的较大值,见图3-2所示。
(二)整樘窗传热系数计算整樘窗的传热系数U t 采用下式计算:(3-1)式中:U t ——整樘窗的传热系数[W/(m 2·K)]; A g ——窗玻璃(或者其它镶嵌板)面积(m 2);A f ——窗框面积(m 2);A t ——整樘窗面积(m 2);l ψ——玻璃区域(或者其它镶嵌板区域)的边缘长度(m );U g ——窗玻璃(或者其它镶嵌板)的传热系数[W/(m 2·K)],按本章“玻璃光学热工性能计算”计算;U f ——窗框的传热系数[W/(m 2·K)],按本章“框的传热计算”计算;ψ——窗框和窗玻璃(或者其它镶嵌板)之间的线传热系数[W/(m 2·K )],按本章“框玻璃图3-2 窗玻璃区域周长示图的传热计算”计算。
建筑门窗、幕墙热工与节能性能参数
1. 建筑外窗、幕墙气密性能
1.1 建筑外窗、幕墙气密性能分级见表1.1-1~表1.1-3。
1.2 建筑外窗、幕墙热工性能分级见表1.2-1~表1.2-3。
2 窗框的传热系数
表2-1 塑料窗框的传热系数
2.2 木窗框窗框的传热系数
木窗框的K f值是在水汽含量在12%的情况下获得:
K f(W/m2·K)
2.3 金属窗框
框的传热系数K f的数值可以通过下列程序获得:
1) 对没有热断桥的金属框,使用K f0 = 5.9 W/(m2·K);
2) 对具有断桥的金属框,K f0的数值从图中粗线中选取;
K f0(W/m2·K)
2.4. 窗框与玻璃结合处的线传热系数
窗框与玻璃结合处的线传热系数ψ主要受间隔层材料导热系数的影响。
在没有精确计算的情况下,可采用表2-2估算窗框与玻璃结合处的线传热系数ψ:
注:这些值用来计算低辐射的中空玻璃窗,对应玻璃中部传热系数K g≤1.8W/(m2·K)的中空玻璃。
若玻璃系统的传热系数大于1.8W/(m2·K),则可以忽略附加线传热系数ψ。
3 典型玻璃及玻璃系统的光学热工参数见表3.-1。
4 典型玻璃系统、配合不同窗框、在典型窗框面积比的情况下,典型整窗传热系数。