驾驶员风险告知书2
- 格式:doc
- 大小:18.00 KB
- 文档页数:3
车辆驾驶员危险源告知书
为了保障道路交通安全,减少交通事故的发生,特向所有的车辆驾驶员告知以下危险源:
一、疲劳驾驶
长时间的驾驶容易引起驾驶员疲劳,从而影响驾驶员的判断和反应能力,增加交通事故的风险。
为避免疲劳驾驶带来的危险,驾驶员必须注意以下几点:
•遵守规定的驾驶时间和休息时间
•在长时间驾驶之前要有充足的休息和睡眠
•遇到疲劳情况要及时停车休息
二、违反交通规则
驾驶员违反交通规则容易引发交通事故,因此驾驶员必须认真遵守交通规则,特别是以下规则:
•按交通信号灯指示通行
•不擅自改变车道和超车
•不行驶车道左侧并注意行人和非机动车辆
三、机动车辆不良状态
机动车辆不良状态指机动车辆存在的机械问题,如制动失灵、方向盘失灵等,这些问题会直接影响驾驶员对车辆的控制力,从而产生危险。
为避免机动车辆不良状态带来的危险,驾驶员必须注意以下几点:
•定期做好保养和维修工作
•出现机械问题时及时停车处理
四、未经许可驾驶、超载、超速
驾驶员未经许可驾驶、超载和超速均会增加交通事故的风险,驾驶员必须严格遵守相关的规定,特别是以下规定:
•不驾驶未经许可的机动车辆
•严格控制车辆载重,不进行超载
•严格遵守交通规定的限速要求
五、其他危险源
在日常驾驶中还有其他危险源,如行车环境不良、天气恶劣、交通流量大等。
驾驶员必须根据具体情况,对这些因素进行充分的考量和预判,并做好驾驶前的准备工作,保障自身的安全。
以上内容为车辆驾驶员危险源告知书,希望所有驾驶员认真阅读并严格遵守相关规定,共同保障道路交通安全。
(驾驶员)岗位风险告知书
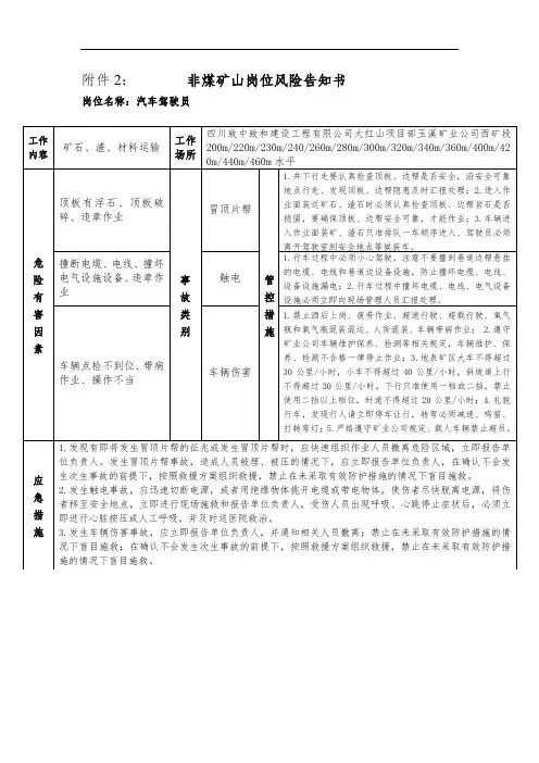
附件2:非煤矿山岗位风险告知书岗位名称:汽车驾驶员
(一)乙方应自觉接受职业健康安全环保管理制度和操作安全技术规程的培训,正确使用维护职业病防护设施和个人职业病防护用品,积极参加职业卫生知识培训,按要求参加上岗前、在岗期间和离岗时的职业健康检查。
若被检查出职业禁忌证或发现与所从事的职业相关的健康损害的,必须服从甲方为保护乙方职业健康而调离原岗位并妥善安置的工作安排。
(二)当乙方工作岗位或者工作内容发生变更,从事告知书中未告知的存在危险的作业时,甲方应与其协商变更告知书相关内容,重新签订职业病危害告知书。
(三)甲方未尽到岗位风险危害告知义务,乙方有权拒绝从事存在岗位危险、危害的作业,甲方不得因此解除与乙方所订立的劳动合同。
(四)岗位风险告知卡作为甲方与乙方签订劳动合同的附件,具有同等的法律效力。
甲方(签章)乙方(签字)
年月日年月日。
驾驶员职业危害告知书文件伊神运字【2014】号签发人:XXX营运车辆驾驶员职业危害告知书全体驾驶员同志:你们从事的营运车辆驾驶作业中,存在以下几种职业健康病:噪声性耳聋、颈椎病、综合性疲劳等其他疾病。
一、存在的职业危害:1.噪声性耳聋机动车发动机运转、汽车喇叭、所载物体的震动等,产生不同强度的噪声。
部分机动车驾驶室内噪声强度超过规定标准,喇叭声在某些地方不绝于耳。
长期在噪声的“轰击”下,易导致噪声性耳聋。
2.颈椎病每天开车,姿势相对固定,难以保持正确的姿势,引起颈部肌肉僵硬,血供不畅,发展为颈椎变形增生,从而引起颈椎病,最常见的症状是颈肩不适、疼痛、颈部僵硬、头晕乏力、上肢酸软麻木、心慌多汗。
急性颈扭伤在汽车驾驶员中较常见,其发生的主要原因是在驾驶车辆或倒车时,突然过度地扭头向后看,致使颈部肌肉、筋膜强行过度屈伸而产生痉挛、撕裂伤;高速行驶中突然急刹车,或低速行驶中突然高速加油,在惯性力的作用下,颈部肌肉产生急剧痉挛。
3.综合疲劳在开车的时候,眼睛时刻要注意路面的车辆和行人的情况。
若汽车的挡风玻璃质量粗糙或高低不平,厚薄不一,便可直接影响驾驶员的视力,导致视力疲劳综合症,会在开车过程中,出现头晕,视物模糊,两眼胀痛等症状。
4.其他疾病在道路状况不好,特别是堵车时情绪容易波动、烦燥,或遇上事故,就更难控制自己的情绪,这些都容易加重失眠、焦虑等方面的疾病,也易引起高血压等疾病。
另外,如男性驾驶员长期久座,空间密闭,温度高,会影响生殖能力。
此外,驾驶员还会因为长时间不方便而憋尿,易引起泌尿系统方面的疾病,如前列腺炎、泌尿系统感染及功能性排尿障碍等疾病。
二、防治措施:我公司已按照国家有关法律规定,对本岗位职业危害因素采取了防护措施,并配备了个人防护用品如手套、洗衣剂、茶叶等防护用品,并采取职业病保健措施:1.使用低音喇叭,降低汽车噪声的强度。
2.公司选用优质的双层夹胶的前挡风玻璃。
降低视力疲劳程度。
3.并配备了靠枕用于劲椎病的防范,另外要在开车时要保持体位正确,没事的时候多运动。
驾驶员安全风险告知为了规范对驾驶员的管理,确保公司行车安全,提高车辆的使用效率,根据公司的实际情况,与驾驶员签订安全生产责任状,责任条款如下:一、驾驶员对车辆的管理:1、定期对车辆进行保养、维修,车辆保证出车前内外整洁,驾驶员应每天在适当时间擦洗自己所开车辆,以保持车辆的清洁,包括车内、车外和引擎的清理,驾驶员应爱惜车辆,平时要注意车辆的保养,经常检查车辆的主要机件。
2、驾驶员应保持车辆整洁,车内不准吸烟,出车前要坚持三查和二勤:行车前查、停车中查、收车后查,勤擦洗、勤保养即做到机油、汽油、刹车油、冷却水、轮胎气压、制动转向、喇叭、灯光等安全、准确、可靠,保证车辆处于良好状态。
3、按期缴纳车辆的各项费用,并留有书面的费用记录作为报销依据。
4、车辆必须按时接受并通过交管部门的各项年检、审核工作,定期对车辆进行例行保养。
5、出车前,要例行检查车辆的水、电、油及其他性能是否正常,发现不正常时,要立即加补或调整。
出车回来,要检查存油量,发现油量不足时,应立即加油,不得下次出车时才临时去加油。
6、驾驶员发现所驾车辆有故障时应立即检修,立即报行政办公室,未经批准不许私下对车辆维修。
二、驾驶员对车辆事故处理:1、若驾驶员因操作不当发生车辆事故,由驾驶员负全责。
2、驾驶员发生交通事故,无论大小都必须及时上报公司,并做好伤员急救、现场保护等工作。
3、根据事故造成的损失大小,事故属于本方全部责任时,由驾驶员承担全部责任;事故属同等责任时,由驾驶员承担事故费用的50%。
4、事故发生后,驾驶员严禁欺瞒事故、逃避责任。
三、公司车辆违章的管理:1、驾驶员因超速、超载、停车等各种违章行为被罚款,罚款由驾驶员自行负责,公司不予报销。
2、驾驶员因违章被扣证、扣分,驾驶员自理。
3、驾驶员丢失行车证、保险证等相关证件,补办费用由驾驶员自行承担。
四、驾驶员的日常管理:1、驾驶员须遵守《中华人民共和国道路交通安全法》及有关交通安全管理的规章规则,安全驾车。
工种:车辆驾驶员亲爱的先生/女士:您在我项目经理部即将从事车辆驾驶员工作,为了使您更好的了解该项工作中所存在的安全风险及正确的防范措施、应急处置措施等,特编制本安全风险告知书,请您认真阅知,如您有困难或疑惑,请及时向我们专职安全员提出,他们将会向您耐心讲解。
如您确定已清楚了解所从事工作的安全风险后,请在下方签名并印上手印。
一、风险因素及防范措施:二、安全注意事项:1、车辆装载与搭人应严格执行交通规则的规定,严禁搭乘与工作无关的人员,驾驶机动车时严禁穿拖鞋。
2、车辆时速应严格遵守相关规定。
前后两车应保持安全距离。
行驶中,应随时注意交通标志和道路情况,服从交通指挥人员和信号指挥,不得违反交通规则(条例)。
3、施工道路应限速行驶,遵守项目部运料车辆的相关规定,并服从现场人员的指挥,做好配合工作。
4、严禁强行超车,禁止在刚超越后立即右驾方向或制动。
驾车必须遵守有关规定,在狭路、弯道、下坡、冰雪道路、交叉路口、过桥、交通岗附近、设有禁令标志路段及其它有障碍或视线不清的路上禁止超车。
5、通过交叉路口和岔道应先减速、鸣号,观察人车往来,随时做好制动准备,通过公路平交叉路时,禁止抢道。
6、禁止在雨天、雪、雾天、夜间盲目行驶。
雨中行驶,应尽量避免靠近路边和采用紧急制动或急速转向。
7、雾天行驶,必须打开黄色雾灯,严禁超车。
雾天能见度低于5米时,不得继续行驶,可打开视宽灯停车休息。
8、冰雪道路行驶,应适当控制车速,握稳转向盘。
会车应选择比较安全的地方,不得猛打猛回转向盘,不得在冰冻路面上使用紧急制动。
必要时应配置防滑链。
9、高速公路行驶应自觉遵守高速公路行驶条例,无特殊情况不得随意停车,遇到车辆出故障,应停在行车道右侧,白天设三角警示牌,晚上开警示灯,并及时通知交警部门。
10、夜间行车前,应预先检查灯光,并特别注意指挥信号和施工信号。
11、严禁机动车熄火、挂空档或踩离合器溜坡。
12、下长坡、陡坡前,应试踏制动器是否有效,下险峻山坡前,须停车检查转向系、制动系及轮胎等。
安全风险告知您在我项目即将从事驾驶员工作,为了使您更好的了解该项工作中所务必遵守相关的规章制度和操作规程等,特编制本安全风险告知书,请您认真阅知,如您有困难或疑惑,请及时向我们专职安全员提出,他们将会向您耐心讲解。
如您确定已清楚了解所从事工作的安全风险后,请在下方签上您的大名并盖上手印。
1.车辆装载与搭人应严格执行交通规则的规定,严禁搭乘与工作无关的人员,驾驶机动车时严禁穿拖鞋,皮卡车严禁后斗载人。
2.车辆时速应严格遵守相关规定。
前后两车应保持安全距离。
行驶中,应随时注意交通标志和道路情况,服从交通指挥人员和信号指挥,不得违反交通规则(条例)。
3.施工道路应限速行驶,遵守项目部运料车辆的相关规定,并服从现场人员的指挥,做好配合工作。
4.严禁强行超车,禁止在刚超越后立即右驾方向或制动。
驾车必须遵守有关规定,在狭路、弯道、下坡、冰雪道路、交叉路口、过桥、交通岗附近、设有禁令标志路段及其它有障碍或视线不清的路上禁止超车。
5.通过交叉路口和岔道应先减速、鸣号,观察人车往来,随时做好制动准备,通过公路平交叉路时,禁止抢道。
6.禁止在雨天、雪、雾天、夜间盲目行驶。
雨中行驶,应尽量避免靠近路边和采用紧急制动或急速转向。
7.雾天行驶,必须打开黄色雾灯,严禁超车。
雾天能见度低于5米时,不得继续行驶,可打开视宽灯停车休息。
8.冰雪道路行驶,应适当控制车速,握稳转向盘。
会车应选择比较安全的地方,不得猛打猛回转向盘,不得在冰冻路面上使用紧急制动。
必要时应配置防滑链。
9.高速公路行驶应自觉遵守高速公路行驶条例,无特殊情况不得随意停车,遇到车辆出故障,应停在行车道右侧,白天设三角警示牌,晚上开警示灯,并及时通知交警部门。
10.夜间行车前,应预先检查灯光,并特别注意指挥信号和施工信号。
11.严禁机动车熄火、挂空档或踩离合器溜坡。
12.下长坡、陡坡前,应试踏制动器是否有效,下险峻山坡前,须停车检查转向系、制动系及轮胎等。
下坡时应挂档,利用发动机阻力控制车速。
附件2:非煤矿山岗位风险告知书岗位名称:汽车驾驶员
(一)乙方应自觉接受职业健康安全环保管理制度和操作安全技术规程的培训,正确使用维护职业病防护设施和个人职业病防护用品,积极参加职业卫生知识培训,按要求参加上岗前、在岗期间和离岗时的职业健康检查。
若被检查出职业禁忌证或发现与所从事的职业相关的健康损害的,必须服从甲方为保护乙方职业健康而调离原岗位并妥善安置的工作安排。
(二)当乙方工作岗位或者工作内容发生变更,从事告知书中未告知的存在危险的作业时,甲方应与其协商变更告知书相关内容,重新签订职业病危害告知书。
(三)甲方未尽到岗位风险危害告知义务,乙方有权拒绝从事存在岗位危险、危害的作业,甲方不得因此解除与乙方所订立的劳动合同。
(四)岗位风险告知卡作为甲方与乙方签订劳动合同的附件,具有同等的法律效力。
甲方(签章)乙方(签字)
年月日年月日。
尊敬的先生/女士:您在我项目即将从事驾驶员工作,为了使您更好的了解该项工作中所务必遵守相关的规章制度和操作规程等,特编制本安全风险告知书,请您认真阅知,如您有困难或疑惑,请及时向我们专职安全员提出,他们将会向您耐心讲解。
如您确定已清楚了解所从事工作的安全风险后,请在下方签上您的大名并盖上手印。
1.车辆装载与搭人应严格执行交通规则的规定,严禁搭乘与工作无关的人员,驾驶机动车时严禁穿拖鞋,皮卡车严禁后斗载人。
2.车辆时速应严格遵守相关规定。
前后两车应保持安全距离。
行驶中,应随时注意交通标志和道路情况,服从交通指挥人员和信号指挥,不得违反交通规则(条例)。
3.施工道路应限速行驶,遵守项目部运料车辆的相关规定,并服从现场人员的指挥,做好配合工作。
4.严禁强行超车,禁止在刚超越后立即右驾方向或制动。
驾车必须遵守有关规定,在狭路、弯道、下坡、冰雪道路、交叉路口、过桥、交通岗附近、设有禁令标志路段及其它有障碍或视线不清的路上禁止超车。
5.通过交叉路口和岔道应先减速、鸣号,观察人车往来,随时做好制动准备,通过公路平交叉路时,禁止抢道。
6.禁止在雨天、雪、雾天、夜间盲目行驶。
雨中行驶,应尽量避免靠近路边和采用紧急制动或急速转向。
7.雾天行驶,必须打开黄色雾灯,严禁超车。
雾天能见度低于5米时,不得继续行驶,可打开视宽灯停车休息。
8.冰雪道路行驶,应适当控制车速,握稳转向盘。
会车应选择比较安全的地方,不得猛打猛回转向盘,不得在冰冻路面上使用紧急制动。
必要时应配置防滑链。
9.高速公路行驶应自觉遵守高速公路行驶条例,无特殊情况不得随意停车,遇到车辆出故障,应停在行车道右侧,白天设三角警示牌,晚上开警示灯,并及时通知交警部门。
10.夜间行车前,应预先检查灯光,并特别注意指挥信号和施工信号。
11.严禁机动车熄火、挂空档或踩离合器溜坡。
12.下长坡、陡坡前,应试踏制动器是否有效,下险峻山坡前,须停车检查转向系、制动系及轮胎等。
安全告知书_______, 您好:您将从事得出租车驾驶作业,存在着存在以下职业危害:1.在车辆在正常行驶中, 遇到车辆发生不可预见性机械故障或电路故障,存在危险因素。
2.在车辆正常行驶中,遇到其她车辆违规、规章驾驶,存在突发性交通事故危险因素。
3、车辆在正常行驶中,遇到铁钉、尖石、碎玻璃等异物扎破轮胎, 存在突发性交通事故危险因素。
4、车辆在上坡下坡时频繁使用制动系统, 造成制动性能下降,存在发生交通事故危险因素。
5、恶劣天气行车时,由于能见度降低,存在发生交通事故危险因素。
6.车辆正常行驶中, 遇到前方发生突发性时间,如前面车辆紧急制动,非机动车辆、行人乱穿马路等, 存在交通事故危险因素.7、车辆正常行驶时, 遇到道路上存在违法、违规施工, 或施工安全警示不明显, 存在发生交通事故危险因素。
8、夜间能见度差, 驾驶员疲劳驾驶, 存在发生交通事故危险因素。
9、车辆在加油、加气时, 遇到违规操作,存在车辆自燃等重大事故危险因素.10、驾驶员得酒后驾驶、车内吸烟、接打手机、超速、闯红灯等行为存在发生交通事故危险因素。
11、出租车驾驶作业, 存在着存在以下职业危害:1.胃病汽车驾驶员得饮食很不规律, 经常凑合一顿甚至不吃饭。
长期不合理、不规律得饮食习惯,带来得后果就就是易患消化系统疾病, 常见为消化不良、胃部疼痛,严重者会引起胃肠不出血。
2.肩周炎肩周炎就是一种驾驶员最常见得职业病, 龙其就是40岁以上得驾驶员。
驾驶员患肩周炎后由于肩关节疼痛与活动受限,不能灵活、准确地进行驾驶操作, 容易发生不安全情况。
3.腰痛长时间驾车来公会使人疲劳,还能引起疾病,以脊柱骨骼、消化与心血管三大系统疾病多见, 特别就是腰痛最常见。
久坐得人如果不加强运动,腰背肌力量薄弱, 久之就会引起腰椎变形, 常见症状有腰腿疼痛、无力、麻木.4.震动病驾驶员如果长期受到车辆在行驶中震动得影响,会导致神经系统功能下降.例如, 条件反射受到抑制,神经末梢受损, 震动觉/痛觉功能减退,对环境温度变化得适应能力降低。
驾驶员岗位风险告知卡---1. 岗位背景驾驶员是负责驾驶机动车辆运输人员和货物的岗位,承担着重要的运输任务。
在驾驶员这个岗位上,存在一定的风险和责任。
2. 风险告知作为驾驶员,你需要了解并清楚以下风险,并且承诺能够采取相应的措施来减少和预防这些风险。
2.1 道路交通事故风险驾驶员工作中最主要的风险之一就是道路交通事故。
道路交通事故可能导致人员受伤甚至死亡,并对机动车辆和货物造成严重损失。
为了减少这一风险,驾驶员需要始终保持警惕,遵守交通规则,避免疲劳驾驶,保持车辆的良好状态并做好维护保养工作。
2.2 职业病和工伤风险驾驶员长时间处于驾驶座位上,缺乏运动,容易引发职业病。
此外,驾驶员在工作中可能会遭受车辆事故、火灾等意外伤害。
为了减少这些风险,驾驶员需要进行适当的体育锻炼,保持良好的饮食惯,勤洗手,注意个人卫生,并且在必要的时候使用个人防护装备。
2.3 心理压力风险驾驶员在工作中可能会面临长时间的独立驾驶、面对行车事故和违章行为,以及应对不同乘客的要求等心理压力。
这些压力可能会对驾驶员的身心健康产生负面影响。
为了减少心理压力带来的风险,驾驶员需要保持积极的心态,学会放松自己,适当调节自己的情绪。
2.4 其他风险此外,驾驶员还可能面临被乘客侵犯、车辆被盗、遭遇突发事件等风险。
为了应对这些风险,驾驶员需要具备一定的安全意识,学会运用安全防范措施,并随时保持与调度员的及时沟通。
3. 风险控制措施为了降低岗位风险,以下是一些常见的风险控制措施,驾驶员需要严格执行:1. 遵守交通规则,不超速、不闯红灯、不疲劳驾驶。
2. 定期检查车辆状态,确保车辆的正常运行。
3. 遵循安全驾驶原则,保持安全行车距离,减少碰撞风险。
4. 每天定时进行休息和体育锻炼,减少职业病风险。
5. 研究心理调适技巧,保持良好的心态。
6. 与乘客保持适当的距离,并保持与调度员的及时沟通。
4. 签署承诺我已经了解了以上风险,并且承诺将采取必要的措施来减少和预防这些风险。
你将从事机动车驾驶作业,存在着倾翻、高空坠落、交通事故等岗位危险,予以告知。
你在作业时务必遵守相关的规章制度和操作规程,并熟记作业要点及其特性,掌握好相应的安全防范技能;进入作业场所后,要进行重新检查,发现异常情况和不安全因素必须及时采取有效措施排除;要正确使用和佩戴劳动保护用品,在做好自我防范的同时,还要认真贯彻联保互保。
同时对以下针对性措施必须经常对照执行:1、车辆装载与搭人应严格执行交通规则的规定,严禁搭乘与工作无关的人员,驾驶机动车时严禁穿拖鞋。
2、车辆时速应严格遵守相关规定。
前后两车应保持安全距离。
行驶中,应随时注意交通标志和道路情况,服从交通指挥人员和信号指挥,不得违反交通规则(条例)。
3、施工道路应限速行驶,遵守项目部运料车辆的相关规定,并服从现场人员的指挥,做好配合工作。
4、严禁强行超车,禁止在刚超越后立即右驾方向或制动。
驾车必须遵守有关规定,在狭路、弯道、下坡、冰雪道路、交叉路口、过桥、交通岗附近、设有禁令标志路段及其它有障碍或视线不清的路上禁止超车。
5、通过交叉路口和岔道应先减速、鸣号,观察人车往来,随时做好制动准备,通过公路平交叉路时,禁止抢道。
6、禁止在雨天、雪、雾天、夜间盲目行驶。
雨中行驶,应尽量避免靠近路边和采用紧急制动或急速转向。
7、雾天行驶,必须打开黄色雾灯,严禁超车。
雾天能见度低于5米时,不得1继续行驶,可打开视宽灯停车休息。
8、冰雪道路行驶,应适当控制车速,握稳转向盘。
会车应选择比较安全的地方,不得猛打猛回转向盘,不得在冰冻路面上使用紧急制动。
必要时应配置防滑链。
9、高速公路行驶应自觉遵守高速公路行驶条例,无特殊情况不得随意停车,遇到车辆出故障,应停在行车道右侧,白天设三角警示牌,晚上开警示灯,并及时通知交警部门。
10、夜间行车前,应预先检查灯光,并特别注意指挥信号和施工信号。
11、严禁机动车熄火、挂空档或踩离合器溜坡。
12、下长坡、陡坡前,应试踏制动器是否有效,下险峻山坡前,须停车检查转向系、制动系及轮胎等。
驾驶员职业危害因素安全告知书亲爱的先生/女士:由于驾驶员岗位的特殊性。
感谢您到我公司从事驾驶员岗位工作,为了使您更好的了解该项工作中所存在的安全风险及正确的防范措施、应急处置措施等事项,请您认真阅知以下内容,如您有困难或疑惑,请及时向相关部门提出。
一、职业性有害因素1.一氧化碳,会影响驾驶员的注意力。
2.噪声,会导致听觉功能敏感度下降,易引起情绪变化、易烦躁、易激动等。
3.振动,会使操作能力降低,使手部运动的准确性受到影响。
4.职业性疲劳,因长期处于高度精神紧张引起职业性紧张和手、视觉、听觉的疲劳。
二、可能产生的后果三、防范注意事项1.驾驶车辆必须携带有效证件(驾驶证、从业资格证、行驶证);禁止私自将车交给他人驾驶。
2.禁止酒后驾车、疲劳驾驶、带病或带不良情感上岗。
3.禁止违章超速、闯红灯、逆向行驶、随意变更车道等违法违规行为。
4.驾驶车辆,严禁接听手机、与人闲谈等妨碍行车安全的行为。
严禁在车厢内吸烟。
5.严格依照规定线路运营,严禁私自改变线路行驶、不按规定站点泊车。
6.发生事故和突发事件时要立即停车,疏散乘客,及时报警和报告安全稽查科,保护现场,积极抢救,认真配合处理。
严禁破坏现场、擅自处理事故、隐瞒不报或逃离现场。
报警110,火警119,救护120,安全稽查科值班电话xxxxxxx7.严格遵守行车“三检”制度,禁止驾驶不符合安全要求的车辆上路。
禁止不按车辆保养计划进行车辆保养作业的。
8.禁止“三危”物品上车,收车后巡查车厢是不是有遗留物品,发现可疑物品应及时报警。
9.夜间车辆必须停放在指定停车场,服从门卫指挥停放指定位置,车辆电门钥匙统一挂在门卫室。
二、安全设施设备使用方法1.安全锤:用安全锤敲打玻璃的边缘和四角,尤其是上方边缘中间处。
2.灭火器:拔掉保险销,手持喷管,压下压把,对准火源根部灭火。
3.前后门:紧急情况下立刻开启车门,无效时使用应急安全阀开关。
4.应急门:旋转手柄至开启位置,用力推开应急门。
尊敬的先生/女士:您在我项目即将从事驾驶员工作,为了使您更好的了解该项工作中所务必遵守相关的规章制度和操作规程等,特编制本安全风险告知书,请您认真阅知,如您有困难或疑惑,请及时向我们专职安全员提出,他们将会向您耐心讲解。
如您确定已清楚了解所从事工作的安全风险后,请在下方签上您的大名并盖上手印。
1.车辆装载与搭人应严格执行交通规则的规定,严禁搭乘与工作无关的人员,驾驶机动车时严禁穿拖鞋,皮卡车严禁后斗载人。
2.车辆时速应严格遵守相关规定。
前后两车应保持安全距离。
行驶中,应随时注意交通标志和道路情况,服从交通指挥人员和信号指挥,不得违反交通规则(条例)。
3.施工道路应限速行驶,遵守项目部运料车辆的相关规定,并服从现场人员的指挥,做好配合工作。
4.严禁强行超车,禁止在刚超越后立即右驾方向或制动。
驾车必须遵守有关规定,在狭路、弯道、下坡、冰雪道路、交叉路口、过桥、交通岗附近、设有禁令标志路段及其它有障碍或视线不清的路上禁止超车。
5.通过交叉路口和岔道应先减速、鸣号,观察人车往来,随时做好制动准备,通过公路平交叉路时,禁止抢道。
6.禁止在雨天、雪、雾天、夜间盲目行驶。
雨中行驶,应尽量避免靠近路边和采用紧急制动或急速转向。
7.雾天行驶,必须打开黄色雾灯,严禁超车。
雾天能见度低于5米时,不得继续行驶,可打开视宽灯停车休息。
8.冰雪道路行驶,应适当控制车速,握稳转向盘。
会车应选择比较安全的地方,不得猛打猛回转向盘,不得在冰冻路面上使用紧急制动。
必要时应配置防滑链。
9.高速公路行驶应自觉遵守高速公路行驶条例,无特殊情况不得随意停车,遇到车辆出故障,应停在行车道右侧,白天设三角警示牌,晚上开警示灯,并及时通知交警部门。
10.夜间行车前,应预先检查灯光,并特别注意指挥信号和施工信号。
11.严禁机动车熄火、挂空档或踩离合器溜坡。
12.下长坡、陡坡前,应试踏制动器是否有效,下险峻山坡前,须停车检查转向系、制动系及轮胎等。
驾驶员安全风险告知
为了规范对驾驶员的管理,确保公司行车安全,提高车辆的使用效率,根据公司的实际情况,与驾驶员签订安全生产责任状,责任条款如下:
一、驾驶员对车辆的管理:
1、定期对车辆进行保养、维修,车辆保证出车前内外整洁,驾驶员应每天在适当时间擦洗自己所开车辆,以保持车辆的清洁,包括车内、车外和引擎的清理,驾驶员应爱惜车辆,平时要注意车辆的保养,经常检查车辆的主要机件。
2、驾驶员应保持车辆整洁,车内不准吸烟,出车前要坚持三查和二勤:行车前查、停车中查、收车后查,勤擦洗、勤保养即做到机油、汽油、刹车油、冷却水、轮胎气压、制动转向、喇叭、灯光等安全、准确、可靠,保证车辆处于良好状态。
3、按期缴纳车辆的各项费用,并留有书面的费用记录作为报销依据。
4、车辆必须按时接受并通过交管部门的各项年检、审核工作,定期对车辆进行例行保养。
5、出车前,要例行检查车辆的水、电、油及其他性能是否正常,发现不正常时,要立即加补或调整。
出车回来,要检查存油量,发现油量不足时,应立即加油,不得下次出车时才临时去加油。
6、驾驶员发现所驾车辆有故障时应立即检修,立即报行政办公室,未经批准不许私下对车辆维修。
二、驾驶员对车辆事故处理:
1、若驾驶员因操作不当发生车辆事故,由驾驶员负全责。
2、驾驶员发生交通事故,无论大小都必须及时上报公司,并做好伤员急救、现场保护等工作。
3、根据事故造成的损失大小,事故属于本方全部责任时,由驾驶员承担全部责任;事故属同等责任时,由驾驶员承担事故费用的50%。
4、事故发生后,驾驶员严禁欺瞒事故、逃避责任。
三、公司车辆违章的管理:
1、驾驶员因超速、超载、停车等各种违章行为被罚款,罚款由驾驶员自行负责,公司不予报销。
2、驾驶员因违章被扣证、扣分,驾驶员自理。
3、驾驶员丢失行车证、保险证等相关证件,补办费用由驾驶员自行承担。
四、驾驶员的日常管理:
1、驾驶员须遵守《中华人民共和国道路交通安全法》及有关交通安全管理的规章规则,安全驾车。
2、驾驶员必须身体健康,司机年龄和身体状况符合交管部门对司机的相关要求。
3、驾驶员严格执行交通规则,保证驾驶车辆安全,严禁酒后、疲劳、无证驾车,一经发现直接辞退。
4、下班时,驾驶员要检查车辆卫生和燃油数量,并作好出车准备;驾驶员洗车、加油尽可能不占用上班时间。
5、驾驶员按照国家法律法规、交管部门的要求,及时办理相关手续和车辆、司机的审验工作。
6、驾驶人员必须着正装、作风正派、举止文明、具有3年以上安全驾驶经历,且要先经公安机关交管部门审验合格后方能聘请,严禁聘用发生过交通死亡事故,并负有责任的驾驶人驾驶公司车辆。
7、出车在外或出车归来停放车辆,注意选取停放地点和位置,不能在不准停车的路段或危险地段停车。
司机离开车辆时,要锁好保险锁,防止车辆被盗,否则驾驶员应付相应责任。
8、驾驶员对自己所开车辆的各种证件的有效性应经常检查,出车时一定保证证件齐全有效。
9、驾驶员要注意日常休息,第二天由工作的前提下严禁熬夜影响休息。
10、驾驶员驾车一定要遵守交通规则,文明开车,不准危险驾车(包括超速、紧跟、争道、赛车等)。
11、驾驶员因违章或证件不齐被罚款的,费用不予报销。
违章造成后果由当事人负责。
12、上班时间内驾驶员未被派出车的,应随时在休息室等候出车。
不准随便窜岗。
有要事确需离开休息室时,要告知管理人员去向和所需时间,经批准后方可离开。
13、驾驶员对管理人员的工作安排,应无条件服从,不准借故拖延或拒不出车。
对工作安排有意见的,事后可向分管上级领导反映。
14、驾驶员出车执行任务,遇特殊情况不能按时返回的,应及时通知管理人员,并说明原因。
15、驾驶员必须随身携带手机,并且做到24小时开机。
下班后,应将车辆停放到公司制定位置,不准私自用车。
16、驾驶员未经领导批准,不得将自己保管的车辆随便交给他人驾驶;严禁将车辆交给无证人员驾驶。
17、驾驶员所有因公费用(停车费、过路费、加油、修理等等)必须以正式有效凭证作为报销凭证,由驾驶员整理粘贴报销凭证后交负责人审核签字,方可报销。
18、驾驶员严格控制车上人数,必须保证每个乘车的员工都有固定的座位,杜绝超载。
19、通勤驾驶员保证每天按时接送员工,上下车认真核对人数,不准出现丢落员工现象。
20、驾驶员的日常管理资料和工作考核由总务部负责建立档案管理。
员工签字:
管理有限公司
项目部
20 年月日
感谢您的支持与配合,我们会努力把内容做得更好!。