日常工作点检表
- 格式:xls
- 大小:25.50 KB
- 文档页数:4
主要生产设备日常点检表
背景介绍
生产设备是企业正常运转的重要组成部分,为确保生产设备的正常运行,减少故障停机时间,保障生产计划的顺利进行,对生产设备进行日常的点检工作尤为关键。
本文档将详细介绍主要生产设备的日常点检内容及标准,供相关操作员参考和执行。
设备名称:XX设备
设备参数
•型号:
•制造商:
•技术规格:
•生产日期:
日常点检表
项目检查内容检查结果备注
电源插头是否接触良好正常 / 异常
硬件连接连接线是否松动正常 / 异常
控制面板按键是否灵敏正常 / 异常
温度设备运行时温度是否正常正常 / 异常
噪音运行时是否有异常噪音正常 / 异常
润滑润滑油是否充足正常 / 异常
运行状态设备运行是否稳定正常 / 异常
设备名称:YY设备
设备参数
•型号:
•制造商:
•技术规格:
•生产日期:
日常点检表
项目检查内容检查结果备注
电源插头是否接触良好正常 / 异常
硬件连接连接线是否松动正常 / 异常
控制面板按键是否灵敏正常 / 异常
温度设备运行时温度是否正常正常 / 异常
压力设备运行时压力是否正常正常 / 异常
消耗品当前消耗品是否充足正常 / 异常
运行状态设备运行是否稳定正常 / 异常
总结
通过对主要生产设备的日常点检,可以及时发现设备运行中的问题,保障生产过程的稳定性和安全性,提高生产效率,延长设备寿命。
建议操作员按照点检表的要求,定期对生产设备进行检查,并做好点检记录和故障处理,确保设备长期稳定运行。
以上是主要生产设备日常点检表,希。
日常工作点检表1. 工作环境检查
- [ ] 工作区域整洁有序
- [ ] 照明充足
- [ ] 温度适宜
- [ ] 通风良好
2. 设备检查
- [ ] 电脑正常运行
- [ ] 打印机有足够的纸张和墨粉
- [ ] 其他办公设备正常工作
3. 文件和资料检查
- [ ] 重要文件妥善保存
- [ ] 资料分类整理有序
- [ ] 备份重要数据
4. 工作计划检查
- [ ] 查看当天的工作安排
- [ ] 确认任务优先级
- [ ] 制定合理的时间安排
5. 沟通协作
- [ ] 与同事及时沟通
- [ ] 解决工作中的问题
- [ ] 保持良好的团队合作氛围
6. 个人状态检查
- [ ] 身体状况良好
- [ ] 精神状态集中
- [ ] 保持积极乐观的工作态度
7. 其他检查事项
- [ ] ________________________
- [ ] ________________________
- [ ] ________________________
检查日期:_______________
检查人员:_______________
备注:
__________________________________________________________________ __________________________________________________________________。
加工中心日常点检表
加工中心日常点检表
日期:____________
设备名称:_____________
序号 | 检查项目 | 检查内容 | 检查结果 | 备注
---|---|---|---|---
1 | 连接件 | 检查所有的紧固件是否松脱 | |
2 | 润滑系统 | 检查油位是否充足,油管是否有老化、损坏 | |
3 | 电气系统 | 检查电源线、接线是否有老化、损坏 | |
4 | 机床本体 | 检查机床表面是否有明显损伤、变形 | |
5 | 刀库系统 | 检查刀具插座,夹持力是否正常 | |
6 | 四轴系统 | 检查四轴传动带、联轴器是否有老化、损坏 | |
7 | 主轴系统 | 检查主轴是否正常工作,垂直度是否合格 | |
8 | 热交换器 | 检查热交换器是否有腐蚀、冷却液泄漏 | |
9 | 手动操作 | 检查手动操作的灵活性,加工精度是否正常 | |
10 | 自动操作 | 检查自动操作的流程是否正常,加工效果是否理想 | |
备注:
1. 若检查结果为异常,请记录具体异常情况并进行处理;
2. 日常点检表须每周核对一次,并做好记录;
3. 若设备长期未使用,请在重新使用前检查;
4. 点检表应存档备份,以备查阅。
岗位工作事项清单及点检表
一、岗位工作事项清单
1. 日常工作职责
处理客户咨询与投诉
维护客户关系,确保客户满意度
编制与更新工作报告
2. 项目管理
参与项目计划制定与执行
监控项目进度,确保按时交付
协调项目团队,解决项目中的问题
3. 内部沟通与协作
与其他部门保持密切沟通,确保信息畅通参与部门会议,分享工作进展与经验
协助同事解决问题,提升团队效率
4. 个人发展与学习
参加培训课程,提升专业技能
学习行业新知识,保持竞争力
定期进行自我评估,制定个人发展计划
二、点检表
1. 日常工作职责点检
是否及时处理客户咨询与投诉?
客户关系维护是否到位,客户满意度如何?
工作报告是否按时编制与更新?
2. 项目管理点检
项目计划是否制定并执行到位?
项目进度是否得到有效监控,有无延期风险?
项目团队是否协作顺畅,问题是否得到及时解决?
3. 内部沟通与协作点检
与其他部门沟通是否畅通,信息是否及时传递?
部门会议参与情况如何,分享的工作进展与经验是否有价值?
是否积极协助同事解决问题,提升团队效率?
4. 个人发展与学习点检
是否按时参加培训课程,专业技能是否得到提升?
是否关注行业新知识,保持竞争力?
是否定期进行自我评估,制定个人发展计划并付诸实践?
通过这份岗位工作事项清单及点检表,您可以清晰地了解自己的工作职责与要求,并定期进行自我检查与评估,以确保工作的高效执行与个人持续发展。
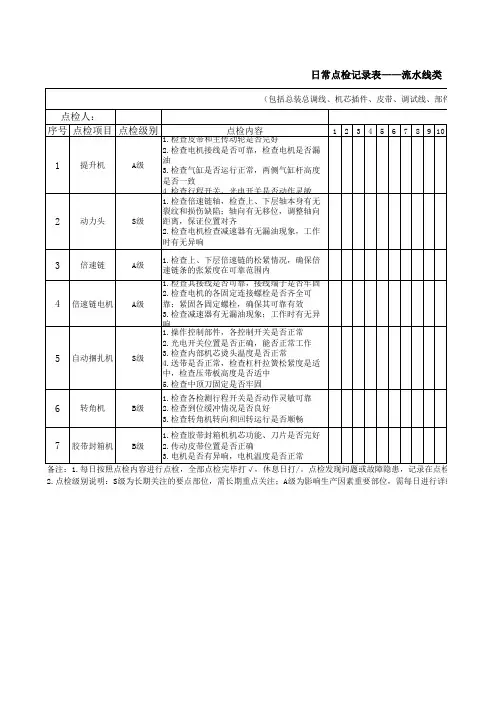
2 、发现问题必须在第一时间通知相关责任人进行整改,并及时上报;
3 、如有特殊情况在规定工作日整改不完成的,必须及时向有关领导请示;
4 、记录表需当日填写,按月进行汇总并交办公室存档。
2 、发现问题必须在第一时间通知相关责任人去现场进行整改,并及时上报;
3 、如有特殊情况在规定工作日整改不完成的,必须及时向有关领导请示。
4、记录表需当日填写,按月进行汇总并交办公室存档。
园林、卫生日常检查记录表
注:1、工作人员在检查工作时需通知物业相关人员进行陪同并做到认真细致
2、所发现问题必须及时通知相关责任人,并于一个工作日内整改完成;
用电日常监管检查记录表3 、需在当日依实填写记录表,按月进行汇总交办公室存档。