四川省汶川地震灾区(绵阳市)各乡镇一般建设工程抗震设防地震动参数一览表
- 格式:doc
- 大小:357.50 KB
- 文档页数:3
四川省各地抗震设防烈度四川,地处我国西南地区,是一个地震活动较为频繁的省份。
了解各地的抗震设防烈度对于保障人民生命财产安全、进行合理的城乡规划和建筑设计具有重要意义。
抗震设防烈度是指按国家规定的权限批准作为一个地区抗震设防依据的地震烈度。
简单来说,就是在这个地区进行建设时,需要考虑抵抗相应烈度地震的影响。
在四川,不同地区的抗震设防烈度有所差异。
这是由于四川地域广阔,地质构造复杂,各地所处的地震带和地质环境不同。
首先,我们来看成都地区。
作为四川省的省会,成都的抗震设防烈度一般为 7 度。
这意味着在成都的建筑设计和施工中,需要按照能够抵御 7 度地震的标准来进行。
而在川西地区,比如甘孜、阿坝等地,由于其处于地震活动相对更为活跃的区域,抗震设防烈度往往较高。
其中一些地区的抗震设防烈度可能达到8 度甚至更高。
这就要求在这些地方的建筑规划和建设中,要采取更加严格的抗震措施,包括使用更坚固的建筑材料、优化建筑结构等。
再看川东北地区,如南充、广安等地,抗震设防烈度一般在 6 度到7 度之间。
尽管相对川西地区地震活动稍弱,但仍不能忽视抗震设防的重要性。
川南地区,像自贡、泸州等地,抗震设防烈度也多在 6 度到 7 度。
然而,即使是在相同的烈度区域内,不同的地质条件和地形地貌也可能会对具体的抗震要求产生影响。
了解各地的抗震设防烈度,对于建筑行业来说至关重要。
在设计阶段,建筑师和工程师需要根据当地的抗震设防烈度,合理规划建筑的布局和结构形式。
例如,在高烈度地区,可能会更多地采用框架结构、剪力墙结构等具有较好抗震性能的结构形式。
对于普通民众来说,了解所在地区的抗震设防烈度也有助于提高自身的防震意识。
在购房时,可以关注房屋的抗震设计和施工质量;在日常生活中,也可以学习一些基本的防震知识和应急逃生技能。
政府部门在城市规划和建设管理中,会依据各地的抗震设防烈度制定相应的政策和标准。
例如,对于学校、医院等人员密集的公共建筑,通常会要求更高的抗震设防标准,以确保在地震发生时能够最大程度地保障人员的生命安全。
中国各地抗震设防烈度表中国各地抗震设防烈度表A.0.14 河南省1 抗震设防烈度为 8 度,设计基本地震加速度值为 0.20g:第一组:(4 个市辖区),新乡县,(4 个市辖区),安阳县,(3 个市辖区),原阳,延津,汤阴,淇县,卫辉,获嘉,范县,2 抗震设防烈度为 7 度,设计基本地震加速度值为 0.15g:第一组:(6 个市辖区),,濮阳县,长桓,封丘,修武,武陟,内黄,浚县,滑县,台前,南乐,清丰,灵宝,,陕县,林州*3 抗震设防烈度为 7 度,设计基本地震加速度值为 0.10g:第一组:(6 个市辖区),(4 个市辖区),(5 个市辖区),(2 个市辖区),开封县,许昌县,沁阳,博爱,孟州,孟津,巩义,偃师,济源,新密,新郑,民权,兰考,长葛,温县,荥阳,中牟,杞县*,*4 抗震设防烈度为 6 度,设计基本地震加速度值为 0.05g:第一组:(2 个市辖区),(2 个市辖区),,(4 个市辖区),登封,义马,虞城,夏邑,通许,尉氏,宁陵,柘城,新安,,嵩县,汝阳,伊川,禹州,郏县,宝丰,,郾城,鄢陵,扶沟,太康,鹿邑,郸城,沈丘,项城,淮阳,,商水,上蔡,临颍,西华,西平,栾川,内乡,镇平,唐河,邓州,新野,社旗,平舆,新县,,泌阳,汝南,桐柏,淮滨,息县,,遂平,光山,罗山,潢川,商城,固始,南召,舞阳*第二组:汝州,睢县,永城第三组:卢氏,洛宁,渑池A.0.15 湖北省1 抗震设防烈度为 7 度,设计基本地震加速度值为 0.10g:竹溪,竹山,房县2 抗震设防烈度为 6 度,设计基本地震加速度值为 0.05g:(13 个市辖区),荆州(2 个市辖区),荆门襄樊(2 个市辖区),襄阳,(2 个市辖区),(4 个市辖区),宜昌县,(4 个市辖区),,,麻城,团风,罗田,英山,黄冈,,浠水,蕲春,黄梅,武穴,郧西,郧县,丹江口,谷城,老河口,宜城,南漳,保康,神农架,钟祥,沙洋,远安,兴山,巴东,秭归,当阳,建始,利川,公安,宣恩,咸丰,长阳,宜都,枝江,松滋,江陵,石首,监利,洪湖,,应城,云梦,天门,仙桃,红安,安陆,潜江,嘉鱼,大冶,通山,赤壁,崇阳,通城,五峰*,京山*注:全省县级及县级以上设防城镇,设计地震分组均为第一组。
汶川地震建筑震害分析及设计改进建议[引言]汶川大地震后,福建省设协结构与抗震专业委员会组织结构专家到成都、彭州(彭州市区、通济镇、白麓镇、小鱼洞)、都江堰、绵竹市、汉旺镇等地进行震害调查,涉及的结构型式有钢筋混凝土框架、框架-剪力墙、砌体、排架、钢结构等,为了认真总结震害经验教训,分析结构的破坏机理,提出设计的改进建议,对新建筑的设计有重要的指导意义。
一、汶川地震基本参数:根据地震部门提供的数据,这次地震的基本参数如下:震级M8.0,断层为龙门山断裂,震源深度14KM,断裂长度185KM(主震),烈度分布6~11度。
这次地震震害给人的总体感觉,随地形分布,西北高震害严重,东南底震害较轻。
二、典型震害及实景照片:图1都江堰都江之春楼盘有一幢纯框架结构的七层建筑,底层空旷,上部有隔墙,图2楼梯梯板拉裂的震害图3 水泥厂结构的震害图4 白鹿镇中学在地震断裂带两侧教学楼的震害图5 都江堰都江之春楼盘底层柱破坏图6 汉旺镇东方汽轮机厂,框架结构的办公楼隔墙震害图7 汉旺镇东方汽轮机厂单层厂房震害图7 小鱼洞大桥的震害三、结构概念设计问题:1、多道抗震防线:结构必须有多道抗震防线,这是抗震设计中非常重要的一个基本概念。
在这次汶川地震中也充分表现出来,有些建筑倒塌,而有些建筑不倒,下面从空旷建筑倒塌来看结构有多道抗震防线的必要性:这次震害学校教学楼较为严重,一般说来,钢筋混凝土框架结构的抗震性能要优于砌体结构,但这次震害表明空旷的学校(框架结构)教学楼倒塌(如映秀镇漩口中学教学楼,建于2007年3月),而附近的4层砌体结构办公楼,尽管破坏非常严重,但并没倒塌。
为什么在强震作用下,性能比较好的钢筋混凝土框架结构反而不如抗震性能相对较差的砖混结构?其主要原因就是纯框架结构只有一道防线,在大震时,一旦这道防线突破,结构就丧失了全部的承载力而倒塌;而砌体结构住宅和办公楼,由于小开间布置,纵、横墙体较多,按照规范设置构造柱和圈梁,其整体性和延性较好。
四川省1 抗震设防烈度不低于 9 度,设计基本地震加速度值不小于 0.40g:第二组:康定,西昌。
2 抗震设防烈度为 8 度,设计基本地震加速度值为 0.30g:第二组:冕宁*。
3 抗震设防烈度为 8 度,设计基本地震加速度值为 0.20g:第一组:茂县,汶川,宝兴;第二组:松潘,平武,北川(震前),都江堰,道孚,泸定,甘孜,炉霍,喜德,普格,宁南,理塘;第三组:九寨沟,石棉,德昌。
4 抗震设防烈度为 7 度,设计基本地震加速度值为 0.15g:第二组:巴塘,德格,马边,雷波,天全,芦山,丹巴,安县,青州,江油,绵竹,什邡,彭州,理县,剑阁*;第三组:荥经,汉源,昭觉,布拖,甘洛,越西,雅江,九龙,木里,盐源,会东,新龙。
5 抗震设防烈度为 7 度,设计基本地震加速度值为 0.10g:第一组:自贡(自流井、大安、贡井、沿滩);第二组:绵阳(涪城、游仙),广元(利州、元坝、朝天),乐山(市中、沙湾),宜宾,宜宾县,峨边,沐川,屏山,得荣,雅安,中江,德阳,罗江,峨眉山,马尔康;第三组:成都(青羊、锦江、金牛、武侯、成华、龙泉驿、青白江、新都、温江),攀枝花(东区、西区、仁和),若尔盖,色达,壤塘,石渠,白玉,盐边,米易,乡城,稻城,双流,乐山(金口轲、五通桥),名山,美姑,金阳,小金,会理,黑水,金川,洪雅,夹江,邛崃,蒲江,彭山,丹棱,眉山,青神,郫县,大邑,崇州,新津,金堂,广汉。
6 抗震设防烈度为 6 度,设计基本地震加速度值为 0.05g:第一组:泸州(江阳、纳溪、龙马潭),内江(市中、东兴),宣汉,达州,达县,大竹,邻水,渠县,广安,华蓥,隆昌,富顺,南溪,兴文,叙永,古蔺,资中,通江,万源,巴中,阆中,仪陇,西充,南部,射洪,大英,乐至,资阳;第二组:南江,苍溪,旺苍,盐亭,三台,简阳,泸县,江安,长宁,高县,珙县,仁寿,威远;第三组:犍为,荣县,梓潼,筠连,井研,阿坝,红原。
四川省汶川地震灾区(绵阳市)各乡镇一般建设工程抗震设防地震动参数一览表市州区县乡镇Tg(s)pga(g)市州区县乡镇Tg(s)pga(g)绵阳市安县安昌镇0.40s 0.15g 绵阳市三台县花园镇0.40s 0.05g 安县宝林镇0.40s 0.15g 三台县建平镇0.40s 0.05g安县茶坪乡0.40s 0.20g 三台县进都乡0.40s 0.05g安县沸水镇0.40s 0.15g 三台县凯河镇0.40s 0.05g安县高川乡0.40s 0.20g 三台县老马乡0.40s 0.05g安县河清镇0.40s 0.15g 三台县乐安镇0.40s 0.05g安县花荄镇0.40s 0.15g 三台县乐加乡0.40s 0.05g安县黄土镇0.40s 0.15g 三台县黎曙镇0.40s 0.10g安县界牌镇0.40s 0.10g 三台县里程乡0.40s 0.05g安县乐兴镇0.40s 0.15g 三台县立新镇0.40s 0.10g安县清泉镇0.40s 0.10g 三台县灵兴镇0.40s 0.05g安县桑枣镇0.40s 0.15g 三台县刘营镇0.40s 0.05g安县睢水镇0.40s 0.15g 三台县柳池镇0.40s 0.05g安县塔水镇0.40s 0.15g 三台县龙树镇0.40s 0.05g安县晓坝镇0.40s 0.15g 三台县芦溪镇0.40s 0.05g安县兴仁乡0.40s 0.15g 三台县鲁班镇0.40s 0.05g安县秀水镇0.40s 0.15g 三台县前锋镇0.40s 0.05g安县迎新乡0.40s 0.15g 三台县秋林镇0.40s 0.05g安县永安镇0.40s 0.20g 三台县三元镇0.40s 0.05g安县永河镇0.40s 0.15g 三台县上新乡0.40s 0.05g北川坝底乡0.40s 0.20g 三台县石安镇0.40s 0.05g北川白坭乡0.40s 0.20g 三台县双胜乡0.40s 0.05g北川白什乡0.40s 0.20g 三台县塔山镇0.40s 0.05g北川陈家坝乡0.40s 0.20g 三台县潼川镇0.40s 0.05g北川都坝乡0.40s 0.20g 三台县万安镇0.40s 0.05g北川墩上乡0.40s 0.20g 三台县西平镇0.40s 0.05g北川贯岭乡0.40s 0.20g 三台县下新乡0.40s 0.05g北川桂溪乡0.40s 0.20g 三台县新德镇0.40s 0.05g北川开坪乡0.40s 0.20g 三台县新鲁镇0.40s 0.05g北川擂鼓镇0.40s 0.20g 三台县新生镇0.40s 0.05g北川马槽乡0.40s 0.20g 三台县幸福乡0.40s 0.05g北川片口乡0.40s 0.20g 三台县永明镇0.40s 0.10g北川青片乡0.40s 0.20g 三台县永新镇0.40s 0.05g北川曲山镇0.40s 0.20g 三台县玉林乡0.40s 0.05g北川桃龙藏族乡0.40s 0.20g 三台县云同乡0.40s 0.05g北川通口镇0.40s 0.15g 三台县争胜乡0.40s 0.05g北川香泉乡0.40s 0.15g 三台县中太镇0.40s 0.05g北川小坝乡0.40s 0.20g 三台县中新镇0.40s 0.05g北川漩坪乡0.40s 0.20g 三台县忠孝乡0.40s 0.05g北川禹里乡0.40s 0.20g 三台县安居镇0.35s 0.05g 涪城区朝阳街道0.40s 0.10g 三台县宝泉乡0.35s 0.05g 涪城区城北街道0.40s 0.10g 三台县景福镇0.35s 0.05g 涪城区城郊乡0.40s 0.10g 三台县菊河乡0.35s 0.05g 涪城区城南街道0.40s 0.10g 绵阳市三台县郪江镇0.35s 0.05g 涪城区城厢街道0.40s 0.10g 三台县曙光乡0.35s 0.05g 涪城区创业园街道0.40s 0.10g 三台县双乐乡0.35s 0.05g 绵阳市涪城区丰谷镇0.40s 0.10g 盐亭县八角镇0.35s 0.05g涪城区高新街道0.40s 0.10g 盐亭县黄溪乡0.35s 0.05g 涪城区工区街道0.40s 0.10g 盐亭县榉溪乡0.35s 0.05g 涪城区关帝镇0.40s 0.10g 盐亭县林农镇0.35s 0.05g 涪城区河边镇0.40s 0.10g 盐亭县麻秧乡0.35s 0.05g 涪城区金峰镇0.40s 0.10g 盐亭县三元乡0.35s 0.05g 涪城区龙门镇0.40s 0.10g 盐亭县五龙乡0.35s 0.05g 涪城区磨家镇0.40s 0.10g 盐亭县永泰乡0.35s 0.05g 涪城区南山街道0.40s 0.10g 盐亭县玉龙镇0.35s 0.05g 涪城区青义镇0.40s 0.10g 盐亭县安家镇0.40s 0.05g 涪城区石洞乡0.40s 0.10g 盐亭县柏梓镇0.40s 0.05g 涪城区石塘镇0.40s 0.10g 盐亭县茶亭乡0.40s 0.05g 涪城区塘讯街道0.40s 0.10g 盐亭县大兴回族乡0.40s 0.05g 涪城区吴家镇0.40s 0.10g 盐亭县冯河乡0.40s 0.05g 涪城区新皂镇0.40s 0.10g 盐亭县富驿镇0.40s 0.05g 涪城区杨家镇0.40s 0.10g 盐亭县黑坪镇0.40s 0.05g 涪城区永兴镇0.40s 0.10g 盐亭县黄甸镇0.35s 0.05g 涪城区玉皇镇0.40s 0.10g 盐亭县剑河乡0.40s 0.05g 江油市八一乡0.40s 0.15g 盐亭县金安乡0.40s 0.05g 江油市北城乡0.40s 0.15g 盐亭县巨龙镇0.40s 0.05g 江油市长钢街道0.40s 0.15g 盐亭县来龙乡0.40s 0.05g 江油市大康镇0.40s 0.15g 盐亭县两岔河乡0.40s 0.05g 江油市大堰乡0.40s 0.10g 盐亭县两河镇0.40s 0.05g 江油市东安乡0.40s 0.10g 盐亭县林山乡0.40s 0.05g 江油市东兴乡0.40s 0.10g 盐亭县毛公乡0.40s 0.05g 江油市二郎庙镇0.40s 0.15g 盐亭县石牛庙乡0.40s 0.05g 江油市方水乡0.40s 0.10g 盐亭县双碑乡0.40s 0.05g 江油市枫顺乡0.40s 0.15g 盐亭县新农乡0.40s 0.05g 江油市贯山乡0.40s 0.10g 盐亭县云溪镇0.40s 0.05g 江油市含增长钢街道0.40s 0.15g 游仙区白蝉乡0.40s 0.05g 江油市含增镇0.40s 0.15g 游仙区柏林镇0.40s 0.10g 江油市河口镇0.40s 0.10g 游仙区朝真乡0.40s 0.10g 江油市厚坝镇0.40s 0.15g 游仙区沉抗镇0.40s 0.10g 江油市华平街道办事处0.40s 0.15g 游仙区东林乡0.40s 0.10g 江油市敬元乡0.40s 0.15g 游仙区东宣乡0.40s 0.05g 江油市九岭镇0.40s 0.15g 游仙区凤凰乡0.40s 0.10g 江油市六合乡0.40s 0.15g 游仙区涪江街道0.40s 0.10g 江油市龙凤镇0.40s 0.10g 游仙区富乐街道办事处0.40s 0.10g 江油市马角镇0.40s 0.15g 游仙区观太乡0.40s 0.10g 江油市青莲镇0.40s 0.15g 游仙区建华乡0.40s 0.10g 江油市三合镇0.40s 0.15g 游仙区街子乡0.40s 0.10g 江油市石元乡0.40s 0.15g 游仙区科学城街道办事处0.40s 0.10g 江油市双河镇0.40s 0.15g 游仙区刘家镇0.40s 0.05g 江油市太平镇0.40s 0.15g 游仙区石板镇0.40s 0.10g 江油市铜星乡0.40s 0.15g 游仙区石马镇0.40s 0.10g 江油市文胜乡0.40s 0.15g 绵阳市游仙区松垭镇0.40s 0.10g 江油市武都长钢街道0.40s 0.15g 游仙区太平乡0.40s 0.10g 江油市武都镇0.40s 0.15g 游仙区魏城镇0.40s 0.10g 绵阳市江油市西屏乡0.40s 0.15g 游仙区小枧沟镇0.40s 0.10g 江油市香水乡0.40s 0.15g 游仙区新桥镇0.40s 0.10g 江油市小溪坝镇0.40s 0.15g 游仙区徐家镇0.40s 0.10g江油市新安镇0.40s 0.10g 游仙区游仙镇0.40s 0.10g 江油市新春乡0.40s 0.15g 游仙区玉河镇0.40s 0.05g 江油市新兴乡0.40s 0.10g 游仙区云凤乡0.40s 0.10g 江油市雁门镇0.40s 0.15g 游仙区忠兴镇0.40s 0.10g 江油市义新乡0.40s 0.10g 游仙区梓绵乡0.40s 0.05g 江油市永胜镇0.40s 0.15g 梓潼县白云镇0.40s 0.10g 江油市云集乡0.40s 0.15g 梓潼县宝石乡0.40s 0.05g 江油市战旗镇0.40s 0.10g 梓潼县长卿镇0.40s 0.05g 江油市彰明镇0.40s 0.15g 梓潼县大新乡0.40s 0.05g 江油市中坝镇0.40s 0.15g 梓潼县定远乡0.40s 0.05g 江油市重华镇0.40s 0.10g 梓潼县东石乡0.40s 0.05g 江油市重兴乡0.40s 0.10g 梓潼县二洞乡0.40s 0.05g 平武县坝子乡0.40s 0.20g 梓潼县观义镇0.40s 0.05g 平武县白马藏族乡0.40s 0.20g 梓潼县宏仁乡0.40s 0.10g 平武县大桥镇0.40s 0.20g 梓潼县豢龙乡0.40s 0.10g 平武县大印镇0.40s 0.20g 梓潼县建兴乡0.40s 0.10g 平武县豆叩镇0.40s 0.20g 梓潼县交泰乡0.40s 0.05g 平武县高村乡0.40s 0.20g 梓潼县金龙场乡0.40s 0.10g 平武县古城镇0.40s 0.20g 梓潼县黎雅镇0.40s 0.10g 平武县虎牙藏族乡0.40s 0.20g 梓潼县马鸣乡0.40s 0.05g 平武县黄羊关藏族乡0.40s 0.20g 梓潼县马迎乡0.40s 0.05g 平武县旧堡乡0.40s 0.20g 梓潼县玛瑙镇0.40s 0.05g 平武县阔达乡0.40s 0.20g 梓潼县仁和镇0.40s 0.05g 平武县龙安镇0.40s 0.20g 梓潼县三泉乡0.40s 0.10g 平武县木皮藏族乡0.40s 0.20g 梓潼县石牛镇0.40s 0.10g 平武县木座藏族乡0.40s 0.20g 梓潼县石台乡0.40s 0.10g 平武县南坝镇0.40s 0.20g 梓潼县双板乡0.40s 0.10g 平武县平南羌族乡0.40s 0.20g 梓潼县双峰乡0.40s 0.05g 平武县平通镇0.40s 0.20g 梓潼县文昌镇0.40s 0.05g 平武县水观乡0.40s 0.20g 梓潼县文兴乡0.40s 0.05g 平武县水晶镇0.40s 0.20g 梓潼县卧龙镇0.40s 0.10g 平武县水田乡0.40s 0.20g 梓潼县仙鹅乡0.40s 0.10g 平武县泗耳藏族乡0.40s 0.20g 梓潼县仙峰乡0.40s 0.10g 平武县锁江羌族乡0.40s 0.20g 梓潼县小垭乡0.40s 0.10g 平武县土城乡0.40s 0.20g 梓潼县许州镇0.40s 0.10g 平武县响岩镇0.40s 0.20g 梓潼县演武乡0.40s 0.10g 平武县徐塘羌族乡0.40s 0.20g 绵阳市梓潼县自强镇0.40s 0.05g 绵阳市三台县八洞镇0.40s 0.05g三台县百顷镇0.40s 0.05g三台县北坝镇0.40s 0.05g三台县东塔镇0.40s 0.05g三台县断石乡0.40s 0.05g三台县富顺镇0.40s 0.05g三台县高堰乡0.40s 0.05g三台县古井镇0.40s 0.05g三台县观桥镇0.40s 0.05g绵阳市三台县光辉镇0.40s 0.05g。
第30卷 第5期重庆建筑大学学报V ol .30 No .52008年10月Journal of Chongqing Jianzhu University Oct .20085·12汶川地震绵阳市区房屋震害统计与分析韩 军, 李英民, 刘立平, 郑妮娜, 王丽萍, 刘建伟(重庆大学 土木工程学院,重庆 400045)摘要:历次大地震的经验总结是推动建筑抗震技术发展的重要途径。
通过绵阳市区房屋在汶川大地震后的震害应急评估和调查,对市区各类房屋结构的震害进行了统计,总结分析各类房屋的震害特征和经验教训。
得到一些启示和建议:绵阳市区按现行抗震规范设计的房屋基本经受住了地震考验;不同的结构体系表现出的抗震性能差别较大;老旧房屋始终是抗震薄弱环节,应有选择地进行抗震鉴定加固,开展砖混结构墙体抗震防裂措施研究,采取措施有效减轻框架结构中填充墙等非结构构件的震害,开展楼梯抗震设计计算与构造措施的研究。
关键词:汶川地震;震害;震害分析;抗震中图分类号:TU352.1,P315.9 文献标志码:A 文章编号:1006-7329(2008)05-0021-06Building Damage in Mianyang City Caused by the May 12,2008Earthquake in Wenchuan ,Sichuan Province ,P .R .ChinaHAN Jun ,LI Ying -min ,LIU Li -ping ,ZHENG Ni -na ,WANG Li -ping ,LIU Jian -w ei(Co llege of Civ il Enginee ring ,Cho ng qing U nive rsity ,Cho ng qing 400045,P .R .China )A bstract :Sum marizing building damage in all previous large earthquakes is an impor tant appro ach to promo tethe develo pment of structural seismic design .We co nducted a statistical analy sis o f the earthquake damage to various buildings in Mianyang city ,Sichuan pro vince ,P .R .China .This analy sis w as based o n the em ergency assessment and investigatio n of building dam ag e in Miany ang city caused by the large ea rthquake that occurred on M ay 12,2008in Wenchuan .We also sum marize the damage characte ristics of different buildings and the lesso ns learned .We present the fo llowing finding s and sugg estions fo r structural seismic desig n :(1)Building s in Miany ang designed according to current seismic code w ithstood the rare earthquake .(2)Different structural sy stem s have obviously va ried seismic behavio rs .(3)Old buildings alw ay s have been the w eak links in ear thquakes ,and should be ev aluated and streng thened selectively after an earthquake .(4)Studies of anti -cracking measure s for masonry w alls should be conducted .(5)Effective measures should be taken to reduce ear thquake damage to non -structural co mpo nents ,for example ,infill w alls in frames .(6)Seismic desig n methods and construction measures fo r stairs should be studied .Key words :Wenchuan ear thquake ;earthquake dam ag e ;earthquake damage analysis ;seismic resistance 2008年5月12日14时28分,四川省阿坝州汶川县发生了里氏8.0级地震,震中为北纬31.0°,东经103.4°,位于汶川县映秀镇,震源深度为14km ,属于浅源地震。
中国各地抗震设防烈度表河南省1 抗震设防烈度为 8 度,设计根本地震加速度值为 0.20g:第一组:新乡〔4 个市辖区〕,新乡县,安阳〔4 个市辖区〕,安阳县,鹤壁〔3 个市辖区〕,原阳,延津,汤阴,淇县,卫辉,获嘉,范县,辉县2 抗震设防烈度为 7 度,设计根本地震加速度值为 0.15g:第一组:郑州〔6 个市辖区〕,濮阳,濮阳县,长桓,封丘,修武,武陟,内黄,浚县,滑县,台前,南乐,清丰,灵宝,三门峡,陕县,林州*3 抗震设防烈度为 7 度,设计根本地震加速度值为 0.10g:第一组:洛阳〔6 个市辖区〕,焦作〔4 个市辖区〕,开封〔5 个市辖区〕,南阳〔2 个市辖区〕,开封县,许昌县,沁阳,博爱,孟州,孟津,巩义,偃师,济源,新密,新郑,民权,兰考,长葛,温县,荥阳,中牟,杞县*,许昌*4 抗震设防烈度为 6 度,设计根本地震加速度值为 0.05g:第一组:商丘〔2 个市辖区〕,信阳〔2 个市辖区〕,漯河,平顶山〔4 个市辖区〕,登封,义马,虞城,夏邑,通许,尉氏,宁陵,柘城,新安,宜阳,嵩县,汝阳,伊川,禹州,郏县,宝丰,襄城,郾城,鄢陵,扶沟,太康,鹿邑,郸城,沈丘,项城,淮阳,周口,商水,上蔡,临颍,西华,西平,栾川,内乡,镇平,唐河,邓州,新野,社旗,平舆,新县,驻马店,泌阳,汝南,桐柏,淮滨,息县,正阳,遂平,光山,罗山,潢川,商城,固始,南召,舞阳* 第二组:汝州,睢县,永城第三组:卢氏,洛宁,渑池湖北省1 抗震设防烈度为 7 度,设计根本地震加速度值为 0.10g:竹溪,竹山,房县2 抗震设防烈度为 6 度,设计根本地震加速度值为 0.05g:武汉〔13 个市辖区〕,荆州〔2 个市辖区〕,荆门襄樊〔2 个市辖区〕,襄阳,十堰〔2 个市辖区〕,宜昌〔4 个市辖区〕,宜昌县,黄石〔4 个市辖区〕,恩施,咸宁,麻城,团风,罗田,英山,黄冈,鄂州,浠水,蕲春,黄梅,武穴,郧西,郧县,丹江口,谷城,老河口,宜城,南漳,保康,神农架,钟祥,沙洋,远安,兴山,巴东,秭归,当阳,建始,利川,公安,宣恩,咸丰,长阳,宜都,枝江,松滋,江陵,石首,监利,洪湖,孝感,应城,云梦,天门,仙桃,红安,安陆,潜江,嘉鱼,大冶,通山,赤壁,崇阳,通城,五峰*,京山*注:全省县级及县级以上设防城镇,设计地震分组均为第一组。
四川省抗震设防烈度精选文档TTMS system office room 【TTMS16H-TTMS2A-TTMS8Q8-四川省1抗震设防烈度不低于 9 度,设计基本地震加速度值不小于 0.40g:第二组:康定,西昌。
2抗震设防烈度为 8 度,设计基本地震加速度值为 0.30g:第二组:冕宁*。
3抗震设防烈度为 8 度,设计基本地震加速度值为 0.20g:第一组:茂县,汶川,宝兴;第二组:松潘,平武,北川(震前),都江堰,道孚,泸定,甘孜,炉霍,喜德,普格,宁南,理塘;第三组:九寨沟,石棉,德昌。
4抗震设防烈度为 7 度,设计基本地震加速度值为 0.15g:第二组:巴塘,德格,马边,雷波,天全,芦山,丹巴,安县,青州,江油,绵竹,什邡,彭州,理县,剑阁*;第三组:荥经,汉源,昭觉,布拖,甘洛,越西,雅江,九龙,木里,盐源,会东,新龙。
5抗震设防烈度为 7 度,设计基本地震加速度值为 0.10g:第一组:自贡(自流井、大安、贡井、沿滩);第二组:绵阳(涪城、游仙),广元(利州、元坝、朝天),乐山(市中、沙湾),宜宾,宜宾县,峨边,沐川,屏山,得荣,雅安,中江,德阳,罗江,峨眉山,马尔康;第三组:成都(青羊、锦江、金牛、武侯、成华、龙泉驿、青白江、新都、温江),攀枝花(东区、西区、仁和),若尔盖,色达,壤塘,石渠,白玉,盐边,米易,乡城,稻城,双流,乐山(金口轲、五通桥),名山,美姑,金阳,小金,会理,黑水,金川,洪雅,夹江,邛崃,蒲江,彭山,丹棱,眉山,青神,郫县,大邑,崇州,新津,金堂,广汉。
6抗震设防烈度为 6 度,设计基本地震加速度值为 0.05g:第一组:泸州(江阳、纳溪、龙马潭),内江(市中、东兴),宣汉,达州,达县,大竹,邻水,渠县,广安,华蓥,隆昌,富顺,南溪,兴文,叙永,古蔺,资中,通江,万源,巴中,阆中,仪陇,西充,南部,射洪,大英,乐至,资阳;第二组:南江,苍溪,旺苍,盐亭,三台,简阳,泸县,江安,长宁,高县,珙县,仁寿,威远;第三组:犍为,荣县,梓潼,筠连,井研,阿坝,红原。
《汶川特大地震绵阳抗震救灾志》编纂委员会文件绵震灾志〔2009〕1号《汶川特大地震绵阳抗震救灾志》编纂委员会关于印发《汶川特大地震绵阳抗震救灾志》篇目(征求意见稿)的通知各县市区人民政府,科技城管委会,绵阳军分区,各园区管委会,科学城办事处,市级各部门:为做好《汶川特大地震绵阳抗震救灾志》的编纂工作,现将《汶川特大地震绵阳抗震救灾志》篇目(征求意见稿)印发你们,请结合编纂工作实际予以修改完善,并及时报《汶川特大地震绵阳抗震救灾志》编委会办公室审定。
联系人:晏茂川李维怡电话:2317433。
附件:《汶川特大地震绵阳抗震救灾志》篇目(征求意见稿)二00九年十月十三日《汶川特大地震绵阳抗震救灾志》篇目(征求意见稿)图照序凡例概述大事记第一篇灾情无题小序第一章地质构造与地震监测第一节自然地理环境第二节龙门山地质构造第三节汶川特大地震地表破裂带第四节地震监测(含震前监测和余震监测)第二章地质灾害与次生灾害第一节地质灾害第二节次生灾害第三章灾情概况第一节北川羌族自治县第二节平武县第三节安县第四节其他县(市、区)第五节开发区、工业园区附表:全市人员伤亡表(含死、伤、失踪)第四章房屋财产损失第一节房屋损毁第二节财产损失第五章生态环境灾情第一节植被第二节水文第三节土壤第四节野生动物第五节自然保护区和森林公园第六章基础设施灾情第一节公路设施第二节铁路设施第三节通讯设施第四节邮政设施第五节电力设施第六节市政公用设施第七节石油和天然气设施第八节水利设施第七章工业灾情第一节市属工业第二节县属工业第三节工业园区第四节重点企业第八章农业灾情第一节种植业第二节畜牧业第三节水产渔业第四节农业机械第五节林业第六节城镇、农村沼气第九章商业、服务业和建筑业灾情第一节商贸业第二节金融业第三节建筑业、房地产业第十章党政机关和社会事业设施灾情第一节党政机关设施第二节教育设施第三节医疗卫生设施第四节科技设施第五节文化设施第六节体育设施第七节社会福利设施第十一章文化和旅游业灾情第一节羌文化的毁损第二节文化遗产灾情第三节文物毁损第四节旅游业第二篇抢险救灾无题小序第一章组织指挥第一节中共中央和国家领导人在绵阳指挥抗震救灾第二节中央军委、总部领导在绵阳指挥抗震救灾第三节成都军区、济南军区、二炮领导在绵阳指挥抗震救灾第四节四川省领导人在绵阳指挥抗震救灾第五节四川省抗震救灾指挥部驻绵阳工作组工作第六节绵阳市抗震救灾指挥部工作第七节驻绵军事机关抗震救灾指挥部工作第八节县(市、区)抗震救灾指挥部工作第九节绵阳市领导在极重灾区组织指挥抗震救灾记略第二章救援第一节军队救援第二节民兵、预备役救援第三节武警、消防救援第四节公安、特警救援第五节国家部委救援第六节省、直辖市、自治区救援第七节省内市(州)救援第八节市内救援第九节社会救援第十节志愿者救援第十一节国外专业救援第三章抢救生命财产第一节自救互救第二节重点抢救(含设施与重要人物)第三节搜救第四节抢救保护国家财产第四章灾民临时安置第一节九洲体育馆第二节南河体育中心第三节县(市、区)临时安置点第五章抢修基础设施第一节交通设施第二节通讯设施第三节应急供电和电力设施第四节广电设施第五节特种设备排查与抢修第六章新闻宣传第一节新闻发布会第二节电视台、广播电台第三节报纸、杂志第四节网络第七章唐家山堰塞湖除险、避险第一节堰塞湖的形成第二节除险第三节避险第八章防治次生灾害第一节堰塞湖排险第二节治理水利隐患第三节防治塌方、滑坡、泥石流第四节拆除高危建筑第九章维护稳定第一节维护治安秩序第二节稳定市场第三节处置突发事件第四节打击刑事犯罪第五节守护重点目标第十章救援保障第一节监测评估第二节运输保障(含公路运输、铁路运输、空中运输)第三节物资保障第四节资金保障第五节财税政策第六节特殊金融政策与保险措施第三篇医疗防疫无题小序第一章组织部署第一节市委、市政府决策部署第二节卫生系统组织部署第三节政策支持第二章医疗卫生救援第一节国家医疗卫生救援第二节军队和武警部队医疗卫生救援第三节省、直辖市、自治区医疗卫生救援第四节港、澳、台医疗卫生救援第五节国际医疗卫生救援第六节市内医疗卫生救援第三章医疗救治第一节现场紧急救治第二节市内救治第三节转送外地救治第四节心理治疗第四章卫生防疫第一节传染病和突发公共卫生事件防控(含遗体处理)第二节食品、药品和饮用水卫生安全管理第三节环境卫生处理第四节动物卫生防疫第五节爱国卫生运动与健康教育第五章灾区医疗卫生服务恢复第一节恢复医疗服务秩序和能力第二节医疗对口支援第三节恢复防疫服务秩序和能力第四节防疫对口支援第六章救援保障第一节医疗后勤保障第二节防疫后勤保障第三节安全保障第四篇赈灾无题小序第一章组织发动与管理第一节组织管理机构第二节救助法规及政策第二章捐赠第一节中央、国家机关和部队捐赠第二节省、直辖市、自治区捐赠第三节民主党派、人民团体与社会组织捐赠第四节港、澳、台胞、海外侨胞及国际社会捐赠第五节志愿者队伍捐赠第六节省内市(州)捐赠第七节市内捐赠第八节特殊党费附表:1.捐赠资金总额2.捐赠物资总额第三章救灾资金和物资使用第一节协调机构第二节资金协调使用第三节物资协调使用第四章救灾资金和物资监管第一节救灾资金监管第二节救灾物资监管第五章灾区群众生活第一节生活救助第二节安置灾民第三节危房鉴定第四节市场供应第五节文化生活第六章灾区重要民政事务第一节抚慰活动第二节地震伤残人员康复第三节“三孤”人员安置第四节劳动就业第五节社会保险第五篇灾后重建无题小序第一章组织领导第一节市委、市政府决策部署第二节灾后重建工作机构第二章法规和政策第一节市委、市政府法规、政策第二节市级部门重建政策第三节县(市、区)重建政策第四节对口支持重建政策第五节移民安置第三章重建规划第一节总体规划第二节北川新县城规划第三节其他专项规划第四章对口支援第一节国家和省、市的支援重建规划第二节山东省支援北川羌族自治县重建第三节河北省支援平武县重建第四节辽宁省支援安县重建第五节河南省支援江油市重建第六节其他县区的对口支援与重建第五章住房重建第一节资金补助与组织实施第二节农村居民住房第三节城镇居民住房第四节其他住房第五节居民区设施配套第六章工业重建第一节县(市、区)工业第二节主要产业第三节工业园区第四节重点企业第七章农业重建第一节水利设施第二节种植技术服务体系第三节畜牧良种繁育体系第四节生态修复第五节土地利用第八章交通重建第一节公路第二节铁路第三节船舶渡口第四节汽车站第九章文化和旅游重建第一节羌文化保护第二节文物保护第三节非物质文化遗产保护第四节公共文化服务设施第五节广播影视第六节新闻出版第七节体育设施第八节旅游设施第十章科教重建第一节校园重建第二节教育管理和科研机构第三节科学技术第十一章医疗卫生重建第一节医院第二节计生机构第三节医疗防疫管理机构第四节其他医疗卫生机构第十二章信息产业重建第一节邮政第二节通讯第三节电子政务第四节无线电管理第十三章电力重建第一节输变电工程第二节供用电网络第十四章市场服务体系重建第一节商品零售网络第二节生活服务网络第三节商贸批发体系第四节物流配送体系第五节粮食流通体系第六节金融信贷服务第十五章防灾减灾重建第一节灾害风险治理第二节监测预警第三节应急指挥和救援救助第十六章精神家园重建第一节宣传第二节心理康复工程第三节地震遗址保护第十七章实施保障第一节组织协调第二节资金筹集、监督与审计第三节中期评估第四节规划调整第五节监督检查第六节全面总结第六篇英模人物和英雄(先进)集体无题小序第一章英模传第一节中共中央、国务院、中央军委表彰且牺牲的全国抗震救灾模范第二节中央军委表彰和记功且牺牲的抗震救灾模范第三节省部级表彰且牺牲的抗震救灾模范第四节烈士第五节国家和省部级表彰且牺牲的灾后重建的英模第二章英模简介第一节中共中央、国务院、中央军委表彰的抗震救灾模范第二节中央文明委表彰的抗震救灾英雄少年第三节四总部联合表彰的抗震救灾模范第四节中共四川省委、省政府表彰的抗震救灾模范第三章英模表第一节中共中央组织部表彰的抗震救灾模范第二节中央文明委表彰的抗震救灾英雄少年第三节四总部联合表彰的抗震救灾模范第四节中共四川省委“七一”表彰的抗震救灾模范第五节市委、市政府表彰的抗震救灾模范第四章英雄(先进)集体简介第一节中共中央、国务院、中央军委表彰的抗震救灾英雄(先进)集体第二节四总部联合表彰的抗震救灾英雄(先进)集体第三节中共四川省委、省政府表彰的抗震救灾英雄(先进)集体第五章英雄(先进)集体名录(市委、市政府表彰)附录主要收录与汶川特大地震抗震救灾有关的、有重大社会、文献价值的法规、文件、报道、艺文、图书等原始文献(原件、节录或目录),少量收入具有存史价值的图片、照片。
5.方茴说:"那时候我们不说爱,爱是多么遥远、多么沉重的字眼啊。
我们只说喜欢,就算喜欢也是偷偷摸摸的。
"6.方茴说:"我觉得之所以说相见不如怀念,是因为相见只能让人在现实面前无奈地哀悼伤痛,而怀念却可以把已经注定的谎言变成童话。
"7.在村头有一截巨大的雷击木,直径十几米,此时主干上唯一的柳条已经在朝霞中掩去了莹光,变得普普通通了。
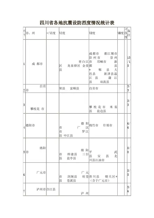
四川省各地抗震设防烈度情况统计表1."噢,居然有土龙肉,给我一块!"2.老人们都笑了,自巨石上起身。
而那些身材健壮如虎的成年人则是一阵笑骂,数落着自己的孩子,拎着骨棒与阔剑也快步向自家中走去。
5.方茴说:"那时候我们不说爱,爱是多么遥远、多么沉重的字眼啊。
我们只说喜欢,就算喜欢也是偷偷摸摸的。
"6.方茴说:"我觉得之所以说相见不如怀念,是因为相见只能让人在现实面前无奈地哀悼伤痛,而怀念却可以把已经注定的谎言变成童话。
"7.在村头有一截巨大的雷击木,直径十几米,此时主干上唯一的柳条已经在朝霞中掩去了莹光,变得普普通通了。
2.老人们都笑了,自巨石上起身。
而那些身材健壮如虎的成年人则是一阵笑骂,数落着自己的孩子,拎着骨棒与阔剑也快步向自家中走去。
5.方茴说:"那时候我们不说爱,爱是多么遥远、多么沉重的字眼啊。
我们只说喜欢,就算喜欢也是偷偷摸摸的。
"6.方茴说:"我觉得之所以说相见不如怀念,是因为相见只能让人在现实面前无奈地哀悼伤痛,而怀念却可以把已经注定的谎言变成童话。
"7.在村头有一截巨大的雷击木,直径十几米,此时主干上唯一的柳条已经在朝霞中掩去了莹光,变得普普通通了。
1."噢,居然有土龙肉,给我一块!"2.老人们都笑了,自巨石上起身。
而那些身材健壮如虎的成年人则是一阵笑骂,数落着自己的孩子,拎着骨棒与阔剑也快步向自家中走去。
5.方茴说:“那时候我们不说爱,爱是多么遥远、多么沉重的字眼啊。
我们只说喜欢,就算喜欢也是偷偷摸摸的。
”6.方茴说:“我觉得之所以说相见不如怀念,是因为相见只能让人在现实面前无奈地哀悼伤痛,而怀念却可以把已经注定的谎言变成童话。
”7.在村头有一截巨大的雷击木,直径十几米,此时主干上唯一的柳条已经在朝霞中掩去了莹光,变得普普通通了。
8.这些孩子都很活泼与好动,即便吃饭时也都不太老实,不少人抱着陶碗从自家出来,凑到了一起。
9.石村周围草木丰茂,猛兽众多,可守着大山,村人的食物相对来说却算不上丰盛,只是一些粗麦饼、野果以及孩子们碗中少量的肉食。
本附录仅提供我国抗震设防区各县级及县级以上城镇的中心地区建筑工程抗震设计时所采用的抗震设防烈度、设计基本地震加速度值和所属的设计地震分组。
注:本附录一般把“设计地震第一、二、三组”简称为“第一组、第二组、第三组”。
A.0.1 首都和直辖市1 抗震设防烈度为 8 度设计基本地震加速度值为 0.20g:北京(除昌平门头沟外的 11 个市辖区),平谷,大兴,延庆,宁河,汉沽。
2 抗震设防烈度为 7 度,设计基本地震加速度值为 0.15g:密云,怀柔,昌平,门头沟,天津(除汉沽、大港外的 12 个市辖区),蓟县,宝坻,静海。
3 抗震设防烈度为 7 度,设计基本地震加速度值为 0.10g:大港,上海(除金山外的 15 个市辖区),南汇,奉贤4 抗震设防烈度为 6 度,设计基本地震加速度值为 0.05g:崇明,金山,重庆(14 个市辖区),巫山,奉节,云阳,忠县,丰都,长寿,壁山,合川,铜梁,大足,荣昌,永川,江津,綦江,南川,黔江,石柱,巫溪*注:1 首都和直辖市的全部县级及县级以上设防城镇,设计地震分组均为第一组;2 上标 * 指该城镇的中心位于本设防区和较低设防区的分界线,下同。
A.0.2 河北省1 抗震设防烈度为 8 度,设计基本地震加速度值为 0.20g:1.“噢,居然有土龙肉,给我一块!”5.方茴说:“那时候我们不说爱,爱是多么遥远、多么沉重的字眼啊。
四川省汶川地震灾区(绵阳市)各乡镇一般建设工程抗震设防地震动参数一览表市州区县乡镇Tg(s)pga(g)市州区县乡镇Tg(s)pga(g)绵阳市安县安昌镇0.40s 0.15g 绵阳市三台县花园镇0.40s 0.05g 安县宝林镇0.40s 0.15g 三台县建平镇0.40s 0.05g安县茶坪乡0.40s 0.20g 三台县进都乡0.40s 0.05g安县沸水镇0.40s 0.15g 三台县凯河镇0.40s 0.05g安县高川乡0.40s 0.20g 三台县老马乡0.40s 0.05g安县河清镇0.40s 0.15g 三台县乐安镇0.40s 0.05g安县花荄镇0.40s 0.15g 三台县乐加乡0.40s 0.05g安县黄土镇0.40s 0.15g 三台县黎曙镇0.40s 0.10g安县界牌镇0.40s 0.10g 三台县里程乡0.40s 0.05g安县乐兴镇0.40s 0.15g 三台县立新镇0.40s 0.10g安县清泉镇0.40s 0.10g 三台县灵兴镇0.40s 0.05g安县桑枣镇0.40s 0.15g 三台县刘营镇0.40s 0.05g安县睢水镇0.40s 0.15g 三台县柳池镇0.40s 0.05g安县塔水镇0.40s 0.15g 三台县龙树镇0.40s 0.05g安县晓坝镇0.40s 0.15g 三台县芦溪镇0.40s 0.05g安县兴仁乡0.40s 0.15g 三台县鲁班镇0.40s 0.05g安县秀水镇0.40s 0.15g 三台县前锋镇0.40s 0.05g安县迎新乡0.40s 0.15g 三台县秋林镇0.40s 0.05g安县永安镇0.40s 0.20g 三台县三元镇0.40s 0.05g安县永河镇0.40s 0.15g 三台县上新乡0.40s 0.05g北川坝底乡0.40s 0.20g 三台县石安镇0.40s 0.05g北川白坭乡0.40s 0.20g 三台县双胜乡0.40s 0.05g北川白什乡0.40s 0.20g 三台县塔山镇0.40s 0.05g北川陈家坝乡0.40s 0.20g 三台县潼川镇0.40s 0.05g北川都坝乡0.40s 0.20g 三台县万安镇0.40s 0.05g北川墩上乡0.40s 0.20g 三台县西平镇0.40s 0.05g北川贯岭乡0.40s 0.20g 三台县下新乡0.40s 0.05g北川桂溪乡0.40s 0.20g 三台县新德镇0.40s 0.05g北川开坪乡0.40s 0.20g 三台县新鲁镇0.40s 0.05g北川擂鼓镇0.40s 0.20g 三台县新生镇0.40s 0.05g北川马槽乡0.40s 0.20g 三台县幸福乡0.40s 0.05g北川片口乡0.40s 0.20g 三台县永明镇0.40s 0.10g北川青片乡0.40s 0.20g 三台县永新镇0.40s 0.05g北川曲山镇0.40s 0.20g 三台县玉林乡0.40s 0.05g北川桃龙藏族乡0.40s 0.20g 三台县云同乡0.40s 0.05g北川通口镇0.40s 0.15g 三台县争胜乡0.40s 0.05g北川香泉乡0.40s 0.15g 三台县中太镇0.40s 0.05g北川小坝乡0.40s 0.20g 三台县中新镇0.40s 0.05g北川漩坪乡0.40s 0.20g 三台县忠孝乡0.40s 0.05g北川禹里乡0.40s 0.20g 三台县安居镇0.35s 0.05g 涪城区朝阳街道0.40s 0.10g 三台县宝泉乡0.35s 0.05g 涪城区城北街道0.40s 0.10g 三台县景福镇0.35s 0.05g 涪城区城郊乡0.40s 0.10g 三台县菊河乡0.35s 0.05g 涪城区城南街道0.40s 0.10g 绵阳市三台县郪江镇0.35s 0.05g 涪城区城厢街道0.40s 0.10g 三台县曙光乡0.35s 0.05g 涪城区创业园街道0.40s 0.10g 三台县双乐乡0.35s 0.05g 绵阳市涪城区丰谷镇0.40s 0.10g 盐亭县八角镇0.35s 0.05g涪城区高新街道0.40s 0.10g 盐亭县黄溪乡0.35s 0.05g 涪城区工区街道0.40s 0.10g 盐亭县榉溪乡0.35s 0.05g 涪城区关帝镇0.40s 0.10g 盐亭县林农镇0.35s 0.05g 涪城区河边镇0.40s 0.10g 盐亭县麻秧乡0.35s 0.05g 涪城区金峰镇0.40s 0.10g 盐亭县三元乡0.35s 0.05g 涪城区龙门镇0.40s 0.10g 盐亭县五龙乡0.35s 0.05g 涪城区磨家镇0.40s 0.10g 盐亭县永泰乡0.35s 0.05g 涪城区南山街道0.40s 0.10g 盐亭县玉龙镇0.35s 0.05g 涪城区青义镇0.40s 0.10g 盐亭县安家镇0.40s 0.05g 涪城区石洞乡0.40s 0.10g 盐亭县柏梓镇0.40s 0.05g 涪城区石塘镇0.40s 0.10g 盐亭县茶亭乡0.40s 0.05g 涪城区塘讯街道0.40s 0.10g 盐亭县大兴回族乡0.40s 0.05g 涪城区吴家镇0.40s 0.10g 盐亭县冯河乡0.40s 0.05g 涪城区新皂镇0.40s 0.10g 盐亭县富驿镇0.40s 0.05g 涪城区杨家镇0.40s 0.10g 盐亭县黑坪镇0.40s 0.05g 涪城区永兴镇0.40s 0.10g 盐亭县黄甸镇0.35s 0.05g 涪城区玉皇镇0.40s 0.10g 盐亭县剑河乡0.40s 0.05g 江油市八一乡0.40s 0.15g 盐亭县金安乡0.40s 0.05g 江油市北城乡0.40s 0.15g 盐亭县巨龙镇0.40s 0.05g 江油市长钢街道0.40s 0.15g 盐亭县来龙乡0.40s 0.05g 江油市大康镇0.40s 0.15g 盐亭县两岔河乡0.40s 0.05g 江油市大堰乡0.40s 0.10g 盐亭县两河镇0.40s 0.05g 江油市东安乡0.40s 0.10g 盐亭县林山乡0.40s 0.05g 江油市东兴乡0.40s 0.10g 盐亭县毛公乡0.40s 0.05g 江油市二郎庙镇0.40s 0.15g 盐亭县石牛庙乡0.40s 0.05g 江油市方水乡0.40s 0.10g 盐亭县双碑乡0.40s 0.05g 江油市枫顺乡0.40s 0.15g 盐亭县新农乡0.40s 0.05g 江油市贯山乡0.40s 0.10g 盐亭县云溪镇0.40s 0.05g 江油市含增长钢街道0.40s 0.15g 游仙区白蝉乡0.40s 0.05g 江油市含增镇0.40s 0.15g 游仙区柏林镇0.40s 0.10g 江油市河口镇0.40s 0.10g 游仙区朝真乡0.40s 0.10g 江油市厚坝镇0.40s 0.15g 游仙区沉抗镇0.40s 0.10g 江油市华平街道办事处0.40s 0.15g 游仙区东林乡0.40s 0.10g 江油市敬元乡0.40s 0.15g 游仙区东宣乡0.40s 0.05g 江油市九岭镇0.40s 0.15g 游仙区凤凰乡0.40s 0.10g 江油市六合乡0.40s 0.15g 游仙区涪江街道0.40s 0.10g 江油市龙凤镇0.40s 0.10g 游仙区富乐街道办事处0.40s 0.10g 江油市马角镇0.40s 0.15g 游仙区观太乡0.40s 0.10g 江油市青莲镇0.40s 0.15g 游仙区建华乡0.40s 0.10g 江油市三合镇0.40s 0.15g 游仙区街子乡0.40s 0.10g 江油市石元乡0.40s 0.15g 游仙区科学城街道办事处0.40s 0.10g 江油市双河镇0.40s 0.15g 游仙区刘家镇0.40s 0.05g 江油市太平镇0.40s 0.15g 游仙区石板镇0.40s 0.10g 江油市铜星乡0.40s 0.15g 游仙区石马镇0.40s 0.10g 江油市文胜乡0.40s 0.15g 绵阳市游仙区松垭镇0.40s 0.10g 江油市武都长钢街道0.40s 0.15g 游仙区太平乡0.40s 0.10g 江油市武都镇0.40s 0.15g 游仙区魏城镇0.40s 0.10g 绵阳市江油市西屏乡0.40s 0.15g 游仙区小枧沟镇0.40s 0.10g 江油市香水乡0.40s 0.15g 游仙区新桥镇0.40s 0.10g 江油市小溪坝镇0.40s 0.15g 游仙区徐家镇0.40s 0.10g江油市新安镇0.40s 0.10g 游仙区游仙镇0.40s 0.10g 江油市新春乡0.40s 0.15g 游仙区玉河镇0.40s 0.05g 江油市新兴乡0.40s 0.10g 游仙区云凤乡0.40s 0.10g 江油市雁门镇0.40s 0.15g 游仙区忠兴镇0.40s 0.10g 江油市义新乡0.40s 0.10g 游仙区梓绵乡0.40s 0.05g 江油市永胜镇0.40s 0.15g 梓潼县白云镇0.40s 0.10g 江油市云集乡0.40s 0.15g 梓潼县宝石乡0.40s 0.05g 江油市战旗镇0.40s 0.10g 梓潼县长卿镇0.40s 0.05g 江油市彰明镇0.40s 0.15g 梓潼县大新乡0.40s 0.05g 江油市中坝镇0.40s 0.15g 梓潼县定远乡0.40s 0.05g 江油市重华镇0.40s 0.10g 梓潼县东石乡0.40s 0.05g 江油市重兴乡0.40s 0.10g 梓潼县二洞乡0.40s 0.05g 平武县坝子乡0.40s 0.20g 梓潼县观义镇0.40s 0.05g 平武县白马藏族乡0.40s 0.20g 梓潼县宏仁乡0.40s 0.10g 平武县大桥镇0.40s 0.20g 梓潼县豢龙乡0.40s 0.10g 平武县大印镇0.40s 0.20g 梓潼县建兴乡0.40s 0.10g 平武县豆叩镇0.40s 0.20g 梓潼县交泰乡0.40s 0.05g 平武县高村乡0.40s 0.20g 梓潼县金龙场乡0.40s 0.10g 平武县古城镇0.40s 0.20g 梓潼县黎雅镇0.40s 0.10g 平武县虎牙藏族乡0.40s 0.20g 梓潼县马鸣乡0.40s 0.05g 平武县黄羊关藏族乡0.40s 0.20g 梓潼县马迎乡0.40s 0.05g 平武县旧堡乡0.40s 0.20g 梓潼县玛瑙镇0.40s 0.05g 平武县阔达乡0.40s 0.20g 梓潼县仁和镇0.40s 0.05g 平武县龙安镇0.40s 0.20g 梓潼县三泉乡0.40s 0.10g 平武县木皮藏族乡0.40s 0.20g 梓潼县石牛镇0.40s 0.10g 平武县木座藏族乡0.40s 0.20g 梓潼县石台乡0.40s 0.10g 平武县南坝镇0.40s 0.20g 梓潼县双板乡0.40s 0.10g 平武县平南羌族乡0.40s 0.20g 梓潼县双峰乡0.40s 0.05g 平武县平通镇0.40s 0.20g 梓潼县文昌镇0.40s 0.05g 平武县水观乡0.40s 0.20g 梓潼县文兴乡0.40s 0.05g 平武县水晶镇0.40s 0.20g 梓潼县卧龙镇0.40s 0.10g 平武县水田乡0.40s 0.20g 梓潼县仙鹅乡0.40s 0.10g 平武县泗耳藏族乡0.40s 0.20g 梓潼县仙峰乡0.40s 0.10g 平武县锁江羌族乡0.40s 0.20g 梓潼县小垭乡0.40s 0.10g 平武县土城乡0.40s 0.20g 梓潼县许州镇0.40s 0.10g 平武县响岩镇0.40s 0.20g 梓潼县演武乡0.40s 0.10g 平武县徐塘羌族乡0.40s 0.20g 绵阳市梓潼县自强镇0.40s 0.05g 绵阳市三台县八洞镇0.40s 0.05g三台县百顷镇0.40s 0.05g三台县北坝镇0.40s 0.05g三台县东塔镇0.40s 0.05g三台县断石乡0.40s 0.05g三台县富顺镇0.40s 0.05g三台县高堰乡0.40s 0.05g三台县古井镇0.40s 0.05g三台县观桥镇0.40s 0.05g绵阳市三台县光辉镇0.40s 0.05g。