工程施工联系单(马凳筋)
- 格式:doc
- 大小:39.00 KB
- 文档页数:1
工程施工方联系单一、工程概述本工程为XXXX项目,位于XX市XX区,占地面积XX平方米,总建筑面积XX平方米。
工程包括XX栋住宅楼、XX栋商业楼、地下停车场及配套设施。
工程总投资约为XX亿元,计划工期为XX个月。
工程由XX公司承担施工任务,并由XX公司负责项目管理。
二、施工进展情况截至目前,本工程已进入XX阶段。
各栋住宅楼主体结构已封顶,正在进行砌体、抹灰、门窗安装等施工。
商业楼正在进行主体结构施工,地下停车场已完成基础施工,正在进行主体结构施工。
整体工程进度符合计划要求。
三、联系事项1. 请各相关单位密切配合,确保施工材料、设备及人员按时到场,保证施工进度不受影响。
2. 请各参建单位严格按照施工方案和安全生产要求,确保工程施工安全。
3. 请项目管理单位加强对施工现场的监督管理,确保工程质量符合相关规范要求。
4. 请各相关单位做好施工现场的卫生和环境保护工作,减少施工对周边环境的影响。
5. 请各参建单位做好工程变更的沟通和协调工作,确保工程顺利进行。
6. 请各相关单位按照合同约定,及时支付工程进度款,保障工程施工的正常进行。
四、联系方式1. 施工方联系人:XXX联系电话:XXX邮箱:XXX2. 项目管理单位联系人:XXX联系电话:XXX邮箱:XXX3. 建设单位联系人:XXX联系电话:XXX邮箱:XXX4. 设计单位联系人:XXX联系电话:XXX邮箱:XXX五、其他事项1. 请各相关单位定期召开工程协调会,及时解决工程施工中出现的问题。
2. 请各参建单位做好工程资料的整理和归档工作,确保工程资料的完整性和可追溯性。
3. 请各相关单位加强对施工现场周边交通、治安、消防等方面的管理,确保工程施工顺利进行。
4. 如有紧急情况,请及时拨打施工现场紧急联系电话:XXX。
敬请各相关单位予以关注和支持,我们将竭诚为您服务,共同保障本工程顺利进行。
感谢您的配合!工程施工方联系人:XXXXXXX年XX月XX日。
马凳筋,其主要作用是支撑在板的上皮和下皮钢筋间,确保两皮钢筋间距符合规范要求,板筋采用钢筋马凳,是要纵横方向间距600-1000左右予以支撑。
马凳筋马凳筋马凳筋马凳筋的概念马凳,它的形状象凳子故俗称马凳,也称撑筋。
用于上下两层板钢筋中间,起固定上层板钢筋的作用。
马凳筋作为板的措施钢筋是必不可少的,从技术和经济角度来说有时也是举足轻重的,它既是设计的范畴也是施工范畴更是预算的范畴。
一些缺乏实际经验和感性认识的人往往对其忽略和漏算。
马凳不是个简单概念,但时至今日没有具体的理论依据和数据,没有通用的计算标准和规范,往往是凭经验和直觉。
不过道理弄明白了,也了解实际施工,那么计算马凳筋就不是件难事。
任何把简单的事情复杂化和把复杂的问题简单化都是有害的。
当基础厚度较大时(大于800mm)不宜用马凳,而是用支架更稳定和牢固。
马凳钢筋一般图纸上不注,只有个别设计者设计马凳,大都由项目工程师在施工组织设计中详细标明其规格、长度和间距,通常马凳的规格比板受力筋小一个级别,如板筋直径ф12可用直径为ф10的钢筋做马凳,当然也可与板筋相同。
纵向和横向的间距一般为1米。
不过具体问题还得具体对待,如果是双层双向的板筋为ф8,钢筋刚度较低,需要缩小马凳之间的距离,如间距为@800*800,如果是双层双向的板筋为ф6马凳间距则为@500*500。
有的板钢筋规格较大,如采用直径ф14,那么马凳间距可适当放大。
总之马凳设置的原则是固定牢上层钢筋网,能承受各种施工活动荷载,确保上层钢筋的保护层在规范规定的范围内。
板厚很小时可不配置马凳,如小于100MM的板马凳的高度小于50mm,无法加工,可以用短钢筋头或其它材料代替。
总而言之,马凳的设置要符合够用适度的原则,既能满足要求又要节约资源。
定额对马凳筋规定有些地方定额对马凳筋的计算有明确规定,那么按定额规则计算,但这个计算结果只能用于预算和结算不能用于施工下料,因为它仅仅是个重量,而不是从它本身的功能和受力特征来计算如浙江定额规定:设计无规定时,马凳的材料应比底板钢筋降低一个规格,长度按底板厚2倍加0.2米计算,每平方米1个,计算钢筋总量。
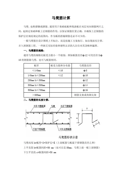
马凳筋计算马凳,也称撑脚或撑筋。
通常用于基础底板和现浇板在双层双向钢筋网片之间,起固定基础和板上层钢筋的作用,以保证钢筋位置正确,并确保上层钢筋的保护层在规范规定的范围内。
作为板的措施钢筋是必不可少的。
一般马凳筋在设计图纸上不标注,而是按施工方案执行,如出现按实计算,并入到钢筋工程。
一些缺乏实际经验和感性认识的人往往对其忽略和漏算。
一、马凳筋的规格:通常马凳的规格比板受力筋小一个级别,例如板筋直径ф12可用直径为ф10的钢筋做马凳,也可与板筋相同。
二、马凳筋的长度计算:马凳高度h=板厚-2*保护层-Σ(上部板筋与板最下排钢筋直径之和)上平直段b=板筋间距+50 mm(也可以是80mm,马凳上放一根上部钢筋)下左平直段c=板筋间距+50 mm三、马凳筋的个数计算:马凳筋个数=板面积/(马凳筋横向间距*纵向间距)如板筋设计成底筋加支座负筋的形式,且没有温度筋时那么马凳个数必须扣除中空部分。
梁可以起到马凳筋作用,所以马凳个数须扣梁。
电梯井、楼梯间和板洞部位无需马凳不应计算,楼梯马凳另行计算。
纵向和横向的间距一般为1米。
如是双层双向的板筋为ф8,间距可为@800*800;如是双层双向的板筋为ф6马凳,间距则为@500*500。
马凳排列按矩形陈列也可梅花放置,一般是矩形陈列。
马凳方向要一致。
马凳筋不能接触模板,防止马凳筋返锈。
四、马凳筋其它注意事项:建筑工程一般都对马凳筋有专门的施工组织设计,如果施工组织设计中没有对马凳作出明确和详细的说明那么就按常规计算,但有二个前提,就是马凳要有一定的刚度,能承受施工人员的踩踏,避免板上部钢筋扭曲和下陷。
二是为了避免以后结算争议和扯皮,对马凳办理必要的手续和签证,由施工单位根据实际制作情况以工程联系单的方式提出,报监理及建设单位确认,根据确认的尺寸计算。
根据程量清单计价规范P52页第19条:现浇构件中固定位置的支撑钢筋、双层钢筋用“铁马”,伸出构件的锚固钢筋、预制构件的吊钩等就并入钢筋工程量内。
第1篇编号:[填写编号]日期:[填写日期]项目名称:[填写项目名称]施工单位:[填写施工单位名称]监理单位:[填写监理单位名称]一、联系事项1. 工程概况[填写工程名称、地点、规模、工程类别、合同工期等基本信息]2. 联系内容(1)施工进度安排[详细列出各阶段施工计划,包括施工内容、起止时间、主要工程量等](2)施工质量要求[明确工程质量标准,包括材料、施工工艺、验收标准等](3)安全文明施工要求[明确施工现场安全文明施工标准,包括施工安全、环境保护、文明施工等](4)施工协调事项[列出施工过程中需要协调的事项,如材料供应、人员安排、设备租赁等]二、具体要求1. 施工单位应严格按照合同约定,确保工程进度、质量和安全文明施工。
2. 施工单位需按照工程进度计划,及时报送工程进度报表,监理单位对进度进行监督检查。
3. 施工单位应按照工程质量要求,严格控制施工质量,确保工程质量达到合同约定的标准。
4. 施工单位应加强施工现场安全管理,确保施工人员生命财产安全。
5. 施工单位应遵守环境保护法规,采取有效措施,降低施工过程中的环境污染。
6. 施工单位应积极配合监理单位对施工过程进行监督检查,及时整改发现的问题。
三、联系方式1. 施工单位联系人:[填写姓名]联系电话:[填写电话号码]电子邮箱:[填写邮箱地址]2. 监理单位联系人:[填写姓名]联系电话:[填写电话号码]电子邮箱:[填写邮箱地址]四、附件1. 工程施工进度计划2. 工程质量标准3. 施工安全文明施工要求4. 施工协调事项明细施工单位(盖章):________________监理单位(盖章):________________备注:本联系单一式两份,施工单位和监理单位各执一份。
施工单位和监理单位应按照本联系单要求,切实履行各自职责,确保工程顺利进行。
[填写单位名称][填写日期]第2篇项目名称:XX工程项目工程地点:XX市XX区XX街道一、项目背景为了进一步加快XX工程项目进度,确保工程质量和安全,现就有关事项通知如下:一、联系单位甲方:XX房地产开发有限公司乙方:XX建筑工程有限公司二、联系事项1. 甲方与乙方就施工过程中遇到的问题进行沟通,确保工程顺利进行。
第1篇项目名称:XX大厦工程项目地点:XX市XX区XX路XX号联系人:张工联系电话:138xxxx5678一、工程概况1. 工程名称:XX大厦工程2. 工程地点:XX市XX区XX路XX号3. 工程规模:地上20层,地下2层,总建筑面积约10万平方米4. 工程类别:住宅、商业、办公综合楼5. 工程概况:本工程为钢筋混凝土框架结构,采用现浇楼板、梁、柱,外墙采用干挂石材,屋面采用坡屋面,地下室采用地下车库,设有消防、电梯、空调等配套设施。
二、联系事项1. 施工进度:根据施工计划,目前已完成地下室结构施工,正在进行地上主体结构施工。
预计主体结构施工将于2023年6月完成,装修工程预计于2024年3月完成。
2. 材料供应:请各供应商按照合同约定的时间、地点、规格、数量供应材料,确保材料质量符合国家标准和设计要求。
3. 施工现场管理:请各施工、监理、设计单位严格按照施工图纸和施工规范进行施工,确保工程质量、安全、文明施工。
4. 施工安全:施工现场必须配备必要的安全防护设施,加强施工现场安全管理,防止安全事故发生。
5. 施工协调:各施工、监理、设计单位应加强沟通协调,确保工程顺利进行。
三、具体联系内容1. 施工单位:请按照施工进度计划,确保各分部分项工程按期完成。
2. 监理单位:请对施工现场进行全过程监督,确保工程质量、安全、文明施工。
3. 设计单位:请及时解决施工过程中遇到的设计问题,确保设计变更及时、准确。
4. 材料供应商:请按照合同约定,确保材料供应及时、质量合格。
5. 施工单位、监理单位、设计单位、材料供应商之间应加强沟通,共同解决施工过程中遇到的问题。
四、联系方式1. 施工单位:张工,联系电话:138xxxx56782. 监理单位:李工,联系电话:139xxxx12343. 设计单位:王工,联系电话:137xxxx56784. 材料供应商:赵工,联系电话:136xxxx5678请各相关单位收到此联系单后,按照要求落实各项工作,确保工程顺利进行。
工作联系单
致:建基工程咨询有限公司(监理单位)
关于造浪池工程底板马-马凳筋布置
造浪池工程底板图纸设计为双层双向钢筋,设计院未设计马凳筋,根据相关规范要求,双层双向钢筋应布置马凳筋,结合本工程实际情况为了保证钢筋网片形成骨架,较好承受荷载及保证底板钢筋的保护层厚度需在钢筋网片之间增设支撑马凳筋,均采用梅花型布置方式:
1、底板马凳筋:C12@1000*1000, 马凳尺寸详见附图
请监理及建设单位对所述做法予以确认。
花王生态工程股份有限公司清丰单拐项目部
日期:2018-07-01
建设单位:签字监理单位:
签字
施工单位:
签字。
马凳不应计算,楼梯马凳另行计算。
2、马凳筋的长度如何计算?马凳高度=板厚-2*保护层-Σ(上部板筋与板最下排钢筋直径之和)。
上平直段为板筋间距+50mm(也可以是80mm,马凳上放一根上部钢筋),下左平直段为板筋间距+50mm,下右平直段为100,这样马凳的上部能放置二根钢筋,下部三点平稳地支承在板的下部钢筋上。
马凳筋不能接触模板,防止马凳筋返锈。
3、马凳筋的规格:当板厚≤140mm,板受力筋和分布筋≤10,时马凳筋直径可采用ф8;当140mm<h≤200MM,板受力筋<=12时,马凳筋直径可采用ф10;当200mm<h≤300mm时,马凳直径可采用ф12;当300mm<h≤500mm时,马凳直径可采用ф14;当500mm<h≤700mm时,马凳直径可采用ф16;厚度大于800mm最好采用钢筋支架或角钢支架。
4、筏板基础中措施钢筋大型筏板基础中措施钢筋不一定采用马凳钢筋而往往采用钢支架形式,支架必须经过计算才能确定它的规格和间距,才能确保支架的稳定性和承载力。
在确定支架的荷载时除计算上部钢筋荷载外考虑施工荷载。
支架立柱间距一般为1500MM,在立柱上只需设置一个方向的通长角铁,这个方向应该是与上部钢筋最下一皮钢筋垂直,间距一般为2000米。
除此之外还要用斜撑焊接。
支架的设计应该要有计算式,经过审批才能施工,不能只凭经验,支架规格、间距过小造成浪费,支架规格、间距过大可能造成基础钢筋整体塌陷严重后果。
所以支架设计不能掉以轻心。
三、马凳其它留意事项建筑工程一般都对马凳筋有专门的施工组织设计,假如施工组织设计中没有对马凳作出明确和具体的说明那么就按常规计算,但有二个条件,就是马凳要有一定的刚度,能承受施工职员的踩踏,避免板上部钢筋扭曲和下陷。
二是为了避免以后结算争议和扯皮,对马凳办理必要的手续和签证,由施工单位根据实际制作情况以工程联系单的方式提出,报监理及建设单位确认,根据确认的尺寸计算。
多年经验分享——马凳筋的计算方法
本人结合数年的施工经验,经过查资料,总结了马凳筋的算法,供大家参考。
1.马凳筋的
放置。
当板或者基础下部钢筋网绑扎完毕以后放置马凳筋,放到下部钢筋网的下排钢筋上。
板或者基础上部钢筋网的下排钢筋放置到马凳筋上2.马凳筋的长度计算。
马凳筋的高度=
板厚-2*保护层-(板的上部钢筋直径的总和+板的下部钢筋的最下排钢筋直径)上平直段的长度=板筋间距+50 或者上平直段长度=80(只放置一根钢筋)马凳筋下左平直段的长度=
板筋间距+50(放置两根钢筋)马凳筋下右边平直段的长度=1003. 马凳筋的直径的选用
以上钢筋直径选用时要结合现场实际情况。
总之遵循一个原则就是马凳筋要固定牢钢筋网,能够承受上部的施工荷载,确保上层的钢筋的保护层在规范的范围内。
通常情况下马凳
筋直径比板筋小一个级别4.马凳筋的间距。
纵横向的间距一般为1000,但是当板筋直径
较小时要缩小马凳筋的间距。
如双层双向的板筋为直径6,马凳筋间距可为500*500. 5.马凳筋要设置的适度和够用,这样才能不浪费资源。
同时要注意做好这方面的工程联系单,
做过施工的都应该知道,6.马凳筋的排列方式。
可以矩形排列亦可以梅花形排列。
如今应
工程发展的需要成品马凳应运而生,大大的提高了钢筋的加工速度。
可是有些施工现场野
蛮施工用塑料马凳代替钢筋马凳虽然能够起到一定的牢固作用,但是大大的降低了钢筋与混凝土的结合强度,工程实际中应该严禁使用!。
马凳筋(撑脚)一.马凳的概念马凳筋作为板的措施钢筋是必不可少的,从技术和经济角度来说有时也是举足轻重的,它既是设计的范畴也是施工范畴更是预算的范畴。
一些缺乏实际经验和感性认识的人往往对其忽略和漏算。
马凳不是个简单概念,但时至今日没有具体的理论依据和数据,没有通用的计算标准和规范,往往是凭经验和直觉。
不过道理弄明白了,也了解实际施工,那么计算马凳筋就不是件难事。
任何把简单的事情复杂化和把复杂的问题简单化都是有害的。
马凳,它的形状象凳子故俗称马凳,也称撑筋。
用于上下两层板钢筋中间,起固定上层板钢筋的作用。
当基础厚度较大时(大于800mm)不宜用马凳,而是用支架更稳定和牢固。
马凳钢筋一般图纸上不注,只有个别设计者设计马凳,大都由项目工程师在施工组织设计中详细标明其规格、长度和间距,通常马凳的规格比板受力筋小一个级别,如板筋直径ф12可用直径为ф10的钢筋做马凳,当然也可与板筋相同。
纵向和横向的间距一般为1米。
不过具体问题还得具体对待,如果是双层双向的板筋为ф8,钢筋刚度较低,需要缩小马凳之间的距离,如间距为@800*800,如果是双层双向的板筋为ф6马凳间距则为@500*500。
有的板钢筋规格较大,如采用直径ф14,那么马凳间距可适当放大。
总之马凳设置的原则是固定牢上层钢筋网,能承受各种施工活动荷载,确保上层钢筋的保护层在规范规定的范围内。
板厚很小时可不配置马凳,如小于100MM的板马凳的高度小于50mm,无法加工,可以用短钢筋头或其它材料代替。
总而言之,马凳的设置要符合够用适度的原则,既能满足要求又要节约资源。
二、定额对马凳的规定有些地方定额对马凳筋的计算有明确规定,那么按定额规则计算,但这个计算结果只能用于预算和结算不能用于施工下料,因为它仅仅是个重量,而不是从它本身的功能和受力特征来计算,如浙江定额规定:设计无规定时,马凳的材料应比底板钢筋降低一个规格,长度按底板厚2倍加0.2米计算,每平方米1个,计算钢筋总量。
工程施工进场联系单尊敬的工程负责人:您好!我代表XXX工程施工团队,特此致函,就我们即将进场进行施工的相关事宜进行沟通和协调。
一、工程概况本次工程为我公司承建的XXX项目,位于XXX地区,主要包括建筑工程、安装工程、装修工程等内容。
工程总量约为XXX平方米,预计施工周期为XXX个月。
工程质量要求符合国家相关标准和规范,我们将全力以赴,确保工程质量和进度。
二、施工计划根据工程合同要求,我们计划于XXX年XX月XX日进场进行施工。
施工期间,我们将严格按照施工图纸和施工方案进行施工,确保工程质量和进度。
同时,我们也将积极配合相关部门进行工程验收和审计工作。
三、人员配置为了保证工程的顺利进行,我们将在施工现场设立项目管理团队,包括项目经理、技术负责人、施工员、质量员、安全员等岗位。
施工现场人员将严格按照施工方案和操作规程进行施工,确保工程质量和安全。
四、施工材料和设备我们将在施工前向有关部门申报施工材料和设备,并按照要求进行验收。
我们将严格按照国家相关标准和规范进行材料和设备的采购和使用,确保工程质量和安全。
五、施工安全我们高度重视施工现场的安全工作,将严格遵守国家有关安全生产的法律、法规和规定,严格执行施工现场的安全管理制度。
我们将定期对施工现场进行安全检查,发现问题及时整改,确保施工现场的安全。
六、协调沟通在施工过程中,我们希望能够与各相关部门保持密切的沟通和协调,共同解决施工现场可能出现的各种问题。
我们将定期召开施工现场会议,及时解决施工中的问题,确保工程顺利进行。
最后,我们衷心希望能够得到您的支持和配合,共同完成这个项目。
如有任何疑问或需要协调的事宜,请随时与我们联系。
感谢您的关注和支持!此致敬礼!XXX工程施工团队日期:XXX年XX月XX日。
马凳筋的有关知识一、马凳的概念马凳筋作为板的措施钢筋是必不可少的,从技术和经济角度来说有时也是举足轻重的,它既是设计的范畴也是施工范畴更是预算的范畴。
一些缺乏实际经验和感性认识的人往往对其忽略和漏算。
马凳不是个简单概念,但时至今日没有具体的理论依据和数据,没有通用的计算标准和规范,往往是凭经验和直觉。
不过道理弄明白了,也了解实际施工,那么计算马凳筋就不是件难事。
任何把简单的事情复杂化和把复杂的问题简单化都是有害的。
马凳,它的形状象凳子故俗称马凳,也称撑筋。
用于上下两层板钢筋中间,起固定上层板钢筋的作用。
当基础厚度较大时(大于800mm)不宜用马凳,而是用支架更稳定和牢固。
马凳钢筋一般图纸上不注,只有个别设计者设计马凳,大都由项目工程师在施工组织设计中详细标明其规格、长度和间距,通常马凳的规格比板受力筋小一个级别,如板筋直径ф12可用直径为ф10的钢筋做马凳,当然也可与板筋相同。
纵向和横向的间距一般为1米。
不过具体问题还得具体对待,如果是双层双向的板筋为ф8,钢筋刚度较低,需要缩小马凳之间的距离,如间距为@800*800,如果是双层双向的板筋为ф6马凳间距则为@500*500。
有的板钢筋规格较大,如采用直径ф14,那么马凳间距可适当放大。
总之马凳设置的原则是固定牢上层钢筋网,能承受各种施工活动荷载,确保上层钢筋的保护层在规范规定的范围内。
板厚很小时可不配置马凳,如小于100MM的板马凳的高度小于50mm,无法加工,可以用短钢筋头或其它材料代替。
总而言之,马凳的设置要符合够用适度的原则,既能满足要求又要节约资源。
二、定额对马凳的规定有些地方定额对马凳筋的计算有明确规定,那么按定额规则计算,但这个计算结果只能用于预算和结算不能用于施工下料,因为它仅仅是个重量,而不是从它本身的功能和受力特征来计算,如浙江定额规定:设计无规定时,马凳的材料应比底板钢筋降低一个规格,长度按底板厚2倍加0.2米计算,每平方米1个,计算钢筋总量。
工程名称:新乡市城管大厦综合楼编号:0007工程名称:新乡市城管大厦综合楼编号:0008 致:河南华鼎置业有限公司(建设单位)新乡市建设监理有限责任公司(监理单位)事由:基础筏板马凳筋问题本工程施工图纸中未指定马凳筋的形式及型号,我方建议主楼2米厚筏板采用直径25钢筋,办公楼0.7米厚的筏板采用直径18钢筋,其它0.4厚的筏板采用直径14钢筋,间距1米梅花布置。
马凳形式见下图:承包单位(章):项目经理:日期:工程名称:新乡市城管大厦综合楼编号:0009工程名称:新乡市城管大厦综合楼编号:0010工程名称:新乡市城管大厦综合楼编号:0011工程名称:新乡市城管大厦综合楼编号:0012工程名称:新乡市城管大厦综合楼编号:0013工程名称:新乡市城管大厦综合楼编号:0014工程名称:新乡市城管大厦综合楼编号:0015主送:河南华鼎置业有限公司抄送:新乡市建设监理有限责任公司工程名称:新乡市城管大厦综合楼编号:0016主送:河南华鼎置业有限公司抄送:新乡市建设监理有限责任公司工程名称:新乡市城管大厦综合楼编号:0017主送:河南华鼎置业有限公司抄送:新乡市建设监理有限责任公司工程名称:新乡市城管大厦综合楼编号:0018主送:河南华鼎置业有限公司抄送:新乡市建设监理有限责任公司工程名称:新乡市城管大厦综合楼编号:0018主送:河南华鼎置业有限公司抄送:新乡市建设监理有限责任公司工程名称:新乡市城管大厦综合楼编号:0019主送:河南华鼎置业有限公司抄送:新乡市建设监理有限责任公司工作联系单主送:河南华鼎置业有限公司抄送:新乡市建设监理有限责任公司主送:河南华鼎置业有限公司抄送:新乡市建设监理有限责任公司主送:河南华鼎置业有限公司抄送:新乡市建设监理有限责任公司主送:河南华鼎置业有限公司抄送:新乡市建设监理有限责任公司工作联系单主送:河南华鼎置业有限公司抄送:新乡市建设监理有限责任公司工作联系单主送:河南华鼎置业有限公司抄送:新乡市建设监理有限责任公司工作联系单工程名称:新乡市城管大厦综合楼编号:20111129工程名称:新乡市城管大厦综合楼编号:201111205工程名称:新乡市城管大厦综合楼编号:201111217工程名称:新乡市城管大厦综合楼编号:201111223工程名称:新乡市城管大厦综合楼编号:201111226工程名称:新乡市城管大厦综合楼编号:201111226-2工程名称:新乡市城管大厦综合楼编号:201111229工程名称:新乡市城管大厦综合楼编号:20120104致:河南华鼎置业有限公司(建设单位)抄送:新乡市建设监理责任有限公司(监理单位)事由及内容:关于工程进度款支付问题于2011年11月11日办公楼八层顺利封顶,住室楼施工至十二层,根据双方签订的施工补充协议及建委协调协议内容,我方在工程八层封顶,贵方应支付我方工程进度款,我方已于2011年11月12日向监理单位上报工程款支付申请,按合同规定建设单位应在5个工作日内一次性支付我单位施工进度款,但上报八层以下进度度款支付申请至今已18个工作日,贵单位仍未支付到位。
筏板马凳筋采用Ф20,长向间距1.5m,短向间距1.5m一根,每根下立筋配2根Ф20斜撑筋;电梯基坑及集水坑外周马凳筋采用Ф25,每根下立筋配2根Ф25斜撑筋,详细布置见附图:
下立筋:
①筏板平面20 0.88米X 302根;
②电梯基坑25 3.52米X 20 根;
③集水坑25 2.08米 X 6 根
斜拉筋:
①筏板平面20 1.25米X 604根;
②电梯基坑25 4.32米X 40 根;
③集水坑25 2.56米 X 12根
通长钢筋:
①20 44.7米X 9根
②20 10.7米 X 2根
③20 13.1米 X 2根
④20 4.5 米 X 4根
合计:
20 :1488.66 米X 0.00617 X 20 X 20 =3674.01公斤
25:286.4 米X 0.00617 X 25 X 25 =1104.43公斤
共计:4.778吨核定结果
附图:
筏板马凳筋采用Ф20,长向间距1.5m,短向间距1.5m一根,每根下立筋配2根Ф20斜撑筋;电梯基坑及集水坑外周马凳筋采用Ф25,每根下立筋配2根Ф25斜撑筋,详细布置见附图:
合计:
20 :1488.66 米X 0.00617 X 20 X 20 =3674.01公斤
25:286.4 米X 0.00617 X 25 X 25 =1104.43公斤
共计:4.778吨。
马凳筋的长度如何计算?马凳高度=板厚-2*保护层-Σ(上部板筋与板最下排钢筋直径之和)。
上平直段为板筋间距+50 mm(也可以是80mm,马凳上放一根上部钢筋),下左平直段为板筋间距+50 mm,下右平直段为100,这样马凳的上部能放置二根钢筋,下部三点平稳地支承在板的下部钢筋上。
马凳筋不能接触模板,防止马凳筋返锈。
马凳筋的规格:当板厚≤140mm,板受力筋和分布筋≤10,时马凳筋直径可采用ф8;当140mm<h≤200MM,板受力筋<=12时,马凳筋直径可采用ф10;当200mm<h≤300mm时,马凳直径可采用ф12;当300mm<h≤500mm时,马凳直径可采用ф14;当500mm<h≤700mm时,马凳直径可采用ф16;厚度大于800mm最好采用钢筋支架或角钢支架。
筏板基础中措施钢筋大型筏板基础中措施钢筋不一定采用马凳钢筋而往往采用钢支架形式,支架必须经过计算才能确定它的规格和间距,才能确保支架的稳定性和承载力。
在确定支架的荷载时除计算上部钢筋荷载外考虑施工荷载。
支架立柱间距一般为1500MM,在立柱上只需设置一个方向的通长角铁,这个方向应该是与上部钢筋最下一皮钢筋垂直,间距一般为2000米。
除此之外还要用斜撑焊接。
支架的设计应该要有计算式,经过审批才能施工,不能只凭经验,支架规格、间距过小造成浪费,支架规格、间距过大可能造成基础钢筋整体塌陷严重后果。
所以支架设计不能掉以轻心。
马凳其它注意事项建筑工程一般都对马凳筋有专门的施工组织设计,如果施工组织设计中没有对马凳作出明确和详细的说明那么就按常规计算,但有二个前提,就是马凳要有一定的刚度,能承受施工人员的踩踏,避免板上部钢筋扭曲和下陷。
二是为了避免以后结算争议和扯皮,对马凳办理必要的手续和签证,由施工单位根据实际制作情况以工程联系单的方式提出,报监理及建设单位确认,根据确认的尺寸计算。
根据程量清单计价规范P52页第19条:现浇构件中固定位置的支撑钢筋、双层钢筋用“铁马”,伸出构件的锚固钢筋、预制构件的吊钩等就并入钢筋工程量内。