能源统计报表表式
- 格式:doc
- 大小:328.71 KB
- 文档页数:8
能源统计报表制度目录一、总说明 (2)二、报表目录 (4)三、调查表式(一)综合年报表式1. 能源平衡表(实物量)(P303-1表)(5)2. 能源平衡表(标准量)(P303-4表)(6)3. 主要能源消费与库存(P109表)(7)(二)综合定报表式1. 单位GDP、工业增加值能耗(P406表)(8)(三)基层2009年能源统计报表制度年报表式1. 重点耗能工业企业能源生产、购进、销售与库存量(GP601表)(9)2. 工业企业能源购进、消费与库存(P201表)(10)3. 工业企业能源购进、消费与库存附表(P201-1表)(11)(四)基层定报表式1. 工业企业能源购进、消费与库存(P201表)(10)2. 工业企业能源购进、消费与库存附表(P201-1表)(11)3. 主要耗能工业企业单位产品能源消耗情况(P207表)(12)4. 工业企业水消费(P206表)(13)四、附录(一)主要耗能工业企业单位产品能源消耗情况(P207表)填报目录(14)(二)主要耗能工业企业单位产品能源消耗情况(P207表)指标的计算方法(20)附表一:钢铁企业吨钢可比能耗计算方法(41)附表二:各种能源折标准煤参考系数(42)附表三:热焓表(饱和蒸汽或过热蒸汽)(43)一、总说明(一)为了解全省能源供应、需求的基本情况,为各级政府制定政策和计划、进行经济管理与调控提供依据,依照《中华人民国统计法》的规定,特制定本统计报表制度。
(二)本统计报表制度是根据国家和省统计调查的要求,结合我省实际情况制定的,各地区和各部门应按照统一规定的统计围、计算方法、统计口径和填报目录,根据拟订的工业统计报表制度和能源统计报表制度的容,认真组织实施,按时报送。
地方、部门特殊需要的统计资料应通过地方统计调查和部门统计调查搜集,并尽量避免与本统计调查容相重复。
(三)资料来源与调查方法:“主要能源消费与库存”(P109表)由省直有关部门上报;能源报表中“工业企业能源购进、消费与库存”(P201表)、“工业企业能源购进、消费与库存附表”(P201-1表)和“主要耗能工业企业单位产品能源消耗情况”(P207表)由联网直报企业网上直报;“能源平衡表(实物量)”(P303-1表)、“能源平衡表(标准量)”(P303-4表) 调查方法由各设区市统计局自行确定;其他年、定报报表由各设区市统计局负责组织实施,按规定的围对统计对象进行调查;“单位GDP、工业增加值能耗”(P406表)根据相关指标计算和填报。
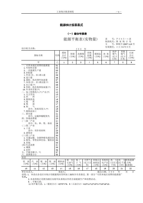
能源统计报表表式(一)综合年报表综合机关名称:能源平衡表(实物量)表 号:P303—1表 制表机关:国 家 统 计 局 文 号:国统字(2007)118号 有效期至:2008年6月说明:1. 本表由各设区市统计局根据现有资料加工编制并负责报送。
第一部分“可供本地区消费的能源量”免报。
2.本表的统计范围为辖区内除军队系统以外的全部能源生产和消费活动。
3. .平衡关系:(1)列平衡关系:1(煤炭合计)=2+3+4+5;9(石油合计)=10+11+12+13+14+15+16+18。
的全部负值求和后取绝对值)+21+23;01(可供本地区消费的能源量)=02+03+04+05+06+07+08+09+10+11;12(加工转换投入产出)=13+14+15+16+17+18+20;23(终端消费量)=24+26+30+34;18≥19;21≥22;24≥25;26(第二产业)=27+29;27≥28;30(第三产业)=31+32+33;34(生活消费)=35+36。
4.报送时间为5月底前,报送方式为电子邮件。
说明:1.本表由P303-1表乘以折标准煤系数生成,由各设区市统计局负责报送。
2.平衡关系:列关系:23(合计当量值)=1+2+3+4+5+6+7+8+9+10+11+12+13+14+15+16+17+18+20+22能源平衡表(标准量)200 年表 号:P303—4表 制表机关:国 家 统 计 局 文 号:国统字(2007)118号 有效期至:2008年6月24(合计等价值)=1+2+3+4+5+6+7+8+9+10+11+12+13+14+15+16+17+19+21+22 上述两式不适用第38行消费合计。
行关系:37(平衡差额)=01+12-21-23; 01(可供本地区消费的能源量)=02+03+04+05+06+07+08+09+10+11;12(加工转换投入产出)=13+14+15+16+17+18+20;23(终端消费量)=24+26+30+34;18≥19;21≥22;24≥25;26(第二产业)=27+29;27≥28;30(第三产业)=31+32+33;34(生活消费)=35+36。
统计表主要指标解释205-1、205-2、205-4表主要指标解释(205-1、205-2、205-4表)能源购进量根据企业生产、经营性质划分,购进量分两种情况,一种是能源经销企业(批发、零售企业)用于销售的能源购进数量,另一种是能源使用企业用于消费的能源购进数量,这两种能源购进量分别在不同表式中统计。
能源经销企业能源购进量,指能源经销企业在报告期内购入的、用于销售的各种一次能源和二次能源。
能源经销企业能源购进量由能源经销企业(批发、零售企业)填报。
《能源统计报表制度》中需要填报这一指标的报表是P403表。
能源使用企业能源购进量,指能源使用单位在报告期内外购的、用于本企业消费的各种一次能源和二次能源。
能源使用企业能源购进量由能源使用企业填报。
《能源统计报表制度》中需要填报这一指标的报表是205-1表。
购进量的核算原则是:1.计算购进量的能源必须具备以下三个条件:一是已实际到达本单位;二是经过验收、检验;三是办理完入库手续。
但是,在未办理完入库手续前,已经投入使用的或已经销售的,要计算在购进量中;使用多少,计算多少。
2.“谁购进,谁统计”。
凡属本单位实际购进的,符合上述原则,不论从何处购进,均应计算在内,包括作价购进的加工来料。
凡属本报告期实际购进的,办理完入库手续,即计算购进量;什么时间办理入库手续,什么时间计算购进量。
根据以上原则,下述情况不能计算在购进量内:1.供货单位已发货,但尚未运到本单位,即使已经付款;2.货已运到本单位,但尚未办理验收、入库手续的;3.经验收发现的亏吨(按验收后的实际数量计算购进量);4.借入的,自产自用的,车间、工地上年领用今年退回的,以及加工来料(作价的除外)。
能源购进额指本单位在报告期实际购进的、已办理验收入库手续的各种一次能源和二次能源的金额。
其金额以购货发票上的总金额(含增值税)计算,统计原则、范围与购进量相同。
统计能源购进额要注意:1.价值量指标要与实物量指标相一致,即计算实物量的,亦计算价值量,反之亦然;2.已验收入库尚未结算,购货发票未到,购进量以实际验收数量计算,购进量金额以货物的上期平均价或合同价格乘购进量计算,待结算后再作调整。
能源加工转换与回收利用(205-2表)能源加工转换投入能源加工转换,指为了特定的用途,将一种能源(一般为一次能源),经过一定的工艺,加工或转换成另外一种能源(二次能源)。
能源加工,是能源的物理形态的变化,比如用蒸馏的方式将原油炼制成汽油、煤油、柴油等石油制品;用筛选、水洗的方式将原煤洗选成洗煤;以焦化的方式将煤炭高温干馏成焦炭;以气化的方式将煤炭气化成煤气,等等。
这些方法在加工前后能源均未发生质的变化。
能源转换,是能源的能量形态和化学形态的变化,比如经过一定的工艺过程,将煤炭、重油等转换为电力和热力,将热能转换为机械能,将机械能转换为电能,将电能转换为热能等;又比如,经过裂化,将重质石油转换成轻质石油(转换前、后的物质具有不同的化学结构和化学性质)。
能源加工转换投入量,指以生产二次能源产品为目的而投入能源加工转换生产装置的能源(一般为一次能源)的数量。
用作能源加工转换的能源不能算作用于原材料。
两者的区别是:用作加工转换,投入的是能源,产出的主要产品还是能源,或产出的产品属于加工转换过程中产生的不作能源使用的其他副产品和联产品。
而用作原材料时,投入的是能源,产出的主要产品却是能源范畴以外的产品,包括产出的某种产品在广义上可以用作能源(比如可以燃烧以提供热量),但通常意义上不作能源使用的产品。
能源加工转换企业的能源投入量不包括:(1)加工转换本身的工艺用能,如发电厂的发电装置的电机用电、点火用燃料、车间通风设备用电及其他厂用电;炼焦厂的焦炉原料预热用的焦炉煤气、设备运转用电等;(2)车间用能;(3)辅助生产系统用能;(4)经营管理用能;(5)除上述项目以外的其他生产用能。
火力发电的加工转换投入指火力发电企业为发电而投入发电锅炉燃烧室的燃料数量。
通常燃料主要有:煤炭、燃料油、天然气、焦炉煤气、高炉煤气、转炉煤气、生物质燃料、可燃废弃物和可燃垃圾等。
供热的加工转换投入指热力生产企业为生产热力而投入供热锅炉燃烧室的燃料数量,以及热电联产机组用于供热的燃料投入量。
能源购进、消费与库存
表 号:205-1表
组织结构代码:制表机关:国 家 统 计 局
单位详细名称: 文 号:国统字(2011)82号
单位负责人: 统计负责人: 填表人: 报出日期:20 年月日
说明: 1.统计范围、报送日期及方式:规模以上工业法人单位。
调查单位3月、4月月后4日、9月月后8日、12月次年1月5日、其他月月后3日前网上填报,1月份免报。
2.本表“补充资料”中“上年同期”数据由上级统计机构从上年有关报表中复制,调查单位不用重复填报,但可以修改(未复制数据的由调查单位填报)。
3.本表“补充资料”中本期“工业总产值”从“工业产销总值及主要产品产量”(B204-1表)中摘抄取得,调查单位不用填报,但可以修改。
4.主要逻辑审核关系:(1)消费合计=工业生产消费+非工业生产消费;(2)工业生产消费≥用于原材料;(3)消费合计≥运输工具消费。
5.综合能源消费量的计算方法:非能源加工转换企业,综合能源消费量=工业生产消费的能源合计
能源加工转换企业,综合能源消费量=工业生产消费的能源合计-能源加工转换产出合计-回收利用合计。
天津市能源统计报表制度是一项重要的能源管理政策,旨在加强对天津市能源消耗的监测和统计,为政府和企业提供准确、及时的数据支持,促进能源的节约和高效利用。
一、报表目的本报表制度的目的是为了全面、准确、及时地反映天津市能源消耗情况,为政府和企业提供决策依据,促进能源的节约和高效利用,推动经济可持续发展。
二、报表内容1. 能源消耗总量:包括各种能源的消耗总量,如煤炭、石油、天然气、电力等。
2. 用能行业能耗情况:包括各行业能源消耗情况,如工业、建筑业、交通运输业等。
3. 用能企业能耗情况:包括各企业能源消耗情况,如大型企业、中小型企业等。
4. 能源利用效率:包括能源利用效率的统计和分析,如单位产值能耗、单位产品能耗等。
5. 能源消费结构:包括各种能源消费占总消费的比例,如煤炭、石油、天然气、电力等在不同领域中的消费比例。
6. 能耗变化趋势分析:根据统计数据,分析天津市能源消耗的长期和短期趋势,为企业制定能源战略提供参考。
三、报表格式报表格式包括表格、图表等形式,以清晰明了的方式展示数据。
表格包括能源消耗总量、用能行业能耗情况、用能企业能耗情况等;图表包括柱状图、折线图等,用于展示能源消费结构、能源利用效率等数据的变化趋势。
四、报表填报要求1. 填报单位:各区县统计局、各用能企业等单位负责填报本单位的能源统计报表。
2. 填报时间:每月底前完成本月能源统计报表的填报工作,确保数据的及时性和准确性。
3. 数据来源:报表数据来源于各单位内部统计资料和相关部门的监测数据,确保数据的真实性和可靠性。
4. 报表审核:各单位应对填报的报表进行认真审核,确保数据的准确性和完整性,发现问题应及时纠正。
5. 报表上报:各单位应将填报的报表按时上报至相关部门,以便进行汇总和分析。
五、报表分析与应用相关部门应对上报的能源统计报表进行汇总和分析,为政府和企业提供决策依据。
通过分析能源消耗情况,可以发现存在的问题和潜力,制定相应的政策和措施,促进能源的节约和高效利用。
能源统计报表制度江苏省统计局目录、总说明二、报表目录 (3)三、调查表式(一)综合年报表式1.能源平衡表(实物量)(P303-1 表) (5)2.分行业能源消费量(实物量)(P303-2表) (6)3.分行业能源终端消费量(实物量)(P303-3表) (6)4.能源平衡表(标准量)(P303-4表) (7)5.分行业能源终端消费量(标准量)(P303-5表) (7)6.煤炭生产与销售去向(SP320表) (8)7.原油、天然气生产与销售去向(SP321表) (8)8.原油及石油制品资源与去向(SP322表) (9)9.交通运输、邮电企业主要能源消费与库存(SP323表) (10)10.主要能源进、出口量(SP324表) (10)11.石油销售企业石油商品购进、销售与库存(SP325表) (11)12.主要能源购进、消费与库存(SP326表) (12)13.全社会用电量分类(SP327表) (13)14.能源消费与单位GDP能耗(P406表) (14)(二)综合定报表式1.交通运输、邮政通讯企业主要能源消费与库存(SP420表) (15)2.主要能源进、出口量(SP421表) (16)3.石油销售企业石油商品购进、销售与库存(SP422表) (17)4.主要能源购进、消费与库存(SP423表) (18)5.全社会用电量分类表(SP424表) (19)(三)基层年报表式1.工业企业能源购进、消费与库存(P201表) (20)2.工业企业能源购进、消费及库存附表(P201-1表) (21)3.工业企业水消费(P206表) (22)(四)基层定报表式1.工业企业能源购进、消费与库存(P201表) (23)2.工业企业能源购进、消费及库存附表(P201-1表) (24)3.重点耗能工业企业能源购进、消费与库存(P201-2表) (25)4.重点耗能工业企业能源购进、消费与库存附表(P201-3表) (26)5.工业企业水消费(P206表) (27)6.主要耗能工业企业单位产品能源消耗情况(P207表) (28)四、附录(一) P303 —2表、P303—3表、P303—5表、SP327 SP424表填报的行业大类目录 (29)(二) P201表、P201—1表、P201 —2表、P201—3表的能源填报目录 (29)(三)SP327表、SP424表填报的行业大类目录30(四)主要耗能工业企业单位产品能源消耗情况(P207表)填报目录 (31)(五)主要指标解释36(六)主要耗能工业企业单位产品能源消耗情况(P207表)指标的计算方法 (44)附表一:钢铁企业吨钢可比能耗计算方法 (64)附表二:各种能源折标准煤参考系数 (65)表三:热焓表(饱和蒸汽或过热蒸汽) (66)一、总说明(一)为了解全省能源供应、需求的基本情况,为各级政府制定政策、计划,进行经济管理与调控提供依据,依照《中华人民共和国统计法》的规定,特制定本统计报表制度。
企业能源统计报表填报讲解1.能源统计能源统计是运用综合能源系统经济指标体系和特有的计量形式,采用科学统计分析方法,研究能源的勘探、开发、生产、加工、转换、输送、流转、使用等各个环节运动过程、内部规律性和能源系统流程的平衡状况等数量关系的专业统计。
其研究对象是由能源统计实践所决定的。
可概括以下几方面:①、研究经济系统运行的全过程以及相互联系的数量表现及其关系,揭示能源内部运行规律;②、研究能源利用情况,挖掘节能潜力,促使合理有效地使用能源;③、研究能源综合平衡状况及规律,反映能源资源的形成及能源使用方向,揭示能源供需之间的矛盾;④、研究如何搜集、整理和分析能源系统数量关系的方法论。
能源统计的任务是:准确、及时、全面、系统地搜集、整理和分析整个能源系统流程的统计资料,如实反映能源经济的发展水平、能源经济效益、能源综合平衡状况等发展变化情况,为宏观决策和管理,为企业生产、经营管理提供统计信息和依据。
1.1 能源统计特点能源统计是范围极广的国民经济统计中的分支,其对象是能源系统。
能源系统相当复杂,包括能源资源、能源生产、能源加工转换到最终用能等环节,并通过这些环节与所有的社会活动联系起来。
能源系统的特殊性决定了能源统计工作的一系列特点,使它和其他国民经济统计分支有很大的不同。
1.1.1 能源工业要把自己的产品分配给国民经济的各部门(包括能源工业自身在内),同时又要把产品分配给每一个社会消费成员,其联系面之广几乎没有任何其他工业部门可以与其相比。
1.1.2 能源生产形态多样化:除了化工产品,没有一个工业的产品同时具有固、液、气三态,另外还有载能体。
这些产品在生产、储存、运输、控制和使用的难易程度均有很大差别,但同时又有共同的特点,就是都能发热,而且某些产品在一定条件下,还可在一定程度上互相转换或在用途上可以相互替代。
1.1.3 能源统计对象——能源统计边界复杂;其中包括能源产品与非能源产品的边界,也包括能源工业与非能源工业的边界问题。
附件二:表一:交通运输和邮政业企业能源及水消费情况2012年1— 月组织机构代码□□□□□□□□-□表 号: 制定机关: 批准文号: 205-5-5表上海市统计局 国统制〔2011〕 号 单位负责人: 统计负责人: 填表人: 联系电话: 报出日期:20 年 月 日 注:1、具有国际航运和航空业务的企业,若其船只或飞机的出发地和目的地为两个不同的国家(即国际航班或航线,包括港、澳、台地区),则其消耗的燃料需填报在“国际航线”指标中;2、本表指标除补充资料外均保留两位小数。
3、1海里=1.852公里4、本表中“上年同期”数据由市统计局从上年同期有关报表中复制,调查单位不用重复填报,但可以修改(未复制数据的由调查单位填报)。
填报要点一、能源消费统计的范围:以单个法人为填报报表的范围,包含下属所有的产业活动单位。
能源消费需包含所有实际发生的能源消费,既要统计交通运输工具用的能耗,也要统计经营、生活用的能耗。
二、消费量统计原则1、谁消费、谁统计。
即不论所消费能源的所有权归属,由哪个单位消费,既由哪个单位统计消费量。
2、何时投入使用,何时计算消费。
即统计能源消费的时间界限,以投入第一道生产工序为标志,从此时、此点开始,统计能源消费,计算能源消费量;此时、此点之前不能计算能源消费量。
3、能源消费统计与财务、业务量统计口径的对应一致原则。
三、消费金额的填报1、指调查单位在报告期内在经营活动中实际消费的能源品种的价值量,以相关的发票金额(含增值税)作为统计依据。
能源消费金额中不包括本单位对外销售的各种能源的价值量,不包括为其他单位和职工生活所支付的能源费用。
2、对于企业由于各类原因使用能源而不需要缴纳费用,无法提供消费金额的,需让企业根据消费量及市场平均单价,估算能源消费金额并填入。
四、油品(汽油、柴油、煤油、燃料油)的填报要点计量单位:汽柴油—升煤油、燃料油—千克A 分清品种B 对于车辆加油使用加油卡的情况,如没有加油记录的,应根据每月实际消费金额推算使用量C 注意计量单位之间的换算关系汽油:1升=0.73千克柴油:1升=0.86千克D 部分企业销售汽车时,随车加入的油料也需计入调查单位的消费中五、审核的要点1.法人单位名称和组织机构代码必须与法人单位基本情况(101-1表)的法人单位名称和组织机构代码一致。
2013年规上工业企业能源统计报表制度一、表式能源购进、消费与库存表 号:205-1 表制定机关:国 家 统 计 局 组织机构代码□□□□□□□□-□文 号:国统字(2012)84号 单位详细名称:20 年 月有效期至:2014年1月补充资料:联系电话:分机号:报出日期:20年月日说明:1.主要逻辑审核关系:消费合计=工业生产消费+非工业生产消费;工业生产消费≥用于原材料;消费合计≥运输工具消费。
2.综合能源消费量的计算方法:非能源加工转换、回收利用企业:综合能源消费量=工业生产消费的能源合计;能源加工转换、回收利用企业:综合能源消费量=工业生产消费的能源合计-能源加工转换产出合计-回收利用合计能源购进、消费与库存表填报要点1.能源购进、消费与库存(205-1)表月报填报范围为年主营业务收入2000万元及以上的工业法人企业。
2.本表“上年同期”数据统一由国家统计局或省级统计机构复制,调查单位和各级统计机构均不得修改;本年新增的调查单位自行填报“上年同期”数据。
3.本表“补充资料”中本期“工业总产值”从“工业产销总值及主要产品产量”(B204-1表)中摘抄取得,调查单位免填且不得修改。
4.“原煤”四个其中项“1.无烟煤,2.炼焦烟煤,3.一般烟煤,4.褐煤”,理论参考折标系数分别为0.9428、0.9、0.7143和0.4286吨标准煤/吨,填报时请注意区分。
若企业有超过两种类型原煤的消费,要分别填报其中项,“原煤”一行中要填各原煤品种的合计数,其中“实物量”为各原煤品种“实物量”的合计,“采用折标系数”为各原煤品种“采用折标系数”的加权平均数。
5.原煤填报原则有:A、企业在无法确定填报的原煤品种情况下,①企业无自测折标系数,需凭购货单据开具的原煤热值,选择最接近其热值区间的原煤品种填报,或者依然按上年报表原煤的热值同口径填报。
②企业有自测折标系数,按照实测值选择最接近其折标系数的原煤品种填报。
B、原煤在厂外的运输损失不应计入能源消费。
能源生产、销售与库存(205-6表)产成品库存量指企业在期初、期末时点上,由本企业生产、办理了入库手续而暂未售出的产品的实物数量。
(1)产品库存量计算应遵循的原则①产品库存必须是处于“实际库存”状态的产品,即产品生产出来经过检验合格并办理入库手续的产品。
有的产品虽已结束了生产过程,但还没有验收合格,还没有办理入库手续,不能作为产品库存统计。
有的产品已经售出,但按提货制要求还没有办妥货款结算手续的,或按送货制要求未办理承运手续的,仍应作为本企业的产品库存量统计,而不能作为产品销售量统计。
②计入产品库存量的产品,必须是本企业有权销售的产品,对于已经销售并已办妥各项手续,但尚未提货的产品,本企业无权支配,这种产品虽然仍存在本企业仓库中,但不应统计为库存量。
凡企业有权销售的产品,不论存放在什么地方,均应统计。
③产品库存量不能出现负数。
如果产品还没有入库就已售出,应将售出的这部分产品补填入库和出库凭证,并相应计入产品产量中。
(2)产品库存量包括的内容①本企业生产的,报告期内经检验合格入库的产品。
②库存产品虽有销售对象,但尚未发货的。
③非工业企业和境外订货者来料加工产品尚未拨出的。
④盘点中的账外产品。
⑤产品入库后发现有质量问题,但未办理退库手续的产品。
(3)产品库存量不应包括的内容①属于提货制销售的产品,已办理货款结算和开出提货单,但用户尚未提走的产品。
②代外单位保管的产品。
③已结束生产过程但尚未办理入库手续的产品。
生产量指企业在报告期内生产的并符合产品质量要求的实物数量,包括商品量和自用量两部分。
(1)产品生产量计算应遵循的原则①产品质量标准:产品必须符合规定的质量标准或订货合同规定的技术条件,才可统计生产量。
产品质量标准一律按国家标准或部颁标准执行。
没有国家标准或部颁标准的产品,应按企业主管机关的标准或订货合同规定的技术条件执行,不得擅自更改标准或降低标准,不合格的产品不能计算生产量。
②统计时间:产品生产量反映的是报告期内的企业生产成果,凡报告期内生产的产品都应计算在内,即截止报告期最后一天检验合格并办理了入库手续的产品,其中规定要求包装的产品必须包装好才能计算其生产量。
能源统计报表表式
(一)综合年报表
综合机关名称:
能源平衡表(实物量)
表 号:P303—1表 制表机关:国 家 统 计 局 文 号:国统字()号
说明:. 本表由各设区市统计局根据现有资料加工编制并负责报送。
第一部分“可供本地区消费的能源量”免报。
.本表的统计范围为辖区内除军队系统以外的全部能源生产和消费活动。
. .平衡关系: ()列平衡关系:(煤炭合计);(石油合计)。
()行平衡关系:(平衡差额)12-21-23;(消费量合计)加工转换的投入量(加工转换部分的全部负值
求和后取绝对值);(可供本地区消费的能源量);(加工转换投入产出);(终端消费量);≥;≥;≥;(第二产业);≥;(第三产业);(生活消费)。
.报送时间为月底前,报送方式为电子邮件。
说明:.本表由表乘以折标准煤系数生成,由各设区市统计局负责报送。
.平衡关系:
列关系:(合计当量值)
(合计等价值)
上述两式不适用第行消费合计。
行关系:(平衡差额)12-21-23; (可供本地区消费的能源量);(加工转换投入产出);(终端消费量);≥;≥;≥;(第二产业);≥;(第三产业);(生活消费)。
行至列的消费量合计加工转换的投入量(加工转换部分的全部负值求和后取绝对值); 行、列的消费量合计(加工转换投入产出)(损失量)(终端消费量) 能源平衡表(标准量)
200 年
表 号:P303—4表 制表机关:国 家 统 计 局 文 号:国统字()号 有效期至:200年6月
能源加工转换损失(包括发电、供热损失)行列的单元数值
能源加工转换损失(等价值损失,发电、供热没有损失)行列的单元数值 .报送时间为月底前,报送方式为电子邮件。
主要能源消费与库存
表 号:P 1 0 9 表 制表机关:国 家 统 计 局
文 号:国统字()号
综合机关名称: 200 年 有效期至:200年6月
说明:. 本表由省直有关部门报送。
. 统计范围为全省铁路、民航、公路、水路运输企业及石油经营企业。
不包括部门所管理的工业、
建筑业等企业及行政、事业单位。
. 报送时间为月底前,报送方式为邮寄报表。
(二)综合定报表
综合机关名称:
单位、工业增加值能耗
200 年(半年、年报)
表 号:P 4 0 6 表
制表机关:国 家 统 计 局 文 号:国统字()号 有效期至:200年1月
说明:.本表由各设区市统计局报送。
、半年报只填报带“*”指标。
.年报报送时间为月底前;半年报报送时间为月日前,报送方式为电子邮件。
(三)基层年报表
重点耗能工业企业能源生产、购进、销售与库存量
表号:表
制表机关:江西省统计局
企业法人代码□□□□□□□□—□200年
文号:赣统字()号
批准机关:国家统计局
批准文号:国统字()号
企业详细名称:有效期至:年月
能源名称计量
代码
生产
量
购
进
量
销售
量
年末库存单位
省外购
进
国外进
口
销往省
外
出口国
外
甲乙丙
原煤吨
洗精煤吨
其他洗煤吨
煤制品吨
型煤吨
水煤浆吨
煤粉吨
焦炭吨
其他焦化产品吨
焦炉煤气万立方米
高炉煤气万立方米
其他煤气万立方米
天然气万立方米
液化天然气吨
原油吨
汽油吨
煤油吨
柴油吨
燃料油吨
液化石油气吨
炼厂干气吨
其他石油制品吨
热力百万千焦
电力万千瓦时
其他燃料吨标准煤
煤矸石吨
生物质能吨标准煤
工业废料吨标准煤
城市固体垃
圾
吨标准煤
单位负责人:统计负责人:填表人:报出日期:年月日
说明:.本表由各设区市统计报送分企业数据。
.统计范围是辖区内规模以上且年综合能源消费量在吨标准煤以上或是有能源加工转换活动的工业法人企业。
.报送时间为年后月日前,报送方式为电子邮件。
.本表统计范围:季报:辖区内年主营业务收入万元及以上的法人工业企业;
月报:年综合能源消费量在万吨标准煤及以上的规模以上工业企业填报。
.报送时间:月(季)后日前,月免报。
根据年报的企业名录增减情况上报年度数据,上报时间为月10日前。
报送方式为电子邮件或联网直报。
.主要逻辑审核关系:
消费合计工业生产消费非工业生产消费;工业生产消费≥用于原材料;消费合计≥运输工具消费。
.综合能源消费量的计算方法:
非能源加工转换企业:综合能源消费量工业生产消费的能源合计回收利用合计(表第列);
能源加工转换企业:综合能源消费量工业生产消费的能源合计能源加工转换产出合计(表第列)回收利用合
回收
利用
—
—
—
—
—
—
—
—
—
—
—
—
—
—
—
—
—
—
—
—
—
—
—
说明:.本表统计范围、报送时间和方式同表。
.计算“能源加工转换产出”、“回收利用”指标使用的折算系数同表 .主要逻辑审核关系:
工业生产消费量与表的工业生产消费量数字一致;
加工转换投入合计火力发电投入供热投入原煤入洗投入炼焦投入炼油投入制气投入液化投入加工煤制品投
入。
企业法人代码□□□□□□□□—□ 企业详细名称:
主要耗能工业企业 单位产品能源消耗情况
200 年 1 — 月
表 号:P 2 0 7 表 制表机关:国 家 统 计 局 文 号:国统字()号 有效期至:2009年1月
年 月 日
说明:. 本表由各设区市统计局报送分企业数据。
.本表统计范围:辖区内年综合能源消费量万吨标准煤及以上的规模以上法人工业企业。
.报送时间和方式:月后日前报送, 月免报;报送方式为电子邮件或联网直报;
.主要逻辑审核关系:指标值子项值母项值×单位换算系数(吨钢可比能耗没有这种逻辑关系)。
.备注用于填写有关需要说明问题。
企业法人代码□□□□□□□□—□ 企业详细名称:
工业企业水消费
200 年(半年、年报)
表 号:P 2 0 6 表 制表机关:国 家 统 计 局 文 号:国统字()号 单位负责人: 统计负责人: 填表人: 报出日期:200 年 月 日 说明:.本表统计范围:辖区内年主营业务收入万元及以上的法人工业企业。
.本表由各设区市统计局报送分企业数据;
.报送时间,年报为月日前,半年报为月15日前;报送方式为电子邮件。
.主要逻辑审核关系:取水总量地表水地下水自来水管道供应的未经达标处理的水中水海水其他水。