测试流程图
- 格式:pdf
- 大小:355.38 KB
- 文档页数:2
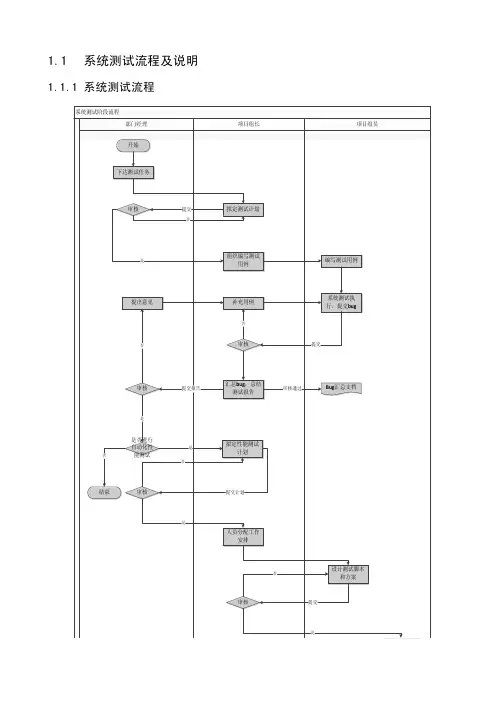
测试流程图流程图是信息系统分析与设计中常用的一种工具,它通过图形的方式展示了一个过程或系统中的各个步骤及其之间的关系。
在进行软件测试时,流程图也是常用的工具之一,用于记录和管理测试的过程和步骤。
下面是软件测试流程图的一个示例,包含了测试的各个阶段和步骤。
软件测试流程图示例:1. 定义测试目标和范围:- 确定测试的目标和范围,明确要测试的功能和需求。
2. 编写测试计划:- 根据测试目标和范围,编写测试计划,包括测试方法、资源需求、测试时间安排等内容。
3. 设计测试用例:- 根据需求和设计文档,设计测试用例,包括正常情况、异常情况、边界情况等不同情况下的测试用例。
4. 准备测试环境和数据:- 设置测试环境,包括硬件环境和软件环境,准备测试数据,包括测试用例所需的输入数据和预期结果。
5. 执行测试用例:- 按照测试计划和测试用例,执行测试用例,记录测试结果。
6. 发现缺陷并记录:- 在执行测试用例的过程中,发现软件中的缺陷,记录缺陷的详细信息,包括缺陷描述、重现步骤等。
7. 分析和整理测试结果:- 对测试结果进行分析,包括检查通过的用例、发现的缺陷等情况,整理测试结果,形成测试报告。
8. 缺陷修复和再测试:- 将发现的缺陷报告给开发人员进行修复,修复完成后进行再次测试,验证缺陷是否已修复。
9. 完成测试和提交测试报告:- 完成所有测试工作,撰写测试报告,包括测试过程、测试结果、缺陷分析等,提交测试报告给相关人员。
10. 测试评审和闭环:- 进行测试评审,评估测试的质量和效果,根据评审结果进行测试的优化和改进。
11. 重新开始下一轮测试:- 根据测试评审的结果,进行下一轮测试的准备和执行。
通过使用流程图可视化测试流程,可以帮助测试团队更好地管理和执行测试工作,提高测试效率和质量。
同时,流程图也能够清晰地展示测试的整体流程和各个步骤的关系,方便团队成员之间的沟通和协作。
软件测试流程图案例在线购物场景测试:第一步:确定基本流和备选流第二步:确定场景场景流的组合场景1—成功购物基本流场景2---账号不存在基本流备选流1 场景3---账号或密码错误基本流备选流2 场景4---余额不足基本流备选流3 场景5---账号没有钱基本流备选流4第三步:设计用例(v:有效;I:无效;n/a:不相干)输入用例场景/条件预期结果编号账号密码余额1:成功购物成功购物 1 V V V2:账号不存在提示账号不存在 2 I n/a n/a3:账号或密码错误(账提示账号或密码错误,返回到3 V I n/a 号正确,密码错误) 基本流步骤33:账号或密码错误(账提示账号或密码错误,返回到4 I V n/a 号错误,密码正确) 基本流步骤3提示账号余额不足请充值,充4:余额不足 5 V V I 值后返回到基本流步骤4 提示用户绑定银行卡或充值,5:账号没有钱 6 V V I 充值后返回到基本流步骤4第四步:设计数据,填入用例表(前置条件:所购商品价格150元) 假设Sue是注册用户,密码1s2,余额200;Jim未注册用户;Sun是注册用户,密码1234;Van是注册用户,密码1v2,账号余额1;Tom是注册用户,密码123,余额为0;用例输入场景/条件预期结果编号账号密码余额1:成功购物成功购物 1 Sue 1s2 2002:账号不存在提示账号不存在 2 Jim -- --3:账号或密码错误(账提示账号或密码错误,返回3 Sun 12345678 -- 号正确,密码错误) 到基本流步骤33:账号或密码错误(账提示账号或密码错误,返回4 Sunny 1234 -- 号错误,密码正确) 到基本流步骤3提示账号余额不足请充值,4:余额不足 5 Van 1v2 1 充值后返回到基本流步骤4课堂练习:旅馆住宿系统房间网上预订业务• 需求:游客访问网站进行网上房间预订操作,选择合适的房间后,进行在线预订;此时,需使用个人账号登录系统;待登录成功后,进行订金支付(订金额为1天的房款);支付成功后,生成房间预订单,完成整个房间预订流程。
最详细的测试工作流程图
测试工作总体流程图
说明:集成测试与系统测试的反馈意见可能导致设计文档(需求或者数据库)的修改。
单元黑盒测试阶段流程图
集成测试流程图
确认测试阶段流程图
系统测试阶段流程图业务测试流程图
压力测试流程图
说明:压力测试为模拟用户正常使用时,系统正常工作的最小时间。
性能测试流程图
说明:测试系统的崩溃极限(最多使用人数与数据库的极限容量)。
安装测试流程图
验收测试流程图说明:验收测试的人员应包含非本系统的人员。
气体灭火主机测试流程图
流程图为进行气体灭火主机测试的步骤的可视化表示,下面是气体灭火主机测试的流程图:
1. 准备工作:
- 检查气体灭火主机是否处于正常工作状态。
- 确保测试区域已经被清空,没有人员和其他物体。
- 检查气体灭火系统的各个部件是否运作正常。
2. 开始测试:
- 打开气体灭火主机的控制面板。
- 按照操作手册,依次操作控制面板上的按钮和开关来启动气体灭火系统。
3. 观察灭火效果:
- 注意观察测试区域内气体灭火系统释放的灭火剂是否充分。
- 观察气体灭火剂是否覆盖到整个测试区域。
4. 结束测试:
- 关闭气体灭火主机的控制面板。
- 对测试过程中的数据和观察结果进行记录和总结。
5. 维护和修复:
- 检查气体灭火主机和灭火系统的工作记录,及时进行维护和修复。
请在测试过程中注意安全等相关事项,并按照操作手册和相关规定进行操作。
该流程图简明扼要地描述了气体灭火主机测试的步骤,以帮助操作人员正确进行测试,保证气体灭火系统的稳定性和可靠性。
软件测试流程图案例在线购物场景测试:第一步:确定基本流和备选流第二步:确定场景场景流的组合场景1—成功购物基本流场景2---账号不存在基本流备选流1 场景3---账号或密码错误基本流备选流2 场景4---余额不足基本流备选流3 场景5---账号没有钱基本流备选流4第三步:设计用例(v:有效;I:无效;n/a:不相干)输入用例场景/条件预期结果编号账号密码余额1:成功购物成功购物 1 V V V2:账号不存在提示账号不存在 2 I n/a n/a3:账号或密码错误(账提示账号或密码错误,返回到3 V I n/a 号正确,密码错误) 基本流步骤33:账号或密码错误(账提示账号或密码错误,返回到4 I V n/a 号错误,密码正确) 基本流步骤3提示账号余额不足请充值,充4:余额不足 5 V V I 值后返回到基本流步骤4 提示用户绑定银行卡或充值,5:账号没有钱 6 V V I 充值后返回到基本流步骤4第四步:设计数据,填入用例表(前置条件:所购商品价格150元) 假设Sue是注册用户,密码1s2,余额200;Jim未注册用户;Sun是注册用户,密码1234;Van是注册用户,密码1v2,账号余额1;Tom是注册用户,密码123,余额为0;用例输入场景/条件预期结果编号账号密码余额1:成功购物成功购物 1 Sue 1s2 2002:账号不存在提示账号不存在 2 Jim -- --3:账号或密码错误(账提示账号或密码错误,返回3 Sun 12345678 -- 号正确,密码错误) 到基本流步骤33:账号或密码错误(账提示账号或密码错误,返回4 Sunny 1234 -- 号错误,密码正确) 到基本流步骤3提示账号余额不足请充值,4:余额不足 5 Van 1v2 1 充值后返回到基本流步骤4课堂练习:旅馆住宿系统房间网上预订业务• 需求:游客访问网站进行网上房间预订操作,选择合适的房间后,进行在线预订;此时,需使用个人账号登录系统;待登录成功后,进行订金支付(订金额为1天的房款);支付成功后,生成房间预订单,完成整个房间预订流程。