最新堤防工程评定表格(DOC)
- 格式:doc
- 大小:504.00 KB
- 文档页数:38
堤防工程质量评定表1. 引言本文档旨在提供一个堤防工程质量评定表,用于评估堤防工程质量的符合程度。
堤防工程是指用于防止水流进入指定范围、防止河道或湖泊决口、保护土地和其上的建筑物免受洪水侵害的工程。
本评定表由专业工程师编制,其中包含了多项量化指标,以便对堤防工程质量进行客观评估。
2. 评定表结构指标评定标准评定说明堤防工程设计设计符合国家标准检查堤防工程设计是否符合国家颁布的相关标准堤防材料使用符合要求的材料检查堤防工程所使用的材料是否选用符合设计要求堤防建设施工质量施工符合工程标准检查堤防工程施工过程中是否按照规范进行施工堤防工程验收合格通过验收合格检查是否通过相关部门的验收,取得堤防工程项目的合格证堤防工程维护定期检查和维护检查堤防工程是否有定期的检查和维护计划堤防工程抗洪能力抗洪能力达到要求根据堤防工程所处地区的洪水历史数据分析,评估工程的抗洪能力堤防工程的环境影响评价符合环保要求检查堤防工程对周围环境的影响评价是否符合环保要求堤防工程的社会效益评价因地制宜,提高周围地区的生产、生活和发展条件评估堤防工程对周围地区的社会效益,包括对农田灌溉、旅游、交通等的影响堤防工程的经济效益评价合理投资,回报高评估堤防工程的经济效益,包括对农田产出、房地产价值、基础设施等的影响3. 评定说明3.1 堤防工程设计评定堤防工程设计是否符合国家标准,主要检查以下方面:•堤防工程的几何和功能设计是否满足要求;•是否有完整的设计文件包括设计报告、施工图和技术规范等;•设计参数是否合理,并考虑了当地的地质、气象和水文条件等因素;•设计是否包含安全措施和灾害应对预案等。
3.2 堤防材料选用评定堤防工程所使用的材料是否符合设计要求,主要检查以下方面:•材料的质量是否符合国家标准;•材料是否经过检测和验收;•是否采取了防止鼠害、虫害和病害等措施;•材料是否符合防渗透和抗渗透的要求。
3.3 堤防建设施工质量评定堤防工程的施工质量是否符合工程标准,主要检查以下方面:•施工过程中是否按照设计要求进行;•工程质量是否符合国家标准;•施工是否按照合同约定和计划进行;•施工中是否有合理的监理和建设监督。
四.堤防工程专项说明1.本章表格适用于1、2、3级堤防工程的单元工程施工质量验收评定,4、5级堤防工程可参照执行。
2.单位工程、分部工程名称应按《项目划分表》确定的名称填写。
单元工程名称、部位填写《项目划分表》确定的本单元工程设备名称及部位。
工序前加“△”者为主要工序。
3.工序施工质量验收评定应具下述条件进行验收评定:①工序中所有施工内容已完成,现场具备验收条件;②工序中所包含的施工质量检验项目经施工单位自检全部合格。
4.工序施工质量验收评定应按下述程序进行验收评定:①施工单位应首先对已经完成的工序施工质量进行自检,并做好检验记录;②施工单位自检合格后,应填写工序施工质量验收评定表,质量责任人履行相应签认手续后,应向监理单位申请复核;③监理单位收到表格后,应在4个小时内进行复核。
5.监理复核内容包括:①核查施工单位报验资料是否真实、齐全;②结合平行检测和跟踪检测结果等,复核工序施工质量检验项目是否符合本标准的要求;③在施工单位提交的“工序施工质量验收评定表”中填写复核记录,并签署工序施工质量评定意见,评定工序施工质量等级,相关责任人履行相应签认手续。
6.单元工程施工质量具备下述条件后验收评定:①单元工程所含工序(或所有施工项目)已完成,施工现场具备验收的条件;②已完工序施工质量经验收评定全部合格,有关质量缺陷已处理完毕或有监理单位批准的处理意见。
7.单元工程施工质量按下述程序进行验收评定:①施工单位首先对已经完成的单元工程施工质量进行自检,并填写检验记录;②自检合格后,填写单元工程施工质量验收评定表,向监理单位申请复核;③监理单位收到申报后,在8h内进行复核。
8.监理复核单元工程施工质量包括下述内容:①核查施工单位报验资料是否真实、齐全;②对照施工图纸及施工技术要求,结合平行检测和跟踪检测结果等,复核单元工程质量是否达到SL631标准的要求;③检查已完单元工程遗留问题的处理情况,在单元工程施工质量验收评定表中填写复核记录,并签署单元工程施工质量评定意见,核定单元工程施工质量等级,相关责任人履行相应签认手续;④对验收中发现的问题提出处理意见。
第五部分 堤防工程外观质量及单元工程质量评定表(共有14个表)本部分表格系根据SL239—1999《堤防工程施工质量评定与验收规程》(试行)及SL260—98《堤防工程施工规范》编制。
适用于1、2、3级堤防工程,4、5级堤防工程可参照执行。
表中加“△”的项目为主要检查(测)项目。
表头:检查日期为终验日期,由施工单位终检责任人填写。
评定日期由监理单位核定人填写。
表尾:施工单位名称,填写与项目法人签定承包合同的施工单位全称。
测量员指负责该单元工程测量、测试的人员。
当测量员不止1人时,由1名主要测量人员签名。
初验、终验负责人,分别由施工单位负责初验、终验的人员签名;监理单位名称,应填写单位全称;核定人,由监理单位负责该单元工程监理工作的监理人员签名。
第五部分:堤防工程外观质量及单元工程质量评定表序号表编号评 定 表 名 称备注1表4.1堤防工程外观质量评定表2表4.1-1堤防单位工程外部尺寸质量检测评定表3表4.2堤基清理单元工程质量评定表4表4.3土料碾压筑堤单元工程质量评定表5表4.4土料吹填筑堤单元工程质量评定表6表4.5土料吹填压渗平台单元工程质量评定表7表4.6粘土防渗体填筑单元工程质量评定表8表4.7砂质土堤堤坡堤顶填筑单元工程质量评定表9表4.8护坡垫层单元工程质量评定表10表4.9毛石粗排护坡单元工程质量评定表11表4.10干砌石护坡单元工程质量评定表12表4.11浆砌石护坡单元工程质量评定表13表4.12混凝土预制块护坡单元工程质量评定表14表4.13堤脚防护(水下抛石)单元工程质量评定表目录表4.1 堤防工程外观质量评定表 - 1 -表4.1-1 堤防单位工程外部尺寸质量检测评定表 - 6 -表4.2 堤基清理单元工程质量评定表 - 8 -表4.3 土料碾压筑堤单元工程质量评定表 - 10 -表4.4 土料吹填筑堤单元工程质量评定表 - 12 -表4.5 土料吹填压渗平台单元工程质量评定表 - 14 -表4.6 粘土防渗体填筑单元工程质量评定表 - 16 -表4.7 砂质土堤堤坡堤顶填筑单元工程质量评定表 -18 -表4.8 护坡垫层单元工程质量评定表 - 20 -表4.9 毛石粗排护坡单元工程质量评定表 - 22 -表4.10 干砌石护坡单元工程质量评定表 - 24 -表4.11 浆砌石护坡单元工程质量评定表 - 26 -表4.12 混凝土预制块护坡单元工程质量评定表 - 28 -表4.13 堤脚防护(水下抛石)单元工程质量评定表 -30 -表4.1 堤防工程外观质量评定表填 表 说 明填表时必须遵守“填表基本规定”,并符合以下要求。
水利水电工程
表堤01 堤防工程外观质量评定表
说明1.堤防联接建筑物的外观质量评参照《水利水电工程施工质量评定表》(试行)(建地[1995]3号)中《水工建筑物外观质量评定表》执行;
2.项次1SL239—1999《堤防工程施工质量评定与验收规程》(试行)表C。
0。
2外部尺寸质量检测评定表中的评定结果进行评分;其他各项得分为各评定成员在检查工程现场后对相应的
外部观感质量进行打分后的算术平均值;
3.实际评定时,仅对实际存在的项目进行评定打分,其标准分累计为应得分,评定打分合计实得分,得分率=(实得分/应得分)×100%。
水利水电工程
表堤01-1 堤防单位工程外部尺寸质量检测评定表
堤防工程
表堤1 堤基清理单元工程质量评定表
堤防工程
表堤2 土料碾压筑堤单元工程质量评定表
堤防工程
表堤3 土料吹填筑堤单元工程质量评定表
堤防工程
表堤4 土料吹填压渗平台单元工程质量评定表
堤防工程
表堤5 粘土防渗体填筑单元工程质量评定表
堤防工程
表堤6 砂质土堤堤坡堤顶填筑单元工程质量评定表
堤防工程
表堤7 护坡垫层单元工程质量评定表
堤防工程
表堤8 毛石粗排护坡单元工程质量评定表
堤防工程
表堤9 干砌石护坡单元工程质量评定表
堤防工程
表堤10 浆砌石护坡单元工程质量评定表
堤防工程
表堤11 混凝土预制块护坡单元工程质量评定表
堤防工程
表堤12 堤脚防护(水下抛石)单元工程质量评定表。
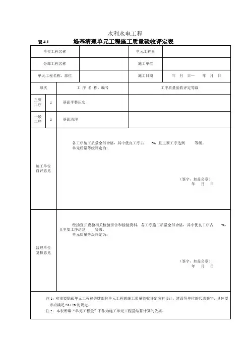
4.堤防工程表4.1 堤基清理单元工程质量评定表填表说明填表时必须遵守“填表基本规定”,并符合以下要求:1.单元工程划分:堤基清理宜沿堤轴线方向将施工段长100m~500 m划分为一个单元工程。
2.单元工程量:填写本单元工程量(m、m2或m3)3.本表是在表4.1.1及表4.1.2工序表质量评定后完成。
4. 单元工程施工质量验收评定应包括下列资料:(1)施工单位应提交单元工程中所含工序(或检验项目)验收评定的检验资料,原材料、拌和物与各项实体检验项目的检验记录资料。
(2)监理单位应提交对单元工程施工质量的平行检测资料。
5.单元工程质量标准合格标准:各工序施工质量验收评定应全部合格;各项报验资料应符合本标准的要求。
优良标准:各工序施工质量验收评定应全部合格,其中优良工序应达到50 %及以上,且主要工序应达到优良等级;各项报验资料应符合本标准的要求。
343水利水电工程344表4.1.1基面清理工序施工质量验收评定表填表说明填表时必须遵守“填表基本规定”,并符合以下要求:1.单位工程、分部工程、单元工程名称及部位填写要与表4.1相同。
2.检验(测)方法及数量:(1)施工单位各班(组)的初检记录、施工队复检记录、施工单位专职质检员终检记录,工序中各施工质量检验项目的检验资料。
(2)监理单位对工序中施工质量检验项目的平行检测资料。
4.工序质量标准合格标准:(1)主控项目,检验结果应全部符合本标准的要求。
(2)一般项目,逐项应有70 %及以上的检验点合格,且不合格点不应集中。
(3)各项报验资料应符合本标准的要求。
优良标准:(1)主控项目,检验结果应全部符合本标准的要求。
(2)一般项目,逐项应有90 %及以上的检验点合格,且不合格点不应集中。
(3)各项报验资料应符合本标准的要求。
345水利水电工程表4.1.1基面清理工序施工质量验收评定表346表4.1.2基面平整压实工序施工质量验收评定表填表说明填表时必须遵守“填表基本规定”,并符合以下要求:1.单位工程、分部工程、单元工程名称及部位填写要与表4.1相同。
4.堤防工程表4.1 堤基清理单元工程质量评定表填表说明填表时必须遵守“填表基本规定”,并符合以下要求:1.单元工程划分:堤基清理宜沿堤轴线方向将施工段长100m~500 m划分为一个单元工程。
2.单元工程量:填写本单元工程量(m、m2或m3)3.本表是在表4.1.1及表4.1.2工序表质量评定后完成。
4. 单元工程施工质量验收评定应包括下列资料:(1)施工单位应提交单元工程中所含工序(或检验项目)验收评定的检验资料,原材料、拌和物与各项实体检验项目的检验记录资料。
(2)监理单位应提交对单元工程施工质量的平行检测资料。
5.单元工程质量标准合格标准:各工序施工质量验收评定应全部合格;各项报验资料应符合本标准的要求。
优良标准:各工序施工质量验收评定应全部合格,其中优良工序应达到50 %及以上,且主要工序应达到优良等级;各项报验资料应符合本标准的要求。
343水利水电工程344表4.1.1基面清理工序施工质量验收评定表填表说明填表时必须遵守“填表基本规定”,并符合以下要求:1.单位工程、分部工程、单元工程名称及部位填写要与表4.1相同。
2.检验(测)方法及数量:(1)施工单位各班(组)的初检记录、施工队复检记录、施工单位专职质检员终检记录,工序中各施工质量检验项目的检验资料。
(2)监理单位对工序中施工质量检验项目的平行检测资料。
4.工序质量标准合格标准:(1)主控项目,检验结果应全部符合本标准的要求。
(2)一般项目,逐项应有70 %及以上的检验点合格,且不合格点不应集中。
(3)各项报验资料应符合本标准的要求。
优良标准:(1)主控项目,检验结果应全部符合本标准的要求。
(2)一般项目,逐项应有90 %及以上的检验点合格,且不合格点不应集中。
(3)各项报验资料应符合本标准的要求。
345水利水电工程表4.1.1基面清理工序施工质量验收评定表346表4.1.2基面平整压实工序施工质量验收评定表填表说明填表时必须遵守“填表基本规定”,并符合以下要求:1.单位工程、分部工程、单元工程名称及部位填写要与表4.1相同。
SL634XXX堤防工程质量评定表
基面清理工序施工质量验收评定表
基面平坦压实工序施工质量验收评定表
土料碾压单元工程施工质量验收评定表
土料吹填单元工程施工质量验收评定表
a:除吹填筑新堤外,可不作要求。
堤身与建筑物结合单元工程施工质量验收评定表
建筑物表面涂浆工质量验收评定表
结合部填筑工序施工质量验收评定表
防冲体护脚单元工程施工质量验收评定表
散抛石工序施工质量验收评定表
土工袋(包)防冲体制备工序施工质量验收评定表
柴枕防冲体制备工序施工质量验收评定表
防冲体抛投工序施工质量验收评定表
沉排护脚单元工程施工质量验收评定表
沉排锚定工序施工质量验收评定表
旱地或冰上铺设铰链混凝土块沉排铺设工序施工质量验收评定表
水下铰链混凝土块沉排铺设工序施工质量验收评定表
旱地或冰上土工织物软体铺设工序施工质量验收评定表
水下土工织物软体沉排铺设工序施工质量验收评定表
砂(石)垫层单元工程施工质量验收评定表
土工织物铺设单元工程施工质量验收评定表
毛石粗排护坡单元工程施工质量验收评定表
石笼护坡单元工程施工质量验收评定表
干砌石护坡单元工程施工质量验收评定表
浆砌石护坡单元工程施工质量验收评定表
混凝土预制块护坡单元工程施工质量验收评定表
灌砌石护坡单元工程施工质量验收评定表
植草护坡单元工程施工质量验收评定表
防浪护堤林单元工程施工质量验收评定表
河道疏浚单元工程施工质量验收评定表
a:边坡如按梯形断面开挖时,可承诺下超上欠,其断面超、欠面积比应大于1,并操纵在1.5以内。
堤防工程外观质量评定表说明:①表中第1项按表2.2.3评定结果进行评分,其他各项得分为各评定成员在检查工程现场后对相应项的外部观感质量进行打分(表 2.2.2)后的算术平均值。
②堤防单位工程外观评定时,仅对实际存在的项目进行评分,其标准分累计为应得分,评定打分合计为实得分,得分率为实得分占应得分百分率。
记录人:日期:年月日堤防单位工程外部尺寸检测评定表说明:外观尺寸检测项目,每测项抽测不少于10点,各测项“评定结果”根据测点合格率确定,测点合格率不小于70%时该测项为合格,测项不合格时必须进行处理,否则该项合格率以0计算。
水利水电工程工程项目施工质量评定表3水工建筑物外观质量评定表表 2.1.1 单位工程名称单位工程编号标准分(分) 12 10 10 10 10 5 10 5 10 10 8 2 2 10 10 10 5 2 10 6 3 5 施工单位评定日期评定得分(分) 备一级得分100% 二级90% 三级70% 四级0 注序号项目1 2 表面平整度建筑物外部尺寸轮廓线顺直、大角方正混凝土浆砌石干砌石砌体勾缝34 5 6 7 8 9 10 11 12 13 14 15 16 17 18 19立面垂直度扭曲面与平面联结平顺混凝土表面无缺陷建筑物表面清洁、钢筋头割除并封闭变形缝梯步栏杆扶梯水工金属结构闸站盘柜电缆线路敷设闸站区照明灯饰变电所杆架设备安装油、气、水管路围墙、道路排水沟绿化续表2.1.1说明:(1)检测数量:全面检查后,抽测25%,且各项不少于10点。
(2)评定等级标准:测点中符合质量标准的点数占总测点数的百分率为100%时,为一级。
合格率为90~99.9%时,为二级。
合格率为70~89.9%时,为三级。
合格率70%时,为四级。
其下方的百分数为相应于所得标准分的百分数。
每项评定得分按下式计算:各项评定得分=该项标准分×该项得分百分率(3)表中第⑥项混凝土表面缺陷指混凝土表面的蜂窝、麻面、挂帘、裙边、局部凹凸及表面浅层裂缝等。
表A.0.1-1工序施工质量验收评定表
单元工程编号:
表A.0.1-1工序施工质量验收评定表
单元工程编号:
表A.0.1-2单元工程施工质量验收评定表(划分工序)
单元工程编号:
表A.0.2单元工程施工质量验收评定表(不划分工序)
单元工程编号
表A.0.1-1工序施工质量验收评定表
单元工程编号
表A.0.1-1工序施工质量验收评定表
单元工程编号:
表A.0.1-2单元工程施工质量验收评定表(划分工序)
单元工程编号:
表A.0.2单元工程施工质量验收评定表(不划分工序)
单元工程编号:
表A.0.1-1工序施工质量验收评定表
单元工程编号:
表A.0.1-2单元工程施工质量验收评定表(划分工序)
单元工程编号:
表A.0.2单元工程施工质量验收评定表(不划分工序)
单元工程编号:
表A.0.1-1工序施工质量验收评定表
单元工程编号:
表A.0.1-2单元工程施工质量验收评定表(划分工序)
单元工程编号:
表A.0.2单元工程施工质量验收评定表(不划分工序)
单元工程编号:
表A.0.1-1工序施工质量验收评定表
单元工程编号:。
堤防工程质量验收评定表
1. 项目名称:
2. 工程概况:
2.1 工程地点:
2.2 工程规模:
2.3 建设单位:
2.4 工程施工单位:
2.5 工程设计单位:
3. 质量验收标准:
3.1 规范性标准:
3.2 监理标准:
3.3 技术标准:
4. 验收内容:
4.1 受防圈面积
4.2 坝顶标高
4.3 坝缘宽度
4.4 坝体防渗
4.5 泄洪设施
4.6 防决设施
4.7 土石方施工质量
4.8 河道清淤质量
4.9 其他
5. 验收结果:
5.1 合格:
5.2 不合格:
5.3 处理意见:
6. 验收人员:
6.1 质量监督员:
6.2 工程师:
6.3 技术员:
7. 验收日期:
8. 备注:
以上是堤防工程质量验收评定表,在进行堤防工程质量验收时,根据上述项目进行认真比对,平时工程监管也可以参考这个表格进行日常管理。
水利水电工程
堤防工程
堤防工程
堤防工程
堤防工程
堤防工程
堤防工程
堤防工程
项
目
2抛投程序符合设计要求
3
抛投位置和数
量
按单元工程内各网格位置和数量抛投
检测
项
目
1
各种抗冲体工
程量
体积允许偏差+10%,但不得偏小
总测
点数
合格
点数
合
格率
2
护脚坡面相应
位置高程
允许偏差±0.3 cm
总测
点数
合格
点数
合
格率
施工单位自评意见质量等级监理单位复核意见核定质量等级
检查项目达到质量标
准,检测项目合格
率%
施工单位名称
监理单位名称测量员初检负责人终检负责人
年月日年月日年月
日
核定人
年月日。
堤基清理单元工程施工质量验收评定表
基面清理工序施工质量验收评定表
基面平整压实工序施工质量验收评定表
土料碾压单元工程施工质量验收评定表
土料吹填单元工程施工质量验收评定表
a:除吹填筑新堤外,可不作要求。
堤身与建筑物结合单元工程施工质量验收评定表
建筑物表面涂浆工质量验收评定表
结合部填筑工序施工质量验收评定表
防冲体护脚单元工程施工质量验收评定表
散抛石工序施工质量验收评定表
土工袋(包)防冲体制备工序施工质量验收评定表
柴枕防冲体制备工序施工质量验收评定表
防冲体抛投工序施工质量验收评定表
沉排护脚单元工程施工质量验收评定表
沉排锚定工序施工质量验收评定表
旱地或冰上铺设铰链混凝土块沉排铺设工序施工质量验收评定表
水下铰链混凝土块沉排铺设工序施工质量验收评定表
旱地或冰上土工织物软体铺设工序施工质量验收评定表
水下土工织物软体沉排铺设工序施工质量验收评定表
砂(石)垫层单元工程施工质量验收评定表
土工织物铺设单元工程施工质量验收评定表
毛石粗排护坡单元工程施工质量验收评定表
石笼护坡单元工程施工质量验收评定表
干砌石护坡单元工程施工质量验收评定表
浆砌石护坡单元工程施工质量验收评定表
混凝土预制块护坡单元工程施工质量验收评定表
灌砌石护坡单元工程施工质量验收评定表
植草护坡单元工程施工质量验收评定表
防浪护堤林单元工程施工质量验收评定表
河道疏浚单元工程施工质量验收评定表
a:边坡如按梯形断面开挖时,可允许下超上欠,其断面超、欠面积比应大于1,并控制在1.5以内。