2016年新规范表格水利水电工程质量评定表、三检表
- 格式:doc
- 大小:274.50 KB
- 文档页数:19
工程名称施工单位分部工程部位单元工程土方开挖部位检查(检测)项目、检查方法及检查(检测)结果检查项目1、地基清理和处理:经随机抽检,树根、草皮、乱石已清除,预留保护层已挖除,地质符合设计要求2、岸坡清理和处理:经随机检查,岸坡上无数根、草皮,保护层已清除。
检测项目1、坑(槽)长宽(设计值,允许偏差:):用皮尺测量,等间距地布置测量点进行测量,得2、坑(槽)底部标高(设计值,允许偏差:):用水准仪测量,等间距地布置测量点进行测量,得:3、垂直或斜面平整度:用2米靠尺和塞尺测量,随机布点,得:初检人签字:初检日期:年月日复检意见:该检验项目齐全,数据准确,检验结果与施工记录一致复检人签字:复检日期:年月日终检意见:经审核,符合设计及规范要求,同意进行下一道工序终检人签字:终检日期:年月日工程名称施工单位分部工程部位单元工程土方回填部位检查(检测)项目、检查方法及检查(检测)结果检查项目1、土料土质、含水率:经随机抽检,上堤土料符合质量标准。
2、土块粒径:经随机检查,无坚硬土块,粒径小于10CM。
3、作业段划分、搭接:经随机检查,机械作业,段长,搭接处水平上升,无界沟4、碾压做业程序:碾压做业符合要求检测项目1、铺料厚度(0 ):用测纤测量,等间距地布置测量点测量,得:2、铺料边线():用钢尺测量,得3、压实度:用环刀取样检测,得:初检人签字:初检日期:年月日复检意见:该检验项目齐全,数据准确检验结果与施工记录一致复检人签字:复检日期:年月日终检意见:经审核,符合设计及规范要求,同意进行下一道工序终检人签字:终检日期:年月日工程名称施工单位分部工程部位单元工程土方回填部位检查(检测)项目、检查方法及检查(检测)结果检查项目5、土料土质、含水率:经随机抽检,上堤土料符合质量标准。
6、土块粒径:经随机检查,无坚硬土块,粒径小于10CM。
7、作业段划分、搭接:经随机检查,机械作业,段长,搭接处水平上升,无界沟8、碾压做业程序:碾压做业符合要求检测项目3、铺料厚度(0 ):用测纤测量,等间距地布置测量点测量,得:4、铺料边线():用钢尺测量,得3、压实度:用环刀取样检测,得:初检人签字:初检日期:年月日复检意见:该检验项目齐全,数据准确检验结果与施工记录一致复检人签字:复检日期:年月日终检意见:经审核,符合设计及规范要求,同意进行下一道工序终检人签字:终检日期:年月日水利水电工程施工质量三检表工程名称施工单位分部工程部位单元工程土方回填部位检查(检测)项目、检查方法及检查(检测)结果检查项目9、土料土质、含水率:经随机抽检,上堤土料符合质量标准。
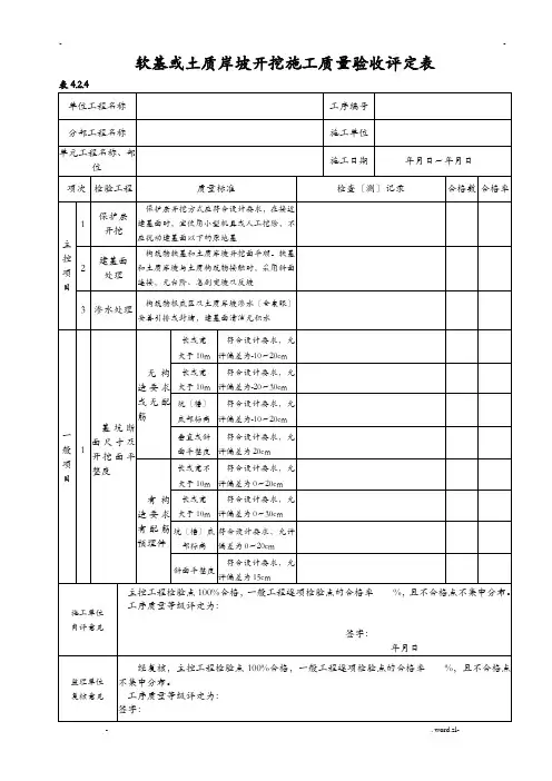
软基或土质岸坡开挖施工质量验收评定表
软基或土质岸坡开挖施工单元工程质量三检表
现浇混凝土护坡单元工程施工质量验收评定表表10.0.9
现浇混凝土护坡单元工程施工质量三检表
砂(石)垫层单元工程施工质量验收评定表表10.0.2
砂(石)垫层单元工程施工质量三检表
土料压实施工质量验收评定表
表6.2.6
土料压实施工质量三检表
接缝处理施工质量验收评定表
接缝处理施工质量三检表
卸料及铺填施工质量验收评定表
卸料及铺填施工质量三检表
混凝土浇筑施工质量验收评定表
外观质量验收评定表
混凝土浇筑施工质量三检表
外观质量三检表
模板制作及安装施工质量验收评定表表5.3.1
模板制作及安装施工质量三检表
钢筋制作及安装施工质量验收评定表
钢筋制作及安装施工质量三检表。
水利水电工程施工质量评定表(试行)目录填表基本规定第一部分工程项目施工质量评定表第二部分水工建筑工程单元工程施工质量评定表第九部分堤防工程外观质量及单元工程质量评定表填表基本规定《水利水电工程施工质量评定表》(试行)(以下简称《评定表》)是检验与评定施工质量的基础资料,也是进行工程维修和事故处理的重要参考。
SL223—1999《水利水电建设工程验收规程》规定,《评定表》是水利水电工程验收的备查资料。
《水利基本建设项目(工程)档案资料管理规定》要求,工程竣工验收后,《评定表》归档长期保存。
因此,对《评定表》的填写,作如下基本规定:1.单元(工序)工程完工后,应及时评定其质量等级,并按现场检验结果,如实填写《评定表》。
现场检验应遵守随机取样原则。
2.《评定表》应使用蓝色或黑色墨水钢笔填写,不得使用圆珠笔、铅笔填写。
3.文字。
应按国务院颁布的简化汉字书写。
字迹应工整、清晰。
4.数字和单位。
数字使用阿拉伯数字(1、2、3、…、9、0)。
单位使用国家法定计量单位,并以规定的符号表示(如:Mpa、m、m3、t、……)。
5.合格率。
用百分数表示,小数点后保留一位。
如果恰为整数,则小数点后以0表示。
例如:95.0%。
6.改错。
将错误用斜线划掉,再在其右上方填写正确的文字(或数字),禁止使用改正液、贴纸重写、橡皮擦、刀片刮或用墨水涂黑等方法。
例如:……表面有裂缝纹,抗压强度25.3 23.3Mpa。
7.表头填写。
①单位工程、分部工程名称,按项目划分确定的名称填写。
②单元工程名称、部位:填写该单元工程名称(中文名称或编号),部位可用桩号、高程等表示。
③施工单位:填写与项目法人(建设单位)签订承包合同的施工单位全称。
④单元工程量:填写本单元主要工程量。
⑤检验(评定)日期:年——填写4位数,月——填写实际月份(1~12月),日——填写实际日期(1~31日)。
8.质量标准中,凡有“符合设计要求”者,应注明设计具体要求(如内容较多,可附页说明)、凡有“符合规范要求”者,应标出所执行的规范名称及编号。
水利水电工程施工质量评定表(试行)目录填表基本规定第一部分工程项目施工质量评定表第二部分水工建筑工程单元工程施工质量评定表第九部分堤防工程外观质量及单元工程质量评定表填表基本规定《水利水电工程施工质量评定表》(试行)(以下简称《评定表》)是检验与评定施工质量的基础资料,也是进行工程维修和事故处理的重要参考。
SL223—1999《水利水电建设工程验收规程》规定,《评定表》是水利水电工程验收的备查资料。
《水利基本建设项目(工程)档案资料管理规定》要求,工程竣工验收后,《评定表》归档长期保存。
因此,对《评定表》的填写,作如下基本规定:1.单元(工序)工程完工后,应及时评定其质量等级,并按现场检验结果,如实填写《评定表》。
现场检验应遵守随机取样原则。
2.《评定表》应使用蓝色或黑色墨水钢笔填写,不得使用圆珠笔、铅笔填写。
3.文字。
应按国务院颁布的简化汉字书写。
字迹应工整、清晰。
4.数字和单位。
数字使用阿拉伯数字(1、2、3、…、9、0)。
单位使用国家法定计量单位,并以规定的符号表示(如:Mpa、m、m3、t、……)。
5.合格率。
用百分数表示,小数点后保留一位。
如果恰为整数,则小数点后以0表示。
例如:95.0%。
6.改错。
将错误用斜线划掉,再在其右上方填写正确的文字(或数字),禁止使用改正液、贴纸重写、橡皮擦、刀片刮或用墨水涂黑等方法。
例如:……表面有裂缝纹,抗压强度25.3 23.3Mpa。
7.表头填写。
①单位工程、分部工程名称,按项目划分确定的名称填写。
②单元工程名称、部位:填写该单元工程名称(中文名称或编号),部位可用桩号、高程等表示。
③施工单位:填写与项目法人(建设单位)签订承包合同的施工单位全称。
④单元工程量:填写本单元主要工程量。
⑤检验(评定)日期:年——填写4位数,月——填写实际月份(1~12月),日——填写实际日期(1~31日)。
8.质量标准中,凡有“符合设计要求”者,应注明设计具体要求(如内容较多,可附页说明)、凡有“符合规范要求”者,应标出所执行的规范名称及编号。
水利水电工程施工质量评定表(试行)目录填表基本规定第一部分工程项目施工质量评定表第二部分水工建筑工程单元工程施工质量评定表第九部分堤防工程外观质量及单元工程质量评定表填表基本规定《水利水电工程施工质量评定表》(试行)(以下简称《评定表》)是检验与评定施工质量的基础资料,也是进行工程维修和事故处理的重要参考。
SL223—1999《水利水电建设工程验收规程》规定,《评定表》是水利水电工程验收的备查资料。
《水利基本建设项目(工程)档案资料管理规定》要求,工程竣工验收后,《评定表》归档长期保存。
因此,对《评定表》的填写,作如下基本规定:1.单元(工序)工程完工后,应及时评定其质量等级,并按现场检验结果,如实填写《评定表》。
现场检验应遵守随机取样原则。
2.《评定表》应使用蓝色或黑色墨水钢笔填写,不得使用圆珠笔、铅笔填写。
3.文字。
应按国务院颁布的简化汉字书写。
字迹应工整、清晰。
4.数字和单位。
数字使用阿拉伯数字(1、2、3、…、9、0)。
单位使用国家法定计量单位,并以规定的符号表示(如:Mpa、m、m3、t、……)。
5.合格率。
用百分数表示,小数点后保留一位。
如果恰为整数,则小数点后以0表示。
例如:95.0%。
6.改错。
将错误用斜线划掉,再在其右上方填写正确的文字(或数字),禁止使用改正液、贴纸重写、橡皮擦、刀片刮或用墨水涂黑等方法。
例如:……表面有裂缝纹,抗压强度25.3 23.3Mpa。
7.表头填写。
①单位工程、分部工程名称,按项目划分确定的名称填写。
②单元工程名称、部位:填写该单元工程名称(中文名称或编号),部位可用桩号、高程等表示。
③施工单位:填写与项目法人(建设单位)签订承包合同的施工单位全称。
④单元工程量:填写本单元主要工程量。
⑤检验(评定)日期:年——填写4位数,月——填写实际月份(1~12月),日——填写实际日期(1~31日)。
8.质量标准中,凡有“符合设计要求”者,应注明设计具体要求(如内容较多,可附页说明)、凡有“符合规范要求”者,应标出所执行的规范名称及编号。
软基或土质岸坡开挖施工质量验收评定表
软基或土质岸坡开挖施工单元工程质量三检表
现浇混凝土护坡单元工程施工质量验收评定表
现浇混凝土护坡单元工程施工质量三检表
砂〔石〕垫层单元工程施工质量验收评定表
砂〔石〕垫层单元工程施工质量三检表
土料压实施工质量验收评定表表6.2.6
土料压实施工质量三检表
接缝处理施工质量验收评定表
接缝处理施工质量三检表
卸料及铺填施工质量验收评定表
卸料及铺填施工质量三检表
混凝土浇筑施工质量验收评定表
外观质量验收评定表
混凝土浇筑施工质量三检表
外观质量三检表
模板制作及安装施工质量验收评定表
模板制作及安装施工质量三检表
钢筋制作及安装施工质量验收评定表表4.4.2-1
钢筋制作及安装施工质量三检表。
水利水电工程-工程质量评定表
一、前言
水利水电工程是近年来我国建设重点之一,为保证工程建设质量、促进行业的健康发展,科学、严谨地对水利水电工程进行质量评定至关重要。
本文档旨在建立水利水电工程质量评定表,以便对工程质量进行科学的评价、管理和提升。
二、工程质量评定表
1. 工程概况
工程名称工程编号设计单位建设单位
2. 质量要求
工程标准要求参数合格值评定情况
3. 施工过程管理
施工工序质量要求合格值评定情况
4. 物资管理
物资名称规格型号批次号数量合格证明评定情况
5. 工程结构
结构构件材质规格型号检验报告合格证明评定情况
6. 施工质量检测
工程项目检测单位检测结果合格证明评定情况
三、评定方法
根据以上评定表的情况,将每一项的评定情况计算出平均值并统计得到总分。
•总分:100分
•合格标准:60分及以上为合格
四、评定
根据评定方法,对工程进行评定。
如果得分低于合格标准,则需要采取措施对存在的质量问题进行整改和改进,确保工程质量得到提升和保障。
五、
水利水电工程的质量评定是对工程建设各个环节的全方位检查和评估,对于保证工程的质量和促进行业健康发展有着极为积极的作用。
本文档提供了建立工程质量评定表的格式,期望能够在工程建设中广泛运用并不断完善,确保工程质量得到有效管理和提升。
水利水电工程单元工程施工质量验收评定表及填表说明(下册)水利部建设与管理司编著内容提要《水利水电工程单元工程施工质量验收评定表及填表说明》(上、下册)根据《水利水电工程单元工程施工质量验收评定标准》(SL 361—2012~SL 637—2012和SL 638—2013、SL 639—2013)评定标准编制,用于水利水电工程单元工程施工质量验收评定工作使用。
上册主要内容包括土石方工程、混凝土工程、地基处理与基础工程、堤防工程;下册主要内容包括水工金属结构安装工程、水轮发电机组安装工程、水力机械辅助设备系统安装工程、发电电气设备安装工程和升压变电电气设备安装工程。
本书样表和填表说明基本涵盖了水利水电工程施工质量验收评定所需表格。
本书是水利水电工程建设、施工、监理、质量监督和质量检测等工程技术人员的工具书,也可作为其他领域相关人员的参考用书。
前言为加强水利工程施工质量管理,根据水利部发布的《水利水电工程单元工程施工质量验收评定标准》(SL 631~SL 637—2012、SL 638~SL 639—2013)和有关施工规程规范。
水利部建设与管理司组织水利部建设管理与质量安全中心、吉林省水利厅等单位的有关专家编写了《水利水电工程单元工程施工质量验收评定表及填表说明》,便于广大水利水电工程技术人员更好地理解评定标准和实际工作中使用,进一步规范单元工程施工质量验收评定工作。
全书分上、下册,总计539个表格。
上册包括土石方工程51个;混凝土工程68个;地基处理与基础工程52个;堤防工程38个。
下册包括水工金属结构安装工程50个;水轮发电机组安装工程83个;水力机械辅助设备系统安装工程45个;发电电气设备安装工程106个;升压变电电气设备安装工程46个。
逐表编写了填表要求。
本书所列表式为通用表式,有关专业人员在使用时可结合工程实际情况,依据设计文件、合同文件和有关标准规定,对相关内容作适当的增减。
在工程项目中,如有SL 631~SL 639标准尚未涉及的单元工程,其质量标准及评定表格,由建设单位组织设计、施工及监理等单位,根据设计要求和设备生产厂商的技术说明书,制定相应的施工、安装质量验收评定标准,并按照《水利水电工程单元工程施工质量验收评定表及填表说明》中的统一格式(表头、表身、表尾)制定相应质量验收评定、质量检查表格,报相应的质量监督机构核备。
新规范表格水利水电工程质量评定表三检表
文档编制序号:[KK8UY-LL9IO69-TTO6M3-MTOL89-FTT688]
单元工程施工质量报验单
(承包[2015]质报 23号)
合同名称:泉州市晋江防洪工程(一期)永春湖洋蓬莱堤段 C1标
合同编号:
说明:本表一式份,由承包人填写,监理机构审签后,承包人2份,监理机构、发包人各1份
水利水电工程
表2.1 混凝土单元工程施工质量验收评定表
水利水电工程
水利水电工程
水利水电工程
水利水电工程
水利水电工程
水利水电工程
水利水电工程
表2.1.5混凝土浇筑工序施工质量验收评定表
水利水电工程
隐蔽工程检查验收记录。
水利水电工程施工质量评定表(试行)目录填表基本规定第一部分工程项目施工质量评定表第二部分水工建筑工程单元工程施工质量评定表第九部分堤防工程外观质量及单元工程质量评定表填表基本规定《水利水电工程施工质量评定表》(试行)(以下简称《评定表》)是检验与评定施工质量的基础资料,也是进行工程维修和事故处理的重要参考。
SL223-1999《水利水电建设工程验收规程》规定,《评定表》是水利水电工程验收的备查资料。
《水利基本建设项目(工程)档案资料管理规定》要求,工程竣工验收后,《评定表》归档长期保存。
因此,对《评定表》的填写,作如下基本规定:1.单元(工序)工程完工后,应及时评定其质量等级,并按现场检验结果,如实填写《评定表》。
现场检验应遵守随机取样原则。
2.《评定表》应使用蓝色或黑色墨水钢笔填写,不得使用圆珠笔、铅笔填写。
3.文字。
应按国务院颁布的简化汉字书写.字迹应工整、清晰。
4.数字和单位.数字使用阿拉伯数字(1、2、3、…、9、0)。
单位使用国家法定计量单位,并以规定的符号表示(如:Mpa、m、m3、t、……)。
5.合格率。
用百分数表示,小数点后保留一位.如果恰为整数,则小数点后以0表示。
例如:95.0%。
6.改错。
将错误用斜线划掉,再在其右上方填写正确的文字(或数字),禁止使用改正液、贴纸重写、橡皮擦、刀片刮或用墨水涂黑等方法。
例如:……表面有裂缝纹,抗压强度25.3 23。
3Mpa.7.表头填写。
①单位工程、分部工程名称,按项目划分确定的名称填写。
②单元工程名称、部位:填写该单元工程名称(中文名称或编号),部位可用桩号、高程等表示。
③施工单位:填写与项目法人(建设单位)签订承包合同的施工单位全称。
④单元工程量:填写本单元主要工程量.⑤检验(评定)日期:年-—填写4位数,月-—填写实际月份(1~12月),日--填写实际日期(1~31日)。
8.质量标准中,凡有“符合设计要求”者,应注明设计具体要求(如内容较多,可附页说明)、凡有“符合规范要求”者,应标出所执行的规范名称及编号.9.检验记录.文字记录应真实、准确、简练.数字记录应准确、可靠,小数点后保留位数应符合有关规定。
此文档下载
后即可编辑
软基或土质岸坡开挖施工质量验收评定表表4.2.4
软基或土质岸坡开挖施工单元工程质量三检表
现浇混凝土护坡单元工程施工质量验收评定表表10.0.9
现浇混凝土护坡单元工程施工质量三检表
砂(石)垫层单元工程施工质量验收评定表表10.0.2
土料压实施工质量验收评定表表6.2.6
土料压实施工质量三检表
接缝处理施工质量验收评定表表6.2.7
卸料及铺填施工质量验收评定表表6.2.5
卸料及铺填施工质量三检表
表4.6.2
表4.7.3
外观质量三检表
模板制作及安装施工质量验收评定表表5.3.1
表4.4.2-1。
水利水电工程施工质量评定表(试行)目录填表基本规定第一部分工程项目施工质量评定表第二部分水工建筑工程单元工程施工质量评定表第九部分堤防工程外观质量及单元工程质量评定表填表基本规定《水利水电工程施工质量评定表》(试行)(以下简称《评定表》)是检验与评定施工质量的基础资料,也是进行工程维修和事故处理的重要参考.SL223—1999《水利水电建设工程验收规程》规定,《评定表》是水利水电工程验收的备查资料.《水利基本建设项目(工程)档案资料管理规定》要求,工程竣工验收后,《评定表》归档长期保存。
因此,对《评定表》的填写,作如下基本规定:1.单元(工序)工程完工后,应及时评定其质量等级,并按现场检验结果,如实填写《评定表》.现场检验应遵守随机取样原则。
2.《评定表》应使用蓝色或黑色墨水钢笔填写,不得使用圆珠笔、铅笔填写.3.文字.应按国务院颁布的简化汉字书写。
字迹应工整、清晰.4.数字和单位。
数字使用阿拉伯数字(1、2、3、…、9、0).单位使用国家法定计量单位,并以规定的符号表示(如:Mpa、m、m3、t、……)。
5.合格率。
用百分数表示,小数点后保留一位.如果恰为整数,则小数点后以0表示。
例如:95。
0%.6.改错。
将错误用斜线划掉,再在其右上方填写正确的文字(或数字),禁止使用改正液、贴纸重写、橡皮擦、刀片刮或用墨水涂黑等方法。
例如:……表面有裂缝纹,抗压强度25。
3 23.3Mpa。
7.表头填写。
①单位工程、分部工程名称,按项目划分确定的名称填写。
②单元工程名称、部位:填写该单元工程名称(中文名称或编号),部位可用桩号、高程等表示。
③施工单位:填写与项目法人(建设单位)签订承包合同的施工单位全称.④单元工程量:填写本单元主要工程量.⑤检验(评定)日期:年——填写4位数,月——填写实际月份(1~12月),日——填写实际日期(1~31日)。
8.质量标准中,凡有“符合设计要求”者,应注明设计具体要求(如内容较多,可附页说明)、凡有“符合规范要求”者,应标出所执行的规范名称及编号。
水利水电工程施工质量评定表(试行)目录填表基本规定第一部分工程项目施工质量评定表第二部分水工建筑工程单元工程施工质量评定表第九部分堤防工程外观质量及单元工程质量评定表填表基本规定《水利水电工程施工质量评定表》(试行)(以下简称《评定表》)是检验与评定施工质量的基础资料,也是进行工程维修和事故处理的重要参考。
SL223—1999《水利水电建设工程验收规程》规定,《评定表》是水利水电工程验收的备查资料。
《水利基本建设项目(工程)档案资料管理规定》要求,工程竣工验收后,《评定表》归档长期保存。
因此,对《评定表》的填写,作如下基本规定:1.单元(工序)工程完工后,应及时评定其质量等级,并按现场检验结果,如实填写《评定表》。
现场检验应遵守随机取样原则。
2.《评定表》应使用蓝色或黑色墨水钢笔填写,不得使用圆珠笔、铅笔填写。
3.文字。
应按国务院颁布的简化汉字书写。
字迹应工整、清晰。
4.数字和单位。
数字使用阿拉伯数字(1、2、3、…、9、0)。
单位使用国家法定计量单位,并以规定的符号表示(如:Mpa、m、m3、t、……)。
5.合格率。
用百分数表示,小数点后保留一位。
如果恰为整数,则小数点后以0表示。
例如:95.0%。
6.改错。
将错误用斜线划掉,再在其右上方填写正确的文字(或数字),禁止使用改正液、贴纸重写、橡皮擦、刀片刮或用墨水涂黑等方法。
例如:……表面有裂缝纹,抗压强度25.3 23.3Mpa。
7.表头填写。
①单位工程、分部工程名称,按项目划分确定的名称填写。
②单元工程名称、部位:填写该单元工程名称(中文名称或编号),部位可用桩号、高程等表示。
③施工单位:填写与项目法人(建设单位)签订承包合同的施工单位全称。
④单元工程量:填写本单元主要工程量。
⑤检验(评定)日期:年——填写4位数,月——填写实际月份(1~12月),日——填写实际日期(1~31日)。
8.质量标准中,凡有“符合设计要求”者,应注明设计具体要求(如内容较多,可附页说明)、凡有“符合规范要求”者,应标出所执行的规范名称及编号。
水利水电工程施工质量评定表(试行)目录填表基本规定第一部分工程项目施工质量评定表第二部分水工建筑工程单元工程施工质量评定表第九部分堤防工程外观质量及单元工程质量评定表填表基本规定《水利水电工程施工质量评定表》(试行)(以下简称《评定表》)是检验与评定施工质量的基础资料,也是进行工程维修和事故处理的重要参考。
SL223—1999《水利水电建设工程验收规程》规定,《评定表》是水利水电工程验收的备查资料。
《水利基本建设项目(工程)档案资料管理规定》要求,工程竣工验收后,《评定表》归档长期保存。
因此,对《评定表》的填写,作如下基本规定:1.单元(工序)工程完工后,应及时评定其质量等级,并按现场检验结果,如实填写《评定表》。
现场检验应遵守随机取样原则。
2.《评定表》应使用蓝色或黑色墨水钢笔填写,不得使用圆珠笔、铅笔填写。
3.文字。
应按国务院颁布的简化汉字书写。
字迹应工整、清晰。
4.数字和单位。
数字使用阿拉伯数字(1、2、3、…、9、0)。
单位使用国家法定计量单位,并以规定的符号表示(如:Mpa、m、m3、t、……)。
5.合格率。
用百分数表示,小数点后保留一位。
如果恰为整数,则小数点后以0表示。
例如:95.0%。
6.改错。
将错误用斜线划掉,再在其右上方填写正确的文字(或数字),禁止使用改正液、贴纸重写、橡皮擦、刀片刮或用墨水涂黑等方法。
例如:……表面有裂缝纹,抗压强度25.3 23.3Mpa。
7.表头填写。
①单位工程、分部工程名称,按项目划分确定的名称填写。
②单元工程名称、部位:填写该单元工程名称(中文名称或编号),部位可用桩号、高程等表示。
③施工单位:填写与项目法人(建设单位)签订承包合同的施工单位全称。
④单元工程量:填写本单元主要工程量。
⑤检验(评定)日期:年——填写4位数,月——填写实际月份(1~12月),日——填写实际日期(1~31日)。
8.质量标准中,凡有“符合设计要求”者,应注明设计具体要求(如内容较多,可附页说明)、凡有“符合规范要求”者,应标出所执行的规范名称及编号。
软基或土质岸坡开挖施工质量验收评定表表4.2.4
软基或土质岸坡开挖施工单元工程质量三检表
现浇混凝土护坡单元工程施工质量验收评定表表10.0.9
现浇混凝土护坡单元工程施工质量三检表
砂(石)垫层单元工程施工质量验收评定表表10.0.2
砂(石)垫层单元工程施工质量三检表
土料压实施工质量验收评定表表6.2.6
土料压实施工质量三检表
接缝处理施工质量验收评定表表6.2.7
接缝处理施工质量三检表
卸料及铺填施工质量验收评定表表6.2.5
卸料及铺填施工质量三检表
混凝土浇筑施工质量验收评定表表4.6.2
外观质量验收评定表表4.7.3
混凝土浇筑施工质量三检表
外观质量三检表
模板制作及安装施工质量验收评定表表5.3.1
模板制作及安装施工质量三检表
钢筋制作及安装施工质量验收评定表表4.4.2-1
钢筋制作及安装施工质量三检表。
2016年新规范表格水利水电工程质量评定表、三检表
单元工程施工质量报验单(承包[2015]质报 23号)
合同名称:泉州市晋江防洪工程(一期)永春湖洋蓬莱堤段 C1标合同编号:
说明:本表一式份,由承包人填写,监理机构审签后,承包人2份,监理机构、发包人各1份
水利水电工程
表2.1 混凝土单元工程施工质量验收评定表
水利水电工程
水利水电工程
水利水电工程
水利水电工程
水利水电工程
水利水电工程
水利水电工程
水利水电工程
水利水电工程
水利水电工程
隐蔽工程检查验收记录。