技术标准和要求
- 格式:doc
- 大小:212.22 KB
- 文档页数:11
7、对招标文件技术标准与要求的应答摘要:1.招标文件技术标准与要求的概述2.应答前的准备工作3.应对不同技术标准的策略4.编写应答文件的注意事项5.提升应答文件竞争力的技巧6.总结与建议正文:一、招标文件技术标准与要求的概述招标文件技术标准与要求是投标企业在参与招标项目时需要关注的重要内容。
这些标准和要求涉及到产品或服务的技术参数、质量要求、安全性、环保等方面。
企业在编制投标文件时,应对招标文件中的技术标准与要求进行全面、准确的理解和分析,以确保投标方案符合招标方的期望。
二、应答前的准备工作在应对招标文件技术标准与要求时,企业应做好以下准备工作:1.仔细阅读和理解招标文件,确保掌握所有关键信息。
2.对照企业产品或服务特点,评估自身是否具备满足招标文件技术标准与要求的能力。
3.梳理相关技术资料,为编制应答文件做好准备。
三、应对不同技术标准的策略1.对于符合企业自身技术水平的标准,应在应答文件中充分展示企业优势,强调产品或服务的特点。
2.对于企业暂不具备的技术标准,应提出具体的技术改进措施和时间表,展示企业的发展潜力和诚意。
3.对于技术标准中存在分歧或模糊之处,应及时与招标方沟通,争取在应答文件中阐述企业观点,争取评审分数。
四、编写应答文件的注意事项1.确保应答文件内容准确、完整、规范,遵循招标文件的要求。
2.针对招标文件中的关键技术指标,提供具体的数据和实例,以支持企业观点。
3.注意文件排版和格式,保持简洁明了,便于评审人员阅读。
五、提升应答文件竞争力的技巧1.强调企业优势,突出核心竞争力。
2.结合招标项目的实际需求,提供具有创新性和实用性的解决方案。
3.展示企业过去的项目经验和成功案例,提高信任度。
六、总结与建议综上所述,企业在应对招标文件技术标准与要求时,应充分做好准备,制定合理的应对策略,并在编制应答文件时注重内容和形式。
施工中的技术规范与标准要求施工中的技术规范与标准要求对于项目的安全、质量和进度起着至关重要的作用。
合理的技术规范和标准要求能够确保施工过程的科学性和规范性,保障工程的顺利进行。
一、施工方案的技术规范要求在施工前,施工方案是至关重要的一环。
施工方案的制定需要遵循一系列的技术规范要求。
首先,施工方案要符合国家相关法规和规范的要求,如建筑施工规范、安全生产法等。
其次,施工方案要经过专业人员的论证和设计,确保方案的科学性与可行性。
最后,施工方案需经过相关部门的审批,确保符合政府部门的安全和环保要求。
二、施工过程中的标准要求1. 施工现场管理标准施工现场是工程实施的核心区域,对施工现场的管理要求要严格执行标准。
施工现场的布局、材料堆放、安全通道、施工设备等都要按照相关标准进行布置,确保施工现场的安全和秩序。
2. 施工质量标准施工过程中的质量标准是确保工程质量的重要保证。
从混凝土浇筑到钢筋绑扎,从基础处理到装饰施工,每个阶段都有相应的施工标准要求。
如混凝土强度、钢筋排列精度、砌筑墙体垂直度等,施工中必须符合这些标准要求。
3. 施工安全标准施工安全是施工过程中最重要的方面之一。
施工安全标准要求在施工现场设置防护设施,保障施工人员的人身安全。
同时,还需要制定安全操作规程,明确施工过程中的各项安全措施和应急预案。
4. 施工进度标准工程的施工进度对于项目的成功交付具有重要意义。
施工进度标准的制定要根据工程量和工期进行合理的规划。
同时,要结合工程的实际情况,及时调整进度计划,并确保施工进度不受不必要的干扰。
三、施工材料的规范要求施工过程中使用的材料是工程质量的重要基础。
施工材料的规范要求包括以下几个方面:1. 材料的选用标准在施工前,需要根据工程的实际需要,选择合适的材料。
选用标准要从材料的性能、质量、安全性等多个方面进行评估。
2. 材料的验收标准施工过程中,对于材料的验收要按照相关标准进行。
例如,水泥的强度、砂石的质量等。
招标技术标准和要求一、前言。
招标是一项重要的工程采购方式,技术标准和要求是招标过程中必不可少的一部分。
本文将就招标技术标准和要求进行详细介绍,希望能够为各位招标人员提供一些参考和帮助。
二、技术标准。
1. 设备性能要求。
在招标过程中,需要明确设备的性能要求,包括但不限于设备的工作效率、稳定性、耐用性等方面。
这些性能要求将直接影响到工程的质量和效果,因此在招标文件中需要明确详细的技术标准。
2. 材料要求。
对于工程所需的各种材料,需要在招标文件中明确其质量标准、规格要求、检测方法等内容。
这些材料的质量直接关系到工程的安全性和可靠性,因此在招标过程中需要严格把关。
3. 技术要求。
工程项目往往涉及到一定的技术要求,例如施工工艺、施工工序、施工方法等。
在招标文件中需要明确这些技术要求,以确保施工过程中能够按照规定的标准进行。
三、要求。
1. 严格执行技术标准。
在招标文件中所明确的技术标准必须严格执行,不能有任何偏离。
招标人员需要对投标方提交的技术方案进行严格审核,确保其符合招标文件中的技术标准要求。
2. 保证质量安全。
招标人员需要在招标文件中对工程质量和安全提出明确要求,投标方需要在施工过程中严格执行这些要求,确保工程质量和安全。
3. 提高效率降低成本。
在招标文件中可以对工程的效率和成本提出要求,鼓励投标方提出能够提高工程效率、降低工程成本的方案,以实现经济效益最大化。
四、结语。
招标技术标准和要求是工程招标过程中的重要环节,对于确保工程质量、安全和经济效益具有重要意义。
招标人员需要在招标文件中明确技术标准和要求,并严格执行,以确保工程的顺利进行和取得良好的效果。
希望本文能够为各位招标人员提供一些参考和帮助。
技术方案内容有哪些要求和标准技术方案内容有哪些要求和标准摘要:本文讨论了技术方案内容的要求和标准。
技术方案是指为解决特定问题或达到特定目标而制定的一系列技术措施和方法的计划和方案。
为了确保技术方案的有效性和实施的可行性,需要关注内容的准确性、清晰性、全面性、可操作性和专业性等方面的要求和标准。
本文将从这几个方面对技术方案内容的要求和标准进行详细阐述。
一、准确性准确性是技术方案内容的首要要求和标准。
技术方案应该准确地描述问题或目标,并提供相应的解决方案和措施。
在编写技术方案时,应该确保所提供的技术信息和数据准确无误,不得夸大或歪曲事实。
此外,技术方案还应该准确地反映出相关技术要求和限制,确保方案的可行性和有效性。
二、清晰性清晰性是技术方案内容的重要要求和标准。
技术方案应该使用清晰、简明的语言,避免使用模糊的术语和概念,确保读者能够迅速理解和掌握方案的内容。
为了提高方案的清晰性,可以使用适当的图表、表格和示意图等辅助工具来展示技术流程、数据和结果等信息。
此外,技术方案还应该遵循逻辑结构,确保思路清晰、条理清楚。
三、全面性全面性是技术方案内容的基本要求和标准。
技术方案应该全面考虑问题的各个方面和环节,并提供相应的解决方案。
在编写技术方案时,应该全面了解和研究相关技术、市场和环境等因素,并进行综合分析和评估。
此外,技术方案还应该全面考虑风险和潜在问题,提供相应的预防和应对措施,确保方案的全面性和稳定性。
四、可操作性可操作性是技术方案内容的实施要求和标准。
技术方案应该提供具体、可操作的步骤和方法,使实施方能够根据方案进行具体的操作和实施。
在编写技术方案时,应该详细描述各项技术工作的具体流程、所需资源和时间计划等,确保方案的可操作性和实施的可行性。
此外,技术方案还应该提供相应的培训和指导材料,帮助实施方更好地理解和掌握方案内容。
五、专业性专业性是技术方案内容的重要要求和标准。
技术方案应该具备一定的专业性,能够满足特定领域和行业的技术要求和标准。
招标文件的技术标准和要求
一、技术标准。
在编写招标文件的技术标准时,需要充分考虑项目的实际需求,明确技术指标和标准要求。
首先,需要对所需产品或工程的技术参数进行详细描述,包括但不限于尺寸、材质、性能等方面的要求。
其次,要对产品或工程的质量标准进行明确规定,确保产品或工程符合国家相关标准和规定。
同时,还需要考虑到环保要求,确保产品或工程符合环保法规,不会对环境造成污染。
最后,要对技术标准的执行和监督进行规定,确保标准的执行和监督能够得到有效落实。
二、技术要求。
除了技术标准外,招标文件还需要对技术要求进行详细规定。
首先,要明确产品或工程的设计要求,包括但不限于结构设计、工艺设计等方面的要求。
其次,要对产品或工程的制造要求进行规定,确保产品或工程的制造过程符合相关标准和规定。
同时,还要对产品或工程的安装、调试、运行等环节进行规定,确保产品或工程的安装、调试、运行符合相关要求。
最后,要对技术要求的验收标准进行明确规定,确保产品或工程的验收能够得到有效执行。
三、总结。
编写招标文件的技术标准和要求是确保招标过程顺利进行的关键环节。
只有明确了技术标准和要求,才能够确保招标过程的公平、公正、公开。
因此,在编写招标文件时,需要充分考虑项目的实际需求,明确技术标准和要求,确保招标过程的顺利进行。
以上就是招标文件的技术标准和要求的相关内容,希望对大家有所帮助。
技术标准和要求一、国家相关规范及标准《生物安全实验室建筑技术规范》GB50346-2011《实验室生物安全通用要求》GB19489-2008《洁净厂房设计规范》GB50073-2013《洁净室施工及验收规范》GB50591-2010《实验室家具通用技术条件》GB8624-2012《室内装饰装修材料人造板及其制品甲醛释放限量》GB18580-2001《流体输送用不锈钢无缝钢管》GB/T14976-2002《通风及空调工程施工及验收规范》GB50243-2012《建筑内部装修设计防火规范》GB50222-2015《施工现场临时用电安全技术规范》JGJ 46—2012《建筑电气工程施工质量验收规范》GB50303-2015《建筑装饰装修工程质量验收规范》GB50210—2001《实验室玻璃仪器量筒》GB/T 12804-2011《实验室玻璃仪器烧瓶》GB/T 22362-2008二、技术标准及要求1、边台、中央台、转角台、仪器台1.1台面部分:采用品牌12.7mm实心理化板,边缘用12.7mm理化板双层加厚至26mm,结构坚固致密,能抗强冲击、耐强酸碱、抗化学试剂、抗菌、抗冲击好、不导电、易清洁、更具有良好的承重性能。
实验室台面板要具有省级及以上质量监督检验部门出具的检验报告。
1.1.1实验室台面板检验报告:检验类别为“委托抽样(型式检验)”的,还要提供实验室台面板生产厂家授权委托书原件。
1.2箱体、层板和基板:门板、抽屉板采用 18mm厚优质中纤板,以2mm厚PVC封边条封边,强度高,表面光整、黏结牢固可靠;后板可灵活拆卸,利于隐藏水电管道的维护修复;板材等级为E1级。
中纤板的甲醛释放量必须满足GB18580-2001《室内装饰装修材料人造板及其制品中甲醛释放限量》规定并出具相应的质量证明文件。
1.3框架部分:主框架采用40mm*60mm*2.0mm无缝方型钢材焊接成型,整体抛光打磨平整;连接处采用冷轧钢板冲压一体成型专用连接件连接, 使整体框架结构更为合理,其承重性能及整个台体的稳定性特别强;整体框架结构钢材表面经酸洗、磷化、静电粉沫喷涂处理,具有良好的耐腐蚀、防火、防潮、防锈等功能,框架喷塑处理流程如下:脱脂-清洗-去锈-磷化-水冲洗-钝化-喷涂。
技术标准和要求1宣传牌1.1制作标准(1)规格:采用双面板中间夹单立柱型式,标志板宽×高为1200×2000 mm,标志板背侧与滑动槽钢采用铝焊(两面焊)连接;立柱采用无缝钢管表面烤银色或白色漆处理,高3900 mm(含标志板高),与标志板抱箍相连;立柱底端与加劲法兰盘电焊连接,法兰盘尺寸为600×400 mm,螺栓孔4×Φ22 mm。
(2)材质:标志板采用3mm铝板折边30mm反折10mm;滑动槽钢采用铝合金;立柱采用镀锌无缝钢管Φ168×8 mm,立柱顶部柱帽材质为薄钢板。
(3)标识:板面采用蓝底、白字、白边框、蓝色衬边,字体采用黑体字,字号统一,底面贴蓝色高强级反光膜,文字边框贴白色高强级反光膜,施工前标语内容由现场管理单位提供,版面材质及形式需经现场管理单位和建设单位确认后实施。
1.2安装标准(1)安装位置及朝向安装在背水侧堤肩,标志板靠路面侧与路面边缘水平距离不小于500 mm,标志板面朝向上、下游。
(2)基础埋设及安装基坑长×宽×深为1200×600×1200 mm,基底铺设200 mm厚砂砾垫层;标牌基础长×宽×深为1000×600×1000 mm,现浇C20混凝土;基础中预埋4×Φ20 mm地脚螺栓和定位法兰盘,定位法兰盘与基础水平对中嵌入,其顶面与基础顶面齐平,地脚螺栓与定位法兰盘正交垂直设置,且外露长度宜控制在80~100 mm;立柱与基础通过地脚螺栓连接。
2县界碑2.1制作标准(1)规格:碑体高×宽×厚为2000×800×150 mm,底座长×宽×厚为1000×350×150 mm,内挖孔长×宽为805×155 mm,用于固定碑身。
(2)材质:碑体为大白麻大理石,底座为小白麻大理石。
标准要求和技术要求在任何行业中,标准和技术要求都是至关重要的。
标准要求是指针对特定产品或服务制定的规范和要求,它们可以确保产品或服务的质量、安全性和可靠性。
技术要求则是指针对特定技术或工艺制定的要求,它们可以确保技术或工艺的有效性和可行性。
在制定标准要求和技术要求时,需要考虑多方面因素。
首先,必须充分了解所涉及的产品、服务、技术或工艺的特点和特性。
只有了解了这些特点和特性,才能制定出合理的标准要求和技术要求。
其次,必须考虑到市场需求和行业发展趋势。
市场需求的变化和行业发展趋势的变化都会对标准要求和技术要求产生影响,因此必须及时调整和更新标准要求和技术要求。
最后,必须考虑到相关法律法规和国家政策。
标准要求和技术要求必须符合相关法律法规和国家政策,否则将无法得到认可和实施。
在制定标准要求和技术要求时,需要遵循一定的原则和方法。
首先,必须遵循科学、公正、公开、合理的原则。
科学是指制定标准要求和技术要求必须基于科学理论和技术实践,不能凭空臆想或主观臆断。
公正是指制定标准要求和技术要求必须公正、公平、无偏见,不能偏袒某一方。
公开是指制定标准要求和技术要求必须公开透明,任何单位和个人都有权参与制定和修改。
合理是指制定标准要求和技术要求必须合理、可行,不能脱离实际和现实。
在制定标准要求和技术要求时,需要注意以下几个方面。
首先,必须充分调研和分析市场需求和行业发展趋势。
只有了解了市场需求和行业发展趋势,才能制定出符合实际需要的标准要求和技术要求。
其次,必须充分征求相关利益相关方的意见和建议。
只有充分征求了相关利益相关方的意见和建议,才能制定出符合各方利益的标准要求和技术要求。
最后,必须充分考虑到技术创新和发展。
技术创新和发展将对标准要求和技术要求产生影响,因此必须及时调整和更新标准要求和技术要求。
总之,标准要求和技术要求是任何行业中至关重要的。
在制定标准要求和技术要求时,必须充分考虑多方面因素,遵循一定的原则和方法,注意多个方面的问题。
建筑工程中的技术要求和标准在建筑工程领域,技术要求和标准是确保项目质量和安全性的重要依据。
它们为设计、施工和验收过程提供指导,保证建筑物的稳定性、耐久性和功能性。
本文将讨论建筑工程中的技术要求和标准,并重点介绍几个关键领域。
一、基础工程的技术要求和标准基础工程是建筑物的重要组成部分,直接影响着建筑物的稳定性和安全性。
在基础工程中,技术要求和标准主要包括以下几个方面:1. 地质勘察和土壤试验:在进行基础工程前,必须进行地质勘察和土壤试验,以确定地质条件和土壤承载能力。
根据勘察和试验结果,确定适用于不同地质条件的基础类型和尺寸。
2. 基础设计:基础设计包括基础的形式、尺寸、计算和施工等。
根据工程要求和土壤条件,确定适合的基础类型,如浅基础、深基础或特殊基础,并按照相应的标准进行设计。
3. 基础施工:基础施工应按照相关的技术要求和标准进行。
施工过程中,需要保证基础的垂直度、水平度和尺寸精度,确保基础的质量和稳定性。
二、结构工程的技术要求和标准结构工程是建筑物的骨架,承担着荷载传递和抗震等功能。
在结构工程中,技术要求和标准主要包括以下几个方面:1. 结构设计:结构设计应根据建筑物的用途、荷载和地震工况等要求进行。
设计人员需要根据国家相关标准,进行结构参数的计算和选取,确保结构的安全性和可靠性。
2. 结构施工:结构施工需要按照设计图纸和相关施工规范进行。
施工过程中,需要保证结构构件的准确连接和精确定位,保证结构的稳定性和安全性。
3. 结构验收:结构验收应根据国家相关标准进行,包括结构工程的材料、施工质量和设计要求等方面的检查和评估。
只有在达到相关标准要求后,才能通过结构验收。
三、空调、水电和消防工程的技术要求和标准空调、水电和消防工程是建筑工程中的重要系统,直接影响建筑物的舒适性和安全性。
在这些工程中,技术要求和标准主要包括以下几个方面:1. 空调工程:空调工程包括供冷和供暖系统的设计和施工。
技术要求和标准包括室内温湿度控制、送风系统的设备选型和布置、空气净化等要求,确保空调系统满足建筑物的使用需求。
建设方案的技术要求和标准一、引言建设方案是指在实施某项工程或项目时所制定的详细计划和方案。
一个好的建设方案不仅要考虑到项目的可行性、经济性和可持续性,还需要满足一定的技术要求和标准。
本文将探讨建设方案中的技术要求和标准,以期为相关人员提供一些参考和指导。
二、技术要求1. 安全性要求在制定建设方案时,首要考虑的是项目的安全性。
无论是建筑工程、交通工程还是能源工程,都需要确保施工和运营过程中的安全。
因此,在建设方案中应明确规定安全措施,包括但不限于施工期间的安全防护、设备的安全性能、应急预案等。
2. 环境保护要求随着环境问题的日益突出,建设方案中的环境保护要求也越来越重要。
在制定建设方案时,应充分考虑项目对环境的影响,并提出相应的环境保护措施。
例如,在建筑工程中,应采用环保材料和节能设备;在交通工程中,应合理规划道路和交通流量,减少对环境的污染。
3. 资源利用要求建设方案应充分考虑资源的合理利用。
无论是土地、水资源还是能源,都应在建设方案中进行充分评估和规划。
例如,在城市规划中,应合理利用土地资源,避免过度开发;在能源工程中,应优化能源结构,提高能源利用效率。
4. 技术可行性要求建设方案应具备一定的技术可行性。
在制定建设方案时,应充分考虑项目所需的技术条件和技术手段,确保项目能够按计划顺利进行。
例如,在信息技术工程中,应充分考虑网络带宽、硬件设备等技术要求,确保项目能够满足用户的需求。
三、技术标准1. 国家标准国家标准是建设方案中的重要参考依据。
在制定建设方案时,应参考相关的国家标准和规范,确保项目的设计、施工和运营符合国家的要求。
例如,在建筑工程中,应参考国家的建筑设计规范和施工标准;在交通工程中,应参考国家的交通规划和交通设施标准。
2. 行业标准除了国家标准外,行业标准也是建设方案中的重要参考依据。
不同行业有不同的标准和规范,应根据具体的项目需求选择适用的行业标准。
例如,在能源工程中,应参考能源行业的相关标准和规范;在信息技术工程中,应参考通信行业的相关标准和规范。
采购合同中的产品技术标准与要求合同书甲方:(公司名称)乙方:(公司名称)鉴于甲乙双方经友好协商,就甲方向乙方采购一定数量的产品达成一致,特签订本合同,共同遵守以下条款:第一条产品名称与规格甲方向乙方采购的产品为(产品名称),规格为(产品规格),数量为(产品数量)。
具体产品的详细描述和型号可根据双方协商达成一致的信息为准。
第二条技术标准与要求1. 产品质量:乙方承诺所提供的产品达到国家标准或行业标准,并符合国家相关法规和标准的要求。
2. 产品性能:乙方应保证所供产品的性能稳定可靠,满足甲方的使用需求。
甲方有权对产品的性能进行检测验收,如有不符合要求的情况,乙方应承担相应的责任并立即处理。
3. 产品包装:乙方应根据产品的特点和运输需要,进行适当的包装,确保产品在运输过程中不受损坏。
第三条交货时间与交货方式1. 交货时间:乙方应按照双方约定的时间节点按时交付产品。
若因乙方原因导致延迟交货,乙方应负责赔付相应的违约金。
2. 交货方式:乙方应按照甲方要求的方式进行产品的交付。
若无特别约定,则交货方式为(具体的交货方式,如快递、陆运等)。
第四条价格与支付方式1. 价格:产品的价格为(产品单价),总价为(产品总金额)(币种)。
若在合同履行过程中出现原材料价格、运输费用等相关成本的变动,双方应进行友好协商,以确定适当的价格调整。
2. 支付方式:甲方应在合同签订后(具体的支付期限,如7天)内支付(支付方式)。
乙方收到相关款项后应及时交付产品。
第五条违约责任1. 一方未按照合同约定的规定履行义务,应承担违约责任,并赔偿对方因此产生的一切损失。
2. 若发生不可抗力事件导致合同无法履行,双方应及时通知对方,并通过友好协商解决。
第六条争议解决本合同的解释和执行均适用(所在地的法律),对于因履行本合同所引起的争议,双方应通过友好协商解决;协商不成的,任何一方均可向所在地的仲裁机构提起仲裁。
仲裁裁决是终局的,对双方均有约束力。
工程施工技术要求与标准是保证工程质量、安全、进度和投资控制的重要依据。
在工程施工过程中,必须严格遵守各项技术要求与标准,确保工程顺利进行。
本文将从土方工程、模板工程、钢筋工程、混凝土工程等方面阐述工程施工技术要求与标准。
一、土方工程1.土方工程施工前应进行挖、填方的平衡计算,综合考虑土方运距最短、运程合理和各个工程项目的合理施工程序等,做好土方平衡调配,减少重复挖运。
2.基坑开挖工程包括无支护结构的放坡基坑开挖和有支护结构的基坑开挖,以及与之相配合的地下水控制措施。
3.基坑开挖前,应根据工程结构型式、基坑深度、地质条件、气候条件、周围环境、施工方法、施工工期和地面荷载等有关资料,确定基坑开挖和地下水控制施工方案。
4.基坑开挖方案内容主要包括:支护结构的龄期、机械选择、基坑开挖时间、分层开挖深度及开挖顺序、坡道位置和车辆进出场道路、施工进度和劳动组织安排、降排水措施、监测方案、质量和安全措施。
二、模板工程1.模板工程的材料应具有足够的强度、刚度和稳定性,能够满足混凝土浇筑的要求。
2.模板安装应保证结构形状、尺寸和位置的正确,安装后应进行验收。
3.模板接缝应严密,不得有漏浆现象。
4.模板拆除应按照施工方案进行,不得过早拆除,防止混凝土结构受损。
三、钢筋工程1.钢筋原材料应符合国家现行标准,具有出厂质量证明书和试验报告。
2.钢筋加工应符合设计要求,表面应洁净、无损伤。
3.钢筋焊接应采用合适的焊接方法,保证焊接质量。
4.钢筋安装应按照设计图纸进行,保证钢筋的锚固长度、间距、保护层厚度等符合要求。
四、混凝土工程1.混凝土原材料应符合国家现行标准,具有出厂质量证明书和试验报告。
2.混凝土拌和应按照施工配合比进行,保证混凝土的和易性、强度等性能。
3.混凝土浇筑应连续进行,防止出现冷缝。
4.混凝土养护应按照施工方案进行,保证混凝土的强度发展。
总之,工程施工技术要求与标准是确保工程质量、安全、进度和投资控制的关键。
第7章技术标准和要求第1节招标项目概况和说明(一)工程建设地点的现场自然条件本工程位于南平市夏道中学内已具备开工条件(二)工程建设地点的现场施工条件本工程位于南平市夏道中学内已具备开工条件(三)招标项目说明具体以招标人提供的工程量清单为准,施工图纸为依据第2节工程建设技术标准(一)工程建设标准强制性条文依据设计文件要求,本招标项目的材料、设备、施工必须达到下列现行的中华人民共和国的国家、行业和地方的一切与招标项目相关的工程建设标准强制性条文:1.《工程测量规范》 GB50026-20072.《建筑地基基础工程施工质量验收规范》GB 50202-20023.《建筑桩基技术规范》JGJ 94-20084.《建筑基坑支护技术规程》JGJ 120-20125.《建筑地基处理技术规范》JGJ 79-20126.《地下防水工程质量验收规范》GB 50208-20117.《建筑地面工程施工质量验收规范》GB 50209-20108.《混凝土结构工程施工质量验收规范》GB 50204-20159.《混凝土质量控制标准》GB 50164-201110.《砌体工程施工质量及验收规范》GB 50203-201111.《木结构工程施工质量验收规范》GB 50206-201212.《屋面工程质量验收规范》GB 50207-201213.《建筑装饰装修工程质量验收规范》 GB50210-200114.《建筑给水排水及采暖工程施工质量验收规范》GB50242-200215.《通风与空调工程施工质量验收规范》GB50243-200216.《建筑电气工程施工质量验收规范》GB50303-200217.《电梯工程施工质量验收规范》GB50310-200218.《智能建筑工程质量验收规范》GB 50339-201319.《钢筋焊接及验收规程》JGJ 18-201320.《钢筋焊接接头试验方法标准》 JGJ/T27-201421.《钢结构工程施工质量验收规范》GB50205-200122.《普通混凝土配合比设计规程》 JGJ55-201123.《砌筑砂浆配合比设计规程》 JGJ98-201024.《建筑工程施工质量验收统一标准》GB 50300-201325.《建筑施工安全检查标准》JGJ59-201126.《建筑机械使用安全技术规程》JGJ33-201227.《道路工程术语标准》GBJ124-8828.《沥青路面施工及验收规范》GBJ50092-9629.《土方与爆破工程施工及验收规范》GB 50201-201230.《给水排水管道工程施工及验收规范》GB 50268-200831.《城镇道路工程施工与质量验收规范》CJJ 1-200832.《城市桥梁工程施工与质量验收规范》CJJ 2-200833.《给水排水构筑物工程施工及验收规范》GB 50141-200834.《建设工程文件归档规范》GB/T50328-201435.《建设工程项目管理规范》GB/T50326-200636.《混凝土质量控制标准》GB 50164-201137.《建筑施工模板安全技术规范》JGJ162-200838.《福建省住宅工程质量分户验收规程》DBJ/T 13-119-201039.《建筑施工组织设计规范》GB/T 50502-200940.《福建省建筑工程文件管理规程》DBJ/T13-56-201141.《园林绿化工程施工及验收规范》CJJ 82-201242.《城市道路照明工程施工及验收规程》CJJ 89-201243.《市政工程施工组织设计规范》GB/T 50903-201344.《福建省市政工程施工技术文件管理规程》DBJ/T13-135-2011……如上述标准及规范要求有出入则以较严格者为准,如标准、规范修改或更新的,则以修改或更新后的内容为准。
技术标准和要求
技术标准和要求是指规定产品或服务的质量、性能、安全、环保等方面的要求,以确保产品或服务符合相关标准规范。
技术标准和要求通常包括以下内容:
1. 质量要求:规定产品或服务的质量指标、检测方法、合格标准等,以确保产品或服务符合相关质量标准。
2. 性能要求:规定产品或服务的功能、稳定性、耐用性、可靠性等方面的要求,以确保产品或服务能够满足用户需求。
3. 安全要求:规定产品或服务的安全性能、安全标准、安全指标等,以确保用户使用安全。
4. 环保要求:规定产品或服务的环境保护、资源利用等方面的要求,以实现可持续发展。
技术标准和要求通常由相关机构制定和发布,如国家质量监督检验检疫总局、行业协会、企业标准等。
在生产过程中,企业需要遵守相关技术标准和要求,以确保产品或服务
符合相关标准规范,并获得相应的认证和认可。
技术标准和要求1、工程条件1.1气象、地质情况:本地区年平均气温6℃,年平均降水量400mm,基本风压0.5KN/m²,基本雪压0.3KN/m²,标准冻结深度为-1.60m,基本抗震裂度八度。
1.2施工现场1.2.1施工现场通讯设施、施工生产、生活用水、用电均由中标人自行安表计量,费用自理。
1.2.2中标人在施工现场搭设的临时设施,在工程竣工验收后三日内必须拆除。
2、技术规范2.1工程建设标准2.1.1依据设计文件的要求,本招标工程项目的材料、设备、施工须达到下列现行中华人民共和国及自治区或行业的工程建设标准、规范要求,并应严格执行工程建设强制性标准。
2.1.2以下所给出的技术标准,规范不认为是最全面的,投标人应按国家、行业及自治区现行的有关工程建设标准、规范、规程及相关的法律、法规执行。
建筑工程施工质量验收统一标准(GB50300-2001)民用建筑工程室内环境污染控制规范(GB50325-2002)2.1.3以上提供的标准、规范及规程如与现行的、最新的标准、规范及规程不一致时,投标人应以现行的、最新的为准。
2.2工程材料:本工程承包范围内所用材料均由中标人负责,必须采用正规大型厂家的合格产品;若有备选的多种产品,则择优选择。
中标人采购的材料,必须由招标人组织中标单位、设计单位、监理单位共同参加,选择供应商和确定品种、规格、价格后,由中标人负责签订采购合同,货款由中标人直接支付给供货商,如有拖欠货款等特殊情况,招标人有权直接从中标人工程款中扣除支付。
中标人采购的材料由中标人负责运输、装卸及保管。
中标人采购的材料必须保证质量,并附有材质证明,进货厂家、质量证明及价格,必须经得监理工程师、招标人代表的书面认定,到货后还应提供合格证、化验单等有关质量文件;如果需要的话,中标人还须将材料样品送至有关检测部门检测,相关的检测费用由中标人承担。
2.3安全防护措施:中标人应按照国家和内蒙古自治区有关法律、法规制定安全保护措施。
招标文件中技术标准和要求技术标准和要求在招标文件中起着至关重要的作用。
它们对于招标项目的实施具有指导性和约束性的意义,能够确保项目的顺利进行,并提高工程质量。
在招标文件中,技术标准和要求通常分为几个方面进行描述。
一、项目概述项目概述部分主要对招标项目进行简要介绍,包括项目名称、招标范围、工程规模、建设地点等基本信息。
此部分有助于投标人了解项目背景和所需技术标准。
二、技术要求1. 技术创新要求:招标文件中可以对技术创新提出要求,包括新工艺、新材料、新技术等方面的应用,目的是推动行业技术进步。
2. 设备及材料要求:招标文件中给出设备、材料的规格、品牌、型号等具体要求,以确保工程施工质量和产品性能符合规定标准。
3. 工程施工要求:招标文件中对工程施工流程、施工周期、工序要求等进行详细描述,以确保工程进度和质量的要求得到满足。
4. 质量控制要求:招标文件需明确质量控制的具体要求,包括质量验收标准、质量管理措施等,以确保工程质量符合预期目标。
5. 安全环保要求:招标文件中对安全生产和环境保护提出要求,包括施工安全措施、排放标准等,以确保工程施工过程中安全和环保合规。
三、技术标准1. 国家标准:招标文件中通常要求符合相关国家标准,以确保工程质量和产品性能符合国家标准。
2. 行业标准:招标文件可能要求符合行业标准,以满足特定行业要求,提高工程品质。
3. 项目标准:招标文件根据具体项目需求,附加特定的技术标准和要求,以确保项目顺利实施和达到预期效果。
四、评标标准在招标文件中通常会明确评标标准,包括价格评估、技术能力评估、公司信誉评估等方面,并给予相应的权重。
评标标准与技术标准和要求息息相关,能够保障中标单位具备满足技术标准和要求的能力。
总结:招标文件中所附的技术标准和要求是招标项目中不可或缺的重要内容。
它们的准确描述能够提供必要的指导,确保项目的质量、安全和环保达到预期目标。
技术标准的选择应符合相关国家标准和行业标准,且要与项目的实际需求相匹配。
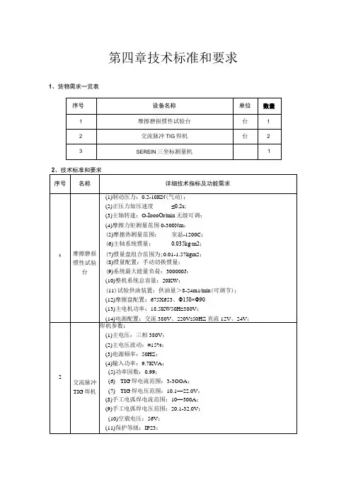
第五章技术标准和要求一、招标项目概况:本项目招标为中牟县大孟镇人民政府无线网络设备。
二、其它要求和说明:1.供应商应按每台或每套产品给招标人提供至少一套完整的技术资料随货物包装发运,其中包括产品的中文使用说明书、操作手册等内容。
2.供应商对于招标文件没有列出,而对系统的正常运行和维护必不可少的产品、配件、软件、线缆及其它辅助材料等,供应商有责任给予补充,并应同其它产品一并报价,并包含在投标总报价中。
3.本次采购所有产品应长期进行技术支持(含技术咨询等)。
若供应商质保期内未能在规定时间内到达现场,采购人有权要求供应商给予合理的经济赔偿。
在质保期内,由于设备本身缺陷发生故障或损坏而造成的损失,供应商应给予采购人经济赔偿。
4.供应商应将所有项目的设备安装(含相关配件、线材等)、调试费、培训费用(含培训教材费)等各项支出的费用必须分别报价并计入投标总价,合同签定后不再单独列支安装、调试等费用。
三、采购产品清单序号设备名称数量单位1 无线面板AP 253 台2 防火墙 1 台3 poe交换机20 台4 AC控制器 1 台5 核心交换机 1 台6 千兆光模块45 个7 无线网卡300 个8 18u机柜12 个9 42u机柜 1 个10 插排15 个11 理线架21 套12 光纤跳线45 套13 电源线600 米14 PDU 2 个15 网线1000 米四、采购产品技术参数1.核心交换机功能类别技术要求及指标交换容量交换容量≥1.92Tbps包转发率包转发率≥1440Mpps业务槽位主控引擎≥2;整机业务板槽位数≥3机柜要求适用600mm深度机柜端口密度支持整机万兆端口密度≥144个硬件要求为保证设备散热效果和可靠性,要求设备支持模块化风扇框,可热插拔,独立风扇框数≥2支持颗粒化电源,支持M+N电源冗余(AC和DC均支持),电源个数≥3,同一系列、不同款型间电源可以通用为适应机柜并排部署,设备机箱(包括业务板卡区)采用后出风风道设计支持独立的硬件监控模块, 控制平面和监控平面物理槽位分离,支持1+1备份,能集中监控板卡、风扇、电源、环境,调节能耗为了简化管理,支持纵向虚拟化技术,支持把交换机和AP虚拟为一台设备,支持两层子节点,且子节点接入交换机支持堆叠MAC 支持整机MAC地址≥1M;MAC学习速率>8000/sVLAN 支持4K VLAN支持1:1,N:1 VLAN mapping;支持端口VLAN,协议VLAN,IP子网VLAN;二层功能支持IEEE 802.1d(STP)、 802.w(RSTP)、 802.1s(MSTP);支持VLAN内端口隔离;支持1:1, N:1端口镜像;IP路由支持IPv4路由转发FIB表项≥512K;支持静态路由、RIP、RIPng、OSPF、OSPFv3、BGP、BGP4+、ISIS、ISISv6;支持路由协议多实例;支持GR for OSPF/IS-IS/BGP ;组播协议支持IGMP Snooping V1,V2,V3;支持PIM-SM/DM/SSM;支持MLD V1,V2;IPV6 支持IPv6过渡技术,IPv4/IPv6双栈、6over4隧道、4 over6隧道支持IPv6 DHCP SERVER, IPv6 DHCP Relay, DHCP SnoopingMPLS 支持MPLS L3VPN、MPLS L2VPN(VPLS,VLL)、MPLS-TE、MPLS QoS访问控制支持整机ACL表项≥64K;支持基于第二层、第三层和第四层的ACL;支持VLAN ACL和IPv6 ACL;支持IP/Port/MAC的绑定功能;QOS 支持SP, WRR,DWRR,SP+WRR, SP+DWRR调度方式;支持双向CAR;提供广播风暴抑制功能;风暴控制支持shutdown端口或拒绝转发的安全策略下发;支持GE/10GE端口200ms大缓存;支持5级H-QoS;安全性支持DHCP Snooping trust, 防止私设DHCP服务器;支持DHCP snooping binding table (DAI, IP source guard), 防止ARP攻击、DDOS攻击、中间人攻击;支持BPDU guard, Root guard;支持802.1X、MAC、Portal等认证方式;可靠性支持G.8032标准环网协议,要求倒换时间≤50ms ;支持硬件BFD/OAM,3.3ms稳定均匀发包检测,提高设备的可靠性;用户管理支持基于流量、DAA目的地址和时长计费方式管理维护支持SNMP V1/V2/V3、Telnet、RMON、SSHV2;支持通过命令行、中文图形化配置软件等方式进行配置和管理;支持WEB网管;绿色节能支持能效以太网功能,IEEE 802.3az实配千兆单模模块≥45个双引擎,电源1+1冗余满配;千兆电口≥48个;千兆光口≥24个;千兆单模模块≥45个;2. poe交换机功能类别技术要求及指标交换容量交换容量≥68Gbps包转发率包转发率≥42Mpps端口类型实配24个千兆电口PoE+,4个千兆SFP二层功能支持MAC地址规格≥16K支持ARP表项规格≥4K支持4K个VLAN,支持Voice VLAN,基于端口的VLAN,基于MAC的VLAN,基于协议的VLAN支持1:1和N:1 VLAN Mapping功能组播支持三层组播功能支持 PIM DM、PIM SM、PIM SSM安全功能支持dot1X、MAC认证和Portal认证支持DHCPv6 snooping、ND snooping、SAVI、MFF 支持CPU保护功能可靠性支持G.8032开放环协议QOS 支持对端口接收报文速率和发送报文速率进行限制,支持SP、WRR、SP+WRR 等队列调度算法管理维护支持SNMP v1/v2/v3、Telnet、RMON、SSHv2;支持通过命令行、Web、中文图形化配置软件等方式进行配置和管理;支持集群管理;支持基于IPv6的管理;支持带外管理以太网口;支持零配置开局3.防火墙功能类别技术要求及指标配置要求千兆电口≥4,千兆Combo接口≥2硬件架构采用非X86多核架构,支持交流双电源接口要求扩展插槽≥2个,最大接口数≥20个千兆接口+4个万兆接口支持LTE 4G功能,实现无线接入支持硬件电口Bypass卡,支持≥500G硬盘性能要求吞吐量≥1Gbps,最大并发连接数≥140万,每秒新建连接数≥2.5万策略管控能够基于时间、用户/用户组/安全组、应用层协议、地理位置、IP地址、端口、域名组、URL分类、接入类型、终端类型、设备组、内容安全统一界面进行安全策略配置路由功能支持静态路由、策略路由、RIP、OSPF、BGP、ISIS等路由协议策略路由支持的匹配条件:源IP/目的IP,服务类型,应用类型,用户(组),入接口,DSCP优先级。
IPV6支持IPv6协议栈、IPV6穿越技术、IPV6路由协议支持IPv6 over IPv4 GRE隧道,6RD隧道协议识别可识别应用层协议数量≥5000种流量控制可支持基于应用层协议设置流控策略,包括设置最大带宽、保证带宽、协议流量优先级等支持基于用户,IP的带宽保证支持每IP,每用户的最大连接数限制,防护服务器支持用户流量配额管理支持流量整形支持基于地理位置的流量和威胁分析策略管理支持策略的模糊查询,策略组,策略规则标签,方便策略的管理及运维。
支持将基于端口的安全策略转换为基于应用的安全策略,分析设备策略风险,及冗余策略,提供安全策略优化建议支持与firemon对接,实现策略的命中,冗余分析及风险调优支持与algosec对接,实现策略的命中,冗余分析及风险调优数据安全支持数据防泄露,对传输的文件和内容进行识别过滤,对内容与身份证、信用卡、银行卡、社会安全卡号等类型进行匹配支持在本地部署URL服务器实现URL过滤支持DNS过滤,提高WEB网页过滤的性能支持SafeSearch,过滤掉Google等搜索引擎返回的不健康的内容DDoS防护支持HTTP、HTTPS、DNS、SIP等应用层Flood攻击,支持流量自学习功能,可设置自学习时间,并自动生成DDoS防范策略支持IP信誉NAT 支持全面NAT功能,对多种应用层协议支持ALG功能,包括ILS、DNS、PPTP、SIP、FTP、ICQ、RTSP、QQ、MSN、MMS等支持源NAT自动探测并排除NAT-IP地址池中无效地址支持源NAT地址池使用率超限告警支持三元组NAT smart-fullcone入侵防御及病毒防护基于特征检测,支持超过5000种特征的攻击检测和防御支持基于场景进行策略入侵防御的模板定制支持对常见应用服务(HTTP、FTP、SSH、SMTP、IMAP)和数据库软件(MySQL、Oracle、MSSQL)的口令暴力破解防护功能。
IPS检出率获得NSS推荐级支持恶意域名过滤,实现对C&C进行阻断可以支持HTTP、FTP、SMTP、POP3、IMAP、NFS等协议的病毒防护加密流量安全防护支持对HTTPS,POP3S,SMTPS,IMAPS加密流量代理解密后,并进行内容过滤,审计,安全防护。
支持基于URL分类的精细化解密,提高解密性能支持加密流量解密后镜像给第三方设备做审计,安全检测集中管理及易用性支持防火墙向云管理平台自动注册,云管理平台对防火墙进行统一的管理及运维支持U盘升级,减少运维成本开放Restful,Netconf等北向接口,对接第三方的管理平台智能威胁防御支持与云沙箱联动(免费试用6个月),实现对APT攻击的防御功能支持与本地沙箱联动,实现对APT攻击的防御功能。
支持防火墙与云沙箱,本地沙箱混合联动,敏感文件在本地沙箱检测,普通文件上传到云沙箱,及保护了客户敏感数据有提高了云检测能力。
支持防火墙与大数据智能安全分析系统联动,做态势感知,全网威胁展示,并能针对威胁生成阻断策略。
支持防火墙与云端WEB信誉系统,文件信誉系统,IP信誉系统联动,实时阻断威胁。
上网用户认证支持AD单点登录,Radius单点登录,NTLM认证,免认证,微信认证,短信认证支持动态安全组,对横向组织机构进行动态授权。
支持多认证域,满足多分公司独立管理,认证的述求。
支持Portal页面定制及调查问卷,进行营销推广。
可靠性支持BFD链路检测,支持BFD与VRRP联动实现双机快速切换,支持BFD与OSPF 联动实现双机快速切换支持HRP平滑升级,升级窗口中支持不同版本的软件形成双机热备多出口智能选路可根据目的地址智能优选运营商链路,支持主备接口配置以及按比例分配的负载分担方式4.AC控制器功能类别技术要求及指标有线无线一体化无线单元+交换机单元CAPWAP协议支持瘦AP标准IETF 5415 CAPWAP协议802.11协议支持802.11a、802.11b、802.11g、802.11n、802.11e、802.11d等协议,支持传输速率选择,支持信道选择,支持最大传输功率设置管理AP数最大管理AP数量≥128管理用户数最大管理用户数量≥2K转发性能转发性能≥4Gbps交换容量交换容量≥20G整机功耗支持整机功耗≤26W端口与供电支持8个千兆电口+2个千兆SFP Combo口支持8口POE供电支持USB接口,配合U盘使用,可用于开局、传输配置文件、升级文件等工作温度工作温度满足-5~50℃认证与加密支持MAC 地址认证、802.1x认证(EAP-PAP、EAP-MD5、EAP-PEAP、EAP-TLS、EAP-TTLS)、Portal认证、MAC+Portal混合认证支持内置portal服务器支持WPA标准、WEP(WEP64/WEP128)、TKIP、CCMP安全AP工作在本地转发模式时需支持DHCP Snooping,DAI,IP source Guard.防止ARP、仿冒源IP及私设DHCP server的攻击。