静力学练习题-黄慧春
- 格式:doc
- 大小:1.76 MB
- 文档页数:34
相互作用、物体的平衡单元测试题姓名分数一、选择题:(本题共10小题,每题5分,共50分。
每题所给的选项中有的只有一个是正确的,有的有几个是正确的,将正确选项的序号选出填入题后的括号中。
全部选对的得5分,部分选对的得2分,有错选或不选的得0分)1、下列关于物体的重力和重心的说法正确的是:()A.某物体在同一位置时,所受的重力与静止还是运动无关,重力的大小是相同的B.物体所受的重力与其质量有关C.用轻绳将物体悬挂,静止时物体的重心在悬绳的延长线上D.有规则形状的物体,其重心一定在几何中心2、下列说法中正确的是:()A.用手压桌面,手也受到力的作用,是因为手发生了形变B.运动员将垒球抛出后,垒球的运动状态仍在变化,垒球仍受力,但施力物体不是运动员C.施力物体对受力物体施加了力,施力物体本身可能不受力的作用D.某物体作为一个施力物体,也一定是受力物体3、两个大小相等的共点力F1和F2 ,当它们的夹角为90°时,合力为F ,当它们的夹角为120°时,合力大小为:()A、2FB、2FC、FD、2F/24、如图所示,放在水平地面上的物体a上叠放着物体b,a和b用轻质弹簧相连,已知弹簧处于压缩状态,整个装置处于静止状态,则关于a、b的受力分析正确的是:()A、b受到向右的摩擦力B、a受到b对它的向左的摩擦力,C、地面对a的摩擦力向右D、地面对a无摩擦力作用5、如图所示,三角形ABC三边的中点分别为D、E、F,在三角形中任取一点O,如果OE、OF、DO三个矢量分别代表三个力,那么这三个力的合力可以用下列哪个矢量来表示:()A、OAB、OBC、OCD、DO6、将某材料制成的长方体锯成A、B两块放在水平面上,A、B紧靠在一起,物体A的角度如图所示.现用水平方向的力F推物体B, 使物体A、B保持原来形状整体沿力F的方向匀速运动,则:()A、物体A在水平方向受两个力的作用,合力为零B、物体A只受一个摩擦力C、物体B对A的压力小于桌面对物体A的摩擦力D、物体B在水平方向受三个力的作用7、如图所示(俯视图),质量为m的长方体物体放在水平放置的钢板C上,物体与钢板间的动摩擦因数为μ,由于光滑导槽A、B的控制,该物体只能沿水平导槽运动。
静力学复习练习1. 力的可传性适用于1 ;加减平衡力系公理适用于1 。
(1)刚体;(2)变形体;(3)刚体和变形体。
2. 图示n F F F F ,,,,321 为一平面力系,点A ,B ,C 不共线,若该力系平衡,则下列各组平衡方程中一定互相独立的平衡方程有2、4、5 。
(1)0)(,0)( ,0===∑∑∑F F BA yMM F;(2)0)( ,0 ,0===∑∑∑F O y xM F F;(3)0)(,0)(,0)(===∑∑∑F F F OBAM M M ; (4)0)(,0)(,0)(===∑∑∑F F F CB A M MM ; (5)0,0)(,0)(===∑∑∑xB AFMMF F 。
3. 图示结构受三个已知力作用,分别汇交于点B 和点C ,平衡时有 2 。
(1)D A F F N N ,0=不一定为零;(2)A D F F N N ,0=不一定为零; (3)0,0N N ==D A F F(4)D A F F N N ,均不一定为零。
4. 图示沿正立方体的前侧面AB 方向作用一力F ,则该力 4 。
(1)对轴z y x ,,之矩全等; (2)对轴z y x ,,之矩全不等; (3)对轴y x ,之矩相等;(4)对轴z y ,之矩相等。
5. 图示力F 的作用线在平面OABC 内,对各坐标轴之矩为 2。
(1)0)(,0)(,0)(≠≠≠F F F z y x M M M (2)0)(,0)(,0)(=≠≠F F F z y x M M M (3)0)(,0)(,0)(==≠F F F z y x M M M (4)0)(,0)(,0)(===F F F z y x M M M6. 力对轴之矩是 4 ;力对点之矩是3 ;力偶矩矢量对刚体是2 。
(1)滑移矢量;(2)自由矢量;(3)固定矢量;(4)代数量。
7. 平面桁架结构如图,零力杆有 3、7、8、9 。
8. 图示桁架,已知力21,F F 和长度b ,则杆1的内力为 0 ;杆2的内力为 -F1 ;杆3的内力为 0 。
1-3 试画出图示各结构中构件AB的受力图的受力图1-4 试画出两结构中构件ABCD的受力图的受力图1-5 试画出图a和b所示刚体系整体各个构件的受力图所示刚体系整体各个构件的受力图1-5a 1-5b 在四连杆机构的ABCD 的铰链B 和C 上分别作用有力F 1和F 2,机构在图示位置平衡。
为二力杆,受力方向分别沿着各杆端点连线的方向。
为二力杆,受力方向分别沿着各杆端点连线的方向。
6F 2 F BCF ABB45oy x F BCF CD C60o F 130ox y 力构成封闭的力多边形,如图所示。
力构成封闭的力多边形,如图所示。
为二力杆为二力杆((受力如图所示受力如图所示)),故曲杆10a F BC60o F 130o F 2 F BCAB45o 解:机构中AB杆为二力杆,点A,B出的约束力方向即可确定。
由力偶系作用下刚体的平衡条件,点O,C处的约束力方向也可确定,各杆的受力如图所示。
对BC杆有:0=åM30sin20=-××MCBFB对AB杆有:杆有:ABFF=对OA杆有:杆有: 0=åM01=×-AOFMA求解以上三式可得:mNM×=31,NFFFCOAB5===,方向如图所示。
,方向如图所示。
////2-6求最后简化结果。
解:解:2-6a2-6a坐标如图所示,各力可表示为坐标如图所示,各力可表示为: :j Fi FF23211+=,i FF=2,j Fi FF23213+-=先将力系向A点简化得(红色的):j Fi FFR3+=,kFaMA23=方向如左图所示。
由于AR MF^,可进一步简化为一个不过A点的力点的力((绿色的绿色的)),主矢不变,其作用线距A点的距离ad43=,位置如左图所示。
,位置如左图所示。
2-6b同理如右图所示,可将该力系简化为一个不过A点的力(绿色的),主矢为:,主矢为:i F F R2-= 其作用线距A 点的距离a d43=,位置如右图所示。
静力学练习题■黄慧春'、基本要求1、掌握静力学公理及其静力学基本概念2、各种常见约束的约束力3、物体受力图的画法4、二力杆的判断二、物体受力分析(要求解除约束、取分离体,画上所有作用力——主动力和约束力)静力学公理和物体的受力分析(1)班级________ 姓名学号静力学公理和物体的受力分析(2)班级_______ 姓名__________ 学号 ________ 物体受力分析(要求解除约束、取分离体,画上所有作用力主动力和约束力)1、画岀下列每个标注字符的物体的受力图,各题的整体受力图。
未画重力的物体的重量均不计静力学公理和物体的受力分析(3)班级______ 姓名__________ 学号_______ 一、物体受力分析•受力图(要求取分离体,画上所有的主动力和约束反力)画岀下列每个标注字符的物体的受力图,各题的整体受力图。
未画重力的物体的重量均不计,平面力系(1)班级_________ 姓名___________ 学号 ________ 一、基本要求1•力投影的计算;2•平面汇交力系合力的求法;3•平面汇交力系的平衡条件和平衡方程;4•解题步骤和要求二、计算题1、五个力作用于一点,如图所示。
图中方格的边长为10mm。
求此力系的合力。
(以下平衡问题解题步骤要求:①确定研究对象画受力图;②列平衡方程;③解出结果,说明方向)2、物体重P=20(kN),用绳子挂在支架的滑轮B上,绳子的另一端接在绞车D上,如图所示。
A、B、C三处均为铰链连接,当物体处于平衡状态时,试求杆AB和CB所受的力。
滑轮B的大小略去不计。
答:F AB 54.64(kN)(拉)F CB 74.64(kN)(压)3、工件放在V形铁内,如图所示。
若已知压板夹紧力 F = 400 N,不计工件自重,求工件对V形铁的压力2、图示叠轮,已知大圆半径为 R,小圆半径为r ,在小轮圆周作用有一切向力 F ,其作用线与水平线夹角为 叠轮与水平面切点 A 之矩M A ( F )答:M A ( F )=F ( r-Rcos ) 平面力系(2)班级 __________ 姓名___________ 学号 ________ '、基本要求1、 力矩的定义及其计算方法2、 合力矩定理的应用3、 力偶的定义及其性质4、 平面力偶系平衡的平衡条件二、试分别计算下列各图中力 F 对点0的矩 1、(a) (b),求力F 对B的约束反AB与CD上各有一力偶作用。
静力学考试题及答案一、选择题(每题2分,共20分)1. 静力学中,物体处于平衡状态的充要条件是()。
A. 合力为零B. 合力矩为零C. 合力和合力矩都为零D. 合力和合力矩中至少有一个为零答案:C2. 以下哪个力不是保守力?()。
A. 重力B. 弹簧力C. 摩擦力D. 静电力答案:C3. 一物体在水平面上受到一个斜向上的拉力F,下列关于物体受力的说法正确的是()。
A. 物体受到的重力和支持力是一对平衡力B. 物体受到的拉力和摩擦力是一对平衡力C. 物体受到的重力和拉力是一对平衡力D. 物体受到的拉力和支持力是一对平衡力答案:A4. 一个质量为m的物体,受到一个大小为F的力作用,下列说法正确的是()。
A. 物体的加速度一定为F/mB. 物体的加速度一定为0C. 物体的加速度可能为0D. 物体的加速度一定为F/m答案:C5. 一物体在水平面上受到一个大小为F的力作用,下列说法正确的是()。
A. 物体的加速度一定为F/mB. 物体的加速度一定为0C. 物体的加速度可能为0D. 物体的加速度一定为F/m答案:C6. 一个质量为m的物体在水平面上受到一个大小为F的力作用,下列说法正确的是()。
A. 物体受到的合力为FB. 物体受到的合力为0C. 物体受到的合力可能为0D. 物体受到的合力一定为F答案:C7. 一物体在水平面上受到一个大小为F的力作用,下列说法正确的是()。
A. 物体受到的合力为FB. 物体受到的合力为0C. 物体受到的合力可能为0D. 物体受到的合力一定为F答案:C8. 一个质量为m的物体在水平面上受到一个大小为F的力作用,下列说法正确的是()。
A. 物体受到的合力为FB. 物体受到的合力为0C. 物体受到的合力可能为0D. 物体受到的合力一定为F答案:C9. 一物体在水平面上受到一个大小为F的力作用,下列说法正确的是()。
A. 物体受到的合力为FB. 物体受到的合力为0C. 物体受到的合力可能为0D. 物体受到的合力一定为F答案:C10. 一个质量为m的物体在水平面上受到一个大小为F的力作用,下列说法正确的是()。
静力学复习题(总2页) --本页仅作为文档封面,使用时请直接删除即可----内页可以根据需求调整合适字体及大小--静力学复习题第一章1、工程力学包括:和2、力的三要素:3、刚体是指:4、平衡是指物体:5、按照各力作用线的不同形式,力系可以分为:、、、和。
6、按照力系作用线是否位于同一平面,力系可以分为和7、等效力系是指:8、作用在刚体上力可以沿作用线任意移动,对否9、画出二力合成的四边形法则和三角形法则。
10、三力平衡汇交定律11、画出柔绳约束力、光滑接触面约束力、固定铰支座约束力、可动铰支座约束力、固定端支座约束力的特点12、第一章书上的例题和习题部分。
第二章13、平面汇交力系是指:14、画出平面汇交力系合成的几何法15、掌握汇交力系合成的解析法。
16、力的投影和分力有何不同17、平面汇交力系的平衡方程18、第2章例题和习题1、2、3、4.。
第三章18、力对点之矩的符号、定义、计算、正负的规定19、力偶的定义、符号、力偶臂、作用面20、力偶可否与力等效21、平面力偶可否在其作用面内任意移动22、力偶的三要素:23、力偶的合成方法和平衡方程24、力平移到刚体上的任一点,需要什么条件25、平面任意力系向一点简化方法26、平面任意力系向一点简化后,得到主矢和主矩,与简化中心有何关系27、平面汇交力系、力偶系、平行力系、任意力系平衡方程28、最大静摩擦力的计算29、分清楚考虑摩擦时物理的静止、临界、滑动的条件30、教材例题和习题1、2、4.第四章1、空间力系分为三种:2、画出空间力系的力在直角坐标系的投影方法,并给出计算公式。
3、空间力对点的矩定义、计算、符号、方向4、空间力对轴的矩定义、计算、符号、方向5、空间汇交力系合成的解析法6、空间汇交力系的平衡方程7、空间力偶的三要素:8、空间力偶的合成方法9、空间力偶的平衡方程10、空间力偶可否在刚体作用面内任意移动11、空间力偶可否移到作用面平行的另外一个作用面内12、空间任意力系可否简化为空间汇交力系+空间力偶系13、空间平行力系的平衡方程14、空间任意力系的平衡方程15、平行力系的重心与和有关,而与力的无关。
静力学基础一、判断题1.外力偶作用的刚结点处,各杆端弯矩的代数和为零。
(×)2.刚体是指在外力的作用下大小和形状不变的物体。
(√ )3.在刚体上加上(或减)一个任意力,对刚体的作用效应不会改变。
(×)4.一对等值、反向,作用线平行且不共线的力组成的力称为力偶。
(√ )5.固定端约束的反力为一个力和一个力偶。
(×)6.力的可传性原理和加减平衡力系公理只适用于刚体。
(√ )7.在同一平面内作用线汇交于一点的三个力构成的力系必定平衡。
(×)8.力偶只能使刚体转动,而不能使刚体移动。
(√ )9.表示物体受力情况全貌的简图叫受力图。
(√ )10.图1中F对O点之矩为m0 (F) = FL 。
(×)图1二、选择题1. 下列说法正确的是(C )A、工程力学中我们把所有的物体都抽象化为变形体。
B、在工程力学中我们把所有的物体都抽象化为刚体。
C、稳定性是指结构或构件保持原有平衡状态。
D、工程力学是在塑性范围内,大变形情况下研究其承截能力。
2.下列说法不正确的是(A )A、力偶在任何坐标轴上的投形恒为零。
B、力可以平移到刚体内的任意一点。
C、力使物体绕某一点转动的效应取决于力的大小和力作用线到该点的垂直距离。
D、力系的合力在某一轴上的投形等于各分力在同一轴上投形的代数和。
3.依据力的可传性原理,下列说法正确的是(D )A、力可以沿作用线移动到物体内的任意一点。
B、力可以沿作用线移动到任何一点。
C、力不可以沿作用线移动。
D、力可以沿作用线移动到刚体内的任意一点。
4.两直角刚杆AC、CB支承如图,在铰C处受力F作用,则A、B两处约束力与x轴正向所成的夹角α、β分别为:α=___B___,β=___D___。
A、30°;B、45°;C、90°;D、135°。
5.下列正确的说法是。
(D )图2A、工程力学中,将物体抽象为刚体。
B、工程力学中,将物体抽象为变形体。
第一章 静力学基础一. 填空题1.理论力学的任务是研究物体作 机械运动 的规律 2.平衡是指 (相对于地球)做匀速直线运动.3.力是物体之间 相互的机械 作用,这种作用使物体的 运动或形状 发生改变。
4.刚体是受力作用而 不变形 的物体。
5.刚体受到两个力作用而平衡的充分必要条件是 此两力等值,反向,共线 。
6.约束是指限制非自由体某种运动 的周围物体。
7.对刚体而言,力的三要素是 大小 、 方向 、 作用线 。
8.二力平衡原理适用于 刚体 。
9.在光滑圆柱形铰链约束中,如接触点不能确定,可用通过铰链中心 的一对正交分力表示。
10.对刚体而言,力是 滑移 矢量。
二. 单项选择题1. 图示系统受力F 作用而平衡。
欲使A 支座约束力的作用线与AB 成60º角,则斜面的倾角α应为______B________。
(A ) 0º (B ) 30º (C ) 45º (D ) 60º2.如图所示的两个楔块A 、B 在m-m 处光滑接触,现在其两端沿轴线各加一个大 小相等、方向相反的力,则两个楔块的状态为 A 。
(A )A 、B 都不平衡(B )A 平衡、B 不平衡(C )A 不平衡、B 平衡(D )A 、B 都平衡3.三力平衡定理是 A 。
(A )共面不平行的三个力互相平衡必汇交于一点 (B )共面三力若平衡,必汇交于一点(C )三力汇交于一点,则这三个力必互相平衡。
(D )此三个力必定互相平行4.作用和反作用定律的适用范围是 D 。
(A ) 只适用于刚体 (B ) 只适用于变形体(C ) 只适用于处于平衡状态的物体 (D ) 适用于任何物体5.一物体是否被看作刚体,取决于 D 。
(A ) 变形是否微小 (B ) 变形不起决定因素 (C ) 物体是否坚硬(D ) 是否研究物体的变形6.力的可传性原理 A 。
(A ) 适用于刚体 (B ) 适用于刚体和弹性体 (C ) 适用于所有物体 (D )只适用于平衡的刚体第一章 平面汇交力系与平面力偶系一、填空题1.平面汇交力系平衡的几何条件是 ΣF=0 力多边形自行封闭 即该力系的合力等于0 。
静力学测试题(总2页)--本页仅作为文档封面,使用时请直接删除即可----内页可以根据需求调整合适字体及大小--静力学测试题教师简介:常玉如:中学正高级教师、省特级教师、省教学能手、省优质课一等奖获得者。
在全国核心教育期刊发表论文50多篇。
出版有《重点大学自主招生全解:物理真题解析与模拟》,《走进名师课堂》等书。
全国物理竞赛与自主招生辅导专家,辅导学生获全国一等奖112人。
39人保送进入清华北大。
70多人进入中国科技大学、上海交大、复旦大学等知名高校。
1、一根长度为l的杆AB重为G,B端压在粗糙的地面上,A端一根足够牢的轻绳斜拉在地上,绳与杆的夹角为θ如图。
在离B端a·l处有一个水平作用力F。
问:(1)杆B端与地面之间的支磨擦因数至少为多大,才能维持杆静止?(2)如果B端与地面之间的动磨擦因数为μ0,那么在AB上有一点D,在AD之间不论施加多大的水平力F,都不会破坏AB的平衡,求D点的位置。
2、一个质量m=20kg的钢件,架在两根完全相同的平行长直圆柱上,如图所示,钢件的重心与两柱等距,两柱的轴线在同一水平面内,圆柱的半径r=,钢件与圆柱间的动磨擦因数μ=。
两圆柱各绕自己的轴线作转向相反的转动,角速度ω=40rad/s。
若沿平行平柱轴的方向施力推着钢件做速度为μ0=s的匀速运动,推力是多大?设钢件左右受光滑导槽限制(图中未画出),不发生横向运动。
3、用两根直径均为d=且相互平等的小圆棒A和B水平地支起一根长L=,质量均匀分布的木条。
木条与二圆棒之间的静磨擦因数μk=,动磨擦因数μk=。
先使A棒和木条不动,B棒向左慢慢移动(如图)。
试讨论木条以后的运动情况。
R4、有一半径为R的圆柱体水平地横架在空中,有质量为m1与m2(m1=2m2)的两个小木块,用长为2的细线相连,成为一个系统。
木块的大小可以忽略,它与圆柱表面的静磨擦因数μ<1。
细线无质量、柔软且不可伸长,系统横跨在圆柱上,m1在右边,细线贴在圆柱面上,与圆柱表面无磨擦,横截面如图所示。
静力学训练题集班级姓名学号第一章静力学公理和物体的受力分析一、选择题1、三力平衡定理是�l�l�l�l。
①共面不平行的三个力互相平衡必汇交于一点;②共面三力若平衡,必汇交于一点;③三力汇交于一点,则这三个力必互相平衡。
2、三力平衡汇交定理所给的条件是�l�l�l�l。
①汇交力系平衡的充要条件;②平面汇交力系平衡的充要条件;③不平行的三个力平衡的必要条件;④不平行的三个力平衡的充分条件;3、图示系统只受F?作用而平衡。
欲使A支座约束力的作用线与AB成30°角,则斜面的倾角应为�l�l�l�l。
①0° ②30° ③45° ④60°4、作用在一个刚体上的两个力F?、F??=-F?AB,满足FAB的条件,则该二力可能是�l�l�l�l。
①作用力和反作用或是一对平衡的力;②一对平衡的力或一个力偶;③一对平衡的力或一个力和一个力偶;④作用力和反作用力或一个力偶。
二、填空题1、已知力F?沿直线AB作用,其中一个分力的作用线与AB成30°角,若欲使另一个分力的大小在所有分力中为最小,则此二分力间的夹角为�l�l�l�l�l�l�l�l度。
2、作用在刚体上的两个力等效的条件是�l�l�l�l�l�l�l�l�l�l�l�l�l�l�l�l。
3、将力F?沿X、Y方向分解,已知F=100N,F?在X轴上的投影为86.6N,而沿X方向的分力的大小为115.47N,则F?的Y的方向分量与X轴的夹角?为�l�l�l�l,F?在Y轴上的投影为�l�l�l�l。
4、若不计各物体重量,试分别画出各构杆和结构整体的受力图。
- 1 -班级姓名学号- 2 -DACEGFB班级姓名学号第二章平面汇交力系和平面力偶系一、选择题③一定不通过A点。
4、图示三铰刚架受力F作用,则A支座反力的大小为�l�l?????1、已知F1、F2、F3、F4为作用于刚体上的平面共点力系,其力矢关系如图所示为平行四边形,由此可知�l�l�l�l�l�l�l。
1-1试画出以下各题中圆柱或圆盘的受力图。
与其它物体接触处的摩擦力均略去。
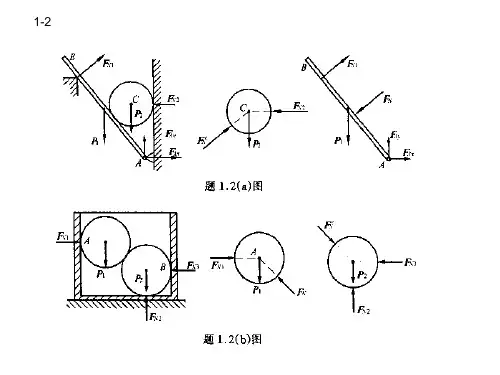
1-2 试画出以下各题中AB 杆的受力图。
1-3 试画出以下各题中AB 梁的受力图。
(d)(a) B(b)(c)(d)A(e)(c)(a)(a)(c)F (b)1-4 试画出以下各题中指定物体的受力图。
(a) 拱ABCD ;(b) 半拱AB 部分;(c) 踏板AB ;(d) 杠杆AB ;(e) 方板ABCD ;(f) 节点B 。
1-5 试画出以下各题中指定物体的受力图。
(a) 结点A ,结点B ;(b) 圆柱A 和B 及整体;(c) 半拱AB ,半拱BC 及整体;(d) 杠杆AB ,切刀CEF 及整体;(e) 秤杆AB ,秤盘架BCD 及整体。
2-2 杆AC 、BC 在C 处铰接,另一端均与墙面铰接,如图所示,F 1和F 2作 用在销钉C 上,F 1=445 N ,F 2=535 N ,不计杆重,试求两杆所受的力。
(a)(b)(c)(d)(e)W(f)(c)(d)(b)(e)F 12-3 水平力F 作用在刚架的B 点,如图所示。
如不计刚架重量,试求支座A 和D 处的约束力。
2-4 在简支梁AB 的中点C 作用一个倾斜45o 的力F ,力的大小等于20KN , 如图所示。
若梁的自重不计,试求两支座的约束力。
2-6 如图所示结构由两弯杆ABC 和DE 构成。
构件重量不计,图中的 长度单位为cm 。
已知F =200 N ,试求支座A 和E 的约束力。
2-7 在四连杆机构ABCD 的铰链B 和C 上分别作用有力F 1和 F 2,机构在图示位置平衡。
试求平衡时力F 1和F 2的大小之间 的关系。
2-9 三根不计重量的杆AB ,AC ,AD 在A 点用铰链连接,各杆与水平面的夹角分别为450,,450和600,如图所示。
试求在与 O D 平行的力F 作用下,各杆所受的力。
已知F =0.6 kN 。
3-1 已知梁AB 上作用一力偶,力偶矩为M ,梁长为l ,梁重不计。
三、选择题1.平面汇交力系向汇交点以外的一点简化,其结果可能是:()A一个力B一个力和一个力偶C一个合力偶D一个力矩AB3.刚体在三个力的作用下处于平衡状态,则这三个力的作用线必定()。
A汇交于一点;B相互平行;C位于同一平面内;D以上说法都不对。
C4.下列说法中,正确的是()。
A. 力的可传性原理适用于一切物体。
B. 作用与反作用定律只适用于刚体。
C. 若作用在刚体上的三个力共面且汇交于一点,则此三力平衡。
D. 作用在刚体上的力的三要素是大小、方向、作用线。
D5.如果力R是F1、F2二力的合力,用矢量方程表示为R=F1+F2,则三力大小之间的关系为()。
A、必有R=F1+F2B、不可能有R=F1+F2C、必有R>F1,R>F2D、可能有R<F1,R<F2D6.刚体受三力作用而处于平衡状态,则此三力的作用线( )。
A、必汇交于一点B、必互相平行C、必都为零D、必位于同一平面内D7. 力偶对物体产生的运动效应为( ).A、只能使物体转动B、只能使物体移动C、既能使物体转动,又能使物体移动D、它与力对物体产生的运动效应有时相同,有时不同C8. 以下说法中正确的是( ).A、物体在两个力作用下平衡的充分必要条件是这二力等值、反向、共线。
B、凡是受到两个力作用的刚体都是二力构件。
C、理论力学中主要研究力对物体的外效应。
D、力是滑移矢量,力沿其作用线滑移不会改变对物体的作用效应。
C9.在A、B两点连接绳索ACB,绳索上悬挂重物F,如图。
点A、B的距离保持不变,绳索的许用拉应力为[Σ]。
试问:当Α角取()时,绳索的用料最省。
(来自试题20)A、0°;B、30°;C、45°;D、60°。
C10.某物体受力分别如以下四种情形,能使该物体保持平衡的是情形()。
B11.如图中(A)、(B)图所示,下列叙述正确的是()。
A、(A)(B)所示合力均不为零;B、(A)图所示F2是F1与F3的合力,(B)图所示合力为零;C、(A)(B)所示合力均为零D、(A)图为所示合力为零,(B)图所示F2是F1与F3的合力D12.下列表述中不正确的是()A、力矩与力偶矩的量纲不相同B、力不能平衡力偶C、一个力不能平衡一个力偶D、力偶对任一点之矩等于其力偶矩,力偶中两个力对任一轴的投影代数和等于零B13.如图3所示不计自杆件重,三铰刚架上作用两个方向相反的力偶M1和M2,且力偶矩的值M1=M2=M(不为零),则支座B的约束反力FB( )。
一、基本要求1、掌握静力学公理及其静力学基本概念2、各种常见约束的约束力3、物体受力图的画法4、二力杆的判断二、物体受力分析(要求解除约束、取分离体,画上所有作用力——主动力和约束力)1、画出下列各图中物体A、AB、ABC的受力图。
未画重力的物体的重量不计,所有接触处均为光滑物体受力分析(要求解除约束、取分离体,画上所有作用力——主动力和约束力)1、画出下列每个标注字符的物体的受力图,各题的整体受力图。
未画重力的物体的重量均不计一、物体受力分析·受力图(要求取分离体,画上所有的主动力和约束反力)画出下列每个标注字符的物体的受力图,各题的整体受力图。
未画重力的物体的重量均不计,平面力系(1) 班级 姓名 学号一、基本要求1.力投影的计算;2.平面汇交力系合力的求法; 3.平面汇交力系的平衡条件和平衡方程;4.解题步骤和要求二、计算题1、五个力作用于一点,如图所示。
图中方格的边长为10mm 。
求此力系的合力。
(以下平衡问题解题步骤要求:①确定研究对象画受力图;②列平衡方程;③解出结果,说明方向)2、物体重P =20(kN ),用绳子挂在支架的滑轮B 上,绳子的另一端接在绞车D 上,如图所示。
A 、B 、C 三处均为铰链连接,当物体处于平衡状态时,试求杆AB 和CB 所受的力。
滑轮B 的大小略去不计。
答:)(64.54kN F AB = (拉) )(64.74kN F CB = (压)3、工件放在V形铁内,如图所示。
若已知压板夹紧力F = 400 N,不计工件自重,求工件对V形铁的压力。
平面力系(2)班级姓名学号一、基本要求1、力矩的定义及其计算方法2、合力矩定理的应用3、力偶的定义及其性质4、平面力偶系平衡的平衡条件二、试分别计算下列各图中力F对点O的矩1、2、图示叠轮,已知大圆半径为R,小圆半径为r,在小轮圆周作用有一切向力F,其作用线与水平线夹角为α,求力F 对叠轮与水平面切点A之矩M A(F)。
答:M A(F)=F(r-Rcosα)三、计算题(解题步骤要求:①取研究对象;②画受力图;③列平衡方程;④求解。
)1、已知梁AB 上作用一力偶,力偶矩为M ,梁长为l ,求在图(a ),(b )两种情况下,支座A 、B 的约束反力。
答: αcos l M F F B A ==2、在图示结构中,各构件的自重不计。
在构件AB 上作用一矩为M 的力偶,求支座A 和C 的约束力。
3、 图中杆AB 上有一导槽,套在杆CD 的销子E 上,在杆AB 与CD 上各有一力偶作用。
已知m 1=1(kNm ),不计杆重和摩擦。
(1)求平衡时之m 2。
(2)若导槽在杆CD 上,销子E 在杆AB 上,则结果如何? 答:(1)m 2=1(kNm ), (2)m 2=2(kNm )4、图示为曲柄连杆机构。
主动力N 400 F作用在活塞上。
不计构件自重,试问在曲柄上应加多大的力偶矩M 方能使机构在图示位置平衡?平面力系(3)班级 姓名 学号一、基本要求1、掌握力的平移定理。
2、掌握力系简化的方法、主矢及主矩的计算和平面力系的平衡条件和平衡方程。
二、计算题1.图示平面任意力系中2401=F N ,N 802=F ,N 403=F ,N 1104=F ,mm N 2000⋅=M 。
各力作用位置如图所示,图中尺寸的单位为mm 。
求:(1)力系向O 点简化的结果;(2)力系的合力并在图中标出作用位置。
(平衡问题求解步骤:①取研究对象画受力图;②列平衡方程;③解方程得力的大小,说明力的方向)2. 已知梁受载荷图所示,试求支座的约束力。
答: a qa M Fa F NB 25.032-+=,a M Fa qa F Ay 25.22--=3.如图所示,发动机的凸轮转动时,推动杠杆AOB 来控制阀门C 的启闭,设压下阀门需要对它作用400(N )的力,α=30O ,求凸轮对滚子A 的压力P 。
图中尺寸单位为(mm )。
答:P =277(N )4.在图示刚架中,已知q m = 3kN/m , 26=F kN ,M = 10 kNm ,不计刚架自重。
求固定端A 处的约束力。
平面一般力系(4)班级 姓名 学号一、基本要求1、各种平面力系的平衡方程和可以求解的未知数个数。
2、物体系统的概念,静定、静不定问题的判断。
3、求解物体系统平衡问题的方法。
二、计算题(物系平衡解题步骤:每取一次研究对象要画受力图列平衡方程,联立求解) 1、由AC 和CD 构成的组合梁通过铰链C 连接。
支承和受力如图所示。
已知均布载荷强度kN/m 10=q ,力偶矩m kN 40⋅=M ,不计梁重。
求支座A 、B 、D 的约束力和铰链C 处所受的力。
2、图示一滑道连杆机构,在滑道连杆上作用水平力F 。
已知r OA =,滑道倾角为β,机构重量和各处摩擦均不计。
试求当机构平衡时,作用在曲柄OA 上的力偶的矩M 与角α之间的关系。
3、 求图示双跨静定梁支座A 、B 的反力,设q =10(kN/m ),P =20(kN )。
答:)(172),)((63),)((16m kN M kN F kN F A Ay Ax ⋅=↑=→= ))((9↑=kN F NB4、 三角形平板的A 点为铰链支座,销子C 固结在铅垂杆DE 上,并与滑槽光滑接触,各构件重量不计。
已知:F =100(N ),M =20(Nm )。
试求:支座A 、D 的约束反力。
答:))((52←=N F Ax ,))((64↓=N F Ay ,))((2.19←=N F Dx ,))((64↑=N F Dy5、 已知图示结构的受力P =500(N ),q =100(N/m ),各杆自重不计,求:支座A 的反力及撑杆BD 所受的力。
答:))((5.487→=N F Ax ,))((5.518↑=N F Ay ,))((1380压N F BD =平面一般力系(5)班级 姓名 学号一、基本要求1、了解桁架的基本特点2、掌握计算桁架受力的方法及应用。
二、计算题(解题要求:①明确研究对象画受力图,内力设为拉力;②列平衡方程求解)1、平面悬臂桁架所受的载荷如图所示。
求杆1,2和3的内力。
2、桁架受力如图所示,已知kN 101=F ,kN 2032==F F 。
试求桁架4,5,7,10各杆的内力。
F。
3、平面桁架的支座和载荷如图所示。
ABC为等边三角形,E,F为两腰中点,又AD=DB。
求杆CD的内力CD(提示:先判断零杆,再用截面法计算)4、平面桁架的支座和载荷如图所示,求杆1,2和3的内力。
(提示:先截断AD、3、2杆,用截面法分析;再取C节点)平面一般力系(6)班级姓名学号(物系平衡解题步骤:每取一次研究对象要画受力图列平衡方程,联立求解)1、构架由杆AB,AC和DF铰接而成,如图所示。
在DEF杆上作用一矩为M的力偶。
不计各杆的重量,求AB杆上铰链A,D和B所受的力。
(提示:先取整体求B点受力;再取DF求D点竖直反力,最后取AB求其余力)2、如图所示两等长杆AB与BC在点B用铰链连接,又在杆的D、E两点连一弹簧。
弹簧的刚性系数为k,当距离AC等于a时,弹簧内拉力为零。
点C作用一水平力F,设AB=l,BD=b,杆重不计,求系统平衡时距离AC之值。
3、图示结构中,A 处为固定端约束,C 处为光滑接触,D 处为铰链连接。
已知N 40021==F F ,m N 300⋅=M ,mm 400==BC AB ,mm 300==CE CD ,︒=45α,不计各构件自重,求固定端A 处与铰链D 处 的约束力。
4、图示构架中,物体P 重1200N ,由细绳跨过滑轮E 而水平系于墙上,尺寸如图。
不计杆和滑轮的重量,求支承A 和B 处的约束力,以及杆BC 的内力F BC 。
(提示:先取整体,再取AB 研究)5、 托架由AB 、CD 、BD 、EF 四根直杆铰接而成,不计各杆自重,当F =1000(N )时,求杆CD 所受到的力。
尺寸如图所示。
答:))((2250→=N F Cx ,))((3000↓=N F Cy ,))((6000↑=N F EF ,)(3750N F DB =( )6、 三杆组成的构架尺寸如图所示。
A 、C 、D 处均为铰链连接,并在B 端悬挂重物P =5(kN )。
试求杆AE 在A 、D 、E 处所受的力。
各杆自重不计。
答:))((33.4→=kN F Ax ,))((5.2↑=kN F Ay ,)(66.8kN F D =( ),0=Ex F ,))((5↑=kN F Ey ,)(5.7m kN M E ⋅=(空间力系(1)班级姓名学号一、基本要求1、空间力投影以及对轴之矩的计算。
2、空间力系的简化。
二、计算题1、图示力F=1000N,求对于z轴的力矩M z。
2、已知力系中,F1=100(N),F2=300(N),F3=200(N),求力系在各坐标轴上投影的代数和,并求力系对各坐标轴的矩的代数和。
(哈工大3-6)答:F Rx=-345.3(N),F Ry=249.6(N),F Rz=10.56(N)M x(F)=-51.79(N⋅m),M y(F)=-36.64(N⋅m),M z(F)=103.59(N⋅m)。
3、计算图示手柄上的力F对x,y,z轴之矩,已知F=100(N),AB=20(cm),BC=40(cm),CD=15(cm),A,B,C,D处于同一水平面内,α=β=60O。
答:M x(F)=30.31(N⋅m),M y(F)=34.6(N⋅m),M z(F)=-1.25(N⋅m)。
4、水平圆盘的半径为r,外缘C处作用力F。
力F位于铅垂平面内,且与C处60,其他尺寸如图所示。
求力F对x,y,z轴之矩。
圆盘切线夹角为︒空间力系(2)班级姓名学号一、基本要求1、物体在空间力系作用下的平衡条件和平衡方程。
2、能将空间力系的平衡问题转化为平面平衡问题来求解。
二、计算题1、挂物架如图所示,三杆的重量不计,用球铰链连接于O点,平面BOC为水平面,且OB=OC,角度如图。
若在O点挂一重物G,重为1000N,求三杆所受的力。
∠为直角。
2、图示三圆盘A、B和C的半径分别为150mm、100mm和50mm。
三轴OA、OB和OC在同一平面内,AOB在三圆盘上分别作用力偶,各力偶的力作用在轮缘上,它们的大小分别等于10N、20N和F。
如图示系统是自由的,且不计自重,求能使系统平衡的力F的大小和角α。
(提示:将力偶表示为矢量形式)3、图示手摇钻由支点B 、钻头A 和弯曲的手柄组成。
当支点B 处加压力x F 、y F 和z F 以及手柄上加力F 后,即可带动钻头绕轴AB 转动而钻孔,已知F z =50N ,F =150N 。
求:(1)钻头受到的阻力偶的力偶矩M ;(2)材料给钻头的反力F Ax 、F Ay 和F Az ;(3)压力F x 和F y 。