路基路面工程课程设计计算书
- 格式:doc
- 大小:358.00 KB
- 文档页数:10
路基路面工程课程设计计算书(第一组)班级:姓名:学号:一、沥青路面设计1. 轴载换算(1)以弯沉值及沥青层的层底弯拉应力为设计指标时(2)以半刚性材料结构层的层底拉应力为设计指标时已知设计年限内交通量平均增长率r 8%该道路为高速公路,其设计年限t 15设该高速公路为双向四车道,取车道系数0.45,则(1)以弯沉值及沥青层的层底弯拉应力为设计指标时t 15[(1 r)卫365 N [(1 0.08)卫365 716.14 0.45 3.19 106次e1r 0.08(2)以半刚性材料结构层的层底拉应力为设计指标时[(1 丨1][(1 0.08)151]6、宀N e2 365 N 365 542.49 0.45 2.42 10 次r 0.082. 初拟结构组合和材料选取(1)由以上计算结果得,设计年限线内一个车道上的累计标准轴次为319万次,属中等交通,给出以下两种组合方案①路面结构采用沥青混凝土(厚18cm,基层采用水泥碎石(厚38cm,底基层采用水泥石灰沙砾土(厚度待定),以水泥石灰沙砾土为设计层。
②采用三层式沥青面层,表面采用细粒式沥青混凝土(厚4cm,中面层采用中粒式沥青混凝土(厚6cm),下面层米用粗粒式沥青混凝土(厚8cm)①路面结构采用沥青混凝土(厚27cm,基层采用水泥砂砾(厚度待定),底基层采用级配沙砾(厚18cm,以水泥稳定砂砾为设计层。
②采用三层式沥青面层,表面采用细粒式沥青混凝土(厚4cm,中面层采用中粒式沥青混凝土(厚8cm,下面层采用密集配沥青碎石(厚15cm(2)确定各层材料回弹模量与劈裂强度3. 确定土基回弹模量该路段处于区,粉质土,路基处于干湿状态,稠度取1.0,查表“二级自然区划各土组土基回弹模量参考值”,得土基回弹模量为29MPa1)设计弯沉值本公路为高速公路,公路等级系数A c 1.0,面层为沥青混凝土,面层系数A 1.0,半刚性基层,基层系数A B =1.0I d 600N e0.2A c A s A B 600 (3.19 106)0.21 1 1 30.03 (单位0.01mrr)(2)各层允许拉应力4. 资料汇总5. 方案确定根据东南大学道路计算软件计算得,方案一计算层厚度为15cm道路总厚度为71cm方案二计算层厚度为34cm道路总厚度为79cm 两种方案的其他条件均满足要求,故取总厚度最小的方案为最终方案,种方案为最终方案。
(一) 路面稳定性分析(1)汽车荷载当量换算BLNQh γ=0 N —横向分布车辆数,四车道N =4; Q —每一辆车的重力,Q=550kN ; γ—路基填料的容重,γ=18.6kN /m 3; L —汽车前后轴的总距,L =12.8m ;B —横向分布车辆轮胎外缘之间的总距,B =Nb +(N -1)d =4×1.8+3×1.3=11.1m ;m BL NQ h 85.08.121.116.1855040=⨯⨯⨯==γ (2) 按4.5H 法确定滑动圆心辅助线。
在此取边坡斜度i 0=1:1.5,查表得β1=26°,β2=35°。
距此两角分别自坡脚和左顶点作直线相交于O 点,BO 的延长线即为滑动圆心辅助线。
(3)绘出三条不同位置的滑动曲线:①一条通过路基中心线;②一条通过路基的右边缘;③一条通过距右边缘1/4路基宽度处。
(4)滑动圆弧中心确定方法:用直线连接可能滑弧的两端点,并作此直线的中垂线相交于滑动圆心辅助线BO 于A 点。
A 点即是该滑动曲线的中心。
(5)将圆弧范围土体每1.5米分为一段,自滑动曲线的中心到基层直线向两边依次分。
算出滑动曲线每一分段中点与圆心竖线之间的偏角αiRX ii =αsin 式中:Xi —分段中心距圆心竖线的水平距离,圆心竖线左侧为负,右侧为正; R —滑动曲线的半径。
(6)每一段的滑动弧曲线可近似取直线,将各分段图形简化为梯形或者三角形,计算面积Ωi ,其中包括荷载换算成土柱部分的面积在内。
(7)以路堤纵向1m 计算出各分段的重力G i ; (8)在每一段的重力G i 化为两个分力: a)在滑动曲线法线方向分力:N i =G i cos αi b)在滑动曲线切线方向分力:T i =G i sin αi 并分别求出此两者之和,∑ N i 和∑T i 。
(9)算出滑动曲线圆弧长L 。
(10)计算稳定系数∑∑==+=ni ini i TcLN f K 11K 1=1.67 K 2=3.58 K 3=2.49由于第一条曲线(通过路基中心线)的稳定系数最小,而又是最靠左边,因此在左边缘与路基中线之间再绘一条滑动曲线,并计算其稳定系数。
路基路面工程课程设计计算书
摘要:
一、路基路面工程课程设计计算书概述
二、设计资料
三、设计计算
四、设计结果与分析
五、结论
正文:
一、路基路面工程课程设计计算书概述
路基路面工程课程设计计算书是针对道路工程设计中的一种重要文档,主要用于记录设计过程和结果。
本文将以某一路基路面工程为例,详细介绍设计计算书的内容和编制方法。
二、设计资料
在进行路基路面工程设计计算前,需要先收集和整理相关的设计资料,包括道路的基本参数、地质条件、交通量等。
这些资料将为后续的设计计算提供依据。
三、设计计算
根据设计资料,进行路基路面工程的设计计算。
设计计算主要包括以下内容:
1.确定道路的横断面形式和尺寸;
2.计算路基的稳定性;
3.设计路面的结构层;
4.计算路面的厚度;
5.确定路面的材料种类和规格。
四、设计结果与分析
根据设计计算的结果,对路基路面工程的设计进行分析和评价。
分析主要包括以下内容:
1.评价路基的稳定性;
2.评价路面的承载能力和使用寿命;
3.分析设计的合理性和经济性。
五、结论
通过对路基路面工程的设计计算和分析,得出结论:设计方案可行,满足道路的使用要求和经济性。
路基路面工程课程设计计算书(第一组)班级::学号:一、沥青路面设计1.轴载换算(1)以弯沉值及沥青层的层底弯拉应力为设计指标时表一(2)以半刚性材料结构层的层底拉应力为设计指标时表二已知设计年限交通量平均增长率%r=8该道路为高速公路,其设计年限15=t 。
设该高速公路为双向四车道,取车道系数45.0=η,则 (1)以弯沉值及沥青层的层底弯拉应力为设计指标时61511019.345.014.71636508.0]1)08.01[(365]1)1[(⨯=⨯⨯⨯-+=⋅⋅⨯-+=ηN r r N t e 次(2)以半刚性材料结构层的层底拉应力为设计指标时61521042.245.049.54236508.0]1)08.01[(365]1)1[(⨯=⨯⨯⨯-+=⋅⋅⨯-+=ηN r r N t e 次2.初拟结构组合和材料选取(1)由以上计算结果得,设计年限线一个车道上的累计标准轴次为319万次,属中等交通,给出以下两种组合方案 方案一:①路面结构采用沥青混凝土(厚18cm ),基层采用水泥碎石(厚38cm ),底基层采用水泥石灰沙砾土(厚度待定),以水泥石灰沙砾土为设计层。
②采用三层式沥青面层,表面采用细粒式沥青混凝土(厚4cm ),中面层采用中粒式沥青混凝土(厚6cm ),下面层采用粗粒式沥青混凝土(厚8cm ) 方案二:①路面结构采用沥青混凝土(厚27cm ),基层采用水泥砂砾(厚度待定),底基层采用级配沙砾(厚18cm ),以水泥稳定砂砾为设计层。
②采用三层式沥青面层,表面采用细粒式沥青混凝土(厚4cm ),中面层采用中粒式沥青混凝土(厚8cm ),下面层采用密集配沥青碎石(厚15cm ) (2)确定各层材料回弹模量与劈裂强度表三3.确定土基回弹模量该路段处于2Ⅱ区,粉质土,路基处于干湿状态,稠度取1.0,查表“二级自然区划各土组土基回弹模量参考值”,得土基回弹模量为29MPa (1)设计弯沉值本公路为高速公路,公路等级系数0.1=c A ,面层为沥青混凝土,面层系数0.1=s A ,半刚性基层,基层系数B A =1.00.260.2600600(3.1910)11130.03d e C S B l N A A A --==⨯⨯⨯⨯⨯=(单位0.01mm )(2)各层允许拉应力 方案一:表四方案二:表五4.资料汇总方案一:表六方案二:表七5.方案确定根据东南大学道路计算软件计算得,方案一计算层厚度为15cm,道路总厚度为71cm。
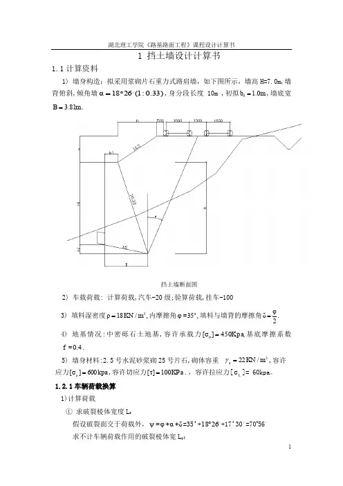
1、重力式挡土墙设计2、边坡稳定性设计3、沥青混凝土路面设计4、水泥混凝土路面设计第1题重力式挡土墙设计 (1)1.1设计资料 (1)1.2设计任务 (1)1.3设计参数 (1)1.4车辆荷载换算 (2)1.5主动土压力计算 (2)1.6挡土墙计算 (5)第2题边坡稳定性设计 (9)2.1设计资料 (9)2.2汽车荷载换算 (9)2.3圆弧条分法 (10)2.4结果分析 (15)第3题沥青混凝土路面设计 (17)3.1设计资料 (17)3.2设计轴载与路面等级 (17)3.3确定土基回弹模量 (19)3.4路面结构组合设计 (20)3.5路面厚度计算 (21)3.6竣工验收弯沉值和层底拉应力计算 (22)第4题水泥混凝土路面设计 (24)4.1设计资料 (24)4.2交通分析 (24)4.3初拟路面结构 (24)4.4路面材料参数确定 (24)4.5荷载疲劳应力 (25)4.6温度疲劳应力 (26)1重力式挡土墙设计1.1设计资料(1)浆砌片石重力式仰斜路堤墙,墙顶填土边坡1:1.5,墙身纵向分段长度为m 10,路基宽度m 26,路肩宽度m 0.3.(2)基底倾斜角190.0t an :00=αα,取汽车荷载边缘距路肩边缘m d 5.0=.(3)设计车辆荷载标准值按公路-I 级汽车荷载采用,即相当于汽车—超20级、挂车−120(验算荷载)。
(4)墙后填料砂性土容重3/18m kN =γ,填料与墙背的外摩擦角φδ5.0=;粘性土地基与浆砌片石基底的摩擦系数30.0=μ,地基容许承载力kPa 250][0=σ.(5)墙身采用2.5号砂浆砌25号片石,圬工容重3/22m kN k =γ,容许压应力a a kP 600][=σ,容许剪应力a j kP 100][][==στ,容许拉应力a L kP 60][=σ.1.2设计任务(1)车辆荷载换算。
(2)计算墙后主动土压力a E 及其作用点位置。
(3)设计挡土墙截面,墙顶宽度和基础埋置深度应符合规范要求。
路基路面课程设计计算书设计背景:随着交通运输的发展和经济的繁荣,道路建设成为城市发展的重要环节之一、而路基路面设计是道路建设中的重要内容,主要包括路基和路面的设计。
路基是指道路的基础部分,承受车辆荷载并传递给路面,起到支撑和分散荷载的作用。
路面是指用于车辆行驶的道路表层。
设计目标:本次设计的目标是设计一条道路的路基和路面,满足交通量大、车速快(80km/h)等条件下的设计要求,确保道路的安全性、平稳性和经济性。
1.路基设计:a.车道宽度:根据交通量和车速要求确定车道宽度,假设为3.5m。
b.路基厚度:根据路面材料的类型和厚度确定路基厚度,假设路面材料为沥青混凝土,厚度为0.2m。
c.路基面积:路基面积等于道路总宽度乘以路基厚度,计算得到路基面积为3.5m×0.2m=0.7平方米。
d.路基材料:选择合适的路基材料,如砂石或碎石,保证路基的稳定性和强度。
2.路面设计:a.路面材料:选择合适的路面材料,如沥青混凝土或水泥混凝土,考虑到道路使用量大且车速快,选择沥青混凝土作为路面材料。
b.路面厚度:根据设计要求和承载能力计算得到路面的厚度,假设路面厚度为0.15m。
c.路面面积:路面面积等于道路总宽度乘以路面厚度,计算得到路面面积为3.5m×0.15m=0.525平方米。
d.路面结构:按照设计要求确定路面的结构,包括基层、底基层、面层等。
基层一般采用碎石、砂石等材料,底基层采用砂石或砾石,面层采用沥青混凝土。
3.荷载计算:a.车辆荷载:根据设计要求和交通量确定道路设计的车辆荷载,假设为100kN。
b.路基承载力:根据路基材料的承载能力和荷载计算得到路基的承载力,确保路基的稳定性和安全性。
c.路面承载力:根据路面材料的承载能力和荷载计算得到路面的承载力,确保路面的平稳性和耐久性。
设计结论:根据以上的设计计算,得出以下结论:1.道路的路基厚度为0.2m,路基面积为0.7平方米。
2.道路的路面厚度为0.15m,路面面积为0.525平方米。
路基路面工程课程设计计算书一、引言路基路面工程是土木工程领域中的重要分支,涉及到道路建设中的路基设计和路面施工等方面。
本课程设计旨在利用所学的理论知识和技能,结合实际工程案例,进行路基路面工程设计和施工计算,从而提高学生的综合能力和实践能力。
二、设计内容1.项目背景和要求本次设计的项目背景地区的一条高速公路改造工程,该工程要求设计和施工一条新的路基路面。
设计要求满足相关标准和规范,并考虑到工期、材料要求、经济性和可行性等因素。
2.路线选择和路基设计根据项目背景和实际情况,选择适合的路线,并进行路基设计。
路基设计包括路线选择、路基宽度、坡度、超高、侧向位移、排水系统等方面的计算和设计。
3.路面材料选择和路面设计根据项目要求和实际情况,选择适当的路面材料,并进行路面设计。
路面设计包括材料的选择和厚度的计算等。
4.施工计划和工艺流程根据设计要求和工程实际情况,制定详细的施工计划和工艺流程。
确保施工过程中的质量和安全性。
三、计算方法和步骤1.路基设计计算(1)路线选择计算:根据不同路段的交通量和地理条件,选择适当的路线。
(2)路基宽度计算:根据交通量和道路等级,确定合适的路基宽度。
(3)坡度计算:根据设计要求和土壤基础情况,计算合适的坡度。
(4)超高计算:根据道路几何条件和车辆要求,计算合适的超高。
(5)侧向位移计算:根据土壤基础情况和设计要求,计算合适的侧向位移。
(6)排水系统设计:根据地表水情况和交通量,设计合适的排水系统。
2.路面设计计算(1)路面材料选择计算:根据交通量、车辆类型和气候条件等因素,选择合适的路面材料。
(2)路面厚度计算:根据交通量和设计要求,计算合适的路面厚度。
(3)路面结构设计和计算:确定路面的结构和层次,并计算各层的厚度和材料。
3.施工计划和工艺流程(1)施工计划编制:根据设计要求和工期要求,制定详细的施工计划。
(2)工艺流程制定:根据施工计划和工程实际情况,制定详细的工艺流程,包括路基施工、路面施工和排水系统施工等。
《路基路面工程》课程设计计算书1、重力式挡土墙设计2、边坡稳定性设计3、沥青混凝土路面设计4、水泥混凝土路面设计学生姓名:学号:指导教师:日期:目录一、重力式挡土墙设计 (4)设计参数 (4)车辆荷载换算 (4)土压力计算 (4)挡土墙计算 (6)二、边坡稳定性设计 (8)初始条件 (8)表格数据 (9)三、沥青混凝土路面设计 (12)轴载分析 (12)构组合与材料选取 (14)结各层材料的抗压模量和和劈裂强度 (15)土基回弹模量的确定 (15)设计指标的确定 (15)设计资料总结 (16)四、水泥混凝土路面设计 (19)交通分析 (19)初拟路面结构 (19)路面材料参数确定 (20)混凝土板应力分析及厚度计算 (20)计算荷载疲劳应力 (21)接缝设置 (22)路肩及路面排水设施 (22)一、重力式挡土设计1 设计参数1.1几何参数:挡土墙墙高H=4m,取基础埋置深度D=1.5m,挡土墙纵向分段长度取L=10m;墙面与墙背平行,墙背仰斜,仰斜坡度1:0.25,α=-14.04,墙底(基底)倾斜度0tan 0.190α=,倾斜角0010.76α=;墙顶填土高度a =2m ,填土边坡坡度1:1.5,0arctan(1.5)33.69β==,汽车荷载边缘距路肩边缘0.5d m =;1.2力学参数:墙后填土砂性土内摩擦角035φ=,填土与墙背外摩擦角/217.5o δφ==,填土容重318/m kN γ=;墙身采用2.5号砂浆砌25号片石,墙身砌体容重322/k kN m γ=,砌体容许压应力[]600a kPa σ=,砌体容许剪应力[]100kPa τ=,砌体容许拉应力[]60wl kPa σ=;地基容许承载力[0σ]=250kPa 。
2 车辆荷载换算按教材公式,把车辆荷载换算为等代均布土层厚度0h 。
3 主动土压力计算 3.1 计算破裂角θ直线形仰斜墙背,且墙背倾角α较小,不会出现第二破裂0000=+-=35+17.5-14.04=38.34ψϕδα22011(a )(24)1822A H =+=+=,001111ab (2)tan =224+62222B H a H α=++⨯⨯+⨯⨯⨯=(224)tan14.040tan tan tan 38.340.79-2.37θψ=-=-=或(舍)038.31θ=3.2 计算主动土压力a E 及其作用点位置3.2.1计算主动土压力a E 计算a E 及其水平分量x E 、竖直分量y Ea 000cos()(tan )sin()cos(38.3135)18(18tan 38.316)sin(38.3138.34)43.68k E A B Nθϕγθθψ+=-++=⨯-⨯+= 00cos()43.68cos(17.514.04)43.60x a E E kN δα=-=⨯-=00sin()43.68sin(17.514.04) 2.64y a E E kN δα=-=⨯-=3.2.2计算主动土压力的合力作用点位置100tan 32tan 38.31 2.63tan tan tan 38.31tan14.04b a h m θθα--===--214 2.63 1.37h H h m =-=-=经试算取1 1.20b m =00110tan tan 1.20 1.20tan14.04tan10.76 1.26B b b m αα=+=+=32211213222(33)3(2)42(343 2.634 2.63)342(24 2.63)1.38x H a H h H h Z H a H h m+-+=⎡⎤+-⎣⎦+⨯⨯-⨯⨯+=⎡⎤⨯+⨯⨯-⎣⎦= 0tan 1.26 1.38tan14.04 1.61m y x Z B Z α=+=+=因墙底(基底)倾斜,需把求得的x Z 、y Z 修正为1x Z 、1y Z ,取1 1.20b m =进行修正:0110tan 1.38 1.20tan10.76 1.15x x Z Z b m α=-=-= 11tan 1.20 1.15tan14.040.91y x Z b Z mα=-=-=3.3 被动土压力墙前的被动土压力忽略不计。
路基路面课程设计计算书一、设计任务本次课程设计旨在设计一条满足交通需求的道路路基路面,确保其在使用寿命内能够承载交通荷载,保持良好的平整度和排水性能,同时满足环保要求和经济性。
设计要求如下:1.设计车道宽度为7.5米,包括两个3.75米的行车道;2.目标设计寿命为20年,设计交通量为5000辆/日;3.选择合适的路基材料和路面材料;4.考虑路面排水和排水设施设计;5.考虑环境保护要求,减少噪声和排放。
二、设计内容1.交通量计算2.基本路段设计根据道路使用功能和设计交通量,结合道路几何设计原则,设计道路的纵、横断面。
3.路基设计采用分段设计方法,根据地质条件和设计交通量,确定路基宽度和挖填方量,并计算路基厚度。
4.路面设计选择适当的路面材料,考虑交通荷载、环境要求、经济性等因素,确定路面结构。
计算路面厚度,并进行轮压应力和动态轴荷对路面的影响分析。
5.路面排水设计根据道路纵横坡、地下水位、降雨量等因素,设计合适的路面排水系统,包括翻浆、护坡、排水沟等设施。
6.环保设计考虑减少噪声和排放,选择合适的隔音材料和排行车道,设计低排放标准。
三、设计计算1.交通量计算2.路基设计根据地质调查结果,地基承载力为150kPa。
根据路基宽度和挖填方量计算公式,计算挖土路段和填土路段的实际设计宽度和挖填方量。
3.路面设计根据交通量、设计寿命、路面材料等因素,采用经验公式计算路面结构的厚度。
4.路面排水设计根据道路纵横坡、地下水位、降雨量等因素,计算道路的设计纵坡和设计侧坡,并考虑合适的排水设施。
5.环保设计根据交通量和路面类型,选择适当的隔音材料,并根据排放标准选择合适的排行车道。
四、设计结果与分析根据以上设计计算,得到了满足交通需求的道路路基路面设计方案。
根据具体的地理环境和交通流量情况,可以进行进一步的优化和调整。
设计过程中,需要考虑合适的材料选择、施工工艺和环境要求,确保道路的质量和使用寿命。
同时,还需要结合当地的法律法规和标准要求,确保设计符合相关规范。
路基路面课程设计计算书一、课程目标知识目标:1. 让学生理解路基路面的基本概念、构造和功能,掌握不同类型路基路面的特点及适用条件。
2. 使学生掌握路基路面设计的基本原理和计算方法,能够运用相关公式进行简单工程计算。
3. 帮助学生了解路基路面施工技术及质量控制要求,提高学生对工程实践的认识。
技能目标:1. 培养学生运用所学知识,分析解决实际工程问题的能力,能够独立完成路基路面设计计算书编写。
2. 提高学生的团队协作能力,通过小组讨论、分工合作,完成路基路面设计及施工方案的分析和评价。
3. 培养学生运用计算机软件进行路基路面设计和计算的能力。
情感态度价值观目标:1. 培养学生热爱道路工程学科,增强对基础设施建设重要性的认识,激发学生投身道路工程建设的热情。
2. 培养学生的责任感,使其在设计和施工过程中注重质量、安全和环保,树立正确的职业道德观。
3. 引导学生关注国内外道路工程领域的发展动态,提高学生的国际视野和创新能力。
本课程针对高年级学生,在已有知识基础上,注重理论与实践相结合,培养学生解决实际问题的能力。
课程目标既注重知识技能的传授,又关注学生情感态度价值观的培养,为我国道路工程建设领域输送高素质人才。
二、教学内容1. 路基路面基本概念:介绍路基、路面的定义、分类及功能,使学生掌握路基路面的基本构成和作用。
2. 路基路面设计原理:讲解路基路面设计的基本原则、设计流程和主要参数,使学生了解设计过程中需考虑的因素。
3. 路基路面计算方法:教授路基路面结构层厚度、强度和稳定性的计算方法,培养学生运用公式解决实际问题的能力。
4. 路基路面施工技术:介绍路基路面施工工艺、施工方法和质量控制要点,提高学生对施工过程的了解和认识。
5. 路基路面设计与施工案例分析:分析典型路基路面工程案例,使学生学会运用所学知识解决实际问题。
教学内容依据以下教材章节组织:1. 《道路工程》第三章:路基路面基本概念和构造。
2. 《道路工程》第四章:路基路面设计原理及方法。
1 挡土墙设计计算书1.1计算资料1) 墙身构造:拟采用浆砌片石重力式路肩墙,如下图所示,墙高H=7.0m,墙背俯斜,倾角墙)33.0:1(2618α,︒=,身分段长度10m ,初拟m b 0.10=,墙底宽m B 81.3=.挡土墙断面图2) 车载荷载: 计算荷载,汽车-20级;验算荷载,挂车-1003) 填料湿密度,/18ρ3m KN =内摩擦角,35φ =填料与墙背的摩擦角.2φδ=4) 地基情况:中密砾石土地基,容许承载力,450]σ[0Kpa =基底摩擦系数4.0=f .5) 墙身材料:2.5号水泥砂浆砌25号片石,砌体容重3/22m KN a =γ,容许应力kpa a 600]σ[=,容许切应力KPa 100]τ[=.,容许拉应力[L σ]= 60kpa 。
1.2.1车辆荷载换算 1)计算荷载① 求破裂棱体宽度L 0假设破裂面交于荷载外,δαφψ++==35 +,2618︒+17 30,=70056, 求不计车辆荷载作用的破裂棱体宽L 0:A =)2)(a tan h 2a 2H H -d b h 2ab 000h a H a H +++++++()()(=)()()()(0227270.33022277-0.530232⨯++⨯+⨯⨯+⨯+⨯+⨯⨯+⨯=-0.24tan θ=)ψ)(tan ψtan φ(cot ψtan -A ++±=489.0)0.24-5670)(tan 5670tan 35cot 5670tan -,,,=++ (θ=arctan0.493=26,05L 0=(H+a)tan θ+Htana-b=(7+2)×0.489 +7×0.33-3=3.71 m② 求纵向分布长度B:一辆重车的扩散长度为:L 0=5.6+(H+2a )*tan30 =5.6+(7+2×2) 30tan ⨯=11.95m 小于挡土墙的分段长度,取B=10m,纵向布置一辆重车,总重力为300KN 。
路基路面课程设计计算书路基路面课程设计计算书是土木工程专业的基础课程之一,主要涉及到道路的基础和路面结构设计。
设计计算书是设计过程中的重要文档,记录了设计过程中的各个参数和计算结果。
下面是一份简要的路基路面课程设计计算书,以帮助读者了解这门课程的内容和设计思路。
设计项目:某道路路基和路面的设计设计单位:XX设计院设计人员:XXX1.设计任务本次设计的任务是对一段道路进行路基和路面结构的设计。
该道路总长1000米,路宽10米,设计要求为一级公路,设计年限为20年。
2.设计标准本设计参照《公路工程路基与路面设计规范》(GB50208-2002)进行。
3.路基设计计算3.1交通量计算根据设计年限和预测的交通增长率,计算出设计年交通量为XXX 辆/天。
3.2路基土厚度计算根据路基质地和设计交通量,结合规范中的计算公式,计算出路基土的厚度为XXX米。
3.3路基宽度计算根据规范中的要求,考虑路基土的承载力和路边设施情况,确定路基的宽度为XXX米。
4.路面结构设计计算4.1路面层厚度计算根据设计交通量和规范中的要求,计算出不同层次路面的厚度。
例如,基层砼厚度为XXX厘米,底层砼厚度为XXX厘米,面层厚度为XXX厘米。
4.2路面材料选择根据路段的交通量和设计年限,选择适当的路面材料。
例如,基层砼可以选择C30砼,底层砼可以选择C20砼,面层可以选择沥青混凝土。
4.3路面结构设计根据不同层次路面的材料和厚度,进行路面结构设计。
设计过程中要考虑到路面层的强度、变形和耐久性等因素。
5.设计结果根据以上计算和设计过程,得出了一份符合设计要求的路基和路面结构设计方案。
具体的设计结果包括路基土的厚度、路基的宽度、路面层的厚度和材料选择等。
以上只是一个简要的路基路面课程设计计算书,实际的设计过程要比上面的步骤更为复杂和详细。
设计过程中还需要进行路地勘察、设计施工方案、绘制设计图纸等工作。
这门课程的学习不仅要理解设计计算书的编写方法,还要学会运用相关的软件工具进行设计和分析。
公路沥青路面设计1基本资料新建一级公路,公路设计基准年为2011年,使用年限15年,拟选沥青路面结构路面进行路面结构设计。
公路技术等级为一级公路,为双向六车道。
预测前五年交通量年增长率为γ= 8后十年γ= 6%1.1 气象资料该公路处于Ⅱ4区1.2 地质资料与筑路资料由于路线地处平原Ⅱ4区,土基为低液限粉土1.3 交通资料表1-1 交通组成与交通量车型辆/日前轴重后轴重后轴数CA10B1200 19.40 60.85 1 EQ140800 23.70 69.20 1 JN162500 59.50 115.00 1 138S300 45.40 90.00 2 SH1411300 25.55 51.10 1 SH361100 60.00 110.00 22.初拟路面结构组合潮湿过湿情况下新建沥青路面----------------------------------------细粒式沥青混凝土30 mm----------------------------------------中粒式沥青混凝土70 mm----------------------------------------粗粒式沥青混凝土80 mm----------------------------------------水泥稳定碎石180 mm----------------------------------------水泥稳定碎石180 mm----------------------------------------石灰粉煤灰土?----------------------------------------新建路基干燥情况下新建路面结构厚度计算细粒式沥青混凝土 40 mm----------------------------------------中粒式沥青混凝土 60 mm ----------------------------------------粗粒式沥青混凝土 80 mm ----------------------------------------水泥稳定碎石 180 mm ----------------------------------------水泥稳定碎石 180 mm ---------------------------------------- 石灰粉煤灰土 ? ---------------------------------------- 新建路基3.标准轴载累计交通量计算车道系数0.4A .用于弯沉验算和沥青层弯拉应力验算的Ne (A ):35.4211⎪⎭⎫ ⎝⎛=∑=P P n C C N i i Ki表1-2 汽车参数及交通量换算表车型辆/日前轴重 C1C2Ni后轴重后轴数 C1C2NiCA10B 120019.40 6.40 1.00 0.02 60.85 1 1.00 1.00 22.56 EQ140 800 23.70 6.40 1.00 0.05 69.20 1 1.00 1.00 42.07JN162500 59.50 6.40 1.0050.27115.01 1.00 1.001529.51138S 30045.46.40 1.00 3.47 90.00 2 1.00 2.20 284.11SH141 130025.55 6.40 1.00 0.15 51.10 1 1.00 1.00 6.04 SH361100 60.00 6.40 1.0010.75110.00 2 1.00 2.20 471.59SH361 10060.06.401.0069.36110.021.002.20333.03 路面营运第一年双向日平均当量轴次 : 2569ηγγ1e 365*]1)1[()(N A N t -+=设计年限内一个车道上的累计当量轴次 : 9329915 属中等交通等级B .用于半刚性基层弯拉应力验算的Ne(B):8'211'⎪⎭⎫⎝⎛=∑=P P n C C N i i Ki表1-3 汽车参数及交通量换算表车型 辆/前轴C1C2后轴后轴C1C2Ni日重重数CA10B 1200 19.40 18.5 1.00 60.85 1 1.00 1.00 22.56 EQ140 800 23.70 18.5 1.00 69.2011.00 1.00 42.07 JN162 500 59.50 18.5 1.00 115.00 1 1.00 1.00 1529.51 138S300 45.40 18.5 1.00 90.002 1.00 2.20 284.11 SH141 1300 25.55 18.5 1.00 51.1011.00 1.006.04SH361 100 60.00 18.5 1.00 110.00 2 1.00 2.20 471.59路面营运第一年双向日平均当量轴次 : 2823ηγγ1e 365*]1)1[()(N B N t -+=设计年限内一个车道上的累计当量轴次 : 1.025238*710 属中等交通等级一个车道上大客车及中型以上的各种货车日平均交通量 N h = 1680 ,属重交通等级4.计算设计弯沉d l 和容许应力公路等级系数 1 面层类型系数 1 路面结构类型系数 1 b S C d A A A N l 2.0e 600=路面设计弯沉值 : 24.2 (0.01mm)SSR K σσ=C S A A N A K /)(09.0(2.0e =) (沥青面层) C S A B N B K /)(35.0(11.0e =) (水稳,二灰稳定碎石) C S A C N C K /)(45.0(11.0e=) (二灰土)5.确定设计参数查表得Ⅱ4区低液限粉土6使用HPDS2006计算软件计算结果*******************************公路新建路面设计成果文件汇总*******************************一、轴载换算及设计弯沉值和容许拉应力计算序号车型名称前轴重(kN) 后轴重(kN) 后轴数后轴轮组数后轴距(m) 交通量1 解放CA10B 19.4 60.85 1 双轮组12002 东风EQ140 23.7 69.2 1 双轮组8003 黄河JN162 59.5 115 1 双轮组5004 太脱拉138S 45.4 90 2 双轮组<3 3005 交通SH141 25.55 55.1 1 双轮组13006 交通SH361 60 110 2 双轮组<3 100设计年限15 车道系数 .4序号分段时间(年) 交通量年增长率1 5 8 %2 10 6 %一个车道上大客车及中型以上的各种货车日平均交通量Nh= 1680 ,属重交通等级当以设计弯沉值和沥青层层底拉应力为指标时:路面营运第一年双向日平均当量轴次: 2569设计年限内一个车道上的累计当量轴次: 9329915属中等交通等级当以半刚性材料结构层层底拉应力为设计指标时:路面营运第一年双向日平均当量轴次: 2823设计年限内一个车道上的累计当量轴次: 1.025238E+07属中等交通等级路面设计交通等级为重交通等级公路等级一级公路公路等级系数 1 面层类型系数 1 路面结构类型系数 1路面设计弯沉值: 24.2 (0.01mm)层位结构层材料名称劈裂强度(MPa) 容许拉应力(MPa)1 细粒式沥青混凝土 1.2 .392 中粒式沥青混凝土 1 .333 粗粒式沥青混凝土 .8 .264 水泥稳定碎石 .6 .295 水泥稳定碎石 .6 .296 石灰粉煤灰土 .2 .08二、新建路面结构厚度计算新建路面的层数: 6标准轴载: BZZ-100路面设计弯沉值: 24.2 (0.01mm)路面设计层层位: 6设计层最小厚度: 200 (mm)层位结构层材料名称厚度20℃平均抗压标准差15℃平均抗压标准差容许应力(mm) 模量(MPa) (MPa) 模量(MPa) (MPa) (MPa)1 细粒式沥青混凝土40 1400 0 2000 0 .392 中粒式沥青混凝土60 1200 0 1800 0 .333 粗粒式沥青混凝土80 1000 0 1200 0 .264 水泥稳定碎石180 1500 0 1500 0 .295 水泥稳定碎石180 1500 0 1500 0 .296 石灰粉煤灰土? 750 0 750 0 .087 新建路基31按设计弯沉值计算设计层厚度:LD= 24.2 (0.01mm)H( 6 )= 200 mm LS= 20.2 (0.01mm)由于设计层厚度H( 6 )=Hmin时LS<=LD,故弯沉计算已满足要求 .H( 6 )= 200 mm(仅考虑弯沉)按容许拉应力计算设计层厚度:H( 6 )= 200 mm(第1 层底面拉应力计算满足要求)H( 6 )= 200 mm(第2 层底面拉应力计算满足要求)H( 6 )= 200 mm(第3 层底面拉应力计算满足要求)H( 6 )= 200 mm(第4 层底面拉应力计算满足要求)H( 6 )= 200 mm(第5 层底面拉应力计算满足要求)、H( 6 )= 200 mm(第6 层底面拉应力计算满足要求)路面设计层厚度:H( 6 )= 200 mm(仅考虑弯沉)H( 6 )= 200 mm(同时考虑弯沉和拉应力)验算路面防冻厚度:路面最小防冻厚度700 mm验算结果表明,路面总厚度满足防冻要求 .通过对设计层厚度取整, 最后得到路面结构设计结果如下:----------------------------------------细粒式沥青混凝土40 mm----------------------------------------中粒式沥青混凝土60 mm----------------------------------------粗粒式沥青混凝土80 mm----------------------------------------水泥稳定碎石180 mm----------------------------------------水泥稳定碎石180 mm----------------------------------------石灰粉煤灰土200 mm----------------------------------------新建路基三、交工验收弯沉值和层底拉应力计算层位结构层材料名称厚度20℃平均抗压标准差15℃平均抗压标准差综合影响系数(mm) 模量(MPa) (MPa) 模量(MPa) (MPa)1 细粒式沥青混凝土40 1400 0 2000 0 12 中粒式沥青混凝土60 1200 0 1800 0 13 粗粒式沥青混凝土80 1000 0 1200 0 14 水泥稳定碎石180 1500 0 1500 0 15 水泥稳定碎石180 1500 0 1500 0 16 石灰粉煤灰土200 750 0 750 0 17 新建路基31 1计算新建路面各结构层及路基顶面交工验收弯沉值:第1 层路面顶面交工验收弯沉值LS= 20.2 (0.01mm)第2 层路面顶面交工验收弯沉值LS= 21.9 (0.01mm)第3 层路面顶面交工验收弯沉值LS= 24.5 (0.01mm)第4 层路面顶面交工验收弯沉值LS= 28.5 (0.01mm)第5 层路面顶面交工验收弯沉值LS= 51.1 (0.01mm)第6 层路面顶面交工验收弯沉值LS= 138.5 (0.01mm)路基顶面交工验收弯沉值LS= 300.5 (0.01mm)计算新建路面各结构层底面最大拉应力:(未考虑综合影响系数)第1 层底面最大拉应力σ( 1 )=-.186 (MPa)第2 层底面最大拉应力σ( 2 )=-.019 (MPa)第3 层底面最大拉应力σ( 3 )=-.033 (MPa)第4 层底面最大拉应力σ( 4 )= .024 (MPa)第5 层底面最大拉应力σ( 5 )= .082 (MPa)第6 层底面最大拉应力σ( 6 )= .07 (MPa)*******************************公路新建路面设计成果文件汇总*******************************一、轴载换算及设计弯沉值和容许拉应力计算序号车型名称前轴重(kN) 后轴重(kN) 后轴数后轴轮组数后轴距(m) 交通量1 解放CA10B 19.4 60.85 1 双轮组12002 东风EQ140 23.7 69.2 1 双轮组8003 黄河JN162 59.5 115 1 双轮组5004 太脱拉138S 45.4 90 2 双轮组<3 3005 交通SH141 25.55 55.1 1 双轮组13006 交通SH361 60 110 2 双轮组<3 100 设计年限15 车道系数 .4序号分段时间(年) 交通量年增长率1 5 8 %2 10 6 %一个车道上大客车及中型以上的各种货车日平均交通量Nh= 1680 ,属重交通等级当以设计弯沉值和沥青层层底拉应力为指标时:路面营运第一年双向日平均当量轴次: 2569设计年限内一个车道上的累计当量轴次: 9329915属中等交通等级当以半刚性材料结构层层底拉应力为设计指标时:路面营运第一年双向日平均当量轴次: 2823设计年限内一个车道上的累计当量轴次: 1.025238E+07属中等交通等级路面设计交通等级为重交通等级公路等级一级公路公路等级系数 1 面层类型系数 1 路面结构类型系数 1路面设计弯沉值: 24.2 (0.01mm)层位结构层材料名称劈裂强度(MPa) 容许拉应力(MPa)1 细粒式沥青混凝土 1.2 .392 中粒式沥青混凝土 1 .333 粗粒式沥青混凝土 .8 .264 水泥稳定碎石 .6 .295 水泥稳定碎石 .6 .296 石灰粉煤灰土 .2 .08二、新建路面结构厚度计算新建路面的层数: 6标准轴载: BZZ-100路面设计弯沉值: 24.2 (0.01mm)路面设计层层位: 6设计层最小厚度: 200 (mm)层位结构层材料名称厚度20℃平均抗压标准差15℃平均抗压标准差容许应力(mm) 模量(MPa) (MPa) 模量(MPa) (MPa) (MPa)1 细粒式沥青混凝土40 1400 0 2000 0 .392 中粒式沥青混凝土60 1200 0 1800 0 .333 粗粒式沥青混凝土80 1000 0 1200 0 .264 水泥稳定碎石180 1500 0 1500 0 .295 水泥稳定碎石180 1500 0 1500 0 .296 石灰粉煤灰土? 750 0 750 0 .087 新建路基43按设计弯沉值计算设计层厚度:LD= 24.2 (0.01mm)H( 6 )= 200 mm LS= 17.8 (0.01mm)由于设计层厚度H( 6 )=Hmin时LS<=LD,故弯沉计算已满足要求 .H( 6 )= 200 mm(仅考虑弯沉)按容许拉应力计算设计层厚度:H( 6 )= 200 mm(第1 层底面拉应力计算满足要求)H( 6 )= 200 mm(第2 层底面拉应力计算满足要求)H( 6 )= 200 mm(第3 层底面拉应力计算满足要求)H( 6 )= 200 mm(第4 层底面拉应力计算满足要求)H( 6 )= 200 mm(第5 层底面拉应力计算满足要求)H( 6 )= 200 mm(第6 层底面拉应力计算满足要求)路面设计层厚度:H( 6 )= 200 mm(仅考虑弯沉)H( 6 )= 200 mm(同时考虑弯沉和拉应力)验算路面防冻厚度:路面最小防冻厚度700 mm验算结果表明,路面总厚度满足防冻要求 .通过对设计层厚度取整, 最后得到路面结构设计结果如下:----------------------------------------细粒式沥青混凝土40 mm----------------------------------------中粒式沥青混凝土60 mm----------------------------------------粗粒式沥青混凝土80 mm----------------------------------------水泥稳定碎石180 mm----------------------------------------水泥稳定碎石180 mm----------------------------------------石灰粉煤灰土200 mm----------------------------------------新建路基三、交工验收弯沉值和层底拉应力计算层位结构层材料名称厚度20℃平均抗压标准差15℃平均抗压标准差综合影响系数(mm) 模量(MPa) (MPa) 模量(MPa) (MPa)1 细粒式沥青混凝土40 1400 0 2000 0 12 中粒式沥青混凝土60 1200 0 1800 0 13 粗粒式沥青混凝土80 1000 0 1200 0 14 水泥稳定碎石180 1500 0 1500 0 15 水泥稳定碎石180 1500 0 1500 0 16 石灰粉煤灰土200 750 0 750 0 17 新建路基43 1计算新建路面各结构层及路基顶面交工验收弯沉值:第1 层路面顶面交工验收弯沉值LS= 17.8 (0.01mm)第2 层路面顶面交工验收弯沉值LS= 19.2 (0.01mm)第3 层路面顶面交工验收弯沉值LS= 21.3 (0.01mm)第4 层路面顶面交工验收弯沉值LS= 24.7 (0.01mm)第5 层路面顶面交工验收弯沉值LS= 43.5 (0.01mm)第6 层路面顶面交工验收弯沉值LS= 113.4 (0.01mm)路基顶面交工验收弯沉值LS= 216.6 (0.01mm)计算新建路面各结构层底面最大拉应力:(未考虑综合影响系数)第1 层底面最大拉应力σ( 1 )=-.178 (MPa)第2 层底面最大拉应力σ( 2 )=-.014 (MPa)第3 层底面最大拉应力σ( 3 )=-.031 (MPa)第 4 层底面最大拉应力 σ( 4 )= .023 (MPa)第 5 层底面最大拉应力 σ( 5 )= .077 (MPa)第 6 层底面最大拉应力 σ( 6 )= .064 (MPa)改建道路沥青路面设计1基本资料2改建路段原路面当量回弹模量计算87.0100100)(ii P P l l = 32100)(K K K S Z l l α+=21021000m m l p E t δ= 原路面实测弯沉值(0.01mm)舍去的过大或过小弯沉值为 : L( 12 )= 94.8原路面有效弯沉数: 11原路面平均弯沉值 : 75 (0.01mm)原路面弯沉值标准差 : 6 (0.01mm)测定汽车轴载 :100 kN改建公路等级 二级公路与保证率有关的系数 :1.5原路面沥青面层厚度 :50 (mm)原路面当量回弹模量 : 162.4 (MPa)原路面实测弯沉值(0.01mm)L( 2 )= 94.8L( 3 )= 101.4原路面有效弯沉数: 7原路面平均弯沉值: 116 (0.01mm)原路面弯沉值标准差: 3 (0.01mm)测定汽车轴载100 kN改建公路等级二级公路与保证率有关的系数 1.5原路面沥青面层厚度50 (mm)原路面当量回弹模量: 113.1 (MPa)使用HPDS2006计算软件计算结果*******************************公路改建路面设计成果文件汇总*******************************一、轴载换算及设计弯沉值和容许拉应力计算序号车型名称前轴重(kN) 后轴重(kN) 后轴数后轴轮组数后轴距(m) 交通量1 解放CA10B 19.4 60.85 1 双轮组12002 东风EQ140 23.7 69.2 1 双轮组8003 黄河JN162 59.5 115 1 双轮组5004 太脱拉138S 45.4 90 2 双轮组<3 3005 交通SH141 25.55 55.1 1 双轮组13006 交通SH361 60 110 2 双轮组<3 100 设计年限15 车道系数 .4序号分段时间(年) 交通量年增长率1 5 8 %2 10 6 %一个车道上大客车及中型以上的各种货车日平均交通量Nh= 1680 ,属重交通等级当以设计弯沉值和沥青层层底拉应力为指标时:路面营运第一年双向日平均当量轴次: 2569设计年限内一个车道上的累计当量轴次: 9329915属中等交通等级当以半刚性材料结构层层底拉应力为设计指标时:路面营运第一年双向日平均当量轴次: 2823设计年限内一个车道上的累计当量轴次: 1.025238E+07属中等交通等级路面设计交通等级为重交通等级公路等级一级公路公路等级系数 1 面层类型系数 1 路面结构类型系数 1路面设计弯沉值: 24.2 (0.01mm)层位结构层材料名称劈裂强度(MPa) 容许拉应力(MPa)1 细粒式沥青混凝土 1.2 .392 中粒式沥青混凝土 1 .333 粗粒式沥青混凝土 .8 .264 水泥稳定碎石 .6 .295 石灰粉煤灰土 .2 .08二、改建路面加铺补强层厚度计算加铺路面的层数: 5标准轴载: BZZ-100路面设计弯沉值: 24.2 (0.01mm)路面设计层层位: 5设计层最小厚度: 150 (mm)层位结构层材料名称厚度20℃平均抗压标准差15℃平均抗压标准差容许应力(mm) 模量(MPa) (MPa) 模量(MPa) (MPa) (MPa)1 细粒式沥青混凝土40 1400 0 2000 0 .392 中粒式沥青混凝土60 1200 0 1800 0 .333 粗粒式沥青混凝土80 1000 0 1200 0 .264 水泥稳定碎石180 1500 0 1500 0 .295 石灰粉煤灰土? 750 0 750 0 .086 改建前原路面162.4按设计弯沉值计算设计层厚度:(弯沉值按新建路面F 公式计算) LD= 24.2 (0.01mm)H( 5 )= 150 mm LS= 1.2 (0.01mm)由于设计层厚度H( 5 )=Hmin时LS<=LD,故弯沉计算已满足要求 .H( 5 )= 150 mm(仅考虑弯沉)按容许拉应力计算设计层厚度:H( 5 )= 150 mm(第1 层底面拉应力计算满足要求)H( 5 )= 150 mm(第2 层底面拉应力计算满足要求)H( 5 )= 150 mm(第3 层底面拉应力计算满足要求)H( 5 )= 150 mm(第4 层底面拉应力计算满足要求)H( 5 )= 150 mm(第5 层底面拉应力计算满足要求)路面设计层厚度:H( 5 )= 150 mm(仅考虑弯沉)H( 5 )= 150 mm(同时考虑弯沉和拉应力)验算路面防冻厚度:路面最小防冻厚度700 m改建前原路面总厚度200 mm验算结果表明,路面总厚度满足防冻要求 .通过对设计层厚度取整, 最后得到路面结构设计结果如下: ----------------------------------------细粒式沥青混凝土40 mm----------------------------------------中粒式沥青混凝土60 mm----------------------------------------粗粒式沥青混凝土80 mm----------------------------------------水泥稳定碎石180 mm----------------------------------------石灰粉煤灰土150 mm----------------------------------------改建前原路面三、交工验收弯沉值和层底拉应力计算层位结构层材料名称厚度20℃平均抗压标准差15℃平均抗压标准差综合影响系数(mm) 模量(MPa) (MPa) 模量(MPa) (MPa)1 细粒式沥青混凝土40 1400 0 2000 0 12 中粒式沥青混凝土60 1200 0 1800 0 13 粗粒式沥青混凝土80 1000 0 1200 0 14 水泥稳定碎石180 1500 0 1500 0 15 石灰粉煤灰土150 750 0 750 0 16 改建前原路面162.4计算改建路面各加铺层顶面交工验收弯沉值:(按新建路面F 公式计算)第1 层路面顶面交工验收弯沉值LS= 1.2 (0.01mm)第2 层路面顶面交工验收弯沉值LS= 1.3 (0.01mm)第3 层路面顶面交工验收弯沉值LS= 1.5 (0.01mm)第4 层路面顶面交工验收弯沉值LS= 1.9 (0.01mm)第5 层路面顶面交工验收弯沉值LS= 4.2 (0.01mm)计算改建路面各加铺层底面最大拉应力:(未考虑综合影响系数)第1 层底面最大拉应力σ( 1 )=-.181 (MPa)第2 层底面最大拉应力σ( 2 )=-.002 (MPa)第3 层底面最大拉应力σ( 3 )=-.016 (MPa)第4 层底面最大拉应力σ( 4 )= .096 (MPa)第5 层底面最大拉应力σ( 5 )= .022 (MPa)*******************************公路改建路面设计成果文件汇总*******************************一、轴载换算及设计弯沉值和容许拉应力计算序号车型名称前轴重(kN) 后轴重(kN) 后轴数后轴轮组数后轴距(m) 交通量1 解放CA10B 19.4 60.85 1 双轮组12002 东风EQ140 23.7 69.2 1 双轮组8003 黄河JN162 59.5 115 1 双轮组5004 太脱拉138S 45.4 90 2 双轮组<3 3005 交通SH141 25.55 55.1 1 双轮组13006 交通SH361 60 110 2 双轮组<3 100 设计年限15 车道系数 .4序号分段时间(年) 交通量年增长率1 5 8 %2 10 6 %一个车道上大客车及中型以上的各种货车日平均交通量Nh= 1680 ,属重交通等级当以设计弯沉值和沥青层层底拉应力为指标时:路面营运第一年双向日平均当量轴次: 2569设计年限内一个车道上的累计当量轴次: 9329915属中等交通等级当以半刚性材料结构层层底拉应力为设计指标时:路面营运第一年双向日平均当量轴次: 2823设计年限内一个车道上的累计当量轴次: 1.025238E+07属中等交通等级路面设计交通等级为重交通等级公路等级一级公路公路等级系数 1 面层类型系数 1 路面结构类型系数 1路面设计弯沉值: 24.2 (0.01mm)层位结构层材料名称劈裂强度(MPa) 容许拉应力(MPa)1 细粒式沥青混凝土 1.2 .392 中粒式沥青混凝土 1 .333 粗粒式沥青混凝土 .8 .264 水泥稳定碎石 .6 .295 石灰粉煤灰土 .2 .08二、改建路面加铺补强层厚度计算加铺路面的层数: 5标准轴载: BZZ-100路面设计弯沉值: 24.2 (0.01mm)路面设计层层位: 5设计层最小厚度: 150 (mm)层位结构层材料名称厚度20℃平均抗压标准差15℃平均抗压标准差容许应力(mm) 模量(MPa) (MPa) 模量(MPa) (MPa) (MPa)1 细粒式沥青混凝土40 1400 0 2000 0 .392 中粒式沥青混凝土60 1200 0 1800 0 .333 粗粒式沥青混凝土80 1000 0 1200 0 .264 水泥稳定碎石180 1500 0 1500 0 .295 石灰粉煤灰土? 750 0 750 0 .086 改建前原路面113.1按设计弯沉值计算设计层厚度:(弯沉值按新建路面F 公式计算)LD= 24.2 (0.01mm)H( 5 )= 150 mm LS= 1.4 (0.01mm)由于设计层厚度H( 5 )=Hmin时LS<=LD,故弯沉计算已满足要求 .H( 5 )= 150 mm(仅考虑弯沉)按容许拉应力计算设计层厚度:H( 5 )= 150 mm(第1 层底面拉应力计算满足要求)H( 5 )= 150 mm(第2 层底面拉应力计算满足要求)H( 5 )= 150 mm(第3 层底面拉应力计算满足要求)H( 5 )= 150 mm(第4 层底面拉应力计算满足要求)H( 5 )= 150 mm(第5 层底面拉应力计算满足要求)路面设计层厚度:H( 5 )= 150 mm(仅考虑弯沉)H( 5 )= 150 mm(同时考虑弯沉和拉应力)验算路面防冻厚度:路面最小防冻厚度700 mm改建前原路面总厚度200 mm验算结果表明,路面总厚度满足防冻要求 .三、交工验收弯沉值和层底拉应力计算层位结构层材料名称厚度20℃平均抗压标准差15℃平均抗压标准差综合影响系数(mm) 模量(MPa) (MPa) 模量(MPa) (MPa)1 细粒式沥青混凝土40 1400 0 2000 0 12 中粒式沥青混凝土60 1200 0 1800 0 13 粗粒式沥青混凝土80 1000 0 1200 0 14 水泥稳定碎石180 1500 0 1500 0 15 石灰粉煤灰土150 750 0 750 0 16 改建前原路面113.1计算改建路面各加铺层顶面交工验收弯沉值:(按新建路面F 公式计算)第1 层路面顶面交工验收弯沉值LS= 1.4 (0.01mm)第2 层路面顶面交工验收弯沉值LS= 1.5 (0.01mm)第3 层路面顶面交工验收弯沉值LS= 1.8 (0.01mm)第4 层路面顶面交工验收弯沉值LS= 2.2 (0.01mm)第5 层路面顶面交工验收弯沉值LS= 5.6 (0.01mm)计算改建路面各加铺层底面最大拉应力:(未考虑综合影响系数)第1 层底面最大拉应力σ( 1 )=-.197 (MPa)第2 层底面最大拉应力σ( 2 )=-.01 (MPa)第3 层底面最大拉应力σ( 3 )=-.017 (MPa)第4 层底面最大拉应力σ( 4 )= .108 (MPa)第5 层底面最大拉应力σ( 5 )= .036 (MPa)公路水泥混凝土路面设计1基本资料新建一级公路,公路设计基准年为2011年,使用年限30年,拟选沥青路面结构路面进行路面结构设计。
- -土木建筑工程学院土木工程专业(道路桥梁方向)《路基路面工程》课程设计计算书姓名:年级:班级:学号:[题目]:重力式挡土墙设计[设计资料]:1、工程概况拟建机场高速公路(城市道路段)K2+770右侧有一清朝房子,由于该路段填土较高,若按1:1.5的边坡坡率放坡,则路基坡脚侵入房子围。
现为了保留房子,要求在该路段的恰当位置设挡土墙。
为使房子周围保持车辆交通,要求墙脚边距离房子的距离大约为4m。
提示:路肩350cm不布置车辆,慢车道650cm 开始布置车辆荷载(550kN)。
2、路中线与房子的平面位置关系、路线纵断面、路基标准横断面如下图:房子道路中线图1 道路和房子平面示意图路基标准横断面(单位:cm)图2 路基标准横断面图(半幅,单位:cm)K 2+400112.85K 2+900117.851.0%-0.75%R=13500T=?E=?道路纵面图图3 道路纵断面图106.503.7m7.8m粘土Q承载力标准值f=187kPa圆砾承载力标准值f=456kPa中风化泥岩地质剖面图1:0.31:5墙身剖面图(单位:cm )图4 地质剖面图3、房子附近地质情况见地质剖面图,房子附近地面较大围(包括路基围)为平地。
4、挡土墙墙身、基础材料:M7.5浆砌片石,M10砂浆抹墙顶面(2cm ),M10砂浆勾外墙凸缝。
砌体重度γ1=22kN/m 3。
墙后填土为天然三合土重度γ2=20kN/m 3,换算摩擦角φ=35°。
M10浆砌块石与天然三合土的摩擦角为20°。
砌体极限抗压强度为700kPa ,弯曲抗拉极限强度为70kPa ,砌体截面的抗剪极限强度为150kPa 。
计算过程1、 道路设计标高计算由1i =1.0%,2i =-0.75%,R=13500得21135000.75%1%=236.25L R i i =⨯-=⨯--,2LE ==118.125 所以竖曲线起点桩号为K2+781.875。
路基路面工程课程设计计算书摘要:一、引言二、路基设计1.路基结构形式选择2.路基横断面设计3.路基稳定性验算4.路基施工设计三、路面设计1.路面结构形式选择2.路面材料选取3.路面厚度设计4.路面施工设计四、设计计算书1.路基设计计算书2.路面设计计算书五、结论正文:一、引言路基路面工程是公路、铁路、机场等交通运输系统的重要组成部分,其设计直接影响到交通运输的安全、舒适和效率。
本文主要介绍了一种路基路面工程课程设计计算书的内容和编制方法,包括路基设计、路面设计、设计计算书等内容。
二、路基设计路基设计是路基路面工程的重要组成部分,主要包括路基结构形式选择、路基横断面设计、路基稳定性验算和路基施工设计等内容。
1.路基结构形式选择路基结构形式选择应根据道路的等级、交通量、地质条件、施工条件等因素进行综合考虑。
一般常用的路基结构形式包括填方路基、挖方路基、半填半挖路基等。
2.路基横断面设计路基横断面设计应根据道路的等级、交通量、路基结构形式、地质条件等因素进行综合考虑。
一般常用的路基横断面形式包括矩形、梯形、拱形等。
3.路基稳定性验算路基稳定性验算是指在设计的路基横断面和路基材料确定的情况下,对路基的稳定性进行计算和分析,以确保路基在使用过程中的稳定性和安全性。
4.路基施工设计路基施工设计是指在路基设计的基础上,对路基施工的工艺、方法、材料等进行详细的设计和安排,以确保路基施工的质量和效率。
三、路面设计路面设计是路基路面工程的另一个重要组成部分,主要包括路面结构形式选择、路面材料选取、路面厚度设计和路面施工设计等内容。
1.路面结构形式选择路面结构形式选择应根据道路的等级、交通量、气候条件、地质条件等因素进行综合考虑。
一般常用的路面结构形式包括沥青混凝土路面、水泥混凝土路面、碎石路面等。
2.路面材料选取路面材料选取应根据道路的等级、交通量、气候条件、地质条件等因素进行综合考虑。
一般常用的路面材料包括沥青、水泥、碎石等。
《路基路面工程》课程设计第一部分 新建道路一、 新建路段干湿类型确定新建路段各路段土基干湿状态可由临界高度确定,分别取m h m h m h 3.1,0.2,5.2321===,从而确定突击干燥、中湿、潮湿、过湿四种类型,如下图所示: 临界高度临界高度临界高度水位线标高()桩号降低60后的设计线设计线地面线由上图可得知,干燥路段:桩号K0+560 ~ K0+788.89,土基刚度MPa E 500=;中湿路段:桩号K0+385 ~ K0+560 , K0+788.89 ~ K0+900,MPa E 350=; 潮湿路段:桩号K0+226.47 ~ K0+385 , K0+900 ~ K1+110, MPa E 300=; 过湿路段:桩号K0+000 ~ K0+226.47 , K1+110 ~ K3+000, MPa E 200=。
二、新建沥青路面一级沥青路面,设计年限取为15a (2002年~2016年)。
1.标准轴载换算:1999年交通组成情况:(1)以弯沉作为设计指标:标准轴载当量轴次:35.4121∑100Ki ii Pn C C N ==代入数值得日标准轴载作用次数,36.2362)(1999=A N ,取2363轴次/日。
(2)以半刚性基层容许拉应力为设计指标:标准轴载当量轴次:812'1'∑100Ki i i Pn C C N ==代入数值得日标准轴载作用次数,55.1720)(1999=B N ,取1721轴次/日。
(3)交通量计算: 2001年底通车,则()37.31681028.01)()(319992002=+×=A N A N ,取3169轴次/日 ()58.23071028.01)()(319992002=+×=B N B N ,取2308轴次/日 ()11.7347)06.01(1028.01)()(1119992011=+×+×=A N A N ,取7348轴次/日 ()03.5351)06.01(1028.01)()(319992011=+×+×=B N B N ,取5352轴次/日2002年至2010年交通量:()[]()[]4911067.7945.01028.0316936511028.01ηγ3651γ1)(×=×××+=×+=N A N Te轴次()[]4911076.5785.01028.0230836511028.01)(×=×××+=B N e轴次2011年至2016年交通量:()[]4621040.9355.006.07348365106.01)(×=×××+=A N e轴次()[]4621031.6815.006.0535*******.01)(×=×××+=B N e轴次故得,2002年正式通车至2016年设计年限内总交通量为:4211068.1730)()()(×=+=A N A N A N e e e 轴次; 4211007.1260)()()(×=+=B N B N B N e e e 轴次。
路基路面工程课程设计计算书(第一组)班级:姓名:学号:一、沥青路面设计1.轴载换算(1)以弯沉值及沥青层的层底弯拉应力为设计指标时表一(2)以半刚性材料结构层的层底拉应力为设计指标时表二已知设计年限内交通量平均增长率%r=8该道路为高速公路,其设计年限15=t 。
设该高速公路为双向四车道,取车道系数45.0=η,则 (1)以弯沉值及沥青层的层底弯拉应力为设计指标时61511019.345.014.71636508.0]1)08.01[(365]1)1[(⨯=⨯⨯⨯-+=⋅⋅⨯-+=ηN r r N t e 次(2)以半刚性材料结构层的层底拉应力为设计指标时61521042.245.049.54236508.0]1)08.01[(365]1)1[(⨯=⨯⨯⨯-+=⋅⋅⨯-+=ηN r r N t e 次2.初拟结构组合和材料选取(1)由以上计算结果得,设计年限线内一个车道上的累计标准轴次为319万次,属中等交通,给出以下两种组合方案 方案一:①路面结构采用沥青混凝土(厚18cm ),基层采用水泥碎石(厚38cm ),底基层采用水泥石灰沙砾土(厚度待定),以水泥石灰沙砾土为设计层。
②采用三层式沥青面层,表面采用细粒式沥青混凝土(厚4cm ),中面层采用中粒式沥青混凝土(厚6cm ),下面层采用粗粒式沥青混凝土(厚8cm ) 方案二:①路面结构采用沥青混凝土(厚27cm ),基层采用水泥砂砾(厚度待定),底基层采用级配沙砾(厚18cm ),以水泥稳定砂砾为设计层。
②采用三层式沥青面层,表面采用细粒式沥青混凝土(厚4cm ),中面层采用中粒式沥青混凝土(厚8cm ),下面层采用密集配沥青碎石(厚15cm ) (2)确定各层材料回弹模量与劈裂强度表三3.确定土基回弹模量该路段处于2Ⅱ区,粉质土,路基处于干湿状态,稠度取1.0,查表“二级自然区划各土组土基回弹模量参考值”,得土基回弹模量为29MPa (1)设计弯沉值本公路为高速公路,公路等级系数0.1=c A ,面层为沥青混凝土,面层系数0.1=s A ,半刚性基层,基层系数B A =1.00.260.2600600(3.1910)11130.03d e C S B l N A A A --==⨯⨯⨯⨯⨯=(单位0.01mm )(2)各层允许拉应力 方案一:表四方案二:表五4.资料汇总方案一:表六方案二:表七5.方案确定根据东南大学道路计算软件计算得,方案一计算层厚度为15cm,道路总厚度为71cm。
方案二计算层厚度为34cm,道路总厚度为79cm两种方案的其他条件均满足要求,故取总厚度最小的方案为最终方案,即取第一种方案为最终方案。
二、混凝土路面设计1.交通量分析根据水泥混凝土路面设计轴载换算方法,忽略小客车和车辆前轴对路面结构计算的影响,计算各车型的轴载换算系数16)100(i i Pδ,得到标准轴载作用次数,见下表表八查表得,高速公路设计基准期为30年。
安全等级为一级,临界荷位车辆轮迹横向分布系数取0.22,交通方向系数取为0.5,交通车道系数取为0.9,则设计年限累计当量轴次为:304[(1)1]726.62[(10.08)1]3653650.220.50.929.7100.08t s r e r N g N g η+-⨯+-=⨯⨯=⨯⨯⨯⨯=⨯次属于中等交通。
2.初拟路面结构查表,得安全水平为一级的道路对应的变异水平为低级。
初拟普通混凝土面层厚为24cm ,基层选用水泥稳定粒料厚20cm ,底基层为15cm 低剂量无机结合料稳定类混合材料。
普通混凝土板的平面尺寸为宽4.5m ,长5m ,两侧硬路肩与行车道之间砌筑水泥混凝土路缘石。
硬路肩与行车道采用相同面层厚度。
在设计中设想施工缝为设传力杆平缝,横向缩缝为设传力杆的假缝形式,在临近桥梁或固定建筑物外,或与其他类型路面相连处、小半径曲线和纵坡变换处,应设置横向胀缝。
纵缝施工缝和缩缝均为设拉杆的平头缝。
纵缝与横缝尽可能垂直正交,避免板块形成错缝和锐角形式。
3.路面材料参数确定查表,普通混凝土面层的弯拉强度标准值为4.5MPa ,相应弯拉弹性模量标准值为29GPa 。
路基回弹模量取50MPa 。
低剂量无机结合料稳定土垫层回弹模量取800MPa ,水泥稳定粒料基层回弹模量取1500MPa 。
计算基层顶面当量回弹模量(土基顶面回弹模量0E =40MPa ):22221122222120.215000.1580012480.20.15X X h E h E E MPa h h +⨯+⨯===++ 332111221211222331()11()121241(0.150.2)11(15000.28000.15)()12415000.28000.153.85X E h E h h h D E h E h MN m --+=++++=⨯+⨯++⨯⨯=⋅0.333X h m === 0.450.45012486.22[1 1.51()] 6.22[1 1.51()] 4.22340X E a E --=-=-= 0.550.55012481 1.44()1 1.44()0.78340X E b E --=-=-⨯= 110.78333001248() 4.2230.33340()224.8140bX t XE E ah E MPa E ==⨯⨯⨯=普通混凝土面层难过的相对刚度半径为:0.5370.5370.240.651r m ==⨯=4.荷载疲劳应力标准轴载在临界荷位处产生的荷载应力计算为:0.620.620.0770.0770.6510.24 1.033ps r h MPa σ--==⨯⨯=因纵缝为设拉杆平缝,接缝传荷能力的应力折减系数0.87r K =。
考虑设计基准期内荷载应力累计疲劳作用的疲劳应力系数40.057(29.710) 2.05vf e K N ==⨯=,根据公路等级,查表,考虑偏载和动载等因素对路面疲劳损坏影响的综合系数3.1=C K ,则荷载疲劳应力计算为:0.87 2.05 1.3 1.033 2.40pr r f c ps K K K σσ==⨯⨯⨯=5.温度疲劳应力II 区最大温度梯度取88(C ︒/m )。
板长5m,57.6800.651l r ==,由图可查普通混凝土板厚为h=0.24m ,0.65X B =。
最大温度梯度时混凝土板的温度翘曲应力计算为:510290000.24880.65 1.9922C C gtm X E hT B MPa ασ-⨯⨯⨯==⨯=查表,自然区划为II 区,323.1,041.0,828.0===c b a ,则温度疲劳应力系数1.3234.5 1.99[()][0.828()0.041]0.5431.99 4.5c tmrt tmrf K a b f σσ=-=⨯-= 温度疲劳应力为:0.543 1.99 1.081tr t tm K MPa σσ==⨯=查表,高速公路的安全等级为一级,相应于一级安全等级的变异水平等级为低级,目标可靠度为95%。
再据查得的目标可靠度和变异水平等级,查表,确定可靠度系数2.1=r γ。
则,() 1.2(1.081 2.40) 4.18 4.5r pr tr MPa MPa γσσ+=⨯+=<因此,所选普通混凝土面层厚度0.25m 可以承受设计基准期内荷载应力和温度应力的综合疲劳作用。
6.路面补强设计根据规范要求和设计几本资料,水泥混凝土路面为重交通等级,平曲线多,所以在混凝土板的自由边缘和角隅处设置两种补强钢筋。
(1)边缘钢筋,采用直径14mm 的螺纹钢筋,设在板h h 41~41(h 为混凝土板厚),且距离边缘和地板厚度均不小于5cm,两根钢筋的间距不应小于10cm,纵向边缘钢筋只设在一块板内,不穿过缩缝,以免妨碍般的翘曲,为加强锚固能力,钢筋两端应向上弯起。
(2)角隅钢筋,设在胀缝两侧板的角隅处,用两根直径14mm长2.4m的螺纹钢筋完成需要的形状,角隅钢筋设在板的上部,距板顶面不小于5cm,距胀缝和板边缘各为10cm。
7.筑路材料(1)粗集料和细集料使用要求均应符合《公路工程集料试验规程》的各项要求。
面层水泥采用42.5级普通硅酸盐水泥,要求养护3天龄期的抗压强度和抗折强度分别不小于22.0MPa和7.0MPa,混凝土配合比设计应满足强度、工作性、耐久性技术要求,并且应该满足《公路工程水泥混凝土路面施工规范》的明确规定。
(2)填缝材料胀缝接缝板采用泡沫橡胶板,填缝材料采用常温施工方式,填缝材料为沥青橡胶类。
接缝板和填缝材料的技术要求,参见《公路工程水泥混凝土路面施工技术规范》。
(3)基层材料水泥稳定材料基层中水泥用量控制在5%~7%之间,采用重型击实实验法确定压实度不小于98%,级配碎石第几层最大粒径控制在31.5mm以下,压实度不小于96%,石料压碎值不大于30%。
(4)土基由于路基土为粉质土,切路基设计可以保证路床处于干燥、中湿状态,故无需进行路基处理。
路基土强度、压实度应满足现行《公路路基施工技术规范》。