科研工作量考核办法
- 格式:doc
- 大小:67.50 KB
- 文档页数:5
重庆工商大学科研工作量考核办法重工商大〔2011〕186号第一章总则第一条为了有效推进我校转型升位,本着质量导向、学科导向原则,推出高水平、标志性科研成果,提高学校核心竞争力,借鉴重点大学考核学院和科研平台的有益经验和通行做法,结合我校实际,特制定本办法。
第二条本办法适用于我校在岗的教师、专职科研人员及其他专业技术人员。
第三条科研工作量的考核采用成果积分制,科研工作量以“分”为计算单位。
第四条科研考核的结果运用于学院及专职科研人员的绩效评估、津贴拨付等。
第二章考核对象和计分范围第五条考核对象范围1、考核对象分类:教学型教师、教学科研型教师、专职科研型教师、其他专业技术岗位人员。
2、凡是在考核周期内专业技术职务、考核类型发生变化者,当年年度按变化前的专业技术职务及考核类型所对应的科研工作量定额进行考核。
3、低职高聘和高职低聘者,按聘任职级考核。
4、如遇特殊情况,根据有关政策规定核算相应科研工作量。
(2)正部级批示及应用:指省、市、自治区党委和人民政府正职领导肯定性批示或正省部级部门采纳应用,或列入国家科技规划和指南;(3)副部级批示及应用:指省、市、自治区党委和人民政府副职领导肯定性批示或副省部级部门采纳应用;(4)省部级科技规划应用:指列入国务院部门或重庆市科技规划指南;(5)各民主党派省级机关采纳应用以及地市级政府、厅级政府部门采纳应用,需提交加盖有民主党派省级机关公章或政府公章的应用证明。
第十五条考核方式对学院、独立建制科研平台科研工作总量完成情况的考核,由科研处、人事处按照本办法规定组织实施。
对学院教师的科研考核,由学院自行制订办法组织实施。
独立建制科研平台专职科研人员的科研工作量完成情况,由科研处、人事处按照本办法规定的个人工作量定额进行考核。
第十六条计分方式核算被考核对象科研工作量的方式如下:(一)下列成果的完成人按下表所列比例分配科研工作量。
1、A级、B级、C1级刊物上发表的论文;2、国家级、教育部级、中央其他部委级科研项目;3、省部级以上科研成果奖励;考核结束后,学校对单位科研工作总量超额部分给予奖励,奖励办法另行制定。
科研工作量考核办法(讨论稿)2014年3月28日第一条为了调动广大职工从事科研工作和开展学术研究的积极性,确立科学研究在学院发展中的先导地位,推动科研工作的发展,提高教育教学水平,特制定《学院科研工作量考核办法》(以下简称《办法》)。
第二条科研工作量是对教职工从事科学技术研究及开发、教育教学理论方法研究等方面工作的计量,是教职工评职晋级考核及津贴分配的重要依据,与教学工作量具有同等的重要性。
本《办法》适用于我院按教学和科研岗位聘任的教师、专职科研人员及其他专业技术人员。
第三条科研工作量定额标准学院在籍按教学和科研岗位聘任的教师、专职科研人员及其他专业技术人员,每年及每一聘期(3年,下同)必须完成一定的科研工作量,具体定额标准如下:1.按教学岗位聘任的正高级职称、副高级职称、中级职称、初级职称教师,每年及每一聘期应完成的科研工作量定额标准见表1。
2.按科研岗位聘任(含按科研岗位聘任的教师和专职科研人员)的正高级职称、副高级职称、中级职称、初级职称人员,每年及每一聘期应完成的科研工作量定额标准见表2。
3.在重点实验室等科研机构主要从事实验室维护与管理,且按专业技术岗位聘任的正高级职称、副高级职称、中级职称人员,每年及每一聘期应完成的科研工作量定额标准见表3。
4. 除专职科研人员和科研机构主要从事实验室维护与管理的专业技术人员外,其他按专业技术岗位聘任的正高级职称、副高级职称、中级职称的专业技术人员,每年及每一聘期应完成的科研工作量定额标准见表4。
5.从事体育、艺术、外语教学的教师,减免20%的科研工作量;主要从事行政工作而按专业技术岗位聘任的人员,应完成相应专业技术岗位科研工作量定额的一半。
6. 职工正常连续休产假、病假等,每满一月(按30天计),减免其相应科研工作量的1/10。
7. 凡为本学院科研平台建设、学科建设、专业建设等做出突出贡献,需要减免科研工作量的,由各部门向学院科研处提出申请,报学院审批。
教研组工作量化考核细则教研组工作量化考核细则是对教研组成员在教学活动中具体工作的量化标准和评估方法的规定。
它旨在对教研组成员的工作进行科学管理和合理评估,以提高教研质量和效益。
下面是一份包含1200字以上的教研组工作量化考核细则:一、教学科研工作量计算1.课堂教学工作量(1)以每节课50分钟计算,按授课班级总人数计算;(2)讲授本人所任教科目每节课60人以上,按每节课增加5名学生计算;(3)辅导课、实验课按班级总人数增加2名学生计算。
2.教研活动工作量(1)阶段性教研活动计划支出工作量按计划实际开展的活动次数计算;(2)参与学科组讨论、教研课题研究、教材教法探讨等,按每次活动计算。
3.教育教学科研成果工作量(1)纸质教材、课件、教案、试卷等编写,根据篇幅和质量计算;(2)教育教学研究成果发表在学术刊物或获奖计算。
二、教学工作量考核标准1.教学质量考核(1)课堂教学反馈考核:学生满意度、学业进展情况、课堂纪律等综合评定;(2)学业成绩考核:根据学生实际表现和学期末考试成绩综合评定。
2.教研活动考核(1)参与活动次数:每学期至少参与教研活动2次以上;(2)活动质量及成果:讨论的深入程度、发表成果等。
3.教育教学科研成果考核(1)科研成果发表:发表在核心期刊或获得省级以上奖励;(2)教材或课程建设:参与编写的教材或课程评定等级。
三、考核细则1.教学工作量占总工作量的比例(1)教学工作量比例不低于60%;(2)教研活动工作量比例不低于20%;(3)科研成果工作量比例不低于10%;(4)其他工作量占比不超过10%。
2.考核评分方法(1)教学工作量根据学生满意度、学业成绩等综合评定,按百分制计分;(2)教研活动工作量根据参与活动次数和活动质量综合评定,按百分制计分;(3)科研成果工作量根据成果的质量和影响力综合评定,按百分制计分。
3.考核结果和奖惩措施(1)考核结果按评分等级确定,分为优秀、良好、合格、不合格四个等级;(2)优秀者将获得相应的奖励措施和加分激励;(3)不合格者将受到相应的惩罚措施和减分扣罚。
中专教科研工作量考核办法
是指对中等职业学校教师的科研工作量进行评估和考核的规定和措施。
1. 考核指标:考核指标包括科研项目和成果、科研论文、科研经费、科研奖励等方面的工作量。
2. 科研项目和成果:评估教师承担的科研项目的数量和质量,以及科研成果的数量和影响力。
3. 科研论文:评估教师发表的科研论文的数量和质量。
4. 科研经费:评估教师申请和获得的科研经费的金额和使用情况。
5. 科研奖励:评估教师获得的科研奖励的数量和级别。
6. 考核方式:考核可以采取定量评分和定性评价相结合的方式,综合考虑各项指标的重要性和权重。
7. 考核结果:考核结果可以分为优秀、良好、一般和不合格等等级,用于评定教师的科研工作量。
8. 考核周期:考核周期可以根据实际情况确定,一般可以为一学年或一学期。
9. 考核结果的应用:考核结果可以作为教师职称评定、薪酬激励、职务任免等方面的依据。
10.监督与评估:学校可以建立科研工作量考核的监督与评估机制,提升教师科研工作的质量和水平。
需要注意的是,中专教科研工作量考核办法应根据不同学校的实际情况进行具体制定和实施,并且需要考虑到教师的工作实际情况、学科特点和科研水平等因素。
科研工作量考核管理办法为相对准确考核在职教职工的科研工作量,完善专业技术人员考评机制,调动教职工的科研积极性,促使我校科研工作上水平、出效益,借鉴兄弟院校的经验,结合我校实际,特制定本办法。
一、考核对象及年科研工作量标准1.所有具有专业技术职称的在职教职工均属于科研工作考核对象。
2.当年上半年调入者按50%的科研工作量考核,下半年调入者当年不考核。
年底职称发生变化者,当年仍按原职称进行考核。
3.按职称、学历高低由高到低建立量化标准(标准见表1)。
4.音乐、舞蹈、美术、艺术设计、外语、数理化及公共体育等特殊学科教学人员的基本科研工作量,为同一职称级别教学人员基本科研工作量的80%。
未享受专业技术职称津贴补助的行政管理人员的基本科研工作量,为同一职称级别教学人员基本科研工作量的80%。
女教师休产假的当年按其基本科研工作量的50%考核。
二、科研工作量化计分标准(一)课题(项目)计分标准(见表2)1.纳入计分范围的科研课题(项目)是指项目经费进入学校财务帐户,由学校科研处进行管理的纵向和横向课题(项目)。
2.科研项目在项目开题年度先计总分的50%;结题年度再计其余的50%。
3.质量工程项目按对应项目级别的重点项目计分。
4、大学生研究性学习与创新性实验项目,按同类型项目主持人课题计分标准计分。
(二)著作计分标准(见表3)(三)学术论文计分标准(见表4)学术论文按发表及被全文转载、节录、论点摘录、索目分别给予计分。
但多次转载、摘录的,只就高给予一次计分。
(四)专利和成果转化计分标准(见表5)(五)教研作品计分标准(见表6)(六)获奖成果计分标准(见表7、表8、表9、表10)表10 校内获奖成果计分标准(单位:分)三、科研工作量化计分方法1、计算科研工作量的成果,均应署名“长沙师范学校”,否则不予计算。
2、若为合作项目,只对排名前五位的学校教职工记分,计分比例分配标准详见表11。
表11 合作项目作者成果记分比例分配标准3、跨年度重复获奖的成果按就高不就低的原则补差。
ABCDE学院科研工作量量化管理暂行办法为加强科研工作管理,完善科研激励机制,提高学院科研水平,积极构建主动适应社会经济发展和教育教学改革需要的科研管理机制,逐步形成有利于优秀人才脱颖而出,有利于优秀人才发挥作用的科学评价体系,全面推动学院科研工作、学科建设、专业建设、课程建设、教师队伍建设、人才培养工作的健康发展。
特制定本办法。
一、科研工作量的计分范围1.公开出版的著作教材;2.公开发表的学术论文:3.立项的教研科研课题:4.获奖的教研科研课题;5.通过鉴定的科研成果;6.教学建设与专业建设成果;7.获得国家批准的发明专利;8.各级各类的科研成果转化:二、科研工作量的计分标准(一)著作类计分标准(二)论文类计分标准注:港澳台期刊则参照大陆标准执行。
(三)立项课题的计分标准(同一课题立项占总分的1/4,通过鉴定或结题占总分的3/4,本表列出的是总分,计分则按课题当时所处实际情况进行)。
(四)获奖科研成果的计分标准(五)教学建设与专业建设成果(六)获得国家专利的计分标准(七)成果转让的计分标准三、科研工作量的计分办法1.申报程序:由本人申报,学院科研处审核认定,经学院学术委员会审批公布。
2.署名要求:科研工作量计分标准中的各项,均要求将ABCDE学院作为署名单位。
3.论文字数:每篇论文字数3000字(含3000字)或两页以上(包括两页),获得该项全额科研分,每篇论文字数不达3000字或不达两页,获得该项半额科研分。
4.论文排名:凡二人合作论文按作者人数与次序分解计分,二人合作论文第一系数为0.7,排名第二系数为0.3,三人合作论文第一作者0.7,第二作者系数为0.2,第三作者系数为0.1,四人以上合作论文,第四作者及以后作者不计分。
5.教材:主编获得该项1/2科研分,副主编和参编按照贡献大小分割余下的1/2科研分。
6.集体科研成果:集体申报的科研立项,集体获得的科研成果,参与人的科研得分由项目负责人决定,同一科研成果获得多种奖励,按就高不就低的原则执行,不重复计分。
附件1:教学(科研)人员工作量考核量化积分办法为了建立激励机制,有效地调动全校教师的积极性,便于每年对各部门和个人进行量化考核,现对教学(科研)人员教学工作量、教师工作量和科技工作量考核实行量化积分,其量化积分标准如下:一、教学工作量量化积分教学质量的考核由各院(系)、教研室负责进行,教务处统一扎口,教学质量考核指标及等级标准另定。
二、教师工作量量化积分上述计分以项目为单位。
教务处按项目将分值发放到项目负责人,由项目负责人在项目参与人员中进行分配,分配的分值之和不得超过项目总分值。
三、科技工作量量化积分(一)科研立项项目计分以项目为单位,经费指当年到学校财务经费。
负责人的分值原则上不低于总分值的50%,项目组其他成员的分值由项目负责人根据实际承担工作量决定。
特殊情况由项目组与科技产业处另行商定。
(二)专利个人计分:排名第一为满分,排名第二按50%计分,以下排名按第二名计分再递减10%,递减完为止。
(三)科研成果获奖个人计分:排名第一为满分,排名第二按50%计分,以下排名按第二名计分再递减10%,递减完为止。
艺术类获奖等级二等奖按一等的60%计分,三等奖按一等的40%计分。
(四)科研项目鉴定或验收个人计分:排名第一为满分,排名第二按50%计分,以下排名按第二名计分再递减10%,递减完为止。
鉴定为省部级鉴定,其它级别适当相应递增或递减20%。
(五)发表论文计分为第一作者或责任者。
上述所称“国家一级权威期刊”以各文科院(系)推荐的、学术委员会讨论认定的《国家一级权威期刊》为准,“统计源期刊”、“国内核心期刊”以江南大学科技产业处2002年1月印发的《中国科技期刊投向指南》为准。
任何刊物的增刊及不在正常期号以内的特刊、专号一律视为一般刊物。
(六)出版专著计分为第一作者,第一作者外的其他作者按实际字数计分。
出版发行面很大时,酌情加分。
说明:年度考核时,由教学工作量化积分、教师工作量化积分与科技工作量化积分合计得出的分值即为每位教学科研人员的年度考核总积分G。
**************学院科研工作量考核与资助办法(修订)第一章总则第一条为强化科研意识,充分调动广大教职工的科研教研积极性、主动性与创造性,营造有利于优秀科研人才脱颖而出的制度环境,建设一支教学科研型教师队伍,促使学院的科研上水平、出效益,以质量兴校、科研强校,增强学院核心竞争力,同时为科研工作考核提供规范的考核评价依据,特制定本办法。
第二章考核对象和计分范围第二条本办法适用于学院在编的具有专业技术职称的教职工。
第三条考核对象为享受专业技术职务津贴的在编在职人员;当年退休及新进人员不参加考核。
第四条各类型专业技术人员按实际聘任职务进行考核。
第五条当年专业技术职称发生变化者,年度考核仍按变化前的专业技术职称所对应的科研工作量进行考核。
第六条各院系实验实训教师基本科研工作量,为同一职称级别专任教师基本科研工作量的70%,其具体人员由学院认定。
第七条兼课教师的基本科研工作量,为同一职称级别专任教师基本科研工作量的50%,其具体人员由学院认定。
第八条未兼课的专业技术人员的基本科研工作量,为同一职称级别专任教师基本科研工作量的20%。
第九条对本办法没有包含的特殊情况,学院将根据有关政策规定另行核算相应科研工作量。
第十条科研工作量的考核周期为三年,每年度进行科研工作量计分,作为绩效考核中科研目标考核等级的评判依据,考核的等级作为个人年度评优评奖依据之一。
第十一条以“***********学院”为第一完成单位的科研、教研成果,计分并资助;为第二及其以后完成单位的科研、教研成果,只计分,不资助;没有以“***********学院”为完成单位的,不计分。
其成果形式如下:1.国内外公开出版的学术著作(专著、编著、译著)、教材、工具书、科普读物等;2.国内学术期刊上发表的论文,刊登在中央和省级党报上的理论版文章;3.国外学术刊物上发表的论文;4.国际国内学术会议收录论文;5.各级各类科研、教研项目;6.专利、软件著作权;7.科研、教学成果奖励;8.各级文学、艺术类奖励;9.教育教学改革成果;10.学院认定的其它科研成果。
龙岩学院科研工作量考核办法(试行)为进一步健全我校科研评价体系,提高我校学术水平,调动广大教职工的科研积极性,结合我校科研工作现状,制订本办法。
第一条科研工作量定额标准一、专业技术人员年科研工作量定额如表一。
表一专业技术人员年科研工作量定额表二、超出定额部分的教学工作量可抵科研工作量,转换系数为:10节课=1个科研分。
第二条科研工作量计分办法一、列入科研工作量考核的项目内容科研工作量得分=科研立项分+科研成果分+科研获奖分+科技文化服务社会分其中:1、科研立项分:指有项目下达单位立项批文的纵向科研项目(含教学科研项目)和有经费进入学校账户的横向科研项目所获得的分值。
2、科研成果分:(1)理论成果分:学术论文、学术著作(专著、编著、译著、教材、校注、工具书、点校)所获得的分值。
通过项目管理)含教学科研成果()结题成果分:科研成果2(.部门鉴定、验收或评审(以证书、结题批文为准)所获得的分值。
(3)专利成果分:成果获得国家授权专利所获得的分值。
3、科研获奖分:指科研成果(含教学科研成果)获得政府奖、政府科技部门奖、政府教育部门奖、“6·18”奖、“11·18”奖所获得的分值。
4、科技文化服务社会分:(1)由学校层面统一组织或审批的科技文化服务社会工作(教学计划工作除外)所获得的分值。
(2)科研成果转让费进入学校账户所获得的分值。
二、列入科研工作量考核的项目内容具体计分办法(一)科研立项分具体计分办法如表二表二科研立项分计分办法2(二)科研成果分具体计分办法如表三科研成果分计分办法表三34说明:1、SCI、SSCI、EI、ISTP、ISSHP、A&HCI收录的论文以中国科技信息研究所、中国科学院文献情报中心、清华大学图书馆、厦门大学图书馆、福州大学图书馆所提供的信息为准。
对SCI收录的学术论文以中国科技信息研究所信息分析中心的数据为依据,按不同学科予以分区。
2、重点大学指“985工程”大学(三)科研获奖分具体计分办法如表四表四科研获奖分计分办法(四)科技文化服务社会分具体计分办法如表五表五科技文化服务社会工作计分办法5第三条科研工作量计算的其它有关规定一、列入科研工作量计分的项目和成果,必须以龙岩学院为署名单位。
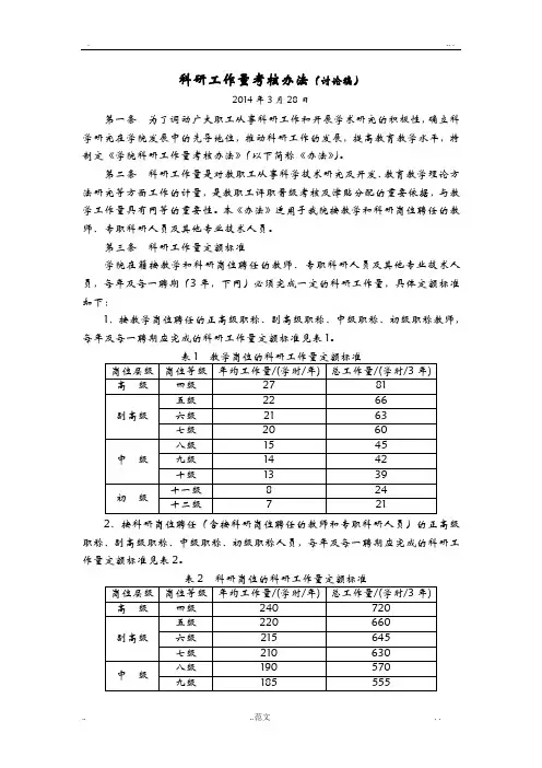
科研工作量考核办法(讨论稿)2014年3月28日第一条为了调动广大职工从事科研工作和开展学术研究的积极性,确立科学研究在学院发展中的先导地位,推动科研工作的发展,提高教育教学水平,特制定《学院科研工作量考核办法》(以下简称《办法》)。
第二条科研工作量是对教职工从事科学技术研究及开发、教育教学理论方法研究等方面工作的计量,是教职工评职晋级考核及津贴分配的重要依据,与教学工作量具有同等的重要性。
本《办法》适用于我院按教学和科研岗位聘任的教师、专职科研人员及其他专业技术人员。
第三条科研工作量定额标准学院在籍按教学和科研岗位聘任的教师、专职科研人员及其他专业技术人员,每年及每一聘期(3年,下同)必须完成一定的科研工作量,具体定额标准如下:1.按教学岗位聘任的正高级职称、副高级职称、中级职称、初级职称教师,每年及每一聘期应完成的科研工作量定额标准见表1。
2.按科研岗位聘任(含按科研岗位聘任的教师和专职科研人员)的正高级职称、副高级职称、中级职称、初级职称人员,每年及每一聘期应完成的科研工作量定额标准见表2。
3.在重点实验室等科研机构主要从事实验室维护与管理,且按专业技术岗位聘任的正高级职称、副高级职称、中级职称人员,每年及每一聘期应完成的科研工作量定额标准见表3。
4. 除专职科研人员和科研机构主要从事实验室维护与管理的专业技术人员外,其他按专业技术岗位聘任的正高级职称、副高级职称、中级职称的专业技术人员,每年及每一聘期应完成的科研工作量定额标准见表4。
5.从事体育、艺术、外语教学的教师,减免20%的科研工作量;主要从事行政工作而按专业技术岗位聘任的人员,应完成相应专业技术岗位科研工作量定额的一半。
6. 职工正常连续休产假、病假等,每满一月(按30天计),减免其相应科研工作量的1/10。
7. 凡为本学院科研平台建设、学科建设、专业建设等做出突出贡献,需要减免科研工作量的,由各部门向学院科研处提出申请,报学院审批。
科研工作量计算办法第一章总则第一条为鼓励广大教师积极从事科研工作,充分展现教师科研工作成果,结合我院实际情况,特制订本办法。
第二条科研工作量是指我院专业技术人员在年度内从事科学研究的量化指标,以课时为核算单位。
科研工作量折合课时主要以科研项目的级别、科研成果的质量等为考量因素以及其他认可的科研工作等。
第三条科研工作量计算按成果类别和级别确定,并以校企合作应用技术研发成果、职业教育研究成果为重点,旨在引导广大专业技术人员广泛参与,不断提高研究水平和服务社会的能力。
第四条科研工作量计算统计实行校院二级备案制,实行由个人填报——二级部门登记、审核、二级部门内部公示——科技处抽查、复核——全院公示——科技处和二级部门备案。
第二章科研工作量额定标准第五条科研工作量的计算所得课时之总和,即为个人年度科研工总工作量,等同于教学课时。
每位专业技术人员在任职期间科研工作量按年度统计,专业技术任期内各年度科研工作量可累计计算。
第六条科研工作量额定标准既每位专业技术人员年度内的基本工作量。
各级各类具有专业技术职务人员年度额定科研工作量标准见表1。
表1:专业技术人员(含主、副系列)年度额定科研工作量标准不同岗位的专业技术人员,在折合科研工作量时,可按以下对应系数折算。
表2:不同工作岗位系数,对应为:第三章科研工作量计算标准与范围第七条凡我院专业技术人员完成的并以“青岛职业技术学院”为署名单位、按《青岛职业技术学院科研项目管理办法》进行登记、备案、经确认不存在争议的科研工作,计算科研工作量。
第八条学院科研成果管理办法中规定的科研工作及成果包括论文(作品)研究项目、著作、应用技术研发、学术科普报告、知识产权和音乐、文学、艺术等七大类(详见学院科研成果管理办法),每一级成果均计算科研工作量,具体标准如下表:(一)项目(课题)类。
项目是指独立承担或以第一单位为青岛职业技术学院承担的科研项目,科研项目获得立项(以批文为准),按表3计算工作量。
科研工作量量化管理暂行办法为加强科研工作管理,完善科研激励机制,提高学院科研水平,积极构建主动适应社会经济发展和教育教学改革需要的科研管理机制,逐步形成有利于优秀人才脱颖而出,有利于优秀人才发挥作用的科学评价体系,全面推动学院科研工作、学科建设、专业建设、课程建设、教师队伍建设、人才培养工作的健康发展。
特制定本办法。
一、科研工作量的计分范围1. 公幵出版的着作教材;2. 公幵发表的学术论文:3. 立项的教研科研课题:4. 获奖的教研科研课题;5. 通过鉴定的科研成果;6. 教学建设与专业建设成果;7. 获得国家批准的发明专利;8. 各级各类的科研成果转化:二、科研工作量的计分标准(一)着作类计分标准(二)论文类计分标准注:港澳台期刊则参照大陆标准执行(三)立项课题的计分标准(同一课题立项占总分的1/4,通过鉴定或结题占总分的3/4,本表列出的是总分,计分则按课题当时所处实际情况进行)四)获奖科研成果的计分标准(五)教学建设与专业建设成果(六)获得国家专利的计分标准(七)成果转让的计分标准1 •申报程序:由本人申报,学院科研处审核认定,经学院学术委员会审批公 布。
研 作 的 分科工 量 计 办2 •署名要求:科研工作量计分标准中的各项,均要求将ABCD学院作为署名单位3.论文字数:每篇论文字数3000字(含3000字)或两页以上(包括两页),获得该项全额科研分,每篇论文字数不达3000字或不达两页,获得该项半额科研分。
4.论文排名:凡二人合作论文按作者人数与次序分解计分,二人合作论文第一系数为,排名第二系数为,三人合作论文第一作者,第二作者系数为,第三作者系数为,四人以上合作论文,第四作者及以后作者不计分。
5.教材:主编获得该项1/2 科研分,副主编和参编按照贡献大小分割余下的1/2 科研分。
6.集体科研成果:集体申报的科研立项,集体获得的科研成果,参与人的科研得分由项目负责人决定,同一科研成果获得多种奖励,按就高不就低的原则执行,不重复计分。
科研工作量化考评办法中共泰安市委党校泰安市行政学院泰安市社会主义学院网站·(2008-2-10 16:48:56)·科研制度为进一步调动教研人员科研工作的积极性,鼓励多出高质量的优秀科研成果,推动全市党校系统科研工作上水平,根据我校的相关规定和以往实施考核的情况,参照上级党校的考核标准,特制定本项考评办法。
一、考核评比对象本办法的适用范围为全校教职工,考核对象为全体专兼职教师,评比对象为全校各部、处、室、院和各县市区委党校。
二、量化打分标准(一)课题(调研报告)类1.主要范围和得分:2.课题(调研报告)必须是立项并完成后(以办理完鉴定手续为准)方可计分;3.两人联合主持的课题,按6:4的比例计分;4.课题总执笔人明确的,其总分从负责人总得分中扣减2/5计;5.有子课题的,其主持人得分按一位参与人员得分的2倍计;6.鉴定为优秀的,增计30%的得分;7.被同级党委政府领导批示、批办或采纳的,分别增计20%、50%、100%得分;8.公开出版和发表的,再按著作或论文分别计分。
9.经学校同意主持、参与校外的课题或非立项调研报告的,按同级别50%计分。
(二)著作类1.范围和得分:2.作者或主编为多人的,两人按6:4、三人按5:3:2计分;3.参编其中一章及以上的计20分。
(三)论文类1.主要范围和得分2.《新华文摘》论点摘编、《人大复印资料》、《报刊文摘》、《文摘报》等同类报刊转载或摘编的增计50分,收目增计10分;3.增刊、论文集按相应级别得分的50%计分;4.合作论文只计前三位,按相应级别得分的6:4或6:3:1计分;5.同一篇文章只计最高分;6.大专体制院校或副厅级单位主办的公开刊物视为市级刊物;7.在人民网、新华网、光明网、文明网和大众网非公告版上发表或转载的,且在2000字以上方计分;被数十家网站转载的,可按高一级别计分;被省级及以上报刊转载的,可按相应级别报刊计分;8.除规定的范围外,在其他报刊、网络上发表的论文一律不计分。
南通纺织职业技术学院教职工科研工作量计算与考核办法(修订稿)为了加强对各分院(部)科研工作的考核,充分调动专业技术人员科研工作的积极性,提高学校科研工作水平,促进学校事业的发展,根据学校两级管理体制、人事分配制度改革要求和《岗位设置、聘用和考核工作实施办法》、《教职工绩效工资实施办法》等相关文件规定,特制定本办法。
一、科研工作考核内容1.纵向项目(课题):是指列入学校科技处、教务处,各级政府、政府部门、相关团体学会、行业协会的科研项目和教育教学研究项目。
2.横向项目:是以经学校批准、并以学校名义对外签订合同,且经费进入学校财务科研经费账户的技术开发、技术转让、技术咨询、技术服务等项目 (不包括经营性、生产性等服务项目)。
3.教学建设与改革项目:是指列入学校教务处、市级及市级以上政府、政府教育主管部门的计划项目。
教学建设与改革项目主要指专业、课程、实践教学基地、教材、教学方法和手段、大学生实践创新项目等建设与改革的项目。
4.科研成果:是指有“南通纺织职业技术学院”署名的科研成果。
具体包括:列入政府或行政职能部门成果奖励计划的科技、教科研、教学成果奖,授权专利,公开发表的论文,列入市级及以上政府或行政计划奖励的论文(不包括各类不具有政府或行政职能的部门、社团组织或协会等所评奖的文章),正式出版的专著、译著和教材等。
5.技能(科技、教学)大赛、参展获奖:是指由政府或行政职能部门(包括列入政府管理的社团组织、行业或专业协会)组织,列入学校科技处、教务处和其它相关职能部门比赛、参赛计划,并经主管校领导批准的各类比赛。
二、科研工作量计算(一)科研工作量基础分值2.教学建设与改革项目3.科研成果(2)科研成果奖(3)专利成果4.技能(科技、教学)大赛及参展获奖(二)相关权重系数5.技能、教学大赛,参展获奖等级系数6.科技成果奖等级系数7.大赛获奖参赛范围系数8.大赛获奖角色系数(三)科研工作量分配计算公式 1.科研工作量分配计算公式: 纵向项目:=F 排名系数和排名系数经费折算系数经费额项目等级系数基础分值/)2(⨯⨯⨯+⨯∑教学改革与建设项目:=F 排名系数和排名系数项目等级系数基础分值/)(⨯⨯∑横向项目:=F 排名系数和排名系数经费额基础分值/)(⨯⨯∑2.论文、著作、专利成果积分计算公式: =F 排名系数和排名系数基础分值/)(⨯∑ 3.科技、教学成果奖积分计算公式:∑⨯⨯=./)(排名系数和排名系数成果等级系数基础分值F 4.大赛获奖积分计算公式:∑⨯⨯⨯⨯=./)(排名系数和角色系数排名系数范围系数成果等级系数基础分值F三、有关说明1.凡在我校立项或以我校名义(含我校列为主持或合作单位)获准立项的各级、各类项目,一律以立项书(或正式立项通知,如有资助经费须汇入学校科研账户)和设立专项经费卡后才认定。
科研工作量化考核办法(试行)为推动学科建设和师资队伍建设,进一步完善科研工作激励与约束机制,结合我校实际,特制定本办法:一、考核对象1、单位考核对象各二级学院(含民族教育学院一、二分院)及基础教学部。
2、个人考核对象各二级学院和基础教学部教学岗人员。
教学岗人员包含专职教师、教学行政岗和实验实训岗人员。
二、考核层次学校执行对单位考核对象的考核,二级学院和基础教学部执行对个人考核对象的考核。
三、个人考核对象参考科研工作量1、计算公式个人考核对象参考科研工作量=(参考基本工作量+学位附加参考工作量)×岗位系数,其中A、B类分数分别计算。
A类分可按1:1的比例代替B类分,B类分按照的比例可换算成A类分。
2、参考基本工作量表一:个人参考基本工作量(分/年)3、学位附加参考工作量表二:学位附加参考工作量(分/年)4、岗位系数表三:岗位系数四、单位考核对象科研工作量指标单位考核对象科研工作量指标=∑个人考核对象参考科研工作量×年度完成比例系数。
即依据每年3月1日各二级学院(含民族教育学院一、二分院)和基础教学部在编教学岗职工情况,将个人年度参考科研工作量进行累加,然后再乘以完成比例系数,即为各单位年度科研工作量指标。
年度完成比例系数由校务委员会授权教学科研管理委员会确定。
五、单位考核措施1、设立科研量化考核专项基金设立科研量化考核专项基金,列入科研和教学改革年度预算。
2、二级单位科研量化考核专项基金下达数二级单位科研量化考核专项基金下达数=年度教学经费(除去兼职人员课酬)×(考核基金与教学经费比I+考核基金与教学经费比II)。
3、年度教学经费已纳入校院二级考核体系的二级单位,年度教学经费是两个学期学校下达的教学经费总和;未纳入校院二级考核体系的二级单位,年度教学经费是两个学期实际教学经费总和。
4、考核基金与教学经费比I和II表四:考核基金与教学经费比例5、二级单位科研量化考核专项基金分配二级单位获得的科研量化考核专项基金进入二级单位教学科研总经费进行二次分配。
工作量通南中专教科研工作量考核办法工作量通南中专教科研工作量考核办法:一、考核原则根据教科研工作的重要性和难度,以及教师的实际工作表现,综合考虑教师的教学工作量、科研成果、科研项目等因素进行综合评价,确定教科研工作量。
二、考核内容1. 教学工作量考核根据教师的教学任务,包括教学课程数量、授课学时、教研活动参与等因素,进行教学工作量考核。
教学任务的完成情况、课堂教学质量和学生评价等也是考核的重要因素。
2. 科研成果考核根据教师的科研成果,包括发表论文、申请专利、参与科研项目等因素进行科研成果考核。
科研成果的数量和质量,以及对学校和行业的影响力等也是考核的重要因素。
3. 科研项目考核根据教师参与的科研项目数量、研究经费获取情况、项目成果等因素进行科研项目考核。
项目的实施情况、经费使用情况和项目成果的实际运用情况也是考核的重要因素。
三、考核标准根据教师的教学经验和能力、科研实力和职称等级进行综合评价,确定考核标准。
教师根据标准分别进行评估,得出综合评价结果。
四、考核结果利用根据考核结果,及时给予表扬和奖励,鼓励教师积极参与教科研工作,提高教育科研水平。
同时,针对存在的问题和不足,提出改进措施和建议,帮助教师提升工作能力。
五、考核周期和频次考核周期一般设置为一学年,每学年根据考核的需要进行一次综合考核评价。
同时,根据需要也可进行临时性考核,例如教师参与的重大科研项目的中期评估等。
以上是对工作量通南中专教科研工作量考核办法的一个简要说明,具体实施方案需根据学校的实际情况和需要进行进一步规定和完善。
江汉大学科研工作量考核办法(草案)第一章总则第一条为调动和爱护专业技术人员从事科研工作和开展学术研究的积极性,客观公平地评判考核专业技术人员科研工作,依照我校的具体情形,制定本方法。
第二条本方法所指科研工作包括科研项目、科研成果以及学校科研主管部门认定应运算科研工作量的其他活动,专业技术人员科研工作量为以上各部分工作量之和。
第三条科研工作量考核是我校专业技术人员考核、评聘体系的一个重要组成部分。
第四条本方法适用于学校各类专业技术岗位聘任人员。
第二章工作量考核标准第五条科研项目依照项目类别、项目层次、到校经费按以下标准计分。
:(一)纵向科研项目分S11、自然与技术科学类:S=40×科研项目合同经费×K×P/项目研究年度(项1目经费以万元为单位;K为项目层次系数,P为成员分配系数,下同);2、人文社会科学类(含教研项目):S=80×科研项目合同经费×K×P/项目1研究年度;3、国家级、省级、市级指导项目S1分别按100×P/项目研究年度、40×P/项目研究年度、20×P/项目研究年度计。
表一:纵向科研项目层次系数:(二)横向科研项目分S21、自然与技术科学类:S=30×实到科研项目经费×K×P/项目研究年度;2=60×实到科研项目经费×K×P/项目2、人文社会科学类(含教研项目):S2研究年度。
表二:横向科研项目层次系数(三)合作科研项目、协作科研项目分S3:按科研项目级别、本校专业技术人员的具体作用所对应分值的80%运算。
第六条科研成果依照成果层次、类别和社会、经济效益核定分值。
(一)公布发表论文分S4依照所发期刊类别按表三标准计:表三:公布发表论文计分标准(二)学术著作分S5按表四标准计:表四:学术著作计分标准(三)知识产权分S6按表五标准计:表五:知识产权计分标准(四)科研成果(含教研成果)获奖分S7按表六标准计;(五)成果推广与转让分S8依照实际上缴学校利润按80分×P /万元计;(六)成果被公布发行期刊评介(1000字以上)分S9,按20分×P /次计;(七)咨询、调研报告,被学校或各级政府采纳分S10按表七标准计。
辽宁工程技术大学
教师科研工作量考核办法(修订)
为调动广大教师从事科研工作的积极性,鼓励教师认真履行岗位职责,不断提高学术水平,保证我校科研任务的顺利完成,同时也为了定量考核教师完成的科研工作量,结合我校实际,制定本办法。
技术与经济学院、职业技术学院结合自身情况,制定教师科研工作量考核办法,报科技产业处备案。
教师科研工作量按照教师职称、所从事的具体工作进行定量考核,各类教师年完成科研工作量标准,参照表1。
表1 教师年完成的科研工作量记分标准(分/人)职别教授副教授讲师助教
研究所教师
专业课教师
基础课教师
哲学社会科学教师300
150
100
80
150
100
60
50
80
40
30
25
30
对于未完成科研工作量的教师,年终考核不能评优。
科研工作量的考核内容包括九项指标:(1)科研经费;(2)发表论文;(3)出版专著;(4)学术交流;(5)科研获奖项目;(6)科研完成项目;(7)获取专利;(8)科技成
果转让、产业化;(9)纵向项目申报。
科研工作量的总积分按下式得出:
T=(A+B+C+D+E+F+G+H+I)
式中 A——科研经费总积分数
B——发表论文总积分数
C——出版专著总积分数
D——学术交流总积分数
E——科研获奖总积分数
F——完成项目总积分数
G——获取专利总积分数
H——科技成果转让、产业化总积分数
I——纵向项目申报总积分数
一、科研经费总积分数(A)的计算方法
科研经费指本年度新进的科研经费,共分为四类,分别是:1)国家级项目经费;2)省(部)级项目经费;3)市(厅)级项目及各类横向项目经费;4)校基金项目经费。
科研经费总积分数(A)为以上各类经费总积分数之和,记分标准参照表2。
表2 科研经费记分标准(分/万元)
注:纵向项目可按内部合同或组内协商分配的办法核计每个成员的经费计分,并立项时上报科技产业处备案。
横向项目可按内部合同分配经费,有经费到校时,报科技产业处备案。
二、发表论文总积分数(B)为发表论文的积分之和,记分标准参照表3
表3 发表论文记分标准(分/篇)
注:1、对于被SCI、EI、ISTP三大检索收录的论文,按上表记分值分别乘以1.5、1.0、0.5的系数追加分;
2、论文记分只记第一作者,如第一作者为学生,第二作者为该生的导师,导师可视为
第一作者记分。
三、出版著作总积分数(C)为出版各类著作的积分数之和,记分标准参照表4。
表4 出版著作记分标准(分/万字)
四、学术交流活动总积分(D)为学术交流活动积分之和
所有学术交流活动均需在科技产业处登记备案。
面向全校做学术报告每人每次记10分;面向院系的学术报告每人每次记4分;参加国际学术机构组织召开的国际会议每人每次记40分,参加地区或单位组织召开的国际会议每人每次记20分。
参加全国性学术会议每人每次记1分。
五、科研获奖总积分数(E)的计算方法
科技奖励级别分三类,分别为国家级科技奖励、省(部)级科技奖励、市(厅)级科技奖励。
E为各类奖励的总积分数之和,记分标准参照表5、6。
表5 科研成果获奖项目记分标准(分/项)
注:1.一项成果多项获奖仅记最高分;
2.对于获奖人员的有效数目,按不同奖励等级等额内有效,记分比例参照表6;
3.论文奖励按同级奖励的50%记分;
4.教学成果奖比照同级科技进步奖记分。
表6 获奖名单序列各名次分值系数表
注: 1、获奖人数小于本表所列人数,换算分值由项目组内部协商确定。
2、获校级科研团队,分值系数计算标准由本学术团队负责人自行分配。
六、完成项目总积分数(F)计算方法
完成的项目必须是在校科技产业处立项,而且通过鉴定(验收)并已在科技产业处登记的科研项目。
共分为三类,分别为国家级鉴定(验收)的项目、省(部)级鉴定(验收)的项目、市(厅)级鉴定(验收)的项目。
F为各类完成项目的总积分之和,完成项目的记分标准参照表7。
表7 完成项目记分标准(分/项)
注:1.通过鉴定(验收)的成果,对于完成人记分比例参见表6;
2.对于仅完成结题报告没有鉴定水平的国家级及省(部)级基金项目,根据项目级别按国内领先水平记分;
3.横向课题验收不计分;
4.教学研究成果与同级科研成果等同对待。
七、批准的专利总积分数(F)的计算方法
以我校名义申请的职务发明专利,包括发明专利、实用新型专利、外观设计专利,且被中国专利局授予专利权的项目,记分标准参照表8,计算其总积分数。
表8 职务发明专利的记分标准(分/项)
注:对于完成人记分比例参见表6。
八、科技成果转让
按转让经费额记分,科技成果产业化项目按学校提成经费记分,每万元记20分,总积分数为H。
九、纵向项目申报记分标准(I)
按照项目类别分成三类,包括国家级基金项目、省部级基金项目、校级基金项目,且经审查合格者,具体记分方法见表9。
表9 纵向项目申报记分标准(分/项)
本办法自校长办公会通过之日起施行。
原《辽宁工程技术大学科研工作量考核办法》届时废止。