9.5.6-3三级动火安全技术措施方案
- 格式:doc
- 大小:94.50 KB
- 文档页数:8
徐州市丰县融耀新城二期C12#楼动火安全技术措施方案编制:审核:批准:南通宏华融耀新城二期C12#楼项目部2017年10月日动火安全技术措施方案为了预防火灾和爆炸,重要的是对危险物质和点火源进行严格管理。
(一)引起火灾爆炸的点火源在建筑施工过程中,引起火灾爆炸的点火源主要有:1.明火。
如火炉、喷灯、火柴、锅炉房或食堂烟筒或烟道喷出火星,2.电火花。
如高压电的火花放电、短路和开闭电闸时的弧光放电、接点上的微弱火花等。
3.电焊、气焊和气割的焊渣。
(二)预防火灾的措施施工现场合理的平面布置时达到安全防火要求的重要措施之一。
工程技术人员在编制施工组织设计或施工方案时。
必须综合考虑防火要求、建筑物的性质、施工现场的周围环境等因素。
进行施工现场的平面布置设计时应注意以下几点。
①要明确划分出禁火作业区(易燃、可燃材料的堆放场地)、仓库区(易燃废料的堆放区)和现场的生活区。
各区域之间要按规定保持防火安全距离:②禁火作业区距离生活区不小于15M。
距离其他区域不小于25M.③易燃、可燃材料堆料场记仓库与在建工程和其他区域的距离应不小于20M。
④易燃的废品集中场地与在建工程和其他区域的距离应不小于30M.⑤防火间距内,不应堆放易燃和可燃材料。
(三)在一、二级动火区域施工,施工单位必须认真遵守消防法律法规,建立防火安全规章制度。
在生产或者贮存易燃易爆品德场区施工,施工单位应当与相关单位建立动火信息通报制度,自觉遵守相关单位消防管理制度,共同防范火灾。
在施工现场禁火区域内施工,动火作业前必须申请办理动火证,动火证必须注明动火地点、动火时间、动火人、现场监护人、批准人和防火措施。
动火证由安全生产管理部门负责管理,施工现场动火证的审批工作由工程项目负责人组织办理。
动火作业没经过审批的,一律不得实施动火作业。
对易引起火灾的仓库,应将库房内、外按500㎡的区域分段设立防火墙,把建筑平面划分为若干个防火单元。
贮量大的易燃仓库,仓库应设立两个以上的大门,大门应向处开启。
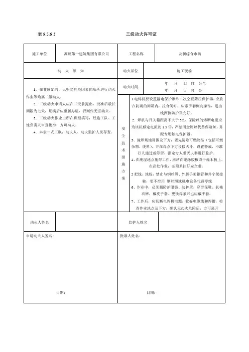
表9.5.6-3 三级动火许可证
施工单位苏州第一建筑集团有限公司工程名称友新综合市场动火须知动火部位施工现场
1.在非固定的,无明显危险因素的场所进行动火作业等均属三级动火。
2.三级动火申请人应在三天前提出,批准后最长期限为七天,期满后应重新办证,否则作无证动火。
3.三级动火作业由所在班组填写,经施工队、工地负责人审查批准,方可动火。
4.本表一式三联:动火人、动火监护人及存查。
动火时间
年月日时分至
年月日时分
安
全
技
术
措
施
方
案
1.电焊机要设置漏电保护器和二次空载降压保护器,应放
在防雨的闸箱内,拉合闸时,应带手套侧向操作,进出
线两侧防护罩完好。
2.焊机与开关箱距离不大于3m,保险丝的熔断电流应
为该机额定电流的1.5倍,严禁用金属丝代替保险丝。
并
配专用触电保护器。
3、施焊场地周围及下方,要先清除可燃物品(包括可燃
杂物、废料),并在焊点下方设接火斗,设置警戒,不准行人通过或停留,指定专人带灭火器进行监护。
4、在潮湿地点施焊工作,应站在绝缘胶板或干燥木板上。
在高处作业,必须系挂好安全带。
5把线、地线,禁止与钢丝绳、外脚手架钢管和井字架接触,更不准用钢丝绳或机电设备代替零线
6、作业中,必须戴防护眼镜、防护罩,穿劳保鞋、长袖
衣裤,戴皮手套。
更换焊条时也应戴手套。
7、工作后,应切断电焊机电源,收好电缆线和焊钳,检
查作业地点及下方,确认无起火危险后,方可离开
动火人姓名监护人姓名
申请动火人签名:
日期:批准人姓名:
日期:。
三级动火安全技术措施方案1.引言动火作为一项危险性很高的作业活动,需要严格的管理和技术措施来确保工作场所和工作人员的安全。
本文将提出一个三级动火安全技术措施方案,旨在通过采取一系列措施来预防和控制动火作业中可能发生的事故,保护工作人员和设备的安全。
(1)预防措施:-定期进行动火作业的风险评估,评估工作范围、环境条件、作业人员技能等因素,确定风险等级。
-制定详细的动火作业计划,包括作业内容、作业时间、作业地点等信息,并详细记录。
-按照相关法规和标准,采取适当的技术和管理措施,减少火灾的发生概率。
例如,设备定期检查、清洁和维护,定期检查火灾报警装置的工作情况等。
-加强对作业人员的安全培训,确保他们能够正确使用防护设备、应急设施,并了解相关的安全操作规程。
(2)应急预案:-配备合适的灭火器材和应急装备,为作业人员提供充足的个人防护装备,以防止可能发生的事故。
(3)火源控制:-对动火作业现场进行周边区域的隔离和标识,确保其他人员不要进入危险区域。
-严格控制火源,避免在易燃、易爆或有毒气体环境中进行动火作业。
-在作业前,使用防火布或耐火胶带覆盖易燃物质,防止引燃其他物质。
(4)防火安全措施:-在动火作业现场周围设置足够的消防器材和设施,如灭火器、消火栓、喷水泡沫、灭火水源等。
-使用防火材料对现场进行隔离,例如悬挂耐火幕布、铺设耐火板等。
-检查和维护火灾报警装置,确保其能够正常工作。
-做好动火现场的通风工作,以保证空气流通和放散有害气体。
-作业结束后要进行彻底的清理,清除作业现场上可能残留的易燃物质。
3.结论动火作为一项危险性很高的作业活动,必须采取一系列的措施来保证工作场所和工作人员的安全。
通过制定详细的动火作业计划、建立应急预案、严格控制火源和采取防火安全措施,可以最大程度地预防和控制火灾事故的发生。
这个三级动火安全技术措施方案提供了一种有效的方法来保护工作人员和设备的安全,减少火灾事故的风险。
同时,还需要定期评估和改进方案,以适应现实情况的变化,确保安全措施的有效性。
徐州市丰县融耀新城二期C12#楼动火安全技术措施方案编制:审核:批准:南通宏华融耀新城二期C12#楼项目部2017年10月日动火安全技术措施方案为了预防火灾和爆炸,重要的是对危险物质和点火源进行严格管理。
(一)引起火灾爆炸的点火源在建筑施工过程中,引起火灾爆炸的点火源主要有:1.明火。
如火炉、喷灯、火柴、锅炉房或食堂烟筒或烟道喷出火星,2.电火花。
如高压电的火花放电、短路和开闭电闸时的弧光放电、接点上的微弱火花等。
3.电焊、气焊和气割的焊渣。
(二)预防火灾的措施施工现场合理的平面布置时达到安全防火要求的重要措施之一。
工程技术人员在编制施工组织设计或施工方案时。
必须综合考虑防火要求、建筑物的性质、施工现场的周围环境等因素。
进行施工现场的平面布置设计时应注意以下几点。
①要明确划分出禁火作业区(易燃、可燃材料的堆放场地)、仓库区(易燃废料的堆放区)和现场的生活区。
各区域之间要按规定保持防火安全距离:②禁火作业区距离生活区不小于15M。
距离其他区域不小于25M.③易燃、可燃材料堆料场记仓库与在建工程和其他区域的距离应不小于20M。
④易燃的废品集中场地与在建工程和其他区域的距离应不小于30M.⑤防火间距内,不应堆放易燃和可燃材料。
(三)在一、二级动火区域施工,施工单位必须认真遵守消防法律法规,建立防火安全规章制度。
在生产或者贮存易燃易爆品德场区施工,施工单位应当与相关单位建立动火信息通报制度,自觉遵守相关单位消防管理制度,共同防范火灾。
在施工现场禁火区域内施工,动火作业前必须申请办理动火证,动火证必须注明动火地点、动火时间、动火人、现场监护人、批准人和防火措施。
动火证由安全生产管理部门负责管理,施工现场动火证的审批工作由工程项目负责人组织办理。
动火作业没经过审批的,一律不得实施动火作业。
对易引起火灾的仓库,应将库房内、外按500㎡的区域分段设立防火墙,把建筑平面划分为若干个防火单元。
贮量大的易燃仓库,仓库应设立两个以上的大门,大门应向处开启。
市丰县融耀新城二期C12#楼动火安全技术措施方案编制:审核:批准:宏华融耀新城二期C12#楼项目部2017年10月日动火安全技术措施方案为了预防火灾和爆炸,重要的是对危险物质和点火源进行严格管理。
(一)引起火灾爆炸的点火源在建筑施工过程中,引起火灾爆炸的点火源主要有:1.明火。
如火炉、喷灯、火柴、锅炉房或食堂烟筒或烟道喷出火星,2.电火花。
如高压电的火花放电、短路和开闭电闸时的弧光放电、接点上的微弱火花等。
3.电焊、气焊和气割的焊渣。
(二)预防火灾的措施施工现场合理的平面布置时达到安全防火要求的重要措施之一。
工程技术人员在编制施工组织设计或施工方案时。
必须综合考虑防火要求、建筑物的性质、施工现场的周围环境等因素。
进行施工现场的平面布置设计时应注意以下几点。
①要明确划分出禁火作业区(易燃、可燃材料的堆放场地)、仓库区(易燃废料的堆放区)和现场的生活区。
各区域之间要按规定保持防火安全距离:②禁火作业区距离生活区不小于15M。
距离其他区域不小于25M.③易燃、可燃材料堆料场记仓库与在建工程和其他区域的距离应不小于20M。
④易燃的废品集中场地与在建工程和其他区域的距离应不小于30M.⑤防火间距,不应堆放易燃和可燃材料。
(三)在一、二级动火区域施工,施工单位必须认真遵守消防法律法规,建立防火安全规章制度。
在生产或者贮存易燃易爆品德场区施工,施工单位应当与相关单位建立动火信息通报制度,自觉遵守相关单位消防管理制度,共同防火灾。
在施工现场禁火区域施工,动火作业前必须申请办理动火证,动火证必须注明动火地点、动火时间、动火人、现场监护人、批准人和防火措施。
动火证由安全生产管理部门负责管理,施工现场动火证的审批工作由工程项目负责人组织办理。
动火作业没经过审批的,一律不得实施动火作业。
对易引起火灾的仓库,应将库房、外按500㎡的区域分段设立防火墙,把建筑平面划分为若干个防火单元。
贮量大的易燃仓库,仓库应设立两个以上的大门,大门应向处开启。
三级动火安全技术措施为了预防火灾和爆炸,重要的是对危险物质和点火源进行严格管理。
(一)引起火灾爆炸的点火源在建筑施工过程中,引起火灾爆炸的点火源主要有:1.明火。
如火炉、喷灯、火柴、锅炉房或食堂烟筒或烟道喷出火星,2.电火花。
如高压电的火花放电、短路和开闭电闸时的弧光放电、接点上的微弱火花等。
3.电焊、气焊和气割的焊渣。
(二)预防火灾的措施施工现场合理的平面布置时达到安全防火要求的重要措施之一。
工程技术人员在编制施工组织设计或施工方案时。
必须综合考虑防火要求、建筑物的性质、施工现场的周围环境等因素。
进行施工现场的平面布置设计时应注意以下几点。
①要明确划分出禁火作业区(易燃、可燃材料的堆放场地)、仓库区(易燃废料的堆放区)和现场的生活区。
各区域之间要按规定保持防火安全距离:②禁火作业区距离生活区不小于15M。
距离其他区域不小于25M.③易燃、可燃材料堆料场记仓库与在建工程和其他区域的距离应不小于20M。
④易燃的废品集中场地与在建工程和其他区域的距离应不小于30M.⑤防火间距内,不应堆放易燃和可燃材料。
(三)在一、二级动火区域施工,施工单位必须认真遵守消防法律法规,建立防火安全规章制度。
在生产或者贮存易燃易爆品德场区施工,施工单位应当与相关单位建立动火信息通报制度,自觉遵守相关单位消防管理制度,共同防范火灾。
在施工现场禁火区域内施工,动火作业前必须申请办理动火证,动火证必须注明动火地点、动火时间、动火人、现场监护人、批准人和防火措施。
动火证由安全生产管理部门负责管理,施工现场动火证的审批工作由工程项目负责人组织办理。
动火作业没经过审批的,一律不得实施动火作业。
对易引起火灾的仓库,应将库房内、外按500㎡的区域分段设立防火墙,把建筑平面划分为若干个防火单元。
贮量大的易燃仓库,仓库应设立两个以上的大门,大门应向处开启。
固体易燃物品应当与易燃易爆的液体分间存放,不得在一个仓库内混合贮存不同性质的物品。
仓库应设在下风方向,保证消防水源充足和消防车辆通道的畅通。
徐州市丰县融耀新城二期C12#楼动火安全技术措施方案编制:审核:批准:南通宏华融耀新城二期C12#楼项目部2017年10月日动火安全技术措施方案为了预防火灾和爆炸,重要的是对危险物质和点火源进行严格管理。
(一)引起火灾爆炸的点火源在建筑施工过程中,引起火灾爆炸的点火源主要有:1.明火。
如火炉、喷灯、火柴、锅炉房或食堂烟筒或烟道喷出火星,2.电火花。
如高压电的火花放电、短路和开闭电闸时的弧光放电、接点上的微弱火花等。
3.电焊、气焊和气割的焊渣。
(二)预防火灾的措施施工现场合理的平面布置时达到安全防火要求的重要措施之一。
工程技术人员在编制施工组织设计或施工方案时。
必须综合考虑防火要求、建筑物的性质、施工现场的周围环境等因素。
进行施工现场的平面布置设计时应注意以下几点。
①要明确划分出禁火作业区(易燃、可燃材料的堆放场地)、仓库区(易燃废料的堆放区)和现场的生活区。
各区域之间要按规定保持防火安全距离:②禁火作业区距离生活区不小于15M。
距离其他区域不小于25M.③易燃、可燃材料堆料场记仓库与在建工程和其他区域的距离应不小于20M。
④易燃的废品集中场地与在建工程和其他区域的距离应不小于30M.⑤防火间距内,不应堆放易燃和可燃材料。
(三)在一、二级动火区域施工,施工单位必须认真遵守消防法律法规,建立防火安全规章制度。
在生产或者贮存易燃易爆品德场区施工,施工单位应当与相关单位建立动火信息通报制度,自觉遵守相关单位消防管理制度,共同防范火灾。
在施工现场禁火区域内施工,动火作业前必须申请办理动火证,动火证必须注明动火地点、动火时间、动火人、现场监护人、批准人和防火措施。
动火证由安全生产管理部门负责管理,施工现场动火证的审批工作由工程项目负责人组织办理。
动火作业没经过审批的,一律不得实施动火作业。
对易引起火灾的仓库,应将库房内、外按500㎡的区域分段设立防火墙,把建筑平面划分为若干个防火单元。
贮量大的易燃仓库,仓库应设立两个以上的大门,大门应向处开启。
三级动火安全施工方案一、项目背景和目的动火作业是指使用明火或者产生高温的设备进行工作的一种施工行为。
它在施工过程中有着重要的作用,但也存在一定的安全风险,如果不加以控制和管理,很容易发生火灾事故。
因此,制定一套科学合理的动火安全施工方案,对于确保施工过程的安全,防止火灾事故的发生具有重要意义。
二、负责人和责任1.认真学习动火安全知识,熟悉操作规程,并定期对施工人员进行培训以提高其动火安全意识。
2.制定合理的动火安全控制措施,并与相关单位和人员进行通报和培训,确保每一个参与动火作业的人员都具备相应的安全意识和工作能力。
3.对动火作业过程进行全程监控,并定期对安全控制措施进行评估和总结,及时提出改进意见和方案。
三、动火作业之前的准备工作1.动火作业之前应对施工现场进行细致的勘察,确认周边的消防设备完善、通风设备正常运行,有足够的灭火器材和救生逃生设备,并确保其处于可用状态。
2.确保动火作业区域的周围有足够的安全距离,防止火势扩散。
3.安装必要的临时防护措施,设置明显的安全警示标志,禁止不相关的人员靠近动火作业区域。
四、动火工作的安全要求和控制措施1.动火作业前应进行严格的安全交底,并由专门人员进行安全检查,确保所有操作工作符合安全要求。
2.动火过程中必须有专人看护,负责监督火势,掌握动火作业的进展情况。
3.动火现场要保持整洁,及时清理可燃物和易燃材料,并设立临时防护措施,防止火花乱飞。
4.动火作业期间,对周围的防火措施进行全程保护,确保不造成火势蔓延。
5.确保动火作业区域的通风良好,定期排查氧气浓度,防止窒息和中毒。
五、应对火灾事故的紧急预案1.在动火现场设置合适的灭火器材和救生逃生设备,并对施工人员进行教育,提高其火灾应急处理能力。
2.在动火作业现场组织进行消防演练,熟悉火灾事故处理程序,掌握灭火和救援技能。
3.准备齐全的后勤保障设施,包括通讯工具、急救箱、应急医疗护理人员等,以应对突发情况。
六、动火作业后的清理和整理1.动火作业结束后,及时关闭火源,清理作业现场,排查是否有残留烟雾或者明火,并进行消防检查。
三级动火安全技术措施方案1. 前言动火作业就像是一场高风险的舞蹈,一不小心,火苗就会乱窜,烧得你焦头烂额。
所以啊,在我们开展动火作业之前,必须要做好充分的准备,确保安全,毕竟安全第一嘛!接下来,我就来给大家讲讲三级动火安全措施,保证让你听得懂、记得住,也能在关键时刻派上用场。
2. 三级动火安全措施概述2.1 第一层级:准备阶段首先,第一层级是准备阶段。
这就像是做饭之前得先把材料准备齐全,不然煮个面都得跑到超市去一趟。
动火作业前,我们得提前做好几件事情。
首先,得申请动火许可证。
没这个许可证,随便动火就跟在马路上随便闯红灯一样,后果不堪设想!然后,要对作业现场进行全面的安全检查,看看有没有可燃物、易爆物等。
再不然,找个大灯笼把现场照亮,让每一个角落都显得清晰可见,确保万无一失。
2.2 第二层级:实施阶段接着,第二层级是实施阶段。
在这一步,咱们就像是一个技艺高超的厨师,上锅前得先洗手。
动火作业前,操作人员得穿上专用的防护服,戴上安全帽、护目镜,这些装备可不是摆设,能有效防止意外事故的发生。
然后,准备好灭火器,确保它在你能拿到的地方。
要知道,火灾来得快,灭得也快,没准一眨眼就变成了一场大火。
还有,作业期间得安排专人看守,像保姆一样盯着,确保万一有火星飞出,能及时扑灭。
3. 动火后的收尾工作3.1 清理工作动火作业完成后,我们的清理工作可是大大的不能忽视。
就像是吃完一顿大餐后,别忘了收拾桌子。
首先,要对现场进行彻底检查,确保没有遗漏的火源。
尤其是那些隐藏得比较深的地方,可千万别掉以轻心。
检查完后,最好还要进行一次灭火工作,确保现场安全。
再不然,像个侦探一样,把每一个角落都检查个遍,确保一切都在掌控之中。
3.2 总结反馈最后,咱们还得进行总结反馈。
这个环节就像是考试后的复盘,总结经验教训。
可以开个小会,大家一起说说这次动火作业的心得体会,有哪些做得好的地方,哪些地方还需要改进。
这样,不仅能提高以后的安全意识,也能让大家在工作中更加默契,就像是一支训练有素的团队,遇到问题能迅速反应。
X市丰县融耀新城二期C12#楼动火平安技术措施方案X宏华融耀新城二期C12#楼工程部202X年10月日动火平安技术措施方案为了预防火灾和爆炸,重要的是对危险物质和点火源进行严格治理。
〔一〕引起火灾爆炸的点火源在建筑施工过程中,引起火灾爆炸的点火源主要有:1.明火。
如火炉、喷灯、火柴、锅炉房或食堂烟筒或烟道喷出火星,2.电火花。
如高压电的火花放电、短路和开闭电闸时的弧光放电、接点上的微弱火花等。
3.电焊、气焊和气割的焊渣。
〔二〕预防火灾的措施施工现场合理的平面安排时到达平安防火要求的重要措施之一。
工程技术人员在编制施工组织设计或施工方案时。
必须综合考虑防火要求、建筑物的性质、施工现场的周围环境等因素。
进行施工现场的平面安排设计时应注意以下几点。
①要明确划分出禁火作业区〔易燃、可燃材料的堆放场地〕、仓库区〔易燃废料的堆放区〕和现场的生活区。
各地域之间要按规定保持防火平安距离:②禁火作业区距离生活区不小于15M。
距离其他地域不小于25M.③易燃、可燃材料堆料场记仓库与在建工程和其他地域的距离应不小于20M。
④易燃的废品集中场地与在建工程和其他地域的距离应不小于30M.⑤防火间距内,不应堆放易燃和可燃材料。
〔三〕在一、二级动火地域施工,施工单位必须认真遵守消防法律法规,建立防火平安规章制度。
在生产或者贮存易燃易爆品德场区施工,施工单位应当与相关单位建立动火信息通报制度,自觉遵守相关单位消防治理制度,共同防范火灾。
在施工现场禁火地域内施工,动火作业前必须申请办理动火证,动火证必须注明动火地点、动火时间、动火人、现场监护人、批准人和防火措施。
动火证由平安生产治理部门负责治理,施工现场动火证的审批工作由工程工程负责人组织办理。
动火作业没经过审批的,一律不得实施动火作业。
对易引起火灾的仓库,应将库房内、外按500㎡的地域分段设立防火墙,把建筑平面划分为假设干个防火单元。
贮量大的易燃仓库,仓库应设立两个以上的大门,大门应向处开启。
三级动火证安全技术措施及方案下载提示:该文档是本店铺精心编制而成的,希望大家下载后,能够帮助大家解决实际问题。
三级动火证安全技术措施及方案该文档下载后可定制修改,请根据实际需要进行调整和使用,谢谢!本店铺为大家提供各种类型的实用资料,如教育随笔、日记赏析、句子摘抄、古诗大全、经典美文、话题作文、工作总结、词语解析、文案摘录、其他资料等等,想了解不同资料格式和写法,敬请关注!Download tips: This document is carefully compiled by this editor. I hope that after you download it, it can help you solve practical problems. The document 三级动火证安全技术措施及方案 can be customized and modified after downloading, please adjust and use it according to actual needs, thank you! In addition, this shop provides you with various types of practical materials, such as educational essays, diary appreciation, sentence excerpts, ancient poems, classic articles, topic composition, work summary, word parsing, copy excerpts, other materials and so on, want to know different data formats and writing methods, please pay attention!三级动火证是一项重要的安全许可证,用于规范和管理危险性较高的动火作业。
一、方案背景为确保动火作业的安全,预防火灾事故的发生,根据我国《消防法》、《安全生产法》等相关法律法规,结合公司实际情况,特制定本动火专项安全措施方案。
二、方案目标1. 保障动火作业现场及周边人员生命财产安全。
2. 预防火灾事故的发生,降低事故损失。
3. 规范动火作业流程,提高安全生产管理水平。
三、组织机构及职责1. 成立动火作业安全领导小组,负责全面领导和协调动火作业安全工作。
2. 设立动火作业安全监督小组,负责对动火作业现场进行监督检查。
3. 各部门、各岗位人员按照职责分工,共同落实动火作业安全措施。
四、动火作业安全措施1. 动火作业审批(1)动火作业前,必须填写《动火作业申请单》,经相关部门负责人审批后,方可进行动火作业。
(2)特殊危险动火作业,需经公司总经理批准后方可进行。
2. 动火作业现场安全措施(1)清除易燃易爆物品:动火前,必须将现场及周围易燃易爆物品移至安全地点。
(2)隔离措施:对动火区域进行隔离,设置警戒线,并设置明显的警示标志。
(3)消防设施:现场配备足够数量的灭火器材,并确保其完好有效。
(4)动火监护人:动火作业过程中,必须配备专人监护,确保安全措施落实到位。
3. 动火作业人员安全措施(1)动火作业人员必须经过专业培训,掌握动火作业安全知识和操作技能。
(2)动火作业人员应穿戴符合要求的防护用品,如防尘口罩、防护眼镜、防火手套等。
(3)动火作业人员应严格遵守操作规程,确保作业安全。
4. 动火作业现场巡查(1)动火作业安全监督小组负责对动火作业现场进行定期巡查,发现问题及时整改。
(2)各部门、各岗位人员应加强现场巡查,发现安全隐患及时报告。
五、应急处理1. 发生火灾事故时,立即启动应急预案,组织人员疏散,并迅速报警。
2. 火灾事故发生后,及时采取措施扑救火灾,确保人员生命财产安全。
3. 对火灾事故进行调查分析,总结经验教训,改进安全措施。
六、方案实施与监督1. 本方案自发布之日起实施,各部门、各岗位人员应认真学习并严格执行。
动火作业安全技术措施第一篇:动火作业安全技术措施动火作业安全措施1)上岗前必须将所施工区域周围的易燃易爆危险物品清理干净; 2)检查动火区域周围是否配置有足够的灭火装置;3)动火现场不准吸烟;施工过程中动火人不能离开岗位,特殊情况下需离开的,必须将动火装置置于安全状态;4)动火过程中动火监护人必须监护在动火现场;清除动火地点周围可燃物资或采取有效的隔离方法,遮盖隔离物应阻燃材料,严禁用塑料薄膜及塑料、编织布、(泡沫衬垫)等易燃物遮盖隔离。
高空动火作业点下方,火星所及的范围内应彻底清除易燃易爆物品;5)检查焊、割设备是否完好,必须规范放置设备、设施,严禁乙炔横卧,氧气、乙炔同放一处,并按安全操作规程进行操作;6)在有易燃易爆、可燃气体(粉尘)、带电、压力式密封(储罐)容器、涂涮过油漆的物体及场所进行焊、割明火作业时。
除对周边进行清理外,还必须经相关专业人员现场认可,确认安全后才能动火;7)盛装过可燃气体、液体和有毒物资的各种容器,必须彻底清洗、置换,确认安全后才能动火作业;8)作业人员在不了解焊、割物体内部是否安全、是否对相邻部位有影响或存在危险因素,在未采取有效安全预防措施时禁止焊、割明火作业;9)动火人必须持有特殊工种上岗操作证和动火证、并确认安全后才能作业,未经公司消防部门批准不得擅自更换动火人和监护人;10)经公司专职消防人员现场安全确认,且由用火单位派有专人在场监护,并准备好相应的灭火器材的情况下,方能在规定的动火范围和限定的时间内动火作业;11)动火结束后,应对动火现场进行安全检查,确认无安全隐患后方可离开作业现场。
第二篇:动火作业安全技术措施动火作业安全技术措施贯彻落实国家预防为主、防消结合方针,动火必须申请,且必须有防火设备、防火措施及相应监护人。
适用范围本项目动火作业主要是二级及三级动火,其中又以三级动火居多;动火器材主要是电焊、气割等(电焊机、乙炔瓶、氧气瓶)。
动火作业定义在施工项目过程中使用气焊、电焊等焊割工具,进行焊接、割除的施工作业。
9.5.6-3三级动火安
全技术措施方案
-CAL-FENGHAI-(2020YEAR-YICAI)_JINGBIAN
徐州市丰县
融耀新城二期C12#楼
动火安全技术措施方案
编制:
审核:
批准:
南通宏华融耀新城二期C12#楼项目部
2017年10月日
动火安全技术措施方案
为了预防火灾和爆炸,重要的是对危险物质和点火源进行严格管理。
(一)引起火灾爆炸的点火源
在建筑施工过程中,引起火灾爆炸的点火源主要有:
1.明火。
如火炉、喷灯、火柴、锅炉房或食堂烟筒或烟道喷
出火星,
2.电火花。
如高压电的火花放电、短路和开闭电闸时的弧光
放电、接点上的微弱火花等。
3.电焊、气焊和气割的焊渣。
(二)预防火灾的措施
施工现场合理的平面布置时达到安全防火要求的重要措施之一。
工程技术人员在编制施工组织设计或施工方案时。
必须综合考虑防火要求、建筑物的性质、施工现场的周围环境等因素。
进行施工现场的平面布置设计时应注意以下几点。
①要明确划分出禁火作业区(易燃、可燃材料的堆放场地)、仓库区(易燃废料的堆放区)和现场的生活区。
各区域之间要按规定保持防火安全距离:
②禁火作业区距离生活区不小于15M。
距离其他区域不小于
25M.
③易燃、可燃材料堆料场记仓库与在建工程和其他区域的距离应不小于20M。
④易燃的废品集中场地与在建工程和其他区域的距离应不小于30M.
⑤防火间距内,不应堆放易燃和可燃材料。
(三)在一、二级动火区域施工,施工单位必须认真遵守消防法律法规,建立防火安全规章制度。
在生产或者贮存易燃易爆品德场区施工,施工单位应当与相关单位建立动火信息通报制度,自觉遵守相关单位消防管理制度,共同防范火灾。
在施工现场禁火区域内施工,动火作业前必须申请办理动火证,动火证必须注明动火地点、动火时间、动火人、现场监护人、批准人和防火措施。
动火证由安全生产管理部门负责管理,施工现场动火证的审批工作由工程项目负责人组织办理。
动火作业没经过审批的,一律不得实施动火作业。
对易引起火灾的仓库,应将库房内、外按500㎡的区域分段设立防火墙,把建筑平面划分为若干个防火单元。
贮量大的易燃仓库,仓库应设立两个以上的大门,大门应向处开启。
固体易燃物品应当与易燃易爆的液体分间存放,不得在一个仓库内混合贮存不同性质的物品。
仓库应设在下风方向,保证消防水源充足和消防车辆通道的畅通。
3.电气防火防爆措施。
严格按照建设部行业标准JGJ46-1988《建
筑施工现场临时用电安全技术规范》的要求,编制临时用电专项
施工方案和设置临时用电系统,以避免引起电气火灾。
(四)焊接、气割中防火防爆措施。
对焊、割构件和焊、割场所,可采取以下措施:
1.转移。
在易燃、易爆场所和禁火区域内,应把需要焊、割得构件拆下来,转移到安全地带实施焊、割。
2.隔离。
对确实无法拆卸的焊、割构件,可把焊、割得部位或设备与其他易燃易爆物质进行隔离。
高处实施电焊、气割作业部位要采取围挡措施,防止焊渣大面积散落地面。
3.置换。
对可燃气体的容器、管道进行焊、割时,可将惰性气体(如氮气、二氧化碳)、蒸汽或水注入焊、割得容器、管道内,把残存在里面的可燃气体置换出来。
4.清洗。
对储存过易燃液体的设备和管道进行焊、割前,应先用热水。
蒸汽或酸液。
碱液把残存在里面的易燃液体清洗掉。
对无法溶解的污染物,应先铲除干净,然后再进行清洗。
5.移去危险品。
把作业现场的危险物品搬走。
6.加强通风。
在易燃、易爆、有毒气体的室内作业时,应进行通风,待室内的易燃。
易爆和有毒气体排至室外后,才能进行焊、割。
7.提高湿度,进行冷却。
作业点附近的可燃物无法搬移时,可采用喷水的办法,把可燃物浇湿,进行冷却,增加它们的耐火能力。
8.备好灭火器材,针对不同的作业现场和焊、割对象,配备一定数量的灭火器材,对大型工程项目禁火区域的动火施工,以及当作
业现场环境比较复杂时,可以将消防车开至现场,铺设好水带,随时做好灭火准备。
焊、割作业中火灾事故,有些往往是工程的结尾阶段,或在焊、割作业结束后。
因焊、割结束后、留下的火种没有熄灭造成。
因此,焊、割作业结束后,必须及时彻底清理现场,清除遗留下来的火种。
关闭电源、气源,把焊、割放至在安全的地方。
(五)其他的防护防爆措施:
1.对于储存易燃易爆物品的仓库,应有醒目的“禁止烟火”等安全标志,严禁吸烟、入库人员严禁带入火柴、打火机等火种。
2.烘烤、熬炼使用明火或加热炉时,应用砖砌实体墙完全隔开。
烟道、烟囱等部位与可燃建筑结构应用耐火材料隔离,操作人员应随时监督。
3.办公室、食堂、宿舍等临时设施不得乱拉乱扯电线,不得使用电炉子,取暖炉应当符合防火要求,要由专人管理。
4.施工现场内严禁焚烧建筑垃圾和用明火取暖。
5.未经批准,严禁动火;没有消防措施、无人监护,严禁动火。
表三级动火许可证。