检查井检验批质量验收记录
- 格式:xls
- 大小:33.50 KB
- 文档页数:1
检查井检验批质量检验记录一、引言检查井是城市下水道系统中的重要组成部分,它起着连接和检查管道的作用。
为了确保检查井的质量,需要进行定期的检验和质量检验。
本文档记录了一次检查井检验批的质量检验记录。
二、检查井基本信息1. 检验批号:JP20210012. 检查井位置:XX市XX区XX街道XX号3. 检查井材料:混凝土4. 检查井规格:直径1米,高度2米三、检查井检验内容1. 外观质量检验(1) 检查井表面光洁,无明显裂缝、麻面和凹凸不平等缺陷。
(2) 检查井底部排水孔设计合理,并无堵塞。
(3) 检查井四周周边无渗漏现象。
2. 尺寸和位置偏差检验(1) 使用测量工具,测量检查井直径,应符合设计尺寸要求,允许偏差小于等于±5mm。
(2) 使用水平仪,检测检查井是否垂直,并符合设计要求。
3. 强度和稳定性检验(1) 在检查井壁上进行敲击测试,声音应均匀清脆,无空洞松散现象。
(2) 在检查井顶部施加垂直负荷,观察是否有明显变形和裂缝。
4. 检查井材料检验(1) 送实验室进行混凝土抗压强度测试,达到设计要求。
(2) 观察混凝土搅拌过程,确认材料质量以及施工工艺合理性。
四、检验结果记录根据以上检验内容,本次检查井检验结果如下:1. 外观质量检验:合格2. 尺寸和位置偏差检验:合格3. 强度和稳定性检验:合格4. 检查井材料检验:合格五、存在的问题及处理建议经过本次检验,未发现任何问题。
六、检验人员签名检验人员1:__________ 检验日期:__________检验人员2:__________ 检验日期:__________七、结论本次检查井检验批质量检验符合设计和施工要求,所有检验项目均合格。
八、附件1. 检查井设计图纸2. 检查井施工方案3. 混凝土抗压强度测试报告以上是对检查井检验批质量检验的记录。
通过定期的检验和质量检验,可以确保检查井的质量达到设计和施工要求,提高城市下水道系统的运行效率和安全性。
回灌管井施工检验批质量验收记录一、工程概况本次回灌管井施工检验批的质量验收是为了对回灌管井桩基施工的质量进行检验和评估。
该施工项目位于XX区XX街道,总工期为XX天,总投资为XX万元。
施工单位为XX施工队,施工负责人为XX。
二、检验依据1.相关工程设计文件2.相关施工技术规范和标准3.工程验收规范三、检验内容1.桩基埋设情况2.钢筋绑扎情况3.混凝土浇筑情况4.孔灌注排气情况5.施工工艺和施工质量控制等四、检验方法1.目视检查2.测量仪器检测3.试验五、检验结果1.桩基埋设情况:经过检查,桩基埋设位置正确,与设计要求相符。
2.钢筋绑扎情况:钢筋绑扎牢固、符合设计要求。
3.混凝土浇筑情况:混凝土浇筑均匀,没有明显蜂窝、开裂等缺陷。
4.孔灌注排气情况:孔灌注排气效果良好,无泥浆渗漏现象。
5.施工工艺和施工质量控制:施工过程中,施工队按照施工图纸和规范要求操作,各项施工质量控制措施到位,整体施工质量较好。
六、存在的问题及处理措施1.部分钢筋绑扎距离不符合设计要求,需要进行整改。
施工队将采取补绑的措施,确保钢筋绑扎符合设计要求。
2.存在少量的混凝土开裂情况,原因可能是施工中混凝土浇筑不均匀或浇筑过程中未进行充分振捣。
施工队将对开裂部分进行修复,并加强施工工艺控制,确保混凝土浇筑质量。
3.部分回灌管井孔灌注排气过程中泥浆渗漏,可能是孔灌注密封不严密或孔灌注压力过大导致的问题。
施工队将加强孔灌注工艺控制,确保孔灌注过程中无泥浆渗漏。
七、建议1.施工单位应加强质量管理,确保施工过程中各项工艺和控制措施到位。
2.施工单位应加强培训,提高施工人员的技术水平和质量意识。
八、总结本次回灌管井施工检验批的质量验收结果显示,施工单位在施工过程中较好地按照设计要求和规范进行施工,但存在少量问题需要整改。
建议施工单位加强质量管理和施工人员培训,在后续工程施工中进一步提高工艺水平和质量控制能力。
检查井检验批质量检验记录一、项目概述检查井是城市给水、排水、通信等基础设施建设中重要的组成部分。
对于确保城市基础设施的正常运行和维护,以及公共安全和便捷使用的关键环节。
因此,对检查井进行质量检验是必不可少的步骤。
二、检验目的本次检验旨在对检查井的质量进行全面、系统的检查和评估,以确保其设计、施工符合相关标准和规范要求,同时消除潜在的安全隐患,确保城市基础设施的持续运行。
三、检查井检验批质量检验记录1. 建设单位/施工单位信息建设单位:施工单位:2. 检验时间检验开始时间:检验结束时间:3. 检查井基本信息检查井编号:检查井类型:检查井规格:检查井材质:4. 检查内容及结果记录4.1 外观质量检查:检查井外观是否完好、无明显损坏、无渗漏等问题。
结果:(填写符合与否)4.2 结构尺寸检查:检查井的内部结构尺寸是否符合设计要求。
结果:(填写符合与否)4.3 施工质量检查:包括检查井的施工工艺是否正确、施工质量是否符合相关标准要求等。
结果:(填写符合与否)4.4 材料质量检查:对检查井所使用的材料进行抽样检验,检查其质量是否符合相关标准和要求。
结果:(填写符合与否)4.5 环境卫生检查:检查井周边环境是否整洁、无垃圾等问题。
结果:(填写符合与否)4.6 安全隐患检查:对检查井周边的安全隐患进行检查,如有路面塌陷、无防护措施等问题。
结果:(填写存在与否)5. 检验结论根据对检查井的全面检查和评估,结合检查结果,可以得出以下结论:(填写结论)6. 整改措施根据检查结果和结论,提出相应的整改措施,包括但不限于:(填写整改措施)7. 备注(填写备注信息,如特殊情况、问题发现等)四、总结通过对检查井检验批质量检验记录的详细记录和分析,可以及时发现并解决存在的问题,提出相应的整改措施,确保检查井的质量达到标准和要求。
这将有助于保障城市基础设施的正常运行和市民的生活质量,确保公共安全。
建议在今后的施工项目中也要加强对检查井的质量检验,以确保基础设施的长久发展和可持续性。
井室检验批质量验收记录井室检验批质量验收记录一、前言井室检验批质量验收记录是为了确保井室建设质量符合要求,保证井室设备正常运行的重要文件。
本详细记录了井室检验批的质量验收过程和结果,以便监督和管理部门进行审核和验收。
二、井室检验批质量验收记录流程1. 井室检验批质量验收计划编制1.1 制定井室检验批质量验收计划1.2 审核井室检验批质量验收计划1.3 批准井室检验批质量验收计划2. 井室检验批质量验收准备2.1 编制井室检验批质量验收准备资料2.2 完成井室检验批质量验收准备工作2.3 准备井室检验批质量验收所需的工具、设备、材料等3. 井室检验批质量验收过程3.1 进场验收3.2 样品取证3.3 检验分析3.4 结果评定4. 井室检验批质量验收结果报告4.1 编制井室检验批质量验收结果报告4.2 审核井室检验批质量验收结果报告4.3 批准井室检验批质量验收结果报告5. 井室检验批质量验收整改5.1 对不合格项进行整改5.2 进行整改验证5.3 完成整改并重新进行井室检验批质量验收三、井室检验批质量验收记录细化1. 井室检验批质量验收计划编制1.1 制定井室检验批质量验收计划1.1.1 分析井室检验批质量验收计划编制要求 1.1.2 收集井室检验批相关技术要求和标准1.1.3 制定井室检验批质量验收计划的组织流程和时间节点1.2 审核井室检验批质量验收计划1.2.1 确保井室检验批质量验收计划符合相关技术要求和标准1.2.2 对井室检验批质量验收计划进行审核和修改1.3 批准井室检验批质量验收计划1.3.1 验收部门领导对井室检验批质量验收计划进行审批和批准1.3.2 在井室检验批质量验收计划上签字确认2. 井室检验批质量验收准备2.1 编制井室检验批质量验收准备资料2.1.1 收集井室检验批质量验收所需文件和资料2.1.2 对井室检验批质量验收准备资料进行整理和编制2.2 完成井室检验批质量验收准备工作2.2.1 确保井室检验批施工工序符合质量验收要求2.2.2 准备符合规定的检验工具、设备、材料等2.3 准备井室检验批质量验收所需的工具、设备、材料等 2.3.1 配备井室检验批质量验收所需的仪器设备2.3.2 准备井室检验批质量验收所需的工具、材料等3. 井室检验批质量验收过程3.1 进场验收3.1.1 到达井室工程施工现场3.1.2 验收施工现场的环境是否符合要求3.1.3 验收施工图纸和施工方案是否正确3.2 样品取证3.2.1 根据井室检验批质量验收计划进行样品取证 3.2.2 将样品进行编号标记并记录3.2.3 将样品送往相应的实验室进行检验3.3 检验分析3.3.1 对样品进行实验室检验3.3.2 分析实验结果是否合格3.3.3 根据不合格结果进行原因分析和判断3.4 结果评定3.4.1 根据检验结果进行合格评定3.4.2 记录井室检验批的合格或不合格结果4. 井室检验批质量验收结果报告4.1 编制井室检验批质量验收结果报告4.1.1 将井室检验批的质量验收结果整理成报告形式4.1.2 报告中包含井室检验批的基本信息、验收结果等4.2 审核井室检验批质量验收结果报告4.2.1 检查井室检验批质量验收结果报告的准确性和完整性4.2.2 对报告中的数据进行核对和分析4.3 批准井室检验批质量验收结果报告4.3.1 验收部门领导对井室检验批质量验收结果报告进行审批和批准4.3.2 在报告上签字确认5. 井室检验批质量验收整改5.1 对不合格项进行整改5.1.1 发现井室检验批质量验收中的不合格项 5.1.2 确定不合格项的整改措施5.1.3 进行不合格项的整改工作5.2 进行整改验证5.2.1 对整改项进行验证和评定5.2.2 根据整改项的验收标准进行判断和验收 5.3 完成整改并重新进行井室检验批质量验收5.3.1 确认整改项已经完成并符合要求5.3.2 重新进行井室检验批质量验收四、附件本所涉及附件如下:1. 井室施工图纸和施工方案2. 井室检验批质量验收计划3. 井室检验批质量验收准备资料4. 井室检验批质量验收结果报告5. 井室检验批质量验收整改记录五、法律名词及注释本所涉及的法律名词及注释如下:1. 井室:指用于各类工程、设备的位置,具有一定的封闭性和安全性的空间。
电力电缆检查井检验批质量验收记录 (一)电力电缆检查井检验批质量验收记录是电力电缆安装工程中一个非常重要的环节,它涉及到电缆工程质量的可靠性和持续可用性。
因此,对电力电缆检查井进行质量验收,能够保证电力电缆工程的运行安全和可靠性。
下面就来详细介绍一下电力电缆检查井检验批质量验收记录。
一、检查人员及时间电力电缆检查井检验批质量验收是由验收人员进行的,通常由施工单位的质量控制人员进行检查。
验收时间应当在电缆安装完成后24小时内。
二、验收内容1.检查井体轮廓尺寸是否符合图纸要求,检查井底面平整度是否符合要求,无明显脱模、裂缝等缺陷。
2.检查井盖的尺寸是否符合图纸要求,并且检查井盖是否安装到位、平稳,表面清洁光滑,无明显气泡、缩孔、裂纹等缺陷。
3.检查井内部是否清理干净,井腔和上部间隔板应清理干净,无明显浮水、水迹、异物等存在。
4.检查井内电缆敷设是否符合设计要求,检查缆头及热缩管是否齐全,是否正确安装。
5.检查井身的材质是否符合要求,是否存在缺陷如变形、裂缝、气泡等等。
检查井身内部是否平整结实。
6.检查所有的配件材料质量是否符合要求,缆头、热缩管及其他配件的生产厂家是否符合要求。
三、验收结果1.如果电力电缆检查井检验批质量验收符合要求,则井口应贴上“合格服务验收结论”的标签。
2.如果电力电缆检查井检验批质量验收不符合要求,则需要记录问题所在并进行整改,对于无法整改的缺陷,应予以拆除重做。
3.进行电力电缆检查井检验批质量验收记录的过程中,所有的验收结果应当记录在验收报告本上,并且应当签字确认,方可使用。
四、注意事项1.在进行电力电缆检查井检验批质量验收时,要注意避免对电力电缆造成损坏。
2.在进行电力电缆检查井检验批质量验收时,要遵守相关的安全规定,避免出现安全事故。
3.在进行电力电缆检查井检验批质量验收时,要认真核对相关图纸和规范,确保所有验收内容符合设计要求。
综上所述,电力电缆检查井检验批质量验收记录是电力电缆安装工程中一个重要的环节,对于电力电缆工程的持续可用性和可靠性有关键性的作用。
雨水检查井检验批验收记录一、项目简介为了统筹管理城市排水系统,确保雨水排放通畅并有效防止城市内涝,本项目计划在城市不同地段设置雨水检查井。
雨水检查井的建设旨在便于对雨水管道进行巡查和维护,确保排水系统的畅通以及及时处理存在的问题。
二、项目实施情况根据工程计划,本项目于20XX年XX月XX日开始实施,历时XX个月。
在项目实施过程中,施工方秉持严谨、高效的工作态度,充分保证工程质量,并按照相关规定完成了对雨水检查井的建设。
下面将具体说明实施情况。
1.施工组织施工方在项目开始之前进行了详细的施工组织设计。
包括制定施工进度计划、安排施工人员、准备施工材料等。
施工过程中,严格按照施工图纸和施工规范进行操作,确保施工质量。
2.施工过程在施工过程中,施工方先进行了场地清理,确保施工区域干净整洁。
然后按照设计要求进行了开挖工作,挖掘出适当深度和尺寸的控制井。
控制井开挖完毕后,施工方进行了加固工作,以保证井体的稳定性。
3.监理本项目的施工过程严格监督和管理。
监理人员对施工过程进行全程监控,确保工程质量和进度符合要求。
监理人员及时提出了合理化建议,并及时处理施工中的问题。
4.工程质量施工方在项目施工中,严格按照相关规定和标准进行施工,保证了工程质量,所有工程质量达到或超过规范要求。
三、验收情况本次项目的验收工作由建设单位和监理单位联合进行。
验收内容包括现场检查、材料清单核对、工艺合规性评估等。
验收过程中,各方代表积极参与,共同交流意见,并对发现的问题进行了记录和整改。
经过大家的共同努力,本项目顺利通过了验收。
四、存在问题与建议在本次项目的实施过程中,我们也存在一些问题,这些问题需要及时处理和改进。
具体问题如下:1.检查井周围环境清理不彻底,下次施工应加强整理。
2.施工期间邻近居民有少量反映噪音扰民问题,下次施工要注意尽量减少施工噪音,给予居民更好的环境。
3.部分设备安装不牢固,使用寿命可能较短。
下次施工时应确保设备按照规范安装,并进行充分调试。
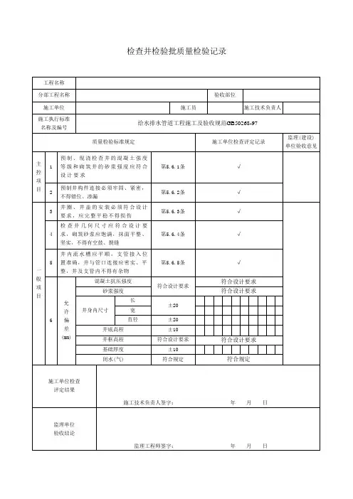
电力检查井检验批质量验收记录本文记录了电力电缆检查井的检验批质量验收记录。
其中,墙内外抹面、勾缝、座浆、末三角灰均用1:2防水水泥砂浆。
检查井基础采用C15砼,井身采用MU10机砖。
支管管道坡度可根据现场标高设置,但须大于1%。
主控项目全部合格,一般项目符合设计及规范要求。
具体检查项目包括砂浆强度、轴线偏位、圆井直径或方井长宽、井底高程等。
规定值或允许偏差值在合格标准内,实测数据符合验收标准的规定。
其中,砂浆强度、轴线偏位、圆井直径或方井长宽、井底高程等均符合验收标准的规定。
监理单位验收记录见砂浆试验报告。
经过施工单位检查评定,质量检查员和监理工程师均认为符合验收标准的规定。
最终验收结论为合格。
实测数据显示,该工程在施工单位检查评定记录中符合验收标准的规定。
砂浆强度、轴线偏位、圆井直径或方井长宽、井底高程等检查项目均符合规定值或允许偏差值在合格标准内。
墙内外抹面、勾缝、座浆、末三角灰均使用1:2防水水泥砂浆,检查井基础采用C15砼,井身采用MU10机砖,支管管道坡度可根据现场标高设置,但须大于1%。
在主控项目中,全部合格,一般项目符合设计及规范要求。
电力电缆检查井的分包单位施工工长、技术负责人和质量验收标准的规定均符合要求。
监理(建设)单位验收记录见砂浆试验报告。
对于一般项目,井盖与相邻路面高差、检查井的圆井直径或方井长宽等检查项目均符合规定值或允许偏差值在合格标准内。
主控项目全部合格,一般项目符合设计及规范要求。
施工单位检查评定结果符合验收标准的规定,实测数据显示砂浆强度、轴线偏位、圆井直径或方井长宽、井底高程等检查项目均符合规定值或允许偏差值在合格标准内。
监理(建设)单位验收记录见砂浆试验报告。
检查井检验批质量检验记录一、检验项目1.外观检验:对检查井的外观进行全面检查,包括井盖、井壁、井底等部位的表面是否平整,有无变形、破损以及裂缝等缺陷。
2.尺寸检验:对检查井的尺寸进行测量,包括井盖的直径、井筒的内径、井底的深度等指标,以确保符合设计要求。
3.标志检验:检查井应该有明显的标志,以便于识别和定位。
对检查井的标志进行检验,包括标定的字体、标志的位置是否正确。
4.材料检验:检查井的材料应符合相关的标准和要求,进行材料检验。
包括检查井井壁材料、井盖材料的材质、强度等指标。
5.密封性检验:对检查井的密封性进行检验,以确保防止地下水的渗入。
检查井的井壁、井盖之间的连接部位是否密封良好。
6.漏水试验:对已安装的检查井进行漏水试验,以验证其漏水情况。
在试验时需要加压至一定数值,并观察井底和井壁是否有明显的漏水现象。
7.电气性能检验:对设备井进行电气性能检验,包括检查接地电阻、电缆连接的可靠性、接线盒的保护性能等。
二、检验结果记录1.外观检验结果记录对检查井的外观进行检查后,记录其表面平整度、有无变形和破损的情况。
如有变形或破损,需进一步做出处理和修复。
2.尺寸检验结果记录对检查井的尺寸进行测量后,记录测量结果,包括井盖的直径、井筒的内径、井底的深度等指标。
如有超出设计要求的情况,需要采取措施进行调整。
3.标志检验结果记录对检查井的标志进行检验后,记录标志的位置是否正确、字体是否清晰可辨。
如有问题,需进行调整和修复。
4.材料检验结果记录对检查井的材料进行检验后,记录材料的材质和强度等指标是否符合要求。
如不符合要求,需要更换材料。
5.密封性检验结果记录对检查井的密封性进行检验后,记录连接部位是否密封良好。
如有漏水情况,需要重新进行密封处理。
6.漏水试验结果记录对已安装的检查井进行漏水试验后,记录试验的加压数值以及井底和井壁是否有明显的漏水现象。
如有漏水情况,需要重新进行处理和修复。
7.电气性能检验结果记录对设备井进行电气性能检验后,记录接地电阻、电缆连接的可靠性和接线盒的保护性能等指标。
砖砌检查井室检验批质量验收记录一:一、背景介绍:检查井室是砖砌建筑中的重要部分,用于检查维修地下管线。
为确保砖砌检查井室质量,进行了检验批质量验收工作。
二、检验批质量验收工作内容及要求:1. 检查井室尺寸和平整度要求:- 检查井室尺寸符合设计要求。
- 检查井室平整度应符合相关标准。
2. 砖砌工程质量要求:- 砖砌检查井室应符合相关建筑标准。
- 砖砌工程的墙体应平整、垂直,缝隙应均匀、一致。
- 砖砌墙体砌筑强度应符合相关标准。
3. 砂浆配合比及施工工艺要求:- 砂浆配合比应符合设计要求。
- 砂浆应均匀、充实、不得有空鼓、脱落现象。
三、验收方法及标准:1. 视觉检查:对砖砌检查井室进行目视检查,检查墙体平整度、墙角垂直度、缝隙均匀度等。
2. 抽样检测:抽取部分检查井室进行物理性能检测,包括抗压强度、抗震性能等。
四、检验批质量验收记录表:- 检查井室尺寸和平整度验收记录。
- 砖砌工程质量验收记录。
- 砂浆配合比及施工工艺验收记录。
- 视觉检查验收记录。
- 抽样检测验收记录。
五、附件:- 相关图纸- 砖砌检查井室设计规范六、法律名词及注释:1. 建筑标准:指国家或地方制订的与建筑相关的技术规范和标准。
2. 砂浆配合比:指砂浆中水、水泥、砂子等各成分的比例关系。
3. 抗压强度:指材料或构件抵抗压力的能力。
4. 抗震性能:指材料或构件在地震作用下的稳定性和破坏程度。
二:一、背景介绍:砖砌检查井室作为地下管线维修的关键设施,其质量直接影响着地下管网的运行和维护。
为了确保砖砌检查井室的质量,进行了相关的检验批质量验收记录。
二、检验批质量验收工作内容及要求:1. 检查井室尺寸和平整度要求:- 检查井室尺寸应符合设计要求。
- 检查井室平整度应满足相关标准。
2. 砖砌工程质量要求:- 砖砌检查井室应符合相关建筑标准。
- 砖砌墙体应垂直、平整,缝隙均匀。
- 砖砌墙体砖筑强度应满足相关标准。
3. 砂浆配合比及施工工艺要求:- 砂浆配合比应符合设计要求。