气缸推力表
- 格式:pdf
- 大小:218.33 KB
- 文档页数:5
气缸的选型根据气缸推力拉力的大小要求,选定气缸使用压力参数以及缸径尺寸气缸推力计算公式:气缸推力F1=πD2P气缸拉力计算公式F2=π(D2-d2)P公式式中:D-气缸活塞直径(cm)d-气缸活塞杆直径(cm)P-气缸的工作压力(kgf/cm2)F1,F2-气缸的理论推拉力(kgf)上述出力计算适用于气缸速度50~500mm/s的范围内气缸以上下垂直形式安装使用,向上的推力约为理论计算推力的50%气缸横向水平使用时,考虑惯性因素,实际出力与理论出力基本相等为了避免用户选用时的有关计算,下附双作用气缸输出力换算表,用户可根据负载、工作压力、动作方向从表格中选择合适的缸径尺寸双作用气缸输出力表单位Kgf缸径mm 气缸的理论输出力(推力)单位:KG/公斤使用空气压力MPa10 16 20 25 32 4050117137157 63125156187218250 80100151201251300352402 100157236314393471550628 125245368491615736859982 1604026038041005120614071608 18050876310181272152717812036 20062894212571571188521992514 250981147319632454294534363926 3201608241232164021482556296432 40025313796502662837539879610052选定气缸的行程:确定工作的移动距离,考虑工况可选择满行程或预留行程。
当行程超过推荐的最长行程时,要考虑活塞杆的刚度,可以选择支撑导向或选择特殊气缸。
选定气缸缓冲方式:根据需要选择缓冲形式,无缓冲气缸,固定缓冲气缸,可调缓冲气缸选择润滑方式:有给油润滑气缸,无给油润滑气缸选择气缸系列:根据以上条件,按需选择适当系列的气缸选择气缸的安装形式:根据不同的用途和安装需要,选用适当的安装形式气缸附件的选择:前(后)法兰,脚架,单(双)悬耳,中间铰轴式,铰轴支座式。
气缸的理论输出力Saturday, 7 May 2011 at 14:39 GMT+8, by SMC气动服务网气缸的理论输出力是指气缸在静止状态时,其使用压力作用在活塞有效截面积上产生的推力或拉力。
以下字母:π表示圆周率,D表示气缸缸径,单位为mm,d表示活塞杆直径,单位为mm;P为使用压力,单位为MPa。
以下计算公式将(D/2)^2即活塞面积计算写为:0.25*D^2,D^2表示直径的平方;鉴于很多网友的疑问,特作上述说明。
1.单杆单作用气缸的理论输出力弹簧压回型气缸的理论输出推力Fa=0.25π*D^2*P-F2弹簧压回型气缸的理论返回拉力Fa=F弹簧压出型气缸的理论输出拉力Fa=0.25π*(D-d)^2*P-F2弹簧压出型气缸的理论返回推力Fa=F12.单杆双作用气缸理论输出推力(活塞杆伸出):Fa=0.25π*D^2*P理论输出拉力(活塞杆返回):Fa=0.25π*(D-d)^2*P3.双杆双作用气缸Fa=0.25π*(D-d)^2*P实际输出力是活塞杆上传送的机械力。
需要注意的是,阀控气缸存在一个最小输出力,因内部先到式电磁阀存在最低使用压力。
为了方便大家,下表列出了气缸的理论输出力,不用计算直接查询:F=2800kgf;F′=2300kgf在工程设计时选择气缸缸径,可根据其使用压力和理论推力或拉力的大小,从经验表1-1中查出。
例:有一气缸其使用压力为5kgf/cm2,在气缸推出时其推力为132kgf,(气缸效率为85%)问:该选择多大的气缸缸径?●由气缸的推力132kgf和气缸的效率85%,可计算出气缸的理论推力为F=F′/85%=155(kgf)●由使用压力5kgf/cm2和气缸的理论推力,查出选择缸径为?63的气缸便可满足使用要求。
气缸缸径与推力对照表气缸缸径及其推力是机械行业中最重要的参数,广泛用于各种机械设备的设计、构建及运行。
气缸缸径的大小是气缸的最重要参数,其大小直接决定了气缸的推力。
因此,有必要提供一个气缸缸径与推力的对照表,以供参考。
首先要确定的是气缸缸径的范围。
根据机械行业的技术标准,标准气缸缸径的范围是8-450mm,针对特定应用,也可以设计和制造缸径小于8mm和大于450mm的气缸。
其次要制定的是气缸推力和缸径关系的对照表。
根据机械技术标准,气缸推力可以分为如下几个不同的等级:1~10mm的气缸推力:0.25~7N20~50mm的气缸推力:2.5~17N100~200mm的气缸推力:50~125N200~400mm的气缸推力:150~400N400~450mm的气缸推力:400~600N此外,针对特定应用,也可以根据客户需求制定气缸推力大于450N的对照表。
值得注意的是,推力是由气缸活塞直径大小以及气缸缸内压力所决定。
因此,在使用气缸时,气缸活塞直径必须根据实际需求调节,以防止过载现象发生。
同时,气缸缸内压力也必须经常监测,以免发生爆破的情况。
气缸缸径很大程度上决定了机械设备的性能,也是机械行业中必不可少的参数。
《气缸缸径与推力对照表》是一篇介绍气缸缸径与推力关系,以及如何根据实际需求调节气缸活塞直径,实现气缸推力最大化的文章。
文章中列出了机械行业的常规气缸推力范围,以及在特定应用中可以制定气缸推力大于450N的对照表。
同时,为了确保气缸性能安全,文章也指出了在使用气缸时,应当注意气缸活塞直径和缸内压力的控制。
总之,《气缸缸径与推力对照表》提供了一种有效的解决机械行业中气缸缸径与推力关系问题的方法,为机械设备的设计、构建及运行提供了参考。
气缸推力计算公式
气缸理论输出力计算公式:F:气缸理论输出力(KGF)
F’:效率为85%(KGF)-(F’=F×85%)时的输出力d:筒体直径(mm)P:工作压力(KGF/cm2)
例:当气缸直径为340mm,工作压力为3kgf/cm2时,理论输出力是多少?输出力是多少?
连接P和D,找到F和F'上的点,得到:F=2800kgf;F'=2300 kgf
在工程设计中,可以根据工作压力和理论推力或张力从经验表1-1中选择气缸直径。
例如:有一个气缸,工作压力为5kgf/cm2,推出时推力为132kgf(气缸效率为85%)。
问题:所选圆柱体的直径是多少?
按汽缸推力132kgf,效率85%计算汽缸理论推力F=F'/85%=155(KGF)
根据5kgf/cm2的工作压力和气缸的理论推力,发现直径为63的气缸可以满足要求。
2气缸的理论参考转速为u=1920xs/a(mm/s),其中s是排气回路的总有效面积,a 是排气侧活塞的有效面积
空气消耗量:当气缸往复运动一个行程时,气缸内的空气消耗量以及气缸与换向阀之间的管路的空气消耗量(在标准大气压下)
2最大耗气量:气缸活塞以最大速度运动时,单位时间(标准大气压下)的耗气量气缸最大耗气量:q=活塞面积×活塞速度×绝对压力。
通常的公式是:q=0.046d?V (P+0.1)Q——标准工况下气缸最大耗气量(L/min)d——气缸直径(CM)V——气缸最高转速(mm/s)P——用压力计算用气量和燃气管道流量的方法(MPA)。
气缸缸径与输出力的对照表内容来源网络,由“深圳机械展(11万㎡,1100多家展商,超10万观众)”收集整理!更多cnc加工中心、车铣磨钻床、线切割、数控刀具工具、工业机器人、非标自动化、数字化无人工厂、精密测量、3D打印、激光切割、钣金冲压折弯、精密零件加工等展示,就在深圳机械展.一、气缸理论输出力表N二、气缸理论出力的计算公式根据工作所需力的大小来确定活塞杆上的推力和拉力。
由此来选择气缸时应使气缸的输出力稍有余量。
若缸径选小了,输出力不够,气缸不能正常工作;但缸径过大,不仅使设备笨重、成本高,同时耗气量增大,造成能源浪费。
在夹具设计时,应尽量采用增力机构,以减少气缸的尺寸。
下面是气缸理论出力的计算公式:F:气缸理论输出力(kgf)F′:效率为85%时的输出力(kgf)--(F′=F×85%)D:气缸缸径(mm)P:工作压力(kgf/cm2)例:直径340mm的气缸,工作压力为3kgf/cm2时,其理论输出力为多少?芽输出力是多少?将P、D连接,找出F、F′上的点,得:F=2800kgf;F′=2300kgf在工程设计时选择气缸缸径,可根据其使用压力和理论推力或拉力的大小,从经验表1-1中查出。
例:有一气缸其使用压力为5kgf/cm2,在气缸推出时其推力为132kgf,(气缸效率为85%)问:该选择多大的气缸缸径?●由气缸的推力132kgf和气缸的效率85%,可计算出气缸的理论推力为F=F′/85%=155(kgf)●由使用压力5kgf/cm2和气缸的理论推力,查出选择缸径为?63的气缸便可满足使用要求。
内容来源网络,由“深圳机械展(11万㎡,1100多家展商,超10万观众)”收集整理!更多cnc加工中心、车铣磨钻床、线切割、数控刀具工具、工业机器人、非标自动化、数字化无人工厂、精密测量、3D打印、激光切割、钣金冲压折弯、精密零件加工等展示,就在深圳机械展.。
根据气缸推力拉力的大小要求,选定气缸使用压力参数以及缸径尺寸
气缸推力计算公式:气缸推力F仁n D2P
气缸拉力计算公式F2=n(D2-d2)P
公式式中:D-气缸活塞直径(cm
d-气缸活塞杆直径(cm)
P-气缸的工作压力(kgf/cm2 )
F1, F2-气缸的理论推拉力(kgf)
上述出力计算适用于气缸速度50~500mm/S勺范围内
气缸以上下垂直形式安装使用,向上的推力约为理论计算推力的50% 气缸横向水平使用时,考虑惯性因素,实际出力与理论出力基本相等
为了避免用户选用时的有关计算,下附双作用气缸输出力换算表,用户可根
据负载、工作压力、动作方向从表格中选择合适的缸径尺寸
双作用气缸输出力表单位Kgf
选定气缸的行程:确定工作的移动距离,考虑工况可选择满行程或预留行程。
当行程超过推荐的最长行程时,要考虑活塞杆的刚度,可以选择支撑导向或选择特殊气缸。
选定气缸缓冲方式:根据需要选择缓冲形式,无缓冲气缸,固定缓冲气缸,可调缓冲气缸
选择润滑方式:有给油润滑气缸,无给油润滑气缸
选择气缸系列:根据以上条件,按需选择适当系列的气缸
选择气缸的安装形式:根据不同的用途和安装需要,选用适当的安装形式
气缸附件的选择:前(后)法兰,脚架,单(双)悬耳,中间铰轴式, 铰轴支座式。
festo气缸的理论输出力原理介绍
festo气缸的理论输出力是指festo气缸在静止状态时,其使用压力作用在活塞有效截面积上产生的推力或拉力。
以下字母:π表示圆周率,D表示festo气缸缸径,单位为mm,d表示活塞杆直径,单位为mm;P为使用压力,单位为MPa。
以下计算公式将(D/2)^2即活塞面积计算写为:0.25*D^2,D^2表示直径的平方;鉴于很多网友的疑问,特作
上述说明。
1.单杆单作用festo气缸的理论输出力
弹簧压回型festo气缸的理论输出推力
Fa=0.25π*D^2*P-F2
弹簧压回型festo气缸的理论返回拉力
Fa=F
弹簧压出型festo气缸的理论输出拉力
Fa=0.25π*(D-d)^2*P-F2
弹簧压出型festo气缸的理论返回推力
Fa=F1
2.单杆双作用festo气缸
理论输出推力(活塞杆伸出):
Fa=0.25π*D^2*P
理论输出拉力(活塞杆返回):
Fa=0.25π*(D-d)^2*P
3.双杆双作用festo气缸
Fa=0.25π*(D-d)^2*P
实际输出力是活塞杆上传送的机械力。
需要注意的是,阀控festo气缸存在一个最小输出力,因内部先到式电磁阀存在最低使用压力。
为了方便大家,下表列出了festo气缸的理论输出力,不用计算直接查询:。
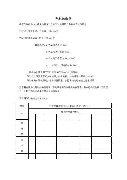
气缸的选型
根据气缸推力拉力的大小要求,选定气缸使用压力参数以及缸径尺寸
气缸推力计算公式:气缸推力F1=0.25πD2P
气缸拉力计算公式F2=0.25π(D2-d2)P
公式式中:D-气缸活塞直径(cm)
d-气缸活塞杆直径(cm)
P-气缸的工作压力(kgf/cm2)
F1,F2-气缸的理论推拉力(kgf)
•上述出力计算适用于气缸速度50~500mm/s的范围内
•气缸以上下垂直形式安装使用,向上的推力约为理论计算推力的50%
•气缸横向水平使用时,考虑惯性因素,实际出力与理论出力基本相等
为了避免用户选用时的有关计算,下附双作用气缸输出力换算表,用户可根据负载、工作压力、动作方向从表格中选择合适的缸径尺寸
双作用气缸输出力表单位Kgf
•选定气缸的行程:确定工作的移动距离,考虑工况可选择满行程或预留行程。
当行程超过推荐的最长行程时,要考虑活塞杆的刚度,可以选择支撑导向或选择特殊气缸。
•选定气缸缓冲方式:根据需要选择缓冲形式,无缓冲气缸,固定缓冲气缸,可调缓冲气缸•选择润滑方式:有给油润滑气缸,无给油润滑气缸
•选择气缸系列:根据以上条件,按需选择适当系列的气缸
•选择气缸的安装形式:根据不同的用途和安装需要,选用适当的安装形式
•气缸附件的选择:前(后)法兰,脚架,单(双)悬耳,中间铰轴式,铰轴支座式。
气缸的选型最全资料气缸的理论输出力普通双作用气缸的理论推力(N)为:pD F 204π=式中, D 一缸径(mm),p 一气缸的工作压力(MPa)。
理论拉力(N)为:pd D F )(4221-=π式中,d 一活塞杆直径(mm)时,估算时可令d=0、3D 。
气缸的负载率气缸的负载率:就是指气缸的实际负载力F 与理论输出力F0之比。
负载力就是选择气缸的重要因素。
负载情况不同,作用在活塞轴上的实际负载力也不同。
气缸的实际负载就是由工况所决定的,若确定了负载率η也就能确定气缸的理论出力,负载率η的选取与气缸的负载性能及气缸的运动速度有关(见下表) 负载的运动状态 静负载 如夹紧、 低速压铆 动载荷气缸速度 <100mm/s 气缸速度 100~500mm/s 气缸速度 >500mm/s 负载率η ≤80%≤65%≤50%≤30%普通气缸的计算举例用气缸水平推动台车,负载质量M=150kg,台车与床面间摩擦系数0、3,气缸行程L=300mm,要求气缸的动作时间t=0、8s,工作压力P=0、5Mpa 。
试选定缸径。
气缸理论输出力表其中P1——气缸推力,P2——气缸拉力其它方面的选择1、类型的选择根据工作要求与条件,正确选择气缸的类型。
要求气缸到达行程终端无冲击现象与撞击噪声应选择缓冲气缸;要求重量轻,应选轻型缸;要求安装空间窄且行程短,可选薄型缸;有横向负载,可选带导杆气缸;要求制动精度高,应选锁紧气缸;不允许活塞杆旋转,可选具有杆不回转功能气缸;高温环境下需选用耐热缸;在有腐蚀环境下,需选用耐腐蚀气缸。
在有灰尘等恶劣环境下,需要活塞杆伸出端安装防尘罩。
要求无污染时需要选用无给油或无油润滑气缸等。
2、安装形式根据安装位置、使用目的等因素决定。
在一般情况下,采用固定式气缸。
在需要随工作机构连续回转时(如车床、磨床等),应选用回转气缸。
在要求活塞杆除直线运动外,还需作圆弧摆动时,则选用轴销式气缸。
有特殊要求时,应选择相应的特殊气缸。
油缸缸径与推力对照表
冲程与缸径之比是内燃机的最基本最主要的结构要素。
它不仅对扫气品质和热传导有重大影响,而且也影响发动机的功率和耗油率。
它还影响所有零部件的结构和尺寸,从而影响发动机的振动、比重量指标和使用寿命。
二冲程汽油机一般都采用回流扫气,即利用新鲜混合气将气缸中剩余的废气排出排气口。
由此可知,将气缸中的废气排得越彻底,并同时跟随废气跑出的新鲜混合气越少(这种情况称为扫气品质好),则发动机的功率就越大,耗油率就越低。
若S/D较大(如下图a),气缸中残余废气所占的体积就较大,扫气阻力也大,使新鲜混合气在整个扫气过程中所经过的路程较长。
这就必然导致新鲜混合气与废气的混合,从而降低扫气品质。
S/D较大,也使气缸的表面积大,热损失也大。
若S/D很小(如下图c),缸筒呈扁圆柱形,新鲜混合气在气缸中很难形成一个理想的扫气回流,并且容易与残余废气相混合,从而降低扫气品质。
另外,由于气缸是一个扁圆柱形,使得混合气燃烧时火陷从火花塞传到缸壁附近所经过的路程较长,很难使混合气充分燃烧,燃烧品质也不好。
试验表明,S/D=0.9~1.1时,扫气品质和燃烧品质最好,功率最高,耗油率最低。
若S/D较大,连杆的长度也必须相应增大,则发动机的高度也必然大,发动机较重。
但活塞对气缸的侧压力较小,活塞运动的加速度变化值也较小,所以振动较小。
若S/D较小,则反之。
在相同转速下,S/D较大的发动机的活塞运动的线速度较大,摩擦损失大,气缸、活
塞、活塞环的磨损大,使用寿命低。
S/D,较小则反之。
气缸的理论输出力Saturday, 7 May 2011 at 14:39 GMT+8, by SMC气动服务网气缸的理论输出力是指气缸在静止状态时,其使用压力作用在活塞有效截面积上产生的推力或拉力。
以下字母:π表示圆周率,D表示气缸缸径,单位为mm,d表示活塞杆直径,单位为mm;P为使用压力,单位为MPa。
以下计算公式将(D/2)^2即活塞面积计算写为:0.25*D^2,D^2表示直径的平方;鉴于很多网友的疑问,特作上述说明。
1.单杆单作用气缸的理论输出力弹簧压回型气缸的理论输出推力Fa=0.25π*D^2*P-F2弹簧压回型气缸的理论返回拉力Fa=F弹簧压出型气缸的理论输出拉力Fa=0.25π*(D-d)^2*P-F2弹簧压出型气缸的理论返回推力Fa=F12.单杆双作用气缸理论输出推力(活塞杆伸出):Fa=0.25π*D^2*P理论输出拉力(活塞杆返回):Fa=0.25π*(D-d)^2*P3.双杆双作用气缸Fa=0.25π*(D-d)^2*P实际输出力是活塞杆上传送的机械力。
需要注意的是,阀控气缸存在一个最小输出力,因内部先到式电磁阀存在最低使用压力。
为了方便大家,下表列出了气缸的理论输出力,不用计算直接查询:F=2800kgf;F′=2300kgf在工程设计时选择气缸缸径,可根据其使用压力和理论推力或拉力的大小,从经验表1-1中查出。
例:有一气缸其使用压力为5kgf/cm2,在气缸推出时其推力为132kgf,(气缸效率为85%)问:该选择多大的气缸缸径?●由气缸的推力132kgf和气缸的效率85%,可计算出气缸的理论推力为F=F′/85%=155(kgf)●由使用压力5kgf/cm2和气缸的理论推力,查出选择缸径为?63的气缸便可满足使用要求。
气缸推力的计算公式
气缸理论输出力的计算公式:F:气缸理论输出力(KGF)
F':效率为85%(KGF)时的输出力-(f'= f×85%)d:气缸直径(mm)P:工作压力(kgf / cm2)
例:气缸直径为340mm,工作压力为3kgf / cm2时,理论输出力是多少?输出力是多少?
连接P和D,找出F和f'上的点,得到:F = 2800kgf; f'= 2300千克力
在工程设计中,根据工作压力和理论推力或拉力可以从经验表1-1中选择缸径。
例如:有一个工作压力为5kgf / cm2且推出时推力为132kgf的气缸(气缸效率为85%)。
问题:选择的气缸直径是多少?
根据132kgf的气缸推力和85%的效率,可以将气缸的理论推力计算为F = f'/ 85%= 155(KGF)
根据5kgf / cm2的工作压力和气缸的理论推力,发现直径63的气缸可以满足要求。
2.气缸的理论参考速度为u = 1920xs / a(mm / s),其中s是排气回路的总有效面积,a是排气侧活塞的有效面积
空气消耗量:当气缸往复运动一冲程时,气缸以及气缸与换向阀之间的管路中的空气消耗量(在标准大气压下)
2.最大耗气率:气缸活塞以最大速度运动时每单位时间(标准大气压下)的耗气量
气缸的最大空气消耗量:q =活塞面积X活塞速度x绝对压力。
通常的公式是:q = 0.046d?V(P + 0.1)Q -----标准条件下气缸的最大空气消耗量(L / min)d -----气缸直径(CM)V -----气缸的最大速度(mm / s )P -----使用压力(MPA)的空气消耗量和燃气管道流量的计算方法。
气缸输出力表Document serial number【UU89WT-UU98YT-UU8CB-UUUT-UUT108】气缸的选型根据推力拉力的大小要求,选定气缸使用压力参数以及缸径尺寸气缸推力计算公式:气缸推力F1=πD2P气缸拉力计算公式F2=π(D2-d2)P公式式中:D-气缸活塞直径(cm)d-气缸活塞杆直径(cm)P-气缸的工作压力(kgf/cm2)F1,F2-气缸的理论推拉力(kgf)上述出力计算适用于气缸速度50~500mm/s的范围内气缸以上下垂直形式安装使用,向上的推力约为理论计算推力的50%气缸横向水平使用时,考虑惯性因素,实际出力与理论出力基本相等为了避免用户选用时的有关计算,下附双作用气缸输出力换算表,用户可根据负载、工作压力、动作方向从表格中选择合适的缸径尺寸双作用气缸输出力表单位Kgf50117137157 63125156187218250 80100151201251300352402 100157236314393471550628 125245368491615736859982 1604026038041005120614071608 18050876310181272152717812036 20062894212571571188521992514 250981147319632454294534363926 3201608241232164021482556296432 40025313796502662837539879610052选定气缸的行程:确定工作的移动距离,考虑工况可选择满行程或预留行程。
当行程超过推荐的最长行程时,要考虑活塞杆的刚度,可以选择支撑导向或选择特殊气缸。
选定气缸缓冲方式:根据需要选择缓冲形式,无缓冲气缸,固定缓冲气缸,可调缓冲气缸选择润滑方式:有给油润滑气缸,无给油润滑气缸选择气缸系列:根据以上条件,按需选择适当系列的气缸选择气缸的安装形式:根据不同的用途和安装需要,选用适当的安装形式气缸附件的选择:前(后)法兰,脚架,单(双)悬耳,中间铰轴式,铰轴支座式。
气缸压力推力出力怎么计算公式及对照表
关于气缸压力计算公式、气缸推力计算公式、气缸出力怎么算、气缸推力对照表等着一系列常见的问题,在这里,神威小编来为大家提供最全面的气缸理论输出力表以及计算方法,本公司是专注服务于自动化系列配套与解决方案的企业。
一、气缸的输压力推力出力跟行程长短无关,如:
气压0.5Mpa(5.0985811公斤力/平方厘米(kgf/cm2))
缸径50mm(5cm)
气缸截面积=3.14X(5/2)^2=19.63(平方厘米)
所以,0.5Mpa下的理论出力=5.0985811*19.63=100.085(公斤力)可直接参考下面出力表
但仅为理论出力,实际要根据工况情况
二、气缸压力推力实际输出力N=A*F
1.(假设气缸50~500mm/s运行,50缸径气缸.在0.5Mpa气压下理论出力为100公斤,100公斤X0.5等于50公斤为实际出力)
对于静负载(如夹紧,低速铆接等),F2阻力很小,A≤0.7;
对于气缸速度在50~500mm/s范围内的水平或垂直动作,A≤0.5;对于气缸速度大于500mm/s的动作,F2影响很大,A≤0.3。
2.举个例子,我们估算某场合需要选用一个缸径Φ40mm的气缸,这就是底线,但完全没有必要说,给个安全系数,然后选一个“精确”缸径,实际的做法,应该是根据各种考虑,可能会选缸径Φ50mm或者Φ63mm乃至Φ100mm
气缸直径的确定,需根据负载大小,运行速度和工作压力来决定(1)确定有关负载重量:负载条件包括工件,夹具,导杆等可动部分的重量。
(2)选定使用的空气压力:供应气缸的压缩空气压力
(3)动作方向:确定气缸动作方向(上,下,水平)
三、标准单杆气缸理论压力推力输出力表。
神威气动 文档标题:plf无杆气缸
plf无杆气缸的介绍:
引导活塞在缸内进行直线往复运动的圆筒形金属机件。
空气在发动机气缸中通过膨胀将热能转化为机械能;气体在压缩机气缸中接受活塞压缩而提高压力。
涡轮机、旋转活塞式发动机等的壳体通常也称“气缸”。
气缸的应用领域:印刷(张力控制)、半导体(点焊机、芯片研磨)、自动化控制、机器人等等。
二、气缸种类:
①单作用气缸:仅一端有活塞杆,从活塞一侧供气聚能产生气压,气压推动活塞产生推力伸出,靠弹簧或自重返回。
②双作用气缸:从活塞两侧交替供气,在一个或两个方向输出力。
③膜片式气缸:用膜片代替活塞,只在一个方向输出力,用弹簧复位。
它的密封性能好,但行程短。
④冲击气缸:这是一种新型元件。
它把压缩气体的压力能转换为活塞高速(10~20米/秒)
运动的动能,借以做功。
⑤无杆气缸:没有活塞杆的气缸的总称。
有磁性气缸,缆索气缸两大类。
做往复摆动的气缸称摆动气缸,由叶片将内腔分隔为二,向两腔交替供气,输出轴做摆动运动,摆动角小于280°。
此外,还有回转气缸、气液阻尼缸和步进气缸等。
三、气缸结构:
气缸是由缸筒、端盖、活塞、活塞杆和密封件等组成,其内部结构如图所示:
2:端盖
端盖上设有进排气通口,有的还在端盖内设有缓冲机构。
杆侧端盖上设有密封圈和防尘圈,以防止从活塞杆处向外漏气和防止外部灰尘混入缸内。
杆侧端盖上设有导向套,以提高气缸的导向精度,承受活塞杆上少量的横向负载,减小活塞杆伸出时的下弯量,延长气缸使用寿命。
导向套通常使用烧结含油合金、前倾铜铸件。
端盖过去常用可锻铸铁,为减轻重量并防锈,常使用铝合金压铸,微型缸有使用黄铜材料的。
3:活塞
活塞是气缸中的受压力零件。
为防止活塞左右两腔相互窜气,设有活塞密封圈。
活塞上的耐磨环可提高气缸的导向性,减少活塞密封圈的磨耗,减少摩擦阻力。
耐磨环长使用聚氨酯、聚四氟乙烯、夹布合成树脂等材料。
活塞的宽度由密封圈尺寸和必要的滑动部分长度来决定。
滑动部分太短,易引起早期磨损和卡死。
活塞的材质常用铝合金和铸铁,小型缸的活塞有黄
神威气动 铜制成的。
4:活塞杆
活塞杆是气缸中最重要的受力零件。
通常使用高碳钢、表面经镀硬铬处理、或使用不锈钢、以防腐蚀,并提高密封圈的耐磨性。
5:密封圈
回转或往复运动处的部件密封称为动密封,静止件部分的密封称为静密封。
缸筒与端盖的连接方法主要有以下几种:
整体型、铆接型、螺纹联接型、法兰型、拉杆型。
6:气缸工作时要靠压缩空气中的油雾对活塞进行润滑。
也有小部分免润滑气缸。
四、气缸工作原理:
1:根据工作所需力的大小来确定活塞杆上的推力和拉力。
由此来选择气缸时应使气缸的输出力稍有余量。
若缸径选小了,输出力不够,气缸不能正常工作;但缸径过大,不仅使设备笨重、成本高,同时耗气量增大,造成能源浪费。
在夹具设计时,应尽量采用增力机构,以减少气缸的尺寸。
2:下面是气缸理论出力的计算公式:
F:气缸理论输出力(kgf)
F′:效率为85%时的输出力(kgf)--(F′=F×85%)
D:气缸缸径(mm)
P:工作压力(kgf/C㎡)
例:直径340mm的气缸,工作压力为3kgf/cm2时,其理论输出力为多少?芽输出力是多少?
将P、D连接,找出F、F′上的点,得:
F=2800kgf;F′=2300kgf
在工程设计时选择气缸缸径,可根据其使用压力和理论推力或拉力的大小,从经验表1-1
神威气动 中查出。
例:有一气缸其使用压力为5kgf/cm2,在气缸推出时其推力为132kgf,(气缸效率为85%)问:该选择多大的气缸缸径?
由气缸的推力132kgf和气缸的效率85%,可计算出气缸的理论推力为F=F′/85%=155(kgf)
由使用压力5kgf/cm2和气缸的理论推力,查出选择缸径为?63的气缸便可满足使用要求。
五:气缸图片展示:
抱紧气缸如下图:
带阀气缸:
神威气动
带锁气缸
迷你气缸
神威气动 笔型气缸
薄型气缸
手指气缸。