01室外雨污水管网技术标准
- 格式:doc
- 大小:39.50 KB
- 文档页数:3
雨污水管道施工技术说明简介本文档旨在提供雨污水管道施工技术的详细说明。
以下是重要的施工步骤和注意事项,以确保管道建设的顺利进行和质量保证。
施工步骤1. 土方开挖- 根据设计要求,进行适当的土方开挖,确保管道可以安全铺设。
- 保证开挖的深度和宽度符合设计要求,避免破坏周围的结构物或地下设施。
2. 管道铺设- 使用高质量的管材,如PVC,HDPE等,进行管道的铺设。
- 确保管道的连接牢固,采用合适的连接方式,如热熔连接或橡胶密封圈连接。
- 根据设计要求,保证管道的坡度和高度符合要求,以保证水流的畅通和排放效果。
3. 管道附件安装- 安装合适的管道附件,如井盖、阀门等,以便于检修和维护。
- 确保附件的安装位置准确,使其能够方便地使用和操作。
4. 施工质量控制- 在施工的每个阶段都进行严格的质量控制检查,确保施工符合相关标准和规范。
- 检查管道的连接、坡度、高度等参数,以确保施工质量满足设计要求。
5. 管道测试和验收- 在完成施工后,进行管道的测试和验收。
- 对管道进行压力测试,确保其能够承受设计要求的压力。
- 进行流量测试,确认管道的流量满足设计要求。
- 完成测试后,进行相关验收程序,确保管道达到预期的使用效果。
注意事项- 施工过程中,遵守相关的安全操作规范,确保施工人员的人身安全。
- 避免在管道施工区域附近进行其他施工活动,防止对管道的损坏或影响。
- 按照设计要求,选择合适的材料和设备,以保证管道的使用寿命和质量。
- 定期进行管道的检修和维护,以延长管道的使用寿命。
- 如果发现管道存在质量问题或损坏,应及时采取修复或更换措施,以避免进一步损失。
以上是雨污水管道施工技术的说明。
通过遵守施工步骤和注意事项,我们可以确保管道的安全性和稳定性,为人们的日常生活提供可靠的雨污水处理系统。
细解析标题:排水管网施工工艺标准详细解析引言:在城市建设中,排水系统是一个至关重要的基础设施。
排水管网的施工工艺标准对于确保排水系统的正常运行和城市环境的卫生安全具有重要意义。
本文将详细解析排水管网施工工艺标准,以帮助施工人员更好地了解和遵守相关规范。
一、施工前准备:在排水管网施工前,施工人员需要进行一系列的准备工作,包括但不限于:1.1 完整的施工设计:施工前需要准备完整的施工设计图纸,并与设计人员进行确认,确保施工的准确性和安全性。
1.2 道路交通管制:根据施工区域的具体情况,做好道路交通管制工作,确保施工期间交通的顺利进行,并确保施工人员和行人的安全。
1.3 材料和设备准备:准备好所需的施工材料和设备,确保在施工过程中能够顺利使用。
二、施工工艺标准:2.1 排水管材选择:根据实际情况,选择合适的排水管材,包括但不限于PVC管、铸铁管、钢管等,确保管道的耐久性和排水能力。
2.2 管道敷设:按照设计要求,进行排水管道的敷设工作。
在敷设过程中,需注意以下几点:2.2.1 排水管道的坡度:排水管道应按照设计要求设置适当的坡度,以便排水顺畅。
2.2.2 管道支承:管道敷设过程中,要保证管道的正确支承,避免管道变形和破损。
2.2.3 管道连接:管道连接应采用合适的方法,确保连接处的密封性和稳固性。
2.3 管道安装:完成管道敷设后,进行管道的安装工作。
在安装过程中,需注意以下几点:2.3.1 检查管道:在安装前,对管道进行检查,确保管道的质量和完整性。
2.3.2 防水处理:对于需要穿越建筑物的排水管道,需进行防水处理,避免漏水问题。
2.3.3 支架安装:根据管道的重量和长度,合理安装管道支架,确保管道的稳定性。
2.4 排水检测:完成管道安装后,进行排水检测工作。
排水检测的目的是发现和解决潜在的排水问题,确保系统的正常运行。
2.4.1 试压:对排水管道进行试压,以确保管道的密封性和耐压性。
2.4.2 冲洗:对排水管道进行冲洗,以清除管道内的杂物和污垢。
排水管网探测技术方案排水管网探测分为探查、测量两个步骤,应按照《城市地下管线探测技术规程》(CJJ61-2017)、《城市测量规范》(CJJ/T8-2011)、长江大保护城市水环境治理工程地下管线调查与检测评估实施技术导则(Q/CTG 249-2019)、《长江大保护城市地下排水管线数据入数据库要求》(Q/CTG 250-2019)等相关准则执行。
排水管网探测范围包含经开区所有具有排水系统的排水单元。
1.1排水管网探查1.1.1一般规定排水管网探查应查明排水单元排水管线(包括立管)基本信息、基本属性、埋深等。
基本信息包括:①排水单元名称、排水单元位置(相邻市政道路)、占地面积(平方米)等;②排水单元的排水体制(分流制/合流制);③排水单元排水管网与市政、相邻排水单元的接驳关系,接驳位置(检查井、暗埋点)应录入数据库,备注“接驳井”,定位上图并注记,扯旗注记的横线要水平(这是形式),注记内容比如接市政的就注记“接市政”,接小区(厂区)的就注记“接小区(厂区)”,字体统一为,宋体、字高0.8,黑色,单独图层。
基本属性包括管类(污水、雨水、合流)、材质、管径/断面尺寸、流向、特征或附属物、井盖材质、形状及尺寸(以毫米为单位)、管道淤积度和充满度、所在道路(小区)、埋设方式、建设年代、权属单位等。
排水管线属性信息调查的外业记录可以采用外业调查记录表、外业调查工作手图或外业记录PDA多种形式,要求连接关系明确、属性信息正确完整、记录清晰可查。
管线材质调查,要正确区分常见的材质类型,如:钢筋混凝土(明沟)、玻璃钢、陶瓷、HDPE、PE、PVC等;管径调查应着重注意变径,管线变径的检查井/点位置要调查准确,对于调查属大小管情形的要核查准确。
埋深信息包括井底埋深和管道埋深等。
重力自流排水管道的管道埋深以管道内底埋深为准,压力排水管道的埋深以管道外顶埋深为准,管道埋深调查按下列要求执行:①管道埋深调查过程中,应注意跌水井的埋深调查,各方向管道埋深要逐个实量并一一记录;②管道埋深调查应采用“L”形排水杆;③管线数据库建立后,应统计出所有管段的逆坡和坡度情况汇总表。
室外排污工程技术交底标题:室外排污工程技术交底引言概述:室外排污工程技术交底是指在建筑施工过程中,对室外排污系统的设计、施工、验收等技术细节进行交底和沟通,确保排污系统的正常运行和安全性。
下面将从设计要求、施工工艺、材料选用、验收标准和维护保养等五个方面进行详细介绍。
一、设计要求:1.1 确定排污系统的设计流量和管道布局,包括主管道、分支管道和排污口的设置位置。
1.2 考虑排污系统的排水坡度和管道直径,确保排水畅通,避免积水和堵塞。
1.3 考虑排污系统的防水措施,如设置截流阀、防倒灌装置等,确保排污系统的安全性。
二、施工工艺:2.1 确保施工人员具备相关资质和技术经验,严格按照设计要求进行施工。
2.2 注意排污管道的连接方式和密封性,采用合适的连接件和密封材料,避免漏水和渗漏。
2.3 在施工过程中加强现场监督和质量检查,及时发现和解决问题,确保施工质量。
三、材料选用:3.1 选择符合国家标准的排污管道和配件,确保材料质量和安全性。
3.2 考虑排污系统的使用环境和介质特性,选择耐腐蚀、耐磨损的材料,延长排污系统的使用寿命。
3.3 注意材料的连接方式和耐压性能,确保排污系统在正常工作条件下不会发生漏水或破裂。
四、验收标准:4.1 进行排污系统的静态试压和动态试水,检查管道的密封性和排水性能。
4.2 检查排污系统的安装位置和管道布局是否符合设计要求,是否存在漏水和渗漏现象。
4.3 对排污系统进行功能性测试,确保排污口和截流阀的开启和关闭正常,排污系统运行稳定。
五、维护保养:5.1 制定排污系统的定期检查和维护计划,包括清洗管道、更换密封件等。
5.2 定期清理排污口和截流阀,防止堵塞和故障发生,保持排污系统的畅通性。
5.3 定期对排污系统进行全面检查和维修,及时处理问题,确保排污系统的正常运行。
结语:室外排污工程技术交底是保障建筑排污系统正常运行和安全性的重要环节,需要设计、施工、验收和维护等多方面的合作和配合。
项目排水(雨、污水)管道工程技术要求及施工界面一.工程概况:项目位于青浦区,主要由小高层、联排别墅、复式公寓、地面商业、地下车库及人防等组成,总用地面积115827平方米,总建筑面积125568平方米,其中地上总建筑面积93754平方米,地下总建筑面积31318.48平方米,总居住户数886户。
合生御廷园项目按先后顺序共分四期开发,其中一期为联排别墅,建筑面积为31956平方米,住户数为114户;二期为复式公寓,建筑面积为21776平方米,住户数为164户;三期由小高层、复式公寓组成及公建用房组成,住户数为312户;四期由高层、复式公寓、地面商业、地下车库及公建用房组成,住户数为296户。
二.施工单位安装资质:1、必须是上海市雨污水管道施工资质。
熟悉办理青浦区雨污水管道安装与验收的相关事宜及流程,熟悉规程、规范、技术标准。
确保取得有关部门的验收证明。
三.工程施工范围:1、负责《排水总平面图-水总施-01》图中除庭院雨水系统、道路排水系统和污水倒虹管以外的室外雨污水管道及检测井等所有工程的施工,并与市政井接通,检测井工程费、接驳费等其他与污水纳管有关的费用一并纳入包干范围;2、负责办理《临时排水许可证(施工)》;3、负责本管道工程的质量验收,确保本工程能够通过政府有关部门的质量监督与管道工程的质量验收,应及时办理《排水许可证》,并取得相关验收合格文件和纳管证明;4、预留未开工的接驳口;四.施工、验收规范与规程应遵循现行的国家及地方有关施工、验收规范与规程。
《室外排水设计规程》GB50014-2006;《埋地塑料排水管道工程技术规程》DG/TJ08-308-2002。
五.安装技术要求:1、管道管材选用:室外埋地重力流排水管道均采用埋地硬聚氯乙烯加筋管。
2、路面雨水口及景观雨水排放由景观专业设置就近接入雨水窨井。
雨水就近排入小区内河。
污、废水经排水管道收集汇总后排至巷居路市政污水管网。
3、本工程管坡为:污水管 i≥0.004;雨水管 i≥0.0034、雨水口连接管、明沟至雨水窨井连接管管径均为DN200,坡度为0.015、管道标高:管道注管底标高。
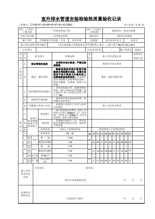
室外排水管道安装检验批质量验收记录工程编号:TJ-00-07-25-00-05-07-01-01-0001电土验表:5.25.16单位(子单位)工程名称厂区雨水管道工程分部(子分部)工程名称建筑给水、排水及采暖分项工程名称室外排水管网验收部位一期升压站南侧施工单位中国能建江苏电建一公司项目经理阮建强项目技术负责人孙亚军施工执行标准名称及编号《电力建设施工质量验收及评价规程第1部分:土建工程》DL/T5210.1-2012分包单位/ 分包项目经理/ 施工班组长喻建方类别序号检查项目质量标准单位施工单位自检记录监理单位验收记录主控项目1 排水管道的坡度必须符合设计要求,严禁无坡或倒坡坡度符合设计要求2 灌水、通水试验隐蔽或埋地的排水管道在隐蔽前必须做灌水试验,其灌水高度应不低于底层卫生器具的上边缘或底层地面高度。
管道埋设前必须做灌水试验和通水试验,排水应畅通,无堵塞,管接口无渗漏灌水、通水试验合格一般项目1 排水铸铁管的水泥捻口采用水泥捻口时,油麻填塞应密实,接口水泥应密实饱满,接口面凹入承口边缘且深度不得大于2mm/2 铸铁管外壁防腐铸铁管外壁安装前应除锈,涂两遍石油沥青漆/3 承插接口的承口方向承插接口的承口方向与水流方向相反承口方向符合要求4混凝土管或钢筋混凝土管抹带接口抹带施工管口的外壁应先凿毛,扫净,当管径小于等于500mm时,可一次完成;当管径大于500mm时,应分2次抹成,抹带不得有裂纹/5 钢丝网管道就位前放入下方,抹压砂浆应将钢丝网抹压牢固,钢丝网不得外露/6 抹带厚度不得小于管壁的厚度抹带厚度小于管壁的厚度7 抹带宽度100~80 mm 83 81 81 89 86 94 81 85 95 83 8排水管道安装允许偏差坐标埋地≤100mm/ / / / / / / / / / 敷设在沟槽内≤50 21 33 17 37 46 44 16 26 25 22 9 标高埋地±20mm/ / / / / / / / / / 敷设在沟槽内±20 +4 -6 +17 +9 +19 -1 -7 -8 +6 +7 10水平管纵横向弯曲每5m长≤10mm/ / / / / / / / / / 全长(两井间)≤30 3 14 15 16 17 18 12 11 15 17施工单位检查评定结果主控项目:一般项目:项目专业质量检查员:年月日监理单位验收结论专业监理工程师:年月日检验批报验申请表表号:YYH2-A-27编号:JSDJ1-00-TJ-A27-07-25-00-05-07-01-01-01-0001工程名称神华国能宁夏鸳鸯湖电厂二期2×1000MW级机组扩建工程合同编号致:西北电力建设工程监理有限责任公司鸳鸯湖电厂二期项目监理部我方已完成厂区雨水管道GUA-1-20至GUA-1-26段安装检验批工作,经自检合格,请予以审查。
室外排水设计标准
室外排水设计标准是指在室外工程设计过程中,对室外雨水或污水的收集、储存、处理、排放等工作的设计标准。
室外排水设计的基本原则是有效利用水资源,保护环境,同时确保室外环境的卫生安全。
一般来说,室外排水设计应遵循以下原则:
1、采用多种方式节约水资源,重视水资源节约,不能糜费,应严格控制用水量,采取综合措施,合理利用水资源,减少水资源的浪费。
2、重视排水的质量,室外排水应符合国家有关排放标准,有助于减轻污染,改善环境质量。
3、重视排水的设计,要有利于污水的处理和排放,以及水的回收利用,有效改善环境质量,保护室外环境的卫生安全。
4、注重排水系统的维护,采取有效措施,建立定期检查制度,确保排水系统的正常运行,达到室外排水设计的要求。
5、注重排水污染防治,采取有效措施,防止排水污染源的产生和污染物的排放,保护室外环境的卫生安全。
室外排水设计是一项重要的工程,合理的设计可以减少水资源的浪
费,预防污染,保护室外环境的卫生安全。
科学的设计,合理的施工,良好的维护,可以为室外环境的卫生安全提供有力的保障。
室外雨污水管网技术标准本技术标准适用于本公司民用建筑群(小区)的HDPE双壁波纹管、排水铸铁管、混凝土管、钢筋混凝土管等室外排水管道安装工程。
编制依据:1.《建筑工程施工质量验收统一标准》GB50300-20132.《建筑给水排水设计规范》GB50015-20033.《室外排水设计规范》GB50014-20064.《建筑给水排水及采暖工程施工质量验收规范》GB50242-20025.《给水排水构筑物工程施工及验收规范》GB50141-20086.《给水排水管道施工及验收规范》GB50268-20087.《建筑地基基础工程施工质量验收规范》GB50202-20138.《埋地高密度聚乙烯双壁波纹管排水管道工程技术规程》一、管材1、混凝土管、钢筋混凝土管有出厂合格证,混凝土管有出厂合格证和水泥强度报告。
管壁薄厚均匀,内外光滑整洁,不允许有砂眼、裂纹、飞刺等,承插口的内外径及造型规矩。
2、HDPE双壁波纹管:环刚度≥4000N/m2,管材的颜色应一致、无色泽不均及分解变色现象;管材的内外壁应光滑、平整、无汽泡、无裂口、无明显痕迹和凹陷;要有产品质量检验报告,合格证原件。
二、管沟1、管沟的坐标、位置、沟底标高应符合设计要求;排水管道的坡度必须符合设计要求,严禁无坡或倒坡。
2、HDPE双壁波纹管管沟的沟底层应是原土层,或是夯实的回填土,沟底应平整,坡度应顺畅,不得有尖硬的物体、块石等;如沟基为岩石、不易清除的块石或为砾石层时,沟底应下挖100~200mm,填铺细砂或粒径不大于5mm 的细土,夯实到沟底标高后,方可进行管道敷设。
3、钢筋混凝土排水管:钢筋混凝土管道须做混凝土带形基础,基础垫层可铺设碎石层或原土夯实,基础和管道之间的管座必须用现浇混凝土填充密实,以减少对地基的压力和对管子的反力。
三、管道敷设1、管道承插接口时,插口插入方向应与水流方向一致,由低点向高点依次安装,钢筋混凝土管如采用抹带接口,接口前应将管口的外壁凿毛、扫净;接口完毕后,抹带应进行保湿养护。
室外排污工程技术交底一、背景介绍室外排污工程是指将建造物或者其他设施产生的废水、污水等排放到室外的工程项目。
为确保排污工程的安全、高效进行,进行技术交底是必不可少的环节。
本文将详细介绍室外排污工程技术交底的内容和要求。
二、技术交底内容1. 工程概况在技术交底前,首先要对室外排污工程的概况进行介绍。
包括工程名称、地点、施工单位、监理单位等基本信息。
还需要介绍工程的目的、范围、规模等,以便参预交底的人员对工程有一个整体的了解。
2. 工程设计详细介绍室外排污工程的设计方案。
包括设计图纸、设计说明书等。
设计方案应包括工程的布置、管道的走向、管径、材料等。
还应介绍设计方案的合理性和可行性,以及与其他相关工程的衔接情况。
3. 施工工艺介绍室外排污工程的施工工艺。
包括施工步骤、施工方法、施工顺序等。
还应介绍施工过程中需要注意的事项,如安全防护、环境保护等。
同时,还应介绍施工过程中可能遇到的问题及解决方案。
4. 施工材料详细介绍室外排污工程所使用的材料。
包括管道材料、管件材料、密封材料等。
应说明材料的规格、性能、质量要求等。
还应介绍材料的选用原则和检验方法,以确保材料的质量符合要求。
5. 施工质量控制介绍室外排污工程的质量控制要求。
包括施工前的准备工作、施工中的质量检查、施工后的验收标准等。
还应介绍质量控制的具体措施和方法,以确保工程质量符合设计要求和相关标准。
6. 安全措施详细介绍室外排污工程的安全措施。
包括施工期间的安全防护、施工过程中的安全操作等。
还应介绍应急预案和事故处理措施,以确保施工过程中的安全。
三、技术交底要求1. 参预人员技术交底的参预人员包括施工人员、监理人员、设计人员等。
参预人员应具备相关的专业知识和技能,能够理解和掌握交底内容。
2. 交底形式技术交底可以采用会议形式、培训形式、现场指导等形式进行。
交底内容应结合实际情况,具体、明确。
3. 交底记录技术交底应做好记录,包括交底内容、参预人员、时间等。
武汉建工安装工程有限公司企业标准室外给水管道施工工艺标准Q/JB01-18 -20061适用范围本标准适用于民用住宅小区及厂区内工作压力不大于 1.0MPa的室外给水铸铁管及碳素钢管的安装工程。
2施工准备2.1材料2.1.1主材①给水铸铁管及其管件的规格品种应符合设计要求,有出厂合格证,且是同一厂家的配套产品。
管道壁厚要均匀,内外壁光滑,不得有砂眼、裂纹、飞刺等缺陷,承插口内外径及管件偏差符合规定。
②钢管及其管件有出厂台格证,镀锌钢管内外壁镀锌要均匀,无锈蚀,内壁无飞刺。
管件无偏扣、乱扣、丝扣不全或角度不准等现象。
③阀门的型号规格符合设计要求,并有出厂合格证其外观要求表面光滑无裂纹、气孔、砂眼等缺陷,密封面与阐体接触紧密,阀芯开关灵活,关闭严密,填料密封完好无渗漏,手轮无损坏。
④捻口用水泥强度等级不低于32.5级,并有合格证。
2.1.2辅材:油麻绳、青铅、白厚漆、胶圈、沥青漆、机油和防锈漆等。
2.1.3主要机具:套丝机、砂轮机、砂轮锯、试压泵、电手锤、钢锯、套丝板、管钳、倒链、麻绳、木夯、水平尺、钢卷尺、铁锹、水准仪。
2.3作业条件①管沟平直,深度宽度符合要求,淘底夯实,沟内无障碍物。
②沟沿两侧1.5m范围内不得堆放施工材料和其他物品,并根据土质情况和沟槽深度按要求设置边坡等防塌方措施。
③管材、管件及其配件齐全,阀门强度和严密性试验应合格。
④施工图纸已经设计单位、建设单位、施工单位会审。
⑤编制好施工方案,做好技术交底。
⑥标高控制点测试完毕。
3.操作方法安装准备一►预制加工一►管道安装一►管道试压*管道冲洗、消毒一►管沟回填3.1安装准备3.1.1根据设计图纸的要求对管沟中线和高程进行测量复核,放出管道中线和标高控制线,沟底应符合安装要求。
3.1.2准备好吊装机具及绳索,并进行安全检查,直径大管道应根据实际情况使用起重吊装设备,3.1.3管道安装前必须对管材进行复查。
3.1.4将有三通、弯头、阀门等部件预先确定其具体位置,再按承口朝来水方向逐个确定工作坑的位置,管道安装前先将工作坑挖好。
1施工图设计依据文件1、业主提供项目所在地1:500地形图2、业主提供项目所在地排水管线测量资料。
3、交通部和建设部现行的有关市政道路、公路的勘测、设计、施工技术规程、规范、地质勘察等相关行业的有关规程、规范。
2采用的施工规范、规程和工程验收标准本项目是依据住建部《海绵城市建设技术指南—低影响开发雨水系统构建》(试行)为编制依据。
采用的规范标准有:2.1国家规范、标准、规程(1)《室外排水设计规范》(GB50014-2006)(2014版)(2)《城镇给水排水技术规范》(GB50788-2012)(3)《给水排水工程构筑物结构设计规范》(GB50069-2002)(4)《给水排水工程管道结构设计规范》(GB50332-2002)(5)《城市工程管线综合规划规范》(GB50289-98)(6)《城市防洪工程设计规范》(GB/T50805-2012)(7)《给水排水管道工程施工及验收规范》(GB50268-2008)2.2相关的国家标准图集1、《雨水综合利用》(10SS705)2、《市政排水管道工程及附属设施》(06MS201)3设计概要3.1工程概况3.1.1概述川中大市场位于遂州北路与明月路交叉路口东北方向,东侧不远为滨江北路以及席吴二洲湿地。
川中大市场比相邻道路地势低,容易形成内涝,本次设计主要针对川中大市场明月路路口进行截流改造,并新建明月路北侧雨水管道(原道路北侧雨水管道管径较小,无法完全收集以及输送道路雨水),向东排入席吴二洲湿地水系。
3.1.2工程规模川中大市场位于遂宁市船山区。
本项目设了截水沟,雨水口等雨水收集系统,并新建明月路北侧雨水管道,向东连通滨江北路雨水管道后排入席吴二洲湿地。
3.1.3工程范围及主要工程内容根据委托书要求,项目设计内容包括:雨水工程设计、结构工程设计。
3.1.4主要技术标准(1)遂宁市属于5类区域中的第Ⅲ区,结合年径流总量控制率范围为75%≤α≤85%。
综合考虑遂宁市降雨特征、试点区现状建设情况、既有项目改造实施难度及投入产出效率,结合《海绵城市建设技术指南》相关要求,确定试点区内年径流总量控制率不低于75%,相对应的设计降雨量不小于25.7mm。
中华人民共和国国家标准室外给水设计规范Code for design of outdoor water supply engineeringGB50013-2006主编部门:上海市建设和交通委员会批准部门:中华人民共和国建设部2006-01-18 发布2006-06-01实施中华人民共和国建设部公告第410号建设部关于发布国家标准《室外给水设计规范》的公告现批准《室外给水设计规范》为国家标准,编号为GB50013-2006,自2006年6月1日起实施。
其中,第3.0.8、4.0.5、5.1.1、5.1.3、5.3.6、7.1.9、7.5.5、8.0.6、8.0.10、9.3.1、9.8.1、9.8.15、9.8.16、9.8.17、9.8.18、9.8.19、9.8.25、9.8.26、9.8.27、9.9.4、9.9.19、9.11.2条为强制性条文,必须严格执行,原《室外给水设计规范》GBJ13-86及《工程建设标准局部修订公告》(1997年第11号)同时废止。
本规范由建设部标准定额研究所组织中国计划出版社出版发行。
中华人民共和国建设部二○○六年一月十八日前言本规范系根据建设部《关于印发“二OO二~二OO三年度工程建设国家标准制订、修订计划”的通知》(建标[2003]102号),由上海市建设和交通委员会主编,具体由上海市政工程设计研究院会同北京市市政工程设计研究总院、中国市政工程华北设计研究院、中国市政工程东北设计研究院、中国市政工程西北设计研究院、中国市政工程中南设计研究院、中国市政工程西南设计研究院、杭州市城市规划设计研究院、同济大学、哈尔滨工业大学、广州大学、重庆大学,对原规范进行全面修订。
本规范编制过程中总结了近年来给水工程的设计经验,对重大问题开展专题研讨,提出了征求意见稿,在广泛征求全国有关设计、科研、大专院校的专家、学者和设计人员意见的基础上,经编制组认真研究分析编制而成。
本规范修订的主要技术内容有:①补充制定规范的目的,体现贯彻国家法律、法规;②增加给水工程系统设计有关内容;③增加预处理、臭氧净水、活性炭吸附、水质稳定等有关内容;④增加净水厂排泥水处理;⑤增加检测与控制;⑥将网格絮凝、气水反冲、含氟水处理、低温低浊水处理推荐性标准中的主要内容纳入本规范;⑦删去悬浮澄清池、穿孔旋流絮凝池、移动冲洗罩滤池的有关内容;⑧结合水质的提高,调整了各净水构筑物的设计指标和参数;⑨补充和修改了管道水力计算公式。
室外污水管坡度标准在室外污水管道工程中,正确的坡度标准是非常重要的。
它不仅影响着污水的流动速度和方向,还直接关系到管道的排水效果和使用寿命。
因此,合理的污水管坡度标准对于工程质量和使用效果具有至关重要的作用。
首先,室外污水管道的坡度标准应符合国家相关标准和规范要求。
根据《建筑给水排水设计规范》(GB 50015-2003)的规定,污水管道的坡度应根据管道材质、管径和流量等因素来确定。
一般情况下,污水管道的坡度标准为每米0.5%至1%,具体数值应根据工程实际情况进行合理确定。
在设计和施工过程中,必须严格按照国家标准进行操作,确保污水管道的坡度符合规范要求。
其次,室外污水管道的坡度标准还应考虑到周围环境因素的影响。
在实际工程中,可能会遇到地势起伏、建筑物布局等情况,这些因素都会对污水管道的坡度标准产生影响。
因此,在确定污水管道的坡度标准时,需要充分考虑周围环境因素,并进行合理调整,以确保污水能够顺利流动,不发生积水现象,保证排水效果。
另外,污水管道的坡度标准还应结合管道材质和施工工艺进行考虑。
不同材质的污水管道在施工和使用过程中会有不同的特点和要求,因此在确定坡度标准时,需要考虑到管道的材质特性,采取相应的施工工艺,保证污水管道的坡度标准能够得到有效执行。
最后,室外污水管道的坡度标准还应定期进行检查和维护。
在使用过程中,由于地基沉降、管道老化等原因,污水管道的坡度标准可能会发生变化,导致排水效果下降。
因此,需要定期对污水管道的坡度标准进行检查,及时发现并解决问题,确保污水管道的正常使用。
总之,室外污水管道的坡度标准是保证排水效果和使用寿命的关键因素。
在工程设计和施工中,必须严格按照国家标准进行操作,并充分考虑周围环境因素和管道材质特性,定期进行检查和维护,以确保污水管道的坡度标准能够得到有效执行,保证排水效果和使用寿命。
室外雨污水排水管道安装施工方案
前言
本文档旨在介绍室外雨污水排水管道安装的施工方案。
该方案
需要按照相关法律法规的要求进行,并经过质量验收合格后方可使用。
请在实施前确保施工人员已具备相关资质。
材料准备
- 雨污水管道:根据工程设计,选用规格相符合的管材进行采购,并进行质量检验。
- 排水井、检查井:根据设计图纸采购,要求防渗漏,防腐蚀,强度高,并且具备良好的密封性能。
- 相关辅具:包括弯头、三通、法兰、焊接、密封胶等辅助材料。
材料采购时应注意质量是否合格。
施工步骤
1. 划定管道铺设线路。
2. 开挖管道沟槽。
3. 敷设管道。
4. 安装排水井和检查井。
5. 进行防渗漏、密封处理。
6. 对管道进行试压、回填沟槽。
7. 室外雨污水排水管道安装施工完成。
安全注意事项
1. 在施工现场应设置安全警示标志。
2. 施工人员应戴好必要的个人防护用品。
3. 施工现场应保持清洁,注意防火、防爆。
4. 严禁在施工过程中抛弃垃圾。
该方案仅供参考,具体操作还需结合实际情况和相关法律法规进行调整。
在施工过程中请特别注意施工安全,确保施工质量,做到安全、优质、高效。
室外雨污水管网技术标准
本技术标准适用于本公司民用建筑群(小区)的HDPE双壁波纹管、排水铸铁管、混凝土管、钢筋混凝土管等室外排水管道安装工程。
编制依据:
1.《建筑工程施工质量验收统一标准》GB50300-2013
2.《建筑给水排水设计规范》GB50015-2003
3.《室外排水设计规范》GB50014-2006
4.《建筑给水排水及采暖工程施工质量验收规范》GB50242-2002
5.《给水排水构筑物工程施工及验收规范》GB50141-2008
6.《给水排水管道施工及验收规范》GB50268-2008
7.《建筑地基基础工程施工质量验收规范》GB50202-2013
8.《埋地高密度聚乙烯双壁波纹管排水管道工程技术规程》
一、管材
1、混凝土管、钢筋混凝土管有出厂合格证,混凝土管有出厂合格证和水泥强度报告。
管壁薄厚均匀,内外光滑整洁,不允许有砂眼、裂纹、飞刺等,承插口的内外径及造型规矩。
2、HDPE双壁波纹管:环刚度≥4000N/m2,管材的颜色应一致、无色泽不均及分解变色现象;管材的内外壁应光滑、平整、无汽泡、无裂口、无明显痕迹和凹陷;要有产品质量检验报告,合格证原件。
二、管沟
1、管沟的坐标、位置、沟底标高应符合设计要求;排水管道的坡度必须符合设计要求,严禁无坡或倒坡。
2、HDPE双壁波纹管管沟的沟底层应是原土层,或是夯实的回填土,沟底应平整,坡度应顺畅,不得有尖硬的物体、块石等;如沟基为岩石、不易清除的块石或为砾石层时,沟底应下挖100~200mm,填铺细砂或粒径不大于5mm 的细土,夯实到沟底标高后,方可进行管道敷设。
3、钢筋混凝土排水管:钢筋混凝土管道须做混凝土带形基础,基础垫层可铺设碎石层或原土夯实,基础和管道之间的管座必须用现浇混凝土填充密实,以减少对地基的压力和对管子的反力。
三、管道敷设
1、管道承插接口时,插口插入方向应与水流方向一致,由低点向高点依次安装,钢筋混凝土管如采用抹带接口,接口前应将管口的外壁凿毛、扫净;接口完毕后,抹带应进行保湿养护。
2、采用橡胶圈接口的HDPE管材,连接前,应先检查胶圈是否配套完好;接口作业时,应先将承口(或插口)的内(或外)工作面用棉纱清理干净,不得有泥土等杂物。
表2 室外排水管道安装的允许偏差和检验方法
砂浆,厚20mm,雨水检查井内壁抹面至管顶以上200mm,遇地下水时,井外壁抹面至地下水位以上500mm;污水井内外壁抹面至检查井向上开始收口的部位;
6、管道与混凝土或砖砌检查井连接时,宜采用刚性连接。
①当管道已敷设到位,在砌筑砖砌检查井井壁时,宜采用现浇混凝土包封插入井壁的管段。
混凝土包封的厚度不宜小于100mm,强度等级不得低于C20。
②当管道未敷设,在砌筑检查井时,应在井壁上按管道轴线标高和管径开预留洞口。
预留洞口内径不宜小于管材外径加100mm。
连接时用水泥砂浆填实插入端与洞口之间隙缝。
水泥砂浆的配合比不得低于1:2,且砂浆内宜掺入微膨胀剂。
砖砌井壁上的预留洞口应沿圆周砌筑砖拱圈。
7、雨、污水管道为各单体建筑物预留的接口支管做出道路外1m,所有预留接口须全部临时封堵,以防现场泥沙流入管道造成堵塞。
该处地面上做100mm×100mm宽、800mm高水泥标志桩。
8、污水管道上的检查井,井内流槽高度应为满管高;检查井井深≥1.2m应设置钢制爬梯,刷防锈漆两道;井盖应分清轻、重型之分。
井圈采用1:2水泥砂浆座牢,如果要求采用防盗井圈应在井口浇筑80厚240宽C20混凝土,防盗井圈固定铁脚插入混凝土内安装。
9、检查井需在环境平面图上精确定位,特别注意避让路边、停车位边、景观铺装边;严禁出现类似井一半在路一半不在路上的情况。
五、雨污水管道闭水试验
1、雨、污水管道排水应畅通,无堵塞,管接口无渗漏。
2、闭水试验检查方法为逐段观察,按排水检查井分段试验,试验水头应以试验段上游管顶加1m,时间不少于30min,无漏水现象则认为合格。
六、管道回填
雨污水管道的沟槽应在闭水试验合格后及时回填。
沟槽的回填材料,除设计文件另有规定外,应符合下列规定:
1、槽底至管顶以上50cm范围内采用中砂回填,不得含有机物、冻土以及大于50mm 的砖、石等硬块;在抹带接口处、防腐绝缘层或电缆周围,应采用细粒土回填;
2、冬期回填时管顶以上50cm范围以外可均匀掺入冻土,其数量不得超过填土总体积的15%,且冻块尺寸不得超过100mm。