电路图中的符号
- 格式:doc
- 大小:31.00 KB
- 文档页数:5
电流表PA电压表PV有功电度表PJ无功电度表PJR频率表PF相位表PPA最大需量表(负荷监控仪) PM 功率因数表PPF有功功率表PW无功功率表PR无功电流表PAR声信号HA光信号HS指示灯HL红色灯HR绿色灯HG黄色灯HY蓝色灯HB白色灯HW连接片XB插头XP插座XS端子板XT电线,电缆,母线W直流母线WB插接式(馈电)母线WIB 电力分支线WP照明分支线WL应急照明分支线WE 电力干线WPM照明干线WLM应急照明干线WEM滑触线WT合闸小母线WCL控制小母线WC信号小母线WS闪光小母线WF事故音响小母线WFS 预告音响小母线WPS 电压小母线WV事故照明小母线WELM 避雷器F熔断器FU快速熔断器FTF跌落式熔断器FF限压保护器件FV电容器C电力电容器CE正转按钮SBF反转按钮SBR停止按钮SBS紧急按钮SBE试验按钮SBT复位按钮SR限位开关SQ接近开关SQP手动控制开关SH时间控制开关SK液位控制开关SL湿度控制开关SM压力控制开关SP速度控制开关SS温度控制开关,辅助开关ST 电压表切换开关SV电流表切换开关SA整流器U可控硅整流器UR控制电路有电源的整流器VC 变频器UF变流器UC逆变器UI电动机M异步电动机MA同步电动机MS直流电动机MD绕线转子感应电动机MW 鼠笼型电动机MC电动阀YM电磁阀YV防火阀YF排烟阀YS电磁锁YL跳闸线圈YT合闸线圈YC气动执行器YPA,YA电动执行器YE光电池,热电传感器B压力变换器BP温度变换器BT速度变换器BV时间测量传感器BT1,BK 液位测量传感器BL温度测量传感器BH,BM发热器件(电加热) FH 照明灯(发光器件) EL 空气调节器EV电加热器加热元件EE 感应线圈,电抗器L励磁线圈LF消弧线圈LA滤波电容器LL电阻器,变阻器R电位器RP热敏电阻RT光敏电阻RL压敏电阻RPS接地电阻RG放电电阻RD启动变阻器RS频敏变阻器RF限流电阻器RC电路图符号是指用一种书画图形代表一种电子元件(比如:电容、电阻、二极管、三极官、集成电路等等)的符号,有了电路图符号我学习、演示、设计就可以轻松的在图纸上完成。
电路图常用符号:AC——交流电DC——直流电FU——熔断器跌落式熔断器 FF快速熔断器 FTFG ——发电机M ——电动机HP——光字牌HL——指示灯HY——黄灯HB——蓝灯HG——绿灯HR——红灯HW——白灯K ——继电器KA——电流继电器KD——差动继电器KF——继电器KH——热继电器KA——瞬时接触继电器、瞬时有或无继电器、交流继电器中间继电器KOF 出口中间继电器KS 信号继电器KT 时间继电器KV(NZ) 电压继电器(负序零序)KP 极化继电器KR 干簧继电器KI 阻抗继电器KW(NZ) 功率方向继电器(负序零序) KM——接触器KV电压继电器L 线路QF 断路器QS 隔离开关T 变压器TA 电流互感器TV 电压互感器W 直流母线YC 合闸线圈YT 跳闸线圈PQS 有功无功视在功率EUI 电动势电压电流SE 实验按钮SR 复归按钮Q——电路得开关器件FR——热继电器KT——延时有或无继电器Q——电路得开关器件KT——延时有或无继电器SB——按钮开关SA 转换开关电流表 PA电压表 PV有功电度表 PJ无功电度表 PJR频率表 PF相位表 PPA最大需量表(负荷监控仪) PM 功率因数表 PPF有功功率表 PW无功功率表 PR无功电流表 PAR声信号 HA光信号 HS连接片 XB插头 XP插座 XS端子板 XT电线电缆母线 W直流母线 WB插接式(馈电)母线 WIB 电力分支线 WP照明分支线 WL应急照明分支线 WE电力干线 WPM照明干线 WLM应急照明干线 WEM滑触线 WT合闸小母线 WCL控制小母线 WC信号小母线 WS闪光小母线 WF事故音响小母线 WFS 预报音响小母线 WPS 电压小母线 WV事故照明小母线 WELM 避雷器 F限压保护器件 FV电容器 C电力电容器 CE正转按钮 SBF反转按钮 SBR停止按钮 SBS紧急按钮 SBE试验按钮 SBT复位按钮 SR限位开关 SQ接近开关 SQP手动控制开关 SH时间控制开关 SK液位控制开关 SL湿度控制开关 SM压力控制开关 SP速度控制开关 SS温度控制开关辅助开关 ST 电压表切换开关 SV电流表切换开关 SA整流器 U可控硅整流器 UR控制电路有电源得整流器 VC 变频器 UF变流器 UC逆变器 UI 电动机 M异步电动机 MA同步电动机 MS直流电动机 MD绕线转子感应电动机 MW鼠笼型电动机 MC电动阀 YM电磁阀 YV防火阀 YF排烟阀 YS电磁锁 YL跳闸线圈 YT合闸线圈 YC气动执行器 YPAYA电动执行器 YE发热器件(电加热) FH照明灯(发光器件) EL空气调节器 EV电加热器加热元件 EE感应线圈电抗器 L励磁线圈 LF消弧线圈 LA滤波电容器 LL电阻器变阻器 R电位器 RP热敏电阻 RT光敏电阻 RL压敏电阻 RPS接地电阻 RG放电电阻 RD启动变阻器 RS频敏变阻器 RF限流电阻器 RC光电池热电传感器 B 压力变换器 BP温度变换器 BT速度变换器 BV时间测量传感器 BT1BK 液位测量传感器 BL温度测量传感器 BHBM。
蓄电池继电器电容器点烟器双掷继电器断路器电阻器二极管稳压管相当于一个简单的电分支电阻器压调节器。
光电二极管可变电阻或变阻器分电器,集成式点火传感器(热敏电阻) 装置模拟式速度传感器保险丝熔断丝短路插销接地电磁阀大灯扬声器喇叭手动开关点火线圈双掷开关灯点火开关LED(发光二极管) 刮水器停驻开关模拟式仪表晶体管数字式仪表导线接合处无黑点的交叉线(1)未连在一起。
接合处有黑点或八角形(○)标记的交叉线连接在一起。
电机字符电路图符号大全:AAT 电源自动投入装置AC 交流电DC 直流电FU 熔断器G 发电机M 电动机HG 绿灯HR 红灯HW 白灯HP 光字牌K 继电器KA(NZ) 电流继电器(负序零序) KD 差动继电器KF 闪光继电器KH 热继电器KM 中间继电器KOF 出口中间继电器KS 信号继电器KT 时间继电器KV(NZ) 电压继电器(负序零序) KP 极化继电器空气调节器 EV电加热器加热元件 EE 感应线圈电抗器 L励磁线圈 LF消弧线圈 LA滤波电容器 LL电阻器变阻器 R电位器 RP热敏电阻 RT光敏电阻 RL压敏电阻 RPS接地电阻 RG放电电阻 RD启动变阻器 RS频敏变阻器 RF限流电阻器 RC光电池热电传感器 B 压力变换器 BP温度变换器 BT速度变换器 BV时间测量传感器 BT1BK 液位测量传感器 BL温度测量传感器 BHBM。
收藏:电路图形符号大全电子设备中有各种各样的图,能够说明它们工作原理的是电原理图,简称电路图。
电路图是说明模拟电子电路工作原理的,它用各种图形符号表示电阻器、电容器、开关、晶体管等实物,用线条把元器件和单元电路按工作原理的关系连接起来。
一张电路图就好象是一篇文章,各种单元电路就好比是句子,而各种元器件就是组成句子的单词。
所以要想看懂电路图,还得从认识单词——元器件开始。
本文把电路图中常出现的各种符号重述一遍,希望初学者熟悉它们,并记住不忘。
电阻器与电位器符号详见图①所示,其中(a)表示一般的阻值固定的电阻器;(b)表示半可调或微调电阻器;(c)表示电位器;(d)表示带开关的电位器。
电阻器的文字符号是“R”,电位器是“RP”,即在R的后面再加一个说明它有调节功能的字符“P”。
在某些电路中,对电阻器的功率有一定要求,可分别用图1中(e)、(f)、(g)、(h)所示符号来表示。
几种特殊电阻器的符号第1种是热敏电阻符号,热敏电阻器的电阻值是随外界温度而变化的。
有的是负温度系数的,用NTC来表示;有的是正温度系数的,用PTC来表示。
它的符号见图(i),用θ或t°来表示温度。
它的文字符号是“RT”。
第2种是光敏电阻器符号,见图1(j),有两个斜向的箭头表示光线。
它的文字符号是“RL”。
第3种是压敏电阻器的符号。
压敏电阻阻值是随电阻器两端所加的电压而变化的。
符号见图1(k),用字符U表示电压。
它的文字符号是“RV”。
这三种电阻器实际上都是半导体器件,但习惯上我们仍把它们当作电阻器。
第4种特殊电阻器符号是表示新近出现的保险电阻,它兼有电阻器和熔丝的作用。
当温度超过500℃时,电阻层迅速剥落熔断,把电路切断,能起到保护电路的作用。
它的电阻值很小,目前在彩电中用得很多。
它的图形符号见图1(1),文字符号是“R F”。
电容器的符号详见图②所示,其中(a)表示容量固定的电容器;(b)表示有极性电容器,例如各种电解电容器;(c)表示容量可调的可变电容器;(d)表示微调电容器;(e)表示一个双连可变电容器。
电路图形大全一、图形表示符号:D双向触发二极管表示符号:D稳压二极管表示符号:ZD,D桥式整流二极管表示符号:D精心整理(双基极二极管)复合三极管表示符号:Q,VTPNP型三极管表示符号:Q,VTNPN型三极管表示符号:Q,VT带阻尼二极管及电阻NPN型精心整理表示符号:LED带阻尼二极管NPN型三极管表示符号:Q,VT接面型场效应管P-JFET精心整理电位器表示符号:VR,RP,W三脚消磁电阻表示符号:RT二脚消磁电阻表示符号:RT压敏电阻精心整理表示符号:IC,N电阻电阻器或固定电阻表示符号:R可调电阻表示符号:VR,RP,W热敏电阻表示符号:RT精心整理双向可控硅(晶闸管)石英晶体滤波器表示符号:X双列集成电路表示符号:IC或U运算放大器精心整理永久磁铁电感表示符号:L 继电器继电器精心整理线路输入端子恒流源按键开关表示符号:S精心整理恒压源精心整理二、电工电路图符号大全电流表PA电压表PV有功电度表PJ无功电度表PJR频率表PF相位表PPA插接式(馈电)母线WIB电力分支线WP照明分支线WL应急照明分支线WE电力干线WPM照明干线WLM应急照明干线WEM精心整理滑触线WT合闸小母线WCL控制小母线WC信号小母线WS闪光小母线WF事故音响小母线WFS预告音响小母线WPS速度控制开关SS温度控制开关,辅助开关ST电压表切换开关SV电流表切换开关SA整流器U可控硅整流器UR精心整理控制电路有电源的整流器VC变频器UF变流器UC逆变器UI电动机M异步电动机MA滤波电容器LL电阻器,变阻器R电位器RP热敏电阻RT光敏电阻RL压敏电阻RPS接地电阻RG精心整理放电电阻RD启动变阻器RS频敏变阻器RF限流电阻器RC光电池,热电传感器 B压力变换器BPBK 黑BL 蓝BW 向后C 控制CW 顺时针CCW 逆时针精心整理D 延时(延迟)D 差动D 数字D 降DC 直流DEC 减E 接地OUT 输出P 压力P 保护PE 保护接地PEN 保护接地与中性线共用PU 不接地保护R 记录精心整理R 右R 反RD 红色RRST 复位RES 备用RUN 运转4 零序电流继电器KAZ LLJ5 电压继电器KV YJ6 正序电压继电器KVP ZYJ7 负序电压继电器KVN FYJ8 零序电压继电器KVZ LYJ9 时间继电器KT SJ10 功率继电器KP GJ精心整理11 差动继电器KD CJ12 信号继电器KS XJ13 信号冲击继电器KAI XMJ14 继电器KC ZJ15 热继电器KR RJ16 阻抗继电器KI ZKJ17 温度继电器KTP WJ40 跳闸按扭SBT TA41 复归按扭SBre或SBR FA42 试验按扭SBte YA43 紧急停机按扭SBes JTA44 起动按扭SBst QA45 自保持按扭SBhs BA46 停止按扭SBss精心整理47 控制开关SAC KK48 转换开关SAH或SA ZK49 测量转换开关SAM CK50 同期转换开关SAS TK51 自动同期转换开关2SASC DTK52 手动同期转换开关1SASC STK53 自同期转换开关SSA2 ZTK76 电压表PV77 电度表PJ78 有功功率表PPA79 无功功率表PPR80 同期表S81 频率表PF82 电容器C精心整理83 灭磁电阻RFS或Rfd Rmc84 分流器RW85 热电阻RT86 电位器RP87 电感(电抗)线圈L88 电流互感器TA CT或LH89 电压互感器TV PT或YH无功电度表PJR频率表PF相位表PPA最大需量表(负荷监控仪) PM功率因数表PPF有功功率表PW无功功率表PR精心整理无功电流表PAR声信号HA光信号HS指示灯HL红色灯HR绿色灯HG事故音响小母线WFS预告音响小母线WPS电压小母线WV事故照明小母线WELM避雷器 F熔断器FU快速熔断器FTF精心整理跌落式熔断器FF限压保护器件FV电容器 C电力电容器CE正转按钮SBF反转按钮SBR停止按钮SBS电动机M异步电动机MA同步电动机MS直流电动机MD绕线转子感应电动机MW鼠笼型电动机MC精心整理电动阀YM电磁阀YV防火阀YF排烟阀YS电磁锁YL跳闸线圈YT合闸线圈YC光电池,热电传感器 B压力变换器BP温度变换器BT速度变换器BV时间测量传感器BT1,BK液位测量传感器BL温度测量传感器BH,BM精心整理关于电路图的图形符号一、电气制图采用的国家过以图形符号表示项目精心整理及它们之间关系的图示示形式。
电路图形大全一、图形电位器表示符号:VR,RP,W可调电阻表示符号:VR,RP,W电位器表示符号:VR,RP,W三脚消磁电阻表示符号:RT 二脚消磁电阻表示符号:RT压敏电阻表示符号:RZ,VAR光敏电阻CDS 电容(有极性电容)表示符号:电容(有极性电容)表示符号:C电容(无极性电容)表示符号:C 四端光电光电耦合器表示符号:IC,N六端光电光电耦合器表示符号:IC,N场效应管增强型N-MOS 电阻电阻器或固定电阻表示符号:R可调电阻表示符号:VR,RP,W热敏电阻表示符号:RT可调电容表示符号:C单向可控硅(晶闸管)双向可控硅(晶闸管) 双向可控硅(晶闸管)晶振石英晶体振荡器表示符号:X 石英晶体滤波器表示符号:X双列集成电路表示符号:IC或U运算放大器倒相放大器ANDgate 非门NAND gate与非门NOR gate 或非门保险管表示符号:F变压器永久磁铁电感二、电工电路图符号大全电流表PA电压表PV有功电度表PJ无功电度表PJR频率表PF相位表PPA最大需量表(负荷监控仪) PM 功率因数表PPF有功功率表PW无功功率表PR无功电流表PAR声信号HA光信号HS指示灯HL红色灯HR绿色灯HG黄色灯HY蓝色灯HB白色灯HW连接片XB插头XP插座XS端子板XT电线,电缆,母线W直流母线WB插接式(馈电)母线WIB 电力分支线WP照明分支线WL应急照明分支线WE电力干线WPM照明干线WLM应急照明干线WEM滑触线WT合闸小母线WCL控制小母线WC信号小母线WS闪光小母线WF事故音响小母线WFS 预告音响小母线WPS 电压小母线WV事故照明小母线WELM 避雷器F熔断器FU快速熔断器FTF跌落式熔断器FF限压保护器件FV电容器C电力电容器CE正转按钮SBF反转按钮SBR停止按钮SBS紧急按钮SBE试验按钮SBT复位按钮SR限位开关SQ接近开关SQP手动控制开关SH时间控制开关SK液位控制开关SL湿度控制开关SM压力控制开关SP速度控制开关SS温度控制开关,辅助开关ST 电压表切换开关SV电流表切换开关SA整流器U可控硅整流器UR控制电路有电源的整流器VC 变频器UF变流器UC逆变器UI电动机M异步电动机MA同步电动机MS直流电动机MD绕线转子感应电动机MW鼠笼型电动机MC电动阀YM电磁阀YV防火阀YF排烟阀YS电磁锁YL跳闸线圈YT合闸线圈YC气动执行器YPA,YA电动执行器YE发热器件(电加热) FH照明灯(发光器件) EL空气调节器EV电加热器加热元件EE 感应线圈,电抗器L励磁线圈LF消弧线圈LA滤波电容器LL电阻器,变阻器R电位器RP热敏电阻RT光敏电阻RL压敏电阻RPS接地电阻RG放电电阻RD启动变阻器RS频敏变阻器RF限流电阻器RC光电池,热电传感器 B压力变换器BP温度变换器BT速度变换器BV时间测量传感器BT1,BK 液位测量传感器BL温度测量传感器BH,BM辅助文名称字符号A 电流A 模拟ACA 交流AUTACC 加速ADD 附加ADJ 可调AUX 辅助ASY 异步BBRK 制动BK 黑BL 蓝BW 向后C 控制CW 顺时针CCW 逆时针D 延时(延迟)D 差动D 数字D 降DC 直流DEC 减E 接地EM 紧急F 快速FB 反馈FW 正,向前GN 绿H 高IN 输入INC 增IND 感应L 左L 限制L 低LA 闭锁M 主M 中间线MMAN 手动N 中性线OFF 断开ON 接通(闭合)OUT 输出P 压力P 保护PE 保护接地PEN 保护接地与中性线共用PU 不接地保护R 记录R 右R 反RD 红色RRST 复位RES 备用RUN 运转S 信号ST 启动SSET 置位、定位SAT 饱和STE 步进STP 停止SYN 同步T 温度T 时间TE 无噪音(防干扰)接地V 真空V 速度V 电压WH 白YE 黄电气元件符号大全序号元件名称新符号旧符号1 继电器K J2 电流继电器KA LJ3 负序电流继电器KAN FLJ4 零序电流继电器KAZ LLJ5 电压继电器KV YJ6 正序电压继电器KVP ZYJ7 负序电压继电器KVN FYJ8 零序电压继电器KVZ LYJ9 时间继电器KT SJ10 功率继电器KP GJ11 差动继电器KD CJ12 信号继电器KS XJ13 信号冲击继电器KAI XMJ14 继电器KC ZJ15 热继电器KR RJ16 阻抗继电器KI ZKJ17 温度继电器KTP WJ18 瓦斯继电器KG WSJ19 合闸继电器KCR或KON HJ20 跳闸继电器KTR TJ21 合闸继电器KCP HWJ22 跳闸继电器KTP TWJ23 电源监视继电器KVS JJ24 压力监视继电器KVP YJJ25 电压继电器KVM YZJ26 事故信号继电器KCA SXJ27 继电保护跳闸出口继电器KOU BCJ28 手动合闸继电器KCRM SHJ29 手动跳闸继电器KTPM STJ30 加速继电器KAC或KCL JSJ31 复归继电器KPE FJ32 闭锁继电器KLA或KCB BSJ33 同期检查继电器KSY TJJ34 自动准同期装置ASA ZZQ35 自动重合闸装置ARE ZCJ36 自动励磁调节装置AVR或AAVR ZTL37 备用电源自动投入装置AATS或RSAD BZT38 按扭SB AN39 合闸按扭SBC HA40 跳闸按扭SBT TA41 复归按扭SBre或SBR FA42 试验按扭SBte YA43 紧急停机按扭SBes JTA44 起动按扭SBst QA45 自保持按扭SBhs BA46 停止按扭SBss47 控制开关SAC KK48 转换开关SAH或SA ZK49 测量转换开关SAM CK50 同期转换开关SAS TK51 自动同期转换开关2SASC DTK52 手动同期转换开关1SASC STK53 自同期转换开关SSA2 ZTK54 自动开关QA55 刀开关QK或SN DK56 熔断器FU RD57 快速熔断器FUhs RDS58 闭锁开关SAL BK59 信号灯HL XD60 光字牌HL或HP GP61 警铃HAB或HA JL62 合闸接触器KMC HC63 接触器KM C64 合闸线圈Yon或LC HQ65 跳闸线圈Yoff或LT TQ66 插座XS67 插头XP68 端子排XT69 测试端子XE70 连接片XB LP71 蓄电池GB XDC72 压力变送器BP YB73 温度变送器BT WDB74 电钟PT75 电流表PA76 电压表PV77 电度表PJ78 有功功率表PPA79 无功功率表PPR80 同期表S81 频率表PF82 电容器C83 灭磁电阻RFS或Rfd Rmc84 分流器RW85 热电阻RT86 电位器RP87 电感(电抗)线圈L88 电流互感器TA CT或LH89 电压互感器TV PT或YH10KV电压互感器TV SYH35KV电压互感器TV UYH110KV电压互感器TV YYH90 断路器QF DL91 隔离开关QS G92 电力变压器TM B93 同步发电机GS TF94 交流电动机MA JD95 直流电动机MD ZD96 电压互感器二次回路小母线97 同期电压小母线(待并)WST或WVB TQMa,TQMb98 同期电压小母线(运行)WOS`或WVBn TQM`a,TQM`b99 准同期合闸小母线1WSC,2WSC,3WSC1WPO,2WPO,3WPO 1THM,2THM,3THM100 控制电源小母线+WC,-WC +KM,-KM101 信号电源小母线+WS,-WS +XM,-XM102 合闸电源小母线+WON,-WON +HM,-HM103 事故信号小母线WFA SYM104 零序电压小母线WVBz电流表PA电压表PV有功电度表PJ无功电度表PJR频率表PF相位表PPA最大需量表(负荷监控仪) PM 功率因数表PPF有功功率表PW无功功率表PR无功电流表PAR声信号HA光信号HS指示灯HL红色灯HR绿色灯HG黄色灯HY蓝色灯HB白色灯HW连接片XB插头XP插座XS端子板XT电线,电缆,母线W直流母线WB插接式(馈电)母线WIB电力分支线WP照明分支线WL应急照明分支线WE电力干线WPM照明干线WLM应急照明干线WEM滑触线WT合闸小母线WCL控制小母线WC信号小母线WS闪光小母线WF事故音响小母线WFS预告音响小母线WPS电压小母线WV事故照明小母线WELM避雷器F熔断器FU快速熔断器FTF跌落式熔断器FF限压保护器件FV电容器C电力电容器CE正转按钮SBF反转按钮SBR停止按钮SBS紧急按钮SBE试验按钮SBT复位按钮SR限位开关SQ接近开关SQP手动控制开关SH时间控制开关SK液位控制开关SL湿度控制开关SM压力控制开关SP速度控制开关SS温度控制开关,辅助开关ST 电压表切换开关SV电流表切换开关SA整流器U可控硅整流器UR控制电路有电源的整流器VC 变频器UF变流器UC逆变器UI电动机M异步电动机MA同步电动机MS直流电动机MD绕线转子感应电动机MW 鼠笼型电动机MC电动阀YM电磁阀YV防火阀YF排烟阀YS电磁锁YL跳闸线圈YT合闸线圈YC气动执行器YPA,YA电动执行器YE发热器件(电加热) FH照明灯(发光器件) EL空气调节器EV电加热器加热元件EE感应线圈,电抗器L励磁线圈LF消弧线圈LA滤波电容器LL电阻器,变阻器R电位器RP热敏电阻RT光敏电阻RL压敏电阻RPS接地电阻RG放电电阻RD启动变阻器RS频敏变阻器RF限流电阻器RC光电池,热电传感器 B压力变换器BP温度变换器BT速度变换器BV时间测量传感器BT1,BK液位测量传感器BL温度测量传感器BH,BM关于电路图的图形符号一、电气制图采用的国家标准GB/T 6988.1-2008《电气技术用文件编制第1部分:规则》2008标准对简图的定义术语是:“主要是通过以图形符号表示项目及它们之间关系的图示形式来表达信息。
电路图常用符号:AC——交流电DC——直流电FU——熔断器跌落式熔断器 FF快速熔断器 FTFG ——发电机M ——电动机HP——光字牌HL——指示灯HY——黄灯HB——蓝灯HG——绿灯HR——红灯HW——白灯K ——继电器KA——电流继电器KD——差动继电器KF——继电器KH——热继电器KA——瞬时接触继电器.瞬时有或无继电器.交流继电器中间继电器KOF 出口中间继电器KS 信号继电器KT 时间继电器KV(NZ) 电压继电器(负序零序)KP 极化继电器KR 干簧继电器KI 阻抗继电器KW(NZ) 功率方向继电器(负序零序) KM——接触器KV电压继电器L 线路QF 断路器QS 隔离开关T 变压器TA 电流互感器TV 电压互感器W 直流母线YC 合闸线圈YT 跳闸线圈PQS 有功无功视在功率EUI 电动势电压电流SE 实验按钮SR 复归按钮Q——电路的开关器件FR——热继电器KT——延时有或无继电器Q——电路的开关器件KT——延时有或无继电器SB——按钮开关SA 转换开关电流表 PA电压表 PV有功电度表 PJ无功电度表 PJR频率表 PF相位表 PPA最大需量表(负荷监控仪) PM 功率因数表 PPF有功功率表 PW无功功率表 PR无功电流表 PAR声信号 HA光信号 HS连接片 XB插头 XP插座 XS端子板 XT电线电缆母线 W直流母线 WB插接式(馈电)母线 WIB 电力分支线 WP照明分支线 WL应急照明分支线 WE电力干线 WPM照明干线 WLM应急照明干线 WEM滑触线 WT合闸小母线 WCL控制小母线 WC信号小母线 WS闪光小母线 WF事故音响小母线 WFS 预报音响小母线 WPS 电压小母线 WV事故照明小母线 WELM 避雷器 F限压保护器件 FV电容器 C电力电容器 CE正转按钮 SBF反转按钮 SBR停止按钮 SBS紧急按钮 SBE试验按钮 SBT复位按钮 SR限位开关 SQ接近开关 SQP手动控制开关 SH时间控制开关 SK液位控制开关 SL湿度控制开关 SM压力控制开关 SP速度控制开关 SS温度控制开关辅助开关 ST 电压表切换开关 SV电流表切换开关 SA整流器 U可控硅整流器 UR控制电路有电源的整流器 VC 变频器 UF变流器 UC逆变器 UI 电动机 M异步电动机 MA同步电动机 MS直流电动机 MD绕线转子感应电动机 MW鼠笼型电动机 MC电动阀 YM电磁阀 YV防火阀 YF排烟阀 YS电磁锁 YL跳闸线圈 YT合闸线圈 YC气动执行器 YPAYA电动执行器 YE发热器件(电加热) FH照明灯(发光器件) EL空气调节器 EV电加热器加热元件 EE感应线圈电抗器 L励磁线圈 LF消弧线圈 LA滤波电容器 LL电阻器变阻器 R电位器 RP热敏电阻 RT光敏电阻 RL压敏电阻 RPS接地电阻 RG放电电阻 RD启动变阻器 RS频敏变阻器 RF限流电阻器 RC光电池热电传感器 B 压力变换器 BP温度变换器 BT速度变换器 BV时间测量传感器 BT1BK 液位测量传感器 BL温度测量传感器 BHBM。
电路原理图中的符号大全及其应用
1. 电源符号
•直流电源符号:用水平线表示负极,垂直线表示正极。
•交流电源符号:用波浪线表示。
2. 连接线符号
•直线:表示连接正极和负极。
•曲线:表示交叉或接地。
3. 导线符号
•直线:表示导线连接。
•短线:表示电子元器件之间的连接。
•Wiggly Line:表示电路间的可调连接。
4. 开关符号
•SPST(一个极性、单极单刀):简单的开关符号。
•SPDT(一个极性、单极双刀):表示一个开关控制两个电路。
•DPST(双极性、双极单刀):表示两个开关可同时控制两个电路。
•DPDT (双极性、双极双刀):表示两个开关可同时控制四个电路。
5. 电阻符号
•可调电阻:表示可根据需要调整电阻大小。
•固定电阻:表示电阻固定不变。
6. 电容符号
•林肯式电容:平行线表示林肯式电容。
•E形电容:类似字母。
电路图中符号的含义集团档案编码:[YTTR-YTPT28-YTNTL98-UYTYNN08]AAT电源自动投入装置AC交流电DC直流电FU熔断器G发电机M电动机HG绿灯HR红灯HW白灯HP光字牌K继电器KA(NZ)电流继电器(负序零序)KD差动继电器KF闪光继电器KH热继电器KMKOF出口KS信号继电器KTKV(NZ)电压继电器(负序零序)KP极化继电器KR干簧继电器KI阻抗继电器KW(NZ)(负序零序)KM接触器KA瞬时继电器;瞬时有或无继电器;交流继电器KV电压继电器L线路QF断路器QS隔离开关T变压器TATVW直流母线YC合闸线圈YT跳闸线圈PQS有功无功视在功率EUI电动势电压电流SE实验按钮SR复归按钮f频率Q——电路的开关器件FU——熔断器FR——热继电器KM——接触器KA——1、瞬时接触继电器2、瞬时有或无继电器3、交流继电器KT——延时有或无继电器SB——Q——电路的开关器件FU——熔断器KM——接触器KA——1、瞬时接触继电器2、瞬时有或无继电器3、交流继电器KT——延时有或无继电器SB——SA转换开关电流表PA电压表PV有功电度表PJ无功电度表PJR频率表PF相位表PPA最大需量表(负荷监控仪)PMPPF有功功率表PW无功功率表PR无功电流表PAR声信号HA光信号HS指示灯HL红色灯HR绿色灯HG黄色灯HY蓝色灯HB白色灯HW连接片XB插头XP插座XS电线电缆母线W直流母线WB插接式(馈电)母线WIB 电力分支线WP照明分支线WL应急照明分支线WE电力干线WPM照明干线WLM应急照明干线WEM滑触线WT合闸小母线WCL控制小母线WC信号小母线WS闪光小母线WF事故音响小母线WFS 预报音响小母线WPS 电压小母线WV事故照明小母线WELM 避雷器F熔断器FUFTFFF限压保护器件FV电容器CCE正转按钮SBF反转按钮SBR停止按钮SBS紧急按钮SBE试验按钮SBT复位按钮SR限位开关SQ接近开关SQP手动控制开关SH时间控制开关SK液位控制开关SL湿度控制开关SM压力控制开关SP速度控制开关SS电压表切换开关SV电流表切换开关SA整流器U可控硅整流器UR控制电路有电源的整流器VC 变频器UF变流器UC逆变器UI电动机M异步电动机MA同步电动机MS直流电动机MD绕线转子感应电动机MW鼠笼型电动机MC电动阀YM电磁阀YV防火阀YF排烟阀YS电磁锁YL跳闸线圈YT合闸线圈YC气动执行器YPAYA电动执行器YE发热器件(电加热)FH照明灯(发光器件)EL空气调节器EV电加热器加热元件EE感应线圈电抗器L励磁线圈LF消弧线圈LA滤波电容器LL电阻器变阻器R电位器RP热敏电阻RT光敏电阻RL压敏电阻RPS接地电阻RG放电电阻RD启动变阻器RS限流电阻器RC光电池热电传感器B压力变换器BP温度变换器BT速度变换器BV时间测量传感器BT1BK液位测量传感器BL温度测量传感器BHBM本文来自:电子电路图网(/article/jichu/201102/27-12997.html 字符电路图符号大全:AAT电源自动投入装置AC交流电DC直流电FU熔断器G发电机M电动机HG绿灯HR红灯HW白灯HP光字牌K继电器KA(NZ)电流继电器(负序零序)KD差动继电器KF闪光继电器KH热继电器KM中间继电器KOF出口中间继电器KS信号继电器KT时间继电器KV(NZ)电压继电器(负序零序)KP极化继电器KR干簧继电器KI阻抗继电器KW(NZ)功率方向继电器(负序零序)KM接触器KA瞬时继电器;瞬时有或无继电器;交流继电器KV电压继电器L线路QS隔离开关T变压器TA电流互感器TV电压互感器W直流母线YC合闸线圈YT跳闸线圈PQS有功无功视在功率EUI电动势电压电流SE实验按钮SR复归按钮f频率Q——电路的开关器件FU——熔断器FR——热继电器KM——接触器KA——1、瞬时接触继电器2、瞬时有或无继电器3、交流继电器KT——延时有或无继电器SB——按钮开关Q——电路的开关器件FU——熔断器KM——接触器KA——1、瞬时接触继电器2、瞬时有或无继电器3、交流继电器KT——延时有或无继电器SB——按钮开关SA转换开关电流表PA电压表PV有功电度表PJ无功电度表PJR频率表PF相位表PPA最大需量表(负荷监控仪)PM功率因数表PPF有功功率表PW无功功率表PR无功电流表PAR声信号HA光信号HS指示灯HL绿色灯HG黄色灯HY蓝色灯HB白色灯HW连接片XB插头XP插座XS端子板XT电线电缆母线W直流母线WB插接式(馈电)母线WIB 电力分支线WP照明分支线WL应急照明分支线WE电力干线WPM照明干线WLM应急照明干线WEM滑触线WT合闸小母线WCL控制小母线WC信号小母线WS闪光小母线WF事故音响小母线WFS 预报音响小母线WPS 电压小母线WV事故照明小母线WELM 避雷器F熔断器FU快速熔断器FTF跌落式熔断器FF限压保护器件FV。
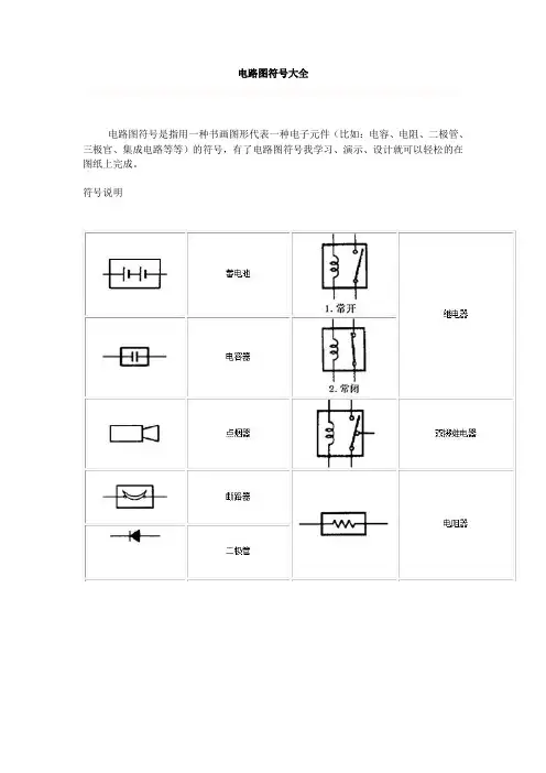
电路图符号大全电路图符号是指用一种书画图形代表一种电子元件(比如:电容、电阻、二极管、三极官、集成电路等等)的符号,有了电路图符号我学习、演示、设计就可以轻松的在图纸上完成。
符号说明还有一种电路图符号是字符表示电子元件的,下面是字符电路图符号大全:AAT 电源自动投入装置AC 交流电DC 直流电FU 熔断器G 发电机M 电动机HG 绿灯HR 红灯HW 白灯HP 光字牌K 继电器KA(NZ) 电流继电器(负序零序)KD 差动继电器KF 闪光继电器KH 热继电器KM 中间继电器KOF 出口中间继电器KS 信号继电器KT 时间继电器KV(NZ) 电压继电器(负序零序)KP 极化继电器KR 干簧继电器KI 阻抗继电器KW(NZ) 功率方向继电器(负序零序)KM 接触器KA 瞬时继电器;瞬时有或无继电器;交流继电器KV电压继电器L 线路QF 断路器QS 隔离开关T 变压器TA 电流互感器TV 电压互感器W 直流母线YC 合闸线圈YT 跳闸线圈PQS 有功无功视在功率EUI 电动势电压电流SE 实验按钮SR 复归按钮f 频率Q——电路的开关器件FU——熔断器FR——热继电器KM——接触器KA——1、瞬时接触继电器 2、瞬时有或无继电器 3、交流继电器KT——延时有或无继电器SB——按钮开关 Q——电路的开关器件FU——熔断器KM——接触器KA——1、瞬时接触继电器 2、瞬时有或无继电器 3、交流继电器KT——延时有或无继电器SB——按钮开关SA 转换开关电流表 PA电压表 PV有功电度表 PJ无功电度表 PJR频率表 PF相位表 PPA最大需量表(负荷监控仪) PM功率因数表 PPF有功功率表 PW无功功率表 PR无功电流表 PAR声信号 HA光信号 HS指示灯 HL红色灯 HR绿色灯 HG黄色灯 HY蓝色灯 HB白色灯 HW连接片 XB插头 XP插座 XS端子板 XT电线电缆母线 W直流母线 WB插接式(馈电)母线 WIB电力分支线 WP照明分支线 WL应急照明分支线 WE电力干线 WPM照明干线 WLM应急照明干线 WEM滑触线 WT合闸小母线 WCL控制小母线 WC信号小母线 WS闪光小母线 WF事故音响小母线 WFS预报音响小母线 WPS电压小母线 WV事故照明小母线 WELM避雷器 F熔断器 FU快速熔断器 FTF跌落式熔断器 FF限压保护器件 FV电容器 C电力电容器 CE正转按钮 SBF反转按钮 SBR停止按钮 SBS紧急按钮 SBE试验按钮 SBT复位按钮 SR限位开关 SQ接近开关 SQP手动控制开关 SH时间控制开关 SK液位控制开关 SL湿度控制开关 SM压力控制开关 SP速度控制开关 SS温度控制开关辅助开关 ST 电压表切换开关 SV电流表切换开关 SA整流器 U可控硅整流器 UR控制电路有电源的整流器 VC 变频器 UF变流器 UC逆变器 UI电动机 M异步电动机 MA同步电动机 MS直流电动机 MD绕线转子感应电动机 MW 鼠笼型电动机 MC电动阀 YM电磁阀 YV防火阀 YF排烟阀 YS电磁锁 YL跳闸线圈 YT合闸线圈 YC气动执行器 YPAYA电动执行器 YE发热器件(电加热) FH 照明灯(发光器件) EL 空气调节器 EV电加热器加热元件 EE 感应线圈电抗器 L励磁线圈 LF消弧线圈 LA滤波电容器 LL电阻器变阻器 R电位器 RP热敏电阻 RT光敏电阻 RL压敏电阻 RPS接地电阻 RG放电电阻 RD启动变阻器 RS频敏变阻器 RF限流电阻器 RC光电池热电传感器 B压力变换器 BP温度变换器 BT速度变换器 BV时间测量传感器 BT1BK 液位测量传感器 BL温度测量传感器 BHBM。
电路图形大全一、图形三脚消磁电阻表示符号:RT 二脚消磁电阻表示符号:RT压敏电阻表示符号:RZ,VAR光敏电阻CDS 电容(有极性电容)表示符号:电容(有极性电容)表示符号:C电容(无极性电容)表示符号:C 四端光电光电耦合器表示符号:IC,N六端光电光电耦合器表示符号:IC,N场效应管增强型N-MOS 电阻电阻器或固定电阻表示符号:R可调电阻表示符号:VR,RP,W热敏电阻表示符号:RT可调电容表示符号:C单向可控硅(晶闸管) 双向可控硅(晶闸管) 双向可控硅(晶闸管)晶振石英晶体振荡器表示符号:X 石英晶体滤波器表示符号:X双列集成电路表示符号:IC或U运算放大器倒相放大器AND gate 非门NAND gate与非门NOR gate 或非门保险管表示符号:F变压器表示符号:T 永久磁铁电感表示符号:L继电器继电器晶振石英晶体振荡器单列集成电路OR gate 或门二、电工电路图符号大全电流表PA电压表PV有功电度表PJ无功电度表PJR频率表PF相位表PPA最大需量表(负荷监控仪) PM 功率因数表PPF有功功率表PW无功功率表PR无功电流表PAR声信号HA光信号HS指示灯HL红色灯HR绿色灯HG黄色灯HY蓝色灯HB白色灯HW连接片XB插头XP插座XS端子板XT电线,电缆,母线W直流母线WB插接式(馈电)母线WIB电力分支线WP照明分支线WL应急照明分支线WE电力干线WPM照明干线WLM应急照明干线WEM滑触线WT合闸小母线WCL控制小母线WC信号小母线WS闪光小母线WF事故音响小母线WFS预告音响小母线WPS电压小母线WV事故照明小母线WELM避雷器F熔断器FU快速熔断器FTF跌落式熔断器FF限压保护器件FV电容器C电力电容器CE正转按钮SBF反转按钮SBR停止按钮SBS紧急按钮SBE试验按钮SBT复位按钮SR限位开关SQ接近开关SQP手动控制开关SH时间控制开关SK液位控制开关SL湿度控制开关SM压力控制开关SP速度控制开关SS温度控制开关,辅助开关ST 电压表切换开关SV电流表切换开关SA整流器U可控硅整流器UR控制电路有电源的整流器VC 变频器UF变流器UC逆变器UI电动机M异步电动机MA同步电动机MS直流电动机MD绕线转子感应电动机MW 鼠笼型电动机MC电动阀YM电磁阀YV防火阀YF排烟阀YS电磁锁YL跳闸线圈YT合闸线圈YC气动执行器YPA,YA电动执行器YE发热器件(电加热) FH照明灯(发光器件) EL空气调节器EV电加热器加热元件EE感应线圈,电抗器L励磁线圈LF消弧线圈LA滤波电容器LL电阻器,变阻器R电位器RP热敏电阻RT光敏电阻RL压敏电阻RPS接地电阻RG放电电阻RD启动变阻器RS频敏变阻器RF限流电阻器RC光电池,热电传感器 B压力变换器BP温度变换器BT速度变换器BV时间测量传感器BT1,BK 液位测量传感器BL温度测量传感器BH,BM辅助文名称字符号A 电流A 模拟ACA 交流自动AUTACC 加速ADD 附加ADJ 可调AUX 辅助ASY 异步BBRK 制动BK 黑BL 蓝BW 向后C 控制CW 顺时针CCW 逆时针D 延时(延迟)D 差动D 数字D 降DC 直流DEC 减E 接地EM 紧急F 快速FB 反馈FW 正,向前GN 绿H 高IN 输入INC 增IND 感应L 左L 限制L 低LA 闭锁M 主M 中M 中间线MMAN 手动N 中性线OFF 断开ON 接通(闭合)OUT 输出P 压力P 保护PE 保护接地PEN 保护接地与中性线共用PU 不接地保护R 记录R 右R 反RD 红色RRST 复位RES 备用RUN 运转S 信号ST 启动SSET 置位、定位SAT 饱和STE 步进STP 停止SYN 同步T 温度T 时间TE 无噪音(防干扰)接地V 真空V 速度V 电压WH 白YE 黄电气元件符号大全序号元件名称新符号旧符号1 继电器K J2 电流继电器KA LJ3 负序电流继电器KAN FLJ4 零序电流继电器KAZ LLJ5 电压继电器KV YJ6 正序电压继电器KVP ZYJ7 负序电压继电器KVN FYJ8 零序电压继电器KVZ LYJ9 时间继电器KT SJ10 功率继电器KP GJ11 差动继电器KD CJ12 信号继电器KS XJ13 信号冲击继电器KAI XMJ14 继电器KC ZJ15 热继电器KR RJ16 阻抗继电器KI ZKJ17 温度继电器KTP WJ18 瓦斯继电器KG WSJ19 合闸继电器KCR或KON HJ20 跳闸继电器KTR TJ21 合闸继电器KCP HWJ22 跳闸继电器KTP TWJ23 电源监视继电器KVS JJ24 压力监视继电器KVP YJJ25 电压继电器KVM YZJ26 事故信号继电器KCA SXJ27 继电保护跳闸出口继电器KOU BCJ28 手动合闸继电器KCRM SHJ29 手动跳闸继电器KTPM STJ30 加速继电器KAC或KCL JSJ31 复归继电器KPE FJ32 闭锁继电器KLA或KCB BSJ33 同期检查继电器KSY TJJ34 自动准同期装置ASA ZZQ35 自动重合闸装置ARE ZCJ36 自动励磁调节装置AVR或AAVR ZTL37 备用电源自动投入装置AATS或RSAD BZT38 按扭SB AN39 合闸按扭SBC HA40 跳闸按扭SBT TA41 复归按扭SBre或SBR FA42 试验按扭SBte YA43 紧急停机按扭SBes JTA44 起动按扭SBst QA45 自保持按扭SBhs BA46 停止按扭SBss47 控制开关SAC KK48 转换开关SAH或SA ZK49 测量转换开关SAM CK50 同期转换开关SAS TK51 自动同期转换开关2SASC DTK52 手动同期转换开关1SASC STK53 自同期转换开关SSA2 ZTK54 自动开关QA55 刀开关QK或SN DK56 熔断器FU RD57 快速熔断器FUhs RDS58 闭锁开关SAL BK59 信号灯HL XD60 光字牌HL或HP GP61 警铃HAB或HA JL62 合闸接触器KMC HC63 接触器KM C64 合闸线圈Yon或LC HQ65 跳闸线圈Yoff或LT TQ66 插座XS67 插头XP68 端子排XT69 测试端子XE70 连接片XB LP71 蓄电池GB XDC72 压力变送器BP YB73 温度变送器BT WDB74 电钟PT75 电流表PA76 电压表PV77 电度表PJ78 有功功率表PPA79 无功功率表PPR80 同期表S81 频率表PF82 电容器C83 灭磁电阻RFS或Rfd Rmc84 分流器RW85 热电阻RT86 电位器RP87 电感(电抗)线圈L88 电流互感器TA CT或LH89 电压互感器TV PT或YH 10KV电压互感器TV SYH35KV电压互感器TV UYH 110KV电压互感器TV YYH90 断路器QF DL91 隔离开关QS G92 电力变压器TM B93 同步发电机GS TF94 交流电动机MA JD95 直流电动机MD ZD96 电压互感器二次回路小母线97 同期电压小母线(待并)WST或WVB TQMa,TQMb98 同期电压小母线(运行)WOS`或WVBn TQM`a,TQM`b99 准同期合闸小母线1WSC,2WSC,3WSC1WPO,2WPO,3WPO 1THM,2THM,3THM100 控制电源小母线+WC,-WC +KM,-KM101 信号电源小母线+WS,-WS +XM,-XM102 合闸电源小母线+WON,-WON +HM,-HM103 事故信号小母线WFA SYM104 零序电压小母线WVBz电流表PA电压表PV有功电度表PJ无功电度表PJR频率表PF相位表PPA最大需量表(负荷监控仪) PM功率因数表PPF有功功率表PW无功功率表PR无功电流表PAR声信号HA光信号HS指示灯HL红色灯HR绿色灯HG黄色灯HY蓝色灯HB白色灯HW连接片XB插头XP插座XS端子板XT电线,电缆,母线W直流母线WB插接式(馈电)母线WIB电力分支线WP照明分支线WL应急照明分支线WE电力干线WPM照明干线WLM应急照明干线WEM滑触线WT合闸小母线WCL控制小母线WC信号小母线WS闪光小母线WF事故音响小母线WFS预告音响小母线WPS电压小母线WV事故照明小母线WELM避雷器F熔断器FU快速熔断器FTF跌落式熔断器FF限压保护器件FV电容器C电力电容器CE正转按钮SBF反转按钮SBR停止按钮SBS紧急按钮SBE试验按钮SBT复位按钮SR限位开关SQ接近开关SQP手动控制开关SH时间控制开关SK液位控制开关SL湿度控制开关SM压力控制开关SP速度控制开关SS温度控制开关,辅助开关ST 电压表切换开关SV电流表切换开关SA整流器U可控硅整流器UR控制电路有电源的整流器VC 变频器UF变流器UC逆变器UI电动机M异步电动机MA同步电动机MS直流电动机MD绕线转子感应电动机MW鼠笼型电动机MC电动阀YM电磁阀YV防火阀YF排烟阀YS电磁锁YL跳闸线圈YT合闸线圈YC气动执行器YPA,YA电动执行器YE发热器件(电加热) FH照明灯(发光器件) EL空气调节器EV电加热器加热元件EE感应线圈,电抗器L励磁线圈LF消弧线圈LA滤波电容器LL电阻器,变阻器R电位器RP热敏电阻RT光敏电阻RL压敏电阻RPS接地电阻RG放电电阻RD启动变阻器RS频敏变阻器RF限流电阻器RC光电池,热电传感器 B压力变换器BP温度变换器BT速度变换器BV时间测量传感器BT1,BK液位测量传感器BL温度测量传感器BH,BM关于电路图的图形符号一、电气制图采用的国家标准GB/T 《电气技术用文件编制第1部分:规则》2008标准对简图的定义术语是:“主要是通过以图形符号表示项目及它们之间关系的图示形式来表达信息。
电路中的符号电路图是用来表示电路连接和元件的图形符号。
下面是一些常见的电路图符号。
电路图符号大全如下:电阻器符号(R):用字母“R”表示电阻器。
电容器符号(C):用字母“C”表示电容器。
电感器符号(L):用字母“L”表示电感器。
集成电路符号(IC):用字母“IC”表示集成电路。
二极管符号(D):用字母“D”表示二极管。
三极管符号(Q):用字母“Q”表示三极管。
稳压管符号(Z):用字母“Z”表示稳压管。
开关电源符号(SMPS):用字母“SMPS”表示开关电源。
变压器符号(T):用字母“T”表示变压器。
电池符号(BAT):用字母“BAT”表示电池。
电阻器变值符号(RP):用字母“RP”表示可变电阻器。
电容器变值符号(VC):用字母“VC”表示可变电容器。
电感器变值符号(LV):用字母“LV”表示可变电感器。
保险丝符号(F):用字母“F”表示保险丝。
熔断器符号(FU):用字母“FU”表示熔断器。
热敏电阻符号(RT):用字母“RT”表示热敏电阻。
光敏电阻符号(RG):用字母“RG”表示光敏电阻。
气敏电阻符号(RQ):用字母“RQ”表示气敏电阻。
磁敏电阻符号(RM):用字母“RM”表示磁敏电阻。
电机符号(M):用字母“M”表示电机。
灯泡符号(H):用字母“H”表示灯泡。
电动机符号(EM):用字母“EM”表示电动机。
扬声器符号(L):用字母“L”表示扬声器。
继电器符号(K):用字母“K”表示继电器。
蜂鸣器符号(B):用字母“B”表示蜂鸣器。
电路图形大全一、图形电位器表示符号:VR,RP,W可调电阻表示符号:VR,RP,W电位器表示符号:VR,RP,W三脚消磁电阻表示符号:RT 二脚消磁电阻表示符号:RT压敏电阻表示符号:RZ,VAR光敏电阻CDS 电容(有极性电容)表示符号:电容(有极性电容)表示符号:C电容(无极性电容)表示符号:C 四端光电光电耦合器表示符号:IC,N六端光电光电耦合器表示符号:IC,N场效应管增强型N-MOS 电阻电阻器或固定电阻表示符号:R可调电阻表示符号:VR,RP,W热敏电阻表示符号:RT可调电容表示符号:C单向可控硅(晶闸管) 双向可控硅(晶闸管) 双向可控硅(晶闸管)晶振石英晶体振荡器表示符号:X 石英晶体滤波器表示符号:X双列集成电路表示符号:IC或U运算放大器倒相放大器AND gate 非门NAND gate与非门NOR gate 或非门保险管表示符号:F变压器表示符号:T 永久磁铁电感表示符号:L二、电工电路图符号大全电流表PA电压表PV有功电度表PJ无功电度表PJR频率表PF相位表PPA最大需量表(负荷监控仪) PM 功率因数表PPF有功功率表PW无功功率表PR无功电流表PAR声信号HA光信号HS指示灯HL红色灯HR绿色灯HG黄色灯HY蓝色灯HB白色灯HW连接片XB插头XP插座XS端子板XT电线,电缆,母线W直流母线WB插接式(馈电)母线WIB电力分支线WP照明分支线WL应急照明分支线WE电力干线WPM照明干线WLM应急照明干线WEM滑触线WT合闸小母线WCL控制小母线WC信号小母线WS闪光小母线WF事故音响小母线WFS预告音响小母线WPS电压小母线WV事故照明小母线WELM避雷器F熔断器FU快速熔断器FTF跌落式熔断器FF限压保护器件FV电容器C电力电容器CE正转按钮SBF反转按钮SBR停止按钮SBS紧急按钮SBE试验按钮SBT复位按钮SR限位开关SQ接近开关SQP手动控制开关SH时间控制开关SK液位控制开关SL湿度控制开关SM压力控制开关SP速度控制开关SS温度控制开关,辅助开关ST 电压表切换开关SV电流表切换开关SA整流器U可控硅整流器UR控制电路有电源的整流器VC 变频器UF变流器UC逆变器UI电动机M异步电动机MA同步电动机MS直流电动机MD绕线转子感应电动机MW 鼠笼型电动机MC电动阀YM电磁阀YV防火阀YF排烟阀YS电磁锁YL跳闸线圈YT合闸线圈YC气动执行器YPA,YA电动执行器YE发热器件(电加热) FH照明灯(发光器件) EL空气调节器EV电加热器加热元件EE感应线圈,电抗器L励磁线圈LF消弧线圈LA滤波电容器LL电阻器,变阻器R电位器RP热敏电阻RT光敏电阻RL压敏电阻RPS接地电阻RG放电电阻RD启动变阻器RS频敏变阻器RF限流电阻器RC光电池,热电传感器 B压力变换器BP温度变换器BT速度变换器BV时间测量传感器BT1,BK 液位测量传感器BL温度测量传感器BH,BM辅助文名称字符号A 电流A 模拟ACA 交流自动AUTACC 加速ADD 附加ADJ 可调AUX 辅助ASY 异步BBRK 制动BK 黑BL 蓝BW 向后C 控制CW 顺时针CCW 逆时针D 延时(延迟)D 差动D 数字D 降DC 直流DEC 减E 接地EM 紧急F 快速FB 反馈FW 正,向前GN 绿H 高IN 输入INC 增IND 感应L 左L 限制L 低LA 闭锁M 主M 中M 中间线MMAN 手动N 中性线OFF 断开ON 接通(闭合)OUT 输出P 压力P 保护PE 保护接地PEN 保护接地与中性线共用PU 不接地保护R 记录R 右R 反RD 红色RRST 复位RES 备用RUN 运转S 信号ST 启动SSET 置位、定位SAT 饱和STE 步进STP 停止SYN 同步T 温度T 时间TE 无噪音(防干扰)接地V 真空V 速度V 电压WH 白YE 黄电气元件符号大全序号元件名称新符号旧符号1 继电器K J2 电流继电器KA LJ3 负序电流继电器KAN FLJ4 零序电流继电器KAZ LLJ5 电压继电器KV YJ6 正序电压继电器KVP ZYJ7 负序电压继电器KVN FYJ8 零序电压继电器KVZ LYJ9 时间继电器KT SJ10 功率继电器KP GJ11 差动继电器KD CJ12 信号继电器KS XJ13 信号冲击继电器KAI XMJ14 继电器KC ZJ15 热继电器KR RJ16 阻抗继电器KI ZKJ17 温度继电器KTP WJ18 瓦斯继电器KG WSJ19 合闸继电器KCR或KON HJ20 跳闸继电器KTR TJ21 合闸继电器KCP HWJ22 跳闸继电器KTP TWJ23 电源监视继电器KVS JJ24 压力监视继电器KVP YJJ25 电压继电器KVM YZJ26 事故信号继电器KCA SXJ27 继电保护跳闸出口继电器KOU BCJ28 手动合闸继电器KCRM SHJ29 手动跳闸继电器KTPM STJ30 加速继电器KAC或KCL JSJ31 复归继电器KPE FJ32 闭锁继电器KLA或KCB BSJ33 同期检查继电器KSY TJJ34 自动准同期装置ASA ZZQ35 自动重合闸装置ARE ZCJ36 自动励磁调节装置AVR或AAVR ZTL37 备用电源自动投入装置AATS或RSAD BZT38 按扭SB AN39 合闸按扭SBC HA40 跳闸按扭SBT TA41 复归按扭SBre或SBR FA42 试验按扭SBte YA43 紧急停机按扭SBes JTA44 起动按扭SBst QA45 自保持按扭SBhs BA46 停止按扭SBss47 控制开关SAC KK48 转换开关SAH或SA ZK49 测量转换开关SAM CK50 同期转换开关SAS TK51 自动同期转换开关2SASC DTK52 手动同期转换开关1SASC STK53 自同期转换开关SSA2 ZTK54 自动开关QA55 刀开关QK或SN DK56 熔断器FU RD57 快速熔断器FUhs RDS58 闭锁开关SAL BK59 信号灯HL XD60 光字牌HL或HP GP61 警铃HAB或HA JL62 合闸接触器KMC HC63 接触器KM C64 合闸线圈Yon或LC HQ65 跳闸线圈Yoff或LT TQ66 插座XS67 插头XP68 端子排XT69 测试端子XE70 连接片XB LP71 蓄电池GB XDC72 压力变送器BP YB73 温度变送器BT WDB74 电钟PT75 电流表PA76 电压表PV77 电度表PJ78 有功功率表PPA79 无功功率表PPR80 同期表S81 频率表PF82 电容器C83 灭磁电阻RFS或Rfd Rmc84 分流器RW85 热电阻RT86 电位器RP87 电感(电抗)线圈L88 电流互感器TA CT或LH89 电压互感器TV PT或YH 10KV电压互感器TV SYH35KV电压互感器TV UYH 110KV电压互感器TV YYH90 断路器QF DL91 隔离开关QS G92 电力变压器TM B93 同步发电机GS TF94 交流电动机MA JD95 直流电动机MD ZD96 电压互感器二次回路小母线97 同期电压小母线(待并)WST或WVB TQMa,TQMb98 同期电压小母线(运行)WOS`或WVBn TQM`a,TQM`b99 准同期合闸小母线1WSC,2WSC,3WSC1WPO,2WPO,3WPO 1THM,2THM,3THM100 控制电源小母线+WC,-WC +KM,-KM101 信号电源小母线+WS,-WS +XM,-XM102 合闸电源小母线+WON,-WON +HM,-HM103 事故信号小母线WFA SYM104 零序电压小母线WVBz电流表PA电压表PV有功电度表PJ无功电度表PJR频率表PF相位表PPA最大需量表(负荷监控仪) PM功率因数表PPF有功功率表PW无功功率表PR无功电流表PAR声信号HA光信号HS指示灯HL红色灯HR绿色灯HG黄色灯HY蓝色灯HB白色灯HW连接片XB插头XP插座XS端子板XT电线,电缆,母线W直流母线WB插接式(馈电)母线WIB电力分支线WP照明分支线WL应急照明分支线WE电力干线WPM照明干线WLM应急照明干线WEM滑触线WT合闸小母线WCL控制小母线WC信号小母线WS闪光小母线WF事故音响小母线WFS预告音响小母线WPS电压小母线WV事故照明小母线WELM避雷器F熔断器FU快速熔断器FTF跌落式熔断器FF限压保护器件FV电容器C电力电容器CE正转按钮SBF反转按钮SBR停止按钮SBS紧急按钮SBE试验按钮SBT复位按钮SR限位开关SQ接近开关SQP手动控制开关SH时间控制开关SK液位控制开关SL湿度控制开关SM压力控制开关SP速度控制开关SS温度控制开关,辅助开关ST 电压表切换开关SV电流表切换开关SA整流器U可控硅整流器UR控制电路有电源的整流器VC 变频器UF变流器UC逆变器UI电动机M异步电动机MA同步电动机MS直流电动机MD绕线转子感应电动机MW鼠笼型电动机MC电动阀YM电磁阀YV防火阀YF排烟阀YS电磁锁YL跳闸线圈YT合闸线圈YC气动执行器YPA,YA电动执行器YE发热器件(电加热) FH照明灯(发光器件) EL空气调节器EV电加热器加热元件EE感应线圈,电抗器L励磁线圈LF消弧线圈LA滤波电容器LL电阻器,变阻器R电位器RP热敏电阻RT光敏电阻RL压敏电阻RPS接地电阻RG放电电阻RD启动变阻器RS频敏变阻器RF限流电阻器RC光电池,热电传感器 B压力变换器BP温度变换器BT速度变换器BV时间测量传感器BT1,BK液位测量传感器BL温度测量传感器BH,BM关于电路图的图形符号一、电气制图采用的国家标准GB/T 6988.1-2008《电气技术用文件编制第1部分:规则》2008标准对简图的定义术语是:“主要是通过以图形符号表示项目及它们之间关系的图示形式来表达信息。
电路图常用符号:AC 交流电DC 直流电FU 熔断器G 发电机M 电动机HG 绿灯HR 红灯HW 白灯HP 光字牌K 继电器KA(NZ) 电流继电器(负序零序) KD 差动继电器KF 闪光继电器KH 热继电器KM 中间继电器KOF 出口中间继电器KS 信号继电器KT 时间继电器KV(NZ) 电压继电器(负序零序) KP 极化继电器KR 干簧继电器KI 阻抗继电器KW(NZ) 功率方向继电器(负序零序) KM 接触器KA 瞬时继电器;瞬时有或无继电器;交流继电器KV电压继电器L 线路QF 断路器QS 隔离开关T 变压器TA 电流互感器TV 电压互感器W 直流母线YC 合闸线圈YT 跳闸线圈PQS 有功无功视在功率EUI 电动势电压电流SE 实验按钮SR 复归按钮f 频率Q——电路的开关器件FU——熔断器FR——热继电器KM ——接触器KA——1、瞬时接触继电器2、瞬时有或无继电器3、交流继电器KT——延时有或无继电器SB——按钮开关Q——电路的开关器件FU——熔断器KM——接触器KA ——1、瞬时接触继电器2、瞬时有或无继电器3、交流继电器KT——延时有或无继电器SB——按钮开关SA 转换开关电流表PA 电压表PV 有功电度表PJ 无功电度表PJR 频率表PF 相位表PPA 最大需量表(负荷监控仪) P M 功率因数表PPF 有功功率表PW 无功功率表PR 无功电流表PAR 声信号HA 光信号HS 指示灯HL 红色灯HR 绿色灯HG 黄色灯HY 蓝色灯HB 白色灯HW 连接片XB 插头XP 插座XS 端子板XT 电线电缆母线W 直流母线WB 插接式(馈电)母线WIB 电力分支线WP 照明分支线WL 应急照明分支线WE 电力干线WPM 照明干线WLM 应急照明干线WEM 滑触线WT 合闸小母线WCL 控制小母线WC 信号小母线WS 闪光小母线W F 事故音响小母线WFS 预报音响小母线WPS 电压小母线WV 事故照明小母线WELM 避雷器F 熔断器FU 快速熔断器FTF 跌落式熔断器FF 限压保护器件FV 电容器C 电力电容器CE 正转按钮SBF 反转按钮SBR 停止按钮SBS 紧急按钮SBE 试验按钮SBT 复位按钮SR 限位开关SQ 接近开关SQP 手动控制开关SH 时间控制开关SK 液位控制开关SL 湿度控制开关S M 压力控制开关SP 速度控制开关SS 温度控制开关辅助开关ST 电压表切换开关SV 电流表切换开关SA 整流器U 可控硅整流器UR 控制电路有电源的整流器VC 变频器UF 变流器UC 逆变器UI 电动机M 异步电动机M A 同步电动机MS 直流电动机MD 绕线转子感应电动机MW 鼠笼型电动机MC 电动阀YM 电磁阀YV 防火阀YF 排烟阀YS 电磁锁YL 跳闸线圈Y T 合闸线圈YC 气动执行器YPAYA 电动执行器YE 发热器件(电加热) FH 照明灯(发光器件) EL 空气调节器EV 电加热器加热元件EE 感应线圈电抗器L 励磁线圈LF 消弧线圈LA 滤波电容器LL 电阻器变阻器R 电位器RP 热敏电阻RT 光敏电阻RL 压敏电阻RPS 接地电阻RG 放电电阻RD 启动变阻器RS 频敏变阻器RF 限流电阻器RC 光电池热电传感器B 压力变换器B P 温度变换器BT 速度变换器BV 时间测量传感器BT1BK 液位测量传感器BL 温度测量传感器。
电气图纸符号大全电气图纸是电气工程中非常重要的一部分,它是电气工程师们用来传达电气设计意图的重要工具。
在电气图纸中,各种符号的使用是必不可少的,它们能够简洁地表达出各种电气元件和设备的特性和功能。
因此,熟练掌握电气图纸中的符号是每个电气工程师必备的基本技能。
在电气图纸中,符号的使用是有一定规范的,不同的符号代表着不同的元件和设备,下面我们就来详细介绍一些常见的电气图纸符号。
1. 电源符号,电气图纸中,电源符号通常用来表示电路的供电来源,它的形状一般为一个实心圆圈,上面带有一个加号和一个减号,代表正负极。
有时候也会使用一个波浪线来表示交流电源。
2. 开关符号,开关符号在电气图纸中用来表示电路中的开关元件,一般为一个实心矩形,上面有一个斜线,表示开关的位置。
3. 电灯符号,电灯符号用来表示电路中的灯具,一般为一个实心圆圈,里面有一个加号和一个线代表灯丝。
4. 电阻符号,电阻符号用来表示电路中的电阻元件,一般为一个波浪线,代表电阻的阻值。
5. 电容符号,电容符号用来表示电路中的电容元件,一般为两条平行的线,代表电容的两极。
6. 电感符号,电感符号用来表示电路中的电感元件,一般为一个螺线管状的符号,代表电感的线圈。
7. 传感器符号,传感器符号用来表示电路中的传感器元件,一般为一个三角形,代表传感器的感应范围。
8. 电机符号,电机符号用来表示电路中的电机元件,一般为一个长方形,里面有一个波浪线,代表电机的旋转。
以上是一些常见的电气图纸符号,它们在电气工程设计中起着非常重要的作用。
掌握这些符号的意义和使用方法,能够帮助电气工程师们更好地进行电气设计和施工。
希望以上内容对大家有所帮助,谢谢阅读!。
电路图形大全一、图形AND二、电工电路图符号大全电流表PA电压表PV有功电度表PJ无功电度表PJR频率表PF相位表PPA最大需量表(负荷监控仪) PM 功率因数表PPF有功功率表PW无功功率表PR无功电流表PAR声信号HA光信号HS指示灯HL红色灯HR绿色灯HG黄色灯HY蓝色灯HB白色灯HW连接片XB插头XP插座XS端子板XT电线,电缆,母线W直流母线WB插接式(馈电)母线WIB 电力分支线WP照明分支线WL应急照明分支线WE电力干线WPM照明干线WLM应急照明干线WEM滑触线WT合闸小母线WCL控制小母线WC信号小母线WS闪光小母线WF事故音响小母线WFS 预告音响小母线WPS 电压小母线WV事故照明小母线WELM 避雷器F熔断器FU快速熔断器FTF跌落式熔断器FF限压保护器件FV电容器C电力电容器CE正转按钮SBF反转按钮SBR停止按钮SBS紧急按钮SBE试验按钮SBT复位按钮SR限位开关SQ接近开关SQP手动控制开关SH时间控制开关SK液位控制开关SL湿度控制开关SM压力控制开关SP速度控制开关SS温度控制开关,辅助开关ST 电压表切换开关SV电流表切换开关SA整流器U可控硅整流器UR控制电路有电源的整流器VC 变频器UF变流器UC逆变器UI电动机M异步电动机MA同步电动机MS直流电动机MD绕线转子感应电动机MW鼠笼型电动机MC电动阀YM电磁阀YV防火阀YF排烟阀YS电磁锁YL跳闸线圈YT合闸线圈YC气动执行器YPA,YA电动执行器YE发热器件(电加热) FH照明灯(发光器件) EL空气调节器EV电加热器加热元件EE 感应线圈,电抗器L励磁线圈LF消弧线圈LA滤波电容器LL电阻器,变阻器R电位器RP热敏电阻RT光敏电阻RL压敏电阻RPS接地电阻RG放电电阻RD启动变阻器RS频敏变阻器RF限流电阻器RC光电池,热电传感器 B压力变换器BP温度变换器BT速度变换器BV时间测量传感器BT1,BK 液位测量传感器BL温度测量传感器BH,BM辅助文名称字符号A 电流A 模拟ACA 交流AUTACC 加速ADD 附加ADJ 可调AUX 辅助ASY 异步BBRK 制动BK 黑BL 蓝BW 向后C 控制CW 顺时针CCW 逆时针D 延时(延迟)D 差动D 数字D 降DC 直流DEC 减E 接地EM 紧急F 快速FB 反馈FW 正,向前GN 绿H 高IN 输入INC 增IND 感应L 左L 限制L 低LA 闭锁M 主M 中间线MMAN 手动N 中性线OFF 断开ON 接通(闭合)OUT 输出P 压力P 保护PE 保护接地PEN 保护接地与中性线共用PU 不接地保护R 记录R 右R 反RD 红色RRST 复位RES 备用RUN 运转S 信号ST 启动SSET 置位、定位SAT 饱和STE 步进STP 停止SYN 同步T 温度T 时间TE 无噪音(防干扰)接地V 真空V 速度V 电压WH 白YE 黄电气元件符号大全序号元件名称新符号旧符号1 继电器K J2 电流继电器KA LJ3 负序电流继电器KAN FLJ4 零序电流继电器KAZ LLJ5 电压继电器KV YJ6 正序电压继电器KVP ZYJ7 负序电压继电器KVN FYJ8 零序电压继电器KVZ LYJ9 时间继电器KT SJ10 功率继电器KP GJ11 差动继电器KD CJ12 信号继电器KS XJ13 信号冲击继电器KAI XMJ14 继电器KC ZJ15 热继电器KR RJ16 阻抗继电器KI ZKJ17 温度继电器KTP WJ18 瓦斯继电器KG WSJ19 合闸继电器KCR或KON HJ20 跳闸继电器KTR TJ21 合闸继电器KCP HWJ22 跳闸继电器KTP TWJ23 电源监视继电器KVS JJ24 压力监视继电器KVP YJJ25 电压继电器KVM YZJ26 事故信号继电器KCA SXJ27 继电保护跳闸出口继电器KOU BCJ28 手动合闸继电器KCRM SHJ29 手动跳闸继电器KTPM STJ30 加速继电器KAC或KCL JSJ31 复归继电器KPE FJ32 闭锁继电器KLA或KCB BSJ33 同期检查继电器KSY TJJ34 自动准同期装置ASA ZZQ35 自动重合闸装置ARE ZCJ36 自动励磁调节装置AVR或AAVR ZTL37 备用电源自动投入装置AATS或RSAD BZT38 按扭SB AN39 合闸按扭SBC HA40 跳闸按扭SBT TA41 复归按扭SBre或SBR FA42 试验按扭SBte YA43 紧急停机按扭SBes JTA44 起动按扭SBst QA45 自保持按扭SBhs BA46 停止按扭SBss47 控制开关SAC KK48 转换开关SAH或SA ZK49 测量转换开关SAM CK50 同期转换开关SAS TK51 自动同期转换开关2SASC DTK52 手动同期转换开关1SASC STK53 自同期转换开关SSA2 ZTK54 自动开关QA55 刀开关QK或SN DK56 熔断器FU RD57 快速熔断器FUhs RDS58 闭锁开关SAL BK59 信号灯HL XD60 光字牌HL或HP GP61 警铃HAB或HA JL62 合闸接触器KMC HC63 接触器KM C64 合闸线圈Yon或LC HQ65 跳闸线圈Yoff或LT TQ66 插座XS67 插头XP68 端子排XT69 测试端子XE70 连接片XB LP71 蓄电池GB XDC72 压力变送器BP YB73 温度变送器BT WDB74 电钟PT75 电流表PA76 电压表PV77 电度表PJ78 有功功率表PPA79 无功功率表PPR80 同期表S81 频率表PF82 电容器C83 灭磁电阻RFS或Rfd Rmc84 分流器RW85 热电阻RT86 电位器RP87 电感(电抗)线圈L88 电流互感器TA CT或LH89 电压互感器TV PT或YH10KV电压互感器TV SYH35KV电压互感器TV UYH110KV电压互感器TV YYH90 断路器QF DL91 隔离开关QS G92 电力变压器TM B93 同步发电机GS TF94 交流电动机MA JD95 直流电动机MD ZD96 电压互感器二次回路小母线97 同期电压小母线(待并)WST或WVB TQMa,TQMb98 同期电压小母线(运行)WOS`或WVBn TQM`a,TQM`b99 准同期合闸小母线1WSC,2WSC,3WSC1WPO,2WPO,3WPO 1THM,2THM,3THM100 控制电源小母线+WC,-WC +KM,-KM101 信号电源小母线+WS,-WS +XM,-XM102 合闸电源小母线+WON,-WON +HM,-HM103 事故信号小母线WFA SYM104 零序电压小母线WVBz电流表PA电压表PV有功电度表PJ无功电度表PJR频率表PF相位表PPA最大需量表(负荷监控仪) PM 功率因数表PPF有功功率表PW无功功率表PR无功电流表PAR声信号HA光信号HS指示灯HL红色灯HR绿色灯HG黄色灯HY蓝色灯HB白色灯HW连接片XB插头XP插座XS端子板XT电线,电缆,母线W直流母线WB插接式(馈电)母线WIB电力分支线WP照明分支线WL应急照明分支线WE电力干线WPM照明干线WLM应急照明干线WEM滑触线WT合闸小母线WCL控制小母线WC信号小母线WS闪光小母线WF事故音响小母线WFS预告音响小母线WPS电压小母线WV事故照明小母线WELM避雷器F熔断器FU快速熔断器FTF跌落式熔断器FF限压保护器件FV电容器C电力电容器CE正转按钮SBF反转按钮SBR停止按钮SBS紧急按钮SBE试验按钮SBT复位按钮SR限位开关SQ接近开关SQP手动控制开关SH时间控制开关SK液位控制开关SL湿度控制开关SM压力控制开关SP速度控制开关SS温度控制开关,辅助开关ST 电压表切换开关SV电流表切换开关SA整流器U可控硅整流器UR控制电路有电源的整流器VC 变频器UF变流器UC逆变器UI电动机M异步电动机MA同步电动机MS直流电动机MD绕线转子感应电动机MW 鼠笼型电动机MC电动阀YM电磁阀YV防火阀YF排烟阀YS电磁锁YL跳闸线圈YT合闸线圈YC气动执行器YPA,YA电动执行器YE发热器件(电加热) FH照明灯(发光器件) EL空气调节器EV电加热器加热元件EE感应线圈,电抗器L励磁线圈LF消弧线圈LA滤波电容器LL电阻器,变阻器R电位器RP热敏电阻RT光敏电阻RL压敏电阻RPS接地电阻RG放电电阻RD启动变阻器RS频敏变阻器RF限流电阻器RC光电池,热电传感器 B压力变换器BP温度变换器BT速度变换器BV时间测量传感器BT1,BK 液位测量传感器BL温度测量传感器BH,BM关于电路图的图形符号一、电气制图采用的国家标准GB/T 6988.1-2008《电气技术用文件编制第1部分:规则》2008标准对简图的定义术语是:“主要是通过以图形符号表示项目及它们之间关系的图示形式来表达信息。
蓄电池
继电器
电容器
点烟器双掷继电器
断路器
电阻器
二极管
稳压管
相当于一个简单的
分支电阻器
电压调节器。
光电二极管可变电阻或变阻器
分电器,集成式点火
传感器(热敏电阻) 装置
模拟式速度传感器保险丝
熔断丝
短路插销
接地电磁阀
大灯扬声器
喇叭手动开关
点火线圈双掷开关
灯点火开关
LED(发光二极管) 刮水器停驻开关模拟式仪表晶体管
数字式仪表导线
接合处无黑点的交叉线(1)未连在一起。
接合处有黑点或八角形(○)标记的交叉线连接在一起。
电机
字符电路图符号大全:
AAT 电源自动投入装置
AC 交流电
DC 直流电
FU 熔断器
G 发电机
M 电动机
HG 绿灯
HR 红灯
HW 白灯
HP 光字牌
K 继电器
KA(NZ) 电流继电器(负序零序) KD 差动继电器
KF 闪光继电器空气调节器 EV
电加热器加热元件 EE 感应线圈电抗器 L
励磁线圈 LF
消弧线圈 LA
滤波电容器 LL
电阻器变阻器 R
电位器 RP
热敏电阻 RT
光敏电阻 RL
压敏电阻 RPS
接地电阻 RG
放电电阻 RD
启动变阻器 RS
频敏变阻器 RF
限流电阻器 RC
光电池热电传感器 B 压力变换器 BP
温度变换器 BT
速度变换器 BV
KH 热继电器
KM 中间继电器
KOF 出口中间继电器
KS 信号继电器
KT 时间继电器
KV(NZ) 电压继电器(负序零序)。
在电路图中KT代表时间继电器
KA:中间继电器
KM:接触器
电路图常用符号:
AC 交流电
DC 直流电
FU 熔断器
G 发电机
M 电动机
HG 绿灯
HR 红灯
HW 白灯
HP 光字牌
K 继电器
KA中间继电器
KD 差动继电器
KF 闪光继电器
FR 热继电器
KM 接触器
KOF 出口中间继电器
KS 信号继电器
KT 时间继电器
KV(NZ) 电压继电器(负序零序)
KP 极化继电器
KR 干簧继电器
KI 阻抗继电器
KW(NZ) 功率方向继电器(负序零序)
KA 瞬时继电器;瞬时有或无继电器;交流继电器KV电压继电器
L 线路
QF 断路器
QS 隔离开关
T 变压器
TA 电流互感器
TV 电压互感器
W 直流母线
YC 合闸线圈
YT 跳闸线圈
PQS 有功无功视在功率
EUI 电动势电压电流
SE 实验按钮
SR 复归按钮
f 频率
Q——电路的开关器件
FU——熔断器
FR——热继电器
KM ——接触器
KA——1、瞬时接触继电器2、瞬时有或无继电器3、交流继电器SB——按钮开关Q——电路的开关器件
FU——熔断器
KM——接触器
KA——1、瞬时接触继电器2、瞬时有或无继电器3、交流继电器KT——延时有或无继电器
SB——按钮开关
SA 转换开关
声信号HA
光信号HS
指示灯HL
红色灯HR
绿色灯HG
黄色灯HY
蓝色灯HB
白色灯HW
连接片XB
插头XP
插座XS
端子板XT
电线电缆母线W
直流母线WB
插接式(馈电)母线WIB
电力分支线WP
照明分支线WL
应急照明分支线WE
电力干线WPM
照明干线WLM
应急照明干线WEM
滑触线WT
合闸小母线WCL
控制小母线WC
信号小母线WS
闪光小母线WF
事故音响小母线WFS
预报音响小母线WPS
电压小母线WV
事故照明小母线WELM
避雷器F
熔断器FU
快速熔断器FTF
跌落式熔断器FF
限压保护器件FV
电容器C
电力电容器CE
正转按钮SBF
反转按钮SBR
停止按钮SBS
紧急按钮SBE
试验按钮SBT
复位按钮SR
限位开关SQ
接近开关SQP
手动控制开关SH
时间控制开关SK
液位控制开关SL
湿度控制开关SM
压力控制开关SP
速度控制开关SS
温度控制开关辅助开关ST 电压表切换开关SV
电流表切换开关SA
整流器U
可控硅整流器UR
控制电路有电源的整流器VC 变频器UF
变流器UC
逆变器UI
电动机M
异步电动机MA
同步电动机MS
直流电动机MD
绕线转子感应电动机MW
鼠笼型电动机MC
电动阀YM
电磁阀YV
防火阀YF
排烟阀YS
电磁锁YL
跳闸线圈YT
合闸线圈YC
气动执行器YPAYA
电动执行器YE
发热器件(电加热) FH
照明灯(发光器件) EL
空气调节器EV
电加热器加热元件EE
感应线圈电抗器L
励磁线圈LF
消弧线圈LA
滤波电容器LL
电阻器变阻器R
电位器RP
热敏电阻RT
光敏电阻RL
压敏电阻RPS
接地电阻RG
放电电阻RD
启动变阻器RS
频敏变阻器RF
限流电阻器RC
光电池热电传感器 B
压力变换器BP
温度变换器BT
速度变换器BV
时间测量传感器BT1BK
液位测量传感器BL
温度测量传感器BHBM
电流表PA
电压表PV
有功电度表PJ
无功电度表PJR
频率表PF
相位表PPA
最大需量表(负荷监控仪) PM 功率因数表PPF
有功功率表PW
无功功率表PR
无功电流表PAR
FC是地面内暗敷设。
WC是墙内暗敷设。
CC是板内暗敷设。