Q_HCC J02002-2019500 kg~10 000 kg 乘驾式蓄电池平衡重式叉车
- 格式:pdf
- 大小:5.67 MB
- 文档页数:13
什么是场(厂)内专用机动车辆《中华人民共和国特种设备安全法》中所指的场(厂)内专用机动车辆,是指除道路交通、农用车辆以外仅在工厂厂区、旅游景区、游乐场所等特定区域使用的专用机动车辆。
分为场(厂)内专用机动工业车辆和场(厂)内专用旅游观光车辆两类。
一、场(厂)内专用机动工业车辆(5100)(括号内为特种设备代码)(一)叉车(5110)叉车广义又可理解为堆垛用(高起升)车辆,它具有平台、货叉或其他承载装置,可把货物起升到一定高度进行堆垛或堆放作业的车辆。
1.平衡重式叉车(见图1-1)具有载货的货叉(或其它可更换的属具),货物相对于前轮呈悬臂状态,依靠车辆的质量来平衡的车辆。
(图1-1 平衡重式叉车)具有前、后可移动的门架或货叉架的车辆。
(图1-2前移式叉车)车体前方有两条外伸车轮支腿,货叉位于支腿之间的车辆。
(图1-3插腿式叉车)车体前方有两条外伸车轮支腿,货叉位于支腿正上方的车辆。
(图1-4 托盘堆垛车)5.侧面式叉车(见图1-5)车辆的货叉架或门架可相对于车辆的运行方向横向伸出和缩回,进行侧面堆垛或拆垛作业的车辆(图1-5侧面式叉车)6.侧面堆垛式叉车(见图1-6)门架正向布置,货叉能相对于车辆运行方向的侧面进行堆垛及拆垛作业的车辆。
(图1-6侧面堆垛式叉车)7.三向堆垛式叉车(见图1-7)门架正向布置,货叉能在车辆运行方向及两侧进行堆垛及拆垛作业的车辆。
(图1-7三向堆垛式叉车)(二)搬运车(5120)以内燃机或蓄电池为动力,装有橡胶轮胎及不能起升的载货平台,是一种可自行行使的用于搬运物品的车辆。
1.固定平台搬运车(见图2-1)载货平台不能起升的搬运车辆。
(图2-1 固定平台搬运车)2.托盘搬运车(见图2-2)装有货叉用来搬运带托盘的货物的车辆。
(图2-2 托盘搬运车)(三)牵引车(5130)车辆后端装有牵引连接装置,用来在地面上牵引其他车辆的工业车辆。
(见图3)(图3 牵引车)(四)推顶车(5140)车辆前端装有缓冲装置,用来在地面上作推顶其他车辆的工业车辆。
插腿式叉车1 范围本标准规定了额定起重量为500kg-3000kg的蓄电池插腿式叉车的基本参数、技术要求、试验方法、检验规则、标志、运输、贮存和质量保证期。
本标准适用于电动行走电动起升、手动行走电动起升的蓄电池插腿式叉车(插人式、跨人式)。
蓄电池插腿式叉车(以下简称叉车)的操纵方式为步行操纵、乘驾式操纵(坐式、站式)。
2 规范性引用文件下列文件中的条款通过本标准的引用而成为本标准的条款。
凡是注日期的引用文件,其随后所有的修改单(不包括勘误的内容)或修订版均不适用于本标准,然而,鼓励根据本标准达成协议的各方研究是否可使用这些文件的最新版本。
凡是不注日期的引用文件,其最新版本适用于本标准。
GB /T 3 6 83 钢丝增强液压橡胶软管和软管组合件GB /T 5 1 42 前移式和插腿式叉车稳定性试验(GB/T5 142-1985,i dtIS O3 184:1 974) GB /r 5 1 43 乘驾式高起升车辆护顶架技术要求和试验方法(GB/T5143-2001,id tIS O6 055 1997)GB /T 5 1 82 叉车货叉技术要求和试验(GB/75182-1996,i dtIS O2 330:1 995)GB /r 9 286 色漆和清漆漆膜的划格试验(GBfr 9286-1998,e qvI SO 2409: 1992,P aintsa ndvarnishes- Cut test)GB 1 0 82 7 机动T-业车辆安全规范(GB1 0827-1999,e qvI SO3 691:1 980)GB /T 1 3 306标牌GB /r 1 8 849 机动I业车辆制动器性能和零件强度(GB/T1 8849-2002,e qvI SO6 292:1 996, Poweredin dustrialtr ucksa ndt ractors一Brakep erformancea ndc omponentst rength) 3 基本参数3.1 叉车型号按类型、动力、额定起重量表示为:改3.2 叉车的基本参数应符合图1和表1的规定。
2019 年新版特种设备生产单位许可目录附件特种设备目录代码种类类别品种锅炉,是指利用各种燃料、电或者其他能源,将所盛装的液体加热到一定的参数,并通过对外输出介质的形式提供热能的设备,其范围规定为设计正常水位容积大于或者等于1000锅炉30L ,且额定蒸汽压力大于或者等于 0.1MPa (表压)的承压蒸汽锅炉;出口水压大于或者等于 0.1MPa (表压),且额定功率大于或者等于0.1MW 的承压热水锅炉;额定功率大于或者等于 0.1MW 的有机热载体锅炉。
1100承压蒸汽锅炉1200承压热水锅炉1300有机热载体锅炉代码1310 132020002100 2110 2130 2150精品文档种类类别品种有机热载体气相炉有机热载体液相炉压力容器,是指盛装气体或者液体,承载一定压力的密闭设备,其范围规定为最高工作压力大于或者等于0.1MPa (表压)的气体、液化气体和最高工作温度高于或者等于标压力容准沸点的液体、容积大于或者等于30L 且内直径 (非圆形截面指截面内边界最大几何尺寸)器大于或者等于 150mm的固定式容器和移动式容器;盛装公称工作压力大于或者等于0.2MPa (表压),且压力与容积的乘积大于或者等于 1.0MPa ?L 的气体、液化气体和标准沸点等于或者低于60 ℃液体的气瓶;氧舱。
固定式压力容器超高压容器第三类压力容器第二类压力容器代码种类类别品种2170第一类压力容器2200移动式压力容器2210铁路罐车2220汽车罐车2230长管拖车2240罐式集装箱2250管束式集装箱2300气瓶2310无缝气瓶2320焊接气瓶23T0特种气瓶(内装填料气瓶、纤维缠绕气瓶、代码种类类别品种低温绝热气瓶)240024102420压力管8000道81008110氧舱医用氧舱高气压舱压力管道,是指利用一定的压力,用于输送气体或者液体的管状设备,其范围规定为最高工作压力大于或者等于0.1MPa (表压),介质为气体、液化气体、蒸汽或者可燃、易爆、有毒、有腐蚀性、最高工作温度高于或者等于标准沸点的液体,且公称直径大于或者等于 50mm的管道。
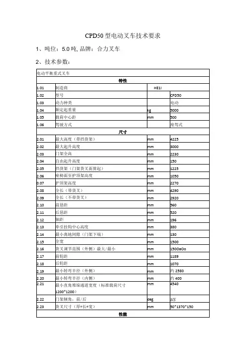
CPD50型电动叉车技术要求
1、吨位:5.0吨,品牌:合力叉车
2、技术参数:
3、叉车封闭式驾驶室,需配套空调,标配充电机。
4、配备液压调距功能;
5、叉车内所有油缸设防尘套;
6、叉车配套智能安全监管系统,座椅配安全带电子开关,驾驶室顶部配警示灯,左拐右拐倒车安全语音提示。
操作顺序安全保护系统,车上没人不使用功能性报警,车内配灭火器;车辆标配充电系统。
7、提供随车易损件及工具1套,生产许可证、合格证、出厂检验报告等随机资料齐全,维护保养说明书3份;
8、未尽事宜,按相关国家标准执行(最新)。
工业车辆 稳定性验证第5部分:侧面式叉车(单侧)1 范围本文件规定了验证带有可倾斜或不可倾斜的门架或货叉的侧面式叉车(单侧)稳定性的试验方法。
本文件适用于装有货叉和/或属具的车辆。
2 规范性引用文件下列文件中的内容通过文中的规范性引用而构成本文件必不可少的条款。
其中,注日期的引用文件,仅该日期对应的版本适用于本文件;不注日期的引用文件,其最新版本(包括所有的修改单)适用于本文件。
ISO 3691-1 工业车辆 安全要求和验证 第1部分:自行式工业车辆(除无人驾驶车辆、伸缩臂式叉车和载运车)(Industrial trucks — Safety requirements and verification — Part 1: Self-propelled industrial trucks,other than driverless trucks,variable-reach trucks and burden-carrier trucks)注:G B/T 10827.1—2014 工业车辆 安全要求和验证 第1部分:自行式工业车辆(除无人驾驶车辆、伸缩臂式叉车和载运车)(ISO 3691-1:2011,IDT)ISO 5053-1 工业车辆 词汇 第1部分:工业车辆类型(Industrial trucks — Vocabulary — Part 1: Types of industrial trucks)注:G B/T 6104.1—2018 工业车辆 术语和分类 第1部分:工业车辆类型(ISO 5053-1:2015,IDT)ISO 22915-1 工业车辆 稳定性验证 第1部分:总则(Industrial trucks — Verification of stability — Part1: General)注:G B/T 26949.1—2020 工业车辆 稳定性验证 第1部分:总则(ISO 22915-1:2016,IDT)3 术语和定义ISO 5053-1和ISO 22915-1界定的术语和定义适用于本文件。
中国重型汽车集团有限公司企业标准Q/ZZG豪沃牌(HOWO-T7H/T6G)国Ⅵ系列汽车第2部分:半挂牵引车中国重型汽车集团有限公司 发布Q/ZZG 10202.2—2019目 次前言 (II)1 范围 (1)2 规范性引用文件 (1)3 技术要求 (1)4 试验方法 (2)5 检验规则 (3)6 标牌、标志、运输和贮存 (3)7 质量保证 (3)附录A (规范性附录)车型主要技术参数表 (4)IQ/ZZG 10202.2—2019II前 言本标准按照GB/T 1.1—2009给出的规则编写。
Q/ZZG 10202《豪沃牌(HOWO-T7H/T6G)国Ⅵ系列汽车》分为两个部分:——第1部分:货车;——第2部分:半挂牵引车。
车辆类别是根据GB/T 3730.1进行划分的。
本部分为Q/ZZG 10202《豪沃牌(HOWO-T7H)国Ⅵ系列汽车》的第2部分,规定了半挂牵引车部分的相关内容。
本部分为首次制订。
本部分的附录A为规范性附录。
本部分由中国重型汽车集团有限公司提出。
本部分由中国重型汽车集团有限公司技术发展中心归口。
本部分起草单位:中国重型汽车集团有限公司技术发展中心。
本部分主要起草人:颜克亮、郎华、冯启飞、李桃、郭艳玲。
Q/ZZG 10202.2—2019豪沃牌(HOWO-T7H/T6G)国Ⅵ系列汽车第2部分:半挂牵引车1 范围本标准规定了豪沃牌(HOWO-T7H/T6G) 国Ⅵ系列半挂牵引车的主要技术参数、技术要求、试验方法与检验规则、标牌、标志、运输和贮存以及质量保证要求等。
本标准适用于豪沃牌(HOWO-T7H/T6G) 国Ⅵ系列半挂牵引车, 在此基础上设计的其它各种变型车可参照执行。
2 规范性引用文件下列文件对于本文件的应用是必不可少的。
凡是注日期的引用文件,仅注日期的版本适用于本文件。
凡是不注日期的引用文件,其最新版本(包括所有的修改单)适用于本文件。
GB 1589 汽车、挂车及汽车列车外廓尺寸、轴荷及质量限值GB/T 3730.1 汽车和半挂车的术语和定义车辆类型GB 7258 机动车运行安全技术条件GB/T 5053.1 道路车辆 牵引车与挂车之间电连接器 7芯24V标准型(24N)GB/T 5054.3 道路车辆 多芯电缆线 第3部分:无屏蔽护套低压电缆线的结构、尺寸和标记GB/T 13880 道路车辆 牵引座的安装GB/T 13881 牵引车与挂车之间气制动管连接器GB/T 17676 天然气汽车和液化石油气汽车 标志GB/T 19240 压缩天然气汽车专用装置的安装要求GB/T 20070 道路车辆 牵引车与半挂车之间机械连接互换性GB/T 20716.1 道路车辆 牵引车和挂车之间的电连接器 第1部分:24V标称电压车辆的制动系统和行走系的连接GB/T 20734 液化天然气汽车专用装置安装要求GB/T 31879 道路车辆 牵引座通用技术条件JT/T 789 道路甩挂运输车辆技术条件JT/T 886.1 道路甩挂运输车辆技术要求 第1部分:半挂牵引车QC/T 79.1 道路车辆 汽车和挂车之间气制动连接用螺旋管总成 第1部分:尺寸QC/T 79.2 道路车辆 汽车和挂车之间气制动连接用螺旋管总成 第2部分:性能要求QC/T 446 鞍式牵引车牵引座Q/ZZG 10202.1 豪沃牌(HOWO- T7H/T6G)国Ⅵ系列汽车 第1部分:货车Q/ZZ 10142 重型牵引车工作台板及登梯技术条件Q/ZZ 30022 螺纹紧固件紧固力矩Q/ZZ 90019 车辆识别代号(VIN)编制规则Q/ZZ 90025 汽车产品标识3 技术要求1Q/ZZG 10202.2—20193.1 在国内市场销售的牵引车3.1.1 半挂牵引车整车、发动机、传动系、转向系、制动系、驾驶室、电器仪表、附件及其它,噪声和排放应符合Q/ZZG 10202.1的规定。
xxxx联机电有限公司报价单
TO:
xx制衣有限公司FROM:
昆山市忠联机电有限公司T:0512-F:T:F:ATTN: xxxxATTN:
xx亮0
货物名称叉车品牌参数及配置说明Specification
1.产地:
xx龙工叉车有限公司
2.叉车型号:
CPD20H
3.动力形式:
电瓶叉车
4.额定载重量:2000kg
5.门架:
三节门架
6.起升高度:6000mm
7.自由提升高度:1400mm
8.货叉尺寸:1070*130*40mm
9.叉车全长:2295mm
10.叉车全宽:1150mm
11.门架不升高度:2070mm
12.安全架高度:2140mm
13.最小转弯半经:2060mm
14.行使速度:13km/h
15.最大爬坡度:10%
16.轴距:1450mm
17.空气轮胎
18.行走电机功率:
6.3/1200
19.转向电机功率:
0.9/1200
20.电压:48V
21.蓄电池容量:630Ah
22.配专用充电机数量价格Price(17%含税价)电瓶叉车杭州叉车(CPD20H)1xx
119600.00元人民币
(RMB)实心环保胎加2800.00元人民币备注:
1.交货期:
天;
2.保质期:12个月或1000小时先到为准;
3.付款方式:。
日期:
2011年03月23日。
Q/AC备案号:10t~45t内燃平衡重式叉车安徽叉车集团公司发布前言本公司开发的10t~45t叉车目前尚无国家或行业制订的产品标准,为规范设计、生产,特制订本标准。
本标准编制时参照了JB/T 2391《~10t平衡重式叉车技术条件》、JB/T 3300《平衡重式叉车整机试验方法》等标准。
本标准由安徽叉车集团公司标准信息研究室负责起草。
本标准主要起草人:王英10t~45t内燃平衡重式叉车1 范围本标准规定了大吨位柴油-液力传动平衡重式叉车(以下简称叉车)的技术参数、要求、试验方法、检验规则与标志、包装、运输、贮存及质量保证期等。
本标准适用于额定起重量为10t~45t(不含10t)的叉车。
2 引用标准下列文件中的条款通过本标准的引用而成为本标准的条款。
凡是注日期的引用文件,其随后所有的修改单(不包括勘误的内容)或修订版均不适用于本标准,然而,鼓励根据本标准达成协议的各方研究是否可使用这些文件的最新版本。
凡是不注日期的引用文件,其最新版本适用于本标准。
GB/T 3846 柴油车自由加速烟度的测量滤纸烟度法GB 4785 汽车及挂车外部照明和信号装置的安装规定GB/T 9286 色漆和清漆漆膜的划格试验GB 10827 机动工业车辆安全规范GB/T 13306 标牌JB/T 3300 平衡重式叉车整机试验方法3主要技术参数主要技术参数叉车的设计应符合本标准的规定,并按照经规定程序批准的图样和技术文件制造。
叉车主要结构尺寸制造极限偏差见表1。
表1 叉车主要结构尺寸的制造极限偏差表叉车主要性能参数的极限偏差见表2。
表2 叉车主要技术性能参数的极限偏差表4 要求基本要求叉车后桥的空载负荷率与设计值的偏差应在0-5%的范围内。
叉车所选用的发动机、液力变速箱、液压元件、驱动桥、转向系统零部件、电气元件、轮胎等配套件应符合有关标准和技术文件要求,入厂时附有产品合格证书,必要时对入厂的配套件进行质量合格复检。
发动机的功率应采用1h标定功率。
Q/HCC 杭叉集团股份有限公司企业标准 Q/HCC J02002—2019 代替Q/HCC J02002-2016
500 kg~10 000 kg乘驾式蓄电池平衡重式叉车
2019 - 11 - 06发布 2019 - 11 - 18实施杭叉集团股份有限公司 发布 Q/HCC J02002—2019 I 目 次 前 言 ........................................................................... III 1 范围 .............................................................................. 1 2 规范性引用文件 .................................................................... 1 3 要求 .............................................................................. 1 3.1 环境工作条件 .................................................................. 2 3.2 型号、规格号 .................................................................. 2 3.3 载荷中心距 .................................................................... 2 3.4 主要结构尺寸 .................................................................. 2 3.5 主要技术性能参数 .............................................................. 4 3.6 叉车整机 ...................................................................... 4 3.7 叉车主要零部件 ................................................................ 4 3.8 叉车外观质量 .................................................................. 5 3.9 叉车耐久性、可靠性 ............................................................ 5 3.10 叉车舒适性 ................................................................... 6 3.11 安全、环保要求 ............................................................... 6
4 试验方法 .......................................................................... 7 4.1 目测检查 ...................................................................... 7 4.2 其他试验方法 .................................................................. 7
5 检验规则 .......................................................................... 7 5.1 检验分类 ...................................................................... 7 5.2 出厂检验 ...................................................................... 7 5.3 型式试验 ...................................................................... 9 5.4 出厂检验和型式检验结果判定原则 ................................................ 9
6 标志 .............................................................................. 9 7 贮存、运输、出厂 ................................................................. 10 7.1 贮存 ......................................................................... 10 7.2 运输 ......................................................................... 10 7.3 出厂 ......................................................................... 10 Q/HCC J02002—2019
II 前 言 本标准是依据GB/T 1.1-2009给出的规则起草。 本标准与Q/HCC J02002-2016《500 kg~10 000 kg蓄电池平衡重式叉车》相比,除编辑性修改外,主要技术变化如下: —— 将标准名称修改为《500 kg~10 000 kg乘驾式平衡重式叉车》; —— 第1章中增加了“步驾式平衡重式叉车可参照执行”的规定; —— 修改了3.7.10、3.7.11、3.7.14、3.7.18; —— 根据JB/T 2391-2017中4.5的相关要求,修改了3.11.7~3.11.14、3.11.19; —— 根据JB/T 2391-2017中4.5的相关要求,增加了3.11.9、3.11.16、3.11.17、3.11.18、3.11.20、3.11.22、3.11.27、3.11.28; —— 根据JB/T 2391-2017中相关要求,修改了表5、6.2; —— 增加了5.4、6.4条。 本标准由杭叉集团股份有限公司提出。 本标准起草单位:杭叉集团股份有限公司。 本标准主要修订人:李明辉、周云凤。 本标准所代替有历次版本发布情况为: ——Q/HCC J02002-2013; ——Q/HCC J02002-2016。Q/HCC J02002—2019
1 500 kg~10 000 kg乘驾式蓄电池平衡重式叉车 1 范围 本标准规定了额定起重量为500 kg~10 000 kg乘驾式蓄电池平衡重式叉车的基本参数、技术要求、试验方法、检验规则、标志、随行文件、运输和贮存等。 本标准适用于额定起重量为500 kg~10 000 kg乘驾式蓄电池平衡重式叉车(以下简称“叉车”)。步驾式平衡重式叉车可参照执行。
2 规范性引用文件 下列文件对于本文件的应用是必不可少的。凡是注日期的引用文件,仅注日期的版本适用于本文件。凡是不注日期的引用文件,其最新版本(包括所有的修改单)适用于本文件。 GB/T 191 包装储运图示标志 GB 4785 汽车及挂车外部照明和光信号装置的安装规定 GB/T 5143 工业车辆 护顶架 技术要求和试验方法 GB/T 5182 叉车 货叉 技术要求和试验方法 GB/T 7593 机动工业车辆 驾驶员控制装置及其他显示装置用符号 GB/T 8420-2011 土方机械 司机的身材尺寸与司机的最小活动空间 GB/T 9286-1998 色漆和清漆 漆膜的划格试验 GB/T 10827.1 工业车辆 安全要求和验证 第1部分:自行式工业车辆(除无人驾驶车辆、伸缩臂式叉车和载运车) GB/T 13306 标牌 GB/T 14039-2002 液压传动 油液 固体颗粒污染等级代号 GB/T 17300-2010 土方机械 通道装置 GB/T 18849-2011 机动工业车辆 制动器性能和零件强度 GB/T 26560 机动工业车辆 安全标志和危险图示 通则 GB/T 26948.1 工业车辆驾驶员约束系统技术要求及试验方法 第1部分:腰部安全带 GB/T 26949.1 工业车辆 稳定性验证 第1部分:总则 GB/T 26949.2 工业车辆 稳定性验证 第2部分:平衡重式叉车 GB/T 27544 工业车辆 电气要求 GB/T 32272.1 机动工业车辆 验证视野的试验方法 第1部分:额定起重量不大于10t的坐驾式和站驾式车辆 JB/T 2391 500 kg~10 000 kg乘驾式平衡重式叉车 JB/T 3300 平衡重式叉车 整机试验方法 NAS 1638 Cleanliness requirements of parts used in hydraulic systems
3 要求