电气试验报告(变压器)标准版样本
- 格式:docx
- 大小:70.28 KB
- 文档页数:8
电气试验报告Revised by Liu Jing on January 12, 2021电气试验报告地点:邵东县仙槎桥界峰钢铁丿实验性质:交接审核:实验:2017年10 月8号配电变压器实验报告实验结论:合格审核:测试员:柱上真空开关实验报告1、铭牌2、柱上开关绝缘电阻测量使用仪器:3、主回路直流电阻测量使用仪器:QJ44 仪器编号:4>交流耐压试验使用仪器:仪器编号:5、接地电阻测试使用仪器:ZC-8 仪器编号:6、开关电流比:200/5 400/5 600/57、实验结论:合格复审:初审: 测试变压器进线电缆交接试验记录一、铭牌参数天气:晴实验日期:年月、主绝缘电阻测量:温度:湿度:、外护套、内衬层绝缘电阻测量:温度:湿度:、交流耐压试验:4、电阻测试实验结论:合格审核:________________________ 实验人员:10KV进线电缆交接实验记录一、铭牌参数天气:晴实验日期:年月、主绝缘电阻测量:温度:湿度:、外护套、内衬层绝缘电阻测量:温度:湿度:、交流耐压试验:、电阻测试实验结论:合格审核: ________________________ 实验人员:柜内(真空)开关实验报告、开关绝缘电阻测量使用仪器:ZC11D-5 仪器编号:610011、主回路直流电阻测量交流耐压试验使用仪器:仪器编号:实验结论:合格复审: 测试员:柜内(真空)开关实验报告、铭牌、开关绝缘电阻测量使用仪器:仪器编号:、主回路直流电阻测量、交流耐压试验、机械动作特性实验(电操机构需要时)实验结论:合格复审:测试员:柜内(真空)开关实验报告、铭牌、开关绝缘电阻测量、主回路直流电阻测量、交流耐压试验使用仪器:仪器编号:、机械动作特性实验(电操机构需要时)实验结论:合格复审:测试员:计量柜电压互感器实验报告2、开关绝缘电阻测量使用仪器:仪器编号:3、接地电阻测试使用仪器:ZC-8 仪器编号:4、电压变比及误差测量56实验结论:合格复审:初审:测试员:避雷器实验报告审核:、铭牌、绝缘电阻测量使用仪器:仪器编号: 、直流下的参考电压测量及直流参考电压下的泄漏电流使用仪器:仪器编号:实验结论:合格测试员:接地电阻实验报告7、铭牌8、接地电阻测试台式变实验结论:合格审核:测试员:安全工器具实验报告委托单位:邵东县仙槎桥界峰钢铁厂实验口期:2017年10月审核:。
变压器试验报告【变压器试验报告】摘要:本试验主要对某变压器进行了绕组电阻测试、绝缘电阻测试、短路阻抗测试、过滤和相关损耗测试等。
通过试验结果分析,变压器的各项指标均满足设计要求,性能稳定可靠。
1. 引言变压器是电力系统中不可或缺的重要设备,其稳定运行直接关系到整个电力系统的安全和经济运行。
为了确保变压器的质量和性能达到设计要求,本试验对某变压器进行了一系列实验测试。
2. 绕组电阻测试绕组电阻测试是电气设备试验中的一项重要测试内容。
通过该测试,可以检测变压器的绕组接头是否正常、绕组连接是否可靠。
测试结果显示,变压器的绕组电阻符合设计要求,并且各项指标均在合理范围内。
3. 绝缘电阻测试绝缘电阻测试是评估变压器绝缘状况的重要方法之一。
在测试中,通过对绕组与地之间的绝缘电阻进行测量,可以判断变压器是否存在漏电问题。
试验结果表明,变压器的绝缘电阻满足设计要求,表明其绝缘状况良好,运行稳定可靠。
4. 短路阻抗测试短路阻抗测试是评估变压器额定电流下的短路能力的重要试验项目。
通过该测试,可以评估变压器在短路情况下的安全性能。
试验结果显示,变压器的短路阻抗符合设计要求,具备足够的短路能力,可稳定运行。
5. 过滤和相关损耗测试过滤和相关损耗测试是评估变压器的能效性能的重要测试项目。
通过该测试,可以评估变压器在实际运行中的电能转换效率,以及损耗情况。
试验结果表明,变压器的过滤和相关损耗满足设计要求,运行效率高,能耗较低。
6. 总结与展望本次试验通过对某变压器的绕组电阻、绝缘电阻、短路阻抗以及过滤和相关损耗等多个方面的测试,评估了变压器的性能和质量。
试验结果表明,该变压器在各项指标上均符合设计要求,运行稳定可靠。
然而,随着电力系统的发展和需求的改变,变压器的性能和技术不断提高和创新,未来对变压器的试验和监测也将面临新的挑战。
因此,我们需要不断研究和完善试验方法,以保证变压器在电力系统中的安全运行。
10kV变压器试验报告工程名称:永和龙子湖中央广场供配电工程安装位置:专用配AT1变压器1.铭牌:4、电压比测量及联结组别检查:温度: 20℃湿度:22 %试验日期: 2018年11月23日1、轻型高压试验变压器(50kV PT)2、高压绝缘电阻测试仪3、直流电阻测试仪4、万用表5、变压器变比测试仪6、直流电阻测试仪7.试验结果: 合格。
试验人员:丁守兵李雪飞试验负责人:丁守兵10kV变压器试验报告工程名称:永和龙子湖中央广场供配电工程安装位置:专用配AT2变压器1.铭牌:4、电压比测量及联结组别检查:温度: 20℃湿度:22 %试验日期: 2018年11月23日1、轻型高压试验变压器(50kV PT)2、高压绝缘电阻测试仪3、直流电阻测试仪4、万用表5、变压器变比测试仪6、直流电阻测试仪7.试验结果: 合格。
试验人员:丁守兵李雪飞试验负责人:丁守兵10kV变压器试验报告工程名称:永和龙子湖中央广场供配电工程安装位置:专用配AT3变压器1.铭牌:4、电压比测量及联结组别检查:温度: 20℃湿度:22 %试验日期: 2018年11月23日1、轻型高压试验变压器(50kV PT)2、高压绝缘电阻测试仪3、直流电阻测试仪4、万用表5、变压器变比测试仪6、直流电阻测试仪7.试验结果: 合格。
试验人员:丁守兵李雪飞试验负责人:丁守兵10kV变压器试验报告工程名称:永和龙子湖中央广场供配电工程安装位置:专用配AT4变压器1.铭牌:4、电压比测量及联结组别检查:温度: 20℃湿度:22 %试验日期: 2018年11月23日1、轻型高压试验变压器(50kV PT)2、高压绝缘电阻测试仪3、直流电阻测试仪4、万用表5、变压器变比测试仪6、直流电阻测试仪7.试验结果: 合格。
试验人员:丁守兵李雪飞试验负责人:丁守兵10kV变压器试验报告工程名称:永和龙子湖中央广场供配电工程安装位置:专用配AT5变压器1.铭牌:4、电压比测量及联结组别检查:温度: 20℃湿度:22 %试验日期:2018年11月23日1、轻型高压试验变压器(50kV PT)2、高压绝缘电阻测试仪3、直流电阻测试仪4、万用表5、变压器变比测试仪6、直流电阻测试仪7.试验结果: 合格。
变压器试验报告一、引言。
变压器是电力系统中常见的重要设备,其正常运行对电网的稳定性和安全性至关重要。
为了确保变压器的性能和质量,需要进行一系列的试验来验证其参数和性能指标。
本报告旨在对某变压器进行试验,并对试验结果进行分析和总结,为变压器的安全运行提供参考依据。
二、试验目的。
本次试验的目的是对变压器的各项性能指标进行验证,包括额定容量、负载损耗、空载损耗、短路阻抗等参数的测定,以及对其绝缘性能和运行稳定性进行评估。
三、试验内容。
1. 额定容量试验,通过将变压器接入负载,测定其在额定容量下的电压、电流和功率等参数,验证其额定容量的准确性。
2. 负载损耗试验,在额定电压下,接入负载,测定变压器的负载损耗,验证其在额定负载下的损耗性能。
3. 空载损耗试验,断开负载,仅将变压器接入电网,测定其空载损耗,验证其在无负载情况下的损耗性能。
4. 短路阻抗试验,通过对变压器进行短路试验,测定其短路阻抗,验证其在短路情况下的电气性能。
5. 绝缘试验,对变压器的绝缘材料进行绝缘电阻测试,验证其绝缘性能。
6. 运行稳定性试验,对变压器进行长时间负载运行,观察其运行稳定性和温升情况。
四、试验结果分析。
经过以上一系列试验,得到了变压器的各项性能参数和试验结果。
通过对试验结果的分析和比对,可以得出变压器的性能符合设计要求,各项指标均在合格范围内。
五、结论。
本次试验结果表明,该变压器的性能和质量均符合设计要求,各项指标稳定可靠。
对于变压器的安全运行和稳定运行提供了有力的保障。
六、建议。
针对本次试验中发现的一些问题和不足,提出了相关的改进建议,以进一步提高变压器的性能和可靠性。
七、参考文献。
1. 《变压器检修与保养手册》。
2. 《变压器性能试验规程》。
3. 《变压器运行管理规定》。
八、致谢。
在本次试验中,得到了相关部门和专家的大力支持和帮助,在此表示衷心的感谢。
以上就是本次变压器试验的报告内容,希望对相关人员的工作和决策提供一定的参考和帮助。
变压器检测报告模板检验报告产品名称型号生产批号生产日期检验日期检验员电子有限公司品质部一、检验依据1、产品图样2、电源变压器技术规格书二、检验方式及批次情况1、检验方式:逐批100%检验2、批次情况:批次号:批次数量:三、检验项目及检验情况序号检验项目检验要求判定情况1外观1变压器表面不得有锈蚀、裂痕、其它机械性损伤或变形,不得有异物。
2铭牌标志、丝印应活晰,粘贴牢固,无脱洛或起翘,分别用水和汽油各擦15次,仍活晰可辨认。
3端了、引线无破项,无粘绝缘潦等什物。
接线端子内外不应有绝缘漆。
4初级、次级引出线处绝缘胶带必须伸出屏敝罩口。
屏蔽罩须做翻边处理,无毛刺。
5制品及包装箱内外不得有白蚁、老鼠等害虫。
6单边出线的电源变压器,无引出线侧不应使用有为引线向升口的屏蔽罩。
7电源线引出线应卡入骨架卡槽中,电源线不得有破损、压痕。
8引出线接插端子型号、厂家、颜色及引线规格、颜色、长度应符合图纸要求。
引线与端子的插接线序应符合图纸要求。
端子、引线无破损。
2拉力用拉力计测重引出端均应能承受不小丁1.5Kg的拉力试验而无断裂和脱落现象且不应产生位移。
接线端子与插针应配合良好,端子无变形,无接触不良、不通电等现象。
3尺寸、结构1测量变压器的尺寸应符合图纸要求;安装脚厚度不应少丁0.8mm图纸高丁此要求时以图纸为准确。
3.3.257系列、66系列及以上变压器的安装脚应采取四个加强筋(每个安装脚2个)结构。
4直流电阻用万用表欧姆档适合的量程测量变压器初级绕组的直流电阻值应符合450Q15%(去掉PTC,次级绕组的直流电阻值应符合V4Q。
5空载特性电源变压器输入端施加额定电源电压,测量输出电压值。
测量时,使用0.5级电压表。
测量空载输出电压与额定输出空载电压之差,不应超过土5%初级输入AC220V/50Hz时,次级空载电压2.5V土5%,初级输入AC242V/50Hz时,次级空载电流30mA。
6负载特性额定环境温度、额定频卒和额定电源电压卜运行的电源变倘,施加功率因数为1的额定负载,其输出电压与额定输出电压之差,不应超过土5%。
电力变压器试验报告 Document number【SA80SAB-SAA9SYT-SAATC-SA6UT-SA18】电力变压器试验报告装设地点:幸福里小区运行编号: 14#箱变试验日期:试验性质:交接天气:晴温度:36 ℃相对温度:一、设备型号:二、试验项目:1、绝缘电阻及吸收比:2、直流电阻:3、交流耐压试验:交流耐压: 38 KV 时间: 60 S 结论:合格三、试验结论:合格四、试验仪器及编号:BCSB系列多用型实验变压器、JRR-10直流电阻测试仪、ZC-7绝缘摇表五、试验负责人:六、试验人员:七、备注:电力变压器试验报告装设地点:幸福里小区运行编号: 15#箱变试验日期:试验性质:交接天气:晴温度:36 ℃相对温度:一、设备型号:二、试验项目:4、绝缘电阻及吸收比:5、直流电阻:6、交流耐压试验:交流耐压: 38 KV 时间: 60 S 结论:合格三、试验结论:合格四、试验仪器及编号:BCSB系列多用型实验变压器、JRR-10直流电阻测试仪、ZC-7绝缘摇表五、试验负责人:六、试验人员:七、备注:电力变压器试验报告装设地点:幸福里小区运行编号: 4#箱变试验日期:试验性质:交接天气:晴温度:36 ℃相对温度:一、设备型号:二、试验项目:7、绝缘电阻及吸收比:8、直流电阻:9、交流耐压试验:交流耐压: 38 KV 时间: 60 S 结论:合格三、试验结论:合格四、试验仪器及编号:BCSB系列多用型实验变压器、JRR-10直流电阻测试仪、ZC-7绝缘摇表五、试验负责人:六、试验人员:七、备注:电力变压器试验报告装设地点:幸福里小区运行编号: 4#箱变试验日期:试验性质:交接天气:晴温度:36 ℃相对温度:一、设备型号:二、试验项目:10、绝缘电阻及吸收比:11、直流电阻:12、交流耐压试验:交流耐压: 38 KV 时间: 60 S 结论:合格三、试验结论:合格四、试验仪器及编号:BCSB系列多用型实验变压器、JRR-10直流电阻测试仪、ZC-7绝缘摇表五、试验负责人:六、试验人员:七、备注:电力变压器试验报告装设地点:幸福里小区运行编号: 9#箱变试验日期:试验性质:交接天气:晴温度:36 ℃相对温度:一、设备型号:二、试验项目:13、绝缘电阻及吸收比:14、直流电阻:15、交流耐压试验:交流耐压: 38 KV 时间: 60 S 结论:合格三、试验结论:合格四、试验仪器及编号:BCSB系列多用型实验变压器、JRR-10直流电阻测试仪、ZC-7绝缘摇表五、试验负责人:六、试验人员:七、备注:断路器试验报告装设地点:幸福里小区运行编号:出线柜6# 试验日期:试验性质:交接天气:晴温度:33 ℃一、设备铭牌:二、试验项目1、绝缘电阻:2、回路电阻:3、交流耐压:三、试验结论:合格四、试验仪器及编号: ZC-7绝缘摇表,JC-HIII接触电阻测试仪五、备注:六、试验负责人:七、试验人员:断路器试验报告装设地点:幸福里小区运行编号:出线柜2# 试验日期:试验性质:交接天气:晴温度:33 ℃一、设备铭牌:二、试验项目1、绝缘电阻:2、回路电阻:3、交流耐压:三、试验结论:合格四、试验仪器及编号: ZC-7绝缘摇表,JC-HIII接触电阻测试仪五、备注:六、试验负责人:七、试验人员:断路器试验报告装设地点:幸福里小区运行编号:出线柜7# 试验日期:试验性质:交接天气:晴温度:33 ℃一、设备铭牌:二、试验项目1、绝缘电阻:2、回路电阻:3、交流耐压:三、试验结论: 合格四、试验仪器及编号: ZC-7绝缘摇表,JC-HIII 接触电阻测试仪五、备注:六、试验负责人:七、试验人员:断路器试验报告装设地点:幸福里小区 运行编号:出线柜5# 试验日期:试验性质: 交接 天 气: 晴 温 度:33 ℃一、设备铭牌:二、试验项目1、绝缘电阻:2、回路电阻:3、交流耐压:三、试验结论:合格四、试验仪器及编号: ZC-7绝缘摇表,JC-HIII接触电阻测试仪五、备注:六、试验负责人:七、试验人员:断路器试验报告装设地点:幸福里小区运行编号:进线柜1# 试验日期:试验性质:交接天气:晴温度:33 ℃一、设备铭牌:二、试验项目1、绝缘电阻:2、回路电阻:3、交流耐压:三、试验结论:合格四、试验仪器及编号: ZC-7绝缘摇表,JC-HIII接触电阻测试仪五、备注:六、试验负责人:七、试验人员:断路器试验报告装设地点:幸福里小区运行编号:进线柜2# 试验日期:试验性质:交接天气:晴温度:33 ℃一、设备铭牌:二、试验项目1、绝缘电阻:2、回路电阻:3、交流耐压:三、试验结论:合格四、试验仪器及编号: ZC-7绝缘摇表,JC-HIII接触电阻测试仪五、备注:六、试验负责人:七、试验人员:断路器试验报告装设地点:幸福里小区运行编号:母联开关柜试验日期:试验性质:交接天气:晴温度:33 ℃一、设备铭牌:二、试验项目1、绝缘电阻:2、回路电阻:3、交流耐压:三、试验结论:合格四、试验仪器及编号: ZC-7绝缘摇表,JC-HIII接触电阻测试仪五、备注:六、试验负责人:七、试验人员:电力电缆试验报告装设地点:幸福里小区运行编号:4#高压分支箱—开闭所试验日期:电压等级:10KV 试验性质:交接型号:15KV天气:晴温度: 33 ℃一、试验项目1、电缆主绝缘绝缘电阻:2、直流耐压试验:二、试验结论:合格三、试验仪器及编号:ZGF-H直流高压发生器、ZC-7绝缘摇表四、备注:五、试验负责人:六、试验人员:电力电缆试验报告装设地点:幸福里小区运行编号:4#高压分支箱—9#箱变试验日期:电压等级:10KV 试验性质:交接型号:15KV天气:晴温度: 33 ℃一、试验项目1、电缆主绝缘绝缘电阻:2、直流耐压试验:二、试验结论:合格三、试验仪器及编号ZGF-H直流高压发生器、ZC-7绝缘摇表四、备注:五、试验负责人:六、试验人员:接地装置试验报告保护调试报告一、被保护设备:进线柜1#二、装置型号及厂家:上海聚仁电力科技有限公司三、电流通道检查:输入电流:IA=1A IB=1A IC=1AIA=2A IB=2A IC=2AIA=3A IB=3A IC=3A 输入电压:Ia=1A Ib=1A Ic=1A Ia=2A Ib=2A Ic=2AIa=3A Ib=3A Ic=3A四、保护定值检验:变比400/5五、操作回路检查:开关进控位置,手合、手跳开关动作正常,跳位、合位灯指示正确,跳闸回路检查正常。
盘锦辽河富腾热电有限公司说明:编制由班组长手签,审核对外业务由主管主任(肖主任)手签对内业务由设备员或设备主任手签。
电气设备试验报告报告编号: 20180601试验性质:交接性试验(预防性试验)试验环境:温度 24 ℃湿度 85%设备名称: 1# 发电机运行编号: 610试验地点: 1# 发电机小间试验日期: 2018 年 5 月 31 日试验人员:李莹、王向军、张筑瑜、王萍报告日期: 2018 年 6 月 6 日试验结论:符合厂家及规程要求,试验合格。
编制:审核:委试单位:辽河富腾热电有限公司试验单位:辽河富腾热电有限公司1.综合保护装置试验型号额定电压控制电压编号额定电流生产日期厂家一、外观检查外观良好,接线正确。
二、绝缘检查交流电压回路对其它回路及地:信号回路对其它回路及地:开关量输入回路对其它回路及地:MΩMΩMΩ交流电流回路对其它回路及地:直流回路对其它回路及地:MM ΩΩ三、零漂检查Ia Ib Ic 3Io Ua Ub Uc四、电流通道模入检查显示值( A)Ia Ib Ic3Io加电流值(A)0.52.05.0五、电压通道模入检查显示值( V)Ua Ub Uc加电压值(V)204060六、保护功能试验1、过流 I 段保护定值整定电流整定值时间整定值95%电流105%电流时间动作值动作状态数值 A s 不动作动作s 动作跳闸2、过流 II 段保护定值整定电流整定值时间整定值95%电流105%电流时间动作值动作状态数值 A s 不动作动作s 动作跳闸3、过负荷保护定值整定电流整定值时间整定值95%电流105%电流时间动作值动作状态数值 A s 不动作动作s 动作信号4、负序过流保护定值整定电流整定值时间整定值95%电流105%电流时间动作值动作状态数值 A s 不动作动作s 动作信号5、低电压保护定值整定电压整定值时间整定值95%电压105%电压时间动作值动作状态数值V s 动作不动作s 动作跳闸七、带开关传动投入保护压板保护动作后开关跳闸2.电流互感器型号额定电流制造厂出厂日期编号准确度等级二次绕组一、绝缘电阻A B C标准(MΩ)二次绕组末屏二次绕组末屏二次绕组末屏二次绕组末屏≮ 2000≮ 1000 二、伏安特性电流( A)电压( V)0.1 0.2 0.3 0.4 0.5 1.0 1.5绕组1S1-1S2A2S1-2S21S1-1S2B2S1-2S21S1-1S2C2S1-2S2三、极性和电流比二次绕组 (A) P1-P2 1S -1S2 2S -2S2变比1 1 ABC极性检查: P1、 P2 与 1S1、 2S1同极性,为“减极性” ;电流比检查与铭牌相符。
陕西榆林东辰电力有限责任公司交接(预防)性试验报告
甲方:__________________________________
委托试验单位:___________________________________
试验单位:_______________________________________
陕西榆林东辰电力有限责任公司
电气试验部
年月日
一、试验所依据的技术文件
1. 《DL/T596-1996电力设备预防性试验规程》
2. 《GB50150-2006电气装置安装工程电气设备交接试压标准》
二、试验所使用的测量设备
三、委托试验产品/设备
四、试验报告
绕组试验报告
有载开关试验
绝缘油试验报告
2.介质损耗角因数tan %
变压器保护调试报告
保护型号:__________ CPU 版本: _________________________ 保护厂家:_____________________ 安装位置:______________________________ 测试设备:_____________________
1
2、测量功能测试记录
2.1
2.2
3、控制回路检查:高压侧及低压侧开关
4、保护模块测试记录
4.1、差动保护
4.2
4.3主变高压侧过负荷,启动风扇,间隙零序保护
测试项目保护定值动作值备注
、主变低压侧复合母线接地保护4.7、励磁变压器保护
使用仪器设备:
试验结论:
陕西榆林东辰电力有限责任公司。
变压器电气试验注:对电磁机构,当断路器关合电流峰值小于50kA时,直流操作电压范畴为80%~11 0%UN。
UN为额定电源电压。
脱扣操作:直流或交换的分闸电磁铁,在其线圈端钮处测得的电压大年夜于额定值的65%时,应靠得住地分闸,当此电压小于额定值的30%时,不该分闸。
附装掉压脱扣器的,其动作特点应相符表3-12-11的规定。
表3-12-11电源电压与额定电源电压的比值小于35%大年夜于65%大年夜于85%掉压脱扣器的工作状况铁芯应靠得住地开释铁芯不得开释铁芯应靠得住地吸合注:当电压迟缓降低至规定比值时,铁芯应靠得住地开释。
附装过流脱扣器的,其额定电流规定不小于2.5A,脱扣电流的等级范畴及其精确度,应相符表3-12-12的规定。
表3-12-12过流脱扣器的种类延时动作的瞬时动作的脱扣电流等级范畴(A)2.5~10 2.5~15每级脱扣电流的精确度士10%同一脱扣器各级脱扣电流精确度士5%注:关于延时动作的过流脱扣器,应按制造厂供给的脱扣电流与动作时延的关系曲线进行查对。
别的,还应检查在预准时延终了前主回路电流降至返回值时,脱扣器不该动作。
仿照操动实验:当具有可调电源时,可在不合电压、液压前提下,对断路器进行当场或远控操作,每次操作断路器均应精确、靠得住地动作,其联锁及闭锁装配回路的动作应相符产品及设计要求;当无可调电源时,只在额定电压下进行实验。
直流电磁或弹簧机构的操动实验,应按表3-12-13的规定进行。
表3-12-13操作类别操作线圈端钮电压与额定电源电压的比值(%)操作次数合、分110 3合闸85(80) 3分闸65 3合、分、重合100 3注:括号内数字有用于装有主动重合闸装配的断路器。
液压机构的操动实验,应按表3-12-14的规定进行。
表3-12-14操作类别操作线圈端钮电压与额定电源电压的比值(%)操作液压操作次数合、分110 产品规定的最高操作压力 3合、分100 额定操作压力 3合85(80)产品规定的最低操作压力 3分65 产品规定的最低操作压力 3合、分、重合100 产品规定的最低操作压力 3注:1、括号内数字有用于装有主动重合闸装配的断路器。
说明:编制由班组长手签,审核对外业务由主管主任(肖主任)手签对内业务由设备员或设备主任手签。
电气设备试验报告
报告编号:20180601
试验性质:交接性试验(预防性试验)
试验环境:温度24℃湿度85%
设备名称:1#发电机
运行编号:610
试验地点:1#发电机小间
试验日期:2018年5月31日
试验人员:李莹、王向军、张筑瑜、王萍
报告日期:2018年6月6日
试验结论:符合厂家及规程要求,试验合格。
编制:审核:
委试单位:辽河富腾热电有限公司
试验单位:辽河富腾热电有限公司
1.综合保护装置试验
型号编号
额定电压额定电流
控制电压生产日期
厂家
一、外观检查
外观良好,接线正确。
二、绝缘检查
交流电压回路对其它回路及地: MΩ交流电流回路对其它回路及地: MΩ信号回路对其它回路及地: MΩ直流回路对其它回路及地: MΩ开关量输入回路对其它回路及地: MΩ
三、零漂检查
Ia Ib Ic 3Io Ua Ub Uc
四、电流通道模入检查
显示值(A)
Ia Ib Ic3Io
加电流值(A)
0.5
2.0
5.0
五、电压通道模入检查
显示值(V)
Ua Ub Uc
加电压值(V)
20
40
60
六、保护功能试验
1、过流I段保护
定值整定电流整定值时间整定值95%电流105%电流时间动作值动作状态数值 A s 不动作动作s 动作跳闸2、过流II段保护
定值整定电流整定值时间整定值95%电流105%电流时间动作值动作状态数值 A s 不动作动作s 动作跳闸3、过负荷保护
定值整定电流整定值时间整定值95%电流105%电流时间动作值动作状态数值 A s 不动作动作s 动作信号4、负序过流保护
定值整定电流整定值时间整定值95%电流105%电流时间动作值动作状态
数值 A s 不动作动作s 动作信号5、低电压保护
定值整定电压整定值时间整定值95%电压105%电压时间动作值动作状态数值V s 动作不动作s 动作跳闸七、带开关传动
投入保护压板保护动作后开关跳闸
2.电流互感器
型号额定电流
制造厂出厂日期
编号准确度等级
二次绕组
一、绝缘电阻
A B C 标准(MΩ)
二次绕组末屏二次绕组末屏二次绕组末屏二次绕组末屏
≮2000 ≮1000 二、伏安特性
电流(A)
0.1 0.2 0.3 0.4 0.5 1.0 1.5
电压(V)
绕组
1S1-1S2
A
2S1-2S2
1S1-1S2
B
2S1-2S2
1S1-1S2
C
2S1-2S2
三、极性和电流比
二次绕组(A) P1-P2 1S1-1S22S1-2S2变比A
B
C
极性检查:P1、P2 与1S1、2S1同极性,为“减极性”;电流比检查与铭牌相符。
四、交流耐压
ABC对二次及地施加电压(kV) 时间(min)
3.零序互感器
型号额定负荷
制造厂出厂日期
编号准确度等级
一、绝缘电阻
二次绕组及地绝缘(MΩ)
二、变比检查
一次电流(A)二次端子二次电流(A)实测变比
K1-K2
4.真空断路器
产品型号:产品名称:
产品编号:出厂日期:
额定电压:额定电流:
额定绝缘水平:额定短路开断电流:
额定控制电压:生产厂家:
一、绝缘电阻
相别 A B C 绝缘电阻(GΩ)
二、机械特性
试验项目 A B C 分闸时间(25-50ms)
分闸Ⅰ不同期(≤2ms)
合闸时间(35-70ms)
合闸不同期(≤3ms) 弹跳时间(μS)
三、分合闸线圈直流电阻及绝缘电阻
合闸线圈电阻:Ω分闸线圈电阻:Ω绝缘电阻:MΩ四、辅助回路绝缘
直流控制回路对地及其它回路:MΩ储能电机回路对地及其它回路:MΩ恒温加热回路对地及其它回路:MΩ
五、操动机构试验
操作类别额定电压百分比操作次数动作结果
合、分ⅠⅡ可靠分合闸
合、分ⅠⅡ可靠分合闸合可靠合闸
分ⅠⅡ可靠分闸合、分ⅠⅡ分合闸不动作六、分、合闸线圈最低动作电压
合闸动作电压: V 分闸动作电压V 七、交流耐压
ABC对地(1min)kV 断口(1min)kV 八、回路电阻
A相:μΩB相:μΩC相:μΩ5.避雷器
型号制造厂
持续运行电压直流参考电压-
一、绝缘电阻
测量位置 A B C 标准本体≮2500 MΩ二、直流试验
测量参数A相B相C相直流1mA电压 (kV)
0.75U1mA下的泄漏电流(μA)
三、持续运行电压下的总电流及阻性电流基波峰值试验
测量参数A相B相C相
持续运行电压(kV)
泄漏电流(μA)
6.动力电缆
型号长度
一、绝缘电阻
测量(MΩ)A相对B、C及地 B相对A、C及地C相对A、B及地耐压试验前
耐压试验后
二、直流耐压
项目A相对B、C及地B相对A、C及地C相对A、B及地施加直流电压(kV)
时间(min)
泄漏电流(μA)
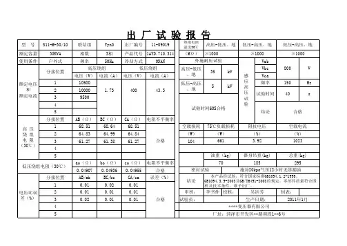
7.变压器
产品型号:产品编号:
生产厂家:出厂日期:
额定容量(kV A):额定电压:V 额定电流: A 短路阻抗:连接组标号:
一、绝缘油耐压
试验项目试验结果变压器油质量标准
击穿电压(kV)□运行前66~220kV≥40 □运行中66~220kV≥35
二、直流电阻
高压
分接试验值(Ω)/ 20℃(标准<2%)出厂值(Ω)/25℃AO BO CO 不平衡率(%)AO BO CO 1分接
2分接3分接4分接5分接
低压
ab bc ca ab bc ca 1分接
2分接
三、电压比及接线组别(标准<±0.5%)
分接额定电压比AB/ab BC/bc CA/ca 1分接
2分接
3分接
4分接
5分接
四、绝缘电阻
测量部位试验值(GΩ)/油温20℃吸收比
≥4000kV A≥1.3
出厂值(GΩ)/油温25℃R15S R60S R15S R60S
高压~低压及地
低压~高压及地
铁心绝缘电阻≥出厂值70%
五、绕组连同套管直流泄漏电流
测试部位施加电压(kV)泄露电流(μA)
高压
六、绕组连同套管介损
测试部位
试验值/油温20℃出厂值/油温25℃
△C%
△tan
δ% C0(nF) tanδ(%)Cx(nF) tanδ(%)
高压~低压及地
标准:1、≥8000kV A变压器,tanδ≤出厂值130%;2、电容量与出厂值比较偏差小于3%。
七、绕组连同套管交流耐压
被试绕组施加电压(kV)频率(Hz)时间(s)
高压
低压
8.依据及设备
试验依据□DL/T596-2005《电气设备预防试验规程》
□GB50150-2006《电气装置安装工程电气设备交接试验标准》
试验设备仪器微机继电保护测试仪型号K963+ 编号6614030004 仪器直流电阻测试仪型号HB5851 编号395119
仪器直流高压发生器型号ZGF-60/2 编号050404
仪器直流双臂电桥型号QJ35 编号0401032
仪器回路电阻测试仪型号KF-6104 编号361045
仪器互感器特性测试仪型号KF-6408(B) 编号0902-16
仪器开关特性测试仪型号KF-6103 编号690200902057 仪器测控装置校验仪型号PM605A 编号148110102 仪器绝缘电阻测试仪型号KD2676 编号01000177 仪器高压试验控制箱型号KZT(X)-3/0.25 编号017218-2
备注。