统一社会信用代码相关填写说明
- 格式:doc
- 大小:24.00 KB
- 文档页数:1
三明市机关、群团等统一社会信用代码服务指南一、适用范围本指南适用于三明市委编办直接管理机构编制的机关单位、民主党派和群团机关等组织《统一社会信用代码证书》的初领、补(换)领、变更、撤销业务的申请和办理。
二、办理依据《国务院关于批转发展改革委等部门法人和其他组织统一社会信用代码制度建设总体方案的通知》(国发[2015]33号)三、受理机构按照分级管理原则,三明市直机关、群团《统一社会信用代码证书》的初领、换领、补领、变更、撤销业务的申请和办理,请联系三明市事业单位登记管理局(地址:市政府礼堂二楼;电话:8239172)。
四、具备申领条件1、经党委、政府和机构编制部门批准设立的机构;2、有规范的机构名称;3、有稳定的机构地址。
五、提交材料(一)申领1、《三明市机关、群团等统一社会信用代码申请表》一式两份,(以下简称“统一社会信用代码申请表”,可在三明编办网站下载);2、党委、政府和机构编制部门批准设立文件(含“三定”文件)复印件;3、负责人任命文件及负责人身份证复印件;3、地址(主要办公场所)证明文件;5、《组织机构代码证》原件。
(二)遗失补领或损毁换领1、《统一社会信用代码申请表》一式两份;2、损毁的《统一社会信用代码证书》或相关情况说明,《统一社会信用代码证书》损毁的,提交证书原件。
《统一社会信用代码证书》遗失的,提交经负责人签字的情况说明,并加盖公章。
(三)变更变更机构名称、机构性质、机构地址、负责人的,应当向赋码机关提出申请。
1、《统一社会信用代码信息变更申请表》一式两份(可在三明编办网站下载);2、根据变更事项的不同,提交相应变更批准文件和相关证明文件;3、原《统一社会信用代码证书》所有原件。
(四)撤销1、《统一社会信用代码申请表》一式两份;2、机构撤销批准文件及其他相关证明文件;3、《统一社会信用代码证书》所有原件。
- 1 -(五)办理申请人初次领取统一社会信用代码需通过现场提交纸质材料办理。
统一社会信用代码证统一社会信用代码证详细解析引言在中国,每个企业、组织和自然人都会有一份关键的证件——统一社会信用代码证。
这个证件是为了确保社会的诚信和正常运行而设立的。
本文将详细解析统一社会信用代码证的含义、作用、颁发程序以及重要性。
一、什么是统一社会信用代码证?统一社会信用代码证是由国家的市场监督管理部门统一颁发的,用于标识和记录企业、组织和自然人的经济活动和信用状况的一种证件。
它由18位字符组成,通常包括登记管理机关的行政区划代码、组织机构代码、登记管理部门代码和主体标识码等信息。
二、统一社会信用代码证的作用1. 标识企业和组织:统一社会信用代码证作为一种标识,可以唯一确定和识别企业、组织和自然人的身份信息。
2. 信用记录和评估:通过统一社会信用代码证可以记录和评估企业、组织和自然人的信用状况。
这有助于判断其与其他实体的信用关系和信用风险。
3. 便捷查询和交互:统一社会信用代码证可以在不同的市场主体之间进行交互和查询,方便了经济活动的开展和监管。
三、统一社会信用代码证的颁发程序1. 准备材料:申请领取统一社会信用代码证需要提供相关材料,包括申请表、身份证明、营业执照等。
2. 填写申请表:将申请表填写完整,并确保所填写的信息准确无误。
3. 材料审核:市场监督管理部门将对申请材料进行审核,确保符合统一社会信用代码证的颁发条件。
4. 领取证件:经审核通过后,申请人可以前往指定地点领取统一社会信用代码证。
在领取过程中需要提供相应的证明材料。
四、统一社会信用代码证的重要性1. 企业信用建设:统一社会信用代码证是企业信用建设的基石,在市场经济中具有重要意义。
只有信用良好的企业才能在竞争激烈的市场中立足。
2. 促进公平竞争:统一社会信用代码证的实行可以有效遏制假冒伪劣、欺诈行为,促进市场的公平竞争和正常秩序。
3. 政府监管工具:统一社会信用代码证是政府监管企业和组织的重要工具。
通过对信用状况的评估,政府可以更好地监管和管理经济活动。
2018年度全国税收调查填报说明(一) 、信息表XXB1. 统一社会信用代码D1已使用统一社会信用代码的企业,按照18位统一社会信用代码填写。
尚未使用统一社会信用代码的企业,填写纳税人识别号。
2. 纳税人名称D2纳税人名称以该纳税人在工商行政管理局登记注册的汉字名称为准。
3. 企业规模D3根据《关于印发中小企业划型标准规定的通知》(工信部联企业[2011]300号)相关内容进行划分,下分:1.大型企业;2.中型企业;3.小型企业;4.微型企业。
4. 国民经济行业类别代码D4按纳税人实际从事的主要社会经济活动性质分类,按GB/T4754-2017执行5. 纳税人登记注册类型代码D5企业按工商行政管理机关登记或变更登记时核定的注册类型填写6. 是否为法人企业D6以工商行政管理机关登记注册的为准,0表示非独立核算的非法人企业,1表示是独立核算的非法人企业,2表示法人企业7. 企业隶属关系D7仅限于国有、集体、国有独资企业、国有绝对控股上市企业、国有相对控股上市企业、国有绝对控股非上市企业、国有相对控股非上市企业,即纳税人登记类型代码为"110"、"120"、"151"、"161"、"162"、"164"、"165"的纳税人填写!8. 中央企业代码D8中央企业(企业行政隶属关系代码为"10"),其企业主管部门代码按以下规定填写(其分类大致为:"91"开头表示工业企业,"92"开头表示流通企业,"93"开头表示新闻出版,"94"开头表示邮政通信,"95"开头表示交通企业,"96"开头表示金融保险企业,"97"开头表示水电工程;"98"开头表示建筑安装企业);"99"开头表示其他企业(企业行政隶属关系代码不为"10"),中央级企业合并会计报表的成员企业填写母公司代码。
机关、群团等统一社会信用代码服务指南(初领、补(换)领、撤销)一、适用范围本指南适用于全区各级党政机关、人大、政协机关、法院、检察院机关、编办直接管理机构编制的群众团体及其所属行政机构和派出机关,上级登记管理机关授权统一社会信用代码管理等行政机构的《统一社会信用代码证书》的初领、补(换)领、撤销业务的申请和办理。
二、事项名称机关、群团等统一社会信用代码的初领、补(换)领、撤销。
三、办理依据中央编办《关于开展机关、编办直接管理机构编制的群众团体统一社会信用代码工作的通知》(中央编办发〔2016〕3号)、省编办《关于开展全省机关、编办直接管理机构编制的群众团体等机构统一社会信用代码工作的通知》(甘机编办发〔2016〕43号)和市编办《关(兰机编于开展全市机关及编办直接管理机构编制的群众团体统一社会信用代码工作的通知》办字〔2016〕160号)。
四、受理机构(一)机构名称:兰州市七里河区事业单位登记管理局(二)受理对象:机关、群团及其所属行政机构和派出机关等(三)联系人:刘辰(四)联系电话:*******(五)办理地点:区政府大院3号楼1楼116室(六)咨询途径:*******(七里河区法人登记管理QQ群)五、办事条件(一)申请应当具备的条件:1.经批准机构批准设立;2.有规范的机构名称;3.有稳定的机构地址。
(二)初领的条件:符合上述条件,且提交的申请材料齐全有效。
六、申请材料(一)申请材料清单1.初领序号提交材料名称原件/复印件要求1《机关、群团等统一社会信用代码证书申领表》原件下载格式文本,按说明填写。
(下载网址*******)2组织机构代码证原件和复印件组织机构代码证原件和复印件3机构名称及机构性质的批准文件原件或复印件机构批准成立的文件4该单位负责人职务的任职文件原件或复印件具有人事管理权限部门的有效文件5负责人的居民身份证复印件或者其他身份证明文件复印件身份证、军官证等身份证明文件6机构地址确认证明原件或复印件机构地址确认证明(见证明式样)序号提交材料名称原件/复印件要求1《机关、群团等统一社会信用代码证书申领表》原件下载格式文本,按说明填写。
社会保险登记表填写说明社会保险登记表填写说明1. 申请人基本信息填写:- 申请人姓名:填写申请人的全名。
- 联系号码:填写申请人的联系号码。
- 出生日期:填写申请人的出生日期。
- 性别:填写申请人的性别。
- 籍贯:填写申请人的籍贯。
- 联系方式:填写申请人的联系方式。
2. 雇主基本信息填写:- 雇主名称:填写雇主的名称。
- 统一社会信用代码:填写雇主的统一社会信用代码。
- 注册地址:填写雇主的注册地址。
- 联系人姓名:填写雇主的联系人姓名。
- 联系方式:填写雇主的联系方式。
3. 参保类型选择:- 城镇职工基本养老保险:选择是否参加城镇职工基本养老保险。
- 城镇职工基本医疗保险:选择是否参加城镇职工基本医疗保险。
- 生育保险:选择是否参加生育保险。
- 工伤保险:选择是否参加工伤保险。
- 失业保险:选择是否参加失业保险。
4. 参保基数填写:- 员工姓名:填写员工的姓名。
- 员工联系号码:填写员工的联系号码。
- 基本工资:填写员工的基本工资。
- 缴费比例:填写员工的社保缴费比例。
5. 其他补充信息填写:- 社保险种变更原因:填写参保人参保险种变更的原因。
- 参保日期:填写参保人开始参保的日期。
- 其他补充说明:填写其他相关信息的补充说明。
6. 申请人签字:申请人在此处签字确认填写的信息的真实性和完整性。
附件:- 附件一:申请人联系复印件- 附件二:雇主营业执照复印件- 附件三:员工工资单复印件法律名词及注释:- 城镇职工基本养老保险:指职工在规定的城镇单位工作,按照一定的缴费比例缴纳的基本养老保险。
- 城镇职工基本医疗保险:指职工在规定的城镇单位工作,按照一定的缴费比例缴纳的基本医疗保险。
- 生育保险:指女职工在怀孕、分娩和哺乳期间,享受的一种社会保险制度。
- 工伤保险:指职工因工作原因导致的事故伤害或职业病患者享受的一种社会保险制度。
- 失业保险:指失去工作的人通过缴纳一定的保险费,在一段时间内获得失业救济金的一种社会保险制度。
注:本表适用于按台(套)进行登记的设备。
注:本表适用于按使用单位进行登记的特种设备。
特种设备使用登记表填写说明1 登记类别:填写本次办理使用登记的事由,如新设备首次启用、停用后启用、改造、使用单位更名、使用地址变更、过户、移装、达到设计使用年限等。
2 设备基本情况2。
1设备种类、类别、品种:按照《特种设备目录》填写。
没有品种的划“-”。
2。
2产品名称:按照产品铭牌或者产品合格证,产品数据表内容填写,也称设备名称。
2。
4 型号(规格):按照产品合格证、产品数据表或者相应的设计文件填写,有型号的填写型号,没有型号有规格的填写规格,与产品铭牌表述应当一致。
没有型号、规格的,划“—”。
2。
5 产品编号:填写制造单位为产品编制的制造编号、出厂编号等,其产品合格证、产品数据表和产品铭牌表述应当一致.2。
6 注册代码:由登记机关按照设备代码的编制要求填写.2。
7设计使用年限:按照产品数据表提供的数据填写.技术资料中未提供的,划“—”. 2。
8 制造单位名称、日期:填写产品的制造单位名称及制造日期,其与产品合格证和产品铭牌表述应当一致.2。
9施工单位名称、日期:填写登记时最近一次从事安装或者改造、修理的施工单位的名称及施工日期。
2.10设备数量:压力管道填写本次登记时的压力管道长度(单位为“米”)。
气瓶填写本次登记时的数量(单位为“只").3 设备使用情况3。
1 使用单位名称:填写使用单位名称(全称),如果属于公民个人,则填写姓名。
使用单位名称应当与含有单位统一社会信用代码的证明文件一致,个人姓名应与身份证件一致. 3。
2 使用单位地址:填写使用单位的注册地址,应包含所在的陕西省西安市、区(县)、街道(镇、乡)、小区(村)、门牌号等,并与营业执照等相关证照表述一致。
3.3使用单位统一社会信用代码:填写使用单位的统一社会信用代码.如果属于公民个人,则填写个人身份证号。
3.4 邮政编码:填写使用单位所在地的邮政编码。
《事业单位法人年度报告书》填写说明统一社会信用代码:填写本单位《事业单位法人证书》的统一社会信用代码。
()年度:填写上一年。
如2021年1月31日前报送年度报告,应填写(2020)年度。
单位名称:填写单位全称。
法定代表人:由法定代表人本人签名。
《事业单位法人证书》登载事项:按法人证书登记事项内容填写。
(如通过事业单位网上登记管理系统填写,以上项目内容由系统自动生成)资产损益情况:分别填写本单位上一年度资产负债表“净资产合计”或“所有者权益合计”科目的数额。
网上名称:是指本单位在互联网中使用的中英文域名和网站名称等。
有多个域名的,使用分号进行分隔。
如没有,填写“无”。
从业人员:填写实有在职人数,不包括离退休返聘人员、短期临时工等。
相关资质认可或执业许可证明文件及有效期:填写本单位业务范围涉及的资质认可或执业许可文件,涉及多项的,应分别填写,注明名称、发证机关、证书编码、有效期。
如没有,填写“无”。
对《条例》和实施细则有关变更登记规定的执行情况:填写上一年度是否按规定申请了变更登记,变更登记的具体内容及变更时间,如:××××年×月×日,按规定在30个工作日内变更法定代表人。
如没有,填写“无”。
党的建设情况:1.党建工作概述:简述本年度履行党建主体责任,加强党的政治、思想、组织、作风、纪律建设等情况(尽量用数据表述,不超过200字)。
2.党建工作考核结果:根据上级党组织对本单位党建工作考核的结果,从下列选项中选择:特别优秀、优秀、达标、不达标、无。
3.书记述职评议结果:根据上级党组织对本单位党组织书记述职评议结果,从下列事项中选择:好、较好、一般、差、无。
4.党建工作检查督查情况:(1)通报表扬:填写上级党组织对本单位党建工作检查督查通报表扬情况,注明文件名和文号。
(2)通报批评:填写上级党组织对本单位党建工作检查督查通报批评情况,注明文件名和文号。
企业信用年度报告填写范例1. 导言企业信用年度报告是企业对其信用状况进行自我评估和披露的一份重要文件。
本文为企业信用年度报告的填写范例,以提供参考和指导。
2. 企业基本信息2.1 企业名称:ABC公司2.2 注册地址:XXX省XXX市XXX区XXX路XXX号2.3 统一社会信用代码:1234567892.4 企业类型:有限责任公司2.5 经营范围:XXX业务领域XXX产品销售3. 经营情况3.1 业务概况在过去一年中,我公司业务持续增长,增长率达到20%。
我们不断拓展客户群体并积极开拓新市场,取得了显著的业绩。
同时,我们与多家大型合作伙伴建立了战略合作伙伴关系,进一步巩固了市场地位。
3.2 资金状况我公司注重企业财务管理,保持了良好的资金状况。
在报告期内,我们的现金流量保持稳定,并且积极管理资金风险。
3.3 客户满意度我公司非常重视客户满意度,并且通过市场调研和客户反馈不断完善产品和服务。
根据最近一次调研结果显示,客户对我们的产品和服务满意度达到85%。
4. 企业社会责任4.1 员工福利我公司一直视员工为最宝贵的资产,致力于提供员工满意的福利和良好的工作环境。
我们为员工提供具有竞争力的薪酬、培训机会和晋升通道,不断提高员工满意度。
4.2 环境保护我公司积极参与环境保护行动,并致力于降低环境影响。
我们采用环保材料和技术,对生产过程进行全面管理,以节约资源和减少废物的产生。
4.3 社会公益作为一家负责任的企业,我公司积极投身社会公益事业。
我们参与慈善组织,并定期组织员工参与社区志愿服务活动,回馈社会。
5. 风险管理5.1 内部风险我公司非常重视内部风险管理,在过去一年中,我们加强了内部控制和审计,确保了企业运营的稳定性和合规性。
5.2 外部风险我公司对外部风险也保持高度关注。
我们建立了风险管理体系,及时掌握市场变化和竞争动态,并制定相应的风险应对方案。
6. 未来展望在未来一年中,我公司将继续秉承发展理念,努力提高产品质量和服务水平。
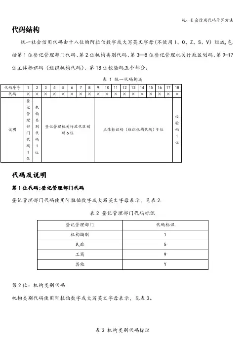
代码结构统一社会信用代码由十八位的阿拉伯数字或大写英文字母(不使用I、O、Z、S、V)组成,包括第1位登记管理部门代码、第2位机构类别代码、第3—8位登记管理机关行政区划码、第9-17位主体标识码(组织机构代码)、第18位校验码五个部分。
表 1 统一代码构成代码及说明第1位代码:登记管理部门代码登记管理部门代码使用阿拉伯数字或大写英文字母表示,见表2.表2 登记管理部门代码标识第2位:机构类别代码机构类别代码使用阿拉伯数字或大写英文字母表示,见表3。
表3 机构类别代码标识登记管理部门机构类型代码标识机构编制机关1事业单位2中央编办直接管理结构编制的群众团体3其他9民政社会团体1民办非企业单位2基金会3其他9工商企业1个体工商户2农民专业合作社其他1第3位—第8位:登记管理机关行政区划码登记管理机关行政区划码使用阿拉伯数字表示,按照GB/T 2260编码。
第9位-第17位:主体标识码(组织机构代码)主体标识码使用阿拉伯数字或大写英文字母表示,按照GB 11714编码。
第18位:校验码校验码使用阿拉伯数字或大写英文字母表示,按照GB/T 17710.校验码按式(1)计算:C18= 31 –MOD(×W i•31) (1)式中:MOD(n,m) —--——-———整数求余函数,例如:函数MOD(31,31)的值为0;i ---———-——代码字符从左到右的位置序号;---—----—-第i位置上的代码字符的值;C18 -——--—————校验码;Wi -———--——-—第i位置上的加权因子,Wi=MOD(,31),加权因子见表4.表4 各位置序号上的加权因子i1234567891011121314151617Wi139271926161720292513824103028。
机关群团等统⼀社会信⽤代码证书机关、群团等统⼀社会信⽤代码证书信息变更服务指南⼀、适⽤范围本指南适⽤于⾏政机关、编办直接管理机构编制的群众团体(以下简称群团)等组织《统⼀社会信⽤代码证书》信息变更的申请和办理。
⼆、事项名称⾏政机关、群团等统⼀社会信⽤代码登记信息变更。
三、办理依据《国务院关于批转发展改⾰委等部门法⼈和其他组织统⼀社会信⽤代码制度建设总体⽅案的通知》(国发[2015]33号)四、受理机构(⼀)机构名称:涞源县机构编制委员会办公室,涞源县事业单位登记管理局(⼆)受理对象:已赋予统⼀社会信⽤代码的⾏政机关、群团等。
五、受理数量⽆限制。
六、办事条件(⼀)申请应当具备的条件:变更机构名称、机构性质、机构地址、负责⼈的,应当向赋码机关提出申请。
(⼆)准予变更的条件:符合变更的情形,且提交的申请材料齐全有效。
七、申请材料(⼀)申请材料清单1、加盖申请机构公章的并经负责⼈签字的《机关、群团等统⼀社会信⽤代码证书信息变更申请表》原件(后附)。
2、《统⼀社会信⽤代码证书》原件。
3、因变更事项的不同,还应当提交下表中所列的其它相应⽂件:注:以上材料均提交⼀份。
提交⽂件复印件的,复印件应当加盖本机构公章。
(⼆)申请材料提交申请⼈变更统⼀社会信⽤代码证书信息需通过现场提交纸质材料办理。
地址:涞源县开源路17号三楼编委办公室(三)《机关、群团等统⼀社会信⽤代码证书信息变更申请表》填写说明1、申请⽇期:提交申请材料的⽇期。
2、统⼀社会信⽤代码:填写本机构《统⼀社会信⽤代码证书》上的统⼀社会信⽤代码。
3、现证书情况:按照《统⼀社会信⽤代码证书》上的相应内容填写,变更哪项,填写哪项,不变不填。
4、机构名称、机构性质:填写《统⼀社会信⽤代码证书》上的机构名称、机构性质。
5、机构地址:填写邮政能够送达的详细地址。
⼀个单位有多个办公地点的,填写主要办事机构所在地地址。
6、负责⼈:填写变更前的负责⼈姓名。
7、拟变更情况:填写拟变更的内容,变更哪项,填写哪项,不变不填。
统一社会信用社会代码证书日期失效更改情况说明一、适用范围本指南适用于南京市江北新区机关《统一社会信用代码证书》信息变更的申请和办理。
二、事项名称南京市江北新区机关统一社会信用代码登记信息变更。
三、办理依据《国务院关于批转发展改革委等部门法人和其他组织统一社会信用代码制度建设总体方案的通知》四、受理机构(一)机构名称:中共南京市委江北新区工作委员会党群工作部(二)受理对象:南京市江北新区各机关单位五、受理数量无限制。
六、办事条件(一)申请应当具备的条件:变更机构名称、机构性质、机构地址、负责人的,应当向赋码机关提出申请。
(二)准予变更的条件:符合变更的情形,且提交的申请材料齐全有效。
七、申请材料(一)申请材料清单1、加盖申请机构公章的并经负责人签字的《机关、群团等统一社会信用代码证书信息变更申请表》原件(下载格式文本填写)。
2、《统一社会信用代码证书》原件。
3、因变更事项的不同,还应当提交下表中所列的其它相应文件:机构名称、性质变更的,提供机构名称及机构性质的批准文件机构地址变更的,提供机构地址确认证明(见证明式样)负责人变更的,提供负责人任职文件及身份证复印件注:以上材料均提交一份。
提交文件复印件的,复印件应当加盖本机构公章。
(二)申请材料提交申请人可通过现场提交纸质材料办理,也可通过网上登记管理系统提交材料。
(参见八、申请接收)(三)《申请表》填写说明1、申请日期:提交申请材料的日期。
2、统一社会信用代码:填写本机构《统一社会信用代码证书》上的统一社会信用代码。
3、现证书情况:按照《统一社会信用代码证书》上的相应内容填写,变更哪项,填写哪项,不变不填。
4、机构名称、机构性质:填写《统一社会信用代码证书》上的机构名称、机构性质。
5、机构地址:填写邮政能够送达的详细地址。
一个单位有多个办公地点的,填写主要办事机构所在地地址。
6、负责人:填写变更前的负责人姓名。
7、拟变更情况:填写拟变更的内容,变更哪项,填写哪项,不变不填。
全国投资项目在线审批监管平台(广东) 项目统一代码申请操作手册目录一、平台网址 (3)二、平台帐号注册/登录 (3)三、项目统一代码申请 (5)(一)政府投资项目 (5)1。
新项目赋码 (5)2.已立项项目补码 (8)(二)企业投资项目(核准) (11)1。
新项目赋码 (11)2. 已立项项目补码 (13)(三)企业投资项目(备案) (16)1。
新项目赋码 (16)2。
已立项项目补码 (19)四、项目统一代码变更/放弃 (21)(一)项目代码变更 (21)(二)项目代码放弃 (23)五、备案项目变更/延期/放弃建设 (23)(一)备案项目变更 (23)(二)备案项目延期 (23)(三)备案项目放弃建设 (24)六、核准项目申请 (54)一、平台网址网址:http://www.gdtz。
gov。
cn二、平台帐号注册/登录描述:如已有平台帐号,可点击右上角登录入口,进入平台登录页面;如未有平台帐号,可点击右上角注册入口,进入平台注册页面;平台登录描述:项目申请请选择我是项目单位可点击查看登录注册引导平台帐号注册描述:点击【我要注册省政务服务账号】按钮进入用户注册(个人用户或单位用户)页面。
温馨提示:请如需申请企业投资核准/企业投资备案的企业单位,请选择单位注册;个人注册只能申报个人备案项目;三、项目统一代码申请(一)政府投资项目1。
新项目赋码1)申请流程引导操作流程描述:◆勾选【我已详细阅读以上文件并了解相关规定】;◆申报项选择:政府投资项目◆项目类型选择:审批◆赋码类型选择:新项目赋码参考图例:2)统一代码申请表统一代码申请表填写说明项目单位基本情况(其中红色星号*为必填项):✧*项目单位名称:是指项目单位的全称;✧*经济类型:是指项目单位的工商营业执照上的经济类型(有限责任公司和股份有限公司请选择股份制);✧*组织机构代码:此项和统一社会信用代码必须二填一;✧*统一社会信用代码:是指三证合一的工商营业执照号;✧*法人代表姓名、证件号码、联系固话;✧*经办人姓名、证件号码、联系固话、联系手机;项目基本情况(其中红色星号*为必填项):✧*项目名称:是指投资项目名称;✧*总投资:是指项目总投资,单位是万元;✧*建设地点:是指项目建设地点(地市、县区和镇街为下拉选项+详细地址【详细地址不用再输入地市、县区和镇街】);✧*建设性质:可选择新建、扩建、改建和其他;✧*项目类型:显示选择的项目类型(审批),审批阶段可根据情况选择项目建议书、可行性研究报告、初步设计及概算和其他;✧*建设规模及内容:是指建设规模、主要内容、产品名称、生产能力等;✧*国民经济行业代码:点击可选择国民经济行业代码,是选择项目对应的行业;✧*所属行业:选择国家行业目录,是选择项目对应的行业;✧*计划开工时间:只能选当月的下一个月;✧*计划竣工时间:只能选计划开工日期的下一个月;3)统一代码登记完成描述:投资项目统一代码登记完成后,需经过核查后才可以正式生效。
组织机构代码查询和统一社会信用代码随着社会经济的发展和国家法律法规的推进,组织机构代码查询和统一社会信用代码成为了必不可少的工具。
这两个代码在营商环境的培养、企业信息的管理以及政府监管中起着重要的作用。
本文将详细介绍组织机构代码查询和统一社会信用代码的定义、由来、运用以及相关的注意事项。
一、组织机构代码查询的定义和由来组织机构代码是由国家工商行政管理总局统一编制和管理的一种组织标识代码。
它是由全国各地的工商行政管理机构负责发放,用于标识各种组织形式的法人或非法人单位。
组织机构代码是一个包含字母和数字的18位代码,在标识企事业单位时起到重要的作用。
组织机构代码的由来可以追溯到1982年,当时我国对企业的管理开始发生转变。
为了加强企业管理,推动企业信息化建设,我国引入了组织机构代码的概念。
随着经济的发展和全球化的发展,组织机构代码的重要性逐渐凸显出来。
二、组织机构代码查询的运用1. 营商环境建设组织机构代码查询在营商环境建设中起到至关重要的作用。
企业在注册成立时就需要申请组织机构代码,这个代码将作为企业的唯一标识。
在办理各类企业事务时,企业需要提供组织机构代码进行验证。
这样的举措能够有效减少企业的重复注册和虚假登记。
同时,由于组织机构代码是唯一的,因此可以减少企业之间的混淆和误解,提高工作效率。
2. 信息管理和数据统计组织机构代码查询是企业信息管理和数据统计的重要工具。
企事业单位在进行信息登记和资料存档时,需要提供组织机构代码。
这样一来,相关部门就能够更好地进行数据统计和信息管理。
政府机关能够对企业的注册情况进行管理,及时了解企业的规模、产业结构、所属地域等信息。
这对于政府制定宏观经济政策和产业政策具有重要意义。
三、统一社会信用代码的定义和由来统一社会信用代码是由全国组织机构代码管理中心负责统一编制和管理的一种新的企业标识代码。
统一社会信用代码是在组织机构代码的基础上进行扩展而来的,它是一个18位的代码。
统一社会信用代码相关填写说明
一、统一社会信用代码(以下简称“统一码”)和纳税人识别号填写要求:已有纳
税人识别号的企业,必须填写纳税人识别号;已有统一码的企业,必须填写统一码。
两者都有的,分别填写。
二、统一码填写方法:统一码长度必须为18位。
企业2016年1月已取得统一码
的,在TRAS企业端“录入注册信息”界面填写。
2月-12月取得统一社会信用代码的,在XXB->E36单元格填写。
一旦填写,不再修改,填写时请认真检查。
一月可在【任务】-【修改注册信息】菜单修改统一码
三、纳税人识别号,只能在一月填写,以后月份继承且不能修改,填写时请认真
检查。
四、年初填写了纳税人识别号、未填写统一码的企业,到12月由税务机关更新
报表户代码。
操作方法:点菜单【工具】-【根据表元更新报表户代码】。
其功能为:用12月XXB->E36中的统一码,刷新该企业的报表户代码。