消防维保质量检查内容及评分表
- 格式:docx
- 大小:10.42 KB
- 文档页数:5
消防维保技术评审表主要包括以下内容:
评审目的:明确评审的目的和要求,如确保消防设备的正常运行、提高设备的可靠性等。
评审范围:明确评审的范围,如消防报警系统、喷水灭火系统、气体灭火系统等。
评审内容:包括设备运行状况、维护保养情况、安全性能等方面,具体可以细分为设备的外观检查、功能测试、故障排查等。
评审依据:明确评审所依据的标准、规范、技术要求等文件。
评审流程:明确评审的流程和步骤,如技术准备、现场检查、问题汇总、整改建议等。
评审人员:明确参与评审的人员及其职责和要求。
评审时间:明确评审的具体时间安排。
评审结果:汇总评审结果,包括设备运行状况、存在的问题及整改建议等,并给出综合评价。
整改要求:针对评审中发现的问题,提出具体的整改要求和时间安排,确保问题得到及时整改。
后续跟进:明确后续跟进的措施和要求,如定期复查、持续改进等。
在实际使用中,可以根据具体情况对评审表进行适当调整和修改,以满足实际需求。
附件2 消防系统维护保养工作质量考核标准
每月度根据维护保养计划按《消防系统维护保养评分表》评定工作质量,采用100分制,如乙方的分数为85分以上(含本数),整改完毕经甲方确认后,甲方向其支付全额保养费;分数为75分以上(含本数)—85分以下的,整改完毕经甲方确认后,甲方向其支付当期的保养费的90%;分数在75分以下(不含本数)—65分以上(含本数)的,整改完毕经甲方确认后,甲方向其支付当期的保养费的85%,甲方有权对乙方进行书面警告;分数在65分以下(不含本数)的,甲方有权扣除乙方当期全部维保费。
年月项目/楼盘
项目工程部验收意见:
维护保养公司签名:项目负责人签名:
日期:
物业管理中心:。
目录
1、消防设备维护记录表(页)
2、消防系统设备配置表(页)
3、消防控制中心设备检查记录表(页)
4、探测器/手动报警按钮试验记录表(页)
5、自动喷水灭火系统检测记录(页)
6、消火栓系统检测记录(页)
7、卷帘门系统检测记录(页)
8、防排烟系统检测记录(页)
9、消防联动设备检测记录(页)
10、消防工程维修表(页)
11、消防维修工程排故报告表(页)
12、维保工作纪录表(页)
本记录含以上表格共(页)
项目名称:
填表:
日期:
审核:
消防设备维护记录表
消防控制中心设备检查记录表
注:在选定对象的括号内打“√”或“╳”。
探测器/手动报警按钮试验记录表
第页共页
备注:试验结果项按如下选项填写,1—正常、2—不报警、3、报警但时间慢、4—报警但指示灯不亮、5—报警但显示地址不正确。
自动喷水灭火系统检测记录
第页共页
第页共页
第页共页
第页共页
注:在设备名称栏内填写1-排烟机、2-送风机、3-新风机、4-排烟阀、5-送风阀、6-防火阀。
消防联动设备检测记录
第页共页
消防系统设备配置表
消防工程维修表
消防维修工程排故报告表
单位名称:编号:
维保工作纪录表
第页共页
[此文档可自行编辑修改,如有侵权请告知删除,感谢您的支持,我们会努力把内容做得更好]。
消防维保检查表内容汇总
预览说明:预览图片所展示的格式为文档的源格式展示,下载源文件没有水印,内容可编辑和复制
消防设施维护月份巡查测试记录
委托单位:
项目名称:
监督电话:
维保人员签字: 委托单位相关人员签字: 监督电话:
维保人员签字: 委托单位相关人员签字: 监督电话:
建筑消防设施月度维护保养记录表
建筑消防设施月度维护保养记录表
项日名称: 日期: 年月日
建筑消防设施月度维护保养记录表
建筑消防设施月度维护保养记录表
项日名称: 日期: 年月日
维保人员签字: 委托单位相关人员签字: 监督电话:
建筑消防设施月度维护保养记录表
项日名称: 日期: 年月日
建筑消防设施月度维护保养记录表
项日名称: 日期: 年月日
建筑消防设施月度维护保养记录表
项日名称: 日期: 年月日
维保人员签字: 委托单位相关人员签字: 监督电话:
建筑消防设施月度维护保养记录表
建筑消防设施月度维护保养记录表
项日名称: 日期: 年月日
建筑消防设施月度维护保养记录表
建筑消防设施月度维护保养记录表
建筑消防设施月度维护保养记录表
建筑消防设施月度维护保养记录表
建筑消防设施月度维护保养记录表
维保人员签字: 委托单位相关人员签字: 监督电话:。
消防安全专项检查评分表说明:1.检查评分表满分100分;2.每项扣减分数不得超过该项标准分数;建筑施工安全检查评分汇总表项目名称:江苏省国际人才公寓建设工程建设单位:南京复兴置业年月日安全管理检查评分表检查人员签字:建设单位签字:检查日期:文明施工检查评分表落地式外脚手架检查评分表基抗支护安全检查评分表检查人员签字:建设单位签字:检查日期:模板工程安全检查评分表检查人员签字:建设单位签字:检查日期:“三宝”、“四口”防护检查评分表检查人员签字:建设单位签字:检查日期:施工用电检查评分表检查人员签字:建设单位签字:检查日期:塔吊检查评分表表3.0.11检查人员签字:建设单位签字:检查日期:施工机具检查评分表检查人员签字:建设单位签字:检查日期:注:1. 每项最多扣减分数不大于该项应得分数;2. 保证项目一项不得分或保证项目小计得分不足40分的,检查评分表计零分;3. 该表换算到汇总表中得分=10×该表检查项目实得分数合计/100。
注:1. 每项最多扣减分数不大于该项应得分数;2. 保证项目一项不得分或保证项目小计得分不足40分的,检查评分表计零分;3. 该表换算到汇总表中得分=20×该表检查项目实得分数合计/100。
注:1. 发现脚手架钢木、钢竹混合搭设或竹脚手架搭设单排架,检查评分表计零分;2. 每项最多扣减分数不大于该项应得分数;3. 保证项目一项不得分或保证项目小计得分不足40分的,检查评分表计零分;4. 该表换算到汇总表中得分=10×该表检查项目实得分数合计/100。
悬挂式脚手架检查评分表表4注:1. 发现脚手架钢木、钢竹混合搭设,检查评分表计零分;2. 每项最多扣减分数不大于该项应得分数;3. 保证项目一项不得分或保证项目小计得分不足40分的,检查评分表计零分;4. 该表换算到汇总表中得分=10×该表检查项目实得分数合计/100。
基坑支护安全检查评分表表5注:1. 每项最多扣减分数不大于该项应得分数;2. 保证项目一项不得分或保证项目小计得分不足40分的,检查评分表计零分;3. 该表换算到汇总表中得分=10×该表检查项目实得分数合计/100。
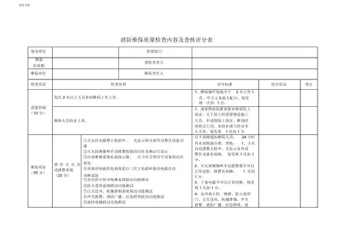
消防维保质量检查内容及查核评分表使用单位维保有效期维保单位检查项目质量控制(10 分)维保项目(55 分)管理部门消防负责人维保责任人检查内容每次 2 名以上人员参加维保工作工作。
维保人员持证上岗。
①火灾自动报警主机的声、光显示和全部外设警告设备功能②火灾探测器和手动报警按钮的动作及确认灯显示③自动喷淋系统水流指示器、压力开关等信号设备的反应消防火灾自状况④对备用电源供电系统进行三次主电源和备用电源自动动报警系统切换试验(25 分)⑤室内消火栓及喷淋系统联动功能测试⑥防火卷帘系统联动功能测试⑦正压送风、机械排烟系统联动功能测试⑧声光报警、消防广播、应急照明联动功能测试⑨消防电梯联动功能测试评分标准扣分原由得分1、维保操作现场少于 2 名工作人员,甲方义务派人配合。
每发现一次扣 1 分,1、润家物业依据资格审察颁发上岗证。
关于因工程需要增添施工人员,申请领取上岗证。
维保时间持证上岗,未持证或与持证本人不符,每发现 1 次扣 1 分以下故障通知维保人员,24 小时内未到现场办理,查核:1、火灾自动报警主机声、光显示及外设警告设备有故障,每发现 1 次扣 1分。
2、火灾探测器和手动报警器不可以正常巡检,报警有故障, 1 次扣1分。
3、主备电源不可以正常切换,每发现 1 次扣 1 分。
4、室内消火栓、喷淋、防火卷帘门、正压送风、机械排烟、声光报警、消防广播、应急照明、消消火栓灭火检查消防泵的远程及就地控制,启动运行消防泵系统( 10 分)消防广播、消①对楼层进行送话广播防对讲系统②楼层消防电话与中控室进行对讲(6 分)③机房、水泵房消防电话与中控室进行对讲防火卷帘门系统防火卷帘门远程控制运行正常(4 分)防电梯联动功能测试有故障,每发现 1 次扣 1 分。
不可以启动运行消防泵,通知维保人员, 24 小时内未到现场办理,扣 2 分。
以下故障通知维保人员,24 小时内未到现场办理,查核:1、楼层广播不可以进行送话,扣 2 分;2、楼层消防电话不可以与中控室对讲扣 2 分;3、机房、水泵房消防电话不可以与中控室进行对讲扣 2 分;防火卷帘门不可以远程及就地控制启停,通知维保人员,24 小时内未到现场办理,扣 2 分。
目录
1、消防设备维护记录表(页)
2、消防系统设备配置表(页)
3、消防控制中心设备检查记录表(页)
4、探测器/手动报警按钮试验记录表(页)
5、自动喷水灭火系统检测记录(页)
6、消火栓系统检测记录(页)
7、卷帘门系统检测记录(页)
8、防排烟系统检测记录(页)
9、消防联动设备检测记录(页)
10、维保工作纪录表(页)
本记录含以上表格共(页)
项目名称:
填表:
日期:
审核:
消防设备维护记录表
消防控制中心设备检查记录表
注:在选定对象的括号内打“√”或“╳”。
探测器/手动报警按钮试验记录表
第页共页
备注:试验结果项按如下选项填写,1—正常、2—不报警、3、报警但时间慢、4—报警但指示灯不亮、5—报警但显示地址不正确。
自动喷水灭火系统检测记录
第页共页
第页共页
第页共页
第页共页
注:在设备名称栏内填写1-排烟机、2-送风机、3-新风机、4-排烟阀、5-送风阀、6-防火阀。
消防联动设备检测记录
第页共页
消防系统设备配置表
维保工作纪录表
建筑消防设施设备
定期维护保养记录
工程名称:
受保单位:
承保单位:
维保日期:
维保类别:□每月度□两月度□季度□年度。
目录
1、消防设备维护记录表(页)
2、消防系统设备配置表(页)
3、消防控制中心设备检查记录表(页)
4、探测器/手动报警按钮试验记录表(页)
5、自动喷水灭火系统检测记录(页)
6、消火栓系统检测记录(页)
7、卷帘门系统检测记录(页)
8、防排烟系统检测记录(页)
9、消防联动设备检测记录(页)
10、消防工程维修表(页)
11、消防维修工程排故报告表(页)
12、维保工作纪录表(页)
本记录含以上表格共(页)
项目名称:
填表:
日期:
审核:
消防设备维护记录表
消防控制中心设备检查记录表
注:在选定对象的括号内打“√”或“╳”。
探测器/手动报警按钮试验记录表
第页共页
备注:试验结果项按如下选项填写,1—正常、2—不报警、3、报警但时间慢、4—报警但指示灯不亮、5—报警但显示地址不正确。
自动喷水灭火系统检测记录
第页共页
第页共页
第页共页
第页共页
注:在设备名称栏内填写1-排烟机、2-送风机、3-新风机、4-排烟阀、5-送风阀、6-防火阀。
消防联动设备检测记录
第页共页
消防系统设备配置表
消防工程维修表
消防维修工程排故报告表
单位名称:编号:
维保工作纪录表
第页共页
欢迎您的下载,
资料仅供参考!
致力为企业和个人提供合同协议,策划案计划书,学习资料等等
打造全网一站式需求。