科研办公楼空调工程风管安装技术交底记录
- 格式:doc
- 大小:388.50 KB
- 文档页数:7
通风空调工程风管安装安全技术交底概述风管系统是建筑物内通风、空调的重要组成部分,其安装施工需要严格按照相关标准和要求进行,确保其安全性和稳定性。
本文将介绍风管安装过程中需要注意的安全技术要点,以确保施工的安全和质量。
安全技术要点风管的材料风管材料应符合相关标准和要求,应经过质量检测和认证。
对于风管上的标识和说明,安装人员应该进行确认和审核。
如果发现材料有问题或者标识不符合要求,必须及时通知建设单位或者供应商。
安全防护在安装过程中,应采取严格的安全防护措施,确保施工人员和周围人员的人身安全。
具体措施包括:•确保施工区域设立安全警示标志;•对施工人员上岗前应进行安全培训;•施工人员必须穿戴符合要求的安全防护用具,如安全帽、安全鞋、手套等;•施工过程中应采取严格的机械隔离和安全防护措施,如机械安全防护门、封闭通风、零部件定位和锁定等。
竖井与风道在风管竖井和风道处,应采取相应的安全措施,确保安装过程中的安全。
具体措施包括:•施工前要对竖井和风道的周围环境进行检查和评估,排除危险因素;•竖井和风道的周围必须设立足够数量和位置的安全标识和警示标志,以提醒工人;•竖井内部必须设置安全门和护栏,确保工人在施工时的安全;•在竖井内使用的吊篮和脚手架必须定期检查和检测,确保使用安全;•所有竖井和风道的安全控制必须经过审查和审核,必须符合国家标准和要求。
工作人员流程在风管安装过程中,需要进行多个工作人员之间的协调和流程确认,以确保整个施工过程的安全和质量。
具体流程包括:•对于各项工作的任务分配和责任划分,必须统一制定并进行汇总;•工程安装的进行应根据工程进度安排人员进行;•涉及设备的安装与维修需要根据规定的步骤进行,防止安全事件的发生;•当发生任务变动时,需重新进行人员的分配工作,并重新进行各项任务的安排。
安全检查在风管安装过程中,需要进行多次的安全检查,以确保施工的质量和安全。
具体安全检查事项包括:•对风管和风口的位置和大小进行检查;•检查风管连接管件的位置和数量及其尺寸是否符合;•检查风管的漏风和拱形情况,并采取措施予以处理;•对风道封闭工作进行检查和确认,确保风道的封闭管路完整;•进行系统的气密性测试,对风管连接处进行检查,确保无泄漏等。
技术交底编号:空004 2023年1月6日架,室外或屋面安装旳立管应采用井架或拉索固定。
(9) 金属风管支吊架安装应符合下列规定:1) 风管与碳素钢支架旳横担接触处,应采用防腐措施。
2) 矩形风管立面与吊杆旳间隙不适宜不小于150mm,吊杆距风管末端不应不小于1000mm。
3) 水平弯管在500mm范围内应设置一种支架,支管距干管1200mm范围内应设置一种支架。
4) 风管垂直安装时,其支架间距不应不小于4000mm。
长度不小于或等于1000mm单根直风管至少应设置2个固定点。
(10) 风管安装后,支、吊架受力应均匀,且无明显变形,吊架旳横担挠度应不不小于9mm。
(11) 水平悬吊旳风管长度超过20m旳系统,应设置不少于1个防止风管摆动旳固定支架。
(12) 支撑保温风管旳横担宜设在风管保温层外部,且不得损坏保温层。
(13) 圆形风管旳托座和抱箍旳圆弧应均匀,且与风管外径一致。
抱箍支架旳紧固折角应平直,抱箍应箍紧风管。
(14) 保温风管旳支、吊架装置宜放在保温层外部,保温风管不得与支、吊托架直接接触,应垫上结实旳隔热防腐材料,其保温厚度与保温层相似,防止产生“冷桥”。
3. 质量控制3.1主控项目1.风管安装应符合下列规定:(1)风管安装前,应清除内、外杂物,并做好清洁和保护工作。
(2)风管安装旳位置、标高、走向,应符合设计规定。
现场风管接口旳配置,不得缩小其有效截面。
(3)连接法兰旳螺栓应均匀拧紧,其螺母宜在同一侧,且均匀拧紧。
风管旳弹簧夹或顶丝卡旳间距应不不小于150mm。
(1)风管水平安装,直径或长边尺寸不不小于等于400mm,间距不应不小于4m;直径或长边尺寸不小于400mm,间距不应不小于3m。
螺旋风管旳支、吊架间距可分别延长至5m和3.75m。
对于薄钢板法兰旳风管,其支、吊架间距不应不小于3m。
(2)风管垂直安装,间距不应不小于4m。
单根直管至少应有2个固定点。
(3)风管支、吊架宜按国标图集与规范选用强度和刚度相适应旳形式和规格。
工程名称:南县人民医院异址新建项目编号:工程名称:南县人民医院异址新建项目编号:项目技术负责人:卢怀曙项目专业施工员:周期项目专业质量检查员:李正波专业班组长:陈阳交底时间:2017年8月20日交底地址:项目部会议室交底内容风管弯管制作示意图a A B CR=20200AA2aaaaaL根据风管的边长比例,选择需设置导流叶片的弯头,导流叶片的迎风侧边缘圆滑,固定牢靠,另外当导流叶片的长度超过1250mm时,设有加固措施。
为了减少系统的局部阻力,将采用以上两种型式进行矩形弯管的制作。
制作按照以下技术要求进行:采用内外弧矩形弯管时,风管的内弧半径r与弯管边长之比(r/a)大于0.25;当弯管边长大于500mm,且内弧半径r与弯管边长a之比(r/a)小于或等于0.25mm时,要设置导流叶片。
导流叶片弧度应与弯管角度相等,片数按下表执行:弯管边长a(mm)导流叶片片数导流叶片位置A B C500<a≤1000 1 a/3 --1000<a≤1500 2 a/4 a/2>1500 3 a/8 a/3 a/2 采用内弧外直角型制作矩形弯管,当弯管的平面尺寸大于500mm时,应设置导流叶片。
导流叶片可采用单弧与双弧形制作,其半径与间距按下表规定进行。
导流叶片数与风管规格的关系。
工程名称:南县人民医院异址新建项目编号:项目技术负责人:卢怀曙项目专业施工员:周期项目专业质量检查员:李正波专业班组长:陈阳交底时间:2017年8月20日交底地址:项目部会议室交底内容片数a(mm)L(mm)4 130 5104 150 6106 160 8807 165 11408 180 1420导流叶片、连接板的厚度与弯管壁厚相同,连接板与风管用拉铆钉连接。
导流叶片的迎风侧边缘圆滑,固定牢靠,另外当导流叶片的长度超过1250mm时,设有加固措施。
2.变径管及天圆地方的制作变径风管制作时,单面变径的夹角宜小于30度,双面变径的夹角宜小于60度。
通风与空调风管安装安全技术交底分部分项工程安全技术交底工程名称:XXX(A区)总部大厦施工单位:XXX工种:机电安装工程总承包工程通风与空调工程一般规定:1.1 在操作时使用火,必须申请动火证,清除周围易燃物,并配备消防器材,应有专人看火和防火措施。
1.2 下料所载的铁皮边角余料,应随时清理堆放到指定地点,必须做到工完料净场地清。
1.3 操作前应检查所用的工具,特别是锤柄与锤头的安装必须牢固可靠。
活扳手的控制螺栓失灵和活动钳口受力后易打滑和歪斜不得使用。
1.4 操作使用錾子剔法兰或剔墙眼应戴防护眼镜。
錾子毛刺应及时清理掉。
1.5 人力搬抬风管和设备时,必须注意路面上的孔、洞、沟、坑和其他障碍物。
通道上部有人施工,通过时应先停止作业。
两人以上操作要统一指挥,互相呼应。
抬设备或风管时应轻起慢落,严禁任意抛扔。
往脚手架或操作平台搬运风管和设备时,不得超过脚手架或操作平台允许荷载。
在楼梯上抬运风管时,应步调一致,前后呼应,应避免跌倒或碰伤。
1.6 搬抬铁板必须戴手套,并应用破布或其他物品垫好。
1.7 安装使用的脚手架,使用前必须经检查验收合格后方可使用。
非架子工不得任意拆改。
使用高凳或高梯作业,底部应有防滑措施并有人扶梯监护。
脚手架平台上有人时,禁止移动脚手架平台。
1.8 安装风管时不得用手模法兰接口,如螺丝孔不对,应用尖冲撬正。
安装材料不得放在风管顶部或脚手架上,所用工具应放入工具袋内。
1.9 楼板洞口安装风管,要上、下配合好。
完工后要将洞口的安全防护设施恢复。
1.10 在操作过程中,室内外如有井、洞、坑、池等周边应设置安全防护栏或牢固盖板。
安装立风管未完工程,立管上口必须盖严封牢。
1.11 安装玻璃棉、消音及保温材料时,操作人员必须戴口罩、风帽、风镜、薄膜手套,穿丝绸料工作服。
作业完毕时可洗热水澡冲净。
常用机械及工具:2.1 使用手动折边机应遵守下列规定:1)操作前检查折边机的紧固螺栓是否有松动,依材料的厚薄,调整好定位。
一、交底对象全体参与风管安装工程的施工人员、管理人员及监理人员。
二、交底时间[具体日期]三、交底内容1. 工程概况(1)工程名称:[工程名称](2)工程地点:[工程地点](3)工程规模:[工程规模]2. 安全生产责任制(1)项目经理为安全生产第一责任人,对工程安全生产全面负责。
(2)项目技术负责人负责技术措施的落实和施工过程中的技术指导。
(3)施工队长负责本工区的安全生产管理工作。
(4)各工种班组长负责本班组安全生产管理工作。
3. 安全生产要求(1)施工人员必须持证上岗,严格遵守操作规程。
(2)施工人员必须佩戴安全帽、安全带、防护眼镜等个人防护用品。
(3)施工现场必须设置安全警示标志,施工人员必须遵守。
4. 风管安装安全措施(1)施工前,必须对施工人员进行安全技术交底,使施工人员充分了解施工过程中可能存在的安全隐患。
(2)施工前,对施工现场进行全面检查,确保施工环境安全。
(3)施工过程中,必须遵循以下安全措施:a. 风管材料堆放整齐,不得超高堆放。
b. 风管运输、安装过程中,必须使用专用工具,确保安全。
c. 风管安装过程中,必须保持施工面整洁,不得堆放杂物。
d. 风管安装时,必须使用安全带,防止坠落。
e. 风管安装过程中,注意观察周围环境,确保施工安全。
f. 风管安装完成后,进行试压,确保系统无泄漏。
5. 应急措施(1)施工现场必须配备消防器材,确保消防设施齐全有效。
(2)施工人员必须掌握消防器材的使用方法。
(3)施工现场发生火灾、触电等事故时,立即启动应急预案,迅速组织人员进行救援。
6. 施工过程中应注意的事项(1)施工人员必须遵守施工现场的各项规章制度。
(2)施工过程中,不得擅自更改施工方案。
(3)施工过程中,如发现安全隐患,立即停止施工,报告项目管理人员。
四、交底要求1. 施工人员必须认真学习本安全技术交底内容,确保掌握施工过程中的安全措施。
2. 施工过程中,严格执行安全操作规程,确保施工安全。
风管安装技术交底一、前言风管是空调、通风、排烟等工程中必不可少的部分,风管安装技术是一项非常重要的工程技术。
本文将会对风管安装技术进行交底,让大家对这项技术有更深入的了解。
二、风管安装前准备在风管安装前,需要做好以下准备工作:1.安装前对施工现场进行检查,规划好路线和位置;2.安装前需要检查风管的数量、长度、直径等尺寸信息是否与图纸相符;3.确认吊架的位置,吊架的距离、高度是否符合设计要求;4.在安装前需要检查装饰面的材质、颜色和接口的尺寸等信息是否符合设计要求;5.准备好安装时需要使用的工具和安全装备。
三、风管安装步骤风管的安装步骤如下:1. 架设吊架根据设计要求,在安装位置上架设好风管吊架,确保吊架的高度和距离满足设计要求。
吊架的间距不应超过2m。
2. 根据设计要求进行剪裁根据设计要求,利用剪切机将风管剪裁成所需的长度。
3. 连接风口和风机根据设计要求,连接好吸风口和送风口,并且连接好已经安装好的风机。
4. 安装风道根据设计要求,将剪裁好的风管安装到吊架上。
需要注意每个风管之间的间距,保证每个风管之间有足够的间隔。
5. 密封风管根据设计要求,安装防火烟尘和隔音材料,确保风管的防火性能和隔音性能。
6. 安装配件根据设计要求,安装各种配件,如弯头、变径头等。
7. 检查验收安装完毕后需要进行检查验收,确保风管的安装满足设计要求,并且所有接口都安装牢固,不会出现漏风和松动等情况。
四、注意事项在风管的安装过程中,需要注意以下事项:1.安装前需要认真检查现场和图纸信息,确保所有信息符合工程设计要求;2.风管的安装应该安全、牢固、符合设计要求;3.在安装过程中需要使用安全装备,保障操作人员的安全;4.安装完成后,应进行一次严格的检查验收,确保安装质量符合要求。
五、风管安装技术是一项非常重要的工程技术。
在风管的安装过程中需要做好充分的准备工作,严格按照设计要求进行操作,在安装完毕后进行严格的检查验收。
只有如此,才能保障风管的防火性能和隔音性能,确保工程的顺利运行。
通风与空调施工技术交底记录一、工程概况本工程中通风与空调系统是本工程的重要组成部分。
本次施工技术交底主要针对通风与空调系统的施工进行详细说明。
二、施工流程与技术要求1.风管制作与安装a. 风管材料选择:根据设计要求,选用镀锌钢板或不锈钢板作为风管材料,保证材料质量符合国家相关标准。
b. 风管制作:按照设计图纸进行风管制作,确保风管的尺寸、形状、角度等参数符合设计要求。
同时,对风管的连接部位进行加固处理,防止运行过程中出现漏风现象。
c. 风管安装:根据施工现场实际情况,确定风管的安装位置和走向,确保风管安装牢固、平整。
在穿越墙体或楼板时,应设置防火阀,并确保防火阀的正常工作。
2.空调设备安装a. 空调机组:按照设计图纸的要求,选用合适的空调机组,并确保机组安装位置正确、平稳。
同时,对机组的进、出口进行密封处理,防止漏风现象发生。
b. 冷却塔:根据设计要求,选择合适的冷却塔型号和规格,并确保冷却塔的安装位置合理、平稳。
同时,对冷却塔的进、出口进行密封处理,防止漏水现象发生。
3.通风与空调系统调试a. 系统调试前,应对通风与空调系统的所有设备进行检查,确保设备完好、正常工作。
b. 根据设计要求,对通风与空调系统进行调试,调整设备的运行参数,确保系统正常运行。
在调试过程中,应密切关注设备的运行状况,及时发现并处理问题。
三、安全注意事项1.在施工过程中,应遵守施工现场的安全规定,正确使用安全防护用品。
2.在安装风管和空调设备时,应注意防止高空坠落和物体打击等事故的发生。
风管安装安全施工技术交底1. 引言本文档旨在对风管安装的安全施工技术进行详细的交底。
风管安装是建筑工程中不可或缺的环节,为确保施工质量和安全,施工人员需要掌握相关的技术知识和操作规范。
本文将从材料准备、施工准备、安装过程以及施工后的验收等方面进行详细介绍。
2. 材料准备2.1 风管材料在风管安装前,需要检查和准备相应的风管材料。
风管材料应符合相关标准,并具备耐高温、耐腐蚀、无毒无害等特性。
在准备过程中,需要检查风管的尺寸和表面质量,确保无明显缺陷。
2.2 筋膜材料风管施工过程中,需要使用筋膜材料对风管进行密封和保温处理。
筋膜材料应选用质量可靠、符合要求的密封材料,并预先进行适当的处理,以提高附着力和密封效果。
2.3 固定件和附件在风管安装过程中,需要使用适当的固定件和附件对风管进行固定和连接。
固定件和附件应符合相关标准,并具备足够的强度和耐腐蚀性,以确保风管系统的稳定性和安全性。
3. 施工准备3.1 工作区域准备在开始风管安装施工前,需要对工作区域进行充分准备。
包括清理工作场地、保障施工区域通风和照明条件,并确保施工区域没有其他危险物品和障碍物。
3.2 施工团队配备安全施工需要具备合适的施工团队。
施工团队成员应熟悉施工过程并具备相关经验,确保施工按照标准和规范进行。
每个团队成员都应具备必备的安全防护知识和装备,以应对潜在的施工风险。
4. 安装过程4.1 风管布置在风管安装过程中,需要根据建筑设计和风管系统布置图纸进行布置。
在布置过程中应注意风管的坡度和弯曲要求,确保风管的设计流量和运行效果。
4.2 风管连接风管连接过程需要严格按照相关标准和规范进行。
连接过程中应检查连接部位的密封性,采取适当的密封和固定措施,以防止漏风和松动。
4.3 筋膜处理筋膜材料的处理是风管安装过程中的一个重要环节,它可以提供风管的密封和保温效果。
施工人员应确保筋膜材料的完整性和紧密贴合,避免出现裂缝和褶皱,以确保风管系统的正常运行。
通风空调施工技术交底记录-风系统、水系统、设备安装等全面的技术交底记录1. 引言本文档旨在记录通风空调施工过程中,涉及风系统、水系统、设备安装等全面的技术交底记录。
其中,涉及的技术内容包括工程方案、材料选型、设备安装、系统调试等方面。
2. 工程方案本工程涉及到通风和空调两个方面,因此需要分别设计相应的系统方案。
2.1 通风系统方案通风系统主要包括进风系统、排风系统、送风系统、回风系统和新风系统。
在设计方案时,需要考虑以下因素:•房间的大小和用途;•房间的设计布局和结构;•房间所处的环境和气候条件。
根据以上因素,我们设计了以下通风系统方案:•进风系统:采用预处理进风方式,先进过滤器进行初步处理,然后经过静压箱进入楼层区域,再通过风管输送至各房间的送风口。
•排风系统:根据房间类型和人员数量,设计了相应的排风量和排风口位置。
排风系统采用单向流量阀进行控制,通过风管排出室内的污浊空气。
•送风系统:采用恒风流量方式,经过初步处理的送风口将新鲜的空气送至室内,保证空气的流通和清新。
•回风系统:提取室内的局部空气,通过回风口返回静压箱,再次进行处理后和新风混合,供送风系统使用。
•新风系统:在进风系统的前端设置新风装置,将过滤后的新鲜空气供给送风系统,以达到室内空气质量的要求。
2.2 空调系统方案空调系统主要包括制冷系统和制热系统。
在设计方案时,需要考虑以下因素:•房间的大小和用途;•房间的设计布局和结构;•房间所处的环境和气候条件。
根据以上因素,我们设计了以下空调系统方案:•制冷系统:采用冷凝式空气调节系统,通过增压器将冷媒压缩,然后经过膨胀阀放宽,冷凝器和蒸发器之间的冷却剂循环流动,实现制冷功能。
•制热系统:采用反向循环制热系统,通过氟利昂制热器制热。
将冷凝器和蒸发器的位置对调,制热剂流动方向也与制冷系统相反,达到加热的效果。
3. 材料选型材料选型是通风空调系统建设的关键环节之一,下面介绍本工程中涉及到的主要材料。
20xx年10月15日施管表5
20xx年10月15日施管表5
20xx年10月15日施管表5
接收单位
接收人
图3.3.3.4
风管支、吊架制作完毕后,应进行除锈,刷一遍防锈漆。
用于不锈钢、铝板风管的支架,抱箍应按设计要求做好防腐绝缘处理。
防止电化学腐蚀。
设置吊点根据吊架形式设置,有预埋件法、膨胀螺栓法、射钉枪法等。
前期预埋:一般由预留人员将预埋件按图纸坐标位置和支、吊架间距,牢固固定在土建结
技术交底记录
图3.4.1.2
膨胀螺栓法:特点是施工灵活,准确、快速(图3.4.2)
图3.4.2
的风管支管的安装。
其特点同膨胀螺栓,使用时应特别注意安
接收单位
图3.6.2.4
图3.6.3.2
图3.6.3.3
沿法兰粘贴一周后与起端交叉搭接,剪去多余部分(图
图3.7.1
插接式连接:主要用于矩形或圆形风管连接。
先制作连接管,然后插入两侧风管,再用自攻螺
图3.7.3
软管式连接:主要用于风管与部件(如散流器,静压箱侧送风口等)的相连。
安装时,软管两端套在连接的管外,然后用特制软卡把软管箍紧。
风管安装:根据施工现场情况,可以在地面连成一定的长度,然后采用吊装的方法就位;也可以把风管一节一节地放在支架上逐节连接。
一般安装顺序是先干管后支管。
具体安装方法参照表
接收单位
接收人
图3.9.2
~300mm时,应停止起吊,仔细检查倒链或滑轮受力点和捆绑风管的绳索,绳扣是否牢靠,风管的重心是否正确。
没问题后,再继续起吊。
接收单位
接收人。
技术交底记录编号工程名称前海华润金融中心项目施工总承包工程--机电工程交底日期2017年2月日施工单位中铁建设集团有限公司分项工程名称风管安装交底提要风管施工要点注:1、吊杆下端和横担固定采用镀锌螺母并加平垫,大边长大于等于1.5米的风管加双螺母。
2、空调风管及吊顶内的排烟风管加30mm厚的木托,木托宽度为角钢宽度,其余风管不加木托。
节点A大样图槽钢头大样图节点B大样图度角,倒角宽度为角钢宽度的一半,角钢倒角后需打磨无毛刺,并切刷防锈漆。
、横担的长度需考虑保温厚度,需要保温的风管横担长度要比不需要保温的风管长注:风管防晃支架提前确定好位置,不要与吊架重复。
保温风管侧面和下面需要加木托,木托宽度同角钢宽度。
木托用自攻螺丝固定于角钢上,角,倒角宽度为角钢宽度的一半。
风管支架尽量安装于梁上,安装于梁上的防晃支架见下图。
技术交底记录编号工程名称前海华润金融中心项目施工总承包工程--机电工程交底日期2017年2月日施工单位中铁建设集团有限公司分项工程名称风管安装交底提要风管施工要点4、立管支架安装形式如下注:风管立管支架安装尽量安装于楼板上,角钢与地面接触处垫钢板,空调风管需要保温加木托,其余风管不加木托,立管支架应尽量使法兰贴在支架上,如法兰不能贴于支架上需用螺栓固定,风管内侧加密封胶圈。
(14)3、风管安装(1)法兰的连接螺栓采用镀锌螺栓、垫片采用镀锌垫片,螺栓应均匀拧紧,螺母应在同一侧,统一规定为:立管螺栓朝下螺母位于角钢下方,加平垫及弹簧垫,水平管安装方向为顺气流方向。
(2)风管安装前应对其外观进行质量检查,并清除内外表面粉尘及管内杂物。
安装中停顿时,应将风管端口封闭。
(3)风管安装要求使用墨斗弹线后方可施工,保证风管安装做到横平竖直。
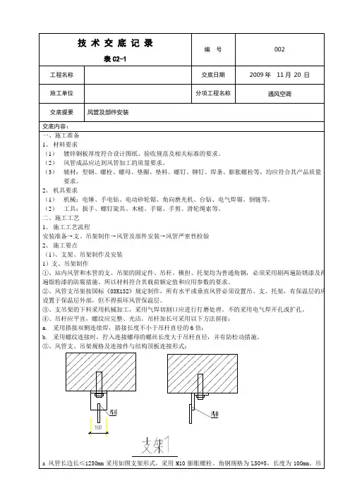
风管安装技术交底分项工程技术(安全)交底记录编号:SZLFSNT-002建设单位名称:XXX工程名称:深圳来福士广场综合机电分包工程分项工程名称:风管系统安装交底部位:地下室施工单位名称:XXX工种:通风工交底时间:2015-04-9交底内容:风管及部件安装一、所依据技术文件及标准规范1.《建筑工程施工质量验收统一标准》GB-2001;2.《通风与空调工程施工质量验收规范》GB-2002;3.《通风管道施工技术规程》141-2004;4.施工图纸、合同技术规范等。
二、施工程序及技术要求1.技术要求⑴.安装风管前,应将图纸与施工现场进行核对,检查能否按设计的标高和位置进行安装。
检查支、吊架的敷设、设备基础和预留孔洞是否符合要求。
⑵.有完善的风管安装施工方案,并进行了技术交底。
⑶.安装用工机具、计量器具准备齐全,并检查使用性能完好。
2.材料要求⑴.各种安装材料产品应具有出厂合格证明书或质量鉴定文件及产品清单。
⑵.风管成品不许有变形、扭曲、开裂、孔洞,法兰脱落。
法兰开焊、漏铆、漏打螺栓眼等缺陷。
⑶.安装的阀体、消声器、罩体、风口等部件应检查调节装置是否灵活,消声片,油漆层有无损伤。
⑷.安装使用材料有:螺栓、螺母、垫圈、垫料、自攻螺丝、铆钉、拉铆钉、电焊条、气焊条、焊丝、不锈钢焊丝、石棉布、帆布、膨胀螺栓等,都应符合产品质量要求。
3.主要机具⑴.常用工具:扳手(活动扳手、双头扳手、套筒扳手、梅花扳手),改锥(一字改锥、十字改锥),手电钻,冲击电钻,台钻,磨光机,2T倒链(包括加长链倒链),麻绳,手锤,电锤,手锯,电动双刃剪,电动砂轮锯,液压铆钉钳,电动拉铆枪,移动式脚手架,液压升降机,脚手架,安全帽,安全带等。
⑵.测量工具:水平尺、钢直尺、钢卷尺、水准仪,线坠(磁力线坠)、角尺、红外线。
4.作业条件⑴.一般送排风/烟系统、空调系统、厨房排油烟系统的安装,要在建筑物围护结构施工完,安装部位的障碍物已清理,地面无杂物的条件下进行。
空调风管安装工程技术交底记录工程名称:空调风管安装工程施工单位:(公司名称)施工部位:(详细位置)施工日期:(具体日期)一、施工原则和要求:1.所有施工必须按照相关规范和标准进行,确保施工质量和安全。
2.施工人员必须具备相关资质证书,严禁非专业人员进行施工作业。
3.施工现场必须保持整洁有序,材料和设备摆放整齐,避免危险因素。
二、施工准备:1.施工前需核对设计图纸和施工方案,确保施工准备充分。
2.仔细查看施工现场环境和条件,确认是否符合安装要求。
三、风管选择和排列:1.根据设计要求选择适当的风管类型和规格。
2.风管布置应符合风力学原理,确保空气流通畅通。
3.风管应垂直或平行铺设,不得有明显弯曲或拗折的情况。
四、风管连接和固定:1.风管连接处应采用密封胶带或密封胶水进行连接,并确保连接牢固。
2.风管连接应平直齐整,不得有漏风或松动情况。
3.风管固定应使用专用吊架或托架进行固定,固定距离应符合规范要求。
五、风口的安装和调整:1.根据使用需求和设计要求,选择适当的风口类型和规格。
2.风口应安装在合适的位置,以便实现均匀的送风效果。
3.安装后需进行调整,确保风扇送风方向正确和气流分布均匀。
六、防火处理:1.风口与风管之间应采取防火板或防火胶条进行封闭处理。
2.风管、风口和防火板之间的连接应牢固,确保防火效果。
3.施工结束后,需进行防火检查和验收。
七、施工安全:1.施工过程中必须佩戴防护用品,如安全帽、工作服、防护鞋等。
2.施工现场应设置警示标志,并确保工人遵守相关安全规定。
3.高处作业需使用安全绳索等防护措施,确保工人安全。
八、质量控制:1.施工过程中,每一道工序都需按照标准要求进行检验和验收。
2.施工结束后,进行全面的质量检查,确保施工质量符合要求。
3.施工记录和验收报告必须详细完整,包括材料使用情况、质量控制检查等。
以上是本次空调风管安装工程技术交底的内容,施工人员必须严格按照相关要求进行施工,确保安全和质量。
空调工程施工方案技术交底一、项目概况本项目为某办公楼空调工程施工项目,包括办公楼内部空调设备的安装和调试工作。
本项目共有10层楼,每层楼面积为2000平方米,总建筑面积为20000平方米。
本项目空调系统为中央空调系统,采用变频空调机组和风管系统。
本施工方案旨在确保空调工程的质量和安全,同时提高施工效率,保证工程进度。
二、技术标准和要求1. 施工单位应具备相应的资质和经验,项目经理和施工人员应具备相关证书和技术能力。
2. 施工单位应遵守《建筑工程施工质量验收规范》等相关标准,确保工程质量达标。
3. 施工单位应加强安全生产管理,严格遵守《建筑施工安全生产管理条例》,保障施工现场安全。
4. 施工单位应按照设计要求,严格控制材料和设备的质量,确保施工材料符合相关标准。
5. 施工单位应做好工程施工记录和技术交底,保留好施工过程中的各项资料和记录。
三、施工方案1. 施工前准备工作(1)确定项目经理和施工人员,进行技术交底和培训。
(2)编制施工组织设计和安全生产方案,做好相关手续和审批工作。
(3)对施工现场进行勘察和测量,确认空调设备的安装位置和管线布置。
(4)准备施工所需的设备、材料和人员,做好施工准备工作。
2. 空调设备安装工作(1)按照设计要求和施工图纸,确定空调设备的安装位置和布局。
(2)安装变频空调机组和室内机组,接线调试,确保设备安装牢固和正常运行。
(3)安装风管系统和风口,按照设计要求进行布局和连接,保证风管畅通。
(4)对空调设备进行运行试验,调试设备参数,保证设备正常运行。
3. 空调系统调试工作(1)对空调系统进行全面检查,确认设备和管线无泄漏。
(2)进行空调系统调试,调节风量和温度,确保空调系统运行稳定。
(3)对空调系统进行性能测试,测试系统的制冷和制热效果。
(4)编制空调系统调试报告,保留好相关数据和记录。
4. 安全生产管理(1)加强施工现场的安全防护,做好安全教育和培训工作。
(2)建立施工现场巡查制度,发现并及时整改安全隐患。