心电监护仪的使用考核评分标准
- 格式:doc
- 大小:32.00 KB
- 文档页数:4
【心电监护仪使用技术评分标准】心电监护仪使用技术评分标准(20XX-1 修订)科室:姓名:考试日期:监考人:评分:项目操作要领扣分细则扣分操作前准备 16 分仪表端庄,着装整洁一处?符合要求扣 1 分核对医嘱、执?单 ?符合要求扣 2 分评估: 1.患者病情、意识状态,心前区皮肤情况 2.患者周围环境、光照情况及有无电磁波干扰,心电监护仪器的性能是否良好 3.解释操作目的,取得患者合作 1. 一处?符合要求扣 1 分 2. 未解释或未取得患者配合扣 3 分洗手,戴口罩一处?符合要求扣 1 分准备用物:心电监护仪、一次性粘贴电极、棉签、75%酒精、纱布,必要时备电源插板放置?合理或?项扣 1 分 1.携用物至床旁,核对床号、姓名。
一处?符合要求扣 1 分 2.向患者告知操作配合要点,协助患者取适一处?符合要求扣 1 分宜体位。
3.连接电源,打开主机电源开关。
检查监护未选择病人种类扣 5 分,其他仪是否正常。
选择病人种类(成人/儿童/ 一处?符合要求扣 1 分新生儿)4.连接心电监护:用棉签沾酒精清洁粘贴电极部位皮肤。
根据仪器类型,将电极片连 1. 操作不正规扣 5 分接至监测仪导联线上(另一种先粘贴电极 2. 安放电极错误扣 5 分片,再连接导联线),按照监护仪标识要求贴于患者胸部正确位置,避开伤口,必要时避开除颤部位(三导联放置位置:RA- 操作过程 70 分右锁?下靠近肩部;LA-左锁?下靠近肩部; LL-左下腹)。
5.连接无创血压:选择合适的部位,绑血压计袖带 1.血压计袖带过松或过紧扣 5 分 2.未选择合适部位扣 5 分6. SpO2 监测:操作?规范扣 5 分7. 监测波形及数值: 1.未正确选心电导联扣 2 分 2.未正确测量 BNP 扣 2 分 3.未设定测量间隔时间扣 2 分 4.未正确设置各项数据(P、 NBP)报警值扣 2 分(1)根据情况选择心电导联、调节振幅,保证监测波清晰、无干扰(2)按NBP测量键(3)设定NBP 测量间隔时间(4)根据监测数据或目标值设置报警上下限 8.各导线,放置整齐,帮助取舒适体位,病床单元告知患者注意事项,指导患 1.线路混乱扣 2 分 2.无观察扣 2 分者观察电极周围皮肤情况,记录开始时间无记录扣 2 分 9.停用心电监护仪时,向患者告知,取得合作无告知或未取得患者合作扣 2 分 10.关机、断开电源关机顺序错误扣 1 分 11.取下电极片、血压计袖带、SpO2 传感器等,清洁局部皮肤 1.未正确整?仪器扣 2 分 2.未清洁患者皮肤扣 2 分 12.告知患者注意事项,记录停止时间 1.未告知患者注意事项扣 2 分 2.未记录停止时间扣 2 分 13.协助患者取舒适体位,整?床单元一处?符合要求扣 2 分 14 按消毒技术规范要求分类整?使用后物品,洗手 1.未正确用物扣 1 分 2.未正确洗手扣 2 分健康宣教 12 分 1.诉患者不要自行移动或者摘除电极片,不可以调节任何按键 1告知避免在监护仪附近使用手机,以免干扰监测波形 2指导患者学会观察电极片周围皮肤情况,如有痒痛及时告诉医务人员 1. □1□2□3□4 2. □1□2□3□4 3. □1□2□3□4 时间 2 分操作时间10分钟超时1分钟扣2分总分 100模板,内容仅供参考。
心电监护仪的使用考核评分标准考号分数项目内容分值评分要求扣分评估和观察要点20分1、核对医嘱:查看病历、核对医嘱、了解患者诊断、目前病情、用药情况。
2、评估患者(1)评估患者病情、意识状态、诊断及治疗情况,应用心电监护仪的原因,适应症,心功能检查情况。
(2)观察局部情况:肢体活动及上臂皮肤情况,指甲情况,心前区皮肤情况,有无黏贴电极的禁忌。
(3)心理状况:语言沟通能力和情绪状态,有无焦虑、恐惧等情绪,对心电监护有无顾虑和特殊心理需求等。
(4)对心电监护的认识和理解,有无配合监护方面的知识。
(5)观察并记录心率和心律变化。
观察心电图波形变化,及时处理异常情况。
3、用物评估:评估监测仪完好,用物齐全。
4、环境评估与准备:评估患者周围环境、光照情况及有无电磁波干扰。
5、操作者自身评估233323211一项未评估扣0.5分,扣完为止一项未评估扣除0.5分,扣完为止未观察肢体活动及上臂皮肤情况、指甲情况、心前区皮肤情况,各扣1分一项未评估各扣1分,扣完为止未评估者扣2分,评估不全扣1分可上好监护后观察,未体现扣3分未评估光照及电磁波干扰情况,扣1分准备10分准备:(1)操作者准备:着装整洁,洗手。
掌握心电监护的基本知识,熟悉心电监护仪的使用方法;(2)患者准备:理解心电监护的目的与要求,心情平稳(3)用物准备:心电监护仪、一次性电极、75%乙醇纱布(过敏者用生理盐水)、持物钳(4)环境准备:清洁、安静3322着装不整洁,未洗手,扣1分;未掌握心电监护的基本知识及心电监护仪的使用方法扣2分可与患者评估同时进行,未体现扣3分未评估监护仪性能、导联线连接情况,扣1分;用物不全,缺一项扣0.5分操作实施要点60分1、用物及监护仪带至床旁,核对,对清醒患者,告知监测目的及意义,取得患者合作。
2、检查监测仪控制件是否在正常位置。
3、连接监护仪电源,打开主机开关。
4、心电监测(1)暴露胸部,正确定位,清洁皮肤,以75%乙醇纱布擦净,以减少皮肤的阻力。
心电监护仪的使用及评分标准科室:姓名:得分:考核者:年月日监护仪报警设定的原则:1.病人的安全。
2.尽量减少噪音干扰。
3.不允许关闭报警功能,除非在抢救时才可以暂时关闭。
4.报警范围的设定不是正常范围,而应是安全范围。
报警设置要求:1.ECG:HR—基础的±20-30%,必要时根据病人实际情况设置,心率的最大极限是40—150次/分。
波速25mm/s。
打开心律失常分析和ST分析(报警高低限为±0.20mV)。
是否打开起搏分析根据病人实际情况。
2.BP—一般为患者血压值的±30mmHg.3.SPO2—90-100%,必要时根据病人实际情况设置。
波速25mm/s。
4.R—10~30次/分,波速6.25mm/s。
简易呼吸器操作规程操作时间8分钟考核者:备注:1、场景模拟:护士巡视病房时发现某病人面色青紫,呼吸停止,颈动脉搏动微弱,护士给予呼吸器辅助呼吸。
2、给氧装置已安装为备用状态(按照实战状态可有他人的协作)。
3、操作时间从检查用物开始计时共8分钟,每超过30秒,扣1分。
简易呼吸气囊功能测定方法一、呼吸气囊的分解图编号名称编号名称编号名称编号名称编号名称1麻醉呼吸面罩4鸭嘴垫片7进气阀底座10氧气连接管14储氧阀旋盖2安全阀5患者接头8进气阀垫片11储氧阀接头+储氧袋3单向阀6呼吸球体9进气阀接头12、13储氧阀垫片二、安装步骤:1.将2、3、4、5部件安装、旋紧,组装成一套安全阀组与呼吸球体细颈相连;2.将8垫片装入7进气阀底座下,塞入球体粗颈并露出旋丝,将9接头旋紧;3.将12、13号垫片装入11储氧阀(两个垫片方向一致),然后再扣上14盖;4.将10管的一头与9接头上进气孔相连,一头与氧气设备相连。
5.将1面罩与5接头相连。
三、呼吸球的自我测试:1.球体测试将呼吸球组装完成后,不要接单向阀及气袋,用手压下球体,然后放开球体应很快自动弹回原状;2.将出气口堵住用力压下球体,球体将无法压下,如发现球体慢慢凹陷或有漏气现象,请检查进气阀是否完整正常。
心电监护仪评分标准
引言
本文档旨在为使用心电监护仪的医疗专业人员提供一份评分标准,以便准确评估患者的心电图结果。
评分标准是根据临床经验和医学指南编制的,具有一定的客观性和标准化。
测量方法
在评估心电图结果之前,请确保以下几点:
1. 心电监护仪的质量:确保心电监护仪设备正常工作,信号清晰稳定。
2. 测量环境:尽量减少干扰,并确保患者适当放置和准确连接到心电监护仪。
3. 心电图信号:仔细观察心电图结果,包括心率、R波的振幅和间距等。
评分标准
评分标准如下所示:
结论
通过使用以上评分标准,医学专业人员可以更好地评估心电图结果,从而提高对患者心脏状况的准确性判断。
同时,使用标准化的评分标准还可以增加不同医疗人员之间的一致性,减少主观因素对评估结果的影响。
> 注意:本文档仅为参考,评分标准的具体应用仍需根据临床实践和专业判断进行调整。
心电监护操作评分标准心电监护是临床上常见的一种重要监护手段,它能够对患者的心电情况进行实时监测,及时发现心电异常,为医护人员提供重要的参考依据。
在进行心电监护操作时,需要严格按照一定的评分标准进行,以确保监护结果的准确性和可靠性。
下面将介绍心电监护操作的评分标准,希望能够对广大医护人员有所帮助。
1. 电极的安装。
在进行心电监护操作时,首先需要正确安装电极,保证其与患者的皮肤紧密接触,以获得清晰的心电图信号。
评分标准如下:电极的位置是否正确,10分。
电极与皮肤的接触是否良好,10分。
电极的固定是否牢固,10分。
2. 心电图的记录。
在电极安装完成后,需要进行心电图的记录,评分标准如下:心电图的记录是否清晰,20分。
心电图的记录时间是否准确,10分。
心电图记录的完整性,20分。
3. 心电监护仪的设置。
心电监护仪的设置对监护结果具有重要影响,评分标准如下:心电监护仪的参数设置是否准确,20分。
心电监护仪的报警设置是否合理,10分。
心电监护仪的工作状态是否正常,10分。
4. 心电监护操作的规范性。
在进行心电监护操作时,需要严格按照规范进行,评分标准如下:操作流程是否规范,20分。
操作过程中是否存在失误,10分。
操作是否符合相关规定,10分。
5. 操作者的技术水平。
操作者的技术水平直接影响心电监护操作的质量,评分标准如下:操作者的专业知识是否扎实,20分。
操作者的操作技能是否熟练,20分。
通过以上评分标准的合理设置,可以对心电监护操作进行全面而细致的评估,从而提高监护结果的准确性和可靠性。
希望广大医护人员能够严格按照评分标准进行心电监护操作,为患者的健康保驾护航。
心电监护仪操作评分标准心电监护仪是临床常用的医疗设备之一,能够实时监测患者的生命体征,为医疗诊断和治疗提供重要依据。
为了确保操作人员能够正确、熟练地使用心电监护仪,保障患者的安全和监测数据的准确性,特制定以下心电监护仪操作评分标准。
一、操作前准备(20 分)1、环境评估(5 分)操作环境整洁、安静,无电磁波干扰。
温度、湿度适宜,符合仪器使用要求。
2、用物准备(10 分)心电监护仪性能完好,处于备用状态,电源线无破损。
电极片、导联线齐全,无损坏。
75%酒精棉球、纱布、弯盘等物品齐全。
3、患者评估(5 分)了解患者病情、意识状态、合作程度。
向患者或家属解释操作目的、方法及注意事项,取得患者或家属的同意和配合。
二、操作步骤(60 分)1、连接电源(5 分)将心电监护仪的电源线插入电源插座,打开仪器电源开关。
2、安放电极片(15 分)用 75%酒精棉球清洁患者皮肤,去除油脂和角质。
按照 RA(右锁骨下)、LA(左锁骨下)、RL(右下腹)、LL(左下腹)、V(心前区)的位置粘贴电极片,确保电极片与皮肤接触良好,无松动。
3、连接导联线(10 分)将电极片上的导联线与心电监护仪的相应接口连接,注意连接牢固,无松动。
4、设置参数(15 分)选择正确的监护模式,如标准心电图、心律失常监测等。
设置心率、血压、呼吸、血氧饱和度等监测参数的报警上下限,根据患者病情和医嘱进行合理调整。
5、观察监测数据(10 分)开启监护仪后,观察心电图波形、心率、血压、呼吸、血氧饱和度等数据是否正常显示。
检查报警功能是否正常,当监测数据超出设定的报警范围时,监护仪应能及时发出报警声音和灯光提示。
三、操作后处理(20 分)1、整理用物(5 分)关闭心电监护仪电源,拔除电源线。
取下电极片和导联线,清洁患者皮肤,整理好物品。
2、记录数据(10 分)将监测数据准确记录在护理记录单上,包括心率、血压、呼吸、血氧饱和度等。
记录操作过程中患者的反应和异常情况。
心电监护评分标准
心电监护评分标准
操作要求:
着装整洁,剪指甲,洗手,戴口罩(2分)
备用物:
1.治疗车上层:心电监护仪一台、一次性电极、多功能插线板1个,小药用物5杯(内盛酒精棉球数个)、纱布、血管钳
2.治疗车下层:医用垃圾桶、生活垃圾桶(缺少一件扣1分)
项目分值得分:
护士态度严谨认真(2分)
了解病人病情、诊断、治疗情况及心理状态(2分)
评估病人皮肤情况:有无过敏等电机黏附禁忌(2分)
评估监护仪功能良好,各导联线完整,电源设备完好(3分)
整洁、安静、舒适、安全、病室采光良好(3分)
携至病人床旁,核对患者信息(2分)
向病人做好解释,讲明监护的意义及作用,取得合作(3分)
协助病人取舒适卧位(2分),接通电源,必要时接地线(2分)
用酒精棉球清洁皮肤(3分),保证电极与皮肤表面接触良好(3分)
将电极与导线连接(3分)
正确安置各导联(15分)
正确绑好袖带,位置正确(5分),袖带松紧适宜(3分),测量血压(2分)
连接经皮氧饱和度电缆(2分),将氧饱和度探头安放在病人指端(有感光的面向指甲)(2分)
根据病人具体情况预置观察指标循环时间(2分),报警预置及各项参数设置(4分)
记录监护数值(2分)
向患者告知监护过程中的注意事项(5分)
整理用物(2分),理顺固定好各导联线(2分),礼貌告退(2分)
评价:
整体质量:操作熟练,程序规范,导联连接正确,参数设置合理(18分)
能及时发现观察指标的异常情况,并能正确处理(6分)
爱护设备仪器,安全意识强,态度严谨,与病人沟通有效,爱伤观念强(5分)。
心电监护仪操作技术考核及评分标准科室姓名得分监考人日期项目分考核标准评分细则扣分备
值注操作2 护士准备:着装整齐,戴口罩,洗手。
一项不符合扣1分前准5 用物准备:监护仪、电极片、湿纱布、弯盘、治疗缺一项用物扣1分备碗、特护单、笔。
3 核对,向患者解释。
一项不符合扣2分操作5 病人准备:清洁电极片连接处皮肤,摆放适当体位。
一项不符合扣2分步骤 5 连接电源,打开开关。
一项不符合扣2分
5 进入步骤?接受病人,输入病人的一般信息。
一项不符合扣2分
5 进入监护仪设定,设置病人类别。
一项不符合扣2分
10 根据需要监护内容,进入模块设定菜单,设置相应一项不符合扣3分
的监护通道,分别进入心电、血压、氧饱和度、呼
吸等子菜单设置相应内容。
10 进入报警菜单,设置各监护参数的报警上下限,设一项不符合扣3分
置完毕后,返回监护主屏。
5 分别将电极RA放置右锁骨下,LA放置于左锁骨一项不符合扣3分
下,RL放置右下腹,LL放置于左下腹,C放置于
胸前区,或根需要选择三导联监护。
10 正确连接心电各导联、接氧饱和度,、正确连接血一项不符合扣2分
压袖带。
启动测血压。
5 观察监护屏幕显示的参数,及时记录。
一项不符合扣2分
5 及时发现报警并处理。
一项不符合扣2分终末5 爱伤观念强。
一项不符合扣1分处理导联线妥善固定。
用物及时归位。
操作10 操作熟练,程序流畅。
较熟练扣2分,不熟练熟练扣5分程度理论 10 提问回答正确,流畅。
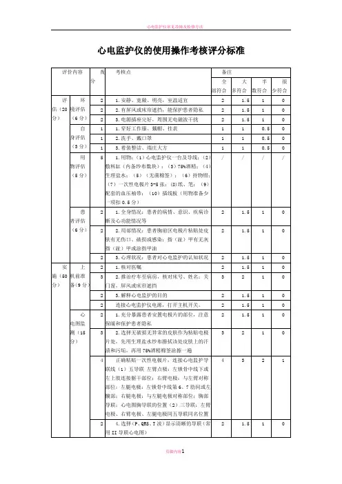
心电监护仪使用操作考核评分标准心电监护仪使用操作考核评分标准考号:_____________ 姓名:_____________ 日期:_____________ 得分:_____________项目:预期目标预期目标:5分内容:1.及时发现和处理患者在监护期间出现的心律、血压、呼吸等异常。
2.保持局部皮肤完整。
3.各种监测指标达到正常。
分值:5分评分要求:1.根据漏背一项扣1-2分。
评估核对医嘱:患者姓名、床号、年龄、医疗诊断。
2.准备:20分1) 操作者自身准备:衣帽整洁、洗手、必要时戴口罩,掌握心电监护仪的基本知识,熟悉使用方法,能正确处理并发症。
2) 用物准备:心电监护仪1台、一次性粘附电极片、75%酒精棉球或纱布、生理盐水、持物钳、一次性手套。
3) 患者准备:理解心电监护的目的与要求,心情平稳,积极配合治疗和护理,取平卧位。
4) 环境准备:宽敞、明亮、清洁、安静。
3.评估:55分1) 评估患者:目前病情、诊断及治疗情况心前区皮肤有无粘贴电极的禁忌,有无焦虑、恐惧等情绪,对心电监护的认识和理解,有无配合监护方面的知识。
2) 评估环境:宽敞、清洁、安静,温湿度适宜。
3) 评估用物:用物准备齐全,监护仪性能完好。
4) 自身评估:自身穿戴整洁,符合操作要求。
实施:1.携用物至病人床旁,核对床号、姓名、解释。
2.检查监护仪控制件是否在正常位置。
3.连接监护仪电源,打开主机开关。
4.无创血压监测1) 血压计袖带缚于左(右)上臂。
2) 按测量键“NBP-START”。
3) 设定测量间隔时间。
5.心电监测1) 暴露胸部,正确定位,清洁接触电极部位的皮肤,再用75%酒精纱布擦净,以减少皮肤的阻力。
正确安放好电极并固定好。
2) 正确连接心电图导联线。
3) 选择P、QRS、T波较清晰的导联,调节振幅。
6.SpO2监测:将SpO2传感器安放在患者身体合适的部位。
7.根据情况选择其他监测:呼吸、体温等。
8.根据患者情况设定各报警限,打开报警系统。