消防图例大全消防图纸图例符号大全
- 格式:doc
- 大小:1.16 MB
- 文档页数:11
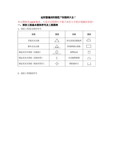
如何看懂消防图纸?附图例大全!
本文图例为word版本,大家可以把图片下载下来存入手机以便随时查看!
一、消防工程基本图形符号及工程图例
1、消防工程基本图形符号
2、消防工程辅助符号
3、消防工程灭火器符号
4、消防管路及配件符号
5、消防工程固定灭火器系统符号
6、消防工程灭火设备安装处符号
7、消防工程自动报警设备符号
8、在消防图纸中XL、WL、TL、JL、FL、PL、GL、NL表达的意思
二、消防技术文件用消防设备图形符号
1、基本符号
基本符号表示消防设备的类别,下表是常见的基本符号。
2、辅助符号
辅助符号一般放在基本符号内,表示消防设备的种类或性质,下表给出了常见的辅助符号。
3、单独使用的符号
4、组合图形符号
根据不同的需要组合基本符号和辅助符号,表示不同品种设备的图形符号示例。
基本符号和辅助符号的组合可以有很多形式,这里给出的符号仅仅是举例说明,不包括所有可能得组合。
5、设计图示例。
如何看懂消防图纸?附图例大全!
令狐采学
本文图例为word版本,大家可以把图片下载下来存入手机以便随时查看!
一、消防工程基本图形符号及工程图例
1、消防工程基本图形符号
2、消防工程辅助符号
3、消防工程灭火器符号
4、消防管路及配件符号
5、消防工程固定灭火器系统符号
6、消防工程灭火设备安装处符号
7、消防工程自动报警设备符号
8、在消防图纸中XL、WL、TL、JL、FL、PL、GL、NL表达的意思
二、消防技术文件用消防设备图形符号
1、基本符号
基本符号表示消防设备的类别,下表是常见的基本符号。
2、辅助符号
辅助符号一般放在基本符号内,表示消防设备的种类或性质,下表给出了常见的辅助符号。
3、单独使用的符号
4、组合图形符号
根据不同的需要组合基本符号和辅助符号,表示不同品种设备的图形符号示例。
基本符号和辅助符号的组合可以有很多形式,这里给出的符号仅仅是举例说明,不包括所有可能得组合。
5、设计图示例。
看任何一份图纸都要先学会看图例,不同的设计可能图例不一样,看消防工程图首先要仔细看清楚总平面图,各建筑要分清楚,再看清楚前面的图纸设计说明和图例,其中有各种符号标示,然后看系统图,这是相对比较难的,多花点时间就行,最后各层消防平面图就自然而然能看下去了,并掌握识图的基本知识,最新国家标准图形符号,了解这些符号的意义,按照所说的方法去看,看清楚仔细分析,应该就能快速看明白了。
基本符号表示消防设备类别,下表是常见的基本符号
1
1、消防工程辅助符号
2
2、消防工程灭火器符号
3
3、消防工程固定灭火器系统符号
4
4、消防工程灭火设备安装处符号
5
5、消防工程自动报警设备符号
6
6、消防管道及配件符号
7
8
9
7、火灾报警系统图例
10
11
8、消防工程设计图示例
12
13
9、消防工程图例参考
14
15
16
17。
如何看懂消防图纸?附图例大全!
本文图例为word版本,大家可以把图片下载下来存入手机以便随时查看! 一、消防工程基本图形符号及工程图例
1
2
3
6
二、消防技术文件用消防设备图形符号
1、基本符号
基本符号表示消防设备的类别,下表是常见的基本符号。
2
3、单独使用的符号
3
4
5、设计图示例
* ——4 百
IIK rUVB
41柳
" 消火栓韬,固宦式snm
13⑴呃火系竦火宝发声警扌HiS
干式立(出r口带润
门*
二氧化珏血远呃火系统
手动推特裟置
手捉盘清
水火火珞手动腔制的固定茨火系
统
拂嘲火兗採测器
手提式二託i毛逾沒>涓阳遍同口的化砥灭光器
干擀同
手动控制
手握式卤代烷1211^^0定灭火系毓(局部应
用)
汹開遠閏口。
消防图例大全-消防图纸图例符号大全--
以下是常见的消防图例和符号:
1. 灭火器材图例
灭火器、灭火器组、消火栓、消火栓箱、消防水龙带、火箭头、水枪等。
2. 安全标识图例
安全出口、安全通道、紧急出口、灭火器位置、温度计、火警按钮、疏散指示标志等。
3. 火源分类及燃烧物图例
分为可燃物、易燃物、易燃液体、易燃气体、氧化剂、毒性气体、放射性物质等。
4. 防火分区及防火设施图例
防火墙、防火门、防火卷帘、防火罩、室内喷水灭火系统、喷雾灭火系统等。
5. 室内消防设施图例
烟雾探测器、火灾自动报警系统、火灾自动喷水灭火系统、火灾自动灭火系统、火灾探测器等。
6. 逃生平面图图例
楼层平面图、安全疏散图、指示标志、最短逃生路线等。
以上是基础消防图例和符号,根据实际情况可进行添加和修改。
如何看懂消防图纸?附图例年夜全!之蔡仲巾千创作
本文图例为word版本,年夜家可以把图片下载下来存入手机以便随时检查!
一、消防工程基本图形符号及工程图例
1、消防工程基本图形符号
2、消防工程辅助符号
3、消防工程灭火器符号
4、消防管路及配件符号
5、消防工程固定灭火器系统符号
6、消防工程灭火设备装置处符号
7、消防工程自动报警设备符号
8、在消防图纸中XL、WL、TL、JL、FL、PL、GL、NL表达的意思
二、消防技术文件用消防设备图形符号
1、基本符号
基本符号暗示消防设备的类别,下表是罕见的基本符号.
2、辅助符号
辅助符号一般放在基本符号内,暗示消防设备的种类或性质,下表给出了罕见的辅助符号.
3、独自使用的符号
4、组合图形符号
根据分歧的需要组合基本符号和辅助符号,暗示分歧品种设备的图形符号示例.基本符号和辅助符号的组合可以有很多形式,这里给出的符号仅仅是举例说明,不包括所有可能得组合.
5、设计图示例。
看任何一份图纸都要先学会看图例,不同的设计可能图例不一样,看消防工程图首先要仔细看清楚总平面图,各建筑要分清楚,再看清楚前面的图纸设计说明和图例,其中有各种符号标示,然后看系统图,这是相对比较难的,多花点时间就行,最后各层消防平面图就自然而然能看下去了,并掌握识图的基本知识,最新国家标准图形符号,了解这些符号的意义,按照所说的方法去看,看清楚仔细分析,应该就能快速看明白了。
基本符号表示消防设备类别,下表是常见的基本符号
1
1、消防工程辅助符号
2
2、消防工程灭火器符号
3、消防工程固定灭火器系统符号
4 4、消防工程灭火设备安装处符号
5 5、消防工程自动报警设备符号
6
6、消防管道及配件符号
7
8
7、火灾报警系统图例
10
11 8、消防工程设计图示例
12
13 9、消防工程图例参考
14
15
16
17。
如何看懂消防图纸?附图例大全!之巴公井开创作本文图例为word版本,大家可以把图片下载下来存入手机以便随时检查!
一、消防工程基本图形符号及工程图例
1、消防工程基本图形符号
2、消防工程辅助符号
3、消防工程灭火器符号
4、消防管路及配件符号
5、消防工程固定灭火器系统符号
6、消防工程灭火设备装置处符号
7、消防工程自动报警设备符号
8、在消防图纸中XL、WL、TL、JL、FL、PL、GL、NL表达的意思
二、消防技术文件用消防设备图形符号
1、基本符号
基本符号暗示消防设备的类别,下表是罕见的基本符号。
2、辅助符号
辅助符号一般放在基本符号内,暗示消防设备的种类或性质,下表给出了罕见的辅助符号。
3、单独使用的符号
4、组合图形符号
根据分歧的需要组合基本符号和辅助符号,暗示分歧品种设备的图形符号示例。
基本符号和辅助符号的组合可以有很多形式,这里给出的符号仅仅是举例说明,不包含所有可能得组合。
5、设计图示例。
消防工程基本图形符号之樊仲川亿创作创作时间:贰零贰壹年柒月贰叁拾日图形名称图形名称手提式灭火器灭火设备装置处所推车式灭火器控制和指示设备固定式灭火系统(全淹没)报警息动固定式灭火系统(局部应用)火灾报警装置固定式灭火系统(指出应用区)消防通风口1、消防工程辅助符号名称图形名称图形水阀门手动启动泡沫或泡沫液出口电铃无水入口发声器BC类干粉热扬声器ABC类干粉烟电话卤代烷火焰光信号二氧化碳易爆气体消防工程基本图形符号2、消防工程灭火器符号名称图形名称图形清水灭火器卤代烷灭火器推车式ABC类干粉灭火器泡沫灭火器二氧化碳灭火器推车式卤代烷灭火器BC类干粉灭火器推车式泡沫灭火器水桶ABC类干粉灭火器推车式BC类干粉灭火器沙桶3、消防管路及配件符号名称图形名称图形干式立管消防水管线干式立管消防水罐(池)干式立管泡沫混合液管线报警阀干式立管消火栓开式喷头干式立管消防泵闭式喷头干式立管泡沫比例混合器水泵结合器湿式立管泡沫发生器泡沫混合器立管泡沫液管消防工程基本图形符号4、消防工程固定灭火器系统符号名称图形名称图形水灭火系统(全淹没)ABC类干粉灭火系统手动控制灭火系统泡沫灭火系统(全淹没)卤代烷灭火系统BC类干粉灭火系统二氧化碳灭火系统5、消防工程灭火设备装置处符号名称图形名称图形二氧化碳瓶站ABC干粉罐泡沫罐站BC干粉灭火罐站消防泵站6、消防工程自动报警设备符号名称图形名称图形消防控制中心火灾报警装置温感探测器感光探测器手动报警装置烟感探测器气体探测器报警电话火灾警铃火灾报警扬声器火灾报警发声器火灾光信号装置创作时间:贰零贰壹年柒月贰叁拾日。
如何看懂消防图纸?附图例大全!
本文图例为word版本,大家可以把图片下载下来存入手机以便随时查看!
一、消防工程基本图形符号及工程图例
1、消防工程基本图形符号
2、消防工程辅助符号
3、消防工程灭火器符号
4、消防管路及配件符号
5、消防工程固定灭火器系统符号
6、消防工程灭火设备安装处符号
7、消防工程自动报警设备符号
8、在消防图纸中XL、WL、TL、JL、FL、PL、GL、NL表达的意思
二、消防技术文件用消防设备图形符号
1、基本符号
基本符号表示消防设备的类别,下表是常见的基本符号。
2、辅助符号
辅助符号一般放在基本符号内,表示消防设备的种类或性质,下表给出了常见的辅助符号。
3、单独使用的符号
4、组合图形符号
根据不同的需要组合基本符号和辅助符号,表示不同品种设备的图形符号示例。
基本符号和辅助符号的组合可以有很多形式,这里给出的符号仅仅是举例说明,不包括所有可能得组合。
5、设计图示例。
若何看懂消防图纸?附图例大全!之马矢奏春创作
本文图例为word版本,大家可以把图片下载下来存入手机以便随时检查!
一、消防工程底子图形符号及工程图例
1、消防工程底子图形符号
2、消防工程关心符号
3、消防工程灭火器符号
4、消防管路及配件符号
5、消防工程固定灭火器系统符号
6、消防工程灭火设备装配处符号
7、消防工程自动报警设备符号
8、在消防图纸中XL、WL、TL、JL、FL、PL、GL、NL表达的意思
二、消防技能文件用消防设备图形符号
1、底子符号
底子符号暗示消防设备的类别,下表是罕有的底子符号.
2、关心符号
关心符号一般放在底子符号内,暗示消防设备的种类或性质,下表给出了罕有的关心符号.
3、单独运用的符号
4、组合图形符号
按照不合的需要组合底子符号和关心符号,暗示不合品种设备的图形符号示例.底子符号和关心符号的组合可以有很多形式,这里给出的符号仅仅是举例说明,不包含所有可能得组合.
5、设计图示例。
如何瞧懂消防图纸?附图例大全!
本文图例为word版本,大家可以把图片下载下来存入手机以便随时查瞧!
一、消防工程基本图形符号及工程图例
1、消防工程基本图形符号
2、消防工程辅助符号
3、消防工程灭火器符号4、消防管路及配件符号
5、消防工程固定灭火器系统符号
6、消防工程灭火设备安装处符号
7、消防工程自动报警设备符号
8、在消防图纸中XL、WL、TL、JL、FL、PL、GL、NL表达的意思
二、消防技术文件用消防设备图形符号
1、基本符号
基本符号表示消防设备的类别,下表就是常见的基本符号。
2、辅助符号
辅助符号一般放在基本符号内,表示消防设备的种类或性质,下表给出了常见的辅助符号。
3、单独使用的符号
4、组合图形符号
根据不同的需要组合基本符号与辅助符号,表示不同品种设备的图形符号示例。
基本符号与辅助符号的组合可以有很多形式,这里给出的符号仅仅就是举例说明,不包括所有可能得组合。
5、设计图示例
消防图例大全消防图纸图例符号大全。