计算机组成原理实验-实验二
- 格式:doc
- 大小:247.50 KB
- 文档页数:6
实验报告成绩课程名称计算机组成原理指导教师实验日期院(系) 计算机科学与技术学院专业班级实验地点学生姓名学号同组人实验项目名称实验二八位寄存器一、实验目的和要求实验目的:1.了解寄存器的工作原理和构成;2.熟悉 EDA 工具软件的使用方法。
实验要求:1.电源选用+5V,注意D触发器的置0端和置1端必须接高电平,即+5V电源。
否则D触发器工作不正常。
2. D触发器可以选用 74LS74(7474 也可),其逻辑符号(图中SD为置1端,接低电平有效;图中CD为置0端,接低电平有效;CP为脉冲)。
二、实验原理设计一个八位寄存器,该寄存器具有一个时钟输入端CLK,一个复位端RE,八个并行数据输入端d7,d6,…d0和八个数据输出端q7,q6,…q0,当时钟脉冲到来时,并行数据输入端的数据被送入寄存器中。
寄存器框图如图所示。
三、主要仪器设备1.操作系统为WINDOWS的计算机一台;2.数字逻辑与计算机组成原理实验箱一台;3.基本D触发器7474。
四、实验方法与步骤1. 原理图输入:采用图形输入法在计算机上完成实验电路的原理图输入。
2. 管脚定义:根据硬件实验平台资源示意图和附录一“平台资源和FPGA引脚连接表”完成原理图中输入、输出管脚的定义。
将寄存器的输出q7-q0分别锁定在LD7-LD0上。
将寄存器的输入d7-d0分别锁定在K7-K0上。
将寄存器的输入脉冲CLK锁定在单脉冲(Pin 132引脚)上。
3.原理图编译、适配和下载:在QuartusⅡ环境中选择EP2C8Q208C8器件,进行原理图的编译和适配,无误后完成下载。
4.功能测试:改变K7-K0的状态,按动一次单脉冲键,LD7-LD0的显示将与K7-K0相对应,若有错则重新调试。
5.生成元件符号。
五、实验结果分析六、实验心得通过本次实验,了解了寄存器的工作原理和构成;熟悉了EDA工具软件的使用方法。
在实验中,用一个锁定在开关k8上的输入端用来控制置0端,我认为VCC也需要使用一个输入端表示,否则在引脚分配时无法对VCC进行分配。
《计算机组成原理》实验报告专业:学号:学生姓名:实验日期:实验二一、实验名称:超前进位加法器设计二、实验目的:1 掌握超前进位加法器的原理及其设计方法。
2 熟悉CPLD 应用设计及EDA 软件的使用。
三、实验设备:PC 机一台,TD-CMA 实验系统一套,排线若干。
四、实验内容:1.了解加法器的工作原理,掌握超前进位产生电路的设计方法.2.正确将电路原理图下载到试验箱中.3.正确通过实验箱连线实现4位二进制数的相加并得到正确结果五、实验原理:加法器是执行二进制加法运算的逻辑部件,也是CPU 运算器的基本逻辑部件(减法可以通过补码相加来实现)。
加法器又分为半加器和全加器(FA),不考虑低位的进位,只考虑两个二进制数相加,得到和以及向高位进位的加法器为半加器,而全加器是在半加器的基础上又考虑了低位过来的进位信号。
表1-2-1 1 位全加器真值表A、B 为2 个1 位的加数,Ci 为来自低位的进位,S 为和,Co 为向高位的进位,根据表1-2-1所示的真值表,可得到全加器的逻辑表达式为:S = ABCi + ABCi + ABCi + ABCiCo = AB+ ACi + BCi根据逻辑表达式,可得到如图1-2-1 所示的逻辑电路图。
有了 1 位全加器,就可以用它来构造多位加法器,加法器根据电路结构的不同,可以分为串行加法器和并行加法器两种。
串行加法器低位全加器产生的进位要依次串行地向高位进位,其电路简单,占用资源较少,但是串行加法器每位和以及向高位的进位的产生都依赖于低位的进位,导致完成加法运算的延迟时间较长,效率并不高。
C0 = 0Ci+1 = AiBi + AiCi + BiCi = AiBi + (Ai + Bi)Ci设gi = AiBipi = Ai + Bi则有:Ci+1 = gi + piCi= gi + pi(gi-1 + pi-1Ci-1)= gi + pi(gi-1 + pi-1(gi-2 + pi-2Ci-2))…= gi + pi (gi-1 + pi-1(gi-2 + pi-2(…(g0 + p0C0)…)))= gi + pigi-1 + pipi-1gi-2 + … + pipi-1…p1g0 + pipi-1…p1p0C0由于gi、pi 只和Ai、Bi 有关,这样Ci+1 就只和Ai、Ai-1、…、A0,Bi、Bi-1、…、B0 及C0有关。
深圳大学实验报告课程名称:计算机组成原理实验项目名称:运算器实验学院:计算机与软件学院专业:软件工程指导教师:蔡烨报告人:文成学号:2011150259 班级:02 实验时间:2013-5-10实验报告提交时间:2013-5-28教务处制实验题目一、实验目的深入了解AM2901运算器的功能与具体用法,4片AM2901的级连方式,深化运算器部件的组成、设计、控制与使用等诸项知识。
二、实验要求熟悉计算机的基本组成熟悉计算机运算器部件的组成三、实验内容掌握计算机运算器部件的组成、设计、控制和使用脱机方式下,手动控制AM2901 16位运算器的操作四、实验步骤(1)手动控制AM2901运算器实验----D1+0→R0用D1+0→R0,将立即数D1置入寄存器R0SW1:XXXX XXX 111 01 (111代表从内存取数D1 011代表F→B)SW2:1 000 0000 XXXX (000代表R+S 0000代表R0)SW3:001 000 XXX XXX (001代表ALU输出标志000代表Cin=0)D15-0:0101(即0000 0001 0000 0001)按压一次START键后,立即数D1被置入寄存器R0中(2)手动控制AM2901运算器实验----D2+0→R1用D2+0→R1,将立即数D2置入寄存器R1SW1:XXXX XXX 111 01 (111代表从内存取数D2 011代表F→B)SW2:1 000 0001 XXXX (000代表R+S 0000代表R1)SW3:001 000 XXX XXX (001代表ALU输出标志000代表Cin=0)D15-0:1010(即0001 0000 0001 0000)按压一次START键后,立即数D2被置入寄存器R1中(3)手动控制AM2901运算器实验----R0+R1→R0用R0+R1→R0,将R0与R1的和置入寄存器R0SW1:XXXX XXX 001 01 (001代表从A/B口取数011代表F→B)SW2:1 000 0000 0001 (000代表R+S 0000代表R0 0001代表R1)SW3:001 000 XXX XXX (001代表ALU输出标志000代表Cin=0)按压一次START键后,R0+R1的值被置入寄存器R0中(4)手动控制AM2901运算器实验----R0-R1→R0用R0-R1→R0,将R0与R1的差值置入寄存器R0SW1:XXXX XXX 001 01 (001代表从A/B口取数011代表F→B) SW2:1 001 0000 0001 (001代表S-R 0000代表R0 0001代表R1)SW3:001 001 XXX XXX (001代表ALU输出标志001代表Cin=1) 按压一次START键后,R0-R1的值被置入寄存器R0中(5)手动控制AM2901运算器实验----R1-R0→R1用R1-R0→R1,将R1与R0的差值置入寄存器R1SW1:XXXX XXX 001 01 (001代表从A/B口取数011代表F→B) SW2:1 001 0001 0000 (001代表S-R 0001代表R1 0000代表R0)SW3:001 001 XXX XXX (001代表ALU输出标志001代表Cin=1) 按压一次START键后,R1-R0的值被置入寄存器R1中(6)手动控制AM2901运算器实验----R0VR1→R0用R0VR1→R0,将R0与R1逻辑或,值置入寄存器R0SW1:XXXX XXX 001 01 (001代表从A/B口取数011代表F→B) SW2:1 011 0000 0001 (011代表RVS 0000代表R0 0001代表R1) SW3:001 000 XXX XXX (001代表ALU输出标志001代表Cin=0) 按压一次START键后,R0VR1的值被置入寄存器R0中5、实验结果运算I8-I0 SST SSH SCi B A 压START前压START后ALU输出CZVS ALU输出CZVS*D1+0->R0 011000111 001 00 00 0000 不用0101 0000 0101 0000 *D2+0->R1 011000111 001 00 00 0001 不用1010 0000 1010 0000 R0+R1->R0 011000001 001 00 00 0000 0001 1111 0000 2121 0000 RO-R1->R0 011001001 001 00 01 0000 0001 0101 0000 F0F1 1000 R1-R0->R1 011001001 001 00 01 0001 0000 0F0F 1000 0E0E 1000 R0∨R1->R1 011011001 001 00 00 0001 0000 0F0F 1000 0F0F 1010 R0∧R1->R0 011100001 001 00 00 0000 0001 0101 1010 0101 1010 R0≮R1->R0 011110001 001 00 00 0000 0001 0E0E 1010 0101 1000 ┘(R0≮R1)->R0 011111001 001 00 00 0000 0001 FEFE 1000 0E0E 1001 2*R0->R0 111000011 001 00 00 0000 不用FEFE 1001 FDFC 0001 R0/2->R0 101000011 001 00 00 0000 不用FDFC 0001 7EFE 0001(1)(2)(3)(4)(5)(6)指导教师批阅意见:成绩评定:指导教师签字:年月日备注:注:1、报告内的项目或内容设置,可根据实际情况加以调整和补充。
实验二运算器──进位控制实验一实验目的(1) 验证带进位控制的算术运算功能发生器的功能;(2) 按指定数据完成几种指定的算术运算。
二实验设备TDN-CM++计算机组成原理教学实验系统一台,排线若干。
三实验内容进位控制运算器的实验原理如图3所示,在算术逻辑运算实验的基础上增加进位控制部分,其中74181的进位进入一个7474锁存器,其写入是由T4和AR信号控制,T4是脉冲信号,实验时将T4连至STA TE UNIT的微动开关KK2上。
AR是电平控制信号(低电平有效),可用于实现带进位控制实验,而T4脉冲是将本次运算的进位结果锁存到进位锁存器中。
图 3 进位控制实验原理图线四实验步骤(1) 按图4连接实验线路,仔细查线无误后,接通电源。
(2) 用二进制数码开关向DR1和DR2寄存器置数,具体方法:图 4 进位控制实验接线图线① 关闭ALU 输出三态门(ALU-B=1),开启输入三态门(SW-B=0),设置数据开关; ② 例如向DR 1存入01010101,向DR 2存入10101010。
具体操作步骤如下:(3) 关闭输入三态门(SW-B=1),开启ALU 输出三态门(ALU-B=0)。
(4) 进位标志清零具体操作方法如下:实验板中SWITCH UNIT 单元中的CLR 开关为标志CY ,ZI 的清零开关,它为零时是清零状态,所以依次将开关做1→0→1操作,即可使标志位清零。
注:进位标志指示灯CY 亮时表示进位标志为“0”,无进位:标志指示灯CY 灭时表示进位为“1”,有进位.(5) 验证带进位运算及进位锁存功能,使Cn=1,AR=0来进行带进位算术运算。
数据开关 (01010101) 三态门 寄存器DR 1 (01010101) 数据开关寄存器DR 2 (10101010) LDDR 1=1 LDDR 2=0 T4=ALU-B=1 SW-B=0LDDR 1=0 LDDR 2=1 T4= 关寄存器 LDDR 1=0 LDDR 2=0例如:做加法运算,首先向DR1,DR2置数,然后使ALU-B=0,S3S2S1S0M状态为10010,此时数据总线上显示的数据为DR1加DR2加当前进位标志,这个结果是否产生进位,则要按动微动开关KK2,若进位标志灯亮,表示无进位;反之,有进位。
双端口存储器原理实验
组员:方睿翔111500922
李家成071808114
一、实验目的
1.了解双端口静态存储器IDT7132的工作特性及其使用方法; 2.了解半导体存储器怎样存储和读取数据;
3.了解双端口存储器怎样并行读写;
4. 熟悉TEC-8模型计算机存储器部分的数据通路。
二、实验原理图
三、实验记录表:
SD为数据开关的值,AR、DBUS、 PC、 INS为指示灯的值(QD按下后的值)。
注:SBUS,MBUS不能同时为1,MEMW为存储器写信号,应最后拨成1,最先拨成0;
四、实验心得体会
此次实验考察了对存储器的数据存储与读取。
一开始采用先存储后自增存储器地址的方式,步骤较为复杂。
之后改为同时存储数据并自增存储器地址,为了实时查看数据就必须错开AR与PC的地址。
为了在读存储器时不写入数据,需要将MEMW置0.。
《计算机组成原理》实验报告实验二移位运算实验一、实验目的掌握移位控制的功能及工作原理二、实验环境EL-JY-II 型计算机组成原理实验系统一套,排线若干。
三、实验内容与实验过程及分析(写出详细的实验步骤,并分析实验结果)实验步骤:开关控制操作方式实验本实验中所有控制开关拨动,相应指示灯亮代表高电平“1”,指示灯灭代表低电平“0”。
1、按图 2-4 接线:连线时应注意:对于横排座,应使排线插头上的箭头面向自己插在横排座上;对于竖排座,应使排线插头上的箭头面向左边插在竖排座上。
为了避免总线冲突,首先将控制开关电路的所有开关拨到输出高电平“1”状态,所对应的指示灯亮。
2、实验过程:(以左移为例)开始实验前要把所有控制开关电路上的开关置为高电平“1”状态。
拨动清零开关 CLR,使其指示灯灭。
再拨动 CLR,使其指示灯亮。
(1)置数:置C-G=1,299-G=0,通过数据输入电路输入要移位的数据,置 D15---D0= “0000000000000001”,然后置C-G=0,数据总线显示灯显示“0000000000000001”,置 S0=1,S1=1,M=1 参考功能表表 2-2 可见,此时为置数状态,按脉冲源及时序电路上的【单步】按钮,置 C-G=1,完成置数的过程,进位指示灯亮表示进位“Z”已置位。
(2)不带进位移位:置299-G=0,S0=1,S1=0,M=0,参考功能表 2-2,此时为循环左移状态,数据总线显示灯显示“0000000000000001”,按【单步】,数据总线显示灯显示“0000000000000010”,再按一次【单步】,数据总线显示的数据向左移动一位。
连续按【单步】,观察不带进位移位的过程。
如想进行右移,参考表 2-2,置 S0=0,S1=1,再按【单步】即可实现右移操作。
(3)带进位移位当数据总线显示“0000000000000001”时,置 299-G=0,S0=1,S1=0,M=1,参考功能表 2-2,此时为带进位循环左移状态。
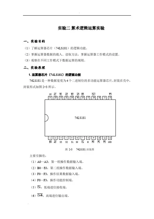
实验二算术逻辑运算实验一、实验目的(1)了解运算器芯片(74LS181)的逻辑功能。
(2)掌握运算器数据的载入、读取方法,掌握运算器工作模式的设置。
(3)观察在不同工作模式下数据运算的规则。
二、实验原理1.运算器芯片(74LS181)的逻辑功能74LS181是一种数据宽度为4个二进制位的多功能运算器芯片,封装在壳中,封装形式如图2-3所示。
5V A1 B1 A2 B2 A3 B3 Cn4 F3BO A0 S3 S2 S1 S0 Cn M F0 F1 F2 GND图2-374LS181封装图主要引脚有:(1)A0—A3:第一组操作数据输入端。
(2)B0—B3:第二组操作数据输入端。
(3)F0—F3:操作结果数据输入端。
(4)F0—F3:操作功能控制端。
(5):低端进位接收端。
(6):高端进位输出端。
(7)M:算数/逻辑功能控制端。
芯片的逻辑功能见表2-1.从表中可以看到当控制端S0—S3为1001、M为0、为1时,操作结果数据输出端F0—F3上的数据等于第一组操作数据输入端A0—A3上的数据加第二组操作数据输入端B0—B3上的数据。
当S0—S3、M 、上控制信号电平不同时,74LS181芯片完成不同功能的逻辑运算操作或算数运算操作。
在加法运算操作时,、进位信号低电平有效;减法运算操作时,、借位信号高电平有效;而逻辑运算操作时,、进位信号无意义。
2.运算器实验逻辑电路试验台运算器实验逻辑电路中,两片74LS181芯片构成一个长度为8位的运算器,两片74LS181分别作为第一操作数据寄存器和第二操作数据寄存器,一片74LS254作为操作结果数据输出缓冲器,逻辑结构如图2-4所示。
途中算术运算操作时的进位Cy判别进位指示电路;判零Zi和零标志电路指示电路,将在实验三中使用。
第一操作数据由B-DA1(BUS TO DATA1)负脉冲控制信号送入名为DA1的第一操作数据寄存器,第二操作数据由B-DA2(BUS TO DATA2)负脉冲控制信号送入名为DA2的第二操作数据寄存器。
《计算机组成原理》实验报告
一、实验目的
1.搭建并操作一个最基本的模型计算机。
2.建立对计算机组成及其原理的基本认识。
二、实验设备
1.TDN-CM+教学实验系统一套。
2.排线31条:8芯8条,6芯3条,4芯3条,2芯17条。
3.PC 机一台。
三、实验内容
1.一台简单模型计算机的结构
我们将算术逻辑运算器、控制器、寄存器、内部总线等部件搭接起来构
成一个CPU,然后再加上存储器、输入设备、输出设备即构成一台完
整的模型计算机。
其逻辑框图如下。
2.构造一台模型计算机
将组成一台计算机的基本模块组合起来。
在TDN-CM+实验系统中使用
连接导线(排线)将模型计算机的各个部件连接在一起,构成一台完整
的模型计算机。
连线图如下。
四、模型计算机的运行操作
1.打开实验系统的电源开关,点击图标CMP运行软件。
2.联机正常后,可测试连线是否正确。
先选择“【运行】--【通路图】”,再
选“【测试】--【开始】”(否则该菜单呈灰色显示),即弹出“系统测试
对话框”。
·1·沈 阳 工 程 学 院学 生 实 验 报 告实验室名称:计算机组成原理实验室 实验课程名称:计算机组成原理 实验项目名称:进位控制实验 实验日期: 20 年 月 日 班级: 姓名: 学号: 指导教师: 批阅教师: 成绩:一.实验目的1.验证带进位控制的算术运算功能发生器(74LS181)的功能。
2.完成加法和减法算术运算,记录结果并分析进位变化情况。
二.实验设备TDN-CM 计算机组成原理教学实验系统一台,排线若干。
三.实验内容1.实验原理进位控制运算器的实验原理如图2-1所示。
图2-1 进位控制实验原理图图中①~④对应的信号名称分别是①( )、②( )、③( )、④( )。
其中AR 为( )电平有效,LDDR1为( )电平有效。
本次实验在前面的算术逻辑运算实验基础上增加了进位控制部分。
当( )为低电平并且( )为正脉冲信号时,本次74LS181运算结果的进位将写入到74LS74锁存器中,并通过( )指示灯显示。
实验时将T4连至“STATE UNIT ”的微动开关KK2上。
2.实验步骤(1)请将图2-2实验接线图中缺少的接线及信号名称补充完整,仔细查无误后,接通电源。
实验二 进位控制实验·2·图2-2 实验接线图(2)用二进制数码开关向DR1和DR2寄存器置数。
请将操作步骤补充完整。
按照实验一中介绍的方法检验DR1和DR2中存的数是否正确,如果不正确需要( )。
如果正确请将SW-B 置为( ),将LDDR1、LDDR2和ALU-B 均设置为( ),以防止( )。
(3)在开始运算之前,如果进位标志指示灯CY 为灭,表示( )。
此时需要将进位标志( ),具体操作方法是将S3、S2、S1、S0、M 、AR 、LDDR1和LDDR2的状态置为( ),然后按动微动开关( )。
若清零时DR1寄存器中的数为FFH ,则会出现( )的情况。
(4)使Cn=( )、AR=( )、ALU-B=( ),S3 S2 S1 S0 M 状态为( ),来验证带进位加法运算及进位锁存功能。
上海大学计算机学院《计算机组成原理实验》报告二姓名:学号:教师:时间:机位:报告成绩:实验名称:运算器实验一、实验目的:1.学习数据处理部件的工作方式控制。
2. 学习机器语言程序的运行过程。
二、实验原理:CP226实验仪的运算器由一片CPLD实现,包括8种运算功能。
运算时先将数据写到寄存器A和寄存器W中,根据选择的运算方式系统产生运算结果送到直通门D。
手动方式下,运算功能的通过信号S1、S2、S3选择。
S2 S1 S0 功能0 0 0 A+W 加0 0 1 A-W 减0 1 0 A|W 或0 1 1 A&W 与1 0 0 A+W+C 带进位加1 0 1 A-W-C 带进位减1 1 0 ~A A取反1 1 1 A 输出A带进位的加、减运算还应该另外给出进位CyIN。
实验箱上可以向DBUS送数据的寄存器有:直通门D、左移门L、右移门R、程序计数器PC、中断向量寄存器IA、外部输入寄存器IN和堆栈寄存器ST。
它们由138译码器的输入信号X2,X1,X0的编码来选择。
见输出寄存器选择表。
X2 X1 X0 输出寄存器0 0 0 IN_OE 外部输入门0 0 1 IA_OE 中断向量0 1 0 ST_OE 堆栈寄存器0 1 1 PC_OE PC寄存器1 0 0 D_OE 直通门1 0 1 R_OE 右移门1 1 0 L_OE 左移门1 1 1 没有输出三、实验内容:1. 计算37H +56H 后左移一位的值送OUT 输出。
2. 把36H 取反后同54H 相与的值送入R1寄存器。
四、实验步骤:1. 计算37H +56H 后左移一位的值送OUT 输出。
①按下表的方式连线:①①接完线后打开电源。
②用实验一的方法将数据37H 写入寄存器A 中,K23到K16分别为00110111,并将数据保存即置k0为1的位置。
用相同的方法将56H 写入到寄存器W 中。
③置X2X1X0分别为100,即k8k7k6为100,同时置S2S1S0为000执行A+W 的操作,即置k4k3k2为000。
目录目录 (1)实验一寄存器实验 (2)实验内容1:A,W寄存器实验 (2)实验内容2:R0,R1,R2,R3寄存器实验 (4)实验内容3:MAR地址寄存器,ST堆栈寄存器,OUT输出寄存器实验 (7)实验二运算器实验 (9)实验三数据输出和移位实验 (11)实验四存储器EM实验 (15)实验内容1: PC/MAR输出地址选择 (15)实验内容2:存储器EM写实验 (16)实验内容3:存储器EM读实验 (17)实验五微程序存储器uM实验 (18)实验内容1:使用试验仪小键盘输入uM (18)实验内容2:微程序存储器uM读出 (19)实验一寄存器实验实验要求:利用CPTH实验仪上的K16‥K23开关作为DBUS的数据,其他开关作为控制信号,讲数据写入寄存器,这些寄存器包括累加器A,工作寄存器W,数据寄存器组R0‥R3,地址寄存器MAR,地址寄存器ST,输出寄存器OUT。
实验目的:了解模型机各种寄存器结构,工作原理及其控制方法。
实验电路:实验内容1:A,W寄存器实验实验步骤:(1)照下表连接线路(2)系统清零和手动状态设定:K23~K16开关置零,按RST钮,按TV/ME键三次,进入手动状态(液晶屏幕上有“Hand……”显示)。
注意:后面的实验中实验模式为手动的操作方法不再详述,如此相同。
(3)将55H写入A寄存器置控制信号为:按住STEP脉冲键,CK由高变低,这时寄存器A的黄色选择指示灯亮,表明选择A寄存器。
放开STEP键,CK由低变高,产生一个上升沿,数据55H被写入A寄存器。
(4)将66H写入W寄存器二进制开关K23~K16用于DBUS【7…0】的数据输入,设置数据66H置控制信号为:按住STEP脉冲键,CK由高变低,这时寄存器W的黄色选择指示灯亮,表明选择W寄存器。
放开STEP键,CK由低变高,产生一个上升沿,数据66H被写入W寄存器。
请仔细观察实验结果,并回答以下问题:1.数据是何时打入的?是按下STEP键还是放开STEP键后?2.WEN,AEN为高时,CK有上升沿,寄存器数据会不会改变?实验内容2:R0,R1,R2,R3寄存器实验实验步骤:(2)系统清零和手动状态设定:K23~K16开关置零,按RST钮,按TV/ME键三次,进入手动状态(液晶屏幕上有“Hand……”显示)。
《计算机组成原理实验》实验报告(实验二)学院名称:专业(班级):学生姓名:学号:时间:2017 年11 月25 日成绩: 实验二:单周期CPU设计与实现一.实验目的(1) 掌握单周期CPU数据通路图的构成、原理及其设计方法;(2) 掌握单周期CPU的实现方法,代码实现方法;(3) 认识和掌握指令与CPU的关系;(4) 掌握测试单周期CPU的方法;(5) 掌握单周期CPU的实现方法。
二.实验内容设计一个单周期的MIPSCPU,使其能实现下列指令:==> 算术运算指令==> 逻辑运算指令功能:rd←rs | rt;逻辑或运算。
==>移位指令==>比较指令==> 存储器读/写指令将rt寄存器的内容保存到rs寄存器内容和立即数符号扩展后的数相加作为地址的内存单元中。
即读取rs寄存器内容和立即数符号扩展后的数相加作为地址的内存单元中的数,然后保存到rt寄存器中。
==> 分支指令功能:if(rs=rt) pc←pc + 4 + (sign-extend)immediate <<2 else pc ←pc + 4特别说明:immediate是从PC+4地址开始和转移到的指令之间指令条数。
immediate 符号扩展之后左移2位再相加。
为什么要左移2位?由于跳转到的指令地址肯定是4的倍数(每条指令占4个字节),最低两位是“00”,因此将immediate放进指令码中的时候,是右移了2位的,也就是以上说的“指令之间指令条数”。
12特别说明:与beq不同点是,不等时转移,相等时顺序执行。
功能:if(rs>0) pc←pc + 4 + (sign-extend)immediate <<2 else pc ←pc + 4==>跳转指令==> 停机指令三.实验原理1.时间周期:单周期CPU指的是一条指令的执行在一个时钟周期内完成,然后开始下一条指令的执行,即一条指令用一个时钟周期完成。
实验报告
课程名称计算机组成原理部件实验
实验项目实验二运算器组成实验
系别___ _计算机学院 _ ______
专业___ 计算机科学与技术 ___
班级/学号___计科1601/55___
学生姓名 ______罗坤__ ________
实验日期_(2018年4月12日)
成绩_______________________
指导教师吴燕
实验二运算器组成实验一.实验目的
(1)掌握算术,逻辑运算单元的工作原理。
(2)熟悉多通用寄存器结构的简单运存器。
(3)进一步熟悉运算器的结构传送通路及控制方法。
(4)按给定的各种操作流程完成运算。
二.实验电路
三.试验设备
数据通路板(B板)、控制信号板(A板)各一块。
四.实验数据
R0
○OH→R0
SW=OH
SW-BUS
Ys1Ys0=11
LDR0,T4
R1
○**H→R1
SW=**H
SW-BUS
Ys1Ys0=11
LDR1,T4
○(R1)→DR1
YS1YS0=00
R1-BUS
LDDR1,T4
○(DR1)+1→R1
000001 ALU
YS1YS0=11
LDR1,T4
YS1YS0=00
R1-BUS
R2
○**H→R2
SW=**H
SW-BUS
YS1YS0=11
LDR2,T4
○(R2)→DR2
YS1YS0=00
R2-BUS
LDDR2,T4
○(DR2非)→R2
010110 ALU
YS1YS0=11
YS1YS0=00
R2-BUS
R1,R0
○**H→R1
SW=**H
SW-BUS
Ys1Ys0=11
LDR1,T4
○(R1)→DR2
YS1YS0=00
R2-BUS
LDDR2,T4
○(DR2) →R0 YS1YS0=00
LDR0,T4
YS1YS0=00
R0-BUS
R1,R0
○**H→R1
SW=**H
SW-BUS
Ys1Ys0=11
LDR1,T4
○(R1)→DR1
YS1YS0=00
R1-BUS
LDDR1,T4
○**H→R0
SW=**H
SW-BUS
Ys1Ys0=11
LDR0,T4
○(R0)→DR2
YS1YS0=00
R2-BUS
LDDR2,T4
○(DR1)-(DR2)→R0
011001 ALU YS1YS0=11
LDR2,T4
YS1YS0=00
五.回答问题
(1)本实验包括几个通用寄存器分别写出他们的名称。
通用寄存器用的是什么芯片请写出该芯片的全称。
答:本实验包括3个通用寄存器;他们的名称是U6(R0) U8(R1) U9(R2) ;74299
(2)通用寄存器共有几种工作状态YS1YS2在该芯片工作时起到了什么作用请列出全部工作状态的真值表。
答:通用寄存器共有5种工作状态;YS1YS2在该芯片工作时具有清零、并行置数、左移、右移及保持五种模式的功能;
(3)列出将R1的内容读取到总线的全部信号。
答:YS1YS2=00;R1→BUS
(4)若要求将R0的内容传送到R1,这样的操作是否正确:将R0的内容读取到总线,直接写到R1里若正确,写出具体操作过程;若不正确,解释器原因,并将正确的操作步骤按上述例题格式写出。
答:不正确,R0 R1的值不能使用总线直接替换,应该把R0的数据送到锁存器,由ALU 运算出来F=B,读取到总线,再由总线写入R1。
(R0)→DR1
操作数=01
SW→BUS
YS1YS2=11
LDR0
YS1YS2=00
R0→BUS
LDDR1
KQD(T4)
② DR2→R0
F=B
S1 S2 S3 S4 M CN
1 0 1 0 1 0
YS1YS2=11
LDR1
KQD(T4)
YS1YS2=00
R1→BUS
六.实验总结
通过对实验二运算组成实验的学习,掌握了算术,逻辑运算单元的工作原理,更加熟悉了多通用寄存器结构的简单运存器,进一步熟悉了运算器的结构传送通路及控制方法,按给定的各种操作流程完成了运算,使得我对运算器组成更加了解。