离心泵常见故障的判断与处理
- 格式:ppt
- 大小:352.50 KB
- 文档页数:22
离心泵不正常现象原因及处理1.电流超过额定值:原因:填料过紧;水泵装配不良;叶轮摩擦壳体;出水量过大;电源中一相断线;启动时出口阀未关。
处理:拧松填料;检查水泵;关小出口阀;检查电源情况。
2.填料过热:原因;填料压得太紧;填料表面有损伤。
处理:放松填料;修复轴表面损伤处。
3.填料函漏水过多:原因:填料磨损;填料压得不紧;轴弯曲及摆动;填料缠法错误。
处理:更换填料;拧紧填料压盖;校正更换轴。
4.轴承过热的:原因:轴承装置不正确;轴安装不对;轴承损坏轴弯曲;润滑油变质或不足。
处理:校正;修理或更换轴承,更换或加润滑油。
5.电动机过热:原因:转速高于额定值;水泵输水量高于额定值;水泵或电动机损坏。
6.泵或电机振动:原因:泵内有固体物;泵内有气;机械损坏,轴弯曲;水泵和电机转子不平衡;靠背轮对心不好;轴承损坏,缺油;地脚螺丝松动;汽蚀或气化。
处理;重新找正;更换轴或轴承;更换润滑油;加固底座,拧紧地脚螺丝。
7.给水泵压力下降的原因水泵叶轮损坏;叶轮和间隙密封太大;电压下降;水泵入口法兰或盘根漏气。
8.启动负荷过大原因启动没有关闭出口阀;填料压得太紧,润滑油进不去;水封管不通水;轴心不正;轴承安装不当。
9,运行中,消耗功率过大的原因高压液体回到低压,没送出;泵内进泥沙或杂物;轴承磨损或损坏;填料太紧;泵泄漏;轴弯曲;管路阻力大;液体流速高相互碰撞;机械磨察。
10.泵不上水,压力剧烈震动原因进水管侵入深度不够,水池水位低,进水口堵塞;泵内有空气或密封不严;进水管阻力过大。
11.离心泵吸入困难或不输水的原因泵内有气,密封不严;转向不对;吸入管及叶轮堵塞;出水管阻力过大;进水阀或出水阀未开;泵的转速不够;电压低;出口阀或逆止阀坏。
12.流量减小或压头降低的原因排水管漏水;叶轮堵塞;出口阀开度不够;转速不够;泵漏气;管路阻力及破裂;机械损坏;吸入高度增加;液体温度高;液体粘度增加。
(10,11,12)处理办法:检查来水情况;清除泵内杂物;检查电机转向或电13.给水泵气化的原因低负荷运行时间过长;高负荷运行时间过长;水箱水温过高;水箱水位过低;水箱沸腾管开的过大;水泵中漏入空气。
离心泵常见故障及解决方法(适合本公用部所有离心泵,就不每台单独说明了,由于介质不一样,用“液体”代称,各泵其原理大致一样。
如有错误,请大家纠正,共同学习。
日常巡检主要注意:设备振动,温度,润滑油油位,油色(质),各种损伤以及其他异常)。
注:打印排版需要,内容文字大小不一。
一、泵不能启动或启动负荷大原因及处理方法如下:(保全注意:下文所说的原动机是泛指提供动力的机械,包括各种发动机,电动机等。
我们部门常接触为电动机)1、原动机或电源不正常。
处理方法:检查电源和原动机情况。
2、泵卡住。
处理方法:用手盘动联轴器检查,必要时解体检查,消除动静部分故障。
3、填料压得太紧。
处理方法:放松填料。
4、排出阀未关。
处理方法:关闭排出阀,重新启动。
5、平衡管不通畅。
处理方法:疏通平衡管。
二、泵不排液原因及处理方法如下:1、灌泵不足(或泵内气体未排完)。
处理方法:重新灌泵。
2、泵转向不对。
处理方法:检查旋转方向。
3、泵转速太低。
处理方法:检查转速,提高转速。
4、滤网堵塞,底阀不灵。
处理方法:检查滤网,消除杂物。
5、吸上高度太高,或吸液槽出现真空。
处理方法:减低吸上高度;检查吸液槽压力。
三、泵排液后中断原因及处理方法如下:1、吸入管路漏气。
处理方法:检查吸入侧管道管道连接处及填料函密封情况。
2、灌泵时吸入侧气体未排尽。
处理方法:要求重新灌泵。
3、吸入侧突然被异物堵住。
处理方法:停泵处理异物。
4、吸入大量气体。
处理方法:检查吸入口有否旋涡,淹没深度是否太浅。
四、流量不足原因及处理方法如下:1、同二、三。
处理方法:采取相应措施。
2、系统静扬程增加。
处理方法:检查液体高度和系统压力。
3、阻力损失增加。
处理方法:检查管路及止逆阀等障碍。
4、壳体和叶轮耐磨环磨损过大。
处理方法:更换或修理耐磨环及叶轮。
5、其它部位漏液。
处理方法:检查轴封等部位。
6、泵叶轮堵塞、磨损、腐蚀。
处理方法:清洗、检查、调换。
五、扬程不够原因及处理方法如下:1、同二的1、2、3、4,三的1,四的6。
离心泵故障诊断及处理一、水泵不出水离心泵开机后几秒钟内出水管应有水喷出,否则就应检查原因,及时对症处理。
1.开机前水泵充水不足,或真空泵未抽尽水泵内空气,致使泵内未形成足够的真空度。
处理:应继续充水或抽气。
2.吸水管或仪表漏气,破坏了水泵进口处的真空环境。
原因有:焊接漏气;管子有砂眼或有裂缝;接合处垫圈密封不良,以及连接螺丝未上紧等。
处理:前两条应用炎焰法检查(即:用点燃的蜡烛沿吸水管详细查找,若见炎焰被吸入,则说明该处漏气),查出漏缝处用铅油或临时用黄泥将漏缝堵严;后者应更换密封垫圈,紧固螺丝。
3.底阀未打开、锈死,或滤水部分淤塞,致使吸水管阻力太大;选配水泵不合适,水泵扬程低于设计扬程。
处理:前者应停机检查修复底阀,或清除堵塞物;后者应降低出水池或水泵出水管的高度。
4.水泵反向旋转;进水口处或叶轮流道堵塞;水泵转速太低等故障。
这时,压力表显示有压力,但排水管不出水。
处理:立即停机,若是水泵反转可调换三相电源中任意两相,以改变电机转向;若是叶轮流道堵塞应清理;若转速太低应增加转速(转速过低的原因可能是电动机的端电压过低,皮带轮尺寸配合不当,或皮带打滑)。
5.填料函处漏气。
处理:调整压盖螺钉、压紧填料,或更换填料。
6.叶轮损坏严重,或叶轮固定螺母及时性键脱出。
处理:前者应更换新叶轮;后者应修复紧固。
二、在运行中出水量不足离心泵在运行过程中,若发现出水量减少,应从以下几个方面检查故障原因,并进行处处理。
1.底阀开启程度不够,或逆止阀有障碍堵塞。
应开大底阀或停车清理逆止阀。
2.吸水管淹没深度不够使泵内吸入空气。
应加长吸水管,增加吸水部分的浸没深度,或降低水泵的安装高度。
3.吸水管漏气。
应检查并堵严。
4.填料函漏气。
应压紧填料或更换填料。
5.密封环磨损,造成密封环与叶轮间间隙过大,使水泵内的水产生回流。
处理:①水泵的叶轮与密封环之间的间隙一般为0.1--0.5毫米。
密封环一般用铸钢环车制,若铸钢已破裂,或与叶轮的径向间隙磨损已超过0.5毫米,则应更换新密封环。
离心泵常见故障及应急处理方法
离心泵是现代工业生产中广泛应用的一种基础设备。
然而,在长期的运行过程中,离心泵也会出现一些故障,给生产带来一定的影响。
因此,了解离心泵常见的故障和应急处理方法是非常必要的。
常见故障:
1.泵盖漏水
泵盖漏水可能是由于密封面损坏或安装不当引起的,可通过更换密封面或重新安装来解决。
2.异物卡住叶轮
叶轮堵塞可能会导致离心泵无法正常工作,可通过清理异物来解决。
3.电机出现故障
电机故障可能是由于电源故障或电机内部损坏引起的,可通过更换电源或维修电机来解决。
4.泵轴断裂
泵轴断裂可能会导致离心泵无法正常工作,可通过更换泵轴来解决。
应急处理方法:
1.关闭电源
在出现故障时,首先应该关闭电源,以保证工作人员的安全。
2.排空液体
排空液体可以避免液体在维修过程中造成的损坏。
3.清理过滤器
清理过滤器可以防止泵叶轮被堵塞。
4.更换零件
对于受损的零件,必须及时更换以确保离心泵的正常运行。
维修离心泵需要专业的技能和工具,用户应该寻求专业技术人员的帮
助。
在平时的使用中,还应该注意定期检查、维护离心泵,以减少其发生故障的概率。
总之,离心泵在工业生产中扮演着非常重要的角色,了解其常见故障和应急处理方法对保障生产安全和正常运行至关重要。
离心泵的常见故障及解决方法1、级间密封垫片失效【案例】某塑料厂高压装置的热水泵,由国外进口,2级泵,入口压力1.6MPa,出口4.1MPa,扬程250m,操作温度为212℃,流量210m3/h,汽蚀余量3.9m,泵壳的材质为铸钢。
在运转过程中,泵因过载停机,显示为电动机过流故障,泵停下来以后,转动泵轴进行盘车,轻松自如,据此可以确认机械密封和轴承都没有出现故障。
再次起动电动机,现象仍然是电动机电流高,经过10s以后,电动机过负荷保护停车。
怀疑是电动机有问题,拆开联轴器,空转电动机,运转正常,通过检查,确认电动机无问题。
原因分析:将泵从现场拆下解体,发现离心泵的1级和2级之间的密封面冲蚀严重,密封垫是缠绕垫片,垫片已经损坏,密封失效。
由于密封失效,2级泵腔的高压液体通过密封面进入1级泵腔,导致离心泵的轴向力剧增,而且,无法平衡掉这个轴向力。
泵的转速越高,轴向力随之也越大。
因此,根本无法将泵起动运转到正常转速。
解决办法:将缠绕垫的密封面用电焊进行补焊,重新加工密封面,换上新垫片。
再次起动离心泵以后,运行正常。
通过这件事说明,对于离心泵类设备,在低速盘车无卡塞现象,并不能说明离心泵本身就没有问题,泵的轴向力不平衡故障,只有在运转速度达到一定转速以后,才能体现出来。
2、解决汽蚀问题【案例】同样是上面这台离心泵,由于热水的冲刷和汽蚀,造成泵的流道和口环处损坏严重,为了维持生产,采取补焊的方法。
但补焊以后,使用的时间仍然很短,一般不超过三个月,所以,每两年就要更换一台新泵,购买一台新泵的价格为80万元人民币。
当离心泵叶轮入口处压力降低到液体饱和蒸汽压力时,汽蚀就会发生。
提高离心泵抗汽蚀有两方面的措施:一是改进进口的结构参数,使泵具有尽可能小的汽蚀余量,或者采取耐汽蚀材料,以提高泵的使用寿命;另一方面正确地设计吸入管路尺寸,安装高度等,使泵入口处有足够的有效汽蚀余量,不发生汽蚀。
解决办法:由于此泵已经安装在厂房内,要改变安装尺寸和吸入高度,需要重新安装吸入罐,比较困难。
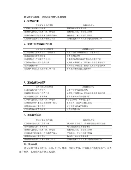
离心泵常见故障,处理方法和离心泵的检修1.泵泄漏严重2、泵输不出液体或出力不足3、泵发生振动或燥声4、泵或轴承过热离心泵的检修离心泵的主要易损件有:泵轴、叶轮、轴承、密封装置等。
对拆卸开的易损零部件,首先进行检测,根据情况进行修复或更换。
图1-53 轴承的拆装1.泵轴的检修泵轴上装有各级叶轮和轴承,这些部位在使用中容易磨损,检修时应检查其圆度和配合公差,并根据其磨损量进行修复或更换。
泵轴在使用中,也容易发后弯曲变形,泵轴的最大弯曲值不得超过0.04mm ,否则应进行校正。
泵轴校正的常用方法有捻打法、机械校正法、内应力松弛法、局部加热法等。
2.轴颈的检修轴颈是轴与轴承摩擦的部位,如果轴不光滑,运行中轴承会发热;如果轴颈圆度不精确,运行中泵的振动将加剧。
因此,轴颈的检修是离心泵检修的重要内容。
当轴颈只有轻微的腐蚀痕迹或麻点,椭圆度、锥度也较小时,可用砂布加油包住轴颈,再用毛毡包住砂布,然后用麻绳在毛毡上绕几道,由两个人拉绳子来回转动研磨,研磨过程中逐次更换砂布细度,直到轴颈光滑为止。
在轴颈有一定的磨损量,但不超过0.2 mm 时,可用镀铬法修复。
镀铬厚度一般为0.1~0.2mm ,镀好后进行磨削与公差配合。
当轴颈有较深的沟槽,或椭圆度和锥度均大于0.03mm 时,可以在车床上找正后车削加工,车削量一般为0.2~0.3 mm ,车削后在车床上用细砂布加油打磨。
轴颈如磨损量较大,可将轮孔镗大,压装衬套,用骑缝螺钉固定,再加工新键槽。
3.叶轮的检修如果叶轮入口处磨损沟痕或偏磨现象不严重,可用砂布打磨,在厚度允许的情况下也可车光;如属叶轮磨损引起的叶轮与轴颈间隙过大,可在叶轮轴孔内局部点焊后再车削,或镀铬后再磨光;当叶轮腐蚀不很严重时,可进行补焊修理,对于输送温度低于80℃的输水泵,也可用环氧树脂粘结剂进行修补。
当叶轮出现下列情况之一时,应进行更换: (1)叶轮表面出现裂纹。
(2)叶轮表面出现较多的孔隙。
离心泵常见故障处理方法和离心泵的检修1.泵的启动失败:这可能是由于电源故障、电机损坏、轴承问题或泵体堵塞等原因引起的。
处理方法包括检查电源连接、更换损坏的电机、更换磨损的轴承或清理泵体堵塞。
2.泵的流量降低:这可能是由于泵叶轮磨损、进口管道堵塞或流体黏稠度增加等原因引起的。
处理方法包括更换磨损的泵叶轮、清理进口管道或更换黏稠度较低的流体。
3.泵的振动增大:这可能是由于泵和电机的不平衡、轴承损坏或轴承座磨损等原因引起的。
处理方法包括平衡泵和电机、更换磨损的轴承或修复轴承座。
4.泵的噪音增大:这可能是由于泵与基座接触不良、轴承受损或泵体产生共振等原因引起的。
处理方法包括调整泵与基座之间的接触、更换受损的轴承或加阻尼材料以减少共振。
5.泵的温升过高:这可能是由于泵的转速过高、泵轴承损坏或流体温度过高等原因引起的。
处理方法包括降低泵的转速、更换损坏的泵轴承或降低流体温度。
离心泵的检修方法:1.检查泵的外观:检查泵体是否有裂纹、变形或腐蚀迹象。
如发现问题,应及时修复或更换。
2.清洗泵体和叶轮:使用适当的溶剂清洗泵体和叶轮,以去除污垢和沉积物。
3.检查轴承和轴承座:检查轴承是否磨损或松动,轴承座是否有裂纹或变形。
如有需要,应更换磨损的轴承或修复轴承座。
4.检查密封件:检查密封件是否磨损或老化,如有需要,应更换密封件。
5.检查电机:检查电机是否正常运转,是否有异常噪音或振动。
如有需要,应及时修复或更换电机。
6.调整泵的配气:根据工作条件,调整泵的进出口阀门的开闭程度,以确保泵的正常运转。
7.进行试运转:在进行检修后,应进行试运转,以确保泵的正常运转和密封性能。
以上就是离心泵常见故障、处理方法和离心泵的检修方法。
正确的检修和维护可以延长离心泵的使用寿命,并保证其正常运转。
在进行检修时应注意安全,必要时请专业人士进行维修。
离心泵的常见故障分析与处理离心泵是一种常见的流体输送设备,广泛应用于工业生产中。
然而在使用过程中,离心泵也会出现一些常见的故障。
本文将对离心泵的常见故障进行分析,并提供相应的处理方法。
1.泵运行时噪音大:可能原因:(1)进口阀门未完全打开或是有异物阻塞;(2)泵的轴承磨损;(3)叶轮与泵壳的间隙过大;(4)泵运行不平稳。
处理方法:(1)检查进口阀门是否打开,清除阻塞物;(2)更换轴承;(3)重新调整叶轮与泵壳的间隙;(4)检查泵的安装是否平稳,进行调整。
2.泵流量不足:可能原因:(1)进口阀门未完全打开或是有异物阻塞;(2)泵的排水管道有堵塞;(3)泵的叶轮磨损严重;(4)泵的设定流量过小。
处理方法:(1)检查进口阀门是否打开,清除阻塞物;(2)清除排水管道的堵塞;(3)更换叶轮;(4)调整泵的设定流量。
3.泵出口压力过高:可能原因:(1)出口阀门未完全打开;(2)排水管道有堵塞;(3)泵的叶轮磨损严重;(4)泵的设定压力过大。
处理方法:(1)检查出口阀门是否打开;(2)清除排水管道的堵塞;(3)更换叶轮;(4)调整泵的设定压力。
4.泵温度上升:可能原因:(1)泵运行时间过长;(2)泵的轴承润滑不足;(3)进口阀门未完全打开。
处理方法:(1)对泵进行冷却或是增加散热器;(2)检查泵的轴承润滑情况,进行添加;(3)调整进口阀门的开启程度。
5.泵振动过大:可能原因:(1)泵与基座之间的联接不稳定;(2)泵的轴承损坏;(3)泵的输送介质含有杂质。
处理方法:(1)检查泵与基座的联接情况,进行调整;(2)更换轴承;(3)净化输送介质。
以上仅仅是离心泵常见故障的一部分,根据实际情况还有一些其他故障,如电机异常、电源问题等。
在处理故障时,需要根据具体情况进行分析,并采取相应的处理方法,可将故障降至最低程度。
同时,对于离心泵的日常维护也十分重要,定期进行检查、保养,以延长泵的使用寿命。
离心泵常见故障及处理1. 简介离心泵是一种常见的泵类设备,广泛应用于工业生产、建筑、农业等领域。
然而,由于长期运行、不当使用或其他原因,离心泵可能会出现各种故障。
本文将介绍离心泵常见的故障及相应的处理方法。
2. 故障一:泵无法启动或启动困难2.1 故障原因•电源故障:检查电源线路是否正常连接,是否有电压输出。
•电机故障:检查电机是否正常运转,是否有异常声音或发热。
•泵体堵塞:检查泵体内是否有异物阻塞,清理泵体。
•泵轴弯曲或轴承损坏:检查泵轴是否弯曲,轴承是否磨损,需要更换。
2.2 处理方法•检查电源线路,确保供电正常。
•检查电机,如有故障需更换或修理。
•清理泵体内的堵塞物,恢复正常流通。
•如发现泵轴弯曲或轴承损坏,需要更换。
3. 故障二:泵出水量减少3.1 故障原因•进水管道堵塞:检查进水管道是否有异物堵塞,清理管道。
•叶轮磨损:检查叶轮是否磨损严重,需要更换。
•泵体内部堵塞:检查泵体内是否有异物堵塞,清理泵体。
3.2 处理方法•清理进水管道中的异物,确保畅通。
•如发现叶轮磨损严重,需要更换。
•清理泵体内的堵塞物,恢复正常流通。
4. 故障三:泵噪音过大4.1 故障原因•泵体松动:检查泵体是否松动,需要重新固定。
•叶轮与泵体摩擦:检查叶轮与泵体之间是否有摩擦,调整叶轮位置。
•泵轴弯曲:检查泵轴是否弯曲,需要更换。
4.2 处理方法•重新固定泵体,确保稳定运行。
•调整叶轮位置,避免与泵体摩擦。
•如发现泵轴弯曲,需要更换。
5. 故障四:泵漏水5.1 故障原因•泵体密封件老化或损坏:检查泵体密封件是否需要更换。
•泵体连接处松动:检查泵体连接处是否松动,需要重新固定。
5.2 处理方法•更换泵体密封件,确保密封性能。
•重新固定泵体连接处,确保不漏水。
6. 故障五:泵振动过大6.1 故障原因•泵体安装不平稳:检查泵体安装是否平稳,需要重新调整。
•叶轮与泵体不平衡:检查叶轮与泵体是否平衡,需要重新调整。
6.2 处理方法•重新调整泵体安装,确保平稳运行。
离心泵常见故障及处理方法离心泵是一种常见的工业泵,广泛应用于化工、冶金、建筑等领域。
但是,离心泵也常常出现一些故障,影响生产和使用效果。
本文将介绍离心泵的常见故障及处理方法。
1. 噪音大离心泵在工作时会产生一定的噪音,但若噪音过大,需要及时处理。
产生噪音的原因可能有以下几种:1.1 轴承损坏离心泵内部的轴承如果损坏,会导致摩擦增大,产生噪音。
处理方法是更换轴承。
1.2 叶轮损坏或松动若离心泵的叶轮损坏或松动,会导致叶轮与外壳发生碰撞,产生噪音。
处理方法是更换叶轮或调整叶轮位置。
1.3 泵体松动若离心泵的泵体松动,会导致泵体与定子相撞,产生噪音。
处理方法是重新固定泵体。
1.4 进口管道有堵塞离心泵进口管道若有杂物或积垢,会导致进口流量减小,增加泵的压力,从而产生噪音。
处理方法是清理管道。
1.5 离心泵出口管道有异物离心泵出口管道若有异物,会改变水流方向,产生旋涡,并伴随着噪音。
处理方法是清理管道或更换出口管道。
2. 渗漏离心泵如果出现渗漏,会影响工作效果并造成安全隐患。
产生渗漏的原因包括:2.1 机械密封问题离心泵的机械密封如果损坏或松动,会导致泵体与外界有漏洞,产生渗漏。
处理方法是更换机械密封。
2.2 泵体松动或断裂若离心泵的泵体松动或断裂,会导致泵体与外界有漏洞,产生渗漏。
处理方法是重新固定泵体或更换泵体。
2.3 进口管道或出口管道有漏洞离心泵进口管道或出口管道若有漏洞,会导致渗漏。
处理方法是更换管道。
3. 离心泵启动困难离心泵启动困难,会严重影响使用效果。
产生启动困难的原因有以下几种:3.1 泵体内有气体离心泵在停止后,泵体内残留气体会形成气囊,使得离心泵启动困难。
处理方法是排气。
3.2 泵体磨损离心泵的泵体若磨损严重,会导致泵体与定子紧密结合,从而启动困难。
处理方法是更换泵体。
3.3 电机问题离心泵的电机问题,包括线圈损坏或电容器失效等,会导致启动困难。
处理方法是检修或更换电机。
4. 离心泵流量不足离心泵的流量不足,影响使用效果。
离心泵常见故障及判断处理研究离心泵是一种常见的工业设备,用于输送液体或压缩气体。
它的运行稳定性对于工业生产具有非常重要的作用。
离心泵在使用过程中也会出现一些常见的故障,需要及时判断和处理,以确保设备的正常运行。
本文将重点探讨离心泵常见故障及判断处理方法,希望能为相关工作人员提供参考。
一、离心泵常见故障1. 泵轴转动不灵活离心泵的泵轴转动不灵活可能是由于轴承损坏或润滑不良造成的。
这种故障会导致泵的转速减慢,甚至无法正常运转。
在检测时,可通过拆卸轴承并进行清洁和润滑来解决问题。
2. 泵出口压力不稳定泵出口压力不稳定可能是由于泵的进口阀门不良或管道堵塞引起的。
在出现这种故障时,可检查进口阀门是否正常工作,并对管道进行清理。
3. 泵运行噪音大当离心泵运行时发出异常噪音时,可能是由于叶轮损坏或水泵内部有异物造成的。
此时可通过检查叶轮和泵内部,清除异物或更换叶轮来解决问题。
4. 泵漏水泵漏水是离心泵常见的故障之一,可能是由于密封件损坏或泵体破裂引起的。
在检测时,可对密封处进行检查,并及时更换密封件或维修泵体。
5. 泵出口液体有异常振荡当泵出口液体有异常振荡时,可能是由于进口压力不稳定或泵内部有气体造成的。
此时可检查进口压力和泵内气体,并进行调整和清除。
二、离心泵故障判断处理方法1. 定期检查为了避免离心泵故障的发生,工作人员应定期对泵进行检查,包括轴承、密封件、叶轮等部件的磨损情况,以及管道是否有堵塞等问题。
定期检查可以及时发现问题并加以处理,确保泵的正常运行。
2. 使用维护手册在出现离心泵故障时,工作人员应当参考相关的维护手册,了解泵的结构和工作原理,以便判断故障的原因并进行处理。
维护手册中通常会有详细的故障判断和处理方法,可以为工作人员提供指导。
3. 维修保养当离心泵出现故障时,工作人员应及时进行维修保养,包括清洁、更换磨损件、调整压力等操作。
在维修保养时,工作人员应严格按照操作规程进行,确保安全和有效性。
离心泵常见故障判断与处理措施1 离心泵的安全运行措施离心泵的运转部件是叶轮,通过叶轮的高速旋转产生离心力,增加液体的压力,通过连续不断地吸入和排出液体,完成对液体的增压作用。
通过离心泵的高效运行,实现工艺流程的连续性,促进石油化工生产的进步。
为了保证离心泵安全运行,选择最佳的离心泵的型号,对离心泵的驱动电动机进行优选,选择节能型的电动机体系,保证消耗较少的电能,促使离心泵达到节能降耗的技术标准。
设计离心泵最佳的运行参数,通过对离心泵的运行管理,及时调整离心泵的运行工况,保证离心泵的排量和压力达到最佳,为生产工艺提供足够的压力。
重视离心泵的维护保养,通过日常的维护保养和定期的维护保养,保证离心泵正常运行。
避免离心泵带病运行,及时排除离心泵的故障状态,才能促使离心泵安全平稳运行,达到设计的生产能力。
2 离心泵常见故障的判断与处理措施2.1 离心泵无法正常启动故障的判断与处理措施如果发现离心泵无法正常启动,需要对离心泵机组进行检查,判断电动机的接线是否正常,三相电压的供应是否达到要求,电动机的三相接线是否接反等,对供电系统进行检查验收,保证电动机正常运行。
盘泵处理,判断泵是否存在卡阻的现象。
对泵的卡阻情况进行解体处理,保证联轴器能够正常的传递动力,为正常启动奠定基础。
如果离心泵的密封填料压的过紧导致的泵卡阻,可以通过松填料密封压盖的方式解决问题。
排出阀门没有关闭,会引起泵进口没有液体存在,导致离心泵无法正常启动。
需要关闭泵的出口阀门,启动离心泵后,通过出口阀门的开度调节泵压和电流。
如果泵的平衡管或者泵进口的过滤器出现堵塞的情况,也会导致泵无法正常运行,对泵的过滤器的堵塞状况进行处理,保证离心泵的流程畅通,达到正常启动的状态。
2.2 离心泵无法排出液体故障的判断与处理措施当离心泵运行过程中,无法正常排出液体,检查离心泵出口阀门的开度,确认出口阀门正常开的状态。
判断离心泵不出液的原因,当离心泵出现汽蚀的现象,泵产生振动无法吸入到液体,因此,也没有液体的排出。
离心泵的常见问题及处理方法
离心泵是一种常用的工业设备,用于输送流体并产生压力。
然而,在使用离心泵的过程中,有一些常见的问题可能会出现。
下面将介绍这些问题,并提供相应的处理方法。
1. 泵无法启动:
- 检查电源是否正常,并确保电源接触良好。
- 检查电机是否正常运转,如有异常需及时修复。
- 检查泵是否有堵塞或泄漏,需要清除堵塞或修复泄漏。
2. 泵运行时噪音过大:
- 检查泵机械零部件是否松动,进行紧固或更换。
- 检查泵轴与轴套之间是否磨损,出现磨损需更换零部件。
- 检查泵轴承是否润滑良好,添加适量润滑剂。
3. 泵运行时产生振动:
- 检查泵底部是否有松动或不平衡的部件,调整固定并平衡。
- 检查泵轴是否弯曲或磨损,必要时更换。
- 检查泵和基座之间的垫片是否松动或磨损,修复或更换。
4. 泵出水量减小:
- 检查进水管道是否有堵塞,需要清除堵塞物。
- 检查泵叶轮是否有磨损或损坏,如有需要更换。
- 检查泵驱动电机是否正常运转,如出现故障需要修复或更换。
5. 泵漏水:
- 检查密封件是否磨损或老化,如有需要更换。
- 检查泵体是否存在裂纹或渗漏现象,修复或更换泵体。
- 检查管道连接是否牢固,进行重新连接或紧固。
总之,离心泵在使用过程中可能会出现一些常见问题,但只要及时发现并采取适当的处理方法,这些问题都可以得到解决。
对于一些更复杂的问题,建议联系专业的技术人员进行维修和服务,以确保离心泵的正常运行。
离心泵常见故障原因及处理方法离心泵是一种常用的工业设备,用于输送液体或气体。
然而,由于长时间使用或操作不当,离心泵可能会出现一些常见故障。
本文将介绍离心泵常见故障的原因及处理方法,以帮助读者更好地了解和解决这些问题。
一、泵轴密封泄漏泵轴密封泄漏是离心泵常见的故障之一。
其原因可能是密封件老化、磨损或安装不当。
处理方法如下:1. 检查密封件是否老化或磨损,如有必要,及时更换密封件。
2. 确保密封件正确安装,密封面应平整、清洁,并涂抹适量的润滑剂。
二、泵轴弯曲泵轴弯曲可能导致泵的振动和噪音增加,甚至使泵无法正常工作。
其原因可能是泵轴受到外力撞击或过载工作。
处理方法如下:1. 检查泵轴是否弯曲,如有必要,更换新的泵轴。
2. 确保泵的工作负荷在额定范围内,避免过载工作。
3. 加强泵的保护措施,避免外力对泵轴的撞击。
三、泵壳磨损泵壳磨损可能导致泵的效率下降和泄漏增加。
其原因可能是泵壳内部介质的腐蚀或颗粒物的磨损。
处理方法如下:1. 定期清洗泵壳内部,去除腐蚀介质和颗粒物。
2. 使用耐腐蚀性能好的材料制造泵壳,提高泵壳的耐磨性能。
四、轴承故障轴承故障可能导致泵的运行不稳定和噪音增加。
其原因可能是轴承润滑不良或磨损。
处理方法如下:1. 定期检查轴承润滑情况,确保润滑油的质量和量足够。
2. 如发现轴承磨损,及时更换新的轴承。
五、电机故障电机故障可能导致泵无法正常启动或运行。
其原因可能是电机线路故障或电机本身故障。
处理方法如下:1. 检查电机线路是否正常,如有必要,修复或更换电路。
2. 如发现电机故障,及时修理或更换电机。
六、进口阀门故障进口阀门故障可能导致泵无法正常吸入介质。
其原因可能是阀门堵塞或关闭不严。
处理方法如下:1. 定期检查进口阀门,清除阀门堵塞物。
2. 调整阀门,确保阀门关闭严密。
离心泵常见故障的原因及处理方法主要包括泵轴密封泄漏、泵轴弯曲、泵壳磨损、轴承故障、电机故障和进口阀门故障。
通过定期检查、维护和及时处理故障,可以保证离心泵的正常运行和延长使用寿命。
离心泵的几种常见操作故障及排除措施离心泵是一种常见的工业设备,常用于输送液体。
但是在操作过程中,可能会出现各种故障。
本文将介绍离心泵的几种常见操作故障以及排除措施。
故障一:无法启动或无法保持运行可能原因1.电源线路故障,包括电缆脱落、松动,或主电源故障等;2.操作面板设置错误;3.电机或电装置故障;4.离心泵内部故障。
排除措施1.检查电源线路是否正常,找出断裂等故障,并修复或替换故障部件;2.检查操作面板设置是否正确,或者重新设置;3.检查电机或电装置是否故障,或者重新安装电机或电装置;4.检查离心泵内部是否有故障部件,如有故障部件,则替换。
故障二:噪音大或摆动可能原因1.稳定性差,或者油封或轴承阻力不足;2.离心泵内部部件故障;3.操作不当导致的震动。
排除措施1.检查离心泵内部的油封和轴承,并重新安装;2.检查离心泵内部是否存在故障部件并替换;3.操作离心泵之前,请确保所有部件都按照操作手册正确安装;故障三:泵的垂直轴偏移量增加可能原因1.轴承损坏或部件松动;2.正确安装后,轴承负载没有合适的调整。
排除措施1.检查轴承是否损坏,并替换损坏部件;2.检查离心泵负载,并调整负载;故障四:离心泵无法开始向上运行可能原因1.排空关闭阀未正确打开;2.水泵在启动之前没有充分排气。
排除措施1.打开排空关闭阀;2.手动放水,并打开自动排气道。
故障五:温度升高可能原因1.离心泵制品密封不足;2.油封和轴套摩擦不合适;3.离心泵内部部件故障。
排除措施1.检查离心泵密封是否有效;2.在检查油封和轴套摩擦之前,请确保损坏的部件已正确替换;3.检查内部部件状态,准备替换故障部件。
结论以上是离心泵的几种常见操作故障以及排除措施。
在操作离心泵时,必须依照手册的要求操作,并按照正确的步骤进行维护和保养。
如有故障,请先确认故障原因,再进行相应的排除措施。