湖北省住房和城乡建设厅关于湖北省工程勘察设计出图专用章、施工
- 格式:doc
- 大小:24.00 KB
- 文档页数:2
附件之邯郸勺丸创作
工程勘察设计资质(出图)专用章(样式)
75mm
样
寸×40mm ,行
高8mm ;宋体字,字高5mm ,字宽4mm ,2个字母(2个数字)占一个汉字宽度;印章为蓝色。
2、资质等级处依照资质类别、等级刻写相应内容(资质等级4字不刻写):工程设计类统一刻为“工程设计×级”,如“工程设计甲级”;工程勘察类统一刻为“工程勘察×级”以及“工程勘察劳务”( 工程勘察劳务资质不分级);设计施工一体化类统一刻为“设计与施工×级”。
3、有效期依照资质证书有效期时间填写阿拉伯数字。
注:鉴于旧版《工程勘察资质证书》自2015年7月1日起作废,凡持旧版《工程勘察资质证书》申请刻制出图专用章的,有效期统一刻为2015年6月30日。
4、“安徽省住房和城乡建设厅监制”后括号内的字母为各市的代号,参照汽车牌照编排,如合肥为A ,芜湖为B ,蚌埠为C ,淮南为D ,马鞍山为E ,淮北为F ,铜陵为G ,安庆为H ,黄山为J ,阜阳为K ,宿州为L ,滁州为M ,六安为N ,宣城为P ,池州为R ,亳州为S 。
春有春的温暖,夏有夏的火热,秋有秋的收获!
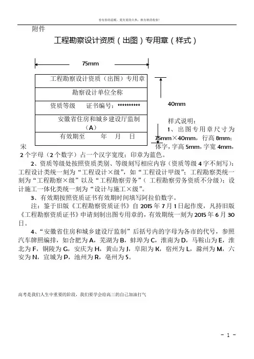
- 1 - 附件
工程勘察设计资质(出图)专用章(样式)
75mm
40mm
样式说明:
1、出图专用章尺寸为
×40mm ,行高8mm ;
宋字高5mm ,字宽4mm ,2个字母(2个数字)占一个汉字宽度;印章为蓝色。
2、资质等级处按照资质类别、等级刻写相应内容(资质等级4字不刻写):工程设计类统一刻为“工程设计×级”,如“工程设计甲级”;工程勘察类统一刻为“工程勘察×级”以及“工程勘察劳务”( 工程勘察劳务资质不分级);设计施工一体化类统一刻为“设计与施工×级”。
3、有效期按照资质证书有效期时间填写阿拉伯数字。
注:鉴于旧版《工程勘察资质证书》自2015年7月1日起作废,凡持旧版《工程勘察资质证书》申请刻制出图专用章的,有效期统一刻为2015年6月30日。
4、“安徽省住房和城乡建设厅监制”后括号内的字母为各市的代号,参照汽车牌照编排,如合肥为A ,芜湖为B ,蚌埠为C ,淮南为D ,马鞍山为E ,淮北为F ,铜陵为G ,安庆为H ,黄山为J ,阜阳为K ,宿州为L ,滁州为M ,六安为N ,宣城为P ,池州为R ,亳州为S 。
高考是我们人生中重要的阶段,我们要学会给高三的自己加油打气。
关于印发《湖北省建筑工程施工图设计文件审查办法》及配套文件的通知鄂建文[2001]300号各市、州、县、林区、直管市建委(建设局):为进一步规范施工图审查工作,明确施工图审查技术要点,强化对施工图审查机构的监管,确保审查质量和建设工程质量,省建设厅根据建设部颁布的《建筑工程施工图设计文件审查暂行办法》,结合我省施工图审查工作的执行情况,对原颁布的《湖北省建筑工程施工图设计文件审查办法(暂行)》进行了必要的完善和修改。
现将修改制定的《湖北省建筑工程施工图设计文件审查办法》及《湖北省建筑工程施工图设计文件技术性审查要点》、《湖北省建筑工程施工图设计文件审查机构资格年检办法(试行)》二个配套文件,一并印发给你们,请遵照执行。
二○○三年十一月十四日湖北省建筑工程施工图设计文件审查办法第一章总则第一条为贯彻国务院第279号令《建设工程质量管理条例》和国务院第293号令《建设工程勘察设计管理条例》,切实做好建筑工程施干甲设计大件(以下简称施工图)审查工作,确保建设工程质量,维护国家及人民生命财产安全和社会公众利益,根据建设部颁布的《建筑工程施工图设计文件审查暂行办法》,结合我省施工图设计文件审查工作的执行情况,制定本办法。
第二条本办法适用于本省行政区域内各类新建、改建、扩建的房屋建筑工程、装饰装修工程以及涉及建筑主体承重结构变动的加固工程和与其配套的线路、管道、设备工程。
第三条施工图审查包括程序性审查和技术性审查两部分。
程序性审查由项目所在地建设行政主管部门(以下简称审查管理部门)负责,技术性审查由取得相应施工图设计审查许可证的技术性审查机构(以下简称审查机构)承担。
程序性审查主要是对送审项目在执行基本建设管理程序、编制勘察设计文件、建设单位和勘察设计单位执行国家和省有关勘察设计市场及质量管理规定等方面情况进行审查。
技术性审查主要是对建筑工程项目的勘察文件和施工图设计文件中涉及的结构安全、公众利益和工程建设标准强制性条文执行情况等内容进行审查。
湖北省住房和城乡建设厅关于严格执行工程永久性质量责任标牌制度的通知正文:---------------------------------------------------------------------------------------------------------------------------------------------------- 湖北省住房和城乡建设厅关于严格执行工程永久性质量责任标牌制度的通知(鄂建文〔2014〕50号)各市、州、直管市、神农架林区住建委:为贯彻落实工程质量治理两年行动,切实加强房屋建筑和市政基础设施工程质量管理,充分发挥社会监督作用,现就严格执行工程永久性质量责任标牌(以下简称责任标牌)制度有关事项通知如下:一、房屋建筑和市政基础设施工程竣工验收合格后,建设单位应当在单位工程明显部位设置责任标牌。
二、责任标牌应载明工程名称、建设、勘察、设计、施工、监理单位名称和项目负责人姓名及开工、竣工时间。
三、设计单位负责责任标牌的设计,标牌材料应采用耐久性材料,宽度不小于850 mm,高不小于550mm。
文字应采用凹刻宋体,字号根据实际情况确定,颜色根据所选材料确定,可采用黑色或红色,应便于识别。
设计文件中应明确责任标牌的安装位置和安装方法。
住宅工程设置在单元入口外墙一侧,公共建筑设置在外墙主立面主入口一侧,市政基础设施工程应设置在工程明显部位。
四、责任标牌由建设单位制作,施工单位安装。
安装位置和方法应符合设计文件要求。
监理单位应对责任标牌安装进行监理,对不符合要求的,责令施工单位改正。
五、工程交付使用后,由物业管理单位负责对责任标牌进行管理和维护。
六、各地住房和城乡建设主管部门要加强对责任标牌设置情况的监督检查,对未设置责任标牌或责任标牌设置不符合要求的,应责成责任单位限期整改,对拒不整改或整改不到位的,按照有关规定从严查处。
湖北省住房和城乡建设厅2014年9月22日——结束——。
关于印发《湖北省建设工程施工图审查批准后的勘察设计变更管理办法》的通知各市、州、直管市、林区建设局(建委):为加强建设工程勘察设计质量监督与管理,规范施工图审查批准后的勘察设计变更行为,切实贯彻执行工程建设标准强制性条文,根据《建设工程质量管理条例》和《建设工程勘察设计管理条例》的有关规定,结合我省实际,省建设厅制定了《湖北省建设工程施工图审查批准后的勘察设计变更管理办法》,现印发给你们,请遵照执行。
二○○三年六月二日湖北省建设工程施工图审查批准后的勘察设计变更管理办法第一章总则第一条为加强建设工程勘察设计质量监督与管理,切实贯彻执行工程建设标准强制性条文,保护国家财产和人民生命安全,维护社会公众利益,适应建设市场经济发展的需要,根据《建设工程质量管理条例》、《建设工程勘察设计管理条例》等法律、法规的规定,结合我省实际,制定本办法。
第二条勘察设计文件一经审查批准,对涉及工程建设标难强制性条文,涉及公共利益、公众安全,涉及建筑物的稳定性和安全性的内容,任何单位和个人均不得擅自修改。
如确需对建设工程勘察、设计文件内容进行变更,建设单位应当依据本办法重新报原审批部门批难或备案后,方可进行施工实施。
第三条本办法所称勘察设计变更,是指建设工程在建设过程中对审查批难后的工程勘察报告、施工图设计文件的修改。
对审查批难后的勘察设计文件进行重大变更应报原审批部门审批,其他变更应报原审批部门备案。
第四条对已经审查批难的勘察设计文件进行下列变更时,凡涉及工程建设标准强制性条文以及进行下列变更时,均应视为重大变更,必须向原审批部门重新报审。
(一) 岩土工程勘察报告1、重新划分岩土分层;2、修改有关岩土层的物理力学指标;3、因原设计变更或施工时发现与勘察报告不相符,需重新进行的工程勘察补勘;4、施工过程中发现或因施工造成不良地质现象影响场地稳定性进行的补勘;5、桩基工程的试桩资料直接用于施工图设计的。
(二)施工图设计文件1、建筑(1)改变建筑规模(如:增加层数、建筑面积,改变层高、建筑高度等),改变建筑标准.(如:增设中央空调系统等)3(2)改变建筑物的使用性质、使用功能3(3)改变建筑平面形状和尺寸3(4)改变建筑的墙体材料、幕墙面积,使建筑物的节能性能及室内环境污染控制发生变化的;(5)改变外立面,并涉及主体结构的改变3(6)增加或减少楼梯、电梯的数量和形式;(7)改变消防设施、消火分区等。
湖北省建设厅关于印发《湖北省省外勘察设计单位进鄂承揽工程勘察设计业务登记备案实施细则》的通知文章属性•【制定机关】湖北省建设厅•【公布日期】2004.02.07•【字号】鄂建[2004]57号•【施行日期】2004.02.07•【效力等级】地方规范性文件•【时效性】现行有效•【主题分类】勘察设计正文湖北省建设厅关于印发《湖北省省外勘察设计单位进鄂承揽工程勘察设计业务登记备案实施细则》的通知(鄂建[2004]57号)各市、州、林区、直管市建委(建设局):为进一步规范我省勘察设计市场行为,加强省外勘察设计单位进鄂承揽工程勘察设计业务的管理,保证工程勘察设计质量,根据《建设工程勘察设计管理条例》、《建设工程勘察设计市场管理规定》和《湖北省建设工程勘察设计管理办法》等法规、规章的有关规定,省建设厅制定了《湖北省省外勘察设计单位进鄂承揽工程勘察设计业务登记备案实施细则》,现印发给你们,请遵照执行。
二00四年二月七日湖北省省外勘察设计单位进鄂承揽工程勘察设计业务登记备案实施细则为了规范我省工程勘察设计市场行为,维护公共利益和市场秩序,保证工程勘察设计质量,提高工程勘察设计水平,根据《建设工程勘察设计管理条例》、《建设工程勘察设计市场管理规定》和《湖北省建设工程勘察设计管理办法》等有关法规和规章,制定本实施细则。
一、省外工程勘察设计单位进鄂从事工程勘察设计活动,实行登记备案管理。
省外工程勘察设计单位是指工商注册地不在本省行政区域内,具有独立法人资格并已取得建设部和省级建设行政主管部门颁发的工程勘察资质证书、工程设计资质证书或工程设计专项资质证书的工程勘察设计单位。
省外工程勘察设计单位进鄂从事工程勘察设计活动,须经项目所在地建设行政主管部门审核后,向湖北省建设行政主管部门提交有关规定的申请资料,经登记备案后,方可在鄂承揽工程勘察设计任务。
二、省外工程勘察设计单位进鄂承接工程勘察设计任务,不在鄂进行工商注册登记办理单项工程勘察设计登记备案的,或在鄂进行工商注册登记并拟设立分支机构的应分别提供不同的申请资料。
附件之宇文皓月创作
工程勘察设计资质(出图)专用章(样式)
75mm
样 、出图专用章尺
75mm ×40mm ,行
高8mm ;宋体字,字高5mm ,字宽4mm ,2个字母(2个数字)占一个汉字宽度;印章为蓝色。
2、资质等级处依照资质类别、等级刻写相应内容(资质等级4字不刻写):工程设计类统一刻为“工程设计×级”,如“工程设计甲级”;工程勘察类统一刻为“工程勘察×级”以及“工程勘察劳务”( 工程勘察劳务资质不分级);设计施工一体化类统一刻为“设计与施工×级”。
3、有效期依照资质证书有效期时间填写阿拉伯数字。
注:鉴于旧版《工程勘察资质证书》自2015年7月1日起作废,凡持旧版《工程勘察资质证书》申请刻制出图专用章的,有效期统一刻为2015年6月30日。
4、“安徽省住房和城乡建设厅监制”后括号内的字母为各市的代号,参照汽车牌照编排,如合肥为A ,芜湖为B ,蚌埠为C ,淮南为D ,马鞍山为E ,淮北为F ,铜陵为G ,安庆为H ,黄山为J ,阜阳为K ,宿州为L ,滁州为M ,六安为N ,宣城为P ,池州为R ,亳州为
S。
2。
湖北省建设厅印发湖北省工程勘察设计咨询业十五计划的通知鄂建2001108号各市州直管市林区建委(建设局)根据党的十五届五中全会精神按照建设部工程勘察设计咨询业和抗震防灾十五计划湖北省建设事业十五规划和2010年远景目标纲要要求我厅编制了湖北省工程勘察设计咨询业十五计划现印发给你们请结合本地实际认真组织实施湖北省工程勘察设计咨询业十五计划根据党的十五届五中全会精神按照建设部工程勘察设计咨询业和抗震防灾十五计划湖北省建设事业十五规划和2010年远景目标纲要要求结合我省工程勘察设计咨询业的实际情况制订本计划一九五时期勘察设计咨询业回顾九五期间全省工程勘察设计咨询业积极推进改革与发展较好地完成了九五计划确定的主要目标和任务各方面都取得了可喜的成绩1完成了大量的勘察设计任务保证了国民经济和社会发展的需要五年内全省勘察设计单位共完成固定资产总投资达5519亿元的勘察设计任务营业收入120亿元人均年营业收入4.17万元完成工程总承包合同额32亿元实现利润7.2亿元既促进了国民经济的发展又增强了行业活力2勘察设计的质量管理得到了加强技术水平和工程质量有了稳步提高五年来全省有17家甲级1家乙级勘察设计单位通过了ISO9000系列标准认证有45个勘察设计工程项目被评为国家级的优秀项目有252个勘察设计工程项目被评为省级优秀勘察设计工程项目勘察设计优良率达到40%住宅建设工程质量合格率达到100%优良率达到50%以上工程抗震设防合格率达到100%行业的技术进步也得到了较大发展各勘察设计单位现有计算机总计已达19000台技术人员人均达0.5台CAD出图率达87%在1995年50%的基础上增加了37个百分点在软件开发网络建设方面也有所发展新技术新材料得到了广泛应用3勘察设计单位体制改革取得了较大进展九五期间重点开展行业改革试点工作制定出台了湖北省勘察设计咨询单位建立现代企业制度指导意见确定了13家勘察设计体制改革试点单位全省勘察设计单位积极探索实行企业化管理的路子努力转变内部经营机制推行技术经济责任制改革劳动人事分配制度拓展服务领域实行一业为主多种经营全行业的综合实力得到显著增强4加强了法制建设和执法力度进一步整顿规范了勘察设计市场九五期间根据国家和建设部颁发的法令条例结合我省实际情况进一步建立健全了我省勘察设计行业的法规出台了省政府令第188号湖北省建设工程勘察设计管理办法省建设厅制定了湖北省建设工程勘察设计合同管理实施细则湖北省建筑工程施工图文件审查办法湖北省建筑方案设计竞选管理办法湖北省工程勘察设计单位资质管理实施办法湖北省建筑标准设计管理办法等一系列规定办法各市州还制定了一系列具体规定和办法为勘察设计市场管理提供了法制保障严格执行市场准入和清出制度采取总量控制的措施从96年起暂停了除专项资质以外的所有资质的审批通过资质年检和对主行业为建筑工程的设计单位的资质换证清除了一些不合格的单位使我省甲级建筑设计单位的总量减少了13%乙级减少28%丙级减少17%丁级减少64%建立了合同备案制度和代理收费制度对勘察设计任务的委托与承接合同备案等市场行为进行了规范对不法行为进行了查处勘察设计市场的秩序有了明显好转5加强了勘察设计队伍的建设队伍结构有了新的变化素质得到提高全省勘察设计行业现有勘察设计单位572个其中甲级63个乙级151个丙级295个丁级63个现有职工5.74万人其中技术人员4.12万人95年推行注册师制度以来全省共有一级注册建筑师311人二级注册建筑师1508人一级注册结构师611人二级注册结构师358人在充分肯定成绩的同时必须清醒地看到当前还存在的问题和差距如:勘察设计体制改革还不到位政企不分产权不清权责不明的状况尚未完全转变;队伍结构还不够合理发展还不够平衡僧多粥少的矛盾仍然比较突出行业整体素质亟待进一步提高;勘察设市场行为不够规范越级设计转包挂靠行业垄断压价竞争等现象仍然存在;立法滞后法规还不够配套完善执法力度不够;入世在即勘察设计咨询业尚未形成有机整体勘察设计咨询的组织机构业务范围运作模式设计程序市场规则管理体制等与国际接轨还有很大的差距;科技创新设计创优意识比较落后注重技术开发与科研成果的应用不够设计上还缺乏深度优良率偏低与国内外先进水平相比有较大的差距;质量监督管理也有待进一步加强强制性标准规范执行不力设计保守浪费的现象亟待改观二十五时期勘察设计咨询业面临的形势中共中央关于制定国民经济和社会发展第十个五年计划的建议把跨入新世纪的第一个五年计划确定为以发展为主题以结构调整为主线以改革开放和科技进步为动力以提高人民生活水平为根本出发点的五年计划这是我国实施现代化建设第三步战略部署的第一个五年计划也是社会主义市场经济体制初步建立后的第一个五年计划建议提出十五期间要保持较快的发展速度积极推进经济结构的战略性调整进一步深化改革完善社会主义市场经济体制实施西部大开发战略推进城镇化建设改善基础设施和生态环境不断提高城乡居民的物质和文化生活水平发展对外承包工程等湖北地处长江中下游是我国中西部地区的结合部今后的五到十年将是湖北振兴掘起的关键时期随着上述举措的实施湖北的建设事业必将有很大的发展为我省勘察设计咨询业带来有利的发展空间和机遇同时也必然会带来严峻的挑战尤其随着我国加入WTO进程的加快我国的建设市场不仅会面临国内同行的激烈竞争还将对国际设计公司开放国内外同行都有分享机遇争夺市场的权利我们在管理体制经营模式市场体系技术与装备法规与标准行业素质等方面都将面临更严峻的考验机遇和挑战并存我们必须增强紧迫感认清形势抓住机遇趋利避害加快发展积极进取迎接挑战!三十五计划的指导思想和主要任务目标1十五计划的指导思想:以邓小平理论和党的十五届五中全会精神为指导紧紧扣住发展这一主题坚持以科技进步为动力体制改革为中心提高工程质量为重点全面深入地推进勘察设计咨询业的改革和发展努力在体制创新技术创新结构调整规范市场质量管理加快人才培养健全法规等方面取得明显成效大力提高全行业的整体素质使我省勘察设计咨询业与国民经济及建设事业的发展相协调与大力推进我省城镇化进程和西部大开发战略相适应建立起为固定资产全过程提供全方位多层次宽领域的技术性智理性服务的勘察设计咨询服务的新体系为经济建设和社会发展作出更大的贡献2十五计划的主要任务和目标全面完成固定资产投资的勘察设计任务提高工程的综合效益全省勘察设计单位的营业额年平均增长率要达到8-10%,2005年达到30亿元工程总承包营业额2005年达到10亿元以行业体制改革为中心加快改企建制工作十五期间全省所有勘察设计单位都要完成由现行的事业性质到科技型企业的转变90%以上的单位要建立现代企业制度形成产权形式多元化经营模式多样化管理方式集约化的格局积极推进行业体制改革改变条块分割政出多门相互挚肘的现状逐步形成完整统一的工程咨询设计业努力形成与国际接轨为固定资产活动提供全过程技术性管理性服务的咨询设计服务体系改善队伍结构提高队伍素质十五期间要把全省勘察设计行业队伍总量控制在50000人左右鼓励强强联合扶优扶强稳定甲乙级资质基本队伍;压缩丙丁级队伍;提倡专项资质单位向专精特方向发展;发展民营专业事务所到2002年底取消丁级勘察设计资质等级使队伍结构和队伍总量与固定资产投资规模的要求基本适应改革完善企业资质体系进一步调整队伍结构适应市场经济的需要着重提高队伍素质加快人才培养尤其是有技术会经营善管理懂法律通外语的复合型人才培养主要岗位人员培训率达到80%以上积极推进技术创新大力提高技术水平确保工程质量全省大型骨干勘察设计咨询单位要拥有自己的专有技术并具有吸收消化采用国内外先进技术的能力建成计算机集成应用系统要进一步提高勘察设计单位的现代化装备及应用水平使工程科技成果应用率达到55%以上勘察设计成果合格率达到100%建筑工程施工图设计审查率达到100%;专业工程逐步建立施工图审查制度2005年要使我省勘察设计咨询业的设计技术水平和设计质量跻身于国内先进水平;2010年接近或达到国际先进水平加强抗震设防工作城市和乡镇新建生命线工程公用建筑市政设施住宅和工业厂房抗震设防率分别达到100%和80%新建工程中突破现行建筑抗震设计规范限制和规定的限工程的审查率达到100%;农房的抗震设防率达到30%抗震设防区内的城市全部完成抗震灾规划的编制工作并贯彻实施提高管理水平按照统一开放竞争有序法制严明的要求和我国即将加入WTO的需制定和完善有关的配套政策法规办法进一步健全完善市场准入和清出制度大力推进和完善注册执业资格强化注册执业的自律和监管坚持实行资质年检制度严格单位资质和个人执业资格双重控制的动态管理建立健全设计招投标制度建立专家库使应实行招投标的工程项目招投标率达到100%合同履行率达到100%加大执法监督力度力争在依法行政严厉查处违法违规行为特别是制止越级挂靠设计不正当压价和拖欠设计费行为上有所突破基本形成公平竞争规范有序的勘察设计咨询市场体系2010年的主要目标:全省勘察设计单位完成的勘察设计咨询营业额达到35亿元工程总承包营业额达到15元基本实现全行业的注册工程师执业制度全省勘察设计咨询单位建立现代企业制度四实现十五计划的主要措施1全面推进全省勘察设计咨询业的改企建制和结构调整认真贯彻执行国务院办公厅转发建设部等部门关于工程勘察设计单体制改革若干意见的通知精神按照政企分开改企建制调整结构扶优扶强的原则采取整体出售兼并拍卖租赁承包国有民营股份制股份合作制等多种方式先改企后建制全面推进我省工程勘察设计单位的体制改革在生产经营组织模式上参照国际通行的工程公司工程咨询设计公司设计事务所岩土工程公司等模式进行改造逐步为工程建设项目的决策与实施提供规划选址可行性研究融资和招投标代理工程设计项目管理施工监理和投产后咨询等全过程的智力服务;在资产经营组织模式上实现资产多元化健全法人治理结构尽快建立现代企业制度使勘察设计单位成为适应市场经济要求自主经营自负盈亏自我约束自我发展的独立法人实体和市场竞争主体结合改企建制稳步推进勘察设计咨询业所有制结构的调整有计划有步骤地把少量关系到国家安全重要行业的单位改为国有独资或控股企业;鼓励大中型企业改制为国家控股或参股的有限责任公司实现股权多元化;少数经济效益好资金需求量大的也可以改制为股份有限公司;大量的中小型企业可以改制为有限责任公司股份合作企业或合伙企业;鼓励行业中有较高知名度的有执业资格的个人注册开业形成国有与民间资本相结合的勘察设计咨询业的所有制格局改为公司制等其他类型的企业法定代表人原则由注册建筑师注册工程师或其他具有高级职称的技术人员担任企业的技术骨干和经营管理者应当成为企业主要持股者允许国际上技术管理先进的工程咨询单位参股控股十五的头两年要把改企建制作为重中之重来抓出台湖北省勘察设计单位体制改革实施意见并大力做好宣传协调工作解决好由于财政困难造成的配套政策得不到落实的实际问题使国务院和我省制订的配套政策能不折不扣的落实逐级兑现要针对改企建制工作中存在的产权界定职工持股技术入股无形资产等共性问题做好调研加强指导确保改企建制工作的顺利完成在改企建制的基础上利用加入WTO的良好机遇积极理顺工程勘察设计咨询行业的管理职能建立统一政策统一管理的行业管理体系2以市场哲理为手段改革整顿和规范勘察设计市场严格标准改革和完善单位资历管理制度根据国家改变以行业管理部门为主而代之以工程性质为主的资质分类办法将资质证书设置为勘察(综合专业劳务)设计(综合专业专项)咨询三类体系的原则研究制定和完善我省勘察设计单位资质管理细则和资质年检管理办法实现队伍的综合性与专业性技术层与劳务层技术型与管理型的合理匹配形成多层次的竞争领域和竞争平台进一步规范资质审批程序明确审查责任严格审查制度实行公示制度和动态化管理接受社会监督通过资质换证和资质年检扶优扶强清理不合格单位整顿勘察设计咨询市场按照建设部的统一部署发展一批民营设计事务所并加强对民营设计事务所的监管调整队伍结构按照控制总量扶优扶强兼并重组拓展新业的原则根据市场导向运用行政经济等手段通过年检换证资质改革和核发证书等方式建立和完善市场清出机制积极稳步地调整队伍结构特别要加大对供大于求的行业队伍的调整力度保留精干力量压缩过剩队伍鼓励实力雄厚有发展潜力和后劲的企业(集团)兼并改造其他企业调整业务结构鼓励具有资质的勘察设计咨询单位为工程项目的决策与实施提供规划选址可行性研究融资和招投标代理工程勘察设计项目管理工程监理和投产后咨询等各种咨询服务有条件的单位要积极开拓新的业务领域逐步形成多元化的生产经营格局加快健全个人执业资格制度认真做好注册建筑师注册结构师的注册管理继续教育注册考试考前培训等日常工作实施国家工程勘察设计行业个人执业注册制度框架体系逐步实施土木公用设备电气机械化工等专业注册工程师制度大力推动注册执业制度的落实开展注册执业制度检查促进注册执业制度向广度和深度发展加强法制建设完善市场管理制度认真贯彻执行国务院颁发的建设工程勘察设计管理条例在贯彻执行湖北省建设工程勘察设计管理办法的基础上逐步完善有关配套法规及办法制定湖北省建筑工程设计招投标实施细则建立符合勘察设计咨询特点的招投标制度制定湖北省注册建筑师注册结构师管理办法保证注册人员的权利和义务落到实处积极贯彻新的合同文本建立健全合同备查备案制度进一步提高合同履约率加强外来队伍的规范化管理修改完善湖北省外来勘察设计单位管理办法进一步规范市场完善施工图审查制度通过全面开展程序性审查严格查处业务委托与承接中任意压价无证设计越级设计出卖图章等违法行为维护和保障市场秩序严格执法依法行政加强与有关部门的密切协作形成执法合力加大执法力度要在调查研究的基础上制定具体措施进一步规范和整顿市场行为坚决打破地方保护行业垄断等不正当市场行为保证市场的有序竞争3完善质量管理体系确保勘察设计咨询质量强化单位自律建立质量责任终身制在继续推进全面质量管理的基础上努力开展行业贯彻GB/T19000系列标准工作倡导甲乙级勘察设计单位在十五期间全面通过GB/T19OO0系列标准质量体系认证抓好勘察设计单位的自律使之认真履行对质量的经济责任和法律责任督促单位建立健全严格的内部质量责任制度落实到人确保勘察设计成果符合强制性标准规范全面实行施工图设计文件的审查制度进一步完善政府对设计质量的监督机制将施工图设计审查列入基本建设程序严格按照建设工程强制性标准实施监督管理规定建立统一规范的审查程序审查内容和审查标准加强对各级审查机构的监督管理全面提高审查人员的素质和审查质量确保勘察设计质量达到强制性标准的要求严格把好设计文件的出口关杜绝不合格的设计产品鼓励开展设计咨询服务积极探索工程设计保险要认真按照建设部关于开展建设项目设计咨询试点工作的通知的有关规定切实加强对试点工作的指导支持和监督管理并在总结试点工作经验的基础上拟定我省开展建设项目设计咨询工作的具体实施方案要积极做好实施工程设计保险的准备工作宣传建立工程设计保险制度的必要性和重要性提高勘察设计单位执业人员及管理部门对建立工程设计保险重要意义的认识为实施工程设计保险工作奠定基础4进一步推动设计创优和技术创新鼓励设计创优繁荣设计创作要建立勘察设计创优评优机制和奖励机制继续开展四优项目评选活动将勘察设计创优评优与单位资质晋级年捡及先进集体先进个人的评选考核结合起来不断改进完善勘察设计评优办法和方式优化评定指标把设计创优和技术创新作为评优的重点和标准大力鼓励设计创优和技术创新积极引导勘察设计单位树立精品意识品牌意识和特色意识结合我省的民俗民风和地域文化特点努力探索具有湖北特色的建筑风格提高技术创新能力实现技术跨越式发展要在科技成果工程化和引进技术国产化上创新加大技术创新力度积极鼓励勘察设计单位跟踪世界科技发展步伐开发应用高新技术先进工艺先进设备新型材料创建具有国内外先进水平的专有技术和专利技术要在业务建设和基础工作上创新继续抓好行业的标准化工作加快技术标准和标准设计图集的制定和更新督促勘察设计单位加大业务建设和基础工作的投入建立健全技术标准体系提高勘察设计标准化规范化集成化水平要在设计手段和设计方法上创新高度重视勘察设计咨询业计算机应用推广工作认真贯彻执行建设部全国工程勘察设计行业2000-200 5年计算机应用工程及信息化发展纲要在继续深化CAD技术培训的同时积极开展计算机集成应用系统的原理集成技术与实施方案等方面的在职教育培训逐步建立以网络为支撑专业CAD技术应用为基础工程信息管理为核心工程项目管理为主线设计与管理初步实现一体化的计算机集成应用系统要确定国际接轨型国内先进型发展提高型三类勘察设计单位的计算机应用发展目标促使计算机应用水平再上新台阶积极推行勘察设计咨询业信息系统提高勘察设计咨询业信息化应用水平建立与科技型企业相适应的人力资源开发机制培养造就一批适应现代化管理和国际竞争要求的人才群体尤其要注重设计院长项目经理和专业技术带头人的培养尽快形成一批优秀企业家优秀管理人才和技术人才队伍要营造吸引人才留住人才用好人才的环境营造尊重知识尊重人才鼓励创新的氛围促进优秀人才脱颖而出建立技术创新的激励机制加大对技术创新的扶持力度在政策上给予鼓励资金上给予支勘察设计单位要加大技术创新的投入大型单位要积极建立技术中心成为勘察设计咨询业技术创新的主体;中小单位要成为技术创新的重要力量要依法保护勘察设计单位的专有技术计算机软件设计竞选方案勘察设计成果等知识产权5加强抗震防灾工作提高地下空间开发利用水平认真贯彻全国和全省防震减灾工作会议精神进一步做好城市抗震防灾规划的编制修订与实施工作;加强新建工程村镇建设的抗震设防管理抓好村镇建设抗震设防试点和示范工程加强对农民建房的指导要加强抗震管理机构的建设加大执法力度严肃查处违反防震减灾法的行为要把抗震设防专项审查与施工图设计审查结合起来特别要做好超限高层建筑重大工程和城市生命线工程的抗。
湖北省住房和城乡建设厅关于公布规范性文件清理结果的通知(2016)正文:----------------------------------------------------------------------------------------------------------------------------------------------------湖北省住房和城乡建设厅关于公布规范性文件清理结果的通知(鄂建文〔2016〕60号)各市、州、直管市、林区住建委、规划局、房管局、城管局(委)、园林局、公积金中心,武汉市水务局,厅机关各处室,厅直属各单位:为进一步规范行业管理,维护法制统一,促进依法行政,保证规范性文件的时效性、约束性,根据《湖北省规范性文件备案审查规定》(政府令第258号)的要求,结合我省住建工作实际,经研究,对我厅2015年12月31日前制定的规范性文件(不含厅行政审批类)进行了全面清理,现将清理结果公布如下:一、对54件规范性文件予以废止;二、对5件规范性文件进行修改;三、对198件规范性文件予以继续有效。
未列入继续有效和应予修改的规范性文件目录的视为失效,不得作为行政管理的依据。
已明确应修改的规范性文件,由原起草处室(单位)根据法律、法规等规定,结合实际及时进行修改,经批准后重新发布实施。
附件:1、继续有效的规范性文件目录2、废止的规范性文件目录3、需修改执行的规范性文件目录湖北省住房和城乡建设厅2016年9月25日附件1继续有效的规范性文件目录序号文件名称文号1关于印发《湖北省建设行政执法质量考核评议办法》(试行)的通知鄂建〔2003〕41号2关于印发湖北省建设行政行政执法(处罚)文书格式文本的通知鄂建〔2008〕59号3关于做好全省住房和城乡建设系统行政审批管理工作的通知鄂建〔2009〕74号4关于鄂建〔2009〕74号《关于做好全省住房和城乡建设系统行政审批管理工作的通知》的更正通知鄂建函〔2009〕235号5关于做好全省住房城乡建设行政执法人员资格培训认证工作的通知鄂建〔2010〕49号6关于印发《湖北省住房和城乡建设系统贯彻实施<法治湖北建设纲要>的意见》的通知鄂建〔2010〕21号7关于印发《湖北省住房和城乡建设行政处罚裁量基准》(试行)的通知鄂建〔2010〕44号8关于印发《全省住建系统优秀调研成果评选办法》的通知鄂建办〔2013〕249号9关于印发《湖北省城市“四线”规划管制工作指引》、《湖北省关于<城市规划管理技术规定>的编制导引》、《湖北省城市规划强制性内容编制细则(试行)》的通知鄂建〔2004〕60号10省建设厅关于建立城市规划公示制度,进一步深化政务公开工作的通知鄂建文〔2005〕170号11关于加强县城规划工作的指导意见鄂建〔2012〕65号12关于印发《湖北省城乡规划行政许可证书发放领取管理办法》鄂建〔2013〕1号13关于建立全省城市房地产市场监测月报制度的通知鄂建办〔2011〕264号14关于完善全省城市房地产市场监测月报制度的通知鄂建办〔2012〕284号15关于加强房地产管理信息化工作的通知鄂建〔2012〕19号16关于建立全省房地产交易信息日报制度的通知鄂建文〔2015〕36号17关于建立定期报送国有土地上房屋征收(拆迁)信访情况以及分析研判信访形势制度的通知鄂建文〔2012〕29号关于全省房地产价格评估机构脱钩改制有关问题的通知鄂建〔2000〕226号19关于进一步做好全省房地产价格评估机构脱钩改制有关问题的通知鄂建文〔2001〕032号20关于印发《湖北省实施(房产测绘管理办法)细则》的通知鄂建〔2002〕39号21湖北建设厅、省财政厅关于转发《住宅专项维修资金管理办法》的通知鄂建〔2008〕55号22关于促进全省房地产市场平稳健康发展的若干意见鄂建〔2014〕16号23关于转发住房城乡建设部办公厅《关于房屋交易与不动产统一登记职责有关问题的复函》的通知鄂建办〔2015〕316号24关于进一步明确直管公房含义的复函鄂建函〔2002〕35号25关于对天门市房管局“关于解释自管房和直管房问题的请示”的复函鄂建函〔2002〕60号26省建设厅关于贯彻建设部《关于妥善处理“经租房”有关问题的通知》的通知鄂建文〔2007〕8号27关于印发《湖北省房地产开发企业资质管理实施细则》的通知鄂建〔2000〕135号关于做好全省房地产市场统计工作的通知鄂建文〔2015〕72号29关于建设领导干部个人有关事项报告房产信息查核报送系统的通知鄂建文〔2015〕46号30关于印发《湖北省城镇个人住房信息系统数据中心第一阶段数据对接检查评估实施方案》的通知鄂建办〔2015〕294号31关于进一步做好防范房地产行业非法集资风险工作的通知鄂建办〔2015〕303号32关于印发《湖北省城市公用事业改革指导意见》的通知鄂建〔2000〕069号33关于建立全省城市供水水质通报制度的通知鄂建文〔2002〕174号34湖北省建设厅关于实施《城市供水水质标准》,加强水质监管,确保供水安全的通知鄂建〔2005〕72号35《湖北省风景名胜区综合整治工作方案》、《湖北省风景名胜区标志、标牌设立标准(试行)》鄂建〔2006〕84号36关于明确管道燃气设施维护管理责任范围的通知鄂建文〔2007〕228号37关于加强燃气工程建设管理的通知鄂建文〔2007〕229号关于印发《湖北省节水型城市创建考核办法》的通知鄂建〔2008〕17号39关于印发《湖北省节水型企业(单位)申报与考核办法(试行)》的通知鄂建设规〔2009〕5号40关于印发《湖北省城镇污水处理厂运行监督管理办法(试行)》的通知鄂建〔2009〕114号41关于印发《湖北省城镇污水处理工作考核暂行办法》的通知鄂建〔2010〕129号42关于印发《国家园林城市申报与评审办法》、《国家园林城市标准》及《湖北省园林城市(县城)申报与评审办法》、《湖北省园林城市(县城)标准(修订稿)》的通知鄂建〔2010〕141号43省物价局省住房和城乡建设厅关于特种用水范围有关问题的通知鄂价环资〔2010〕251号44关于印发《湖北省城镇燃气发展“十二五”规划》的通知鄂建〔2011〕87号45关于组织换发《燃气经营许可证》的通知鄂建办〔2011〕243号46关于印发《湖北省城市供水安全“十二五”规划》的通知鄂建〔2012〕11号47关于印发《湖北省城市桥梁养护管理情况考核评价标准(试行)》的通知鄂建文〔2012〕3148关于印发《湖北省城镇燃气行业安全与管理工作考核评价办法(试行)》的通知鄂建文〔2012〕37号49关于印发《湖北省第六届城镇规划建设管理“楚天杯”创建考核考评办法》的通知鄂建〔2013〕12号50湖北省住房和城乡建设厅关于印发《湖北省园林式单位和居住小区评选办法(修订稿)》及《湖北省园林单位和居住小区评选标准(修订稿)》的通知鄂建〔2010〕47号51关于印发《湖北省城市供气系统重大事故应急预案》(修订)的通知鄂建〔2010〕146号52关于印发《湖北省城市园林绿化企业资质申报管理工作规程》的通知鄂建〔2010〕143号53关于加强对住宅建设中安装使用电能表、水表、燃气表、热量表监督管理的通知鄂质技监量〔2000〕59号54湖北省建设厅办公室关于在工程建设勘察、设计、施工、监理中推广廉政责任书的通知鄂建办〔2002〕32号55湖北省建设厅关于印发《湖北省建设工程勘察质量管理实施办法》的通知鄂建〔2003〕62号56湖北省建设厅关于民用建筑节能在施工、销售阶段实行公示的通知鄂建文〔2008〕62号57湖北省建设厅关于进一步做好国家机关办公建筑和大型公共建筑节能监管体系建设工作的通知鄂建文〔2008〕18号58关于印发《湖北省建设工程勘察设计资质管理实施细则》的通知鄂建〔2008〕83号59关于印发《湖北省建筑节能示范工程管理办法》的通知鄂建设规〔2009〕7号60湖北省住建厅关于加强太阳能热水系统推广应用和管理的通知鄂建〔2009〕89号61湖北省住建厅关于实施《湖北省国家机关办公建筑和大型公共建筑用能计量设计暂行规定》的通知鄂建〔2009〕82号62湖北省住建厅关于进一步加强工程勘察设计管理的通知鄂建〔2009〕83号63湖北省住建厅关于加强建筑工程外墙保温系统应用管理的通知鄂建文〔2010〕107号64湖北省住建厅关于完善商品房项目建筑节能信息公示的通知鄂建办〔2010〕189号65湖北省住建厅关于建立施工图消防专项审查及定期统计上报制度的通知鄂建文〔2012〕3号66湖北省住建厅关于进一步加强工程勘察设计质量管理的通知鄂建〔2012〕21号67湖北省住建厅关于做好既有居住建筑节能改造有关工作的通知鄂建〔2012〕23号68湖北省住建厅关于做好国家智慧城市试点工作的通知鄂建文〔2013〕70号69关于进一步加强建筑施工现场消防安全管理工作的通知鄂建文〔2014〕7号70关于实施《房屋建筑和市政基础设施工程施工图设计文件审查管理办法》有关问题的通知鄂建〔2014〕9号71关于做好养老服务设施规划建设工作的通知鄂建〔2014〕10号72关于进一步加强住宅卫生间局部等电位联结管理的通知鄂建办〔2014〕92号73关于进一步加强预应力混凝土管桩质量管理的通知鄂建办〔2014〕176号74关于开展绿色建筑省级认定工作的通知鄂建文〔2014〕72号75关于做好二级注册建筑师管理工作的通知鄂建办〔2015〕78号76关于进一步规范房屋建筑和市政基础设施工程施工图设计文件审查工作的通知鄂建文〔2015〕68号77关于取消湖北省监理工程师监理员职业资格认定的通知鄂建文〔2015〕76号78关于申报超限高层建筑工程施工图审查资格的通知鄂建办〔2015〕252号79关于绿色建筑评价标识管理有关工作的通知鄂建办〔2015〕309号80关于湖北省工程勘察设计出图专用章、施工图设计文件审查专用章有关问题的通知厅头〔2015〕918号81关于印发《湖北省建设工程勘察设计资质申报程序(试行)》的通知鄂建〔2009〕13号82关于印发《湖北省农村危房改造检查与绩效考评办法》的通知鄂建文〔2013〕23号83关于印发《湖北省镇域规划编制导则(试行)》的通知鄂建〔2014〕3号84关于发布《湖北省城市环境卫生工作费用定额》(试行)的通知鄂建〔2011〕67号85关于进一步改善环卫职工工作生活条件的意见鄂建文〔2014〕67号86关于加强城市管理协管员队伍建设的通知鄂建〔2010〕99号87关于开展争创城管执法先进集体、先进个人、文明执法岗活动的通知鄂建〔2011〕38号88关于开展湖北省“市容环境美好示范路”创建活动的通知鄂建〔2012〕20号89关于印发《湖北省城管执法队伍教育培训管理办法》(试行)的通知鄂建文〔2013〕29号90关于进一步加强城管文明执法工作的通知鄂建文〔2013〕52号91关于印发《湖北省城市管理执法人员行为规范》(试行)的通知鄂建设规〔2014〕1号92关于印发《湖北省住房城乡建设稽查执法工作管理办法(试行)》的通知鄂建〔2010〕26号93省住房和城乡建设厅关于印发《湖北省城乡规划督察工作规程》的通知鄂建〔2015〕12号94关于印发《省城乡规划督察员工作补助与差旅费报销规定》(试行)的通知鄂建办〔2015〕157号95关于转发建设部财政部国家物价局《城市道路占用挖掘收费管理办法》的通知鄂建〔1994〕057号96湖北省城市道路挖掘修复收费标准鄂建〔1996〕324号97湖北省建设厅、湖北省财政厅关于印发《湖北省住房公积金管理工作考核办法》的通知鄂建〔2004〕50号98省建设厅《关于进一步加强县市区住房公积金管理工作的通知》鄂建〔2004〕82号99省建设厅关于印发《湖北省住房公积金监督管理信息系统运行管理制度》(试行)的通知鄂建〔2005〕56号100省建设厅关于印发《湖北省住房公积金计划管理办法》(试行)等系列办法的通知鄂建〔2005〕57号101关于建立住房公积金备案和报告制度的通知鄂建文〔2005〕172号102关于印发《湖北省城市建设以奖代补资金管理暂行办法》的通知鄂财建发〔2013〕189号103关于印发《湖北省城乡建设与发展以奖代补资金管理暂行办法》的通知鄂财建发〔2014〕161号104关于印发《湖北省农村危房改造补助资金管理暂行办法》的通知鄂财建发〔2013〕103号105关于印发《关于全省建设行业实行职业资格证书制度的实施办法》的通知鄂建〔2002〕90号106关于印发《湖北省建筑企业推行生产操作人员持证上岗制度的暂行规定》的通知鄂建〔2003〕24号107关于印发《湖北省建设行业生产操作人员职业资格证书制度实施细则(试行)》的通知鄂建〔2003〕34号108关于实行《湖北省建设行业企业关键岗位培训合格证书》有关问题的通知鄂建文[2005]97号109关于进一步加强房屋建筑和市政工程项目标后履约行为监督管理的通知鄂建〔2012〕50号110关于实行施工许可网上办理的通知鄂建办〔2015〕222号111关于印发《湖北省房屋建筑工地农民工业余学校考评暂行办法》的通知鄂建〔2009〕71号112关于印发《湖北省建设工程施工许可现场踏勘工作暂行办法》的通知鄂建文〔2010〕146号113关于印发《湖北省建筑市场“黑名单”管理暂行办法》的通知鄂建设规〔2015〕1号114关于印发《湖北省建筑市场检查实施导则(试行)》的通知鄂建办〔2011〕260号115湖北省建设工程质量创优奖励实施办法鄂建设规〔2014〕2号116关于进一步加强全省建筑业技术创新工作的指导意见鄂建〔2008〕137号关于印发《湖北省房屋建筑和市政基础设施工程施工分包管理实施办法》的通知鄂建〔2004〕64号118关于印发《湖北省建筑市场信用管理暂行办法》的通知鄂建〔2007〕74号119关于印发《湖北省工程建设项目招标代理机构管理办法》的通知鄂建〔2007〕43号120关于对全省建筑业龙头骨干企业实施重点培育的通知鄂建〔2010〕66号121关于加强工程建设项目招标代理机构管理工作的通知鄂建文〔2010〕161号122关于加强招标代理分支机构监督管理的通知鄂建〔2011〕76号123关于印发《湖北省建筑业企业监督检查办法(试行)》的通知鄂建〔2008〕125号124《湖北省房屋建筑和市政基础设施工程施工招标投标管理实施细则》鄂建〔2001〕144号125《湖北省建设工程施工招标投标规范程序》鄂建〔2001〕291号126《湖北省房屋建筑和市政基础设施工程施工招标评标定标办法》鄂建〔2005〕108号《湖北省建设工程监理招标投标管理实施办法》鄂建〔2003〕120号128《湖北省房屋建筑和市政基础设施工程施工招标标底管理实施办法》鄂建〔2003〕122号129《湖北省建设工程工程量清单招标投标实施办法的通知》鄂建〔2004〕66号130关于修改和废止部分招投标规范性文件的通知鄂建〔2014〕7号131关于建立全省住房保障工作情况月报制度的通知鄂建文〔2010〕155号132关于印发《湖北省廉租住房和公共租赁住房项目省级融资平台贷款实施细则(试行)》的通知鄂建〔2012〕55号133省住房城乡建设厅省财政厅省发展改革委关于做好公共租赁住房和廉租住房并轨运行的通知鄂建文〔2014〕5号134关于鼓励和引导民间资本参与全省保障性安居工程建设运营的指导意见鄂建办〔2014〕61号135关于推进棚户区改造货币化安置的指导意见鄂建〔2015〕8号136关于解决农民工住房问题的指导意见鄂建〔2015〕13号关于运用多种方式筹集公共租赁住房的指导意见鄂建文〔2015〕61号138关于进一步加强保障性住房质量管理的通知鄂建文〔2012〕234号139关于建立保障性安居工程统计制度的通知鄂统计文〔2011〕37号140关于建立住房建设领域保障性安居工程项目审批绿色通道的通知鄂建文〔2011〕117号141省农垦事业局、省发展和改革委员会、省财政厅、省国土资源厅、省住房和城乡建设厅关于切实做好国有农场危房改造工作的意见鄂垦办〔2011〕69号142关于印发《湖北省保障性安居工程质量导则(试行))》的通知鄂建〔2011〕71号143省财政厅省住房和城乡建设厅关于保障性住房建设资金管理工作的通知鄂财库发〔2012〕8号144关于保障性安居工程统计有关问题的通知鄂建办〔2011〕202号145关于印发湖北省保障性安居工程建设贷款财政贴息资金管理暂行办法的通知鄂财综规〔2011〕17号146关于印发《全省老楼危楼安全排查整治工作实施方案》的通知鄂建办〔2015〕142号147关于印发《2015年湖北省工程质量治理两年行动工作任务责任分解方案》的通知鄂建办〔2015〕43号148关于开展工程质量管理标准化工作的实施意见鄂建文〔2014〕57号149关于严格执行工程永久性质量责任标牌制度的通知鄂建文〔2014〕50号150关于贯彻落实工程质量终身责任承诺制度的通知鄂建文〔2014〕51号151关于进一步加强预应力混凝土管桩质量管理的通知鄂建办〔2014〕176号152关于印发《湖北省建设工程质量创优奖励实施办法》的通知鄂建设规〔2014〕2号153关于印发《湖北省住宅工程质量常见问题专项治理工作方案》的通知鄂建办〔2014〕68号154关于进一步规范全省建设工程质量检测行为的通知鄂建办〔2014〕49号155关于印发《湖北省房屋建筑和市政基础设施工程质量监督机构和人员管理办法》的通知鄂建〔2012〕39号156关于进一步加强建筑节能监督管理工作的通知鄂建〔2012〕37号157关于印发《湖北省房屋建筑和市政基础设施工程质量监督管理暂行办法》的通知鄂建〔2011〕79号158关于印发《湖北省保障性安居工程质量控制导则(试行)》的通知鄂建〔2011〕71号159关于进一步加强建筑工程质量管理的通知鄂建文〔2011〕152号160关于加强钢筋加工质量控制管理的通知鄂建〔2010〕108号161关于进一步加强全省建设工程质量监督管理工作的通知鄂建〔2009〕44号162关于进一步抓好工程质量精品创建工作的若干意见鄂建〔2009〕42号163关于印发《湖北省建筑节能工程质量监督实施细则》的通知鄂建〔2008〕63号164关于印发《湖北省农民住房建设质量控制管理导则》(试行)的通知鄂建〔2007〕91号165关于加强全省建设工程质量检测监督管理的若干意见鄂建〔2007〕78号166关于印发《湖北省建筑节能工程质量监督管理办法》的通知鄂建文〔2007〕210号167关于印发《湖北省住宅工程质量分户验收管理暂行规定》的通知鄂建〔2008〕53号168关于印发《湖北省建设工程质量检测管理实施细则》的通知鄂建〔2006〕28号169关于停止使用竹脚手架的通知鄂建文〔2000〕187号170关于建立全省建筑安全生产联络员制度和印发《湖北省建筑安全联络员工作办法》的通知鄂建〔2005〕36号171关于贯彻落实《建筑起重机械安全监督管理规定》的实施意见鄂建文〔2008〕135号172关于印发《湖北省房屋市政工程生产安全和质量事故查处督办细则》的通知鄂建〔2012〕22号173关于印发《湖北省房屋建筑和市政基础设施工程质量安全事故应急预案(2012年修订)》的通知鄂建〔2012〕46号174关于进一步加强房屋建筑施工现场塔式起重机安全管理的通知鄂建文〔2012〕23号175关于加强房屋建筑施工现场部分施工工艺和设备的使用管理的通知鄂建〔2010〕119号176关于进一步加强建筑施工现场消防安全管理工作的通知鄂建文〔2014〕7号177关于进一步加强建筑工程安全生产工作的通知鄂建办〔2014〕135号178关于进一步加强危险性较大分部分项工程安全管理的通知鄂建办〔2014〕43号179关于印发《湖北省建筑施工安全生产标准化考评实施细则》的通知鄂建文〔2014〕70号180关于加强建设工程高大模板支撑系统安全管理的通知鄂建办〔2015〕84号181关于进一步加强建筑工程安全生产管理强化主体责任追究的通知鄂建〔2015〕7号182关于印发《湖北省房屋建筑工程文明施工管理办法》的通知鄂建设规〔2010〕1号183关于进一步加强建筑施工企业安全生产许可证管理工作的通知鄂建文〔2010〕169号184关于印发《湖北省建筑起重机械租赁安装拆卸维修保养“一体化”管理暂行规定》的通知鄂建设规〔2013〕1号185关于全省建筑施工特种作业人员考核管理工作的实施意见鄂建文〔2008〕172号关于印发《湖北省建筑施工特种作业人员考核发证工作流程》的通知鄂建[2008]114 号187关于进一步加强建筑施工企业“三类人员”和特种作业人员管理的通知鄂建办[2012]246号188关于进一步加强建筑施工企业三类人员和特种作业人员考核管理的通知鄂建办〔2014〕106号189湖北省住房和城乡建设厅、省统计局《关于进一步做好散装水泥统计工作的通知》鄂建〔2012〕26号190湖北省住建厅《关于推进预拌混凝土和预拌砂浆绿色生产防止扬尘污染的通知》鄂建文〔2015〕64号191湖北省建设厅关于印发《湖北省建设领域推广应用新技术管理细则》的通知鄂建〔2004〕45号192湖北省住建厅关于加强建筑节能产品、技术和墙体材料管理的通知鄂建〔2009〕113号193湖北省住建厅关于进一步规范建筑节能产品的技术应用管理的通知鄂建文〔2013〕112号194关于印发《湖北省建筑节能以奖代补资金管理暂行办法》的通知鄂财建发〔2011〕117号195关于印发《湖北省城市建设档案分类大纲》的通知鄂建〔2001〕113号省建设厅关于实行城建档案管理人员岗位培训制度的通知鄂建文〔2006〕45号197关于印发《湖北省建设工程竣工档案编制及报送规定》的通知鄂建〔2010〕92号198关于启动湖北省城建档案灾难备份工作的通知鄂建办〔2011〕161号附件2废止的规范性文件目录序号文件名称文号1关于进一步加强《建设项目选址意见书》管理工作的通知鄂建〔1998〕161号2关于印发《湖北省开发区规划管理办法》的通知鄂建〔1999〕019号3关于印发《湖北省建设工程规划审查办法》的通知鄂建〔1999〕078号4关于印发《湖北省城市规划违法案件查处办法》的通知鄂建〔1999〕104号5关于印发《湖北省城市规划报建咨询管理办法(试行)》的通知鄂建〔2002〕64号关于加强城市规划区个人建房管理工作的紧急通知鄂建〔2004〕23号7关于进一步做好推进控制性详细规划工作的通知鄂建文〔2004〕94号8关于印发《省建设厅关于规范城市规划“一书两证”行政许可工作程序的意见》的通知鄂建〔2005〕121号9关于进一步落实房地产调控政策有关问题的通知鄂建〔2011〕57号10湖北省建设厅转发《关于修订<房地产交易与权属登记规范化管理考核标准>的通知》的通知鄂建〔2009〕5号11关于印发《湖北房地产交易与权属登记规范化管理考核细则(试行)》的通知鄂建〔2003〕117号12关于进一步推进房地产交易与登记规范化管理考核达标工作的通知鄂建文〔2010〕246号13湖北省建设厅关于印发《湖北省超高层建筑工程抗震设防实施办法》的通知鄂建〔2003〕31号14湖北省建设厅关于加强工程建设标准设计管理工作的通知鄂建文〔2003〕63号15湖北省建设厅关于对审查合格的施工图设计文件实施备案的通知鄂建文〔2004〕107号关于印发《湖北省建筑节能施工图设计文件审查要点》(试行)和《湖北省建筑节能工程质量监督要点》(试行)的通知鄂建〔2005〕137号17湖北省建设厅关于进一步加强城市无障碍设施建设工作的通知鄂建文〔2006〕25号18湖北省建设厅关于印发《湖北省贯彻〈全国绿色建筑创新奖管理办法〉实施细则(试行)》的通知鄂建〔2007〕12号19湖北省建设厅关于印发《湖北省优秀工程勘察设计奖评选办法》的通知鄂建〔2007〕35号20湖北省建设厅关于印发《湖北省建筑能源审计实施细则(试行)》的通知鄂建文〔2007〕262号21湖北省建设厅关于启动民用建筑测评标识制度的通知鄂建文〔2008〕161号22湖北省建设厅关于加强全省市政基础设施工程施工图设计文件审查工作的通知鄂建文〔2008〕269号23湖北省住建厅关于印发《湖北省绿色建筑评价标识管理实施细则(试行)》的通知鄂建文〔2010〕101号24关于贯彻实施地方标准《住宅工程质量通病防控技术规程》和《建筑节能工程施工文件管理规范》的通知鄂建办〔2010〕194号25湖北省住建厅关于进一步规范省外和省内勘察设计企业跨区承揽业务管理工作的通知。
您所在的位置:>首页 -> 建筑管理 -> 勘察设计关于印发《湖北省建筑工程施工图设计文件审查办法》及配套文件的通知[ | 时间:2008-09-14 21:06:25 | 作者: | 来源: | 浏览:839次 ] k关于印发《湖北省建筑工程施工图设计文件审查办法》及配套文件的通知鄂建文[2001]300号各市、州、县、林区、直管市建委(建设局):为进一步规范施工图审查工作,明确施工图审查技术要点,强化对施工图审查机构的监管,确保审查质量和建设工程质量,省建设厅根据建设部颁布的《建筑工程施工图设计文件审查暂行办法》,结合我省施工图审查工作的执行情况,对原颁布的《湖北省建筑工程施工图设计文件审查办法(暂行)》进行了必要的完善和修改。
现将修改制定的《湖北省建筑工程施工图设计文件审查办法》及《湖北省建筑工程施工图设计文件技术性审查要点》、《湖北省建筑工程施工图设计文件审查机构资格年检办法(试行)》二个配套文件,一并印发给你们,请遵照执行。
二○○三年十一月十四日湖北省建筑工程施工图设计文件审查办法第一章总则第一条为贯彻国务院第279号令《建设工程质量管理条例》和国务院第293号令《建设工程勘察设计管理条例》,切实做好建筑工程施干甲设计大件(以下简称施工图)审查工作,确保建设工程质量,维护国家及人民生命财产安全和社会公众利益,根据建设部颁布的《建筑工程施工图设计文件审查暂行办法》,结合我省施工图设计文件审查工作的执行情况,制定本办法。
第二条本办法适用于本省行政区域内各类新建、改建、扩建的房屋建筑工程、装饰装修工程以及涉及建筑主体承重结构变动的加固工程和与其配套的线路、管道、设备工程。
第三条施工图审查包括程序性审查和技术性审查两部分。
程序性审查由项目所在地建设行政主管部门(以下简称审查管理部门)负责,技术性审查由取得相应施工图设计审查许可证的技术性审查机构(以下简称审查机构)承担。
程序性审查主要是对送审项目在执行基本建设管理程序、编制勘察设计文件、建设单位和勘察设计单位执行国家和省有关勘察设计市场及质量管理规定等方面情况进行审查。
湖北省住房和城乡建设厅关于收集建筑工程施工许可证电子印章的通知正文:----------------------------------------------------------------------------------------------------------------------------------------------------湖北省住房和城乡建设厅关于收集建筑工程施工许可证电子印章的通知厅头〔2021〕1284号各市、州、直管市、神农架林区住建局、有关城市行政审批局:为贯彻落实省委、省政府优化营商环境的工作要求,提升建筑工程施工许可证电子证照汇集数据质量,充分发挥电子证照数据应用在减证便民上的作用,根据《湖北省深化“高效办成一件事”工作任务分解方案》和《关于提升电子证照汇集数据质量切实服务减材料工作的通知》,请各市州于8月6日前提供建筑工程施工许可证的电子印章信息。
现将有关工作通知如下:一、请市、州、直管市、林区住建局和有关城市行政审批局仔细核对《湖北省建筑市场监督与诚信一体化工作平台建筑工程施工许可证发证单位信息表》(附件1)的内容,确认信息是否完整、准确,如果缺少发证单位信息或者发证单位信息不准确,需提供正确的发证单位信息,并补充完善表格中缺少的字段信息;各建筑工程施工许可证发证单位须填写《电子印章及数字证书申请表》(附件2),完成印模的采集工作,供省电子证照库使用。
二、请市、州、直管市、林区住建局和有关城市行政审批局于8月6日前将建筑工程施工许可证发证单位信息及印模采集信息反馈至省住建厅行政审批办公室,各县(市区)的信息由所在的城市主管部门统一汇总报送。
联系人:黄银雪*************邮箱:**************.cn附件:1.湖北省建筑市场监督与诚信一体化工作平台建筑工程施工许可证发证单位信息表2.XX市电子印章及数字证书申请表湖北省住房和城乡建设厅2021年8月4日——结束——。
湖北省建设厅关于公布2004年度湖北省优秀工程勘察和建筑设计评选结果的通知正文:---------------------------------------------------------------------------------------------------------------------------------------------------- 湖北省建设厅关于公布2004年度湖北省优秀工程勘察和建筑设计评选结果的通知(鄂建[2004]127号)各市、州、直管市、林区建委(建设局),有关勘察设计单位:湖北省建设厅组织的2004年度湖北省优秀工程勘察和建筑设计评选工作现已结束。
本次评选活动共收到申报项目77项,其中,工程勘察21项(含基坑设计5项),公共建筑42项,住宅及住宅小区13项,地下建筑(人防工程)1项。
经省优秀工程勘察和建筑设计评选委员会评选,共有55个参评项目分别荣获一、二、三等奖及表扬奖。
现将获奖项目予以公布(详见附表)。
自公布之日起一个月内,对获奖项目、完成单位及主要完成人员(严格按名额规定顺序纳入)如有异议,请按原申报程序报省建设厅勘察设计与科技处。
以上程序完成后,我厅将颁发获奖项目的奖状、证书。
各申报单位请于本通知发布之日起一个月内到省工程建设专家委员会取回申报资料,逾期不取将予以处理。
附件:2004年度湖北省优秀工程勘察和建筑设计获奖项目一览表。
二○○四年十二月一日附表2004年度湖北省优秀工程勘察和建筑设计获奖项目1、优秀建筑设计一等奖 5 项序号名称单位主要完成人员(取前八名)1湖北出版文化城主体建筑中南建筑设计院李钫、姚金墩、李霆、谭周明、朱传斌、栗心国、李明、马坚2海南千年塔中南建筑设计院李霆、朱志勇、祁峰、李新舫、何庆国、杨运波、胡玉华、杜华春3中国地质大学(武汉)逸夫博物馆中南建筑设计院唐文胜、吴为、程晓、柯宇、徐义刚、李斌、岳重云、杜群4青山绿景苑康居示范小区(一期)中南建筑设计院刘林、李春舫、王南、王怡纯、褚江涛、王旗、吕文胜、徐波5万科四季花城(二期)武汉市建筑设计院李闻多、杨东明、何莉琳、张昊、陈平、张帆、喻辉、陆双强二等奖10项序号名称单位主要完成人员(取前八名)1黄冈师范学院美术楼湖北教育建筑设计院刘剀、朱志东、张锋、戴卫、杨元君、胡海波、杜赤军2群光广场武汉市建筑设计院覃明、李剑涛、刘向东、欧阳建、陈焰华、刘剑华、朱卫东、陈耀东3汉口江滩入口建筑武汉市建筑设计院李涛、覃明、刘向东、翟庆文、胡雪梅、王疆、朱卫东、傅胜远4武汉源兴大酒店武汉市建筑设计院金绍华、李红斌、华斌、孙昌益、傅汉秋、王凡、徐著义、张宽5大福源江汉路大型超市武汉市城市规划设计研究院宋洁、陈韦、谢慧、杨建军、刘益红、张旭超、陈浩、徐拥军6明泽创业大厦武汉市建筑设计院李闻多、邬峥嵘、李辉、邢沛霖、李晓园、雷虹、喻辉、夏旭辉7中南民族大学综合实验教学楼中南建筑设计院李春舫、万之瑛、褚江涛、邹军、王剑、王舒文、王勇、张昕8三峡大学逸夫楼(艺术教学楼)三峡大学建筑设计研究院潘敏、陈池、张荣华、雷体洪、张玉文、文国良、黄党福、杨其兰9洪山区人民政府办公大楼中南建筑设计院郑培九、蔡全智、张勇、王红慈、王强、邓薇、严阵、聂钢10百步亭花园--百合苑武汉市建筑设计院汤群、黄晓文、董荣利、李传志、孙雁波、肖擎、刘斌、李劲三等奖 18 项序号名称单位主要完成人员(取前八名)1武汉化工学院综合楼湖北省建筑标准设计研究院廖国雄、刘建军、王细平、石崇明、吕勇、王一萍、唐莉莎2仙桃中学分校科技实验楼仙桃市建筑勘察设计院李长善、艾少菊、曾小梅、史少伟、蒋芳成、李彩霞、黄艾霞3华中农业大学国际学术交流中心华中科大建筑设计研究院XXX、聂华波、曾建武、XXX、申安付、邓凤华、袁旭东、何建宏4骏华大厦(现兆富国际大厦)华中科大建筑设计研究院沈世莹、聂华波、曾建武、雷育祥、任震宇、金铃、邓凤华、何建宏5武汉理工大学余区教学综合楼中国轻工业武汉设计工程有限责任公司田求实、申发亮、张蓝天、李建普、朱相文、朱志学、王柯、程旦6荆门市第一中学综合教学楼荆门市建筑设计研究院陈枝江、秦登炎、付启华、郑容、欧阳列刚、柴容梅、代爱萍7武汉市园林局解放公园还建楼武汉市园林建筑规划设计院盛聂铭、王丽芹、阮素、李良钰、韩梅、孟勇、吴旭、吴大智8武汉经济技术开发区一中武汉市建筑设计院王海燕、余鸿高、张涛、刘晓燕、温永坚、陈平、张帆、喻辉9武汉市二医院综合医疗大楼武汉市建筑设计院周继杨、李松、陈学文、杨学民、吴立平、王凡、李年富、姚光倩10湖北省移动通信业务综合楼武汉市建筑设计院周安庆、XXX、胡建华、孙昌益、张宽、徐著义、毕奕、任侠11清江梯级调度中心主楼中南建筑设计院万家智、刘见、赵文寿、李四祥、梁瑞霞、冯星明、姜毅、黎华12武昌造船厂工艺技术研究中心及综合调试大楼中南建筑设计院尹勤旺、邱文航、王XXX、李洁、倪冰、刘华斌、李凡、聂钢13宜昌市红十字中心血站综合楼宜昌市建筑设计研究院邓伟、李铭、阎成刚、成建顺、程敏、张庆黎、王燕生、李萍14兴山县直幼儿园宜昌三峡建筑设计研究院有限公司秦军、罗晓春、王雪林、谢楚文、徐海东、李斌、陈从容、马宝贞15华中科技大学教工高层住宅小区华中科大建筑设计研究院项赋伟、陈琦、雷育祥、陈海忠、申安付、甘文霞、沈世莹、何建宏16新华家园中南建筑设计院XXX、陈义平、杨庆、罗遴、袁璐、雷炳成、朱心红17惠园大厦中南建筑设计院桂学文、吴铮、杨锋、李智芳、姚朝翌、熊江、刘华斌、黄文斌18东方花都A区武汉市城开建筑设计有限公司彭孟平、田烽、彭志雄、向建军、余雷、罗石爱表扬奖 5 项序号名称单位主要完成人员(取前八名)1随州市第二中学学生教工食堂随州市建筑设计院周忠伟、陈正兴、孙琼、刘建波、何迎春、熊萍丽2巴东县党政办公楼宜昌市建筑设计研究院郭华、王红兵、鲁晋、邹庆生、龚爱义、张光军、吴京丰、赵春珍3兴山县人民法院综合办公楼宜昌三峡建筑设计研究院有限公司王秉文、罗晓春、官同心、谢楚文、徐海东、蒋绍军、余艳琴、马宝贞4武汉经济技术开发区发展总公司中心幼儿园东风设计研究院有限公司严俊生、唐琴琴、付建、梁遵东、罗军、赵晓东5中科院武汉分院研究生公寓中国轻工业武汉设计工程有限责任公司刘菊芬、刘泉、王进、金山、纪如意、王琪、黄启生、徐朝凤2、优秀岩土工程勘察一等奖 2 项序号名称单位主要完成人员(取前八名)1荆州市邮电局电信枢纽楼岩土工程勘察湖北省水文地质工程地质勘察院武汉地质工程勘察院陈国金、方山耀、张陵、王文清、陆柏树、黄久华、任建军2福星惠誉·金色华府基坑支护工程中南勘察设计院颜祖福、龙雄华、张凤珍、刘佑祥、马郧、黄伟二等奖 7 项序号名称单位主要完成人员(取前八名)1湖北出版文化城岩土工程勘察中南勘察基础工程总公司王泽华、梁瑜、王佐、李晓珍、郭秋玲2湖北天诚青青家园一期岩土工程勘察仙桃市建筑勘察设计院鲁修亭、朱俊波、范新发、向德标、金晶华、刘维3武汉高尔夫城市花园301#住宅楼岩土土工程勘察武汉华中岩土工程有限责任公司庞建成、贺江源、潘木荣、饶清、李定慧4宏业城市花园住宅楼岩土土工程勘察荆门市规划勘测设计研究院汪新舫、王春周、曾祥、王成耀、董洪远、杨芳5宜昌世纪欧洲城民主路小区岩土工程勘察湖北省鄂西地质工程勘察院肖春锦、柳东明、杨光、张良发6郧阳医学院北校区新男生学生宿舍楼北侧滑坡治理十堰市建筑设计研究院严军、杜应平、罗伟、肖炳成、成勇7万豪豪园深基坑工程设计与施工武汉市勘测设计研究院王俊雄、张杰青、洪兴全、肖国华、丁孔元、施木俊、孙国庆、彭汉发三等奖 6 项序号名称单位主要完成人员(取前八名)1江汉石油学院综合教学楼岩土工程勘察湖北省水文地质工程地质勘察院刘云彪、沈家道、陆柏树、王文清、张同银、韩志超、宁国民2孝感学院同大学生生活园宿舍楼岩土工程勘察核工业孝感工程勘测院瞿声华、廖黔川、冯杰3湖北移动通信公司咸宁分公司枢纽楼岩土工程勘察武汉地质工程勘察院王斌、李伟、杨厚如、李依平4武汉广播电视中心(西区)工程基坑支护工程中南勘察设计院范四平、马郧、刘佑祥、危正平、周国安、张凤珍5湖北省妇幼保健院综合楼基坑支护工程中南勘察设计院湖北中南岩土工程有限公司李兵、王泽希、伍昕、吴平浩、徐赤明、梅红斌6天仙大厦深基坑开挖监测武汉市勘测设计研究院吴先干、戚辉、张晓章、王甫强、张杰青、陈浩表扬奖2项序号名称单位主要完成人员(取前八名)1孝感市乾坤广场岩土工程勘察孝感市鄂东北地质工程勘察院黄守贵、陈常庆、楚德亮2荆门市华府家园居住小区一期岩土工程勘察荆门市建筑设计研究院刘军、田书曲、夏立成——结束——。
湖北省建设工程勘察设计资质管理实施细则第一章总则第一条为加强对我省建设工程勘察、设计活动的监督管理,保证全省建设工程勘察、设计质量,根据建设部《建设工程勘察设计资质管理规定》(建设部第160 号令),结合我省实际,制定本细则。
第二条在湖北省行政区域内申请建设工程勘察、设计资质,实施对建设工程勘察、设计资质的监督管理,适用本细则。
第三条从事建设工程勘察、设计活动的企业,应当在取得工商营业执照后,按照其拥有的注册资本、专业技术人员、技术装备和勘察设计业绩等条件申请资质,经审查合格,取得建设工程勘察、工程设计资质证书后,方可在资质许可范围内开展建设工程勘察、工程设计业务。
第四条省建设行政主管部门负责全省建设工程勘察、设计资质的统一监督管理。
省交通、水利、信息产业等行政主管部门配合省建设行政主管部门实施相应行业的建设工程勘察、设计资质管理工作。
各市、州、直管市、林区建设行政主管部门负责本行政区域内建设工程勘察、设计资质的监督管理。
各市、州、直管市、林区相关行政主管部门配合同级建设行政主管部门实施本行政区域内相应行业的建设工程勘察、设计资质管理工作第二章资质分类和分级第五条工程勘察资质分为工程勘察综合资质、工程勘察专业资质、工程勘察劳务资质。
工程勘察综合资质只设甲级;根据工程性质和技术特点,结合我省实际,工程勘察专业资质设甲、乙、丙级;工程勘察劳务资质不分等级。
取得工程勘察综合资质的企业,可以承接各专业(海洋工程勘察除外)各等级工程勘察业务;取得工程勘察专业资质的企业,可以承接相应等级相应专业的工程勘察业务;取得工程勘察劳务资质的企业,可以承接岩土工程治理、工程钻探、凿井等工程勘察劳务业务。
第六条工程设计资质分为工程设计综合资质、工程设计行业资质、工程设计专业资质和工程设计专项资质。
工程设计综合资质只设甲级;工程设计行业资质、工程设计专业资质和工程设计专项资质设甲、乙级。
根据工程性质和技术特点,结合我省实际,建筑、市政、电力、水利、公路等行业的部分专业资质设丙级。
附件2
湖北省房屋建筑和市政基础设施工程
施工图设计文件审查专用章样式
审查机构审查专用章说明:
1、印模颜色为红色;
2、印章规格:长73 mm×宽33mm;
3、第一排单位名称,字体为宋体,字高5mm;
4、第二排施工图设计文件审查专用章,字体为楷体,字高4mm;
5、第三至第四排按照文件认定的本机构业务范围填写,字体为宋体,字高4mm;
6、最后一排编号及有效期,按照文件认定的本机构编号及有效期填写,字体为宋体,字高3mm。
审查工程师审查专用章说明:
1、印模颜色为红色;
2、印章规格:长45 mm×宽18mm;
3、第一排湖北省施工图审查工程师,字体为宋体,字高
4.5mm;
4、第二至三排姓名、执业号、专业及有效期按照文件认定的审查人员姓名、执业号、专业及有效期填写,字体为宋体,字高3mm。
在湖北省内凡是已领取湖北省房屋建筑和市政基础设施工程施工图设计文件审查认定证书的机构及个人,都需刻制审查专用章。
湖北省住房和城乡建设厅关于进一步加强工程勘察设计质量管理的通知文章属性•【制定机关】湖北省住房和城乡建设厅•【公布日期】2012.04.25•【字号】鄂建[2012]21号•【施行日期】2012.04.25•【效力等级】地方规范性文件•【时效性】现行有效•【主题分类】勘察设计正文湖北省住房和城乡建设厅关于进一步加强工程勘察设计质量管理的通知(鄂建[2012]21号)各市、州、直管市、林区住房和城乡建设委员会:工程勘察设计是工程建设的龙头和灵魂,是保证工程质量的关键环节。
工程勘察设计水平和质量的高低直接影响着建设工程的质量、安全、功能和效益,关系到人民生命和财产安全。
近年来,我省工程勘察设计质量总体稳定,但仍存在市场行为不规范、监管程序不到位、质量意识不强、执行工程建设强制性标准不严格等问题。
为确保工程质量安全,强化工程勘察设计质量意识和责任意识,促进工程勘察设计质量和水平的提高,根据《建设工程质量管理条例》、《建设工程勘察设计管理条例》、《建设工程勘察质量管理办法》等法规政策的规定,结合我省实际,现就进一步加强全省工程勘察设计质量管理工作通知如下:一、进一步强化工程勘察设计质量管理的责任(一)强化监管部门责任。
各级住房和城乡建设行政主管部门要进一步提高认识,采取有力措施,创新机制,明确责任,切实加强工程勘察设计质量的管理,重点加强对工程勘察、施工图审查、设计变更等环节及建筑节能、深基坑、抗震设防、消防、无障碍设计等方面的监管,及时有效地开展监督检查,确保工程建设项目的顺利实施和建设工程的质量安全。
(二)强化建设单位责任。
建设单位要为工程勘察设计工作提供必要的工作条件,保证合理的工程勘察设计周期,提供真实、可靠的工程勘察设计依据和相关资料,不得任意压缩合理的工程勘察设计周期、不合理压价或低于成本价发包工程勘察设计业务,严格执行工程勘察设计收费标准,不得明示或暗示工程勘察设计企业违反工程建设强制性标准。
印发《湖北省建设工程施工许可现场踏勘工作暂行办法》的通知鄂建文[2010]146号各市、州、直管市、神农架林区住房和城乡建设委员会,各有关单位:依据《中华人民共和国建筑法》、《湖北省建筑市场管理条例》(湖北省第八届人民代表大会常务委员会第二十九次会议通过,湖北省第十一届人民代表大会常务委员会第十七次会议修订)和《建筑工程施工许可管理办法》(建设部令第91号),我厅组织制定了《湖北省建设工程施工许可现场踏勘工作暂行办法》,现印发给你们,请遵照执行。
执行中有何问题,请与湖北省建筑工程管理局联系。
附件:湖北省建设工程施工许可现场踏勘工作暂行办法第一条为严格建设工程施工许可管理,规范施工许可现场踏勘工作,保障踏勘工作的公开、透明、合法、廉洁,依据《中华人民共和国建筑法》、《湖北省建筑市场管理条例》(湖北省第八届人民代表大会常务委员会第二十九次会议通过,湖北省第十一届人民代表大会常务委员会第十七次会议修订)和《建筑工程施工许可管理办法》(建设部令第91号),结合本省实际,制定本办法。
第二条在湖北省从事各类房屋建筑及其附属设施的建造和与其配套的线路、管道、设备的安装,以及城镇市政基础设施工程的施工,建设单位在申领施工许可证时,适用本办法。
本办法所称现场踏勘,是指住房和城乡建设主管部门收到建设单位办理施工许可证的申请后,对建设工程场地是否符合施工条件进行的现场勘察活动。
第三条对申领施工许可证的建设工程,工程所在地县级以上人民政府住房和城乡建设主管部门应当进行现场踏勘,但建筑面积小于1000㎡或者投资额小于100万元的小型房屋建筑、内部装修改造工程和非城市主干道的市政管线工程,可视情况决定是否进行现场踏勘。
现场踏勘按照建设工程施工许可属地管理的原则实施。
(三)施工现场是否制定并采取了安全防护措施:1、现场周边是否按规定设置了合格的围挡。
2、建设单位是否向施工单位提供了各类地下管线资料,并制定了安全保护措施。
3、施工现场空中区域是否存在高压线等空中架设障碍物。
湖北省住房和城乡建设厅关于湖北省工程勘察设计出图专用章、施工图设计文件审查专用章有关问题的通知
【法规类别】勘察设计
【发布部门】湖北省住房和城乡建设厅
【发布日期】2015.12.21
【实施日期】2015.12.21
【时效性】现行有效
【效力级别】地方规范性文件
湖北省住房和城乡建设厅关于湖北省工程勘察设计出图专用章、施工图设计文件审查专
用章有关问题的通知
各市、州、直管市、神农架林区住建委,有关单位:
为进一步简政放权,服务企业发展,依法实施行政管理,根据《中华人民共和国行政许可法》等有关法律法规的规定,自2016年1月1日起,我厅停止刻制工程勘察设计出图专用章和施工图设计文件审查专用章。
全省各企业的工程勘察设计出图专用章、施工图设计文件审查专用章,由企业按照全省统一的印章模式,前往经公安机关备案的印章厂自行刻制。
具有多项资质资格的企业,可分别刻制各项资质资格的专用章。
出图专用章和审查专用章实行有效期制度,其有效期应当与资质资格证书的有效期一致。
施工图设计文件审查专用章分为审查机构专用章和审查工程师专用章,审查工程师
专用章的执业号和有效期,应当与我厅发布的执业号和有效期一致。
企业使用湖北省建筑市场监管和诚信信息一体化平台录入企业和个人信息时,应在网上上传工程勘察设计出图专用章和施工图设计文件审查专用章印模,以备查验。
原《湖北省建设。