MA3D689中文资料
- 格式:pdf
- 大小:49.41 KB
- 文档页数:2
Application of Mechanics-electronics Technology2019年9月下数控加工控制精度技术研究柳 琳(辽宁机电职业技术学院,辽宁 丹东 118009)摘 要:数控机床是当前加工中经常使用的工具,相比之前的机床,数控机床在数量以及质量的控制上都更加符合生产的要求。
随着使用次数逐渐频繁,其精度问题逐渐暴露。
文章主要对数控机床中存在的问题进行探究,同时对如何提高精度进行探讨。
关键词:数控加工;精度;技术中图分类号:TG659 文献标志码:A 文章编号:1672-3872(2019)18-0172-01——————————————作者简介: 柳琳(1986—),女,辽宁丹东人,硕士,助理工程师,研究方向:数控加工技术。
当前,科技不断发展,在工业中使用的零件也越发精细,尤其是在使用之中,对元件的精准程度要求极高,当前对这些元件的生产主要是通过车床进行加工,随着工业不断的发展,车床的精度不断提升,尤其是当前的数控车床,在精度上已经达到了一个非常高的水准,但是随着对精密仪器的不断更新,当前数控机床的精度也逐渐难以满足需求,这就要求在数控机床的使用中,不断进行改进,这样才能让数控机床的精度达到当前的生产要求。
1 数控编程对加工精度的影响首先,需要对数控机床进行编程,数控机床的编程主要是为了让机床能自行进行生产,这是当前数控机床最普遍的使用工序,一旦编程出现了问题,就会对数控机床的加工产生影响,最终出现精度达不到要求的情况。
其次,轨迹拟合对数控机床精度也存在一定影响,数控机床在使用的过程中,主要是对一些精密的物件进行加工,这些物件往往体积较小,在加工的过程中,主要是使用小段圆弧以及小段直线的轨迹对材料进行加工。
材料加工的需要,使得机床工作往往会采用接近处理的方式,即从外围逐渐向内部进行加工,在实际的过程中,是机械自身对轨迹进行拟合,误差是难以避免的,当前对这种问题的处理主要是通过对曲线轨迹进行计算,并对成品做一定的后期处理,以对误差进行补偿。
专利名称:一种导电涂料及其制备方法专利类型:发明专利
发明人:何敬堂,庞婉青
申请号:CN201810169950.5
申请日:20180228
公开号:CN108359357A
公开日:
20180803
专利内容由知识产权出版社提供
摘要:本发明提供了一种导电涂料及其制备方法。
由以下步骤制备而成:将聚噻吩、丙烯酸聚氨酯、FeO磁性纳米颗粒、2,6‑二叔丁基‑4‑甲基苯酚、聚环氧乙烷、N,N‑二甲基甲酰胺和异丙醇混合,用磁力搅拌机在温度70‑90℃,转速100‑120r/min下搅拌;加入硼酸镁晶须和氧化石墨烯球磨;过滤,除去大颗粒得组分A;将聚阴离子纤维素、N,N’‑双油酰基乙二胺二乙磺酸钠、微晶纤维素、酚化酶解木质素和蒸馏水,放入超声仪中进行超声分散;加入组分A和邻苯二甲酸二辛酯,搅拌即得本发明的导电涂料具有很好的抗冲击性和附着性,与界面附着良好,导电性能佳,同时热稳定性高。
申请人:佛山市熙华科技有限公司
地址:528200 广东省佛山市禅城区张槎一路117号二座自编2号楼六层6225(住所申报)
国籍:CN
代理机构:佛山粤进知识产权代理事务所(普通合伙)
代理人:王余钱
更多信息请下载全文后查看。
Telact8中文說明書
TELCLEANTRACKACT8
型号:A810WCWD-IF
对于200毫米晶圆
单块配置
晶圆流程:从左到右
运载站(CRA)1x4型,带拾取级,包括6个密理博智能泵
具有高速传送机构的处理块
a)通过MilliporeIntelligen泵(数量2)进行3次分配的光刻胶涂布机单元
b)显影单元,通过H型喷嘴分配1份溶液(数量2)
c)为1台开发设备(数量1)分配额外的显影剂
d)LHP,低温热板(数量10)
e)CPL,冷却板(数量4)
f)ADH,附着力促进剂单元(数量1)
g)TCP,传输冷却板(数量1)
h)用于涂布机的可编程转鼓清洗系统(数量1)
I)可编程PTI排气控制器(数量4)
用于佳能FPA-3000i5步进机的接口单元(IRA),包括一个多缓冲单元和晶片边缘曝光(WEE)
化学柜1
a)HMDS的加压罐
b)稀释剂缓冲罐,3升(数量2)
c)显影剂缓冲罐,3升(数量2)
化学柜2
a)显影剂脱气模块(数量2)
b)稀释剂脱气模块
温度控制架
a)冷却板的热电偶模块(数量4)
b)水循环装置(数量4)
涂布机温度和湿度控制装置
软件包
a)TELGEM在线软件
b)级联晶片流软件
c)系统登录软件
二氧化碳灭火系统准备就绪(管道和线路) 紫外线/红外线火灾探测器(数量3)
额外的5加仑不锈钢罐(数量5)。
专利名称:一种维特比译码器之回溯处理单元及回溯操作的回溯方法
专利类型:发明专利
发明人:蔡尚澕
申请号:CN01103839.X
申请日:20010222
公开号:CN1371176A
公开日:
20020925
专利内容由知识产权出版社提供
摘要:一种能进行回溯处理的简单组合逻辑电路,供维特比译码器(Viterbi decoder)使用,以取代只读存储器,该电路包括一多路器,一移位器与一加法器,系根据目前状态的回溯信息产生回溯值,再将目前状态的状态值向右位移二位,并将移位值与回溯值相加,得到前次状态的状态值,其中回溯处理中所有残留值的每个状态转换有关的四维符号,是用二维符号以及其坐标差异来表示。
申请人:矽统科技股份有限公司
地址:台湾省新竹科学工业园区新竹县研新一路16号
国籍:CN
代理机构:北京银龙专利代理有限公司
代理人:吴邦基
更多信息请下载全文后查看。
6.General Requirements6.1The hot-wrought bars shall be furnished in the as-wrought condition and shall conform to the general require-ments as outlined in Specification A29/A29M,excepting that the spring steel bars shall not be marked by hot-or cold-stamping unless specified by the purchaser.6.2Flat bars for leaf springs unless otherwise specified shall be round-edgeflat steel having twoflat surfaces and two round (convex)edges.The cross section tolerances permit the twoflat surfaces to be slightly concave.When there is concavity,the radii of the arcs of the two concave surfaces shall be approxi-mately the same length.6.2.1The round edges shall approximate circular arcs witha radius of curvature between65to85%of the thickness of the bar.6.2.2Round-edgeflat bars shall conform to the cross section tolerances specified in Table1.6.3Flat(Rectangular and Including Square)Bars with Rounded Corners:6.3.1The rounded corner radii shall be in accordance with Table2.6.3.2For section tolerances see Table A1.3or A2.3for SI units(for rectangular bars)and Table A1.1or A2.1for SI units (for square bars)of Specification A29/A29M.6.4Round Bars—For section tolerances see Table A1.1or A2.1for SI units of Specification A29/A29M.6.5Special Cross Section Shapes,such as Keystone—A drawing of the cross section including the tolerances should accompany the purchase order.It is recommended that the steel supplier be contacted concerning the availability of any special cross section.6.6Length and Straightness of Bars:6.6.1For straightness and length tolerances,see Tables A1.10and A1.8,or Tables A2.10and A2.8for SI units of Specification A29/A29M.6.6.2When special straightness or machine-cut length are required,this must be clearly noted on the purchase order and reference made to Tables A1.10and A1.9or Tables A2.10and A2.9for SI units of Specification A29/A29M.6.7The austenitic grain size shall be No.5orfiner as determined by Test Methods E112.7.Workmanship,Finish,and Appearance7.1The bars shall be free of injurious defects and shall havea workmanlikefinish consistent with good hot-rolling practices for bars intended for use in springs.8.Rejection and Rehearing8.1Steel that fails to conform to the requirements of this specification or shows injurious defects after its receipt by the purchaser,or both,shall be rejected and the supplier shall be notified for disposition.9.Product Marking9.1The bars shall be properly bundled for shipment and identified as to size,weight,heat number,grade designation, purchase order number,and name ofsupplier.T A B L E 1C r o s s S e c t i o n T o l e r a n c e s f o r R o u n d -E d g e F l a t B a r s S p e c i fie d W i d t h ,i n .(m m )T o l e r a n c e i n W i d t h ,i n .(m m )T o l e r a n c e A i n T h i c k n e s s ,i n .(m m )T o l e r a n c e i n C o n c a v i t y B o f F l a t S u r f a c e s ,i n .(m m )M a x D i f f e r e n c e i n T h i c k n e s s ,C i n .(m m )O v e r T o a n d i n c l u d i n g M i n u s 0.0000.375(9.52)o r U n d e r O v e r 0.375(9.52)t o 0.875(22.22),i n c l O v e r 0.875(22.22)t o 1.500(38.10),i n c l 0.375(9.52)o r U n d e r O v e r 0.375(9.52)t o 0.875(22.22),i n c l O v e r 0.875(22.22)t o 1.500(38.10),i n c l 0.375(9.52)o r U n d e r O v e r 0.375(9.52)t o 0.875(22.22),i n c l O v e r 0.875(22.22)t o 1.500(38.10),i n c l 0.002.50(63.5)+0.030(0.76)60.005(0.13)60.006(0.15)...0.005(0.13)0.006(0.15)...0.002(0.05)0.002(0.05)...2.50(63.5)4.00(101.6)+0.045(1.14)60.006(0.15)60.008(0.20)60.012(0.30)0.006(0.15)0.008(0.20)0.012(0.30)0.003(0.07)0.004(0.10)0.006(0.15)4.00(101.6)5.00(127.0)+0.065(1.65)60.007(0.18)60.010(0.25)60.016(0.40)00.007(0.18)0.010(0.25)0.016(0.40)0.004(0.10)0.005(0.13)0.008(0.20)5.00(127.0)6.00(152.4)+0.090(2.28)...60.012(0.30)60.020(0.51)...0.012(0.30)0.020(0.51)...0.006(0.15)0.010(0.25)A T h i c k n e s s m e a s u r e m e n t s a r e t a k e n a t t h e e d g e s o f t h e b a r w h e r e t h e fla t s u r f a c e s i n t e r s e c t t h e r o u n d e d e d g e s .BC o n c a v i t y i s t h e d i f f e r e n c e b e t w e e n t h e t h i c k n e s s a t t h e c e n t e r o f t h e b a r a n d t h e t h i c k n e s s a t t h e e d g e s .T h e t h i c k n e s s a t t h e c e n t e r s h o u l d n o t e x c e e d t h e t h i c k n e s s a t t h e e d g e s .C M a x i m u m d i f f e r e n c e i n t h i c k n e s s b e t w e e n t h e t w o e d g e s o f e a c h b a r .The American Society for Testing and Materials takes no position respecting the validity of any patent rights asserted in connection with any item mentioned in this ers of this standard are expressly advised that determination of the validity of any such patent rights,and the risk of infringement of such rights,are entirely their own responsibility.This standard is subject to revision at any time by the responsible technical committee and must be reviewed every five years and if not revised,either reapproved or withdrawn.Your comments are invited either for revision of this standard or for additional standards and should be addressed to ASTM Headquarters.Your comments will receive careful consideration at a meeting of the responsible technical committee,which you may attend.If you feel that your comments have not received a fair hearing you should make your views known to the ASTM Committee on Standards,100Barr Harbor Drive,West Conshohocken,PA 19428.TABLE 2Rounded Corner Radii Specified Sizes,A in.(mm)Nominal Corner Radii,in.(mm)0.250(6.35)to 0.375(9.92)0.031(0.78)0.375(9.52)to 0.500(12.70)0.063(1.60)Over 0.500(12.70)to 0.813(20.65)0.094(2.38)Over 0.813(20.65)to 1.469(37.31)0.125(3.18)Over 1.469(37.31)to 1.938(49.23)0.250(6.35)Over 1.938(49.23)to 2.438(61.93)0.313(7.94)A Sizes are distances betweenopposite sides of square bars and the thicknessof rectangular bars.。
Enterprise Development专业品质权威Analysis Report企业发展分析报告江苏三驰机械科技有限公司免责声明:本报告通过对该企业公开数据进行分析生成,并不完全代表我方对该企业的意见,如有错误请及时联系;本报告出于对企业发展研究目的产生,仅供参考,在任何情况下,使用本报告所引起的一切后果,我方不承担任何责任:本报告不得用于一切商业用途,如需引用或合作,请与我方联系:江苏三驰机械科技有限公司1企业发展分析结果1.1 企业发展指数得分企业发展指数得分江苏三驰机械科技有限公司综合得分说明:企业发展指数根据企业规模、企业创新、企业风险、企业活力四个维度对企业发展情况进行评价。
该企业的综合评价得分需要您得到该公司授权后,我们将协助您分析给出。
1.2 企业画像类别内容行业空资质空产品服务及配件、工程机械及配件、液压设备及配件、抛1.3 发展历程2工商2.1工商信息2.2工商变更2.3股东结构2.4主要人员2.5分支机构2.6对外投资2.7企业年报2.8股权出质2.9动产抵押2.10司法协助2.11清算2.12注销3投融资3.1融资历史3.2投资事件3.3核心团队3.4企业业务4企业信用4.1企业信用4.2行政许可-工商局4.3行政处罚-信用中国4.5税务评级4.6税务处罚4.7经营异常4.8经营异常-工商局4.9采购不良行为4.10产品抽查4.12欠税公告4.13环保处罚4.14被执行人5司法文书5.1法律诉讼(当事人)5.2法律诉讼(相关人)5.3开庭公告5.4被执行人5.5法院公告5.6破产暂无破产数据6企业资质6.1资质许可6.2人员资质6.3产品许可6.4特殊许可7知识产权7.1商标7.2专利7.3软件著作权7.4作品著作权7.5网站备案7.6应用APP7.7微信公众号8招标中标8.1政府招标8.2政府中标8.3央企招标8.4央企中标9标准9.1国家标准9.2行业标准9.3团体标准9.4地方标准10成果奖励10.1国家奖励10.2省部奖励10.3社会奖励10.4科技成果11 土地11.1大块土地出让11.2出让公告11.3土地抵押11.4地块公示11.5大企业购地11.6土地出租11.7土地结果11.8土地转让12基金12.1国家自然基金12.2国家自然基金成果12.3国家社科基金13招聘13.1招聘信息感谢阅读:感谢您耐心地阅读这份企业调查分析报告。
GrandMA 3D中文说明书内容1引言52系统要求3安装63.1奶奶办公桌或奶奶onPC版本3.2的IP 73.3连接奶奶办公桌3.4 1姥姥或奶奶2模式4数据94.1主/从94.2坐标系统5个快速启动6计划表面6.1菜单栏6.2工具栏6.3(第一阶段视图,三维对象视图)主要的Windows6.3.1第一阶段检视6.3.2鼠标+键盘操作6.3.3安排(对齐对象)的对象6.3.4复制(复制的三维物体)6.3.5三维对象6.4资产(信息窗)6.5属性6.6媒体数据库6.7材料6.8移动Pathes6.9会议6.10状态栏7灯具类型8三维建模和导入8.1三维模型8.2参数8.2.1轴8.2.2旋转轴8.2.3线性轴8.2.4束光.8.3自动导入8.4分配模型夹具类型8.5三维建模清单8.6创建一个三维模型9视频创建10常见问题11个键盘快捷键12指数马照明科技有限公司Dachdeckerstr。
16 D - 97297Waldbüttelbrunnwww.malighting.de1引言:奶奶3D是一个独特的新的用户界面,三维可视化创建利用与奶奶产品范围结合的阶段布局。
系列I和系列第二站的支持。
该软件被设计成一个灯光设计师的预编程工具。
它简化了创建显示,以节省时间和金钱的过程。
奶奶3D包括一个基本图形元素库。
使用多个窗口前/侧/顶视图可以在同一时间打开和更新。
所有的舞台元素被定位在X / Y / Z方向,也可能是周围的各种轴旋转。
习俗这些元素的表面纹理,可以导入位图格式,或可能选择从一个图书馆。
灯笼,灯具或移动灯的设置,可以简单地检索到的奶奶控制台或电子转帐的奶奶onPC每放映文件。
有没有需要设置的DMX 线,DMX地址或单个装置的操作模式,因为这些细节,都已经预先调整中的奶奶。
当切换到3D渲染模式,奶奶3D软件变得极其强大的可视化实时渲染设施。
所有绘图元素,装置及灯笼与表面纹理,作为一种虚拟现实。
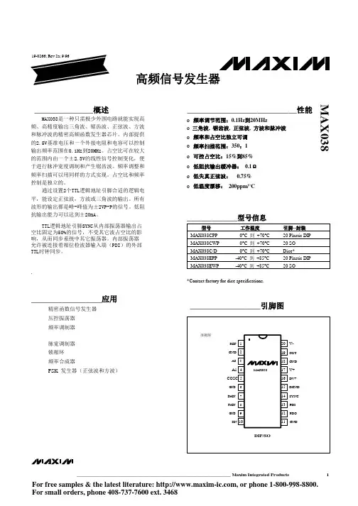
高频信号发生器_______________概述MAX038是一种只需极少外围电路就能实现高 频、高精度输出三角波、锯齿波、正弦波、方波 和脉冲波的精密高频函数发生器芯片。
内部提供 的2.5V 基准电压和一个外接电阻和电容可以控制 输出频率范围在0.1Hz 到20MHz 。
占空比可在较大 的范围内由一个±2.3V的线性信号控制变化,便 于进行脉冲宽度调制和产生锯齿波。
频率调整和 频率扫描可以用同样的方式实现。
占空比和频率 控制是独立的。
通过设置2个TTL 逻辑地址引脚合适的逻辑电 平,能设定正弦波,方波或三角波的输出。
所有 波形的输出都是峰-峰值为±2VP -P 的信号。
低阻 抗输出能力可以达到±20mA。
____________________________性能o 频率调节范围:0.1Hz 到20MHzo 三角波, 锯齿波, 正弦波, 方波和脉冲波 o 频率和占空比独立可调 o 频率扫描范围:350:1 o 可控占空比:15%到85% o 低阻抗输出缓冲器: 0.1Ω o 低失真正弦波: 0.75% o 低温度漂移: 200ppm/°C______________型号信息TTL 逻辑地址引脚SYNC 从内部振荡器输出占 空比固定为50%的信号,不受其它波占空比的影 响,从而同步系统中其它振荡器。
内部振荡器 允许被连接着相位检波器输入端(PDI )的外部 TTL 时钟同步。
型号 MAX038CPP MAX038CWP MAX038C/D MAX038EPP MAX038EWP工作温度 0°C 到 +70°C 0°C 到 +70°C 0°C 到 +70°C -40°C 到 +85°C -40°C 到 +85°C引脚--封装 20 Plastic DIP 20 SO Dice* 20 Plastic DIP 20 SO.__________________应用精密函数信号发生器 压控振荡器 频率调制器*Contact factory for dice specifications.__________________引脚图脉宽调制器 锁相环 频率合成器FSK 发生器(正弦波和方波)________________________________________________________________ Maxim Integrated Products1For free samples & the latest literature: , or phone 1-800-998-8800. For small orders, phone 408-737-7600 ext. 3468MAX038高频信号发生器图1. 内部结构及基本工作电路_______________ 详细说明MAX038是一种高频函数信号发生器,它可以使 用最少的外部元件而产生低失真正弦波,三角波, 锯齿波,方波(脉冲波)。
S EEKERThe dynamic Separator for coal mill 煤磨动态选粉机OPERATION AND INSTRUCTION安装使用说明书MianYang Seeker Science & Technology Development Co.Ltd.Mianyang•Sichuan•China绵阳西金科技发展有限公司目录Contents1.用途Application2.主要技术参数Main Technical Data3.结构及工作原理Structure and Working Principle4.安装与试运转Installation and Test run5.操作、维护及检修Operation, maintenance and overhaul6.备件清单Spare part listing7. 图纸清单drawing listing附录(一)润滑脂管路安装示意图.The appendix (一) which is the pipeline installation sketch map of lubricant system.Notice proceeding1.用途Application本煤磨动态选粉机主要适用于煤粉制造过程中的煤粉的分级。
The SEEKER MD coal-mill dynamic separator is the classification equipment for coal powder of coal grinding. 2.主要技术参数Main Technical Data转速Rotation Rate 150~300 r/min空气量Treatment air rate 48000~51000 m3/h转子直径Rotor diameter φ1450 mm煤粉产量Coal powder output 22~28 t/h(R80μm2-5%)电机Motor 型号type YTSP200L-4功率power 30KW额定转速specified speed 1480 r/min减速机reducer 型号type B2SV02B速比ratio 5稀油站Oil station XYZ-10G结构及工作原理Structure and Working Principle3.1结构Structure本高效选粉机主要有传动装置、回转部分、壳体部分、收尘部分、润滑系统组成。
摄影高清液晶监视器使用说明书尊敬的用户:欢迎使用本公司生产的摄影高清液晶监视器,本监视器采用先进的集成电路与优质的TFT LCD显示屏,具有功耗低、性能稳定、低辐射等优点。
本监视器外观小巧、操作方便、安全,具有HDMI ,VGA,视频Video,音频Audio输入,可方便的安装在数码单反相机和摄像机上,是专业摄像录影创作的最佳伴侣。
产品特征:◆ 辅助对焦功能.当按下辅助对焦功能键时,图像中物体边缘出现白色勾边,此时调整影视设备焦距,查看勾边以达到辅助对焦的效果,方便摄影师实现高清聚焦。
◆ 5D Mark II相机模式功能◆ 图像黑白彩色切换,红绿蓝(RGB)三基色单色显示◆ 取景框标记 (80%,85%,90%,93%,96% )◆ 十字中心标记◆ 图像画面上下、左右翻转功能◆ 图像画面16:9或4:3显示转换模式◆ 亮度,对比度,色调,饱和度及色温调整◆ 支持多种品牌不同型号电池 (索尼F970,佳能E6,松下D28S)为了可靠的、长期的正常使用,达到最佳视听效果,请认真阅读本使用说明书。
目录一. 产品描述 (3)1、前视图 (3)2、后视及侧面图 (4)二.电源输入方式 (5)三.操作说明 (7)四.技术参数 (12)五.随机附件 (12)六.常见问题解答 (13)七.备注 (13)一. 产品描述1、前视图1.遥控接收窗2.电源指示灯:红灯为开机/待机状态,绿灯为工作状态。
3.Power:电源开关键4.MODE:信号源切换键,可循环切换HDMI、VGA、Video 1、Video 2等模式。
5.:项目选择键或者单按可直接开/关辅助对焦模式6.:项目选择键或者在无菜单状态下单按此键可依次实现图像单色切换(分别为:红、绿、蓝、黑白以及彩色),在过扫描状态下长按此键可实现欠扫描功能,确保信号在1080i时图像不失真。
7. MENU:菜单键:启动屏幕显示菜单或长按可直接开/关5DⅡ模式8.:音量调高或开关框形标记或在菜单设置时,调大功能设置值。
C o m p a c t W e i g h i n g S y s t e m sICS689 Combi Bench Solutions Optimize Your Production ProcessesICS689 Terminals – Technical Data2METTLER TOLEDO Data Sheet Compact Weighing Systems©01/2021* depending on the configuration of the terminal: Maximum 2 analog, or 2 IDnet platforms respectively 1 analog plus 1 IDnet3METTLER TOLEDO Data Sheet Compact Weighing Systems©01/2021Terminal Platform CombinationsCapacities and ReadabilitiesThe PBK9 Series high precision weighing platforms can be directly connected to all ICS terminals (see PBK9 datasheet for detailed specifications of the platforms). For PBK9 platforms of A- and AB-size the item …Factory Approval for SICSpro Scale“ can be ordered for legal-for-trade applications. Terminal and platform will be shipped separately but can easily be connected to an approved weighing system at the place of installation.You can connect any other analog or digital METTLER TOLEDO platform including floor scales to the ICS termi-nals.t-VersionFor wall mount, bench or desk operation -for all platform sizesf-VersionFront mounted terminal on long side of platforms -for all platform sizes(Not available with WLAN interface)c-VersionColumn mounted terminals on long side of platforms. Terminal and column seamlessly welded together. Column design secures and protects cables.(Available for A, BB and QB size)Bundle ICS Terminals with PBK9 High Precision Platforms or any other platformsAccessories1) Additional optional resolutions (not approved): 6,000d; 15,000d 2) Additional optional resolution (approved): 1x3,000e, OIML Class IIII/O Accessories Relay box for digital I/O including power supplyCovers, Brackets Protective cover for terminals; Wall bracket; Desk mounting plate StandsIn many heights and versionsPC Software DatabICS PC Database management tool OthersPrinters; Interfaces; Cables and much moreVisit for more informationDimensions and DrawingsLength of load cell cable for t-VersionCapacity Hermetically sealed stainlesssteel load cell0 - 30 kg 1.5 m 60 - 600 kg2.5 mMETTLER TOLEDO Group Industrial DivisionLocal contact: /contactsSubject to technical changes© 01/2021 METTLER TOLEDO. All rights reserved Document No. 30238049 B MarCom Industrial。