自动控制实训题5_原料系统PLC控制和交流变频调速控制系统_概要
- 格式:doc
- 大小:87.50 KB
- 文档页数:6
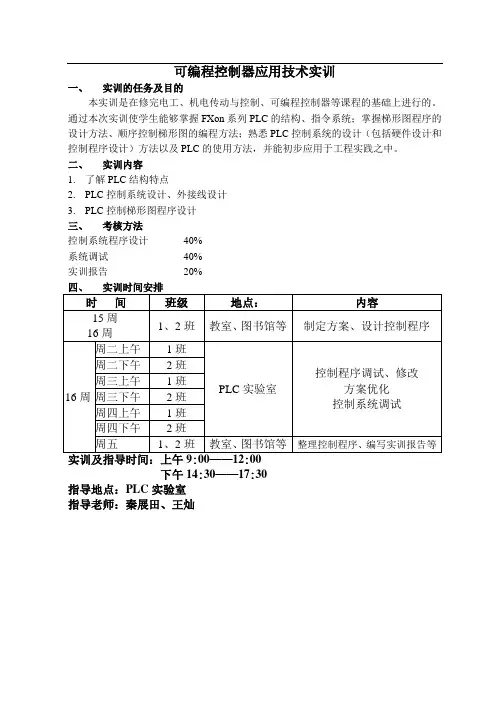
可编程控制器应用技术实训一、实训的任务及目的本实训是在修完电工、机电传动与控制、可编程控制器等课程的基础上进行的。
通过本次实训使学生能够掌握FXon系列PLC的结构、指令系统;掌握梯形图程序的设计方法、顺序控制梯形图的编程方法;熟悉PLC控制系统的设计(包括硬件设计和控制程序设计)方法以及PLC的使用方法,并能初步应用于工程实践之中。
二、实训内容1.了解PLC结构特点2.PLC控制系统设计、外接线设计3.PLC控制梯形图程序设计三、考核方法控制系统程序设计40%系统调试40%实训报告20%下午14:30——17:30指导地点:PLC实验室指导老师:秦展田、王灿实训课题一分支状态转移图的编程与调试训练一、实训的目的(1)掌握分支流程状态转移图的编程原则和编程方法(2)掌握状态转移程序调试的手段。
(3)掌握顺序控制程序的设计方法。
二、实训内容及指导1.编程原则与编程方法1)编程原则先集中进行分支状态处理,再集中进行汇合状态处理。
2)编程方法分支状态处理,应先进行分支状态的驱动处理,再按分支的顺序进行转移处理。
汇合状态处理,应先进行汇合前状态(分支状态——汇合状态之间的中间状态)的处理〔含这些状态的驱动和转移),再依分支顺序进行由各分支到汇合状态的转移(各分支最后一个状态到汇合状态的转移)。
2.编程注意事项1)严格遵守编程原则:集中处理分支和汇合。
2)进行汇合前驱动时.每个分支中间状态的驱动和转移处理不能遗漏。
3)严格按分支顺序进行编程,即第—分支、第二分支……,分支数不能超过8个。
3.程序的调试及运行SFC(状态转移图)具有良好的可读性,可先阅读SFC预测其结果,然后再上机运行程序,观察运行结果,看是否符合控制要求。
若状态不能正常转移,故障可能有以下几种情况:1)转移条件为ON没有任何状态元件动作,则表明编程或写人时软元件编号错误(移条件或状态元件的编号)。
2)状态元件发生跳跃动作,则表明编程或写人时出现混乱。
1、汽车转弯灯的控制假设利用PLC控制汽车转弯灯:如果向左转弯,则将开关扳到左侧(X1接通),左闪灯Y1开始闪烁(亮0.5秒,灭0.5秒);如果向右转弯,则将开关扳到右侧(X2接通),右闪灯Y2开始闪烁(亮0.5秒,灭0.5秒);转弯结束,将开关扳到中间(X0接通),Y1或Y2熄灭。
如果驾驶员忘记关灯,则5秒后自动关灯。
2、控制三相异步电机Y―△启动主电路系统图示为一个控制三相交流异步电动机Y―△启动的主电路。
在启动时,首先使接触器KM1、KM2的常开触点闭合,电动机的定子绕组成Y形连接。
电动机启动旋转,经过5秒时间后,再使接触器KM1 的常开触点从接通到断开,而接触器KM3的常开触点闭合,电动机的定子绕组改为△形连接,达到了Y形启动△形运转的目的。
按停止按钮,电动机停止运行。
各元器件说明如图,在自行分析电路功能后,完成考核要求。
输入设备输入端口编号启动按钮S01 X00停止按钮S02 X01输出设备输出端口编号接触器KM1 Y00接触器KM2 Y01接触器KM3 Y02(1)用FX2N系列PLC按三相异步电动机Y―△启动主电路控制电路图改成PLC梯形图、写出语句表。
(2)用模拟装置监控三相异步电动机Y―△启动主电路运行过程。
(3)按基本指令编制的程序,进行程序输入并完成系统调试。
3. 用PLC实行双速电动机控制电路图示为继电器控制4/2极双速电动机启动控制电路,其中SB2为启动按钮,SB1位停止按钮,KT为时间继电器,延时时间为5秒。
当按下启动按钮SB2,接触器KM1和时间继电器KT吸合,电动机按形联结4极启动,经过5 秒延时后,KT的延时触点动作,接触器KM1释放,接触器KM2、KM3、吸合,电机改结成YY形联结,进入2极启动运行。
按停止按钮SB1,电机停止运行。
输入设备输入端口编号停止按钮SB1 X0启动按钮SB2 X1输出设备输出端口编号接触器KM1 Y0接触器KM2 Y1接触器KM3 Y2(2)用模拟设置控制双速电动机启动控制电路的运行过程。
电气控制与PLC实操考核1.步骤和要求:从PLC控制电机正反转、抢答显示系统、料箱盛料过少报警系统、按钮人行道控制系统(采用基本逻辑指令)和按钮人行道控制系统(采用步进顺控指令)中随机选取一种,1)作出PLC输入和输出端子的分配接线图,并根据需要完成输入和输出端子的接线;2)写出指令表;3)通过编程器输入指令程序;4)运行、调试,直至满足控制要求;5)在100分钟内完成。
2.考核标准1 PLC输入和输出端子的分配接线图及接线20分2 指令表20分3 编程器操作(含输入、修改、监控、调试等)20分4 运行是否满足控制要求(两次机会,第一次不成功扣20分)40分一、抢答显示系统PLC实操考核班级:学号:姓名:得分:1.步骤和要求:1)作出PLC输入和输出端子的分配接线图;2)写出指令表;3)通过编程器输入指令程序;4)运行、调试,直至满足控制要求;5)在100分钟内完成。
2.考核标准二、料箱盛料过少报警系统PLC实操考核班级:学号:姓名:得分:1.步骤和要求:1)作出PLC输入和输出端子的分配接线图;2)写出指令表;3)通过编程器输入指令程序;4)运行、调试,直至满足控制要求;5)在100分钟内完成。
2.考核标准三、按钮人行道控制系统(采用基本逻辑指令)PLC实操考核班级:学号:姓名:得分:1.步骤和要求:1)作出PLC输入和输出端子的分配接线图,并根据需要完成输入和输出端子的接线;2)写出指令表;3)通过编程器输入指令程序;4)运行、调试,直至满足控制要求;5)在100分钟内完成。
2.考核标准1 PLC输入和输出端子的分配接线图20分2 指令表20分3 编程器操作(含输入、修改、监控、调试等)20分4 运行是否满足控制要求(两次机会,第一次不成功扣20分)40分四、按钮人行道控制系统(采用步进顺控指令)PLC实操考核班级:学号:姓名:得分:1.步骤和要求:1)作出PLC输入和输出端子的分配接线图,并根据需要完成输入和输出端子的接线;2)写出指令表;3)通过编程器输入指令程序;4)运行、调试,直至满足控制要求;5)在100分钟内完成。
P L C实训试题库plc模拟试题和答案一、单项选择(30分)1、PLC是在什么控制系统基础上发展起来的A、电控制系统B、单片机C、工业电脑D、机器人正确答案:A2、一般而言,PLC的I/O点数要冗余多少?A、10%B、5%C、15%D、20%正确答案:A3、PLC设计规范中,RS232通讯的距离是多少?A、1300MB、200MC、30MD、15M正确答案:D4、PLC的RS485专用通讯模块的通讯距离呢?A、1300MB、200MC、500MD、15M正确答案:C5、工业中控制电压一般是多少伏A、24VB、36VC、110VD、220V正确答案:A6、工业中控制电压一般是直流还是交流A、交流B,直流C、混合式D、交变电压正确答案:B7、请写出电磁兼容性英文缩写、A、MACB、EMCC、CMED、AMC正确答案:B8、在PLC自控系统中,对于温度控制,可用什么扩展模块A、FX2N-4ADB、FX2N-4DAC、FX2N-4AD-TCD、FX0N-3A正确答案:C9、三菱FX系列PLC普通输入点,输入响应时间大约是多少ms? A100 ms ,B、10ms C、15 ms D、30 ms正确答案B10、FX1S系列最多可以有多少个点的PLC?A、30B、128C256D、1000正确答案:A11、FX1N系列最多能扩展到多少个点A、30B、128C256D、1000正确答案:B12、FX2N系列最多能扩展到多少个点A、30B、128C256D、1000正确答案:C13、M8013的脉冲输出周期是多少?A、5秒,B、13秒C、10秒D、1秒正确答案:D14、M8013的脉冲的占空比是多少?A、50%B、100%C、40%D、60%正确答案:A15、 PLC外部接点坏了以后,换到另外一个好的点上后,然后要用软件中的哪个菜单进行操作A、寻找B、替换C、指令寻找正确答案:B16、PLC电池电压降低至下限,应怎么处理:A、没关系B、及时更换电池C、拆下电池不管正确答案:B17、十六进制的1F,转变为十进制是多少?A、3118、工业级模拟量,哪一种更容易受干扰、A、uA级B、mA级C、A级D、10A级正确答案:A19、一般而言,FX系列PLC的AC输入电源电压范围是多少?A、DC24VB、86-264VACB、220-380VAC D、24VAC-220VAC正确答案:B20、三菱FX型PLC一个晶体管输出点输出电压是多少A、DC12VB、AC110VC、AC220VD、DC24V正确答案:D21、三菱FX型PLC一个晶体管输出点输出电流是多少A、1AB、200 mAC、300 mAD、2A正确答案:C22、三菱FX型PLC输出点中,继电器一个点最大的通过电流是多少A、1AB、200 mAC、300 mAD、2A正确答案:D23、PLC的RS485专用通讯板的通讯距离呢?A、1300MB、200MC、500MD、50M正确答案:D24、在PLC自控系统中,对于压力输入,可用什么扩展模块A、FX2N-4ADB、FX2N-4DAC、FX2N-4AD-TCD、FX2N-232BD正确答案:A25、一般公认的PLC发明时间为A、1945B、1968C、1969D、1970正确答案:C26、十六进制的F,转变为十进制是多少?A、31B、32C、15D、29正确答案:C27、三菱PLC中,16位的内部计数器,计数数值最大可设定为A、32768B、32767C、10000D、100000正确答案:B28、FX主机,读取特殊扩展模块数据,应采用哪种指令A、FROMB、TOC、RSD、PID正确答案:A29、FX主机,写入特殊扩展模块数据,应采用哪种指令A、FROMB、TOC、RSD、PID正确答案:B30、 FX系列PLC中LDP,表示什么指令A、下降沿B、上升沿C、输入有效D、输出有效正确答案:B31、 FX系列PLC,主控指令应采用A、 CJB、MCC、GO TOD、 SUB正确答案:B32、 FX系列PLC中PLF,表示什么指令A、下降沿B、上升沿C、输入有效D、输出有效正确答案:A33、 FX系列PLC中SET,表示什么指令A、下降沿B、上升沿C、输入有效D、置位正确答案:D34、 FX系列PLC中RST,表示什么指令A、下降沿B、上升沿C、复位D、输出有效正确答案:C35、 FX系列PLC中OUT,表示什么指令A、下降沿B、输出C、输入有效D、输出有效正确答案:B36、STL步进是顺控图中,S10—S19的功能是什么A、初始化B、回原点C、基本动作D、通用型正确答案:B37、 STL步进是顺控图中, S0—S9的功能是什么A、初始化B、回原点C、基本动作D、通用型正确答案:A38、 FX系列PLC中,16位加法指令应用A、DADDB、ADDC、SUBD、MUL正确答案:B39、 FX系列PLC中,16位减法指令应用A、DADDB、ADDC、SUBD、MUL正确答案:C40、 FX系列PLC中,32位加法指令应用A、DADDB、ADDC、SUBD、MUL正确答案:A41、 FX系列PLC中,32位减法指令应用A、DADDB、ADDC、DSUBD、MUL正确答案:C42、M0—M15中,M0,M3数值都为1,其它都为0,那么,K4M0数值等于多少?A、10B、9C、11D、12正确答案:B43、M0—M15中,M0,M2数值都为1,其它都为0,那么,K4M0数值等于多少?A、10B、9C、11D、5正确答案:D44、M0—M15中,M0,M1数值都为1,其它都为0,那么,K4M0数值等于多少?A、1B、2C、3D、5正确答案:C45、M0—M15中,M0数值都为1,其它都为0,那么,K4M0数值等于多少?A、4B、3C、2D、1正确答案:D46、M8013是归类于A、普通继电器B、计数器C、特殊辅助继电器D、高速计数器正确答案:C47、M8002有什么功能A、置位功能B、复位功能C、常数D、初始化功能正确答案:D48、FX系列PLC中,读取内部时钟,用什么指令A、TDB、TMC、TRDD、TRDW正确答案:C49、FX系列PLC中,比较两个数值的大小,用什么指令A、TDB、TMC、TRDD、CMP正确答案:D50、 FX系列PLC中,16位的数值传送指令A、DMOVB、MOVC、MEAND、RS正确答案:B51、 FX系列PLC中,32位的数值传送指令A、DMOVB、MOVC、MEAND、RS正确答案:A52、 FX系列PLC中,32位乘法指令应用A、DADDB、ADDC、DSUBD、DMUL 正确答案:D53、 FX系列PLC中,16位乘法指令应用A、DADDB、ADDC、MULD、DMUL 正确答案:C54、 FX系列PLC中,16位除法指令应用A、DADDB、DDIVC、DIVD、DMUL正确答案:C55、 FX系列PLC中,32位除法指令应用A、DADDB、DDIVC、DIVD、DMUL正确答案:B56、 FX系列PLC中,位右移指令应用A、DADDB、DDIVC、SFTRD、SFTL 正确答案:C57、 FX系列PLC中,位左移指令应用A、DADDB、DDIVC、SFTRD、SFTL 正确答案:D58、 FX系列PLC中,求平均值指令A、DADDB、DDIVC、SFTRD、MEAN正确答案:D59、 FX系列PLC中,遇到单按钮起动开关,可以选用哪个指令?A、ADDB、SFTRC、ALTD、MEAN正确答案:C60、 FX系列PLC中,当PLC要去外部仪表进行通讯时,可以采用哪种指令?A、ALTB、PIDC、RSD、TO正确答案:C61、热继电器在电路中做电动机的什么保护?A、短路B、过载C、过流D、过压正确答案:B62、PLC的输出方式为晶体管型时,它适用于哪种负载?A、感性B、交流C、直流D、交直流正确答案:C63、二进制数1011101等于十进制数的()A、92B、93C、94D、95正确答案:B64、步进电机的控制脉冲的电压一般是多少?A、DC24VB、DC12VC、DC5VD、AC220V正确答案:C65、步进电机的加减速是通过改变哪个参数实现的?A、脉冲数量B、脉冲频率C、电压D、脉冲占空比正确答案:B66、步进电机旋转角度与哪个参数有关?A、脉冲数量B、脉冲频率C、电压D、脉冲占空比正确答案:A67、FX2N系列PLC,晶体管输出类型的PLC主机,能输出脉冲频率是多少?A、20KB、100KC、200KD、500K正确答案:A68、 FX1N系列PLC,晶体管输出类型的PLC主机,能输出脉冲频率是多少?A、20KB、100KC、200KD、500K正确答案:B69、 FX1S系列PLC,晶体管输出类型的PLC主机,能输出脉冲频率是多少?A、20KB、100KC、200KD、500K正确答案:B70、PLC程序中,手动程序和自动程序需要A、自锁B、互锁C、保持D、联动正确答案:B71、步进电机方向控制靠什么信号?A、开关量信号B、模拟量信号C、继电器换向D、接触器换向正确答案:A72、步进电机的细分数代表什么含义?A、转一圈的频率B、转一圈的脉冲C、速度D、电机电流正确答案:B73、在一定的步进电机细分下,旋转角度和哪个参数有关?A、频率B、脉冲数C、脉冲电压D、脉冲占空比正确答案:B74、如果PLC发出的脉冲的频率超过步进电机接收的最高脉冲频率,会发生A、电机仍然精确运行B、丢失脉冲,不能精确运行C、电机方向会变化D、电机方向不变正确答案:B75、步进电机在超过其额定转速时,扭矩会A、增大B、减小C、不变D、都有可能正确答案:B76、步进电机如果用的是DC5V的脉冲输入信号,目前PLC有DC24V的脉冲输出,应怎么办?A、并联一个电阻,2K欧,2WB、并联一个电阻,1K欧,1WC、串联一个电阻,2K欧,1WD、串联一个电阻,2K欧,2KW正确答案:C77、触摸屏通过哪种方式与PLC交流信息?A、通讯B、I/O信号控制C、继电连接D、电气连接正确答案:A78、触摸屏实现数值输入时,要对应PLC内部的A、输入点XB、输出点YC、数据存贮器DD、定时器正确答案:C79、触摸屏实现按钮输入时,要对应PLC内部的A、输入点XB、内部辅助继电器MC、数据存贮器DD、定时器正确答案:B79、触摸屏实现数值显示时,要对应PLC内部的A、输入点XB、输出点YC、数据存贮器DD、定时器正确答案:C80、触摸屏实现换画面时,必须指定A、当前画面编号B、目标画面编号C、无所谓D、视情况而定正确答案:B81、触摸屏不能替代统操作面板的哪个功能A、手动输入的常开按钮B、数值指拔开关C、急停开关D、LED信号灯正确答案:C82、触摸屏是用于实现替代哪些设备的功能A、传统继电控制系统B、PLC控制系统C、工控机系统D、传统开关按钮型操作面板正确答案:D83、触摸屏密码画面设计,主要运用了触摸屏的哪个功能A、数值输入B、数值显示C、使用者等级D、按钮开关正确答案:C84、触摸屏的尺寸是5、7寸,指的是A、长度B、宽度C、对角线D、厚度正确答案:C二、多项选择(30分)1、 PLC型号选择的两个重要原则:A、经济性原则,B安全性原则,C隨意性原则,D地区性原则正确答案:A,B2、PLC输入点类型的有哪些A、NPN类型,B、 PNP类型C、APN类型D、NAN类型正确答案:A,B3、现代工业自动化的三大支柱、A、PLCB、机器人C、CAD/CAMD、继电控制系统正确答案:A,B,C4、PLC输出点类型的有主要有哪些A、继电器B,可控硅C,晶体管D、IC驱动电路正确答案:A,B,C5、三菱FX系列PLC支持哪种编程方式、A梯形图,B继电接线图,C步进流程图(SFC)D、指令表正确答案:A,C,D6、温度输入传感器有哪两种类型?A、热电阻,B、热敏传感器C热电偶D、热电丝正确答案:A,B7、三菱FX系列PLC内部定时器,定时的时间单位有哪3种?A、0、1S,B、0、01s,C、0、0001D、0、001正确答案:A,B,D8、三菱FX系列PLC内部计数器,有哪两种位数的?A16位,B、8位C、32位D、64位正确答案:A,C9、步进电机控制程序设计三要素A速度 B、方向 C、时间D、加速度正确答案:A,B,D10、PLC温控模块在选取时要考虑什么、A温度范围,B精度,C广度、D使用时间正确答案:A,B11、请写出工厂自动化控制的种典型实现方式A、单片机,B、继电控制系统,C、PLCD、工控机正确答案:A,B,C,D12、通常的工业现场的模拟量信号有哪些A,温度B,压力C,湿度D,亮度正确答案:A,B,C,D13、通常的PLC特殊扩展功能模块有哪些类型A、I/O量扩展输出B、模拟量模块C、高速计数模块D、扩展单元模块正确答案:B,C14、PLC用户数据结构主要有A、位数据B,字数据C、浮点数D、位与字的混合格式正确答案:A,B,D15、 SFC步进顺控图中,按流程类型分,主要有A、简单流程B、选择性分支C、并行性分支D、混合式分支正确答案:A,B,C、 D16、PLC与PLC之间可以通过哪些方式进行通讯A、RS232通讯模块B、RS485通讯模块C、现场总线D、不能通讯正确答案:A,B,C、17、目前PLC编程主要采用哪种工具进行编程A、电脑B、磁带C、手持编程器D、纸条正确答案:A,C、18、PLC机的主要特点是()A、可靠性高B、编程方便C、运算速度快D、环境要求低E、与其它装置连接方便正确答案:A、B、C、D、E19、基本逻辑门电路有(),利用此几种基本逻辑门电路的不同组合,可以构成各种复杂的逻辑门电路、A、“与”门B、“与非”门C、“或”门D、“或非”门E、“非门”正确答案:A、B、C、D、E20、步进电机程序控制,主要控制参数是A、方向B、角度C、速度D、加速度正确答案:A、B、C、D21、触摸屏的主要尺寸有A、4、7寸B、5、7寸C、10、4寸D、12、1寸正确答案:A、B、C、D22、触摸屏与PLC通讯速度一般有哪些?A、9600bpsB、19200bpsC、38400bpsD、9000bps正确答案:A、B、C23、PLC除了用逻辑控制功能外,现代的PLC还增加了A、运算功能B、数据传送功能C、数据处理功能D、通讯功能正确答案:A、B、C,D24、串行通信根据要求,可分为A、单工B、半双工C、3/4双工D、全双工正确答案:A、B、D25、异步串行通讯接口有A、RS232B、RS485C、RS422D、RS486正确答案:A、B、CS7系列基础知识PLC选择题1(附件答案)1.世界上第一台可编程序控制器PDP-4是 A在1969年研制出来的。
班级:学号:姓名:考核时间:40分钟考核内容B-1 基本输入输出程序要求:1、画出如下梯形图2、进行仿真操作(1)点亮“运行中”指示灯并关闭(2)点亮“停止中”指示灯并关闭(3)点亮“出错”指示灯并关闭3、作答下列问题(1)常开触点有哪些?常闭触点有哪些?(2)对于“出错”指示灯,若要点亮应满足什么条件?(3)触点X21和X22属于什么逻辑关系?班级:学号:姓名:考核时间:40分钟考核内容B-2 标准程序要求:1、画出如下梯形图2、进行仿真操作(1)点亮“运行中”指示灯(2)关闭“运行中”指示灯(3)再次点亮“运行中”指示灯3、作答下列问题(1)对于“运行中”指示灯,哪个触点是启动按钮?哪个触点是停止按钮?(2)此程序实现了什么功能?(3)SET和RST分别是什么指令?班级:学号:姓名:考核时间:40分钟考核内容B-3 控制优先程序要求:1、画出如下梯形图2、进行仿真操作(1)点亮红灯(2)关闭红灯并点亮绿灯(3)关闭绿灯并点亮红灯3、作答下列问题(1)对于红灯,哪个触点是启动按钮?哪个触点是停止按钮?(2)对于绿灯,哪个触点是启动按钮?哪个触点是停止按钮?(3)此程序实现顺序优先控制功能,顺序越靠前还是越靠后优先级越高?班级:学号:姓名:考核时间:40分钟考核内容B-4 输入状态读取要求:1、画出如下梯形图2、进行仿真操作(1)点亮绿灯并使输送带正转(2)机械手动作供给物品(3)关闭绿灯、输送带和机械手3、作答下列问题(1)触点X24,属于什么脉冲触发?即在触点怎样的瞬间动作?(2)触点X20,属于什么脉冲触发?即在触点怎样的瞬间动作?(3)停止按钮X21可以控制哪些输出继电器?班级:学号:姓名:考核时间:40分钟考核内容C-1 基本定时器操作要求:1、画出如下梯形图2、进行仿真操作(1)使门动作上升(2)使门动作下降3、作答下列问题(1)定时器T0的延时时间为多久?(2)定时器T1的延时时间为多久?(3)当定时器的延时时间到后,它自带的常开触点会怎样动作?常闭触点会怎样动作?班级:学号:姓名:考核时间:40分钟考核内容C-2 应用定时器程序-1要求:1、画出如下梯形图(40分)2、进行仿真操作(30分)(1)点亮红灯并使其在3s后关闭(2)点亮绿灯并使其在5s后关闭3、作答下列问题(30分)(1)当按下PB1按钮(X20),红灯是什么状态?(2)当按下再松开PB1,红灯状态会是什么样?(2)当按下PB2按钮(X21),绿灯是什么状态?班级:学号:姓名:考核时间:40分钟考核内容C-3 应用定时器程序-2要求:1、画出如下梯形图2、进行仿真操作(1)点亮绿灯并使其闪烁(2)关闭绿灯3、作答下列问题(1)绿灯闪烁时,它的点亮状态保持时间是多久?(2)绿灯闪烁时,它的熄灭状态保持时间是多久?(3)若想将绿灯的闪烁状态改为亮4秒灭4秒,应该对梯形图进行怎样的修改?班级:学号:姓名:考核时间:40分钟考核内容C-4 基本计数器程序要求:1、画出如下梯形图2、进行仿真操作(1)输送带正转(2)供给物品(3)当“计数上升指示灯”点亮后关闭它3、作答下列问题(1)C0计数器最多可以计数到多少?(2)当计数达到上线后,哪个触点会动作?(3)RST C0可以实现什么功能?。
电气自动控制模块实训题5――原料系统PLC控制变频凋速系统1.操作条件(1)、安川电机Varispeed G7交流变频调速实训装置:(2)、三相交流异步电动机:YSJ7124P N=370W,U N=380V, I N=1.12A, n N=1400r/min ,f N=50HZ,COSφN=0.72,ηN=0.70(3)FX2N系列的PLC实训装置(配备装有三菱编程软件SWOPC-FXGP/WIN-C的电脑)2.操作内容(1)工艺流程及控制要求:1)系统工作概况:原料系统工艺流程示意图如下图所示。
运料小车由三相交流电动机驱动。
注:SQ1-X11,SQ2-X12,SQ3-X13,SQ4-X14,SQ5-X15,KM1-Y5,KM2-Y6,KM3-Y7,KM4-Y4 KM5-Y1,KM6-Y2。
本原料系统具有自动工作方式与手动点动工作方式,具体由自动工作与手动点动工作转换开关选择。
在自动工作方式时,运料小车处于原点即限位开关SQ1压合,卸料门关闭,按启动按钮后,运料小车按照料仓选择开关K2预先设定的料斗,到该料仓进行装料,装好料到卸料处卸料,卸完料到清洗处清洗,然后再返回料仓选择开关K2预先设定的料仓装料,卸料,清洗,如此不断自动循环工作。
按停止按钮后,运料小车在本次装料、卸料、清洗完成后,快速回到原点停止。
按急停按钮后,运料小车立即停在原处,由手动点动工作方式进行处理。
在手动点动工作时,运料小车可通过正向点动按钮和反向点动按钮进行正向点动和反向点动以便对设备进行调整、检修和故障处理。
原料系统电气自动控制系统采用PLC控制,运料小车电动机采用交流变频调速系统, 运料小车电动机交流变频调速系统亦由PLC控制。
2)自动工作方式时装料、卸料及清洗运行控制要求:①甲、乙料斗由料仓选择开关K2选择。
当K2闭合时为甲料斗,当K2断开时为乙料斗。
②在原位时按下启动按钮时,运料小车按照料仓选择开关K2预先设定的料斗进行装料。
电气控制及PLC模拟试卷一、选择题(每题1分,共5分)1.PLC的全称是什么?A.可编程逻辑控制器B.可编程控制器C.可编程逻辑计算器D.可编程逻辑计算机2.下列哪种编程语言不属于PLC的编程语言?dderDiagram(梯形图)B.FunctionBlockDiagram(功能块图)C.C语言D.StructuredText(结构化文本)3.下列哪种设备不属于电气控制设备?A.继电器B.接触器C.传感器D.变频器4.下列哪种PLC输入模块类型用于模拟信号输入?A.数字输入模块B.模拟输入模块C.数字输出模块D.模拟输出模块5.下列哪种编程语言在PLC中应用最广泛?dderDiagram(梯形图)B.FunctionBlockDiagram(功能块图)C.StructuredText(结构化文本)D.SequentialFunctionChart(顺序功能图)二、判断题(每题1分,共5分)1.PLC是一种通用的工业控制计算机。
()2.继电器在PLC控制系统中主要用于实现逻辑控制功能。
()3.电气控制及PLC技术只能应用于工业生产领域。
()4.在PLC控制系统中,输入模块和输出模块可以互换使用。
()5.PLC编程语言中,LadderDiagram(梯形图)是最直观、最容易理解的编程语言。
()三、填空题(每题1分,共5分)1.PLC的英文全称是______。
2.在PLC控制系统中,______用于实现逻辑控制功能。
3.PLC的编程语言包括LadderDiagram(梯形图)、FunctionBlockDiagram(功能块图)、StructuredText(结构化文本)和______。
4.PLC的输入模块和输出模块分别用于接收和输出______信号。
5.在PLC控制系统中,______用于实现电气控制设备的启停、正反转等控制功能。
四、简答题(每题2分,共10分)1.简述PLC的工作原理。
2.请列举三种常用的PLC编程语言。
第一章实训任务、目的及要求1.1 实训要求1. 确定控制方案,选择PLC和变频器。
2. 画出电气控制线路图。
3. 设计程序。
4. 完成PLC控制系统梯形图软件及其语句表的编制任务。
5. 在实验室条件下,通过试验调试初步验证其程序的正确性。
1.2 实训任务和目的1.了解PLC 控制变频调速系统。
2.了解S7-200CPU 加M440 变频器参数设置。
3.了解电气控制系统设计的基本原则、内容与一般步骤。
4.掌握PLC 变频调速控制系统调试基本过程和方法。
1.3 系统控制要求1.变频调速器受0-10v 电压控制。
输出0Hz 对应同步转速为0r/min。
输出50Hz 对应同步转速为1500r/min。
输出100Hz 对应同步转速为3000r/min。
输入电压与输出频率按线性关系变化。
2.要求输出转速按函数变化,请编写梯形图控制程序,并完成调试。
3.改变输出转速-时间的变化函数,重复上述过程。
1.4 PLC 简介1.4.1 PLC 的基本概念可编程控制器是计算机家族中的一员,是为工业控制应用而设计制造的。
早期的可编程控制器称作可编程逻辑控制器(ProgrammableLogicController),简称PLC,它主要用来代替继电器实现逻辑控制。
随着技术的发展,这种装置的功能已经大大超过了逻辑控制的范围,因此,今天这种装置称作可编程控制器,简称PC。
但是为了避免与个人计算机(PersonalCompute)r的简称混淆,所以将可编程控制器简称PLC。
由于它可通过软件来改变控制过程,而且具有体积小,组装灵活,编程简单,抗干扰能力强及可靠性高等特点,非常适合于在恶劣的工业环境下使用。
故自60 年代末第一台PLC 问世以来,已很快被应用到机械制造、冶金、矿业、轻工等各个领域,大大推进了机电一体化进程。
进入80 年代,随着微电子技术和计算机技术的迅猛发展,使得可编程控制器有了突飞猛进的发展,功能日益增强,已远远超出逻辑控制、顺序控制的范围,具备模数转换、数模转换、高速计数、速度控制、位置控制、轴定位控制、温度控制、PID 控制、远程通讯、高级语言编辑以及各种物理量转换等功能。
电气控制与PLC 实训课题题库实训课题题库*课题一课题一::小车运料控制小车运料控制1、送料小车在限位开关X4处装料,10S 后结束然后右行,碰到X3后停下来卸料,15S 后左行,碰到X4后,又停下来装料,这样不停地循环工作,直到按下停止按钮。
2、两处卸料的小车自动控制系统梯形图的设计送料小车在限位开关X4处装料,10S 后结束然后右行,碰到X5后停下来卸料,15S 后左行,碰到X4后,又停下来装料,10S 后结束然后右行,中途碰到X5不停继续右行,碰到X3后才停下来卸料,15S 后左行,这样不停地循环工作,直到按下停止按钮。
设计要求设计要求::用基本指令和步进顺控指令两种编程方法完成*课题二课题二::十字路口交通信号灯十字路口交通信号灯的的PLC 控制控制设计要求设计要求::1、接通交通灯工作开关(X000)后,南北红灯亮60s 时间(同时东西绿灯亮55s 后闪烁3s 停止,而后东西黄灯亮2s 停止)停止;2、南北红灯结束点亮后,东西红灯亮60s 时间(同时南北绿灯亮55s 后闪烁3s 停止,而后南北黄灯亮2s 停止)停止;3、再循环到南北红灯点亮60s 时间停止,如此循环;4、甲指示灯模拟东西向行驶车,乙指示灯模拟南北向行驶车;5、用基本指令和顺控指令(或功能指令)两种编程方法完成。
*课题三课题三::智能抢答器智能抢答器有4个抢答台,在主持人的支持下,参赛人通过抢先按下抢答按钮回答问题。
当主持人按下抢答按钮后,抢答开始,并限定时间。
在规定的时间内,最先按下按钮的由七段数码管显示该台台号,其他抢答按钮无效,如果在限定的时间内各参赛人在30秒均不能回答,此后在按下无效。
如果在主持人未按下开始按钮之前,有人按下抢答按钮,则属违规,在显示该台台号时,违规指示灯闪亮,其他按钮无效。
各台号数字显示的消除和违规指示灯的关断,都要通过主持人按下复位按钮。
设计要求设计要求::用基本指令编程方法完成思考思考::在有人抢答情况下,抢得的队必须在30s 内完成答题。
plc控制技术考试题库及答案一、单项选择题1. PLC的全称是()。
A. 可编程逻辑控制器B. 可编程逻辑计算机C. 可编程逻辑电路D. 可编程逻辑设备答案:A2. PLC的工作原理是基于()。
A. 顺序控制B. 循环扫描C. 事件驱动D. 时间驱动答案:B3. 在PLC中,输入继电器通常用()表示。
A. IB. MC. TD. C答案:A4. PLC的输出继电器通常用()表示。
A. IB. MC. QD. C答案:C5. PLC的辅助继电器通常用()表示。
A. IB. MC. TD. C答案:B二、多项选择题1. PLC的编程语言包括()。
A. 梯形图B. 顺序功能图C. 功能块图D. 结构化文本答案:ABCD2. PLC的输入设备可以包括()。
A. 按钮B. 传感器C. 继电器D. 显示器答案:ABC3. PLC的输出设备可以包括()。
A. 接触器B. 指示灯C. 电机D. 变频器答案:ABCD三、判断题1. PLC的扫描周期包括输入处理、程序执行和输出处理三个阶段。
()答案:正确2. PLC的扫描周期是固定的,不会受到程序复杂度的影响。
()答案:错误3. PLC的输出继电器可以同时控制多个输出设备。
()答案:正确4. PLC的辅助继电器可以作为中间存储单元使用。
()答案:正确5. PLC的输入/输出继电器的地址是固定的,不能更改。
()答案:错误四、简答题1. 简述PLC的工作原理。
答:PLC的工作原理是基于循环扫描,每个扫描周期包括输入处理、程序执行和输出处理三个阶段。
在输入处理阶段,PLC读取所有输入设备的状态;在程序执行阶段,PLC根据输入状态和程序逻辑计算输出状态;在输出处理阶段,PLC更新所有输出设备的状态。
2. 描述PLC的输入/输出继电器的作用。
答:PLC的输入继电器用于存储输入设备的状态,如按钮、传感器等;输出继电器用于控制输出设备的状态,如接触器、指示灯等。
输入/输出继电器的地址通常由PLC的硬件配置决定,但在编程时可以重新分配。
电气控制与plc系统考试试题及答案一、选择题(每题2分,共20分)1. PLC的全称是:A. 可编程逻辑控制器B. 可编程线性控制器C. 可编程逻辑计算机D. 可编程逻辑电路答案:A2. PLC的工作原理基于:A. 循环扫描B. 顺序执行C. 并行执行D. 随机执行答案:A3. 下列哪个不是PLC的输入设备?A. 按钮B. 传感器C. 继电器D. 显示器答案:D4. PLC的输出设备通常包括:A. 继电器B. 接触器C. 显示器D. 所有以上答案:D5. PLC的编程语言不包括:A. 梯形图B. 语句列表C. 汇编语言D. 结构化文本答案:C6. PLC的扫描周期主要取决于:A. CPU的速度B. 程序的复杂性C. 输入/输出的数量D. 以上所有答案:D7. PLC的I/O地址分配通常由什么决定?A. 用户B. PLC型号C. 程序设计D. I/O模块答案:B8. PLC的自诊断功能主要用于:A. 检测外部设备B. 检测内部故障C. 检测程序错误D. 检测电源问题答案:B9. PLC的扩展模块通常用于:A. 增加输入/输出点B. 增加CPU处理能力C. 增加存储空间D. 增加通信功能答案:A10. PLC的通信协议不包括:A. ModbusB. ProfibusC. CANopenD. USB答案:D二、填空题(每题2分,共20分)1. PLC的输入/输出接口通常被标记为________和________。
答案:I/O2. PLC的CPU模块负责执行________和________。
答案:逻辑运算,数据处理3. PLC的编程软件通常提供________和________两种模式。
答案:编程,调试4. PLC的输出模块通常包括继电器、________和________。
答案:晶体管输出,晶闸管输出5. PLC的扫描周期包括________和________两个阶段。
答案:输入扫描,输出扫描6. PLC的通信协议用于实现设备之间的________和________。
plc实操试题及答案一、选择题(每题2分,共20分)1. PLC的全称是()。
A. 可编程逻辑控制器B. 可编程线性控制器C. 可编程逻辑计算机D. 可编程逻辑控制板答案:A2. PLC的输入信号通常由()提供。
A. 传感器B. 执行器C. 显示器D. 继电器答案:A3. PLC的输出信号通常用于控制()。
A. 传感器B. 执行器C. 显示器D. 继电器答案:B4. PLC的扫描周期主要由()决定。
A. CPU速度B. 程序复杂度C. 内存容量D. 输入输出数量答案:B5. 在PLC编程中,通常使用()来表示常闭触点。
A. 0B. 1C. XD. Y答案:A6. PLC的编程语言中,()是结构化文本。
A. Ladder DiagramB. Function Block DiagramC. Structured TextD. Instruction List答案:C7. PLC的通信协议中,()是最常见的一种。
A. ModbusB. ProfibusC. CANopenD. Ethernet/IP答案:A8. PLC的故障诊断通常可以通过()来实现。
A. 程序监控B. 系统监控C. 硬件监控D. 所有选项答案:D9. PLC的输入/输出模块通常由()组成。
A. 电源模块B. 信号模块C. 通信模块D. 所有选项答案:B10. 在PLC编程中,()用于实现定时功能。
A. 计时器B. 计数器C. 累加器D. 寄存器答案:A二、填空题(每题2分,共20分)1. PLC的输入/输出地址通常以_________和_________的形式表示。
答案:输入地址/输出地址2. PLC的程序存储器通常由_________和_________组成。
答案:RAM/ROM3. PLC的输出类型通常分为_________和_________。
答案:继电器输出/晶体管输出4. PLC的扫描周期包括_________和_________两个阶段。
plc考试题及答案导言:本文将为您提供一系列PLC(可编程逻辑控制器)考试题及答案。
通过这些题目的练习,您可以巩固和提升您的PLC知识,为将来的考试做好准备。
1. PLC的全称是什么?请简要描述PLC的功能和应用领域。
答案:PLC的全称是“可编程逻辑控制器”。
PLC是一种专门用于工业自动化控制的计算机系统,其主要功能是根据预先编写好的程序执行各种控制任务。
PLC的应用领域非常广泛,例如生产线控制、机器人控制、交通信号控制等。
2. 请简要描述PLC的工作原理。
答案:PLC的工作原理主要分为三个步骤:输入、处理和输出。
首先,外部传感器将各种信号输入到PLC中,例如开关状态、温度等。
其次,PLC将这些输入信号与预先编写的程序进行比较和分析,并根据程序中设定的逻辑关系来确定输出信号的状态。
最后,PLC将输出信号传输到执行机构,如电磁阀、电动机等,从而完成相应的控制任务。
3. 简述常见的PLC编程语言及其特点。
答案:常见的PLC编程语言包括梯形图(Ladder Diagram)、指令表(Instruction List)、功能块图(Function Block Diagram)等。
梯形图是一种直观易懂的图形化编程语言,类似于电气图谱;指令表则以文本方式表达程序,适合编写简洁高效的控制逻辑;功能块图则通过连接各种函数块来完成程序编写,便于模块化和复用。
4. PLC的输入和输出可以分为哪几种类型?请简要描述每种类型的特点。
答案:PLC的输入和输出可以分为数字量和模拟量两种类型。
数字量是指只有两个状态(开/关)的信号,例如开关信号、传感器状态等;模拟量则代表连续变化的信号,例如温度、压力等。
数字量输入和输出通常用于控制开关状态和计数操作,而模拟量输入和输出则适用于需要精确控制的场景,如温度调节和速度控制。
5. 在PLC中,常见的逻辑门有哪些?请列举并描述其功能。
答案:常见的逻辑门包括与门(AND)、或门(OR)、非门(NOT)、异或门(XOR)等。
plc控制试题及答案随着工业自动化的快速发展,PLC(可编程逻辑控制器)作为一种重要的自动化控制设备,被广泛应用于工业生产线的控制系统中。
为了能够更好地了解和掌握PLC控制的知识,下面将提供一些常见的PLC控制试题及答案,以供参考。
一、选择题1. 下列哪个不属于PLC的基本部件?A. CPU(中央处理器)B. 内存单元C. 输入/输出模块D. 电源模块答案:D2. PLC控制系统最基本的组成是什么?A. 控制器B. 传感器C. 执行器D. 人机界面答案:A3. PLC的主要功能是什么?A. 实时监测和控制生产过程B. 采集和处理各种信号C. 实现复杂的算法运算D. 与上位机进行通讯答案:A4. PLC控制系统最常用的编程语言是什么?A. Ladder Diagram(梯形图)B. C语言C. FBD(功能块图)D. STL(结构化文本语言)答案:A5. PLC与传统继电器控制相比,优势是什么?A. 可实现更复杂的逻辑运算B. 采用数字信号传输,减少干扰C. 具备编程功能,易于调试和维护D. 执行速度更快,响应更灵敏答案:C二、填空题1. 错误的输入信号或未按预期工作的输出结果,称为____________。
答案:故障2. 控制对象和控制器之间的相关信息传递使用____________进行。
答案:输入/输出(IO)信号3. PLC输入/输出模块的作用是将____________信号转换为数字信号,或将数字信号转换为____________信号。
答案:模拟,数字4. 在PLC中,程序通常由____________和____________两部分组成。
答案:输入端,输出端5. 逻辑门包括与门、或门和____________等。
答案:非门三、简答题1. 简述PLC控制系统的工作原理。
答案:PLC控制系统的工作原理是通过接收传感器采集的输入信号,经过CPU处理后,产生控制输出信号驱动执行器或其他设备。
PLC控制系统首先进行输入信号的采集,然后进行数据处理和逻辑判断,最后根据程序的逻辑规则生成控制输出信号,实现对执行器的控制。
电气控制与plc考试题库及答案一、单选题1. PLC的全称是()。
A. 可编程逻辑控制器B. 可编程线性控制器C. 可编程逻辑计算机D. 可编程逻辑控制单元答案:A2. 下列哪个选项不是PLC的特点?()。
A. 高可靠性B. 易于编程C. 价格昂贵D. 灵活性高答案:C3. PLC的输入/输出接口通常采用的信号类型是()。
A. 模拟信号B. 数字信号C. 光信号D. 声音信号答案:B二、多选题1. PLC在工业控制中的应用包括()。
A. 机床控制B. 交通信号控制C. 家庭电器控制D. 机器人控制答案:A B D2. 下列哪些是PLC的编程语言?()。
A. 梯形图B. 指令列表C. 功能块图D. 自然语言答案:A B C三、判断题1. PLC的输入/输出接口可以直接与交流220V的设备连接。
()答案:错误2. PLC的扫描周期是指PLC完成一次从输入扫描到输出更新的全过程。
()答案:正确3. PLC的程序可以在运行中随时修改。
()答案:错误四、填空题1. PLC的编程语言中,______图是最常用的编程语言之一。
答案:梯形2. PLC的输出接口通常包括______输出和继电器输出。
答案:晶体管3. PLC的输入接口通常包括______输入和______输入。
答案:直流;交流五、简答题1. 简述PLC的工作原理。
答案:PLC的工作原理是采用循环扫描的方式,首先对输入信号进行扫描,然后执行用户程序,最后更新输出状态。
2. 解释PLC的扫描周期对系统性能的影响。
答案:PLC的扫描周期决定了系统响应的速度,扫描周期越短,系统响应越快,但可能会增加CPU的负担,反之则可能导致系统响应变慢。
六、计算题1. 假设一个PLC的扫描周期为10ms,计算在1分钟内该PLC可以完成多少次扫描。
答案:1分钟=60000ms,60000ms / 10ms = 6000次。
2. 如果一个PLC的输入信号处理时间为2ms,输出信号处理时间为1ms,计算该PLC的最小扫描周期。
PLC实习题目第一篇:PLC实习题目实习题目:四层货运电梯PLC控制程序一、实习目的:通过对该程序的调试,进一步深化所学知识,掌握一般性复杂程序的编程、调试。
熟练掌握PLC程序的编制方法。
二、实习内容本题目主要从控制原理上解决电梯控制的基本要求,要求设计并调试满足如下要求的梯形图程序:1.电梯运行到位后具有手动和自动关门功能;自动关门指按上升或下降键之后,电梯上升之前,能自动关门到位才上升。
2.自动判别电梯运行方向,并作出电梯正在上行或下降的指示。
3.指示召唤信号,楼层到达指示。
4.梯在无人值守情况下自动工作。
三、I/O点分配输入 I输出O开门按钮:X0(点动)开门接触器:Y0关门按钮:X1(点动)关门接触器:Y1开门到位开关:X2上行接触器:Y2关门到位开关:X3上行指示灯:Y3一层接近开关:X4下行接触器:Y4二层接近开关:X5下行指示灯:Y5三层接近开关:X6一层楼层指示:Y6四层接近开关:X7二层楼层指示:Y7一层向上召唤:X10三层楼层指示:Y10二层向上召唤:X11四层楼层指示:Y11二层向下召唤:X12一层上召指示:Y12三层向上召唤:X13二层上召指示:Y13三层向下召唤:X14二层下召指示:Y14四层向下召唤:X15三层上召指示:Y15舱内一层按钮:X16三层下召指示:Y16舱内二层按钮:X17四层下召指示:Y17舱内三层按钮:X20舱内三层按钮:X21舱内四层按钮:X22四、实习要求:1、设计说明书一份(含封面、目录、题目要求、题目分析、PLC 选型与I/O分配、软件程序的设计、软件程序的工作原理、设计体会、参考文献);2、完成软件程序的设计,并可就软件与老师一对一演示、修改。
电气与电子工程系2012年12月5日第二篇:PLC课程设计题目课程设计题目1.基于PLC的舞台灯控制2.基于PLC的交通信号灯设计3.基于PLC的机械手自动控制4.基于PLC的四层电梯控制5.基于PLC的刀库捷径方向选择控制6.基于PLC的物料混合控制7.基于PLC的水塔水位控制8.基于PLC的邮件分拣控制9.基于PLC的四级传送带控制 10.基于PLC的自动洗车控制11.基于PLC的运料小车自动往复行程控制 12.基于PLC的两台电机顺序运行控制 13.基于PLC的两台电机循环运行控制 14.基于PLC的产品数量检测设计15.基于PLC的用按钮控制人行道交通灯的设计 16.基于PLC的教室电铃控制设计第三篇:PLC课程设计参考题目1.停车场车位控制2.病床呼叫系统3.自助洗车机控制4.自动售货机控制系统设计5.液体混合装置控制系统设计6.霓虹灯PLC控制系统设计7.四层电梯PLC控制系统设计8.车辆出入库控制系统设计9.全自动洗衣机控制系统设计10.啤酒包装自动控制系统设计11.十字路口交通灯控制系统程序设计12.轧钢机控制系统程序设计13.挖土机控制系统程序设计14.基于PLC的智能交通灯控制系统设计15.PLC控制的升降横移式自动化立体车库 16.PLC控制的花样喷泉 17.PLC控制的抢答器设计18.基于PLC的机械手控制系统设计19.自诊断水塔水位自动控制20.电子计算器设计 21.邮件分捡控制22.PLC控制自动门的设计 23.PLC控制锅炉输煤系统 24.PLC控制变频调速电梯设计 25.自动送料装车系统PLC控制设计 26.基于PLC的矿井提升机控制系统设计 27.多种液体混合加热PLC控制系统设计 28.成型机全自动控制29.PLC控制的自动罐装机系统设计 30.步进电机控制 31.全自动皮带运输机设计32.基于PLC的矿井通风机控制系统设计 33.基于PLC的矿井排水系统设计34.基于PLC的变频恒压供水系统设计35.工业污水处理的PLC控制 36.彩灯广告屏的PLC控制 37.组合车床的PLC控制系统设计38.PLC控制的自动售货机39.自动装箱生产线的PLC控制系统 40.加热反应炉的PLC控制第四篇:PLC仿真训练题目PLC仿真训练题目1.编写一控制电动机起动和停止程序,要求:按下启动按钮10秒后,电动机M1起动,20秒后,电动机M2起动;按下停止按钮后,M2在10秒后停止,M1在20秒后停止。
PLC 试题答案及重点归纳汇总1、常用的主令电器有按钮、行程开关和变换开关等。
、沟通接触器的灭弧一般采纳___________ 、 ____________ 和 ______________ 等,直流接触器采纳 __________ 灭弧的方式。
、三相笼型异步电动机常用的降压起动方法有定子串电阻或阻抗减压起动、星形- 三角形换接减压起动和延边三角形减压起动及自耦变压器减压起动等。
、实现电动机短路保护,往常采纳熔断器。
、为使变速时齿轮易于啮合,X62W铣床中设置了________________ 控制线路。
、PLC 是经过一种周期扫描工作方式来达成控制的,每个周期主要包含输入采样、程序履行、输出刷新三个阶段。
、说明以下指令意义。
MC 主控指令ORB模块或指令RET置位指令LD动合触头起指令MPS进栈指令RST复位指令、低压电器按操作方式可分为自动电器和手动电器。
、电气控制系统中常用的保护环节有短路保护、过电流保护、过载保护和电压保护和弱磁保护等。
0、电气控制系统图主要有:电气原理图、电气元件部署图和电气安装接线图等。
1、笼型异步电动机常用的电气制动方式有能耗制动和反接制动。
2、 PLC 采纳周期扫描的工作方式,一个扫描周期主要可分为输入采样、程序履行及输出刷新三个阶段。
3、串连触点许多的电路应编在梯形图的上方,并联触点多的电路应放在梯形图的左方。
4、 PLC 主控继电器指令是MC ,主控继电器结束指令是MCR 。
5、 PLC的硬件主要由输入电路、输出电路和内部控制电路三部分构成。
6、电磁机构由吸引线圈、死心、衔铁等几部分构成。
7、各样低压断路器在构造上都有主触头、灭弧装置、自由脱扣器和操作机构等部分构成。
8、沟通接触器的触点系统分为主触头和协助触点,用来直接接通和分断沟通主电路和控制电路。
9、热继电器是利用电流流过发热元件产生热量来使检测元件受热曲折,从而推进机构动作的一种保护电器,主要被用作电动机的长久过载保护。
电气自动控制模块实训题5――原料系统PLC控制变频凋速系统
1.操作条件
(1、安川电机Varispeed G7交流变频调速实训装置:
(2、三相交流异步电动机:YSJ7124
P N=370W,U N=380V, I N=1.12A, n N=1400r/min ,f
N=50HZ,COSφN=0.72,ηN=0.70
(3FX2N系列的PLC实训装置(配备装有三菱编程软件SWOPC-FXGP/WIN-C 的电脑
2.操作内容
(1工艺流程及控制要求:
1系统工作概况:原料系统工艺流程示意图如下图所示。
运料小车由三相交流电动机
驱动。
注:SQ1-X11,SQ2-X12,SQ3-X13,SQ4-X14,SQ5-X15,KM1-Y5,KM2-Y6,KM3-
Y7,KM4-Y4 KM5-Y1,KM6-Y2。
本原料系统具有自动工作方式与手动点动工作方式,具体由自动工作与手动点动工作转换开关选择。
在自动工作方式时,运料小车处于原点即限位开关SQ1压合,卸料门关闭,按启动按钮后,运料小车按照料仓选择开关K2预先设定的料斗,到该料仓进行装料,装好料到卸料处卸料,卸完料到清洗处清洗,然后再返回料仓选择开关
K2预先设定的料仓装料,卸料,清洗,如此不断自动循环工作。
按停止按钮后,运料小车在本次装料、卸料、清洗完成后,快速回到原点停止。
按急停按钮后,运料小车立即停在原处,由手动点动工作方式进行处理。
在手动点动工作时,运料小车可通过正向点动按钮和反向点动按钮进行正向点动和反向点动以便对设备进行调整、检修和故障处理。
原料系统电气自动控制系统采用PLC控制,运料小车电动机采用交流变频调速系统, 运料小车电动机交流变频调速系统亦由PLC控制。
2自动工作方式时装料、卸料及清洗运行控制要求:
①甲、乙料斗由料仓选择开关K2选择。
当K2闭合时为甲料斗,当K2断开时为乙料斗。
②在原位时按下启动按钮时,运料小车按照料仓选择开关K2预先设定的料斗进行装料。
当料仓选择开关K2选择甲料斗进行装料时,运料小车电动机先以1300 r/min速度运行_5__秒钟,然后减速至500 r/min速度运行,当运料小车到达相应行程开关SQ3时停车装料。
甲料斗装料由KM1(Y5控制装料_6__秒钟。
当料仓选择开关K2选择乙料斗进行装料时,运料小车电动机先以1300 r/min速度运行_7___秒钟,然后减速至500r/min速度运行,当运料小车到达相应行程开关SQ4时停车装料。
乙料斗装料由KM2(Y6控制装料__6__秒钟。
③运料小车装料完毕以1000 r/min速度运行_4__秒钟,然后减速至300 r/min速度
运行,当运料小车到达行程开关SQ2时停车卸料。
由KM4(Y4控制卸料_5___秒钟。
④卸料完成后,运料小车电动机先以1300 r/min速度运行_6___秒钟后再以
500r/min速度驶向清洗处,当运料小车到达行程开关SQ5停车清洗。
由
KM3(Y7控制清洗小车___7_秒钟。
⑤小车清洗完毕,先以1300 r/min速度反向运行_3___秒钟后,再减速到
500r/min反向运行再返回料仓选择开关K2预先设定的料斗进行装料,然后再卸料,清洗,如此不断自动循环工作。
⑥按停止按钮后,运料小车在本次装料、卸料、清洗完成后,以1300 r/min速度运
行___6__秒钟后再以500 r/min速度驶向原点,当运料小车到达行程开关SQ1停车。
⑦按急停按钮后,运料小车立即在原处停止运行。
3PLC控制系统和交流变频调速系统控制要求:
①原料系统电气自动控制系统设有自动工作与手动点动工作转换开关,自动工作时设有启动按钮,停止按钮和急停按钮。
手动点动工作时设有运料小车正向点动按钮和反向点动按钮等。
②原料系统电气自动控制系统采用PLC控制,运料小车电动机采用交流变频调速系统, 运料小车电动机交流变频调速系统亦由PLC控制。
运料小车交流变频调速
系统采用PLC控制交流变频器的数字量输入端口来控制变频调速系统的起停、正反转、多段固定频率设定及正反向点动等。
③运料小车交流变频调速系统的主电路设有自动空气断路器和熔断器。
为满足运料小车工艺控制要求, 并配置能耗制动单元和能耗制动电阻。
运料小车交流变频调速系统控制方式采用无PG的V/f控制方式(无PG的矢量控制。
4交流变频调速系统设定值:
①电动机起动从0~1500r/min耗时 2.5 秒,制动从1500 ~0 r/min耗时 1.5 秒。
②要求交流电动机按S字曲线进行加、减速运行,加速开始、加速完了、减速开始、减
速完了的S字特性时间分别为_0.6_秒、_0.5_秒、__0.4_秒、__0.3__秒。
③停车时,当转速降至250 r/min开始进行直流制动,直流制动电流为50%电动机
额定电流,制动时间为0.6 秒
④正向点动速度为_200_r/min,反向点动速度为_200r/min。
⑤以上各转速均为该电动机的同步转速(忽略转速降。
(2根据上述工艺流程与控制要求及给定的PLC实训装置和交流变频调速实训装置,写出PLC控制系统输入、输出I/O地址编号,画出原料系统PLC控制系统和交流变频调速系统接线图,并在实训装置上完成系统接线。
2画出配料系统的PLC控制系统和交流变频调速系统接线图
(3按系统工艺流程与控制要求写出程序,并上机编制程序与调试。
(4按系统控制要求与设定值写出变频器参数设置清单,并完成变频器参数设置及调试。
(5完成PLC控制系统和交流变频调速系统调试运行并实现系统控制功能,结果向考评员演示。
6
7
8
9。