lcd驱动原理
- 格式:docx
- 大小:13.60 KB
- 文档页数:3
LCD基本驱动原理LCD(液晶显示器)的基本驱动原理是利用液晶分子在电场作用下改变其排列方式来控制光的透过和阻挡,从而实现图像的显示。
下面将以液晶显示器的构造、液晶原理和驱动方法三个方面详细介绍LCD的基本驱动原理。
液晶显示器主要由三部分组成:玻璃基板,液晶层和电极层。
液晶层是一层特殊的有机化合物,它在没有电场时呈现正常或散乱的排列状态;而在有电场作用下,液晶分子会发生定向,使光线通过的情况发生改变。
电极层是由透明导电材料制成的,它能够在液晶层上施加电场。
玻璃基板用来提供结构支撑和保护。
液晶的驱动原理基于液晶分子的排列方式,液晶分为向列型和相序型两种。
向列型液晶具有向列排列,这意味着分子在没有电场作用下是按照规则排列的,在电场作用下分子会倾斜或扭曲改变光的透过和阻挡。
相序型液晶则具有无序排列,电场的作用下,它们会排列成特定的序列,使光线通过的情况发生变化。
根据液晶材料的不同,液晶显示器被分为TN (扭曲向列型)、STN(超扭曲向列型)、IPS(In-Plane Switching,平面转向型)和VA(Vertical Alignment,垂直向列型)等类型。
液晶显示器的电极层通过施加电压,产生电场。
液晶分子受到电场的作用,改变排列状态,从而改变传递的光的强度和偏振方向。
根据不同的液晶构造和目标显示效果,液晶显示器的驱动方法也有所不同。
最常用的驱动方法是矩阵驱动法,其中最常见的是被动矩阵驱动法和主动矩阵驱动法。
被动矩阵驱动法是通过将水平和垂直方向的扫描线分别与透明电极交叉连接来驱动液晶分子。
每个像素点都位于两条扫描线的交叉点上,通过施加相应的电压,控制液晶分子改变透光或阻挡光。
主动矩阵驱动法使用了一个透明的源驱动器和一个选通驱动器。
透明的源驱动器是将输入像素数据线连接到显示面板的水平行,而选通驱动器是将输出扫描线驱动到显示面板的垂直行。
通过控制源驱动器和选通驱动器的电压,选择性地驱动特定的像素点,从而控制液晶分子的排列,实现图像的显示。
lcd驱动ic原理
LCD驱动IC是一种用于控制液晶显示屏(LCD)的集成电路。
它负责接收来自主控芯片的指令,并将图像、文本等数据转换为适合液晶显示的信号。
LCD驱动IC的原理主要包括以下几
个方面:
1. 数据处理:LCD驱动IC接收来自主控芯片的指令和数据,
通过内部的逻辑电路对这些数据进行解析和处理。
根据不同的指令和数据格式,LCD驱动IC会执行相应的操作。
2. 显示控制:LCD驱动IC需要根据指令和数据来控制液晶显
示屏的像素点亮和灭。
一般来说,液晶显示屏由一组行和列组成的像素阵列,LCD驱动IC根据接收到的数据来选择哪些像
素点亮、哪些像素灭,从而显示出图像或文字。
3. 电源控制:LCD驱动IC还负责控制液晶显示屏的电源供应。
它可以通过控制不同的电压信号来调节液晶的对比度、亮度等参数,以达到最佳的显示效果。
4. 时序控制:液晶显示屏的像素点亮和灭需要按照一定的时序来进行。
LCD驱动IC会通过内部的时序生成电路来生成准确
的时序信号,确保像素点能够按照正确的时序进行驱动。
5. 数据传输:LCD驱动IC需要将处理后的数据传输给液晶显
示屏,通常采用并行或串行的方式进行。
并行传输通常速度较快,适用于大尺寸液晶显示屏;串行传输则需要较少的线材,适用于小尺寸液晶显示屏。
总之,LCD驱动IC是一种重要的芯片,负责控制液晶显示屏的显示和电源供应。
通过合理的数据处理、显示控制、电源控制、时序控制以及数据传输,LCD驱动IC能够实现高质量的图像和文字显示效果。
LCD 原理及驱动方法简介1、LCD 显示器原理LCD 是一种被动式显示器,其本身不发光,只是调节光的亮度。
LCD 利用液晶的扭曲-向列效应制成,这是一种电场效应,夹在两片导电玻璃电极间的液晶经过一定的处理,它内部的分子呈90°的扭曲,当线性偏振光透过时其偏振面便会旋转90。
当在玻璃电极上加上电压后,在电场作用上,液晶的扭曲结构消失,其旋光作用也消失,偏振光便可直接通过。
当去掉电场后,液晶分子又恢复其扭曲结构。
把这样的液晶置于两偏振片之间,改变偏振相对位置就可得到字的显示形式。
LCD 七段显示器有a~g 七段外,还有一个公共极COM 。
可用静态方式驱动,也可用动态方式驱动。
前者加直流信号,后者加交流信号。
今天所讲的LCD 驱动也是用动态方式驱动的。
当加在a~g 七段中的某一电极的方波与公共电极COM 上的方波信号同相时,相对电压为0,则该段不显示;当加在某段电极上的方波与公共电极COM 的非选通点上加只有选通点电压的少交叉效应的影响,这就是上面仅仅是COM口的驱动波形,那么SEG口的驱动波形又是怎样的呢?对应上面的6个时段,在COM口为高电平时,如果该段需要显示,则对应的SEG口输出低电平;反之,则输出高电平。
根据同LED的有关段显示的规则,得出如下表所示的段码表。
段码表:L C D码表(4位半-18.8.8.8)com1 seg1com2seg2c o m3s e g3com1seg4com2seg5c o m3s e g6digit f a b e g c dp d s f a b e g c d dp s 0000010101111101100 1110110111001001000 2100001101011110100 3100100101011011100 40101001111010110005001100101110011100 6001000101110111100 7100110111011001000 8000000101111111100 9000100101111011100a000000111111111000b011000101100111100c001011101110110100d110000101001111100e111111111000000000不显示f111101111000010000显示“-”3、程式流程图如下图所示:4、程式如下1;title:通用I/O口驱动LCD范例程式2;MCU:EM78P447BS,clock:2,crystal:4MHz3;LCD规格:1/2Bias,1/3duty4;writer:RenBin5;date:2005-5-2311:276;*****************************************************************7;程式说明:本程式是用通用I/O口驱动LCD的程式,用一个I/O口作COM口及SEG口8;9;-------------------10;port611;port64com112;port65com213;port66com314;port515;port504b/4c16;port514a/4g/4d17;port524f/4e/dp318;port543b/3c/s219;port553a/3g/3d20;port563f/3e/dp221;port722;port702b/2c/s123;port712a/2g/2d24;port722f/2e/dp125;port741b/1c/1h26;port751a/1g/1d27;port761f/1e28;---------------------------------29include<em78p447.inc>1C;*****************************************************;2C;Tilte:EM78447include file;3C;Description:The Definition of EM78x447Registers;4C;Company:ELAN MICROELECTRONICS(SZ)LTD.;5C;Author:YouFang.Bao;6C;Date:5/14/2004;7C;Version:v1.0;8C;******************************************************;9C;10C;======================================================;11C;Operational Registers Define;12C;======================================================;13C;14C;======================================================;15C;Registers R0~R3F;16C;======================================================;17C;18C;R0/IAR:Indirect Address Register19C;200000C R0==0x00210000C IAR==0x0022C;23C;R1/TCC:Time Clock/Counter24C;250001C R1==0x01260001C TCC==0x01270001C RTCC==0x0128C;29C;R2/PC:Program Counter&Stack30C;310002C R2==0x02320002C PC==0x0233C;34C;R3/PSR:Process Status Register35C;360003C R3==0x03370003C PSR==0x03380003C STATUS==0x0339C;{400007C GP==0x07;General read/write bit410006C PS1==0x06;420005C PS0==0x05;(PS0~PS1):Page Select Bits43C;----------------------------------------;44C;PS1PS0Program memory page [Address];45C;00Page0[000-3FF];46C;01Page1[400-7FF];47C;10Page2[800-BFF];48C;11Page3[C00-FFF];49C;----------------------------------------;500004C T==0x04;Time-out bit510003C P==0x03;Power down bit520002C Z==0x02;Zero flag530001C DC==0x01;Auxiliary carry flag540000C C==0x00;Carry flag550000C cy==056C;57C;R4/RSR:RAM Select Register58C;590004C R4==0x04600004C RSR==0x0461C;{620007C RS1==0x07;RAM-Bank Select Bit1630006C RS0==0x06;RAM-Bank Select Bit064C;65C;R5~R7:I/O Port Address66C;670005C PORT5==0x05680006C PORT6==0x06690007C PORT7==0x0770C;710005C P5==0x05720006C P6==0x06730007C P7==0x0774C;750005C R5==0x05760006C R6==0x06770007C R7==0x0778C;79C;R3F/ISR:Interrupt Status Register80C;81003F C R3F==0x3F82003F C ISR==0x3F83C;{840003C EXIF==0x03;External interrupt flag850000C TCIF==0x00;TCC overflow interrupt flag86C870008C mEXIF==0x08;External interrupt flag880001C mTCIF==0x01;TCC overflow interupt flag89C;}90C;91C;92C;======================================================; 93C;Special Purpose Registers Define;94C;======================================================;95C;96C;IOC5~IOC7:I/O Port Control Register97C;980005C IOC5==0x05;Bit[n]=1,Set P5[n]as input pin,n=0~7 99C;Bit[n]=0,Set P5[n]as output pin, n=0~7100C;1010006C IOC6==0x06;Bit[n]=1,Set P6[n]as input pin, n=0~7102C;Bit[n]=0,Set P6[n]as output pin, n=0~7103C;1040007C IOC7==0x07;Bit[n]=1,Set P7[n]as input pin, n=0~7105C;Bit[n]=0,Set P7[n]as output pin, n=0~7106C;107C;108C;IOCB/WCR:Wake-up Control Register for PORT6109C;110000B C IOCB==0x0B111000B C WCR==0x0B112C;{1130007C WUE7==0x07;Control bit is used to enable the wake-up function of P67pin1140006C WUE6==0x06;Control bit is used to enable the wake-up function of P66pin1150005C WUE5==0x05;Control bit is used to enable the wake-up function of P65pin1160004C WUE4==0x04;Control bit is used to enable the wake-up function of P64pin1170003C WUE3==0x03;Control bit is used to enable the wake-up function of P63pin1180002C WUE2==0x02;Control bit is used to enable the wake-up function of P62pin1190001C WUE1==0x01;Control bit is used to enable the wake-up function of P61pin1200000C WUE0==0x00;Control bit is used to enable the wake-up function of P60pin121C;0:Enable internal wake-up122C;1:Disable internal wake-up123C;124C;IOCE/WDTCON:WDT Control Register125C;126000E C IOCE==0x0E127000E C WDTCON==0x0E128C;129C;IOCF/IMR:Interrupt Mask Register130C;131000F C IOCF==0x0F132000F C IMR==0x0F133C;{1340008C mEXIE==0x08;EXIF Interrupt enable bit135C;0:Disable EXIF interrupt136C;1:Enable EXIF interrupt 1370001C mTCIE==0x01;TCIF Interrupt enable bit138C;0:Disable TCC interrupt139C;1:Enable TCC interrupt140C;141C;======================================================; 142C;Others Define;143C;======================================================; 144C;145C;Bit set use BC or BS146C;1470000C B0==0x001480001C B1==0x011490002C B2==0x021500003C B3==0x031510004C B4==0x041520005C B5==0x051530006C B6==0x061540007C B7==0x07155C;======================================================; 156C;Macros Define;157C;======================================================; 158C;----------------------------159C;160C Page0MACRO161C;162C BC PSR,PS0163C BC PSR,PS1164C;165C ENDM166C;167C;----------------------------168C;169C Page1MACRO170C;171C BS PSR,PS0 172C BC PSR,PS1 173C;174C ENDM175C;176C;----------------------------177C;178C Page2MACRO179C;180C BC PSR,PS0 181C BS PSR,PS1 182C;183C ENDM184C;185C;----------------------------186C;187C Page3MACRO188C;189C BS PSR,PS0 190C BS PSR,PS1 191C;192C ENDM193C;194C;----------------------------195C;196C Bank0MACRO197C;198C BC RSR,RS0 199C BC RSR,RS1 200C;201C ENDM202C;203C;----------------------------204C;205C Bank1MACRO206C;207C BS RSR,RS0208C BC RSR,RS1209C;210C ENDM211C;212C;----------------------------213C;214C Bank2MACRO215C;216C BC RSR,RS0217C BS RSR,RS1218C;219C ENDM220C;221C;----------------------------222C;223C Bank3MACRO224C;225C BS RSR,RS0226C BS RSR,RS1227C;228C ENDM229C;----------------------------230C;231C;************************************************; 232C;Clear EM78P447General Register Macro Program; 233C;; 234C;************************************************; 235C;236C m447clrrambank macro237C;238C mov a,@0x10239C mov rsr,a240C$_Clrloop:241C clr r0242C inc rsr243C jbc rsr,6244C bs rsr,5245C jbc rsr,7246C bs rsr,5247C jbs status,z248C jmp$_clrloop249C endm30include"e:\lcd\lcddriverram.inc"1C;title:lcddriver register define2C;mcu:em78p447sb3C;---------------------------------------4C;50010C reg_acc1==0x1060011C reg_acc2==0x1170012C reg_acc3==0x1280017C temp_value==0x17;温度寄存器90019C humi_value==0x19;湿度寄存器10001B C sysstatus==0x1b;标志寄存器11C;--------------------------------------12C;bank1130020C mstimer==0x20140021C stimerlow==0x21150022C stimerhigh==0x22160023C cont==0x2317C;180024C commondata==0x24;common数据寄存器190025C segdata==0x25;segment数据寄存器20C;210026C temp1==0x26;中间变量寄存器220027C temp2==0x27;中间变量寄存器230028C temp3==0x28;中间变量寄存器240029C temp4==0x2925C;26002A C tempL==0x2a;温度bcd码低位寄存器27002B C tempH==0x2b;高位28002C C humiL==0x2c;湿度bcd低位码寄存器29002D C humih==0x2d;高位30C;31002E C timer05s==0x2e;0.5s寄存器32C;temp_value==0x2f;分钟寄存器33C;humi_value==0x30;小时寄存器34C;---------------------------------------------35C;register bit define36C;sysstatus register define370003C timer500ms==3;500ms标志380004C LCDdsp==4;LCD显示标志390005C datachange==5;数据更新标志400006C timer==6;定时标志410007C am==7;上下午标志42C;常数定义4300B2C tcc_5ms==178;tcc5ms timer4400C8C kmstimer==200;1000ms timer45000C C segment==12;define LCD segment data 460002C duty==2470003C common==3;2;define LCD common data 480002C bias==231;32org0xfff3300FFF0000nop34org035000001408jmp start36org137000010000nop3800002083F bc r3f,tcif39000030B1B bs sysstatus,lcddsp40000040B9B bs sysstatus,timer41000051886mov a,@(256-122)42000060041mov tcc,a43000070013reti4400008start:45M m447clrrambank;清寄存器0000818101MOV A,@(16)0000900441MOV RSR,A0000A1??0001$_CLRLOOP:0000A00C01CLR R0,0000B05441INC RSR,0000C0D841JBC RSR,60000D0B441BS RSR,50000E0DC41JBC RSR,70000F0B441BS RSR,5000100E831JBS STATUS,Z00011140A1JMP??0001$_CLRLOOP,46000121800mov a,@0x047000130045mov port5,a48000141800mov a,@0x049000150005iow ioc550;51000161800mov a,@0x052000170046mov p6,a53000181800mov a,@0x054000190006iow ioc655;560001A1800mov a,@0x0570001B0047mov p7,a580001C1800mov a,@0x0590001D0007iow ioc760;610001E1804mov a,@0b00000100;TCC=1:32,4.096ms 620001F0002contw63000201811mov a,@0x116400021000E iow ioce65000221801mov a,@0x016600023000F iow iocf67000241886mov a,@(256-122)68000250041mov tcc,a69;7000026183F mov a,@63;12;59;11;88;00;88;2371000270057mov temp_value,a7200028184A mov a,@74;34;11;11;88;00;88;30 73000290059mov humi_value,a;74;750002A1806mov a,@(common*2)760002B0064mov commondata,a770002C0010eni78;****************************************7980;****************************************810002D main:820002D0004wdtc830002E1096call lcddisplay840002F142D jmp main85;**************************************** 8600030LCD1_table:;段码表87000300020TBL88000311C00RETL@0B00000000;089000321C06RETL@0B00000110;190000331C04RETL@0B00000100;2 91000341C04RETL@0B00000100;3 92000351C02RETL@0B00000010;4 93000361C01RETL@0B00000001;5 94000371C01RETL@0B00000001;6 95000381C04RETL@0B00000100;7 96000391C00RETL@0B00000000;8 970003A1C00RETL@0B00000000;9 98;990003B1C00RETL@0B00000000;A 1000003C1C03RETL@0B00000011;b 1010003D1C01RETL@0B00000001;c 1020003E1C06RETL@0B00000110;d 1030003F1C01RETL@0B00000001;E 104000401C0F RETL@0B00001111;F105106;--------------------------------------------------------------10700041LCD2_table:108000410020TBL109000421C02RETL@0B00000010;0 110000431C06RETL@0B00000110;1 111000441C01RETL@0B00000001;2 112000451C04RETL@0B00000100;3 113000461C04RETL@0B00000100;4 114000471C04RETL@0B00000100;5 115000481C00RETL@0B00000000;6 116000491C06RETL@0B00000110;7 1170004A1C00RETL@0B00000000;8 1180004B1C04RETL@0B00000100;9 119;1200004C1C00RETL@0B00000000;A 1210004D1C00RETL@0B00000000;b 1220004E1C03RETL@0B00000011;c 1230004F1C00RETL@0B00000000;d 124000501C01RETL@0B00000001;E 125000511C05RETL@0B00000101;F 126;--------------------------------------------------------------12700052LCD3_table:128000520020TBL129000531C05RETL@0B00000101;0 130000541C07RETL@0B00000111;1131000551C05RETL@0B00000101;2 132000561C05RETL@0B00000101;3 133000571C07RETL@0B00000111;4 134000581C05RETL@0B00000101;5 135000591C05RETL@0B00000101;6 1360005A1C07RETL@0B00000111;7 1370005B1C05RETL@0B00000101;8 1380005C1C05RETL@0B00000101;9 139;1400005D1C07RETL@0B00000111;A 1410005E1C05RETL@0B00000101;b 1420005F1C05RETL@0B00000101;c 143000601C05RETL@0B00000101;d 144000611C05RETL@0B00000101;E 145000621C07RETL@0B00000111;F 146;--------------------------------------------------------------14700063LCD4_table:148000630020TBL149000641C07RETL@0B00000111;0 150000651C01RETL@0B00000001;1 151000661C03RETL@0B00000011;2 152000671C03RETL@0B00000011;3 153000681C05RETL@0B00000101;4 154000691C06RETL@0B00000110;5 1550006A1C06RETL@0B00000110;6 1560006B1C03RETL@0B00000011;7 1570006C1C07RETL@0B00000111;8 1580006D1C07RETL@0B00000111;9 159;1600006E1C07RETL@0B00000111;A 1610006F1C04RETL@0B00000100;b 162000701C06RETL@0B00000110;c 163000711C01RETL@0B00000001;d 164000721C06RETL@0B00000110;E 165000731C00RETL@0B00000000;F 166;------------------------------------16700074LCD5_table:168000740020TBL169000751C05RETL@0B00000101;0 170000761C01RETL@0B00000001;1 171000771C06RETL@0B00000110;2172000781C03RETL@0B00000011;3 173000791C03RETL@0B00000011;4 1740007A1C03RETL@0B00000011;5 1750007B1C07RETL@0B00000111;6 1760007C1C01RETL@0B00000001;7 1770007D1C07RETL@0B00000111;8 1780007E1C03RETL@0B00000011;9179;1800007F1C07RETL@0B00000111;A 181000801C07RETL@0B00000111;b 182000811C04RETL@0B00000100;c 183000821C07RETL@0B00000111;d 184000831C06RETL@0B00000110;E 185000841C06RETL@0B00000110;F186;---------------------------------------------18700085LCD6_table:188000850020TBL189000861C02RETL@0B00000010;0 190000871C00RETL@0B00000000;1 191000881C02RETL@0B00000010;2 192000891C02RETL@0B00000010;3 1930008A1C00RETL@0B00000000;4 1940008B1C02RETL@0B00000010;5 1950008C1C02RETL@0B00000010;6 1960008D1C00RETL@0B00000000;7 1970008E1C02RETL@0B00000010;8 1980008F1C02RETL@0B00000010;9199;200000901C00RETL@0B00000000;A 201000911C02RETL@0B00000010;b 202000921C02RETL@0B00000010;c 203000931C02RETL@0B00000010;d 204000941C02RETL@0B00000010;E 205000951C00RETL@0B00000000;F206;******************************************* 20700096Lcddisplay:208000960F1B jbs sysstatus,lcddsp2090009714B4jmp lcddisplayret21000098091B bc sysstatus,lcddsp211;212000990417mov a,temp_value;2130009A0050mov reg_acc1,a2140009B117B call sub_bintobcd2150009C0412mov a,reg_acc32160009D006B mov temph,a2170009E0411mov a,reg_acc22180009F006A mov tempL,a219;220000A00419mov a,humi_value221000A10050mov reg_acc1,a222000A2117B call sub_bintobcd223000A30412mov a,reg_acc3224000A4006D mov humih,a225000A50411mov a,reg_acc2226000A6006C mov humiL,a227;228000A705E4djz commondata229000A814AB JMP lcddisplay1;$+3 230000A91806MOV a,@(common*2) 231000AA0064MOV commondata,a 232000AB lcddisplay1:233000AB0424MOV a,commondata 234000AC0020TBL235000AD0000NOP236000AE14B5jmp Lcd1display237000AF14D6jmp Lcd2display238000B014F7jmp Lcd3display239000B11518jmp Lcd4display240000B21539jmp lcd5display241000B3155A jmp lcd6display242000B4lcddisplayret:243000B40012ret244;-----------------------------------------------245;显示LCD1246000B5LCD1display:247000B5042A mov a,tempL;温度个位248000B61030call lcd1_table249000B70066mov temp1,a250;251000B8042B mov a,tempH;温度十位252000B91030call lcd1_table253000BA0067mov temp2,a254000BB0727swapa temp2255000BC0226or a,temp1256000BD0066mov temp1,a257000BE0766swap temp1258;259000BF042C mov a,humiL;湿度个位,260000C01030call lcd1_table261000C10068mov temp3,a262;263000C2042D mov a,humiH;湿度十位264000C31030call lcd1_table265000C40069mov temp4,a266000C50729swapa temp4267000C60228or a,temp3268000C70068mov temp3,a269000C80768swap temp3270;271000C90428mov a,temp3272000CA0047mov port7,a273000CB0426mov a,temp1274000CC0045mov port5,a275;276000CD0016ior ioc6277000CE1A0F and a,@0x0f278000CF1960or a,@0b01100000279000D00006iow ioc6;com1:2:3:2.5v 280000D10406mov a,port6281000D21A0F and a,@0x0f282000D31910or a,@0b00010000283000D40046mov port6,a284000D50012ret285;--------------------------------------------286000D6lcd2display:287000D6042A mov a,tempL;温度个位288000D71041call LCD2_table289000D80066mov temp1,a290;291000D9042B mov a,temph;温度十位292000DA1041call LCD2_table293000DB0067mov temp2,a294000DC0727swapa temp2295000DD0226or a,temp1296000DE0066mov temp1,a297000DF0766swap temp1298;299000E0042C mov a,humiL;湿度个位,300000E11041call LCD2_table301000E20068mov temp3,a302;303000E3042D mov a,humih;湿度十位304000E41041call LCD2_table305000E50069mov temp4,a306000E60729swapa temp4307000E70228or a,temp3308000E80068mov temp3,a309000E90768swap temp3310;311000EA0428mov a,temp3312000EB0047mov port7,a313000EC0426mov a,temp1314000ED0045mov port5,a315;316000EE0016ior ioc6317000EF1A0F and a,@0x0f318000F01950or a,@0b01010000319000F10006iow ioc6;com1:2:3:2.5v 320000F20406mov a,port6321000F31A0F and a,@0x0f322000F41920or a,@0b00100000323000F50046mov port6,a324000F60012ret325;-------326000F7lcd3display:327000F7042A mov a,tempL;温度个位328000F81052call LCD3_table329000F90066mov temp1,a330;331000FA042B mov a,temph;温度十位332000FB1052call LCD3_table333000FC0067mov temp2,a334000FD0727swapa temp2335000FE0226or a,temp1336000FF0066mov temp1,a337001000766swap temp1338;33900101042C mov a,humiL;湿度个位,340001021052call LCD3_table341001030068mov temp3,a342;34300104042D mov a,humih;湿度十位344001051052call LCD3_table345001060069mov temp4,a346001070729swapa temp4347001080228or a,temp3348001090068mov temp3,a3490010A0768swap temp3350;3510010B0428mov a,temp33520010C0047mov port7,a3530010D0426mov a,temp13540010E0045mov port5,a355;3560010F0016ior ioc6357001101A0F and a,@0x0f358001111930or a,@0b00110000359001120006iow ioc6;com1:2:3:5v 360001130406mov a,port6361001141A0F and a,@0x0f362001151940or a,@0b01000000363001160046mov port6,a364001170012ret365;------36600118lcd4display:36700118042A mov a,tempL;温度个位368001191063call lcd4_table3690011A0066mov temp1,a370;3710011B042B mov a,temph;温度十位3720011C1063call lcd4_table3730011D0067mov temp2,a3740011E0727swapa temp23750011F0226or a,temp1376001200066mov temp1,a377001210766swap temp1378;37900122042C mov a,humiL;湿度个位,380001231063call lcd4_table381001240068mov temp3,a382;38300125042D mov a,humih;湿度十位384001261063call lcd4_table385001270069mov temp4,a386001280729swapa temp4387001290228or a,temp33880012A0068mov temp3,a3890012B0768swap temp3390;3910012C0428mov a,temp33920012D0047mov port7,a3930012E0426mov a,temp13940012F0045mov port5,a395;396001300016ior ioc6397001311A0F and a,@0x0f398001321960or a,@0b01100000399001330006iow ioc6;com1:2:2.5v,com:2.5V 400001340406mov a,port6401001351A0F and a,@0x0f402001361900or a,@0b00000000403001370046mov port6,a404001380012ret405;--------------40600139lcd5display:40700139042A mov a,tempL;温度个位4080013A1074call lcd5_table4090013B0066mov temp1,a410;4110013C042B mov a,temph;温度十位4120013D1074call lcd5_table4130013E0067mov temp2,a4140013F0727swapa temp2415001400226or a,temp1416001410066mov temp1,a417001420766swap temp1418;41900143042C mov a,humiL;湿度个位,420001441074call lcd5_table421001450068mov temp3,a422;42300146042D mov a,humih;湿度十位424001471074call lcd5_table425001480069mov temp4,a426001490729swapa temp44270014A0228or a,temp34280014B0068mov temp3,a4290014C0768swap temp3430;4310014D0428mov a,temp34320014E0047mov port7,a4330014F0426mov a,temp1434001500045mov port5,a435;436001510016ior ioc6437001521A0F and a,@0x0f438001531950or a,@0b01010000439001540006iow ioc6;com1:2:0v,com:2.5V 440001550406mov a,port6441001561A0F and a,@0x0f442001571900or a,@0b00000000443001580046mov port6,a444001590012ret445;----------------------------4460015A lcd6display:4470015A042A mov a,tempL;温度个位4480015B1085call lcd6_table4490015C0066mov temp1,a450;4510015D042B mov a,temph;温度十位4520015E1085call lcd6_table4530015F0067mov temp2,a454001600727swapa temp2455001610226or a,temp1456001620066mov temp1,a457001630766swap temp1458;45900164042C mov a,humiL;湿度个位,460001651085call lcd6_table461001660068mov temp3,a462;46300167042D mov a,humih;湿度十位464001681085call lcd6_table465001690069mov temp4,a4660016A0729swapa temp44670016B0228or a,temp34680016C0068mov temp3,a4690016D0768swap temp3470;4710016E0428mov a,temp34720016F0047mov port7,a473001700426mov a,temp1474001710045mov port5,a475;476001720016ior ioc6477001731A0F and a,@0x0f478001741930or a,@0b00110000479001750006iow ioc6;com1:2:2.5v,com:0V 480001760406mov a,port6481001771A0F and a,@0x0f482001781900or a,@0b00000000483001790046mov port6,a4840017A0012ret485;------------------------------------------486;--------------------------------------487;此程式是将小于100的数(reg_acc1)转换为BCD码,488;将高位存放于reg_acc2,低位存入于reg_acc3中。
聯建産品部教育訓練資料編寫日期: 2002 年 5 月目录一.目的 (3)二.主要內容 (3)1. 直接驱动法 (3)2. 多工驱动法 (4)3. 其它 (7)(1) HI-FAS (7)(2) MLS (8)三.结论 (9)四. 问题与解答 (9)一.目的1.了解LCD驱动原理。
2.了解直接驱动和多工驱动的不同点。
二.主要内容从电子学角度考虑液晶显示原理为:在外加电场的作用下具有偶极矩的液晶棒状分子在排列状态上发生变化,使得通过液晶显示器件的光被调制,从而呈现明与暗或透过与不透过的显示效果。
在这里只是介绍一下我们现在用到的LCD驱动方式:直接驱动(Static driving)、多工驱动(Multiplex driving).1.直接驱动法驱动方法是将每一个字节都分别拉出一个电极(segment)与共同电极(common)相对应;其单独驱动,不与其它电极复合使用。
Common Layout Segment Layout多工驱动线路多工驱动电路多工驱动电路的实现可以等效为两组“开关”电路。
如下图:一组开关有交流驱动波形M控制,M是一个外来的方波脉冲序列,它实现驱动脉冲正负周期的转换。
当M正周期(高电平时),选通了选择电压V6(行驱动)或V1(列驱动)SEG1 SEG5首先我们给出一个5×7点阵的液晶像素阵列,设定行驱动电压和列驱动电压。
行、列选择电压:V1(行),V6(列)行为选电压:V2(行),V5(列)列为选电压:V3(行),V4(列)同时有:V1=VDD〉V2〉V3〉V4〉V5〉V6,负压系统。
应用偏压法在电路上采用了等分压电路,即将V1~V6等分成若干档,如a档,然后将两对电压V2,V5和V3,V4分别设置在对应中心的两档上。
如令:V1-V6=VLCD,现将a=5,则分档宽度为1/5VLCD,那么各点电压取值为:V1=VDDV2=VDD-1/5VLCDV3=VDD-2/5VLCDV4=VDD-3/5VLCDV5=VDD-4/5VLCDV6=VDD-VLCD由于液晶驱动是交流驱动,所以在列驱动脉冲序列中,幅值V1和V6,V3和V4相互交换,在一个周期内幅值为V1或V3,在另一个周期内为V6或V4,从而实现交流驱动的性能。
lcd显示驱动原理液晶显示器(Liquid Crystal Display, LCD)是一种利用液晶体的光学特性来输出图像的设备。
它由液晶层、驱动电路、背光源和控制电路组成。
LCD显示驱动的原理可以分为以下几个步骤:1.电压施加:通过驱动电路向液晶层施加电压,使得液晶分子朝向不同的方向排列,从而改变光的传播方式。
2.光的传播:当液晶分子排列有序时,光的传播路径会改变。
通过调整电压的变化,可以控制液晶分子的排列,从而改变光的传播路径。
3.亮度调节:通过控制电压的大小和频率,可以调节背光源的亮度,从而实现LCD显示的亮度调节。
4.像素控制:LCD面板由一个个像素组成,每个像素都有液晶分子和彩色滤光片。
通过调整液晶分子的排列和滤光片的透光性,可以控制每个像素的颜色和亮度,从而显示出图像。
总的来说,LCD显示驱动是通过驱动电路控制液晶分子的排列和背光源的亮度,从而实现像素的控制和图像显示。
控制电路会接收输入信号,并将其转化为相应的驱动信号,通过驱动电路控制液晶的排列方式和背光的亮度,最终将图像显示在LCD屏幕上。
LCD显示驱动的原理进一步细化如下:1. LCD结构:液晶显示器由液晶分子和彩色滤光片组成。
彩色滤光片负责调整光的颜色,液晶分子则负责控制光的透过与阻挡。
2. 电压控制液晶分子:液晶分子在不同的电场作用下,具有不同的排列方式。
液晶分子的排列方式会影响光的传播路径,从而实现光的显示。
通过驱动电路施加不同的电压,可以改变液晶分子的排列方式。
3. 二极管结构驱动:常见的液晶显示器驱动方式是使用二极管结构。
每个像素有一个单独的液晶分子和驱动电路,通过对每个像素的电压进行控制,可以通过改变液晶分子的排列方式来实现图像的显示。
4. 行列扫描:驱动电路会按照一定的顺序对每一行的像素进行扫描,控制电压的变化使得液晶分子的排列发生变化。
这样可以通过逐行扫描的方式将整个图像显示出来。
5. 背光控制:液晶显示器通常需要背光才能正常显示。
lcd的驱动原理
LCD是液晶显示屏的英文缩写,其驱动原理包括液晶分子的
定向和电场的控制。
液晶分子的定向决定了光的透射或反射,而电场的控制则改变液晶分子的定向。
LCD的驱动原理涉及两种类型的液晶分子:向列型液晶和扭
曲向列型液晶。
向列型液晶中,液晶分子的长轴与电场平行,电场的作用使其偏转并改变光的透射。
而扭曲向列型液晶中,液晶分子的长轴与电场垂直,电场的作用使其扭曲并改变光的透射。
LCD显示屏的驱动原理基于多个液晶分子在平面内的组织结构,通过控制电压的大小和方向来实现像素点的显示。
驱动电路将电压信号通过一系列的逻辑门电路转换为具有合适电压的信号,然后通过驱动芯片传输到液晶分子上。
具体来说,LCD的驱动过程包括以下几个步骤:
1. 数据输入:将需要显示的图像数据转换为数字信号,并发送给驱动芯片。
2. 液晶分子定向:驱动芯片根据输入的数据信号,通过驱动电路产生特定的电压信号,并将其传输到液晶分子上。
对不同类型的液晶分子,需要分别设置不同的电压信号。
3. 电场作用:液晶分子根据电压信号的作用,发生转动或扭曲。
液晶分子的摆放方式会改变光的透射性能,从而实现像素的显
示。
4. 透光或反射:经过液晶分子调整后的光线,可以透过或反射出来,形成图像。
这一步需要后面的背光源提供光线。
通过控制液晶分子的定向和应用电场,LCD能够实现像素的显示。
驱动芯片根据输入的图像数据信号,通过驱动电路产生相应的电压信号,将其传输到液晶分子上,从而改变光的透射特性,实现图像的显示。
LCD(TN.HTN.STN.FSTN)显示原理綜述﹕_____________________________________________________________________对于TN及STN-LCD一般采用静态驱动或多路驱动方式。
这两种方式相比较各有优缺点。
静态驱动响应速度快、耗电少、驱动电压低,但驱动电极度数必须与显示笔段数相同,因而用途不如多路驱动广。
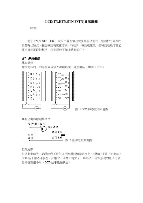
_____________________________________________________________________ £1. 静态驱动基本思想在相对应的一对电极间连续外加电场或不外加电场。
如图1所示:图 1.LCD静态驱动示意图其驱动电路原理如图2:图 2.驱动电路原理图驱动波形根据此电信号,笔段波形不是与公用波形同相就是反相。
同相时液晶上无电场,LCD处于非选通状态。
反相时,液晶上施加了一矩形波。
当矩形波的电压比液晶阈值高很多时,LCD处于选通状态。
图3.静态波形_____________________________________________________________________ £2. 多路驱动1.基本思想电极沿X、Y方向排列成矩阵(如图4),按顺序给X电极施加选通波形,给Y电极施加与X电极同步的选通或非选通波形,如此周而复始。
通过此操作,X、Y 电极交点的相素可以是独立的选态或非选态。
驱动X电极从第一行到最后一行所需时间为帧周期Tf(频率为帧频),驱动每一行所用时间Tr与帧周期的比值为占空比:Duty=Tr/Tf=1/N。
图4.电极阵列电压平均化从多路驱动的基本思想可以看出,不仅选通相素上施加有电压,非选通相素上也施加了电压。
非选通时波形电压与选通时波形电压之比为偏压比Bias=1/a。
为了使选通相素之间及非选通相素之间显示状态一致,必须要求选点电压V on一致,非选点电压V off一致。
lcd驱动原理LCD驱动原理。
液晶显示屏(LCD)是一种常见的显示设备,广泛应用于电子产品中,如手机、电视、电脑等。
而LCD的驱动原理则是其正常工作的基础,下面将对LCD的驱动原理进行详细介绍。
首先,LCD的驱动原理是基于液晶分子的排列和光透过的原理。
液晶分子在不同电场作用下会产生不同的排列状态,从而影响光的透过程度,进而实现显示效果。
这种原理是基于液晶分子的电光效应和扭曲效应,通过控制电场的强弱和方向来调节液晶分子的排列状态,从而控制光的透过程度,实现显示效果。
其次,LCD的驱动原理涉及到液晶显示屏的控制器和驱动电路。
控制器是负责接收外部信号并对显示内容进行处理的芯片,而驱动电路则是负责向液晶显示屏施加电场,控制液晶分子排列状态的电路。
控制器和驱动电路共同协作,通过对液晶分子的排列状态进行精准控制,实现对显示内容的精准呈现。
此外,LCD的驱动原理还涉及到显示数据的传输和刷新。
显示数据需要通过控制器传输到液晶显示屏,并在一定的频率下进行刷新,以保持显示内容的稳定和连续。
传输和刷新过程需要考虑到数据的稳定性和实时性,以确保显示效果的流畅和清晰。
最后,LCD的驱动原理还涉及到对显示效果的调节和优化。
通过对电场的调节和对显示数据的处理,可以实现对显示效果的亮度、对比度、色彩等方面的调节和优化,以满足不同场景和用户的需求。
综上所述,LCD的驱动原理是基于液晶分子的排列和光透过的原理,涉及到液晶显示屏的控制器和驱动电路、显示数据的传输和刷新,以及对显示效果的调节和优化。
了解LCD的驱动原理有助于我们更好地理解液晶显示屏的工作原理,为相关电子产品的设计和应用提供指导和参考。
lcd驱动原理LCD驱动原理是指控制液晶显示器(LCD)工作的基本原理和方法。
液晶显示器是一种利用液晶材料的光学特性显示图像的平面显示器。
它通过一个特定的驱动电路将电信号转换为显示图像。
液晶显示器通常由玻璃基板、像素点阵列、驱动电路和灯管组成。
驱动电路起着核心作用,它可以控制每个像素点的电压和开关状态,以达到控制显示效果的目的。
液晶显示器通常采用被动矩阵驱动方式,即通过一个行列排布的驱动电路进行控制。
在驱动电路中,液晶材料扮演着关键角色。
液晶有两种典型状态:向列头方向扭曲和向列尾方向扭曲。
液晶分子扭曲程度决定了其透光性,从而实现信息的显示。
驱动电路通过施加电场来控制液晶分子的扭曲程度。
当电压施加到液晶层时,液晶分子会因电场作用而扭曲,从而改变光的传播路径。
通过改变施加的电压,可以控制液晶分子的扭曲程度,从而调整显示的亮度和颜色。
液晶显示器驱动电路通常由逐行扫描和逐列输出两个阵列组成。
逐行扫描阵列控制每行液晶分子的扭曲程度,逐列输出阵列则控制输出的电压。
通过逐行扫描和逐列输出的方式,可以实现对整个显示器的控制。
驱动电路还包括了时序控制和温度补偿等功能。
时序控制是为了保证电路产生准确的电压和信号,使液晶分子能够按照预定的方式扭曲。
而温度补偿则是为了解决液晶分子在不同温度下的扭曲程度不同的问题,以保证显示的准确性和稳定性。
总之,LCD驱动原理是通过控制驱动电路中液晶分子的扭曲来实现显示效果的原理。
驱动电路中的逐行扫描和逐列输出阵列,以及时序控制和温度补偿功能等,都是为了保证显示器能够正确地显示出图像和信息。
lcd 段码屏驱动原理LCD(Liquid Crystal Display)段码屏是一种广泛应用于电子产品中的显示屏技术。
它由液晶材料、电极、电源和控制电路等组成,能够根据输入信号显示出数字、字母、符号等信息。
本文将从原理、驱动方式和应用三个方面介绍LCD段码屏的工作原理。
一、原理LCD段码屏的工作原理基于液晶材料的特性。
液晶是一种介于液体和晶体之间的物质,具有双折射性质。
当液晶材料处于电场作用下,其分子会发生排列变化,从而改变光的透过性。
LCD段码屏利用这一特性,通过控制电场的大小和方向,实现对光的控制和显示效果的变化。
二、驱动方式LCD段码屏主要有静态驱动和动态驱动两种方式。
1. 静态驱动:静态驱动方式是将每个像素点的电压保持不变,不进行刷新。
在这种驱动方式下,需要使用大量的导线和控制电路,因此成本较高且功耗较大。
但是静态驱动方式能够保持图像的稳定性,适用于对显示效果要求较高的场合。
2. 动态驱动:动态驱动方式是通过控制像素点的电压不断刷新来实现显示。
在这种驱动方式下,只需要少量的导线和控制电路,因此成本较低且功耗较小。
但是动态驱动方式会导致图像的稳定性较差,适用于对显示效果要求不高的场合。
三、应用LCD段码屏由于其低功耗、高清晰度和易于集成等特点,在各种电子产品中得到广泛应用。
1. 数码产品:LCD段码屏常用于数码相机、手机和平板电脑等产品的显示屏上,能够显示出清晰、细腻的图像和文字。
2. 家电产品:LCD段码屏也被广泛应用于家电产品中,如电视、洗衣机、空调等。
通过LCD段码屏的显示,用户可以直观地了解到各种信息,如频道、温度、时间等。
3. 仪器仪表:LCD段码屏还可以用于各种仪器仪表的显示,如电子秤、电子琴等。
它能够将测量结果、音符等信息以数字、字母等形式呈现给用户,提高了使用的便捷性和可读性。
LCD段码屏是一种基于液晶材料的显示屏技术,通过控制电场的大小和方向来实现对光的控制和显示效果的变化。
LCD驱动原理LCD(Liquid Crystal Display)是一种常见的显示技术,应用广泛于电子产品中。
LCD的驱动原理涉及到液晶分子的定向和电场的作用。
首先,LCD是由一层液晶层和两个平行的电极构成的。
液晶分子是由长而细长的有机分子构成的,它们具有一定的长向性。
液晶分子表现出液体和晶体两种性质,处于液晶态时,液晶分子呈现有序排列的状态。
LCD的驱动原理基于液晶分子的定向性质。
液晶分子在没有施加电场时,通常会呈现一个有序的旋转状态。
这是通过对液晶层施加一个定向层来实现的。
定向层可以在液晶层上涂覆一层薄膜,使得液晶分子在这个薄膜上有一个偏压定向,液晶分子会沿着这个定向层的方向旋转。
当一个电压差施加在液晶层的两个电极之间时,电场会使得液晶分子发生变形,从而改变了液晶分子的定向。
液晶分子通常是呈现扭转结构,电场的作用使得液晶分子逐渐与电场平行,从而改变了液晶光学特性。
具体而言,液晶分子的定向改变导致光线透过液晶层的传输方式发生变化,从而改变了光线的透过率。
LCD的驱动原理可以分为两个步骤:选择性的激活和调整透明度。
在选择性的激活中,电场会对液晶层中的特定位置施加电场,并改变液晶分子的定向,从而导致光线的透过率发生变化。
这可以通过在液晶层上划分小的单元(像素)来实现,每个像素都有一个液晶分子定向被控制的电极驱动。
在调整透明度中,通过调整电场的大小,来改变液晶分子的扭转程度,从而改变光线的透过率。
这个过程是由电压信号控制的,微电压信号会改变液晶分子的扭转程度,而高电压信号会使液晶分子几乎与电场完全平行。
LCD驱动原理主要涉及到液晶分子的定向和电场的作用。
通过将电场施加在液晶层上,可以改变液晶分子的定向,从而改变光的传输方式,进而改变光的透过率。
这种原理被广泛应用于各种电子产品中,如计算机显示器、电视、手机等。
LCD(Liquid Crystal Display,液晶显示器)驱动方式是指用于控制LCD显示像素的电流或电压的方法。
LCD的工作原理是通过改变液晶分子的排列状态来调节光的透过率,从而实现图像显示。
以下是几种常见的LCD驱动方式和原理:1. 静态驱动方式(Static Driven Method):静态驱动方式是最简单的驱动方式之一。
每一个液晶像素点由一个独立的驱动电路控制,通过施加不同的电压或电场来改变液晶的取向,从而实现显示效果。
静态驱动方式适用于小尺寸的LCD,但对于大尺寸LCD来说,由于需要大量的驱动电路,使得整体结构复杂,成本较高。
2. 动态驱动方式(Dynamic Driven Method):动态驱动方式采用行列交替驱动的方法。
将液晶显示屏分割成若干行和列,通过周期性地切换不同的行和列的驱动电压,来逐行、逐列地更新显示内容。
这种方式可以减少所需的驱动电路数量,降低成本,并适用于大尺寸的液晶显示屏。
3. 时序控制驱动方式(Timing Control Driven Method):时序控制驱动方式通过控制驱动信号的时序来控制液晶的状态和显示内容。
时序控制驱动方式广泛应用于各种尺寸的液晶显示器,可以实现高分辨率、高刷新率和多种显示模式。
4. 被动矩阵驱动方式(Passive Matrix Driven Method):被动矩阵驱动方式是一种简单且低成本的驱动方法。
它通过将液晶像素点排列成行列交错的结构,使用行和列上的电极来控制每个像素点的状态。
然而,被动矩阵驱动方式在显示质量、响应速度和观看角度方面存在一定的限制。
5. 主动矩阵驱动方式(Active Matrix Driven Method):主动矩阵驱动方式采用了TFT(Thin-Film Transistor,薄膜晶体管)技术,每个像素点都有一个对应的TFT,通过控制这些TFT 的导通和截止来改变液晶的取向,从而实现高品质的显示效果。
lcd驱动原理
LCD驱动原理
LCD(液晶显示器)驱动系统是一套硬件设备,它可以将电脑的显示内容(象图像,文字等)传送到液晶显示器,使显示器能够正确地显示出视觉效果。
LCD驱动系统一般由两部分组成:
1.驱动电路:它是一组具有某种特殊功能的电路,专门负责将电脑发出的指令转换为液晶显示器能够识别的指令,从而达到控制显示器正确显示图像的目的。
2.控制器:它是一种芯片,用来控制整个驱动系统的运行,将驱动电路所转换的指令顺序传送给显示器,使其能够正确显示图像。
LCD驱动系统的主要功能是控制液晶显示器的显示图像,它的结构一般有两种:一种是有外部控制器的驱动系统,这种系统一般由一个控制器和几个驱动电路组成;另一种是集成驱动系统,这种系统由一个芯片内部集成的控制器和驱动电路组成。
LCD驱动系统的主要功能有:
1. 控制显示器的显示宽度、高度、刷新频率和亮度;
2. 将图像信息从显存发送给显示器;
3. 用驱动电路控制显示器周边的接口,如触摸屏接口、视频信号接口等;
4. 控制显示器背光,使其以正确的亮度显示图像;
5. 控制显示器的旋转;
6. 控制显示器的色彩范围;
7. 控制液晶显示器的电压和频率;
8. 控制显示器的节能效果。
每个不同类型的LCD驱动系统实现的功能不尽相同,但是都需要满足上述基本功能,以使液晶显示器正常显示图像。
LCD显色及驱动原理LCD(液晶显示器)是一种以液晶为显示材料的平板显示器。
它通过电场调节液晶分子排列来控制光的透过与阻挡,从而实现图像显示。
LCD的显色原理和驱动原理如下:1.LC(液晶)分子排列:LCD中主要使用的液晶分子是向列型液晶分子(例如垂直向列型液晶,或平行向列型液晶)。
在没有电场的作用下,液晶分子呈现有序排列,光线透过时不会发生旋转,从而达到透明的状态。
如果给液晶分子加上电场,电场可以改变液晶分子排列的方向和倾斜角度,从而影响光线的透过与阻挡。
2.极化器和偏振光:LCD中存在两个正交的偏振器,称为极化器和偏振器。
极化器将光线极化为特定的方向,而偏振器只允许特定方向的光线通过。
在两个偏振器之间放置了一个液晶层。
3.透明态:当没有电场应用到液晶分子上时,液晶分子是有序排列的,光线透过时会保持原来的极化状态,通过偏振器后能够完全透过,显示器呈现出透明状态。
4.关闭态:当电场垂直于液晶分子时,液晶分子排列改变,使得光线发生旋转,轴向反转90度,称为液晶分子的扭转。
光线的旋转使得通过偏振器后的光线不再具有与偏振器方向一致的偏振状态,无法透过偏振器,显示器呈现黑色状态。
5.显示色彩:LCD显示器要显示色彩,是通过调节每个像素点的亮度和颜色来实现的。
每个像素点由三个亮度可变的基本色彩点组成,即红、绿、蓝(RGB)三原色。
通过调整液晶分子的旋转角度,通过偏振器的光线透过与阻挡,可以调节每个像素点的透过光线的亮度和颜色,从而实现对图像的显示。
6.驱动原理:LCD显示器的驱动原理是通过控制每个像素点液晶分子的电场来实现的。
每个像素点都有一个独立的电极驱动,电极会施加电场,控制液晶分子的排列方向和倾斜角度。
通过电极的电压调节,可以控制每个像素点的旋转角度,从而实现对光线的调整和图像的显示。
总体而言,LCD显示器的显色原理是通过液晶分子的电场调节来控制光的透过与阻挡,通过调节每个像素点的液晶分子旋转角度来控制光线的亮度和颜色,从而实现对图像的显示。
LCD显色及驱动原理LCD(Liquid Crystal Display),中文称液晶显示器,是一种利用液晶作为电光转换材料来显示图像的平面显示技术。
其显色及驱动原理主要包括液晶分子的取向和电场控制、液晶的色彩显示方法以及液晶显示器的驱动方式。
一、液晶分子的取向和电场控制:液晶分子是长而细的有机分子,有两种常见的取向状态:平行取向(平行于电极方向)和垂直取向(垂直于电极方向)。
液晶分子可以通过施加电场来改变其取向状态。
当电场施加时,液晶分子会旋转到与电场方向平行的方向上。
电场施加的大小和极性将决定液晶分子的取向状态。
二、液晶的色彩显示方法:1. TN(Twisted Nematic,扭曲向列)液晶显示方法:TN液晶显示器通过控制电场的强度,改变液晶分子的取向状态,从而实现颜色的显示。
液晶分子的取向状态可以将入射光分为两个相位不同的线偏振光,通过调整电场改变液晶分子的取向角度,从而控制光的偏振态,实现显示效果。
TN液晶显示器色彩饱和度较低,视角较窄。
2. IPS(In-Plane Switching,平面转换)液晶显示方法:IPS液晶显示器是一种改进的液晶显示技术。
通过在液晶层中加入聚合物,使得液晶分子旋转角度相同。
IPS液晶显示器由两层平行的玻璃基板构成,中间夹有液晶层。
通过施加电场使液晶分子取向,改变电场分布从而改变透光度,实现颜色和显示效果。
IPS液晶显示器具有更好的色彩表现和视角范围。
三、液晶显示器的驱动方式:1.静态驱动(静态矩阵):静态驱动是一种最基本的液晶显示器驱动方式。
通过交叠的水平和垂直电极网络来控制液晶分子的取向状态,从而控制像素的亮暗。
静态驱动方式简单,但需要大量的引线,复杂度较高。
2.动态驱动(动态矩阵):动态驱动是一种更先进的液晶显示器驱动方式。
使用复杂的触发器和电路,以扫描的方式控制液晶分子的取向状态。
通过利用人眼暂留特性,使得动态驱动方式下的刷新频率足够高,能够显示流畅的图像。
LCD驱动方式及显示原理LCD (Liquid Crystal Display)是一种平板显示器技术,广泛应用于电子设备的显示屏上。
LCD驱动方式及显示原理是如何实现LCD屏幕的像素控制和图像显示的关键。
下面将详细介绍LCD驱动方式及显示原理。
1.LCD驱动方式:(1)数字式驱动数字式驱动是最常用的驱动方式,通过数字信号来对LCD显示器的像素进行控制。
-静态驱动:使用固定的电压,例如使用一个稳定的电压源,用于控制LCD屏幕的每个像素。
-动态驱动:分类为1/240、1/480、1/960、1/1200等等格式。
它在特定的时钟频率下,快速切换电压,使液晶分子在两种状态之间变化。
(2)模拟式驱动模拟式驱动是通过模拟信号来控制LCD显示器的像素。
它通常用于LCD屏幕上像素点较少的低分辨率显示设备。
-逐行驱动:按照行顺序逐个驱动LCD的所有像素点。
-平面驱动:将整个屏幕划分为很多平面,并且同时驱动每个平面的像素。
2.LCD显示原理:LCD显示原理涉及到电光效应和液晶分子的操控。
(1)电光效应当电压施加在液晶材料上时,其分子将发生旋转或重新排列,从而改变透过的光的方向,从而改变液晶材料的透过性。
液晶显示屏架构中的液晶分子通常被安排成两个平行的玻璃衬底之间的夹层。
当无电压施加在液晶分子上时,它们会形成同心圆状。
而当电压施加在液晶分子上时,它们会改变形状,通常是旋转成平行或垂直的状态。
(2)液晶分子的操控液晶显示屏的构造中包含两片玻璃衬底,每个衬底上都有一个导电层。
当电压施加在导电层上时,它会在液晶分子中产生电场。
根据电场的大小和方向,液晶分子将旋转或重新排列,改变透光的方向,并实现对光的控制。
3.LCD驱动流程:(1)数据输入:控制器将图像数据(RGB值)传输到LCD驱动电路。
(2)数据解码:LCD驱动电路将输入的图像数据转换为液晶分子可理解的电信号。
(3)电场操控:通过电信号操控液晶分子的排列,将其使之平行或垂直。
lcd驱动原理
一、背光单元组成分析
1、基本原理分析
目前大尺寸的显示屏主要还以LCD为主,LCD本身不会发光,要想让其显示画面,就必须使用白光背光源,常见的白光背光源一般由数个白色LED灯组成,LED灯的个数由屏的尺寸决定,一般由1~10串(串联型,本文暂不介绍并联型),每串2~20个不等。
2、LED的参数
LED的主要参数是Vf和If。
Vf:正向电压,LED发光时自身正负极两端的压降。
If:正向电流,一定发光强度下通过LED的电流,发光强度和If成正比,相同的If下LED灯的发光强度相同。
例如,普通手机LCD背光常用的LED正常发光时的If为20mA,Vf 一般为3.0~3.4V 。
3、LED驱动电路的基本设计要求
(1)满足背光的亮度要求;
(2)整个显示屏亮度均匀(即不允许有某一部分较亮、另一部分较暗的情况);
(3)亮度可以方便地调节;
(4)驱动电路占PCB空间要小;
(5)工作效率高;
(6)综合成本低;
(7)对系统其他模块干扰小。
原创今日头条:卧龙会IT技术
4、背光驱动原理讲解
串联型驱动电路顾名思义就是在电路中各LED灯采用串联的方式连接在一起,因此,经过各个灯的电流都是一样的,这样就可以保证每
颗灯的亮度一样,因此发光亮度均匀是串联型的最大优点。
由于各灯采用串联连接方式,而每颗灯Vf电压为3.0~3.4V,以Vf 为3.0V为例,如果是10颗串联就意味着需要10*3.0=30V,所以该方式的驱动电路就需要采用DC/DC Boost电路把电压升到所需电压。