镀铝部品检查法
- 格式:xls
- 大小:177.00 KB
- 文档页数:2
镀铝膜的质量控制要求和检验方法镀铝膜的质量控制要求和检验方法,看似一个很专业的话题,其实也挺接地气的,尤其是在日常生产和应用过程中,咱们要关注的其实就是如何确保这些膜的质量能达到标准,不能马马虎虎,毕竟做事讲究的是“精益求精”。
所以,咱们聊聊镀铝膜的质量控制,看看要怎么做,才能避免出问题。
镀铝膜是指在薄膜上镀上一层铝金属的材料,它通常用于包装、电子、汽车等多个行业。
因为铝金属有很好的反射性、抗氧化性和耐腐蚀性,所以这种膜的性能直接关系到它的使用效果。
如果镀铝膜的质量不过关,那不仅影响产品的使用效果,还会造成浪费,甚至带来安全隐患。
想想看,一袋用镀铝膜包装的食品,如果膜有瑕疵,密封不好,食品可能就容易变质,这可不得了!那怎么确保镀铝膜的质量呢?答案就在质量控制上。
镀铝膜的质量控制其实是一个多方面的工作,得从多个环节入手。
要注意原材料的选择,铝金属的纯度、薄膜的厚度等等,直接影响到镀铝膜的性能。
如果原材料选错了,就像盖房子用错了砖,别说质量不稳定,成本也能让你翻车。
好了,原材料问题解决了,接下来就是镀铝工艺了。
要保证镀铝膜的质量,工艺控制很关键。
镀铝的时候,温度、压力、时间等都得精确控制,一点差错,膜的质量就不稳定,可能就出现色差、气泡或者镀层不均匀等问题。
讲到这里,很多人可能会问,怎么知道这些质量控制得好不好呢?是不是得有一些具体的检验方法?当然有啦。
质量检验可不是随便搞搞的,必须得严谨。
外观检查是最基础的一步。
拿到镀铝膜,首先得看看有没有明显的瑕疵,什么褶皱啊、气泡啊、脱落的地方。
这些看起来小问题,但影响可大了!不过,光靠眼睛看可不行,接下来得用一些专业工具,像是测厚仪,来检查膜的厚度是否均匀。
镀铝膜的厚度直接决定了它的质量,太薄了可能抗拉强度不够,太厚了又浪费成本。
然后是密封性测试。
这可不能忽视,要知道,镀铝膜常常是用于包装,包装一旦不严密,就得给产品“开了个口子”,搞不好产品就暴露在空气中,容易变质或者受潮。
注:1um=1000纳米=10000埃2、镀铝层附着牢度的检测镀铝层牢度通常的检测方法是胶带检测法,即将长15-20cm ,宽0.5-1 inch 的3M Scotch胶带贴合在镀铝薄膜的镀铝层上并将其压平,然后以均匀的速度将胶带剥离,观察并估计镀铝层被剥离的面积,面积小于10%为一级、小于30%为二级、大于30%为三级。
胶带检测法只是一种定性的检测方法,只适合于一般的定性比较,如果镀铝层的附着牢度超过胶带的粘结力,则分别不出镀铝层附着牢度的差别。
现在常用的定量检测方法是在一定的温度、压力和时间下,用EAA薄膜(厚度20-50um,AA含量一般在9%左右)与镀铝膜的镀铝层进行热封,将热封后的样品裁成15mm宽,在拉力试验机上进行剥离试验,观察并记录剥离力的大小以及镀铝层被剥离的面积。
3、外观检验镀铝薄膜的外观检验主要包括如下方面的内容:(1)针孔(溅射点)镀铝时如蒸发舟的温度控制不良或送丝点的位置不好等情况会造成铝液发生溅射,如溅射的铝液达到薄膜上会在薄膜上形成小的针孔,镀铝薄膜上的针孔过多会造成薄膜阻隔性能的下降。
一般情况下允许镀铝薄膜的针孔数量为2-3个/m2。
(2)镀空线(轨道线)用缠绕式真空镀铝机生产镀铝薄膜时,如基材薄膜在蒸镀区有皱折,则折叠在里面的薄膜就不会有铝层附着,从而在镀铝薄膜上形成线状的铝层较浅的区域被称为镀空线。
镀空线主要在CPP、PE等性质较软的基材薄膜上产生。
(3)镀铝面刮伤(划痕)这种现象主要是由于镀铝薄膜在运转过程中,镀铝层被导辊上的异物损伤造成。
镀铝层的厚度测试现在所知的有四种:1、高倍电子显微镜直接测量,精确度为10E-10米,也就是0.1纳米(1米=1000mm,1mm =1000微米,1微米=1000纳米,1纳米=10埃米)。
镀铝层的厚度一般为30埃米至800埃米之间。
--这个方法对镀铝层厚度方向上的断面取样手法要求极高,其精确度影响较大,但是所得数据是最为直接的物理测量。
镀铝镜子原片的光滑度与平整度测试与分析为了检验镀铝镜子原片的光滑度和平整度,需要进行相关测试和分析。
这些测试可以帮助我们了解镀铝镜子原片表面的质量和性能,以确保其在实际使用中的效果。
光滑度测试方法光滑度是指物体表面的平整度和光洁度。
对于镀铝镜子原片,我们可以使用以下测试方法来评估其表面的光滑度。
1. 视觉检查:首先,进行肉眼观察,检查镜子原片表面的平整度。
注意观察表面是否有凹陷、凸起或其他表面不平整的瑕疵。
2. 触感检测:用手轻轻触摸镜子原片表面,检查其表面是否光滑,没有明显的凹凸感。
3. 光学显微镜检测:使用光学显微镜放大镜子原片表面的细微结构。
观察并记录表面的横向和纵向缺陷、气泡、凹陷等情况。
通过观察细节和图像,可以更准确地评估其光滑度。
平整度测试方法平整度是指物体表面的平坦程度,对于镀铝镜子原片,以下测试方法可以帮助我们评估其平整度。
1. 平板测试:首先,将镜子原片放置在一个平台上,通过平板测试来检测其表面的平整度。
通过测量表面中心和四个角落之间的距离来评估平整度。
差异越小,表明镜子原片越平整。
2. 振动检测:使用振动检测设备在镜子原片上施加振动,并通过振动检测器检测振动的大小和频率。
不规则的振动模式可能是平整度问题的标志。
3. 光线测试:通过光束投射在镜子原片表面来测试其平整度。
观察光线的反射和折射,如果有明显的扭曲或反射不均匀,则可能存在平整度问题。
分析结果与改进方法获得光滑度和平整度的测试结果后,需要进行相应的分析并确定是否需要进行改进。
以下是可能存在的问题及其改进方法。
1. 表面不光滑:如果镜子原片表面存在凹陷、凸起或其他不光滑的情况,可以考虑使用更好的加工材料、改进加工工艺或使用更精细的抛光技术来提高表面的光滑度。
2. 平整度不足:如果镜子原片的平整度不达标,可以尝试调整生产过程,使用更精确的模具或工艺,以获得更好的平整度。
3. 振动问题:如果镜子原片在振动测试中存在不规则振动,可以通过调整支撑结构或材料选择来解决振动问题。
电镀产品品质检验规范和方法电镀端子的检验是电镀完成后不可缺少的工作,只有检验合格的产品才能交给下一工序使用。
通常驻的检验项目为:膜厚(thickness),附着力(adhesion),可焊性(solderability),外观(appearance),包装(package).盐雾实验(salt spray test),对于图纸有特别要求的产品,有孔隙率测试(30U”)金使用硝酸蒸气法,镀钯镍产品(使用凝胶电解法)或其它环境测试。
一膜厚:1.膜厚为电镀检测基本项目,使用基本工具为萤光膜厚仪(X-RAY),其原理是使用X射线照射镀层,收集镀层返回的能量光谱,鉴别镀层厚度及成分。
2.使用X-RAY注意事项:1)每次开机需做波谱校准2)每月要做十字线校准3)每星期应至少做一次金镍标定4)测量时应根据产品所使用的钢材选用测试档案5)对于新产品没有建测试档案,应建立测试档案3.测试档案的意义:例:Au-Ni-Cu(100-221 sn 4%@0.2 cfpAu-Ni-Cu----------测试在铜基材上镀镍打底再镀金的厚度。
(100-221 sn 4%-------AMP铜材编号含锡4%的铜材)二.附着力:附着力检测为电镀基本检测项目,附着力不良为电镀最常见不良现象之一,检测方法有两种:1.折弯法:先用与所需检测端子相同厚度的铜片垫于需折弯处,用平口钳将样品弯曲至180度,用显微镜观察弯曲面是否有镀层起皮,剥落等现象。
2.胶带法:用3M胶带紧牢地粘贴在欲试验样品表面,垂直90度,迅速撕开胶带,观察胶带上有载剥落金属皮膜。
如目视无法观察清楚,可使用10倍显微镜观察。
3.结果判定:a).不可有掉落金属粉末及补胶带粘起之现象。
b).不可有金属镀层剥落之现象。
c).在底材未被折断下,折弯后不可有严重龟裂及起皮之现象。
d).不可有起泡之现象e).在底材未被折断下,不可有裸露出下层金属之现象。
4.对于附着力发生不良时应学会区分剥落的层的位置,可用显微镜及X-RAY测试已剥落的镀层厚度来判断,借些找出出问题的工站。
真空镀铝膜工艺及检验标准一、概述真空蒸镀金属薄膜是在真空条件下,将金属蒸镀在薄膜基材的表面而形成复合薄膜的一种新工艺。
被镀金属材料可以是金、银、铜、锌、铬、铝等,其中用的最多的是铝。
在塑料薄膜或纸张表面(单面或双面)镀上一层极薄的金属铝即成为镀铝薄膜,它广泛地用来代替铝箔复合材料如铝箔/塑料、铝箔/纸等使用。
镀铝薄膜与铝箔复合材料相比具有以下特点:(1)大大减少了用铝量,节省了能源和材料,降低了成本,复合用铝箔厚度多为7~gpm,而镀铝薄膜的铝层厚度约为0.05n左右,其耗铝量约为铝箔的1/140~1/180,且生产速度可高达450m/min。
(2)具有优良的耐折性和良好的韧性,很少出现针孔和裂口,无揉曲龟裂现象,因此对气体、水蒸汽、气味、光线等的阻隔性提高。
(3)具有极佳的金属光泽,光反射率可达97%;且可以通过涂料处理形成彩色膜,其装潢效果是铝箔所不及的。
(4)可采用屏蔽式进行部分镀铝,以获得任意图案或透明窗口,能看到内装物。
(5)镀铝层导电性能好,能消除静电效应;其封口性能好,尤其包装粉末状产品时,不会污染封口部分,保证了包装的密封性能。
(6)对印刷、复合等后加工具有良好的适应性。
由于以上特点,使镀铝薄膜成为一种性能优良、经济美观的新型复合薄膜,在许多方面已取代了铝箔复合材料。
主要用于风味食品、农产品的真空包装,以及药品、化妆品、香烟的包装。
另外,镀铝薄膜也大量用作印刷中的烫金材料和商标标签材料等。
二、镀膜基材镀铝薄膜的基材主要是塑料薄膜和纸张。
真空蒸镀工艺对被镀基材有以下几点要求:(1)耐热性好,基材必须能耐受蒸发源的辐射热和蒸发物的冷凝潜热。
(2)从薄膜基材上产生的挥发性物质要少;对吸湿性大的基材,在镀膜前理。
(3)基材应具有一定的强度和表面平滑度。
(4)对蒸镀层的粘接性良好;对于PP、PE等非极性材料,蒸镀前应进行表面处理、以提高与镀层的粘接性。
常用的薄膜基材有:BOPET、BONY、BOPP、PE、PVC等塑料薄膜和纸张类。
真空镀铝膜的性能指标及测量方法真空镀铝膜,软包装的重要材料,本文从其厚度、镀层的均匀度、牢度以及物理机械性能等指标逐一讲述了其性能,以及各指标的测量方法。
1、镀铝膜厚度镀铝膜厚度测量一般采用下述三种方法。
第一种是光密度法,以光线透过镀铝膜的密度来衡量。
用光密度计量镀铝层厚度的优点是方便、准确,测量结果不易受表面氧化层的影响。
光密度值与入射光波长有关。
第二种是采用表面方块电阻测量。
此法简单实用,一般铝层厚度对应的表面电阻一般在1~2。
取样或宽1cm长,10cm的电阻值在1~20之间。
镀膜刚下卷时,铝层表面氧化少,测量更加准确。
第三种方法是目测估计法。
如用两层镀铝膜叠在一起对着日光灯或对着天空看,以看不见光线为准,镀层厚度应达400Å以上,但这种方法很容易受眼睛视觉的影响,当把镀铝膜贴在眼前观看时,眼睛的瞳孔会随光线变暗而调整,本来看不见的光线在瞳孔调整后又将能看见。
2、镀铝膜镀层的均匀度专注下一代成长,为了孩子沿被测样品横向等距离地取8~10个规格为100mm×100mm的试样,用电阻测量仪分别测出方块的电阻值,取其算数平均值,即为该试样的镀层电阻,还可以计算其电阻值上、下偏差,电阻层电阻的偏差,实际就是反映了镀铝层的均匀度。
3、镀铝牢度镀铝牢度一般是用胶带来检测的。
当用胶粘带定性测定镀铝层牢度时,把大约15cm长的胶粘带贴在镀铝面上并用手指压平。
然后用一只手压住样品,另一只手匀速剥离胶粘带。
用带强光的灯箱检验铝层脱落转移的情况。
另一种测定镀铝层牢度的方法用于PET镀铝膜。
把一种特别制备的试验膜与PET镀铝膜按一定的热封条件热封,然后裁样后用拉伸试验机剥离,测定剥离力并检查热封面积中的铝层转移情况。
4、物理机械性能指标常见镀铝膜的物理机械性能指标见下表。
专注下一代成长,为了孩子。
40《计量与测试技术》2421年第46卷第0期镀铝膜包装的食品金属检测技术周若臣洪然孔笑荷(北京科技大学自动化学院,北京140053)摘要:食品安全问题越来越受到广大群众关注,其中食品的金属检测是最常见的一类。
目前食品包装和食品本身产品效应的干扰下的金属检测技术是食品金属检测的研究热点。
文章分析了电磁检测原理和频率对检测灵敏度的影响,设计了双频金属检测系统,搭建了设备进行实验,验证了检测的可行性。
最后使用检测样品对检测系统进行测试,实现了较高精度的镀铝膜包装的食品的金属检测功能。
关键词:双频检测;金属检测;涡流检测;锁相放大中图分类号:TP012文献标识码:A 国家标准学科分类代码460.4032DCH:12.15985/j.caki.1004-0940.2020.2.015Food Metai Detection Technology for Aluminized Film PackagingZHOU RuocCeu HONG Rao KONG XiaoOcAbstroct:FooO safety issues have attracteh more and more attention tom the aenerat puUlic,ank metat detection in fooO is the most common cdWq°U・At present;the metat detection WcCnolopy unkeu the UWiUunce of fooO pacC-a/ing ank the peOuct eUect of the fooO itsetf is the researcC foccs of fooO metat detection.The aUicte analyzes the e-Uctema/netic detection principU ank the inUueqce of U cucuco on detection sensitivity,desiqns a duat-U cucu-cy metat detection system,sets up equipment fou expeuments-ank veufies the feasikility of detection.Firody,the detection system is WstU with the detection sampte,whicC realizes the metat detection function of the fooO pacC-a/eh with aluminizeh filu with hUher precision.KevworOs:duat fequucy detection;metat detection;ccrrent detection;ppasa UcC amplification0引言食品安全问题是人们广泛关注的问题,其中食品的精加工过程是最容易导致食品中异物产生的步骤,而加工过程中机器设备导致的金属异物则是最常见的一类。
镀铝镜子原片的反射率与透过率测试方法与分析镀铝镜子原片是一种常用的光学材料,广泛应用于科研、工业生产以及日常生活中。
在实际应用中,我们通常需要了解镀铝镜子原片的反射率和透过率等光学特性,以评估其使用性能和质量。
本文将介绍关于镀铝镜子原片反射率和透过率测试方法与分析的相关内容。
反射率是指材料表面反射光线的能力,常用百分比表示。
在测试镀铝镜子原片的反射率时,我们可以采用光谱反射法。
具体步骤如下:1. 准备测试设备:光谱反射仪、样品支架等。
2. 样品制备:将待测试的镀铝镜子原片切割为适当大小,并清洁干净,确保表面无灰尘或污渍。
3. 确定测试波长范围:根据实际需求和设备条件,选择适宜的测试波长范围。
常见的选择包括可见光波长范围(400-700纳米)或紫外-可见光波长范围(200-800纳米)等。
4. 设置光谱反射仪:根据测试波长范围,设定光源和检测器。
5. 放置样品:将待测试的镀铝镜子原片放置在样品支架上,并确保其与测试设备的接触良好。
6. 测试:开始进行测试,光谱反射仪会发送一束光线照射到样品表面,并测量反射的光线强度。
通过计算,可以得到样品在不同波长下的反射率数据。
7. 分析:根据测试结果,可以绘制出镀铝镜子原片在不同波长下的反射率曲线。
同时,还可以计算平均反射率等参数,以评估样品的光学性能。
透过率是指材料对光线透过的能力,也常用百分比表示。
在测试镀铝镜子原片的透过率时,我们可以采用相似的光谱透过法。
具体步骤如下:1. 准备测试设备:光谱透过仪、样品支架等。
2. 样品制备:将待测试的镀铝镜子原片切割为适当大小,并清洁干净,确保表面无灰尘或污渍。
3. 确定测试波长范围:根据实际需求和设备条件,选择适宜的测试波长范围。
4. 设置光谱透过仪:根据测试波长范围,设定光源和检测器。
5. 放置样品:将待测试的镀铝镜子原片放置在样品支架上,并确保其与测试设备的接触良好。
6. 测试:开始进行测试,光谱透过仪会发送一束光线照射到样品表面,并测量透过的光线强度。
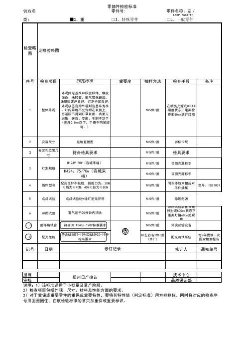
零部件检验标准
供方名称:零件号:零件名称:左/右前组合灯总成
LAMP ASSY-FR COMB,L/RH
2)检查项目包括外观、尺寸、材料及性能方面的要求。
3)对于重保或重要零件的重保或重要特性,要将其特性值(判定标准)用方框框住,同时将对应的检查序
号用圆圈圈住,在该检验标准的首页加重保或重要标识。
前照灯远光反射镜真空镀膜判定基准
1、合灯壳判定方式:于自然光800LX,正对光源照明,合LENS后距离内眼60CM 只距离装车状态下进行判定
2、重要区域标示
A区:抛物面区域
B区:侧面区域
C区:A、B区以外区域
不管制区:边缘区域,有花纹遮盖处
B区
C区A区
注意:反面铜卡件需重新攻丝,去除跑料.尺寸为M6
前照灯近光反射镜真空镀膜判定基准
3、合灯壳判定方式:于自然光800LX,正对光源照明,合LENS后距离内眼60CM 只距离装车状态进行判定。
4、重要区域标示:
A区:15°线下方部分
B区:直线与15°线中间部分
C区:直线上方部分
B区
A区
注意:反面铜卡件需重新攻丝,去除跑料.尺寸为M6。
真空镀铝纸碱渗透性的检测及控制真空镀铝纸是目前使用较广的一种商标印刷材料,目前市场上的许多啤酒标都是采用镀铝纸进行印刷的,使啤酒标产品的档次明显提高。
由于镀铝纸材质特性不同于普通铜版纸,它的基纸是防水铜版纸,材质吸收性比较差,具有一定的耐渗透性能。
所以,从啤酒厂回收洗瓶的工艺上考虑,镀铝纸生产厂家和印刷厂必须控制好镀铝纸的碱渗透性指标,才能确保啤酒厂洗瓶时的正常脱标。
一、镀铝纸碱渗透性能的检测要求、方法和标准I.检测所需的材料和器具。
检测镀铝纸碱渗透性能,必须准备酚酞指示剂1瓶;固体片状氢氧化钠1瓶;加热用的恒温炉或电炉1个;100℃温度计和比重计各1支;250ml玻璃量筒、800ml烧杯和秒表各1个。
2.取样要求、检测方法和标准。
(1)取样要求。
,从每件货中随机抽取1张表面无折痕、无破损的镀铝纸作为检测样,同时在这张纸样横向的不同部位上,分别切取规格约为60mmX60mm大小面积的试样3张,然后将每个试样的背面四边(折边的长度约为8mm)分别折成90’的凹形状,随即将四个边角用订书钉予以固定。
凹形试样做好以后,即可在每个的凹形面上均匀涂抹一些酚酞指示剂,以供测试时显色用。
(2)检测方法和标准。
检测用的NaOH溶液的浓度,一般要求调至2%—3%之间,溶液的温度控制在80±2℃之间。
调配时,先将适量的NaOH倒进量筒里,,然后将60℃左右的温水逐渐慢慢倒进量筒里,加温水以后,NaOH溶液的温度随即会自然上升,几乎可达到检测所要求的温度。
这时将比重计放进量筒里即可测量溶液的浓度,如果浓度不适可通过加水或加NaOH,直至调配到检测所需的碱液浓度。
碱液浓度调配好以后,即可倒进烧杯里,并将其放在恒温炉或电炉上进行保温、恒温。
检测时,将试样正面朝下放人溶液中,同时按下秒表进行计时,当试样背面的酚酞出现明显的点状变红现象时,即按下秒表停止计时,该时间为试样的碱渗透检测结果。
原纸碱渗透时间的单位为秒,它的标准要根据啤酒厂灌装生产线的速度和洗瓶结构的特点酌情掌握。
真空镀铝产品检验规范一、引言车灯作为汽车的重要组成部分,在夜间行驶和恶劣天气条件下起到了至关重要的作用。
车灯的外观、光源的亮度和投射方向直接关系到行车安全。
而真空镀铝是常用的车灯表面处理方式之一,它能够提高车灯的整体质感和耐用性。
为确保真空镀铝产品的质量,制定一套科学、全面的产品检验规范是非常必要的。
二、产品外观检验1.表面光洁度检验使用柔软、无掉毛的棉布轻轻擦拭镀铝表面,观察是否有细微划痕、起皮或掉色现象。
光洁度应符合工业标准,不得影响整体美观。
2.表面涂层检验采用划线试验法,使用硬度足够的物体在镀铝表面划线,观察涂层是否起皮脱落。
严重起皮脱落的产品将不符合标准。
3.颜色一致性检验将不同批次的真空镀铝产品放在同一光源下,比较其颜色是否一致。
颜色差异不应超过工业标准规定的范围。
三、光源检验1.亮度检测选择适宜的测量仪器,对车灯亮度进行检测。
亮度应符合国家标准,保证驾驶者可以获取足够的照明亮度。
2.光斑形状检验将车灯放在规定的距离处,观察车灯的光斑形状。
光斑应呈圆形或近似圆形,不应有明显的扭曲和异常。
3.投射方向检验车灯安装好后,通过调整车灯的投射方向,让其在指定的距离出现预定的光斑形状和分布。
投射方向应符合国家标准,不得出现偏差。
四、安全性检验1.热稳定性检验将车灯置于高温环境中,观察其是否能够正常工作。
车灯应具备良好的热稳定性,防止因温度过高导致损坏或失效。
2.抗震性检验通过模拟车辆在不同路况下的震动,观察车灯是否能够正常工作,不得出现闪烁、熄灭或异响等现象。
3.防水性检验将车灯置于水中,观察其是否能够正常工作。
车灯应具备一定的防水性能,以应对恶劣天气条件下的使用情况。
五、检测记录和判定对每批车灯产品进行检测时,应及时准确地记录检测结果和检测时间。
对于合格的产品,应进行标识和分类储存;对于不合格的产品,则应采取相应措施,例如修复、退货等。
六、检测设备和仪器1.光度计:用于测量亮度和光斑形状。
2.高温箱:用于进行高温环境下的热稳定性检验。
真空镀铝膜工艺及检验标准一、概述真空蒸镀金属薄膜是在真空条件下,将金属蒸镀在薄膜基材的表面而形成复合薄膜的一种新工艺。
被镀金属材料可以是金、银、铜、锌、铬、铝等,其中用的最多的是铝。
在塑料薄膜或纸张表面(单面或双面)镀上一层极薄的金属铝即成为镀铝薄膜,它广泛地用来代替铝箔复合材料如铝箔/塑料、铝箔/纸等使用。
镀铝薄膜与铝箔复合材料相比具有以下特点:(1)大大减少了用铝量,节省了能源和材料,降低了成本,复合用铝箔厚度多为7~gpm,而镀铝薄膜的铝层厚度约为0.05n左右,其耗铝量约为铝箔的1/140~1/180,且生产速度可高达450m/min。
(2)具有优良的耐折性和良好的韧性,很少出现针孔和裂口,无揉曲龟裂现象,因此对气体、水蒸汽、气味、光线等的阻隔性提高。
(3)具有极佳的金属光泽,光反射率可达97%;且可以通过涂料处理形成彩色膜,其装潢效果是铝箔所不及的。
(4)可采用屏蔽式进行部分镀铝,以获得任意图案或透明窗口,能看到内装物。
(5)镀铝层导电性能好,能消除静电效应;其封口性能好,尤其包装粉末状产品时,不会污染封口部分,保证了包装的密封性能。
(6)对印刷、复合等后加工具有良好的适应性。
由于以上特点,使镀铝薄膜成为一种性能优良、经济美观的新型复合薄膜,在许多方面已取代了铝箔复合材料。
主要用于风味食品、农产品的真空包装,以及药品、化妆品、香烟的包装。
另外,镀铝薄膜也大量用作印刷中的烫金材料和商标标签材料等。
二、镀膜基材镀铝薄膜的基材主要是塑料薄膜和纸张。
真空蒸镀工艺对被镀基材有以下几点要求:(1)耐热性好,基材必须能耐受蒸发源的辐射热和蒸发物的冷凝潜热。
(2)从薄膜基材上产生的挥发性物质要少;对吸湿性大的基材,在镀膜前理。
(3)基材应具有一定的强度和表面平滑度。
(4)对蒸镀层的粘接性良好;对于PP、PE等非极性材料,蒸镀前应进行表面处理、以提高与镀层的粘接性。
常用的薄膜基材有:BOPET、BONY、BOPP、PE、PVC等塑料薄膜和纸张类。
电镀件通用检验标准2007-03-10 18:051 范围本标准规定了电镀件的检验内容及检验方法,适用于公司来料、半成品的检查。
2 引用标准GB/T 2828-2003 中华人民共和国国家标准(适用于产品逐批检查)。
3 定义3.1 A 面:指电镀件正面 . (在使用过程中能直接看到的表面)3.2 B 面:指电镀件四侧边。
(需将电镀件偏转45~90 °才能看到的四周边)3.3 软划痕:没有深度的划痕。
(无手感)3.4 硬划痕:硬物摩擦造成的划痕或有深度的划痕。
3.5 批锋:由于注塑等原因造成塑胶边缘突起。
3.6 麻点:由于电镀环境不干净而导致有点状或线状物覆盖于产品表面的缺陷。
3.7 凸点:由于有灰尘造成电镀表面凸点状缺陷。
3.8 沙眼:由于模具压伤后留下的印痕。
4 要求4 . 1 检验步骤:包装检验信赖度测试试装检验尺寸检验外观检验4 . 2 检验条件4.2.1 光源 : 两支 40W 日光灯照射下距物件 1.2 ~ 1.5 米4.2.2 目视距离:35 ± 5cm4.2.3 目视角度:检测面与人眼方向成45° ~90°4.2.4 目视时间 :5 ~ 10S4 . 3 检验仪器和工具4.3.1 游标卡尺 [ 准确度: 0.02mm ] 4.3.2 标准菲林4.3.3 普通刀片 [ 有保护手柄 ]4.3.4 塞尺4.3.5 配套卡机面、底壳 [ 工程提供 ] 4.3.6 3M 胶纸4.3.7 RCA 耐磨测试仪4 . 4 检验细则4.4.1 检验项目。
镀铝膜镀铝层附着力检测法
首先确认镀铝面..通常实用的方法用手指轻轻的在薄膜的正反面划一下.膜面一般不会有明显的划痕.铝层面会因为外力的摩擦产生很明显的划痕.
镀铝层附着牢度通常的检测方法是胶带检测法,即将长15-20cm ,宽0.5-1 inch的3M 胶带贴合在镀铝薄膜的镀铝层上并将其压平,然后以均匀的速度将胶带剥离,观察并估计镀铝层被剥离的面积,面积小于10%为一级、小于30%为二级、大于30%为三级。
胶带检测法只是一种定性的检测方法,只适合于一般的定性比较,如果镀铝层的附着牢度超过胶带的粘结力,则分别不出镀铝层附着牢度的差别。
现在常用的定量检测方法是在一定的温度、压力和时间下,用EAA薄膜(厚度20-50um,AA含量一般在9%左右)与镀铝膜的镀铝层进行热封,将热封后的样品裁成15mm宽,在拉力试验机上进行剥离试验,观察并记录剥离力的大小以及镀铝层被剥离的面积。
文件编号:YS-JY 受控状态:铝业公司原材料、半成品、成品检验规程第A版,0次修改分发号:编制人:审批人:2020.12.20发布 2020.12.26实施目录 (2)原材料检验规程 (3)半成品检验规程 (7)成品检验规程 (9)1.铝棒进厂检验1.1验证质保书根据供方质量证明书,检查实物的熔炼炉号、合金牌号是否相符,是否符合要求;1.2铝棒外观质标准1.3铝棒尺寸偏差标准:1.4化学成分标准:1.5低倍组织标准1.6根据以上标准要求,对外观质量和尺寸偏差进行逐根检验;化学成分每批对硅、镁、铁、铜、锰五个元素进行化验。
低倍组织每批次做一次检验。
1.7以上项目均合格后,则该批铸锭合格。
2、其它辅助材料的进厂检验注:化工材料有效期国标有规定的按国标,没有规定的本厂定为三个月3. 批次合格判别:检验批抽样样品全部项目合格则该批材料全格。
4不合格的处理不合格的处理按《不合格品控制程序》处理5检验记录及标识经检验合格的产品进行标识,按要求做好检验原始记录.1.工序半成品检验2. 时效硬度检验2.1 型材时效完毕出炉后立即风冷,待型材温度低于50℃后,方可检测硬度。
2.2 每框型材的两端各取不少于10个试样测硬度。
2.3 取最低的一个硬度值作为该框型材硬度,并做好记录。
2.4 当硬度不能达到8HW时,应进行全检,将挑出不合格的型材重新时效,待时效出炉后炉后重新进行硬度检测,若合格则放行。
2.5 凡经二次时效不合格的型材按《不合格品处理程序》进行。
3. 抽检数按每批10%,如果发现不合格采用全检。
4.不合格的处理按《不合格品处理程序》进行。
5自检不合格品按区域标识,由质检部负责评审其性质,提出处置建议。
6专检发现的不合格品,由生产部负责处置。
7.标识:经检验合格的半成品由质检员在《生产随行卡》上进行标识,同时由责任部门分区挂牌标识,以防不合格品的误用或转序。
1成品检验规程附表:表一表二文件修改页。
检验标准真空镀铝产品检验规范(车灯)
页码 2 to 5
3.4.1 通过目测观察产品表面状况;
3.4.2 判定方法:
(1)A区
满足以下条件的评价区域界定为A区:
a)直视装在灯具成品上的可见区域;
b)影响成品性能的关键区域;
c)可见的平滑表面
(2)B区
满足以下条件的界定为B区:
a)对成品灯具无重要影响的区域;
b)装在成品灯具上的可见区域,有条纹;
c)装在成品灯具上的可见区域,但直视影响评价效果
(3)C区
a)对成品灯具无重要影响的区域;
b)装在成品灯具上,直视不可见
(4)D区
a)对成品灯具性能无重要影响的区域;。
镀铝操作规程镀铝是一种常见的金属表面处理工艺,广泛应用于汽车、航空航天、电子等行业。
为了确保镀铝工艺的质量和安全,制定了一系列的操作规程。
本文将为你介绍一份镀铝操作规程,包括操作前准备、操作步骤、操作注意事项等内容。
一、操作前准备1. 工艺原料检查:检查所使用的铝材、镀铝液、腐蚀剂等原料的质量和数量是否符合要求。
2. 设备检查:检查镀铝设备的各项工作状态是否正常,包括电源、电解槽、循环泵等设备的运行情况。
3. 个人防护措施:穿戴好防护服、防酸碱手套、护目镜等防护用品,确保自身安全。
4. 通风系统检查:确保镀铝作业区域有良好的通风环境,进行通风系统的检查和调试。
5. 废液处理设备检查:检查废液处理设备是否正常运行,确保废液得到合理处理和排放。
二、操作步骤1. 材料加工:根据需要,将待镀铝的材料进行必要的加工,去除表面的油脂、灰尘等杂质。
2. 清洗净化:将加工好的材料进行清洗净化处理,去除表面的氧化物和污物,是材料表面更易于镀铝。
3. 预处理:将清洗净化后的材料进行预处理,包括使用酸性腐蚀剂腐蚀材料表面以增加镀层的附着力。
4. 镀铝操作:将经过预处理的材料放入镀铝电解槽中,通过电流作用使铝金属从阳极溶解并沉积在材料表面。
5. 清洗:将镀铝后的材料进行清洗,去除电解槽中残留的镀铝液和杂质。
6. 烘干处理:将清洗后的材料进行烘干处理,使镀铝层达到规定的干燥程度。
7. 检验:对镀铝后的材料进行检验,检查镀层的厚度、均匀性、附着力等指标是否符合要求。
三、操作注意事项1. 严禁在无防护措施的情况下接触镀铝液和腐蚀剂,以免引起人身伤害。
2. 操作时需佩戴好个人防护装备,并进行相应的安全培训,确保自身安全。
3. 操作前需对设备进行检查和维护,确保设备的正常运行。
4. 操作时应注意控制电流的稳定性,避免电流过大或过小导致镀层质量不合格。
5. 镀铝液的配制和维护需按照规定进行,避免影响镀层的质量。
6. 镀铝作业区域应保持清洁,避免杂质进入镀铝电解槽影响镀层质量。