机动车登记工作规范附件1机动车类型分类表
- 格式:doc
- 大小:16.00 KB
- 文档页数:5
附件一:
机动车类型分类表
表一、机动车规格术语
表二、机动车结构术语
签注要求
一、签注机动车类型时,按照表一和表二的分类栏所对应的规格术语和结构术语相加签注,如:“大型普通客车”、“中型罐式货车”等。
分类栏不对应的,不签注规格术语。
二、除微型轿车外,其他轿车、农用运输车、手扶拖拉机、手扶变形运输机不签注规格术语。
三、半挂牵引车、使用载货汽车底盘的专项作业车按照载货汽车的规格术语签注;使用载客汽车底盘的专项作业车按照载客汽车的规格术语签注。
机动车注册登记工作规范文章属性•【制定机关】公安部•【公布日期】1997.05.20•【文号】公交管[1997]96号•【施行日期】1997.05.20•【效力等级】部门规范性文件•【时效性】现行有效•【主题分类】道路交通管理正文机动车注册登记工作规范(试行)(1997年5月20日公交管〔1997〕96号)登记事项一、在我国道路上行驶的民用机动车登记分为:新车注册、过户转籍、变更改装、停驶复驶、报废注销、临时入境。
二、机车登记事项为:车主、住址、电话、单位代码、居民身份证号、车辆类型、厂牌型号以及车辆技术参数等。
《机动车登记表》规定的登记项目中车主、住址、电话、单位代码或居民身份证号由车主填写。
三、本规范所称车主,即机动车所有人,是指具备下列条件的单位和个人。
(一)单位机关、学校、工厂、公司等具有法人资格的行政、事业、企业单位和社会团体。
各国驻华使、领馆和外国驻华办事机构。
(二)个人持有居住地公安机关核发的户口簿和有效居民身份证的中国公民。
持有公安机关核发的有效居留证件的外国人。
(三)住址单位的住址为其从事生产或办事机构所在地的地址。
个人的住址为其户口簿或居留证件登记的居住地址。
四、本规范所称车管所,是指经公安部批准的具有确定的注册机关代号和管辖区的各省(区、市)、地(市、州、盟)公安机关车辆管理所,负责对本辖区内的车辆注册登记。
五、各省、自治区、直辖市公安交通管理局、处对注册机车负责检查和监督,每半年对所属车管所已注册的进口小型汽车进行检查,并将检查情况于当年7月份和次年1月份上报公安部交通管理局。
新车注册登记新车注册登记顺序:登记审核一检验车辆一核发牌证。
一、登记审核(一)审核《机动车登记表》的填写内容;查验《全国组织机构编制规则》(GB/T11714)规定的单位《代码证书》(各国驻华使、领馆,驻华办事机构除外)或居民身份证和户口簿或居留证件;(二)审核新车来历凭证。
新车来历凭证是指经国家工商行政管理机关验证盖章的机动车销售发票(其中没收的走私、非法拼(组)装汽车、摩托车的销售发票是国家指定的机动车销售单位的销售发票)和下列证明书:1、国产机动车的《车辆整车出厂合格证》。
车辆使用性质1、家庭自用汽车:是指家庭或个人所有,且用途为非营业性的客车;2、非营业客车:是指党政机关、企事业单位、社会团体、使领馆等机构从事公务或在生产经营活动中不以直接或间接方式收取运费或租金的客车,包括党政机关、企事业单位、社会团体、使领馆等机构为从事公务或在生产经营活动中承租且租赁期限为1年或1年以上的客车;非营业客车分为:党政机关、事业团体客车,企业客车;用于驾驶教练、邮政公司用于邮递业务、快递公司用于快递业务的客车、警车、普通囚车、医院的普通救护车、殡葬车按照其行驶证上载明的核定载客数,适用对应的企业非营业客车的费率;3、营业客车:是指用于旅客运输或租赁,并以直接或间接方式收取运费或租金的客车;营业客车分为:城市公交客车,公路客运客车,出租、租赁客车;旅游客运车按照其行驶证上载明的核定载客数,适用对应的公路客运车费率;4、非营业货车:是指党政机关、企事业单位、社会团体自用或仅用于个人及家庭生活,不以直接或间接方式收取运费或租金的货车包括客货两用车;货车是指载货机动车、厢式货车、半挂牵引车、自卸车、电瓶运输车、装有起重机械但以载重为主的起重运输车;用于驾驶教练、邮政公司用于邮递业务、快递公司用于快递业务的货车按照其行驶证上载明的核定载质量,适用对应的非营业货车的费率;5、营业货车:是指用于货物运输或租赁,并以直接或间接方式收取运费或租金的货车包括客货两用车;货车是指载货机动车、厢式货车、半挂牵引车、自卸车、电瓶运输车、装有起重机械但以载重为主的起重运输车;6、特种车:是指用于各类装载油料、气体、液体等专用罐车;或用于清障、清扫、清洁、起重、装卸不含自卸车、升降、搅拌、挖掘、推土、压路等的各种专用机动车,或适用于装有冷冻或加温设备的厢式机动车;或车内装有固定专用仪器设备,从事专业工作的监测、消防、运钞、医疗、电视转播、雷达、X光检查等机动车;或专门用于牵引集装箱箱体货柜的集装箱拖头;特种车按其用途共分成4类,不同类型机动车采用不同收费标准:特种车一:油罐车、汽罐车、液罐车;特种车二:专用净水车、特种车一以外的罐式货车,以及用于清障、清扫、清洁、起重、装卸不合自卸车、升降、搅拌、挖掘、推土、冷藏、保温等的各种专用机动车;特种车三:装有固定专用仪器设备从事专业工作的监测、消防、运钞、医疗、电视转播等的各种专用机动车;特种车四:集装箱拖头;7、摩托车:是指以燃料或电瓶为动力的各种两轮、三轮摩托车;摩托车分成3类:50CC及以下,50CC-250CC含、250CC以上及侧三轮;正三轮摩托车按照排气量分类执行相应的费率;8、拖拉机按其使用性质分为兼用型拖拉机和运输型拖拉机;兼用型拖拉机是指以田间作业为主,通过铰接连接牵引挂车可进行运输作业的拖拉机;兼用型拖拉机分为14.7KW及以下和14.7KW以上两种;运输型拖拉机是指货箱与底盘一体,不通过牵引挂车可运输作业的拖拉机;运输型拖拉机分为14.7KW及以下和14.7KW以上两种;低速载货汽车参照运输型拖拉机14.7KW以上的费率执行;9、挂车:是指就其设计和技术特征需机动车牵引才能正常使用的一种无动力的道路机动车;挂车根据实际的使用性质并按照对应吨位货车的30%计算;装置有油罐、汽罐、液罐的挂车按特种车一的30%计算;10、补充说明机动车交通事故责任强制保险基础费率表中各车型的座位和吨位的分类都按照“含起点不含终点”的原则来解释表中另有说明的除外;各车型的座位按行驶证上载明的核定载客数计算;吨位按行驶证上载明的核定载质量计算;。
机动车车辆类型代码表
机动车车辆类型代码表是指根据车辆的特点和用途,为了统一管理
和分类而制定的代码表。
在我国,机动车车辆类型代码表是根据《机
动车登记规定》等法律法规的要求制定的,用于区分不同类型的机动
车辆,方便管理部门对车辆进行登记和监管。
根据机动车车辆类型代码表的规定,各种机动车辆被分为不同的类别,比如乘用车、货车、客车、专用汽车等。
每种类别又可以根据车
辆的具体特点进一步细分,以便更准确地描述车辆的属性和用途。
机
动车车辆类型代码表的制定不仅有利于规范管理,也方便了相关部门
对车辆信息的录入和查询。
在机动车登记管理中,机动车车辆类型代码是一个重要的字段,它
可以直观地反映车辆的性质和用途,为车辆的登记提供有力支持。
同时,机动车车辆类型代码表也为行驶证、驾驶证等证件的填写提供了
规范的参考依据,避免出现填写错误或混乱的情况。
除了在机动车登记管理中起到的作用,机动车车辆类型代码表还在
其他方面有重要的意义。
比如在保险行业中,根据车辆类型代码可以
确定车辆的保险类别和费率,为车辆保险提供便利。
在交通管理、道
路安全监测等领域,也可以根据车辆类型代码对车辆进行分类统计和
分析,为相关政策和措施的制定提供依据。
总的来说,机动车车辆类型代码表是机动车管理中的重要参考依据,它规范了车辆的分类和编码,为管理部门和相关行业提供了便利。
随
着智能交通技术的发展,机动车车辆类型代码表的应用范围将会进一步扩大,为智能交通管理和服务提供更多可能性。
机动车分类一、按照GB7258—2017《机动车运行安全技术条件》确定的机动车分类:
二、按照公安部GA802—2014《机动车类型术语和定义》对机动车进行分类,车辆类型是根据机动车规格术语和机动车结构术语确定的机动车分类。
1.机动车规格术语
机动车规格术语见表2-1
2.机动车结构术语
机动车结构术语见表2-2
表2-2机动车结构术语分类表(续)
3.机动车使用性质术语
机动车使用性质细类见表2-3
4.1车辆类型根据机动车规格术语和机动车结构术语相加确定,规格术语在前,结构术语在后,如“大型普通客车”、“中型罐式货车”、“重型专项作业车”、“重型集装箱半挂车”、“普通二轮摩托车”等。
但低速货车的结构术语在前,规格术语在后,如“普通低速货车”、“厢式低速货车”、“罐式低速货车”等。
轿车按照其规格术语确定为“大型轿车”、“小型轿车”和“微型轿车”。
4.2无对应的规格术语时,车辆类型按照结构术语确定,如“轮式装载机械”。
4.3三轮汽车无对应的结构术语,其车辆类型统一为“三轮汽车”。
除三轮汽车外的其他汽车,其结构特征无对应的结构术语时,车辆类型按照机动车规格术语及最相近的结构术语相加确定。
4.4有轨电车无对应的结构术语,其车辆类型根据规格术语确定,如“大型有轨电车”。
三、按照GB/T15089—2001《机动车辆及挂车分类》依据座位数及最大设计总质量对汽车及挂车进行分类;依据速度及和发动机气缸的工作容积对两轮及三轮机动车(摩托车及轻便摩托车)进行分类。
1.汽车及挂车分类
汽车及挂车分类表见3-1
表3-1 汽车及挂车分类
两轮或三轮机动车分类见3-2
表3-2两轮或三轮机动车分类。
欢迎共阅
机动车分类
二、按照公安部GA802—2014《机动车类型术语和定义》对机动车进行分类,车辆类型是根据机动车规格术语和机动车结构术语确定的机动车分类。
1.机动车规格术语
机动车规格术语见表2-1
表2-1机动车规格术语分类表?
2.机动车结构术语
机动车结构术语见表2-2
表2-2机动车结构术语分类表(续)
3.机动车使用性质术语
机动车使用性质细类见表2-3
如“大型普通客车”、“中型罐式货车”、“重型专项作业车”、“重型集装箱半挂车”、“普通二轮摩托车”等。
但低速货车的结构术语在前,规格术语在后,如“普通低速货车”、“厢式低速货车”、“罐式低速货车”等。
轿车按照其规格术语确定为“大型轿车”、“小型轿车”和“微型轿车”。
4.2无对应的规格术语时,车辆类型按照结构术语确定,如“轮式装载机械”。
4.3三轮汽车无对应的结构术语,其车辆类型统一为“三轮汽车”。
除三轮汽车外的其他汽车,其结构特征无对应的结构术语时,车辆类型按照机动车规格术语及最相近的结构术语相加确定。
4.4有轨电车无对应的结构术语,其车辆类型根据规格术语确定,如“大型有轨电车”。
三、按照GB/T15089—2001《机动车辆及挂车分类》依据座位数及最大设计总质量对汽车及挂车进行分类;依据速度及和发动机气缸的工作容积对两轮及三轮机动车(摩托车及轻便摩托车)进行分类。
1.汽车及挂车分类
汽车及挂车分类表见3-1
表3-1 汽车及挂车分类。
参考医学
附件一:型分类表
表一、机动车规格术语
签注要求
一、签注机动车类型时,按照表一和表二的分类栏所对应的规格术语和结构术语相加签注,如:"大型普通客车”、"中型罐式货车” 等。
分类栏不对应的,不签注规格术语。
二、除微型轿车外,其他轿车、三轮汽车、普低速货车、厢式低速货车、罐式低速货车、自卸低速货车不签注规格术语。
三、半挂牵引车、使用载货汽车底盘的专项作业车按照载货汽车的规格术语签注;使用载客汽车底盘的专项作业车按照载客汽车的规格术语签注。
表二、机动车结构术语
(注:表格素材和资料部分来自网络,供参考。
只是收取少量整理收集费用,请预览后才下载,期待你的好评与关注)。
机动车分类一、按照一、按照 GB7258 GB7258— 2017 2017《机动车运行安全技术条件》确定的机动车分类:《机动车运行安全技术条件》确定的机动车分类:汽车挂车载客汽车载货汽车货车专项作业车气体燃料汽车两用燃料汽车双燃料汽车纯电动汽车插电式混合动力汽车燃料电池汽车教练车残疾人专用车牵引杆挂车全挂车中置轴挂车半挂车乘用车旅居车未设置乘客站立区的客车客车设置乘客站立区的客车幼儿校车小学生校车校车中学生校车专用校车半挂牵引车三轮汽车低速汽车低速货车公路客车或长途客车旅游客车未设置乘客站立区的公共汽车客车专用客车机动旅居挂车车牵引杆挂车列车乘用车列车全挂拖斗车汽全挂汽车列车车货车列车列中置轴挂车列车车铰链列车半挂车列车危险货物运输车两轮普通摩托车普通摩托车边三轮摩托车摩正三轮摩托车托车两轮轻便摩托车轻便摩托车正三轮轻便摩托车拖拉机运输机组轮式专用机械车轮式自行机械车特型机动车二、按照公安部二、按照公安部 GA802 GA802— 2014 2014《机动车类型术语和定义》对机动车进行分类,车辆类型是根据机动车《机动车类型术语和定义》对机动车进行分类,车辆类型是根据机动车规格术语和机动车结构术语确定的机动车分类。
1. 机动车规格术语机动车规格术语机动车规格术语见表机动车规格术语见表 2 2-1表 2- 1机动车规格术语分类表分类说明c载大型车长大于等于车长大于等于 6000mm 6000mm 或者乘坐人数大于等于20 20 人的载客汽车。
人的载客汽车。
客中型车长小于车长小于 6000mm 6000mm 且乘坐人数为(且乘坐人数为( 10~19 10~19 10~19)人的载客汽。
)人的载客汽。
汽 车长小于车长小于 6000mm 6000mm 且乘坐人数小于等于且乘坐人数小于等于 9 9 人的载客汽车,人的载客汽车, 但不包括微型载客汽。
车 小型a微型重型中型轻型汽车微型载货三轮汽(三轮汽车)车低速(低速货车)专项作业车有轨电车摩普通托 轻便车挂重型车 中型b轻型车长小于等于3500mm 且发动机气缸总排量小于等于1000 mL的载客汽。
机动车类型及分类标准指南
机动车类型及分类标准指南
步骤/方法
1:大型载客汽车是指:车长大于6m或者乘坐人数大于等20人(含驾驶员)。
中型载客汽车是指:车长小于6m,乘坐人数大于9人且小于20人。
小型载客汽车是指:车长小于6m,乘坐人数小于等于9人。
微型载客汽车是指:车长小于等于3。
5m,发动机气缸总排量小于等于1升。
2:重型载货汽车是指:车长大于等于6m,总质量大于等于12000kg。
中型载货汽车是指:车长大于等于6m,总质量大于等于4500kg 且小于12000kg。
轻型载货汽车是指:车长小于6m,总质量小于4500kg。
微型载货汽车是指:车长小于等3。
5m,总质量小于等于1800kg。
3:普通摩托车是指:最大设计时速大于50km/h或者发动机气缸总排量大于50ml。
轻便摩托车是指:最大设计时速小于等于50km/h,发动机气缸总排量小于等于50ml。
机动车分类
分类:
二、按照公安部GA802—2014《机动车类型术语和定义》对机动车进行分类,车辆类型是根据机动车规格术语和机动车结构术语确定的机动车分类。
1.机动车规格术语
机动车规格术语见表2-1
2.机动车结构术语
机动车结构术语见表2-2
表2-2机动车结构术语分类表(续)
3.机动车使用性质术语
机动车使用性质细类见表2-3
4.1车辆类型根据机动车规格术语和机动车结构术语相加确定,规格术语在前,结构术语在后,如“大型普通客车”、“中型罐式货车”、“重型专项作业车”、“重型集装箱半挂车”、“普通二轮摩托车”等。
但低速货车的结构术语在前,规格术语在后,如“普通低速货车”、“厢式低速货车”、“罐式低速货车”等。
轿车按照其规格术语确定为“大型轿车”、“小型轿车”和“微型轿车”。
4.2无对应的规格术语时,车辆类型按照结构术语确定,如“轮式装载机械”。
4.3三轮汽车无对应的结构术语,其车辆类型统一为“三轮汽车”。
除三轮汽车外的其他汽车,其结构特征无对应的结构术语时,车辆类型按照机动车规格术语及最相近的结构术语相加确定。
4.4有轨电车无对应的结构术语,其车辆类型根据规格术语确定,如“大型有轨电车”。
三、按照GB/T15089—2001《机动车辆及挂车分类》依据座位数及最大设计总质量对汽车及挂车进行分类;依据速度及和发动机气缸的工作容积对两轮及三轮机动车(摩托车及轻便摩托车)进行分类。
1.汽车及挂车分类
汽车及挂车分类表见3-1
表3-1 汽车及挂车分类
两轮或三轮机动车分类见3-2
表3-2两轮或三轮机动车分类。
机动车分类二、按照公安部GA802—2014《机动车类型术语和定义》对机动车进行分类,车辆类型是根据机动车规格术语和机动车结构术语确定的机动车分类。
1.机动车规格术语机动车规格术语见表2-1表2-1 机动车规格术语分类表?2.机动车结构术语机动车结构术语见表2-2表2-2 机动车结构术语分类表表2-2 机动车结构术语分类表(续)3.机动车使用性质术语机动车使用性质细类见表2-3表2-3 机动车使用性质细类表4.1车辆类型根据机动车规格术语和机动车结构术语相加确定,规格术语在前,结构术语在后,如“大型普通客车”、“中型罐式货车”、“重型专项作业车”、“重型集装箱半挂车”、“普通二轮摩托车”等。
但低速货车的结构术语在前,规格术语在后,如“普通低速货车”、“厢式低速货车”、“罐式低速货车”等。
轿车按照其规格术语确定为“大型轿车”、“小型轿车”和“微型轿车”。
4.2无对应的规格术语时,车辆类型按照结构术语确定,如“轮式装载机械”。
4.3三轮汽车无对应的结构术语,其车辆类型统一为“三轮汽车”。
除三轮汽车外的其他汽车,其结构特征无对应的结构术语时,车辆类型按照机动车规格术语及最相近的结构术语相加确定。
4.4有轨电车无对应的结构术语,其车辆类型根据规格术语确定,如“大型有轨电车”。
三、按照GB/T15089—2001《机动车辆及挂车分类》依据座位数及最大设计总质量对汽车及挂车进行分类;依据速度及和发动机气缸的工作容积对两轮及三轮机动车(摩托车及轻便摩托车)进行分类。
1.汽车及挂车分类汽车及挂车分类表见3-1表3-1 汽车及挂车分类两轮或三轮机动车分类见3-2表3-2 两轮或三轮机动车分类。
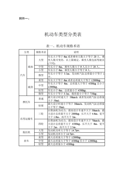
机动车登记工作规范附件1 机动车类型分类表附件一:
机动车类型分类表
表一、机动车规格术语
分类规格术语说明
车长大于等于6m或者乘坐人数大于等于20人。
乘大型坐人数可变的,以上限确定。
乘坐人数包括驾驶员
(下同)。
中型车长小于6m,乘坐人数大于9人且小于20人。
载客
小型车长小于6m,乘坐人数小于等于9人。
车长小于等于3.5m,发动机气缸总排量小于等于1汽车微型升。
重型车长大于等于6m或者总质量大于等于12000kg。
车长大于等于6m,总质量大于等于4500kg且小于中型载货 12000kg。
轻型车长小于6m,总质量小于4500kg。
微型车长小于等于3.5m,载质量小于等于750kg。
最大设计时速大于50km/h或者发动机气缸总排量普通大于50ml。
摩托车最大设计时速小于等于50km/h,发动机气缸总排量轻便小于等于50ml。
以柴油机为动力,最高设计车速不大于50km/h,最三轮大设计总质量不大于2000kg,长不大于4.6m,宽不
大于1.6m,高不大于2m。
农用运输车以柴油机为动力,最高设计车速不大于70km/h,最四轮大设计总质量不大于4500kg,长不大于6m,宽不大于2m,高不大于2.5m。
大型发动机功率大于等于14.7kw。
拖拉机小型发动机功率小于14.7kw。
重型最大总质量大于等于12000kg。
挂车中型最大总质量大于等于4500kg且小于12000kg。
轻型最大总质量小于4500kg。
表二、机动车结构术语
分类结构术语说明
车身为长方体或近似长方体,单层地板,一厢或两厢式结构,安装座椅普通客车的载客汽车。
车身为长方体或近似长方体,双层地板,一厢或两厢式结构,安装座椅双层客车的载客汽车。
车身为长方体或近似长方体,单层地板,一厢或两厢式结构,安装卧铺卧铺客车的载客汽车。
载车身为长方体或近似长方体,单层地板,由铰接装置连接两个车厢且连客铰接客车通,安装座椅的载客汽车。
车身结构为一箱式或者两箱式,所有车轮能够同时驱动,接近角、离去
越野客车角、纵向通过角、最小离地间隙等技术参数按照高通过性设计的载客汽
车。
车身结构为两厢式且乘坐人数不超过5人,或者车身结构为三厢式且乘轿车
坐人数不超过7人的载客汽车。
但同一型号车辆可增加乘坐人数的除外。
汽载货部位的结构为栏板的载货汽车,不包括具有自动倾卸装置的载货汽普通货车车车。
厢式货车载货部位的结构为封闭厢体且与驾驶室各自独立的载货汽车。
载货部位的结构为封闭厢体且与驾驶室联成一体,车身结构为一厢式载封闭货车货汽车。
载罐式货车载货部位的结构为封闭罐体的载货汽车。
货平板货车载货部位的地板为平板结构且无栏板的载货汽车。
集装厢车载货部位为框架结构且无地板,专门运输集装厢的载货汽车。
自卸货车载货部位具有自动倾卸装置的载货汽车。
载货部位为特殊结构,专门运输特定物品的载货汽车。
如:运输小轿车特殊结构货车的双层结构载货汽车,运输活禽畜的多层结构载货汽车。
半挂牵引车不具有载货结构,专门用于牵引半挂车的汽车。
其装置有专用设备或器具,用于专项作业的汽车。
如洒水车、吸污车、水他专项作业车泥搅拌车、起重车、医疗车等。
无轨电车以电动机驱动,设有集电杆,驾线供电的电车。
电车有轨电车以电动机驱动,设有集电杆,驾线供电,有轨道的电车。
二轮摩托车装有两个车轮的摩托车。
摩正三轮摩托车装有与前轮对称分布的两个后轮,仅有驾驶员座位的摩托车。
正三轮载客摩托装有与前轮对称分布的两个后轮的具有载客装置的摩托车。
车托
正三轮载货摩托装有与前轮对称分布的两个后轮的具有载货装置的摩托车。
车
车侧三轮摩托车在两轮车摩托车的一侧装有边车的摩托车。
三轮农用运输车载货部位为栏板结构,具有三个车轮的农用运输车。
农四轮农用普通货载货部位为栏板结构,具有四个车轮的农用运输车。
车用四轮农用厢式货载货部位为封闭厢体结构且与驾驶室各自独立,具有四个车轮的农用运运车输车。
四轮农用罐式货载货部位为封闭罐体结构,具有四个车轮的农用运输车。
输车
四轮农用自卸货载货部位具有自动倾卸装置,具有四个车轮的农用运输车。
车车
拖拉轮式拖拉机具有方向盘和四个车轮,并且牵引挂车,从事货物运输的拖拉机。
机手扶拖拉机具有手把式转向和两个车轮,并且牵引挂车,从事货物运输的拖拉机。
手扶变形运输机具有折腰转向机构,牵引部位和载货部位不可拆卸的运输机械。
轮式轮式装载机械具有装卸设备的轮胎式自行机械。
自行轮式挖掘机械具有挖掘设备的轮胎式自行机械。
机械轮式平地机械具有平整设备的轮胎式自行机械。
普通全挂车载货部位为栏板结构的全挂车。
厢式全挂车载货部位为封闭厢体结构的全挂车。
罐式全挂车载货部位为封闭罐体结构的全挂车。
平板全挂车载货部位的地板为平板结构且无栏板的全挂车。
挂集装箱全挂车载货部位为框架结构且无地板,专门运输集装厢的全挂车。
自卸全挂车载货部位具有自动倾卸装置的全挂车。
普通半挂车载货部位为栏板结构的半挂车。
车厢式半挂车载货部位为封闭厢体结构的半挂车。
罐式半挂车载货部位为封闭罐体结构的半挂车。
平板半挂车载货部位的地板为平板结构且无栏板的半挂车。
集装箱半挂车载货部位为框架结构且无地板,专门运输集装厢的半挂车。
自卸半挂车载货部位具有自动倾卸装置的半挂车。
签注要求
一、签注机动车类型时~按照表一和表二的分类栏所对应的规格术语和结构术语相加签注~如:“大型普通客车”、“中型罐式货车”等。
分类栏不对应的~不签注规格术语。
二、除微型轿车外~其他轿车、农用运输车、手扶拖拉机、手扶变形运输机不签注规格术语。
三、半挂牵引车、使用载货汽车底盘的专项作业车按照载货汽车的规格术语签注,使用载客汽车底盘的专项作业车按照载客汽车的规格术语签注。