多彩漆施工方案
- 格式:doc
- 大小:31.00 KB
- 文档页数:6
水包水多彩涂料施工方案水包水多彩涂料是一种环保型涂料,具有颜色鲜艳,施工方便,无毒无味等特点。
它广泛应用于室内装饰、家具涂装、艺术装饰等领域。
为了确保水包水多彩涂料的施工效果和质量,以下是一个施工方案供参考:一、准备工作1.整理施工现场,清除杂物,保持施工环境整洁。
2.检查墙面或家具表面,确保表面光滑、干燥、无油污等污染物。
3.准备必要的工具和材料,如涂刷、辊筒、抹刀、腻子、刷具清洗剂等。
二、基层处理1.对需要涂装的表面进行打磨处理,去除旧漆、浮灰等不平整部分。
2.使用腻子进行修补,填补墙面或家具表面的裂缝、孔洞等缺陷,确保表面平整。
三、底漆处理1.搅拌水包水多彩涂料底漆,然后使用辊筒均匀涂刷在表面上,注意不要漏涂或涂刷过厚。
2.底漆干燥后,检查表面是否平整,如有需要可进行修补和打磨处理。
四、主涂装1.将水包水多彩涂料搅拌均匀,根据设计要求选择合适的颜色。
2.使用辊筒或刷具将多彩涂料均匀涂刷在表面上,确保涂料厚度均匀,避免出现漏刷、起泡等现象。
3.涂刷完成后,等待涂料干燥,保持施工环境通风良好。
五、涂料固化1.水包水多彩涂料在施工完成后需要经过一段时间的固化才能达到最佳效果。
2.根据涂料包装上的说明,等待固化时间后可进行下一步的装饰工作。
六、清理工作1.施工完成后,及时清理施工工具,避免涂料干燥后清洗困难。
2.处理涂料桶等包装物,遵守环保要求进行分类处理。
结语通过以上施工方案的执行,水包水多彩涂料的施工效果将更加美观和持久。
在施工过程中,需注意安全,如避免涂料进入眼睛、吸入过多有害气体等。
施工完成后,可以欣赏到色彩鲜艳、环保健康的装饰效果,为家居环境增添一份美好与活力。
多彩涂料施工方案概述多彩涂料是一种具有丰富色彩和独特质感的装饰材料,被广泛应用于建筑物的外墙、室内墙面等装饰工程中。
它不仅可以为建筑物增添美感,还能改善室内环境,提升居住品质。
本文将介绍多彩涂料的施工方案,包括准备工作、施工步骤和后续维护等内容。
准备工作在进行多彩涂料施工之前,需进行一系列准备工作,包括以下内容:1.材料准备:根据具体施工方案,准备好所需的多彩涂料、底漆、涂料刷、滚筒等施工工具。
2.表面处理:清洁和处理墙面,确保墙面干燥、平整、无尘埃并具备良好的附着力。
3.涂料选择:根据建筑物的需求,选择适合的多彩涂料种类和颜色。
下面是多彩涂料施工的一般步骤:1. 底漆涂刷在施工之前,首先要涂刷底漆。
底漆的作用是提高墙面的附着力,改善表面的吸水性和光泽度,为后续涂料的附着提供良好的基础。
具体步骤如下:•清洁墙面,确保墙面干燥、平整并清除尘埃;•搅拌底漆,以确保底漆的颜色和质地均匀;•使用涂料刷或滚筒,均匀涂刷底漆于墙面上;•注意涂刷的方向和方法,确保底漆均匀且无流挂现象。
底色涂刷是为了打底,提供多彩涂料的基础色彩。
底色的选择应与最终颜色搭配,使多彩涂料的效果更加饱满和绚丽。
具体步骤如下:•清洁已干燥的底漆墙面;•搅拌底色涂料,确保涂料的颜色和质地均匀;•使用涂料刷或滚筒,均匀涂刷底色涂料于墙面上;•注意涂刷的方向和方法,确保底色涂料均匀且无流挂现象;•等待底色涂料干燥。
3. 多彩涂料施工当底色涂料干燥后,可以进行多彩涂料的施工。
多彩涂料的施工方法有多种,可以根据涂料的特性和效果选择适合的施工方式。
具体步骤如下:•搅拌多彩涂料,确保涂料的颜色和质地均匀;•使用涂料刷或滚筒,均匀涂刷多彩涂料于墙面上;•注意涂刷的方向和方法,确保多彩涂料均匀且无流挂现象;•根据需求和涂料的特性,进行多次涂刷,以增加颜色的层次感和质感。
4. 涂层保护多彩涂料施工完成后,需要进行涂层的保护工作,以延长涂料的使用寿命和维持其良好的外观效果。
多彩真石漆施工方案1. 简介多彩真石漆是一种通过特殊工艺和材料,给建筑物表面创造出独特的石材质感和多彩效果的装饰材料。
其施工方案涉及到准备工作、施工工序和施工注意事项等方面。
2. 准备工作在进行多彩真石漆施工之前,需要进行以下准备工作:2.1 清洁表面首先,需要确保施工表面的清洁。
清除表面上的油污、灰尘以及老化的涂层,保证表面平整、干燥、无油质。
2.2 表面修补对于有裂缝或凹陷的地方,需要进行修补。
使用适当的填充材料填补裂缝或凹陷,然后打磨表面至平滑。
2.3 底漆涂刷在施工前,需要先使用底漆进行涂刷。
底漆的选择要根据所使用的真石漆种类来确定,通常选择与真石漆相配套的底漆。
3. 施工工序多彩真石漆施工的工序包括以下几个步骤:3.1 粗花工艺首先,使用批刀将真石漆以斜角方式涂抹在表面上,形成一层厚度约为1-2毫米的粗糙基层。
涂抹时,要注意均匀涂抹,并保持施工厚薄一致。
3.2 中花工艺在粗花工艺的基础上,通过在湿润的表面上使用特殊的工具,如滚筒、毛刷、抹刀等,创造出不同的纹理效果。
可以根据设计的需要自由发挥,形成多彩、石材质感的效果。
3.3 细花工艺在中花工艺完成后,通过细致的施工技巧和专业工具,继续在表面上进行修饰,创造更细致的纹理和效果。
注意控制施工的厚度和均匀性,保持整体效果的协调性。
3.4 面漆涂刷施工完成后,可以使用透明面漆进行涂刷,以增加真石漆的亮度和保护表面。
涂刷时,需要注意控制涂层的厚度和均匀性,避免出现斑驳或堆积的情况。
4. 施工注意事项在进行多彩真石漆施工时,需要注意以下事项:4.1 温度和湿度施工时要避免在高温或湿度过大的环境下进行,以免影响真石漆的固化效果。
一般情况下,建议在温度在5℃-35℃,相对湿度在85%以下的环境中施工。
4.2 施工层次施工时要注意不同层次之间的干燥时间,等前一层干透后再进行下一层的施工。
过早施工下一层,会导致涂层的干燥不完全,影响整体效果。
4.3 工具清洁施工完成后,要及时清洁使用的工具,尤其是刷子、滚筒等。
(施工方案)多彩漆施工方案(可以直接使用,可编辑优秀版资料,欢迎下载)外墙多彩涂料漆施工方案二○一二年九月三日专业分包会签栏施工单位:外墙多彩漆施工方案一、工程概况建设单位:设计单位:监理单位:施工单位:分包施工单位:结构类型:层高:建筑面积:52000㎡位置:二、编制依据1、设计图纸及施工合同;2、《建筑装饰装修工程质量验收规范》﹙GB50210-2001)三、施工准备1。
主要材料:柔性耐水腻子、多彩中涂层漆、多彩面漆、罩面漆,基层局部修补用的水泥、沙子、建筑胶、抗裂砂浆、耐碱玻纤网等。
2。
主要工具:简便水平器、线包、多彩漆专用喷枪、毛滚、刷子、开刀、角磨机、粗细沙纸、钢丝刷、抹子等。
四、作业条件1。
门窗按设计要求安装好,并堵抹洞口四周的缝隙。
2。
墙面基层处理完毕,并符合抹灰墙面及保温墙面验收标准,完成雨水管卡、设备洞口管道的安装,并将洞口四周用水泥砂浆或保温砂浆抹平,所有的墙面需晾干. 3。
双排架子或活动吊蓝,要符合国家安全规范要求,外架内排需距墙面≥20㎝. 4。
所有的成品门窗及护栏、栏杆等要提前保护。
五、操作工艺1.工艺流程:墙面基层处理刮(抹)涂抗裂砂浆1遍,同时贴复合耐碱玻纤网格布(无保温基层采用)刮(抹)涂柔性耐水腻子2—3遍刷封闭底漆水性多彩漆中涂层弹线、分格、贴胶带喷涂多彩漆主涂层撕胶带、修整喷水性多彩漆罩面漆。
2。
基面处理在基层处理之前,墙体需要一定时间的养护,一般新保温封面冬天的养护时间为20天,夏天的养护时间为10天。
养护到基层的PH值小于10,含水率小于10%后再进行基面处理。
基面处理前应彻底清除疏松、起皮、空鼓、粉化的基层,然后去除灰尘、油污等污染物.3.(本操作只对水泥砂浆基面)批刮抗裂砂浆并铺设耐碱网格布。
清理基层后按使用要求配置抗裂砂浆,同时将网格布铺在抗裂砂浆上,用抹子压入抗裂砂浆中,粘贴网格布达到似露非露状态,局部再用抗裂砂浆找平。
抗裂砂浆总厚度控制在2-3㎜。
外墙仿石材水包水多彩涂料施工方案第一部分工程概况一、编制依据1、招标文件、本公司投标书、本工程正式合同;2、施工图纸。
3、主要规程规范二、工程概况1、工程地址:2、工程总体简介3、建筑面积:楼层情况:外墙现状:工程内容:三。
工期,质量本工程计划2017年10月日开工到2017年12月日,总工期为日历天。
质量要求:不低于中华人民共和国《工程施工质量验收规范》。
安全文明施工:“遂宁市安全文明”施工及CI达标工地第二部分施工部署一。
施工部署及进度计划一、施工部施工按照总包形象进度计划控制。
科学组织,合理安排,最大限度地发挥所投入的机械设备和人力潜力。
开工时间拟在2017年10月日,竣工时间为2017年12月日,总工期天。
二、施工组织管理机构设置鉴于本工程的重要性,公司决定由项目经理同志组成项目班子,并组织一支技术过硬,作风扎实,能打硬仗的施工队伍在项目经理的直接协调下,做到有计划地组织施工,确保工程质量、工期、安全等达到预期目的。
项目经理具体负责该项工程的各项施工管理,并对质量工期安全成本及文明施工担负第一责任;同时各施工管理职能部门要发挥各自的管理职能,承担相应的责任。
为了达到各项管理目标,公司决定成立高升街办事处外墙排危改造工程项目经理部,实行分级管理,项目经理部主要成员见下表:项目主要成员一览表三、工程质量保证体系四、各级管理人员职责(一)工程领导小组全面协调,每周组织召开例会。
(二)项目经理全面负责本工程的各项工作,确保项目顺利完工;全面负责工程劳动力的宏观调控;协调项目部与各部门关系;制定项目质量方针、目标,采取必要的组织、管理措施,保证质量方针的贯彻和执行;加强项目资金的管理;直接参与对监理工程师、甲方代表的协调工作。
(三)现场技术负责人全面负责工程技术质量工作,并协调施工技术管理工作;制定重要施工技术方案;参与制定,贯彻工程质量目标,并组织实施质量体系;负责解决工程施工过程中出现的技术问题;负责施工过程中的质量监控,加强施工管理。
多彩漆施工方案多彩漆是一种能够给空间增添生气和美感的装饰材料,其施工方案可以根据具体需求和空间大小而定。
下面就是一个多彩漆施工方案的700字介绍。
多彩漆施工方案:1. 颜色选型:根据空间的特点和设计需求选择合适的多彩漆颜色。
可以根据整体空间设计的风格和主题来选择。
如需温馨舒适感,可以选择暖色调的多彩漆;如需明亮活泼感,可以选择鲜艳的多彩漆。
2. 准备工作:施工前需要对空间进行准备工作。
首先将空间内的家具、壁画等物品移除,保护好不需要刷漆的区域。
然后对墙壁进行清洁处理,去除灰尘和污渍,确保漆面贴合。
3. 漆面处理:对墙面进行漆面处理,以确保漆面的平整和附着力。
可以使用油漆刷或辊子进行刷涂,要注意手法和厚度的均匀。
漆面处理后需要定期检查和修理,以保持漆面的整洁无痕。
4. 色彩搭配:多彩漆的特点是可以通过多种色彩相互搭配,创造出丰富多样的效果。
可以选择喷涂方式将多种颜色喷洒在墙面上,或使用刷子进行渐变效果的绘制。
无论是单色、渐变还是斑驳效果,都能为空间增添独特的个性和艺术感。
5. 背景墙设计:可以选择一面墙作为背景墙,使用特殊的多彩漆进行设计。
比如,使用火焰纹理的多彩漆营造出热情活力的氛围,或使用星空纹理的多彩漆打造出浪漫梦幻的效果。
背景墙的设计要与整体空间相协调,增添层次感和视觉焦点。
6. 光线利用:多彩漆施工后需要根据光线的情况来调整,充分利用阳光的照射效果。
可以选择使用带有反光效果的多彩漆,增加房间的明亮度和亮度,或使用吸光效果的多彩漆,调整房间的舒适度。
7. 耐久性保护:多彩漆施工后要进行耐久性保护,延长使用寿命。
可以选择使用透明的保护性涂层,增强多彩漆的耐久性和防护性。
在日常清洁时要注意使用柔软的布擦拭,避免使用刷子或粗糙的材料刮擦,以免损坏漆面。
多彩漆施工方案可以根据实际需求和空间的特点进行调整和修改。
选择合适的颜色、处理漆面、进行色彩搭配和背景墙设计,合理利用光线和保护漆面,可以为空间带来丰富多样且独特的效果。
多彩真石漆施工方案多彩真石漆是一种装饰性较强的建筑涂料,具有质感丰富、立体感强的特点,能够给建筑物带来艳丽多彩的外观效果。
下面是一份多彩真石漆施工方案,详情如下:一、施工准备工作1.1 确定施工区域,清除施工区域的杂物和障碍物。
1.2 检查墙面是否存在裂缝或凹凸不平的情况,如有需要进行修补和调平。
1.3 清洁墙面,将墙面上的灰尘、油污等物质彻底清除干净。
二、底漆处理2.1 选用适合多彩真石漆的底漆,根据墙面的材质和状况进行选择。
2.2 刷涂底漆,采用均匀的涂刷方式,确保底漆能够均匀覆盖整个墙面。
三、打底层3.1 在底漆干透后,开始打底层,选用较淡的颜色,通常为浅灰色、浅黄色等。
3.2 使用宽刷子将底层涂料均匀涂抹在墙面上,注意不要出现刷痕和刷毛。
四、真石漆涂抹4.1 预先选好真石漆的颜色,根据需求自由调配。
4.2 取适量的真石漆涂抹在刮刀上,用刮刀均匀涂抹在墙面上,可以选择不同形状的刮刀,以达到不同的纹理效果。
4.3 可以根据个人意愿,将不同颜色的真石漆混搭使用,创造出更为丰富的效果。
五、纹理处理5.1 在真石漆还未完全干透前,使用特制工具(如海绵、海绵刷等)对墙面进行拍打、晃动或刷擦等动作,使其形成纹理效果。
5.2 可以根据个人喜好调整纹理的粗细和颜色的深浅。
六、上光处理6.1 等待真石漆完全干透后,进行上光处理,使用专用的上光剂,将上光剂均匀地涂抹在墙面上。
6.2 使用上光机或抛光布将上光剂均匀地打磨,使墙面光泽均匀。
七、防水处理7.1 可选用专用的防水涂料进行墙面的防水处理,以加强多彩真石漆的耐水性。
7.2 使用防水涂料按照相关指示进行施工,注意涂料的均匀涂抹和覆盖面积。
八、整理收尾8.1 清理施工现场,将涂料桶、刷具等清洗干净并妥善存放。
8.2 对施工过程中出现的不规则和瑕疵进行修补,确保墙面的完美效果。
九、验收9.1 完成施工后,进行验收工作,对墙面的质量和效果进行检查。
9.2 如有需要,进行补修和调整,直至满意为止。
外墙多彩漆施工方案项目背景外墙多彩漆施工是一种常见的装饰方法,通过在建筑物外墙上施加彩色涂料,为建筑物增添美观和个性化。
其色彩丰富,耐久性好,适应性强,因此在建筑装饰中得到广泛应用。
施工准备在进行外墙多彩漆施工之前,需要进行一系列准备工作,包括:1.确定施工的外墙面积和范围;2.检查外墙是否有损坏或裂缝,需要提前修复;3.清洁外墙表面,去除污垢、尘埃和附着物;4.覆盖周围设备和地面,以保护不需要涂料的部分。
选材与配色选材和配色是外墙多彩漆施工的重要环节,合理的选材和搭配可以达到最佳的效果。
选材外墙多彩漆的选材应满足以下要求:1.耐候性:选择能够抵御紫外线和气候变化的材料,以保证漆膜的耐久性;2.耐污性:考虑到外墙容易被污染,所选材料应具有一定的耐污污染能力,易清洁;3.色彩稳定性:所选材料的色彩应具有稳定性,不易褪色。
常用的材料包括水性乳胶漆、聚合物纯腻子、硅藻泥等。
配色在进行外墙多彩漆施工前,需要进行配色方案的设计。
可以根据建筑物的风格、用途和周围环境来选择合适的配色方案。
常见的配色方式包括单色、双色、多色等。
选择鲜明对比的颜色可以营造出动感和时尚感,而选择柔和的颜色则可以营造出安静和舒适的氛围。
施工步骤基层处理1.外墙面清洁:使用清洗剂或高压水枪清洗外墙表面,去除污垢和附着物;2.基层修补:检查外墙表面是否有裂缝或损坏,需要进行修补,以确保基层平整稳固。
涂刷底漆1.涂刷底漆:为了提高多彩漆的附着力和耐久性,在外墙表面涂刷底漆;2.防腐处理:根据需要,在底漆干燥后进行防腐处理,以增加外墙的防腐性能。
1.涂刷基础色漆:在底漆完全干燥后,涂刷基础色漆,以形成整体的色彩基调;2.涂刷花色漆:根据设计方案,涂刷花色漆,根据设计要求完成花纹和图案;3.上光处理:在面漆干燥后,根据需要进行上光处理,以增加外墙的亮度和质感。
注意事项1.操作人员应具备相应的涂料施工经验和技能;2.施工过程中避免大风、高温和潮湿等恶劣天气;3.施工完成后,及时清理施工现场,并对工具和设备进行保养和储存;4.施工完成后,注意检查施工质量,并进行验收。
多彩涂料施工工艺
优波科水包水多彩涂料的施工工艺如下:
一、施工工艺
1.基层清理:清洁、平整的基面,含水率低于10%,PH
值低于10.
2.基层修补:使用规定比例的抗裂腻子水进行修补。
3.批刮腻子两遍:先刮底层腻子,再刮面层腻子。
4.涂刷抗碱底漆一遍。
5.涂刷中涂漆两遍:中涂可适量加水调节粘度。
6.喷涂水性多彩涂料多彩。
7.喷涂罩面漆。
8.清理、整修。
二、材料构成及功能
1.基层处理:修补基层、清除污物、保证干燥平滑的基面。
2.底漆:填充空隙,封闭碱性,增加附着力,两遍施工。
3.水性多彩中涂:仿石主色层,两遍施工。
4.水性多彩主材:仿石造型层,两遍施工。
5.罩面专用罩面:保护内涂层,两遍施工。
三、基层要求
施工基面平整清洁,无污物、疏松及空鼓现象。
水泥墙面PH值低于10,含水率低于10%。
新粉水泥砂浆墙面需养护14天以上(夏季)或20天以上(冬季)方可施工。
1.基层处理:
1)检查墙面平整度,标出明显凹凸部位。
2)空鼓部位切割处理,空洞或凹陷用水泥砂浆修补,不明显的用腻子点补。
3)明显突出部分和修补部位打磨至≤2mm。
4)清除墙面粘附物及浮尘,对伸出墙面的金属杆体进行防锈处理。
5)依要求给分格缝定位,缝的边角修平。
2.批刮腻子:
1)检查基面是否干净、平整、结实。
2)将清水加入搅拌桶中,再加入腻子粉,搅拌均匀后静置5-10分钟。
3)先刮底层腻子,再刮面层腻子。
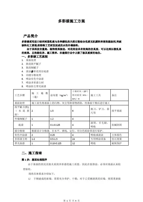
多彩漆施工方案产品简介多彩漆采用进口硅丙树脂乳液与各种颜色的天然石粉结合优质无机颜料和高性能助剂,突破涂料化工原理,经特殊工艺研发而成的水性外墙涂料。
由于其科技含量高,装饰效果极佳,对花岗岩具有较高的仿真度,可以达到以假乱真的效果,且性能优异、施工简单,在建筑行业中占据了极其重要的地位。
一、多彩漆工艺流程1.基面处理2.批刮找平腻子3.批刮细腻子4.滚涂多彩花岗岩底漆5.沟缝分格处理6.喷涂有色中涂漆7.喷涂多彩漆主材8.喷涂防尘罩光面漆二、施工指南第1步:基面处理程序由于基面的状况直接关系到多彩漆的施工质量,因此在装修前,必须对基面认真检查验收。
现将具体要求介绍如下:1)于刚建成的新墙,需要充分养护,干燥;对于已受潮剥离的旧墙,则需重新做底层批荡,然后才能进行多彩漆的一系列喷涂施工。
2)基面应平整、洁净,不得有油污,浮灰或其它污染物。
3)对旧墙体或其它基面上原有的旧涂料,应经试验确认其附著性;若附著性差,则必须彻底铲除。
基底验收标准:1.表面平整度:一般要求在4mm以下,若超过此范围则需进行打磨使之平整。
2.无脱层、空鼓、面层无裂缝、裂纹不大于0.2mm,无明显砂眼等缺陷。
3.表面达中级抹灰,即墙面线条垂直度不大于2mm,表面平整度小于2mm,阴阳角垂直度小于2mm,方正2mm。
4.表面必须平整、洁净、颜色均匀,无裂纹、无明显接槎,无灰尘、油渍、无外露钢筋、铁丝、木屑、红角和灰线平直方正,清晰美观。
5.护角等符合施工规范规定,分隔缝(条)宽度、深度均匀、平整光滑、楞角整齐、横平竖直。
6.基层的碱性:基层墙面PH值低于10。
7.基层的含水率:基层含水率小于10%,新粉刷的砂浆面层要经过4个星期左右才能施工。
8.表面污物:表面尘土、油污等要用钢丝刷、合成洗涤剂等加以去除,或用粗砂布打磨干净,清洁打磨完毕后方可施工。
第2步:批刮找平腻子,打磨平整。
(1)批刮腻子应使用抹子、刮板或钢批进行施工,从上向下批刮。
多彩漆施工方案引言多彩漆是一种常用于室内装饰的涂料,能够给墙面和天花板带来丰富的色彩和纹理效果。
本文将介绍多彩漆施工方案,包括准备工作、施工步骤和注意事项。
准备工作在进行多彩漆施工之前,需要做一些准备工作,以确保最终效果的成功。
1. 选择适合的多彩漆多彩漆有许多不同的种类和效果,选择适合自己需求的多彩漆是至关重要的。
可以根据自己的喜好和空间的用途来选择具有合适颜色和效果的多彩漆。
2. 清洁和修理墙面在施工之前,必须确保墙面或天花板表面干净、光滑且没有明显的破损。
清洁可使用温和的清洁剂和海绵,修理可使用填缝剂和砂纸。
3. 准备所需工具和材料常用的多彩漆施工工具和材料包括: - 涂料刷或辊筒 - 涂料盘 - 涂料搅拌棒 - 铺盖布或塑料膜 - 防护手套和口罩 - 手工具,如刮刀、扳手等施工步骤以下是多彩漆施工的基本步骤,注意根据实际情况进行调整。
1. 铺盖布或塑料膜在施工区域周围铺盖布或塑料膜,以保护其他物品免受涂料的污染。
2. 涂料准备仔细阅读多彩漆的使用说明,并按照说明将涂料倒入涂料盘中。
使用涂料搅拌棒将涂料搅拌均匀。
3. 第一层涂料使用涂料刷或辊筒将第一层涂料均匀地涂抹在墙面上。
涂抹时要注意避免留下明显的刷痕或辊筒痕迹。
涂料可以选择斜线、水平或垂直方向涂抹,以获得不同的效果。
4. 干燥时间和砂纸根据多彩漆的使用说明,等待第一层涂料干燥。
如果需要,可以用砂纸轻轻打磨墙面以去除不平整或粗糙的部分。
5. 第二层涂料涂料完全干燥后,可以开始涂抹第二层涂料。
与第一层相同,使用涂料刷或辊筒将涂料均匀地涂抹在墙面上,以增强色彩效果和覆盖力。
6. 完成细节在涂料完全干燥之前,可以在需要的区域进行细节涂抹。
例如,涂抹不同颜色的多彩漆或使用刮刀创建特殊效果。
7. 清洁和保养施工完成后,清洁使用过的工具,并妥善保养多彩漆的容器,以便下次使用。
注意事项在进行多彩漆施工时,需要注意以下事项:1.通风良好:确保施工区域有足够的通风,以避免多彩漆的气味和蒸汽对身体健康的影响。
四川多彩真石漆施工方案1. 引言多彩真石漆是一种具有装饰效果的涂料产品,由于其独特的颜色和纹理,被广泛应用于建筑装饰领域。
本文档将介绍在四川地区进行多彩真石漆施工的方案和步骤。
2. 施工材料和工具准备在进行多彩真石漆施工之前,需要准备以下材料和工具: - 多彩真石漆:根据项目需求选择适当颜色和规格的真石漆。
- 石子:用于增加真石漆表面的立体感,可根据设计要求选择不同规格和颜色的石子。
- 基层处理材料:包括底漆、腻子等,用于修补基层墙面的不平整和裂缝。
- 刮刀、滚筒等施工工具:用于涂抹和平整墙面。
- 防护工具:如手套、口罩、护目镜等,确保施工人员的安全。
3. 施工步骤3.1 基层处理在进行多彩真石漆施工之前,需要对基层墙面进行一系列处理步骤,以保证真石漆的附着力和平整度: 1. 清洁墙面:清除墙面上的灰尘、污垢等,保证墙面表面干净。
2. 填补裂缝:使用腻子等材料填补墙面上的裂缝和不平整处,确保墙面平整。
3. 底漆处理:涂刷适当的底漆,增加真石漆的附着力。
3.2 真石漆施工在完成基层处理后,可以开始进行真石漆的施工: 1. 涂抹基础色:使用刮刀或滚筒将适量的基础色真石漆涂抹在墙面上,保证墙面被均匀覆盖。
2. 施加纹理:在基础色真石漆未干之前,使用刮刀将不同颜色的真石漆涂抹在墙面上,并用刮刀按照设计要求形成纹理效果。
3. 撒石子:在纹理的真石漆未干之前,将石子均匀地撒在墙面上,增加表面的立体感。
4. 反复涂刷:根据需要,可以进行多次纹理涂刷和石子撒布,以达到更完美的效果。
5. 防护层涂刷:在真石漆完全干燥后,使用透明的防护涂料进行一层涂刷,以增加真石漆的耐久性和光泽度。
4. 施工注意事项在进行多彩真石漆施工的过程中,需要注意以下事项: - 环境温度和湿度:施工时要选择合适的温度和湿度,以确保真石漆能够正确干燥。
- 涂料使用:根据不同的施工阶段,选择合适的涂料进行施工,确保涂料的质量和效果。
多彩仿石漆施工方案1. 引言多彩仿石漆是一种具有仿石效果的装饰材料,能够为建筑物提供独特的外观。
与传统的石材相比,多彩仿石漆具有成本低、施工速度快、重量轻等优势,因此在建筑装饰领域越来越受欢迎。
本文将介绍多彩仿石漆的施工方案,包括准备工作、施工工具、施工步骤等内容,旨在帮助读者了解多彩仿石漆的施工过程并获取成功施工的技巧。
2. 准备工作在进行多彩仿石漆施工之前,需要进行一系列的准备工作,以确保施工顺利进行。
以下是准备工作的具体步骤:2.1. 表面处理首先,需要对施工表面进行处理,以确保表面平整、干燥、无尘等。
对于有裂缝或凹凸不平的地方,需要进行填补和修复。
可以使用砂浆或石膏进行填补,并用砂纸打磨表面,使其平整。
2.2. 基层处理在进行多彩仿石漆施工之前,需要对基层进行处理,以提高其附着力和耐久性。
首先,清洁基层表面,去除灰尘、油污等杂质。
然后,使用专门的基层处理剂进行处理,以增强基层与多彩仿石漆之间的粘结力。
2.3. 选购材料在准备工作中,还需要选购合适的多彩仿石漆材料。
根据施工要求和效果要求,选择适合的颜色、质地和型号的多彩仿石漆。
同时,还需要购买相应的涂料刷、滚筒等施工工具。
3. 施工工具多彩仿石漆施工需要使用一些特定的工具,以下是常用的施工工具:•涂料刷:用于涂抹多彩仿石漆,可根据施工面积的大小选择合适尺寸的刷子。
•滚筒:适用于大面积施工,可以提高施工效率。
•手柄刷:用于细节处理,如边角、突出部分等。
•涂料桶:用于调配和搅拌多彩仿石漆。
4. 施工步骤在进行多彩仿石漆施工时,需要按照一定的步骤进行,以确保施工的质量和效果。
以下是常见的施工步骤:在进行多彩仿石漆施工之前,需要先进行底漆处理。
底漆可以提高多彩仿石漆的附着力和耐久性。
选择合适的底漆,并按照说明进行施工。
通常情况下,需要进行两到三遍的底漆处理,每次涂刷后需要等待干燥。
4.2. 多彩仿石漆施工底漆干燥后,可以进行多彩仿石漆的施工。
首先,将多彩仿石漆倒入涂料桶中,并搅拌均匀。
施工方案水包水多彩漆1. 施工流程1.1 基层处理:修补基层、清除基层面污物、灰尘等。
1.2 底漆:填充空隙,封闭墙面碱性,改善层间结合,增加对基面的附着。
1.3 水包水多彩中涂:仿石主色层,同时具有弹性,防止墙体开裂。
1.4 水性多彩涂料:仿石造型层,即可创造出几乎和原石一样的纹理效果。
1.5 罩面涂料:保护内涂层,具有耐久性和抗紫外线功能。
2. 工艺做法:2.1 基层处理①平整度检查:用2m靠尺,先检查基面,将明显凹凸部位用彩笔标出。
②点补:空鼓部位需做切隔处理,孔洞或明显的凹陷用水泥砂浆进行修补,不明显的用腻子点补。
③砂磨:用砂轮机将明显的凸出部分和修补后的部位打磨至符合(≤2mm)④除尘、和清理:用毛刷、铲刀等清除墙面粘附物及浮尘。
大面积墙体整改时,做好分格的预先处理。
对伸出墙面的金属杆体,应先进行除锈处理,以免日后锈迹污染涂饰面。
⑤定位、弹线:以图纸或甲方要求分隔缝定位,宽度为2.0cm的分隔缝,要求用墨线弹出宽为1.6cm的定位线。
2.2 涂刷底涂①涂刷时应使用毛刷或滚涂,并力求均匀涂布。
②采用交叉滚涂方法,保证施工无遗漏,涂膜均匀。
③涂料施工必须由墙面自上而下进行。
④不符合技术要求的,修补处理。
⑤底漆涂布须等干燥(约12小时)才可进行下道工序施工。
2.3 涂刷中涂①中涂提供最终涂膜的主体色。
②涂布时可以喷涂或滚涂。
③采用十字喷涂或交叉滚涂法,确保涂膜均匀、色泽一致。
④涂料施工必须由建筑物自上而下进行。
⑤不符合技术要求的修补处理。
⑥第一遍涂布后,须按规定间隔时间,才进行第二次涂布。
2.4 喷涂多彩涂料①无需过滤、避免激烈搅拌,将主材放置压力罐中即可喷涂。
②采用喷涂法,力求主材层均匀,厚度一致,调节气压强弱达到控制点型大小,注意罐内气压,尽量控制在0.05MPa。
③一遍或多变喷涂,可先薄喷一遍,二遍十字交叉喷涂。
喷枪运行应保持匀速、一般喷嘴与喷涂面垂直,喷涂距离以30-40cm最适当。
多彩涂料施工方案多彩涂料是一种具有多样化色彩和艺术表现力的装饰涂料,它能够给人们带来视觉上的愉悦和艺术享受。
在多彩涂料的施工过程中,需要注意以下几个方面:1. 色彩选择:多彩涂料上市已有多年,市场上有各种各样的颜色和效果可选择。
在选择涂料颜色时,要根据装饰风格、家居布局和个人喜好来确定。
同时,也要考虑到整体的色彩搭配和协调性,避免过于花哨和混乱。
2. 基层处理:在进行多彩涂料施工前,要对墙面和天花板进行充分打磨和修补,确保基层平整、光滑,并且去除油污、浮灰等杂质。
这样可以提高涂料的附着力和施工效果。
3. 底漆涂刷:在施工多彩涂料之前,需要先涂刷底漆。
底漆能够提高涂料的附着力和色彩的显示效果,同时还可以遮盖基层的缺陷和不均匀性。
底漆涂刷后,要确保完全干燥后才能进行下一步的施工。
4. 涂料施工:多彩涂料的施工需要使用特殊的刷涂工具,如喷枪、滚筒等。
施工时要遵循涂料的使用说明和施工要求,按照涂刷的方向和顺序进行。
同时要注意涂料的用量和均匀性,避免出现涂料厚薄不一、色彩不均匀的情况。
5. 花纹处理:多彩涂料有很多不同的花纹和效果可选择,如大理石纹、砂岩纹等。
在进行花纹处理时,需要使用专门的工具和技法,如拍砂、擦纹等。
要注意花纹的均匀性和连贯性,避免出现明显的色差和破绽。
6. 防护和保养:多彩涂料施工完成后,要及时对墙面进行防护和保养。
可以使用透明的保护膜来遮盖墙面,防止刮花和污染。
同时还要定期清洁墙面,避免灰尘和污渍的积累。
总结起来,多彩涂料的施工方案需要注意色彩选择、基层处理、底漆涂刷、涂料施工、花纹处理和防护保养等方面。
只有在每个环节都做好工作,才能保证施工效果的美观、持久和稳定。
同时,施工人员要具备一定的专业知识和技巧,才能确保施工质量和效果的满意度。
多彩内墙涂料施工方案一、准备工作1.检查墙面:首先要检查墙面的平整度和干燥度,确保墙面没有明显的凹凸和潮湿现象。
2.清洁墙面:清洁墙面,将墙面上的灰尘、油污等杂质清理干净,确保墙面干净无尘。
二、底漆处理1.选择适合的底漆:根据多彩内墙涂料的特性选择一款适合的底漆,底漆的选择直接影响到涂料的效果。
2.刷涂底漆:用刷子或辊筒将底漆均匀地涂抹在墙面上,确保底漆覆盖均匀。
3.等待干燥:等待底漆完全干燥,时间通常在24小时左右。
三、涂料施工1.选择合适的多彩内墙涂料:根据实际需要选择合适的多彩内墙涂料,多彩内墙涂料有很多种类和颜色可供选择。
2.均匀搅拌:将多彩内墙涂料充分搅拌均匀,确保颜色和质地的一致性。
3.刷涂或辊涂:用刷子或辊筒将多彩内墙涂料均匀地涂抹在墙面上,注意要求涂抹均匀、不漏刷。
4.重复施工:根据需要,可以重复涂抹多次,以增加色彩的饱和度和层次感。
5.等待干燥:等待涂料完全干燥,时间通常在24小时左右。
四、涂面处理1.涂面清洁:在涂料完全干燥后,用抹布或清水对墙面进行清洁,将墙面上的灰尘和杂物清理干净。
2.修补处理:如果墙面有明显的划痕或破损,可以使用墙面修补膏进行修补处理。
3.涂面保护:使用适当的涂面保护剂对墙面进行保护,以增加涂料的使用寿命和美观度。
五、验收工作1.检查质量:验收时要仔细检查涂料的质量和效果,确保涂料均匀、无刷痕和色差。
2.整理工具:清洗和整理涂刷或辊筒等工具,确保下次使用时能够正常使用。
通过以上的施工方案,可以保证多彩内墙涂料的施工质量和效果。
但需要注意的是,施工时要保持良好的通风,并避免长时间暴露在涂料气味中。
另外,在施工前要仔细阅读涂料的使用说明书,根据涂料的特性选择合适的施工工具和方法。
希望以上方案能对大家有所帮助。
第1篇一、施工准备1. 工具准备:空气压缩机、真石漆喷枪、口径为2.0mm喷嘴、毛辊、海绵胶带、真石漆、水性透明罩光清漆等。
2. 材料准备:多彩真石漆、抗碱封闭底漆、外墙腻子、勾缝料等。
3. 施工人员:根据工程规模,合理配置施工人员,确保施工质量。
二、施工流程1. 基层处理(1)检查墙面:确保墙面无空鼓、开裂、油污、灰尘等,如有问题,及时进行处理。
(2)清洁墙面:使用高压水枪或毛刷将墙面上的浮尘、油污等污染物清除。
(3)批刮腻子:根据墙面凹凸情况,批刮外墙腻子1-2道,使墙面平整。
2. 底漆施工(1)辊涂抗碱封闭底漆:使用毛辊均匀辊涂抗碱封闭底漆,确保无漏涂。
(2)干燥:待底漆干燥后,方可进行下一道工序。
3. 分格处理(1)弹线:按照设计要求,弹好分格线。
(2)粘贴胶带:使用海绵胶带粘贴分格缝,确保胶带粘贴牢固。
4. 喷涂多彩真石漆(1)喷涂:使用真石漆喷枪,按照喷涂技术要求,均匀喷涂多彩真石漆。
(2)干燥:待多彩真石漆干燥后,方可进行下一道工序。
5. 揭除胶带(1)揭除:在涂膜表干之前,及时揭掉海绵胶带。
(2)修整:修正好损坏的局部部位。
6. 罩面漆施工(1)稀释:根据水性透明罩光清漆的说明,进行适当稀释。
(2)喷涂/辊涂:使用喷涂或辊涂的方式,均匀施工罩面漆。
(3)干燥:待罩面漆干燥后,方可进行下一道工序。
三、施工注意事项1. 施工环境:温度不低于5℃,相对湿度小于85%,风力不大于4级,避开大风大雨天气。
2. 施工顺序:按照施工流程进行,确保施工质量。
3. 喷涂厚度:根据多彩真石漆的用量,控制喷涂厚度,避免过厚或过薄。
4. 喷涂技巧:喷涂时要保持均匀,避免出现流淌、堆积等现象。
5. 干燥时间:严格按照多彩真石漆的干燥时间要求,确保涂层干燥。
6. 安全施工:施工过程中,注意安全,遵守操作规程。
通过以上多彩真石漆施工程序,可以确保施工质量,使建筑外墙呈现出美观、耐用的效果。
第2篇一、施工准备1. 工具准备:喷枪、喷嘴、滚筒、刷子、砂纸、腻子刀、美纹纸、梯子、脚手架等。
外墙多彩涂料漆
施
工
方
案
二○一二年九月三日
专业分包会签栏施工单位:
外墙多彩漆施工方案
一、工程概况
建设单位:
设计单位:
监理单位:
施工单位:
分包施工单位:
结构类型:
层高:
建筑面积:52000㎡
位置:
二、编制依据
1、设计图纸及施工合同;
2、《建筑装饰装修工程质量验收规范》﹙GB50210-2001)
三、施工准备
1.主要材料:
柔性耐水腻子、多彩中涂层漆、多彩面漆、罩面漆,基层局部修补用的水泥、沙子、建筑胶、抗裂砂浆、耐碱玻纤网等。
2.主要工具:
简便水平器、线包、多彩漆专用喷枪、毛滚、刷子、开刀、角磨机、粗细沙纸、钢丝刷、抹子等。
四、作业条件
1.门窗按设计要求安装好,并堵抹洞口四周的缝隙。
2.墙面基层处理完毕,并符合抹灰墙面及保温墙面验收标准,完成雨水管卡、设备洞口管道的安装,并将洞口四周用水泥砂浆或保温砂浆抹平,所有的墙面需晾
干。
3.双排架子或活动吊蓝,要符合国家安全规范要求,外架内排需距墙面≥20㎝.
4.所有的成品门窗及护栏、栏杆等要提前保护。
五、操作工艺
1.工艺流程:
墙面基层处理刮(抹)涂抗裂砂浆1遍,同时贴复合耐碱玻纤网格布(无保温基层采用)刮(抹)涂柔性耐水腻子2-3遍刷封闭底漆水性多彩漆中涂层弹线、分格、贴胶带喷涂多彩漆主涂层撕胶带、修整喷水性多彩漆罩面漆。
2.基面处理
在基层处理之前,墙体需要一定时间的养护,一般新保温封面冬天的养护时间为20天,夏天的养护时间为10天。
养护到基层的PH值小于10,含水率小于10%后再进行基面处理。
基面处理前应彻底清除疏松、起皮、空鼓、粉化的基层,然后去除灰尘、油污等污染物。
3.(本操作只对水泥砂浆基面)批刮抗裂砂浆并铺设耐碱网格布。
清理基层后按使用要求配置抗裂砂浆,同时将网格布铺在抗裂砂浆上,用抹子压入抗裂砂浆中,粘贴网格布达到似露非露状态,局部再用抗裂砂浆找平。
抗裂砂浆总厚度控制在2-3㎜。
刮涂施工尽可能减少接茬,随时用靠尺检查平整度,确保最后的垂直和平整度小于2㎜(2m靠尺)。
4.刮涂柔性耐水腻子
用柔性耐水腻子批抹墙面,第一道局部找平并采用2m靠尺修整阴阳角。
待腻子干燥后,再满批第二遍腻子使基层平整。
一次刮涂厚度不宜超过0.5㎜,分两道以上施工;每道间隔时间不低于5小时。
每道腻子刮涂完毕后应及时(一般4-6小时)打磨修整。
柔性耐水腻子总厚度控制0.5-1㎜。
5.涂刷封闭底漆
待腻子达到要求,涂刷底漆前应将基层打磨平整,局部修整破损阴阳角,清理浮灰,滚筒应保持清洁。
用滚筒涂刷底漆一遍,需刷涂均匀,绝不可有漏刷、流坠现象。
6.涂刷水性多彩中层漆
待底漆干燥后(一般24小时),涂刷两遍水性多彩漆中涂层,若能盖住底色,涂一遍也可以。
此工序也可采用喷涂施工。
7.墙面修补
待中涂层施工完毕后,专人检查墙面,发现有不平整、破损的部位要及时用腻子修补、打磨、刷底漆、中涂漆。
8.喷水性多彩漆主涂层
喷水性多彩漆主涂层前,中涂层要充分干燥,施工气温必须在5℃以上,空气相对湿度小于65%。
喷涂多彩涂料时,一般分两遍喷涂,第一遍约5小时干燥后再喷第二遍,以达到满意效果。
涂布量会因涂装效果、气候、基面情况、施工方法不同而有所差异。
喷涂必须使用水性多彩漆专用喷枪进行喷涂,第一次施工需由专业人员进行施工指导,较长时间静置存放的产品在开盖使用前可轻微搅动,不许用力搅拌,无需加水稀释。
9.喷涂、滚涂水性多彩漆罩光清漆
待多彩漆主涂层完全干燥后(一般晴天需保证2天以上),方可喷(滚)涂罩光清漆,施工时注意保持粘度,气压,喷口大小一致,注意预防流挂现象。
罩光前,要将浮尘清理干净。
喷(滚)涂要均匀且全面,不可有漏喷(滚)等现象,一般喷(滚)涂至少一遍,可达到较好效果。
六、质量标准:
1、保证项目:产品的品种、颜色、质量必须符合设计要求,并按技术交底施工。
2、喷涂表面颜色一致,花纹、花点大小均匀,无明显接槎、漏喷、漏涂、透底、流坠等现象。
七、成品保护:
1、在施工中,将门窗及不施工部位遮挡保护。
2、严禁从下往上的施工顺序,以免造成颜色污染。
3、拆架子或其它施工专业人员,严禁碰损墙面,严禁蹬踩。
八、质量保证措施
材料进场要严格检查验收,并要有出厂合格证;不符合设计要求的材料、器具、班组不得用于施工;开工前组织学习和技术交底;严格按实际要求、国家施工规范施工;各工序严格进行检查,合格时才准下一道工序施工。
九、安全保证措施
参加该工程施工人员必须坚持“质量第一,预防为主”的方针,层层建立岗位责任制,遵守国家和企业的安全规程,在任何情况下不得违章作业。
进入施工现场人员必须戴好安全帽,施工中充分发挥“安全帽、安全带、安全网”作业。
高空操作时要搭设牢固可靠的脚手架,每周公司工程部组织一次安全检查,发现问题及时调整,确保无事故发生。
十、应当注意的质量问题:
1.喷涂水性多彩漆主涂层之后,罩光之前,要作好防雨保护,避免大雨冲洗,待水性多彩漆干透后要尽快罩光。
2.施工环境:保证环境温度应大于5℃,相对湿度小于65%,无大风的天气下施工,雨天或者即将下雨的天气也不得施工,施工时多关注天气预报。