微表处配合比报告
- 格式:docx
- 大小:95.51 KB
- 文档页数:28
实用文档之"微表处配合比设计"(MS-3型)一、设计依据1.《公路沥青路面施工技术规范》JTG F40—20042. 《微表处和微表处技术指南》二、原材料检测微表处用集料由京山碎石厂供应,其试验检测技术指标如下:进行分析得到矿料的级配曲线。
试验结果如下:微表处集料级配微表处MS-3级配曲线图改性乳化沥青采自长江路桥道路养护分公司,检测指标如下表:检测项目单位规范要求实测值沥青含量% ≥60 60 筛上剩余量% ≤0.1 0.08 标准粘度S 12-60 16蒸发残留物性质针入度0.1mm 40-100 65 软化点℃≥53 57 溶解度% ≥97.5 99.3 延度cm ≥20 64.4储存稳定性(1d)% ≤1 0.9 破乳速度——慢慢微粒子电荷——阳离子+ +三、配合比设计微表处配合比设计中,以湿轮磨耗值和轮碾压砂量作为双重控制指标,即:浸水1h湿轮磨耗值控制在不大于540g/m2; 浸水6d湿轮磨耗值控制在不大于800g/m2和轮碾压砂量控制在不大于450 g/m2作为设计控制依据;同时以微表处标准稠度2-3cm的稠度用水量、适当拌合时间和合格粘聚力试验的用水量,综合考虑作为微表处的标准用水量。
配合比设计过程中,分别拟定5个沥青乳液进行湿轮磨耗、轮碾压砂试验和标准稠度试验,在获得的试验参数基础上,通过计算机图解分析,确定微表处配合比设计的乳液用量范围,各项技术指标如下表:四、结论油石比7.0配合比比例矿料:乳化沥青:水:水泥= 100:11.7:6:2.5矿料:乳化沥青:水:水泥= 100:11.7:6:2.5)拌和出的混合料,其技术性能均符合交通部部颁《沥青路面施工技术规范》的标准。
微表处MS-3筛孔9.5~4.75 4.75~2.36 2.36~0 填料合成下限上限中值9.5 99.2 100 100 99.8 100 100 100 4.75 10.2 96.6 100 76.5 70 90 80 2.36 2.2 37.5 95.8 54.9 45 70 58 1.18 24.9 72.7 40.2 28 50 390.6 17.5 49.3 27.4 19 34 270.3 11.7 30.3 17.1 12 25 19 0.15 7.8 18.2 10.5 7 18 13 0.075 3.9 8.9 5.2 5 15 10配比25 30 45 100原材料检测粗集料筛分试验报告表编号:C-A048 第页共页填表:复核:签发人粗集料密度及吸水率试验报告表(网篮法)编号:C-A049 第页共填表:复核:签发人细集料筛分试验报告表编号:C-A046 第页共页填表:复核:签发人细集料表观密度试验报告表编号:C-A050 第页共页填表:复核:签发人细集料筛分试验报告表编号:C-A048 第页共页填表:复核:签发人细集料表观密度试验报告表编号:C-A050 第页共页发人:细集料砂当量试验报告表编号:C-A053 第页共页发人:细集料砂当量试验报告表编号:C-A053 第页共页填表:复核:签发人沥青针入度、延度、软化点试验报告表编号:C-A069 第页共页填表:复核:签发人沥青溶解度试验报告表编号:C-A071 第页共页签发人:乳化沥青蒸发残留物含量试验报告表编号:C-A080 第页共页填表:复核:签发人:乳化沥青筛上剩余量试验报告表编号:C-A081 第页共页签发人:乳化沥青微离子电荷检测报告表编号:C-A082 第页共页签发人:道路沥青标准粘度报告表编号:C-A092 第页共页填表:复核:签发人乳化沥青储存稳定性试验报告表编号:C-A084 第页共页填表:复核:签发人乳化沥青破乳速度试验报告表编号:C-A085 第页共页填表:复核:签发人乳化沥青与矿料拌和试验报告表编号:C-A086 第页共页填表:复核:签发人混合料检测乳化沥青微表处混合料稠度试验报告表编号:C-A101 第页共页填表:复核:签发人乳化沥青微表处混合料粘聚力试验报告表编号:C-A102第页签发人乳化沥青微表处混合料湿轮磨耗试验报告表编号:C-A103 第页共页填表:复核:签发人乳化沥青微表处混合料碾压试验报告表编号:C-A104 第页共页填表:复核:签发人:乳化沥青微表处混合料湿轮磨耗试验报告表编号:C-A103 第页共页填表:复核:签发人:乳化沥青微表处混合料湿轮磨耗试验报告表编号:C-A103 第页共页填表:复核:签发人乳化沥青微表处混合料碾压试验报告表编号:C-A104 第页共页填表:复核:签发人:。
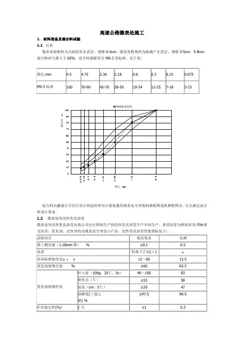
高速公路微表处施工1. 材料准备及混合料试验1.1石料微表处细集料为当地优质玄武岩,规格0-3cm;微表处粗集料为临城产玄武岩,规格3-5cm,5-8cm;混合料砂当量大于65%。
混合料级配符合MS-3型标准,见下表:1.3水泥、盐酸等材料在当地采购,符合生产要求。
1.4混合料配合比试验根据相关规范要求,两层稀浆混合料的各项指标满足下表要求22.1设置安全作业区按照高速公路安全施工规范放置安全标志后,安排专门安全员指挥过往车辆,在安全区内进行施工。
根据施工情况,采用半幅施工半幅通行,当天施工当天放行。
2.2路面预处理路面上的灰尘及杂物用强力吹风机一并清理干净,特别是油污也必须处理,必要时用水冲洗,以保证干净的路面便于粘结。
2.3摊铺微表处2.3.1微表处混合料配合比为:石料:乳液:填料:外加水=100:10:1.8:7.52.3.2施工除按常规微表处摊铺外,特别应注意的是平整度和表观情况,纵向接缝是关键环节。
2.3.3摊铺(1)微表处应按下列程序施工:a.施划导线,以保证摊铺车顺直行驶。
有路缘石、车道线等作为参照物的,可不施划导线。
b.摊铺车摊铺稀浆混合料;c.手工修复局部施工缺陷;d.初期养护;e.开放交通。
(2)根据施工路段的路幅宽度,调整摊铺槽宽度,应尽量减少纵向接缝数量,在可能的情况下,宜使纵接缝位于车道线附近。
(3)将符合要求的各种材料装入摊铺车内。
(4)将装好料的摊铺车开至施工起点,对准控制线,放下摊铺槽,调整摊铺槽使其周边与原路面贴紧。
(5)按生产配合比和现场矿料含水量情况,依次或同时按配比输出矿料、填料、水、添加剂和乳液,进行拌合。
(6)拌好的混合料流入摊铺槽并分布于摊铺槽适量时,开动摊铺车匀速前进,需要时可打开摊铺车下边的喷水管,喷水湿润路面。
(7)摊铺速度以保持混合料摊铺量与搅拌量基本一致。
微表处施工时保持摊铺槽中混合料的体积为摊铺槽容积的1/2左右。
(8)混合料摊铺后的局部缺陷,应及时使用橡胶耙等工具进行人工找平。
湖南省众立建设工程有限公司微表处配合比试验报告试验项目:百通试验单位:湖南省众立建设工程有限公司试验日期:二○一○年四月二十八日试验说明1、试验依据:《路面微表处施工技术规程》,《乳化沥青及稀浆封层技术》,《公路工程沥青及沥青混合料试验规程》《公路工程集料试验规程》《公路沥青路面施工技术规范》及《稀浆封层及微表处施工技术指南》。
2、试验内容:细集料石屑筛分、砂当量、改性乳化沥青各指标、微表处混合料最佳沥青用量、微表处混合料最佳用水量等。
3、试验结果:通过试验室相关配比试验,确定以下数据:最佳沥青用量:6.5%最佳外加水量:7%水泥添加量:2%在施工时,油石比应控制在6.5%±0.3%一、原材料试验1、集料实验微表处选用的集料要有一定的颗粒级配组成,使其形成密实而又稳定的稀浆混合料,在集料中要有一定数量的粗粒料起骨架作用,也需要适当数量的细料填充空隙,已保证稀浆具有较好的密实性、耐久性而不会离析分散。
根据本项目的具体情况,其集料级配组成采用江苏玄武岩,使用MS—3型级配,对每批料必须进行筛分,筛分结果应符合规范要求,其集料级配容许偏差范围见下表:结果如下图:集料筛分示意图从上图可以看出此石料的级配满足MS —3型集料的要求。
砂当量实验,它是评价集料的清洁程度,其用以测量粘土和有机质的数量。
本集料的砂当量如下表:此石料的砂当量已完全满足规范要求:2、矿物填料的选择矿物填料主要有水泥、消石灰、硫酸铵粉、粉煤灰等在添加填料时,应充分考虑填料与矿料、乳化沥青的反映及相容性。
应有利于稀浆混合料的拌和、摊铺和成型,保证微表处的整体强度,填料的用量必须通过配合比试验来确定,由于这里我们采用MS-3型级配。
级配比较密实,从在实验室多次实验来看,水泥添加2%为合适。
3、改性乳化沥青沥青试验我们采用的是慢裂快凝型SBR改性乳化沥青,用与本项目的微表处施工,改性乳化沥青要满足级配矿料的拌和要求,使得稀浆混合料在拌和摊铺过程中保持均匀、不破乳、不离析的良好流动状态我们所采用的是阳离子中裂乳化沥青作为本次微表处的结合料,由于阳离子乳化沥青对碱性石料有良好的粘附性,因此对矿料的选择也较广。
例析MS3微表处配合比设计的应用前言本文以京港澳高速公路新乡至郑州段工程为依托,主要介绍了微表处的配合比设计,粗细集料及乳化沥青的原材要求,MS3型级配的确定,通过可拌合时间确定用水量,通过湿轮磨耗试验和负荷轮碾压试验确定油石比,以及通过微表处的现场施工质量控制以保证施工质量,最后通过将近3年的使用和跟踪,没有出现大的病害,表明本次预防性养护效果良好。
1、工程概况京港澳高速公路新乡至郑州段全长约全长92.873公里,于2004年建成通车。
目前通过对京港澳高速公路新乡至郑州段路面病害统计,上行线沥青混凝土路面面积1138957.5平方米,破损率为7.86%,折算成损坏修补面积有89487.92平方米,下行线沥青混凝土路面面积为1142430平方米,其破损率为3.83%,折算成损坏修补面积有43749.27平方米。
根据路面破损率(DR),制定处治方案如下:对于瀝青路面部分,3≤DR<8的轻度裂缝路段,采用微表处进行处理;路面使用微表处理的面积约65万平方米。
对于DR≥8的重度裂缝路段,采用铣刨上面层5cm,补铺改性乳化沥青粘层+5cmSBS改性沥青混凝土AC-16C的方法处理。
本课题主要研究微表处的配比及施工。
2.原材料性质及级配本工程微表处混合料试验采用MS-3型微表处矿料级配。
试验所用的一种玄武岩矿料4.75-9.5mm产地为平顶山威纳利;另两种石灰岩矿料米石和机制砂产地均为:新乡辉县天利。
水泥产地为:新乡辉县天瑞水泥厂。
改性乳化沥青BCR 型改性乳化沥青。
经检验粗细集料各项指标均满足规范要求。
表1 矿料的筛分结果及合成级配图1 矿料合成级配曲线图在设计微表处配合比时需要检测乳化沥青的固体物含量,因而对乳化沥青按JTG F40-2004规范要求进行了蒸发残留物含量的检测,经实测蒸发残留物含量为63%,试验结果符合JTG F40-2004中关于BCR型改性乳化沥青不小于60%的相关技术要求,5天储存稳定性小于5%。
配合比报告配合比报告一、引言配合比是指混凝土中水泥、砂、石等材料的重量比例。
它是影响混凝土强度和耐久性的重要因素之一。
在混凝土施工中,正确控制配合比对保证混凝土质量具有重要意义。
二、配合比的影响因素1.水灰比:水灰比是指混凝土中水和水泥的重量比例。
当水灰比过高时,会导致混凝土强度降低,且易开裂。
2.骨料配合:骨料包括粗骨料和细骨料。
粗骨料主要负责承受荷载,细骨料则填充空隙,增加密实度。
正确选择和搭配不同规格的骨料可以提高混凝土的强度和耐久性。
3.砂率:砂率是指细骨料与粗骨料的重量比例。
当砂率过高时,会导致混凝土强度降低。
4.掺合材料:掺合材料包括粉煤灰、硅灰等。
适量添加掺合材料可以提高混凝土的强度和耐久性。
三、如何确定配合比1.根据设计要求:混凝土施工前,需要根据建筑设计要求确定配合比。
2.试验法:通过试验不断调整配合比,直到达到设计要求为止。
试验方法包括压缩强度试验、抗渗试验等。
3.经验法:根据施工经验和实际情况,选择适当的配合比。
四、常见问题及解决方法1.混凝土开裂:可能是因为水灰比过高或骨料不搭配导致的。
解决方法是调整水灰比或更换骨料。
2.混凝土强度低:可能是因为砂率过高或掺合材料添加不当导致的。
解决方法是调整砂率或适量添加掺合材料。
3.混凝土抗渗性差:可能是因为水灰比过高或掺合材料添加不当导致的。
解决方法是调整水灰比或适量添加掺合材料。
五、总结配合比对于混凝土质量具有重要影响,正确选择和搭配各种材料可以提高混凝土的强度和耐久性。
在施工中,需要根据设计要求确定配合比,并通过试验或经验不断调整,确保混凝土质量符合要求。
微表处参考配合比报告微表处配合比设计(MS-3型)一、设计依据1.《公路沥青路面施工技术规范》JTG F40—20042. 《微表处和微表处技术指南》二、原材料检测微表处用集料由京山碎石厂供应,其试验检测技术指标如下:微表处集料检测技术指标试验检测项目集料规格规范要求4.75~9.5mm2.36~4.75mm0~2.36mm合成砂当量65.1 71.4 >65表观密度2.9982.9642.9562.969>2.6备注符合有关技术规范的标准要求微表处所采用玄武石经采用水洗法进行级配检验后,通过计算机进行分析得到矿料的级配曲线。
试验结果如下:微表处集料级配筛孔尺寸9.5 4.75 2.36 1.18 0.6 0.3 0.150.075标准级配10070-9045-7028-5019-3412-257-185-15合成级配99.8 76.5 54.9 40.227.517.2 10.6 5.3配比(%) 1#:2#:3#=25:30:45备注微表处MS-3级配曲线图改性乳化沥青采自长江路桥道路养护分公司,检测指标如下表:乳化沥青检测技术指标检测项目 单位 规范要求 实测值 沥青含量 % ≥60 60 筛上剩余量 % ≤0.1 0.08 标准粘度S12-6016蒸发残留物性质针入度0.1mm 40-100 65 软化点℃≥53 57 溶解度% ≥97.5 99.3 延度cm ≥20 64.4储存稳定性(1d)% ≤1 0.9 破乳速度——慢慢微粒子电荷——阳离子+ + 细集料拌和试验——均匀均匀微表处生产用水为可饮用水,PH值7。
三、配合比设计微表处配合比设计中,以湿轮磨耗值和轮碾压砂量作为双重控制指标,即:浸水1h湿轮磨耗值控制在不大于540g/m2; 浸水6d湿轮磨耗值控制在不大于800g/m2和轮碾压砂量控制在不大于450 g/m2作为设计控制依据;同时以微表处标准稠度2-3cm的稠度用水量、适当拌合时间和合格粘聚力试验的用水量,综合考虑作为微表处的标准用水量。
微表处配合比设计(MS-3 型)-、设计依据1. 《公路沥青路面施工技术规范》JTG F40—20042. 《微表处和微表处技术指南》二、原材料检测微表处用集料由京山碎石厂供应,其试验检测技术指标如下:微表处集料检测技术指标微表处所采用玄武石经采用水洗法进行级配检验后,通过计算机进行分析得到矿料的级配曲线。
试验结果如下:微表处集料级配微表处MS-3级配曲线图Y—含战—■—下限------- 上阻------ 中值改性乳化沥青采自长江路桥道路养护分公司,检测指标如下表:乳化沥青检测技术指标微表处生产用水为可饮用水,PH值7三、配合比设计微表处配合比设计中,以湿轮磨耗值和轮碾压砂量作为双重控制指标,即:浸水1h湿轮磨耗值控制在不大于540g/m2;浸水6d湿轮磨耗值控制在不大于800g/m2和轮碾压砂量控制在不大于450 g/m2作为设计控制依据;同时以微表处标准稠度2-3cm的稠度用水量、适当拌合时间和合格粘聚力试验的用水量,综合考虑作为微表处的标准用水量。
配合比设计过程中,分别拟定5个沥青乳液进行湿轮磨耗、轮碾压砂试验和标准稠度试验,在获得的试验参数基础上,通过计算机图解分析,确定微表处配合比设计的乳液用量范围,各项技术指标如下表:微表处配合比设计成果四、结论试验结果表明,微表处设计配合比(矿料:乳化沥青:水:水泥=100:11.7:6:2.5 )拌和出的混合料,其技术性能均符合交通部部颁《沥青路面施工技术规范》的标准。
微表处MS-3筛孔9.5 〜4.75 4.75 〜2.36 2.36 〜0填料合成下限上限中值9.599.210010099.8100100100 4.7510.296.610076.5709080 2.36 2.237.595.854.9457058 1.1824.972.740.2285039 0.617.549.327.4193427 0.311.730.317.1122519 0.157.818.210.571813 0.075 3.98.9 5.251510配比253045100T-含戒一■一下眼——上眼——中憶试验: 复核: 签发人:原材料检测粗集料筛分试验报告表编号:C-A048第页共页填表:复核:签发人:粗集料密度及吸水率试验报告表(网篮法)编号:C-A049 第页共页填表:复核:签发人:7细集料筛分试验报告表编号:C-A046第页共页填表:复核:签发人:细集料表观密度试验报告表编号:C-A050 第页共页填表:复核:签发人:填表:复核:签发人:细集料表观密度试验报告表填表: 复核:签发人:细集料筛分试验报告表 第页共页编号:C-A048填表:复核:签发人:细集料表观密度试验报告表编号:C-A050 第页共页填表:复核:签发人:细集料砂当量试验报告表编号:C-A053 第页共页填表: 复核: 签发人:填表: 复核: 签发人:细集料砂当量试验报告表编号:C-A053 第页共页填表: 复核: 签发人:沥青针入度、延度、软化点试验报告表填表:复核:签发人:第页共页沥青针入度试验记录沥青软化点试验记录沥青延度试验记录编号:C-A06918沥青溶解度试验报告表第页共页编号:C-A071填表:复核:签发人:乳化沥青蒸发残留物含量试验报告表编号:C-A080 第页共页填表:复核:签发人:20乳化沥青筛上剩余量试验报告表编号:C-A081 第页共页填表:复核:签发人:乳化沥青微离子电荷检测报告表编号:C-A082 第页共页填表:复核:签发人:道路沥青标准粘度报告表编号:C-A092 第页共页填表:复核:签发人:乳化沥青储存稳定性试验报告表编号:C-A084 第页共页填表:复核:签发人:乳化沥青破乳速度试验报告表编号:C-A085 第页共页填表:复核:签发人:编号:C-A086 第页共页填表:复核:签发人:编号:C-A086 第页共页填表:复核:签发人:混合料检测乳化沥青微表处混合料稠度试验报告表编号:C-A101 第页共页填表:复核:签发人:29乳化沥青微表处混合料粘聚力试验报告表填表: 复核: 签发人:编号:第 页共页结论 符合微表处稀浆混合料技术指标要求乳化沥青微表处混合料湿轮磨耗试验报告表编号:C-A103 第页共页填表:复核:签发人:乳化沥青微表处混合料碾压试验报告表编号:C-A104 第页共页填表:复核:签发人:编号:C-A103 第页共页填表:复核:签发人:编号:C-A103 第页共页填表:复核:签发人:编号:C-A103 第页共页填表:复核:签发人:编号:C-A103 第页共页填表:复核:签发人:乳化沥青微表处混合料碾压试验报告表编号:C-A104 第页共页填表:复核:签发人:。
微表处和稀浆封层配合比设计微表处和稀浆封层配合比设计及施工要点控制白玉红【内容提要】:本文主要从乳化沥青及改性乳化沥青的生产过程控制和影响乳化质量的因素、微表处和稀浆封层原材料的技术要求及试验要点、微表处和稀浆封层混合料配合比设计的方法和步骤、微表处及稀浆封层的现场施工及施工的质量控制等方面对微表处和稀浆封层混合料的试验、施工等做了较为详尽的论述。
主题词:微表处稀浆封层配比设计施工控制一.微表处的简单介绍及其与稀浆封层的区别交通运输是国民经济的命脉,公路运输又是交通运输的主要方式之一,因此,各国都在重视各级公路建设的同时,也十分重视已铺筑路面的经常性维修和养护。
随着路网的逐渐形成与完善和低等级公路的升级要求,也随着人们环保意识的逐渐增强及能源的逐渐紧张,近年来乳化沥青及稀浆封层的应用越来越广泛,而微表处是近年来在稀浆封层的基础上开发出来的,它适用于高速公路、一、二级公路沥青路面的预防性养护罩面和沥青路面的车辙修复;水泥混凝土路面、水泥混凝土桥面、水泥混凝土隧道道路罩面;新建或改扩建高速公路、一、二级公路的沥青路面、水泥混凝土桥面的表面磨耗层。
微表处是由聚合物改性乳化沥青、100%轧制碎石料、矿物填料及水和必要的添加剂组成的;微表处的铺筑使用专门的铺筑设备一边拌和一边摊铺,可以根据原路面的状况实施单层铺筑或双层摊铺。
微表处混合料摊铺后可在较短的时间内开放交通,具体开放交通时间因各个工程的实际情况不同而有所不同,通常12.7mm厚的封层在气温24℃、湿度小于50%的情况下可在1小时内开放交通承受车轮的碾压,但不可有刹车、起步或转弯现象;微表处可以提高路面的抗滑性能,可以阻止水份的下渗,防止路面的老化和松散。
微表处目前在我省主要应用于高速公路,一二级沥青路面的预防性养护,即对原路面不做大的翻修,只是在路面出现横向裂缝较多、网裂过多、表面过于光滑及车辙较严重时采用加铺一薄层路面的方法,此种方法所耗费用不多,又能及时消除路面早期病害,延长路面的使用寿命。
微表处混合料配合比设计方法比较关键词:道路工程微表处配合比设计方法引言微表处(micro-surfacing)是一项经济有效的预防性养护技术。
该技术被国际公认为是修复道路车辙、轻度裂缝等病害,防止路面水损害,改善沥青路面表面功能,提高路面抗滑性能的最有效、最经济的手段之一。
尽管现在有许多微表处的应用实例,但目前的微表处混合料配合比设计方法与实际情况的关联性差,导致了微表处工程出现了很多失败的例子,这也是微表处技术在我国的推广受到影响的一个原因。
所以,有必要对现有的微表处混合料配合比设计方法进行改善。
1研究的意义及必要性在实际应用中发现,无论是用于微表处罩面还是微表处填补车辙,都存在设计方法与工程实际不相符的情况。
导致路面出现泛油等病害,甚至影响使用寿命。
故有必要分析比较现有的微表处混合料配合比设计方法,通过对设计方法的改善来提高微表处的路用性能。
2现行微表处混合料配合比设计方法比较微表处技术源于60年代末70年代初的德国,在欧洲迅速得到推广。
在美国,微表处技术在高速公路的维修养护工作中的使用越来越普遍,并逐步取代了普通的稀浆封层。
目前,有若干由不同机构推出的微表处混合料配合比设计方法,其中主要有《公路沥青路面施工技术规范》,我国交通部公路科学研究院《微表处和稀浆封层技术指南》,国际稀浆封层协会设计方法(issa tb a143),美国材料试验学会设计方法(astm 6372-99a)和德克萨斯交通运输学会设计方法(tti 1289)。
其中issa提出的issa tb a143设计方法世界范围内被广泛使用。
2.1issa微表处混合料配合比设计方法issa a1432.1.1集料级配良好的矿料级配是稀浆混合料性能的重要保证。
国际稀浆封层协会(issa)“乳化沥青稀浆封层使用指南a105(revised)may2005”提供了3种级配,由细到粗分别为i,ii,iii型;而“微表处使用指南a143(revised)may2005”中的级配只有ii、iii型,这两种级配与a105的ii型和iii型完全一致,这主要是考虑了微表处适用于承受重交通、填补车辙、摊铺厚度较大的原因。
微表处混合料配合比设计论文摘要(1)详细分析现行微表处配合比设计流程,指出现行湿轮磨耗试验、负荷轮试验确定油石比的方法存在的不合理之处。
(2)由湿轮磨耗和负荷轮试验确定的油石比范围过大,本文采用飞散试验“质量损失差”指标进行最佳油石比确定。
(3)对于不同沥青、不同改性剂剂量的混合料,随油石比增加,飞散质量损失差减小,当油石比达到某值时,飞散质量损失差曲线趋于稳定,此后随混合料油石比增加飞散质量损失差基本不变。
关键词微表处;配合比设计;飞散试验;质量损失0 引言微表处乳化沥青混合料既不同于一般的沥青混凝土,又与稀浆封层混合料有一定的差别;其优良的路面特性需要通过沥青混合料的使用性能来实现。
世界各国沿用多年的图解法和中国采用的现行方法在确定沥青用量方面尽管有诸多缺陷,但其具备经济、简单、可行、方便的优点、因此,在中国微表处研究仍处于起步阶段的情况下,仍应借鉴传统思路对沥青混合料进行设计。
同时,为了弥补现行方法存在的不足,需要增加新的试验方法对其进行补充。
本文提出引入飞散试验进行微表处混合料设计的新方法。
1 现行设计方法存在的问题目前,中国微表处工程混合料配合比设计中对沥青用量的确定一般采用《微表处和稀浆封层技术指南》中的建议,而这些建议也在很大程度上借鉴了issa混合料配合比设计中沥青用量的确定方法,在实际工程应用中,存在诸多问题。
1.1图解法存在的问题现行《微表处和稀浆封层技术指南》中油石比的确定方法是对初选的3个左右的混合料配方分别变化不同的沥青用量(沥青用量一般在6.0%~8.5%之间),按要求重复试验,并分别将不同沥青用量的1h湿轮磨耗值及砂粘附量绘制成如图1的关系曲线。
以1h湿轮磨耗值接近要求的沥青用量作为最小沥青用量pbmin,砂粘附量接近要求的沥青用量作为最大沥青用量pbmax,得出沥青用量的可选择范围pbmin~pbmax。
在采用图解法设计微表处混合料配合比过程中,发现该方法存在以下问题。
浅谈微表处技术应用及配合比浅谈微表处技术应用及配合比浅谈微表处技术应用及配合比摘要:作为一种公路养护的新工艺,是稀浆封层技术发展的高级阶段,微表处技术因其开放交通快、抗滑性能卓优,特别是对路面病害进行预防性养护效果佳等技术优点,已成为欧美发达国家重要的路面养护手段。
为了保证道路具有优良的使用性能,结合北京市平谷区昌金路、崔杏路预防性养护工程,分析微表处技术特征和配合比设计,并对微表处的使用效果进行分析,为更好的推广应用微表处技术提供支持。
关键词:公路;养护;微表处;配合比中图分类号:X734文献标识码:A绪论我国现行的沥青路面养护主要是根据工程量的大小简单的分为小修保养、中修、大修、改建四类。
而该分类方法实际上反映了一种“重修理、轻预防”的概念。
而美国等西方发达国家则是根据路面病害类型的不同和损害程度的大小将不同养护维修措施分为预防性养护、修复性养护、路面翻修和路面重建四类。
微表处作为一种预防性养护措施是以一种周期性的强制保养措施,它是通过采用先进的检测技术提前发现道路隐蔽的隐形病害的存在,而不是考虑到路面是否已经有了某种损害而采取的措施。
由于它要求采用最佳的成本效益,强调养护管理的计划性,因此通常用于没有发生损坏或只有轻微缺陷与病害迹象的路面。
预防性养护没有没有路面的补强功能,但可以减少路面寿命周期的成本,节约维修资金,是一种费用效益良好的养护措施。
微表处是乳化沥青稀浆罩面的最高形式,它适用于中交通道路的预防性养护如高速公路、城市干线机场跑道等。
微表处由聚合物改性乳化沥青、100%压碎石料、矿物填料、水和必要的添加剂组成。
使用专门的施工设备边拌和边摊铺。
微表处可以提高路面的抗滑能力、阻止水分下渗、防止路面的老化与松散。
从而有效地延长路面的使用寿命。
微表处的使用可根据路面状况实施单层或双层摊铺,还可以填补以稳定车辙。
一、微表处概述1.概述随着我市公路里程的不断扩大,作为资源密集型行业,其对土地、岸线、能源、建筑材料等资源的消耗也越来越多,而微表处作为一种经济、快速的路面预防性养护技术,可以有效降低公路养护成本,提高公路养护质量,减小公路建设工程对环境的影响。
配合比设计报告1.1配合比设计为确保微表处施工的顺利进行,依据设计要求采用ES-Ⅱ型级配,其具体的材料选择及配合比设计为:1.1.1材料的选择:1.1.1.1、级配矿料1.1.1.1.1级配矿料要求矿料的级配和质量与封层的耐久性、耐磨性、抗滑性等使用性能均有密切关系。
其级配组成应符合《微表外和稀浆封层技术指南(2006)》中关于微表处的要求且所用集料应表面洁净、质地坚硬、耐磨、扁平细长颗料小于15%;所用细集料应不含泥土和有机杂质,砂当量大于60%,亚甲蓝值符合规定要求(<10ml)。
此次施工拟选用遂平华泰石料厂产玄武岩石料,其各项检测指标如下:表1:玄武岩检测结果1.1.1.1.2矿料级配及含水率曲线此次施工拟选用的玄武岩3#(3-5)、4#(0-3)料及级配料的筛分结果见下表:2 玄武岩3#料的筛分结果表表3玄武岩4#料的筛分结果筛孔尺寸9.5 4.75 2.36 1.18 0.6 0.3 0.15 0.075 底通过率上限100 90 70 50 34 25 18 15 0 通过率下限100 70 45 28 19 12 7 5 0 4#料残留量g 0 6.7 56.9 257.9 300.9 172.1 86.9 55.4 62 通过率% 100 99.3 93.6 67.8 37.7 20.5 11.8 6.2表4 合成骨料级配数据及曲线筛孔尺寸9.5 4.75 2.36 1.18 0.6 0.3 0.15 0.075 底通过率上限100 90 70 50 34 25 18 15 0通过率下限100 70 45 28 19 12 7 5 0 通过率% 100 82.8 59.8 41.9 23.3 13..4 8.4 5.2表5继配矿料的含水率曲线图1-1-1-3矿料的配合与运输本次施工为避免较大粒径破坏路面,使用前首先将集料进行了过筛处理,以去除大粒径,以上集料按要求进行严格的相关检测,然后将粗、细集料按比例掺配并充分搅拌,经筛分达到相关级配要求后,将级配料装车用于路面施工。
第九章微表处混合料的配合比设计1.微表处混合料施工性能包括哪些内容?2.什么叫可拌合时间和不可拌合时间?我国有哪些规范要求?3.什么叫稠度值?稠度对微表处施工有什么影响?4.初凝时间的试验方法是什么?5.黏聚力试验的目的和试验方法是什么?在试验后四种破损状态是什么?6.湿轮磨耗(WTAT)试验的目的和试验方法是什么?7.负荷车轮试验的目的和试验方法是什么?8.微表处混合料拌合时间不足,设计人员应从哪几个方面进行调整?9.国际稀浆封层协会规定的黏聚力指标是多少?常见的稀浆混合料黏聚力随时间变化趋势的四种情况是什么?10.哪些因素对微表处混合料的施工性能有显著的影响?11.如何确定微表处混合料最佳乳化沥青用量?12.微表处混合料路用性能应满足哪些指标、技术要求?13.微表处混合料各组成材料的用量范围是什么?14.微表处混合料配合比设计流程图是什么?15.微表处混合料的设计步骤是什么?16.怎样做好微表处混合料的配合比设计?第九章微表处混合料的配合比设计1.微表处混合料施工性能包括哪些内容?微表处混合料施工性能包括:①施工可操作性,包括混合料要有足够的可拌和时间,有良好的稀浆状态,有良好的环境条件适应性等,这些指标一般通过混合料的拌和试验来确定;②混合料的成型速度,为了满足快速开放交通的要求,微表处混合料在保证施工时间的同时,必须能够迅速固化成型,并有足够的初期强度,可通过初凝时间试验和黏聚力试验确定。
2.什么叫可拌合时间和不可拌合时间?我国有哪些规范要求?在拌和锅内放入一定量的矿料(通常为100g)、填料,拌匀,再将水、添加剂等倒入锅中拌匀,然后倒入一定量的改性乳化沥青搅拌并记时。
在改性乳化沥青倒入后的最初5~10s内用力快速拌和,然后用拌和匙沿容器壁顺时针均匀拌和,一般每分钟60~70转,注意观察混合料的拌和状态。
当稀浆混合料变稠、手感到有力时,表明混合料开始有破乳的迹象,记录此刻的时间,称为可拌和时间;继续拌和,当混合料完全抱团,无法拌和时,记录此刻的时间,称为不可施工时间。
第九章微表处混合料的配合比设计1. 微表处混合料施工性能包括哪些内容?2. 什么叫可拌合时间和不可拌合时间?我国有哪些规范要求?3. 什么叫稠度值?稠度对微表处施工有什么影响?4. 初凝时间的试验方法是什么?5. 黏聚力试验的目的和试验方法是什么?在试验后四种破损状态是什么?6. 湿轮磨耗(WTAT)试验的目的和试验方法是什么?7. 负荷车轮试验的目的和试验方法是什么?8. 微表处混合料拌合时间不足,设计人员应从哪几个方面进行调整?9. 国际稀浆封层协会规定的黏聚力指标是多少?常见的稀浆混合料黏聚力随时间变化趋势的四种情况是什么?10. 哪些因素对微表处混合料的施工性能有显著的影响?11. 如何确定微表处混合料最佳乳化沥青用量?12. 微表处混合料路用性能应满足哪些指标、技术要求?13. 微表处混合料各组成材料的用量范围是什么?14. 微表处混合料配合比设计流程图是什么?15. 微表处混合料的设计步骤是什么?16. 怎样做好微表处混合料的配合比设计?第九章微表处混合料的配合比设计1. 微表处混合料施工性能包括哪些内容?微表处混合料施工性能包括:①施工可操作性,包括混合料要有足够的可拌和时间,有良好的稀浆状态,有良好的环境条件适应性等,这些指标一般通过混合料的拌和试验来确定;②混合料的成型速度,为了满足快速开放交通的要求,微表处混合料在保证施工时间的同时,必须能够迅速固化成型,并有足够的初期强度,可通过初凝时间试验和黏聚力试验确定。
2. 什么叫可拌合时间和不可拌合时间?我国有哪些规范要求?在拌和锅内放入一定量的矿料(通常为100g)、填料,拌匀,再将水、添加剂等倒入锅中拌匀,然后倒入一定量的改性乳化沥青搅拌并记时。
在改性乳化沥青倒入后的最初5〜10s内用力快速拌和,然后用拌和匙沿容器壁顺时针均匀拌和,一般每分钟60〜70转,注意观察混合料的拌和状态。
当稀浆混合料变稠、手感到有力时,表明混合料开始有破乳的迹象,记录此刻的时间,称为可拌和时间;继续拌和,当混合料完全抱团,无法拌和时,记录此刻的时间,称为不可施工时间。
微表处配合比报告 Company number:【0089WT-8898YT-W8CCB-BUUT-202108】
微表处配合比设计
(MS-3型)
一、设计依据
1.《公路沥青路面施工技术规范》 JTG F40—2004
2. 《微表处和微表处技术指南》
二、原材料检测
微表处用集料由京山碎石厂供应,其试验检测技术指标如下:
的级配曲线。
试验结果如下:
改性乳化沥青采自长江路桥道路养护分公司,检测指标如下表:
乳化沥青检测技术指标
三、配合比设计
微表处配合比设计中,以湿轮磨耗值和轮碾压砂量作为双重控制指标,即:浸水1h 湿轮磨耗值控制在不大于540g/m2; 浸水6d湿轮磨耗值控制在不大于800g/m2和轮碾压砂量控制在不大于450 g/m2作为设计控制依据;同时以微表处标准稠度2-3cm的稠度用水量、适当拌合时间和合格粘聚力试验的用水量,综合考虑作为微表处的标准用水量。
配合比设计过程中,分别拟定5个沥青乳液进行湿轮磨耗、轮碾压砂试验和标准稠度试验,在获得的试验参数基础上,通过计算机图解分析,确定微表处配合比设计的乳液用量范围,各项技术指标如下表:
和出的混合料,其技术性能均符合交通部部颁《沥青路面施工技术规范》的标准。
微表处MS-3
原
材
料
检
测
粗集料筛分试验报告表
编号:C-A048 第页共页
粗集料密度及吸水率试验报告表
(网篮法)
细集料筛分试验报告表
编号:C-A046 第页共页
细集料表观密度试验报告表
编号:C-A050 第页共页
细集料筛分试验报告表
编号:C-A048 第页共页
细集料表观密度试验报告表
编号:C-A050 第页共页
细集料砂当量试验报告表
编号:C-A053 第页共页
细集料砂当量试验报告表
编号:C-A053 第页共页
沥青针入度、延度、软化点试验报告表
编号:C-A069 第页共页
沥青溶解度试验报告表
编号:C-A071 第页共页
乳化沥青蒸发残留物含量试验报告表
编号:C-A080 第页共页
乳化沥青筛上剩余量试验报告表
编号:C-A081 第页共页
人:
乳化沥青微离子电荷检测报告表
编号:C-A082 第页共页
道路沥青标准粘度报告表
编号:C-A092 第页共页
乳化沥青储存稳定性试验报告表
编号:C-A084 第页共页
乳化沥青破乳速度试验报告表
编号:C-A085 第页共页
乳化沥青与矿料拌和试验报告表
编号:C-A086 第页共页
混
合
料
检
测
乳化沥青微表处混合料稠度试验报告表编号:C-A101 第页共页
乳化沥青微表处混合料粘聚力试验报告表
乳化沥青微表处混合料湿轮磨耗试验报告表编号:C-A103 第页共页
乳化沥青微表处混合料碾压试验报告表
编号:C-A104 第页共页
乳化沥青微表处混合料湿轮磨耗试验报告表编号:C-A103 第页共页
乳化沥青微表处混合料湿轮磨耗试验报告表编号:C-A103 第页共页
乳化沥青微表处混合料碾压试验报告表
编号:C-A104 第页共页。