大工《测量学》课程考试模拟试卷A答案
- 格式:doc
- 大小:104.00 KB
- 文档页数:2
测 量 学 试 题 库一、填空题(一)测量学基础知识(1-38题)1. 地面点到 铅垂距离称为该点的相对高程。
2. 通过 海水面的 称为大地水准面。
3. 测量工作的基本内容是 、 、 。
4. 地面两点间高程之差,称为该两点间的 。
5. 测量工作的基本原则是 、 、 。
6. 直线定向的标准方向有 、 、 。
7. 由 方向顺时针转到测线的水平夹角为直线的坐标方位角。
8. 距离丈量的相对误差的公式为 。
9. 坐标方位角的取值范围是 。
10. 直线的象限角是指直线与标准方向的北端或南端所夹的 角,并要标注所在象限。
11. 某直线的方位角与该直线的反方位角相差 。
12. 地面点的标志,按保存时间长短可分为 和 。
13. 闭和水准路线高差闭和差的计算公式为 。
14. 水准仪的主要轴线有 、 、 、 。
15. 一般工程水准测量高程差允许闭和差为 或 。
16. 一测站的高差 ab h 为负值时,表示 高, 低。
17. 水准测量高差闭合的调整方法是将闭合差反其符号,按各测段的成比例分配或按成比例分配。
18. 水准测量的测站校核,一般用法或法。
19. 支水准路线,既不是附合路线,也不是闭合路线,要求进行测量,才能求出高差闭合差。
20.使用测量成果时,对未经的成果,不能使用。
21. 从A 到B 进行往返水准测量,其高差为:往测3.625m;返测-3.631m,则A 、B 之间的高差AB h ___. 22. 已知B点高程为m 000.241,A、B点间的高差m h AB 000.1+=,则A点高程为___.23. A 点在大地水准面上点在高于大地水准面100m 的水准面上,则A 点的绝对高程是点的绝对高程是。
24. 已知A点相对高程为m 100,B点相对高程为m 200-,则高差=AB h ___;若A点在大地水准面上,则B点的绝对高程为_____.25. 在进行水准测量时,对地面上A、B、C点的水准尺读取读数,其值分别为m 325.1,m m 555.1,005.1,则高差.__________,____,===CA BC BA h h h26. 经纬仪的安置工作包括、。
一、单选题:(共20题,每题 2分,共40分)
题号 1 2 3 4 5 6 7 8 9 10 11 12 13 14 15 16 17 18 19 20 答案 C C C A B D A A C C D B B A C C B B C B 二、判断题:(共10题,每题1分,共10分)
题号 1 2 3 4 5 6 7 8 9 10
答案××√×√×√×××
三、填空题:(共10题,每题2分,共20分)
1.几何量误差
2.+0.019
3.径向全跳动误差
4.相同
5.-0.05
6.最大极限尺寸
7.过盈间隙
8.过渡
9.公差 10.极限偏差和公差
四、简答题:(共3题,每题10分,共30分)
1. IT8 基本尺寸为ø40的公差值Th=ES-EI=+0.005-(-0.034)=0.039mm
ø40H8基准孔的EI=0,ES=Th=+0.039mm
ø40h8基准轴的es=0,ei=-Ts=-0.039mm
极限间隙:Xmax=ES-ei=+0.039-(-0.039)=+0.078mm
Xmin=EI-es=0-0=0mm
2. [1]随机误差超出±3σ的概率只有0.0027,即进行370次等精度测量中,可能只有一次测得值超出±3σ的范围,而在随机测量时一般测量次数都不会很多,所以超出±3σ的随机误差就很难出现,因此把其定义为极限偏差。
3.相对测量误差分别为
所以L2的测量精度高
1。
机密★启用前大连理工大学网络教育学院2011年2月份《测量学》课程考试模拟试卷考试形式:闭卷试卷类型:(A)☆注意事项:1、本考卷满分共:100分;考试时间:90分钟。
2、所有试题必须答到试卷答题纸上,答到试卷上无效。
3、考试结束后,考生须将试卷和试卷答题纸一并交回。
学习中心______________姓名____________学号____________一、单项选择题(本大题共10小题,每小题3分,共30分)1、地面点到什么面的铅垂距离,称为绝对高程?()A.大地水准面B.水准面C.旋转椭球面D.圆球面2、当测量范围较小时,可以把该测区的地表当做平面看待,其坐标常用()。
A.天文地理坐标B.大地地理坐标C.独立平面直角坐标D.高斯平面直角坐标3、测量望远镜瞄准目标进行调焦时,若有偏差,其产生的原因是()。
A.十字丝为调节清楚B.观测时瞄准有误差C.观测时光线太强或太弱D.目标成像面没有和十字丝平面重合4、水准仪应满足的三个条件中,最主要的条件是()。
A.水准管轴平行于视准轴B.圆水准轴平行于竖轴C.十字丝横丝垂直于竖轴D.圆水准轴垂直于竖轴5、经纬仪应满足的几何条件不包括()。
A.水准管轴垂直于竖轴B.视准轴垂直于横轴C.横轴垂直于竖轴D.视准轴平行于水准管轴6、光电测距的野外观测值需要经过哪三项改正,才能得到正确的水平距离?()A.仪器常数改正、气象改正、闭合差改正B.乘常数改正、温度改正、倾斜改正C.加常数改正、气压改正、倾斜改正D.仪器常数改正、气象改正、倾斜改正7、在城市进行导线测量常采用的布设形式是()。
A.视距导线B.支导线C.附合导线D.闭合导线8、为了减弱仪器下沉的影响,三、四等水准测量每个测站的观测程序为()。
A.后-前-前-后B.后-后-前-前C.前-后-后-前D.前-前-后-后9、建筑施工坐标系其坐标轴应该()。
A.与大地坐标系坐标轴一致B.与真北方向一致C.与建筑物主轴线一致或平行D.与磁北方向一致10、为确定建筑物在平面上随时间而移动的大小及方向应进行()。
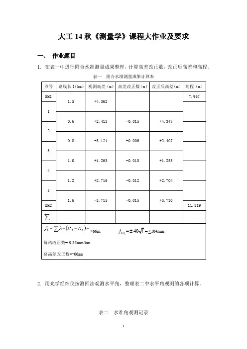
大工14秋《测量学》课程大作业及要求
一、 作业题目
1. 在表一中进行附合水准测量成果整理,计算高差改正数,改正后高差和高程。
表一 附合水准测量成果计算表
+66m =40f l ±=h 允+104mm
2. 用光学经纬仪按测回法观测水平角,整理表二中水平角观测的各项计算。
表二 水准角观测记录
二、作业要求
1.从以上五个题目中任选两个进行计算;
2.计算前,需将所选的题目进行复制(使老师明确你所选的题目);
3.计算过程中如遇小数,需保留小数点后三位。
4.计算需要在word中完成,文中内容统一采用宋体,字号为小四;
5.请严格按照上述要求进行,否则会影响你的作业成绩。
大工19春《测量学》在线作业2-0001
试卷总分:100 得分:100
一、单选题 (共 10 道试题,共 50 分)
1.测量中所使用的光学经纬仪的度盘刻划注记形式有()。
A.水平度盘均为逆时针注记
B.水平度盘均为顺时针注记
C.竖直度盘均为逆时针注记
D.竖直度盘均为顺时针注记
正确答案:B
2.测站点与两测量目标位置不变的情况下,若仪器高度改变,则此时所测得的( )。
A.水平角不变,竖直角也不变
B.水平角改变,竖直角也改变
C.水平角不变,竖直角改变
D.水平角改变,竖直角不变
正确答案:C
3.在水平角观测中应尽量照准目标底部,这样做目的是( )。
A.消除视准轴误差
B.减少目标偏心差
C.减少照准部偏心差
D.减少视差
正确答案:B
4.根据光学原理能够同时测定任意两点间的水平距离和高差的方法是( )。
A.视距测量
B.光电测距
C.水准测量
D.三角测量
正确答案:A
5.水平角是测量仪器测站至两目标点连线之间的( )。
A.夹角
B.夹角投影在水平面上的角值
C.夹角投影在水准面上的角值
D.夹角投影在球面上的角值
正确答案:B
6.水平角观测时,为了克服微动螺旋弹簧疲劳迟滞现象,观测时应采用()。
成人教育学院2010-2011第1学期 《测量学》A 卷参考答案及评分标准一、选择题(每题2分,共20分)1、C2、D3、B4、A5、B6、D7、A8、B9、D 10、A 二、填空题(每空1分,共20分) 1、x 、 北 2、103、真子午线方向 、 磁子午线方向 、 坐标纵轴方向4、n 6''±5、相对误差6、90º7、75º8、双面尺法 、 变动仪高法 9、61.7m10、测定 、 测设 11、0º~360º12、首曲线 、 计曲线 、 助曲线 、 间曲线 三、名词解释(每题4分,共20分)1、答:在相同的观测条件下对某量进行一系列观测,若误差出现的符号和大小保持不变或按一定规律变化,这种误差称为系统误差。
2、答:确定直线与标准方向线之间的夹角关系的工作称为直线定向。
3、答:竖直角是指在同一铅锤面内,观测视线与水平线之间所成的夹角。
4、答:相邻等高线之间的高差称为等高距。
5、答:相当于图上0.1mm 的实地水平距离称为比例尺精度。
四、简答题(每题10分,共20分)1、答:仪器误差(轴线误差,度盘误差,指标差),(4分)对中误差,(1分)照准误差,(1分)读数误差,(1分)外界条件(温度,大气折光)(3分)2、答:答题要点:分段,(1分)定线,(1分)量距(同时测量温度,拉力),(3分)桩顶高差测量,(1分)温度、(1分)尺长方程式、(1分)倾斜改正计算,(1分)求和。
(1分) 五、计算题(每题10分,共20分)1、解:本题中的转角为右角,应用坐标方位角的推算公式右后前+=βαα-︒180计算。
21223180βαα-︒+==30º+180º—130º=80º(2分)32334180βαα-︒+==80º+180º—65º=195º(2分)43445180βαα-︒+==195º+180º—128º=247º(2分)54551180βαα-︒+==247º+180º—122º=305º (2分)利用1-2边的坐标方位角进行检查15112180βαα-︒+==305º+180º—95º=390º>360º故︒=3012α (2分)。
测量学考试题及答案一、单项选择题(每题2分,共20分)1. 测量学中,测量误差按性质可分为()。
A. 系统误差和非系统误差B. 绝对误差和相对误差C. 偶然误差和系统误差D. 绝对误差和偶然误差答案:A2. 在测量工作中,测量误差的来源不包括()。
A. 仪器误差B. 人为误差C. 环境误差D. 计算误差答案:D3. 测量学中,下列哪项不是测量的基本工作()。
A. 高程测量B. 距离测量C. 方位测量D. 速度测量答案:D4. 测量学中,水准测量的主要目的是()。
A. 确定点的平面位置B. 确定点的高程C. 确定点的倾斜角度D. 确定点的水平距离答案:B5. 在测量学中,下列哪项不是测量的基本要求()。
A. 准确性B. 经济性C. 快速性D. 保密性答案:D6. 测量学中,三角测量的主要目的是()。
A. 确定点的平面位置B. 确定点的高程C. 确定点的倾斜角度D. 确定点的水平距离答案:A7. 测量学中,下列哪项不是测量的基本方法()。
A. 直接测量B. 间接测量C. 比较测量D. 估算测量答案:D8. 在测量工作中,下列哪项不是测量误差的来源()。
A. 仪器误差B. 人为误差C. 环境误差D. 理论误差答案:D9. 测量学中,下列哪项不是测量的基本任务()。
A. 确定点的平面位置B. 确定点的高程C. 确定点的水平距离D. 确定点的体积答案:D10. 在测量工作中,下列哪项不是测量误差的分类()。
A. 绝对误差B. 相对误差C. 系统误差D. 随机误差答案:D二、多项选择题(每题3分,共15分)11. 测量学中,测量误差的来源包括()。
A. 仪器误差B. 人为误差C. 环境误差D. 理论误差答案:ABC12. 测量学中,测量的基本工作包括()。
A. 高程测量B. 距离测量C. 方位测量D. 速度测量答案:ABC13. 测量学中,测量的基本要求包括()。
A. 准确性B. 经济性C. 快速性D. 保密性答案:ABC14. 测量学中,测量的基本方法包括()。
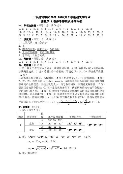
土木建筑学院2009-2010第2学期建筑学专业测量学 A 卷参考答案及评分标准一、单项选择题(每题1分,共30分)1、B2、C3、A4、B5、A6、C7、D8、A9、C 10、B11、C 12、A 13、A 14、A 15、D 16、C 17、A 18、B 19、B 20、C 21、D 22、C 23、B 24、B 25、A 26、D 27、A 28、C 29、B 30、D 二、填空题(每空1分,共10分) 1、双面尺法、变动仪高法 2、零3、测区西南角、南北方向、东西方向4、平面控制测量、高程控制测量5、水平线、目标方向线三、判断题(每题1分,共10分)1、F2、T3、F4、F5、T6、T7、F8、T9、F 10、T 四、简答题(共15分)1、答:测量工作的基本原则是:从整体到局部,先控制后碎部:减少误差结累;加快测量速度。
(2分)前项工作未作检核,不进行下一步工作:保证成果质量。
(2分)三项基本工作分别是:高程测量、(1分)角度测量、(1分)距离测量。
(1分) 2、答:答:偶然误差(accident error):由测量条件中各种随机因素的偶然性影响而产生的误差。
误差出现的大小、符号各不相同,表面看无规律性。
(3分) 偶然误差的四个特性:① 在一定的观测条件下,偶然误差的绝对值不会超过一定的限值(有界性);(1分)② 绝对值小的误差比绝对值大的误差出现的机会多(趋向性,大小规律性);(1分)③ 绝对值相等的正误差和负误差出现的机会相等(对称性,符号规律性);(1分)④ 当观测次数无限增加时,偶然误差的算术平均值趋近于零(抵偿性):(1分)[]0limlim 21=∆=∆++∆+∆∞→∞→n nn n n (1分)。
五、计算题(共35分)2、解: C=180°-A-B=180°-30°00′-60°00′=90°00′(2分),3,2'±='±=B A m m (2分)6.3322222'±=+±=+±=∴B A C m m m (2分)3、解:如图所示)0311522('+'= tg tg D H (1分)1522' tg =0.4 (1分) 031' tg =0.026 (1分)D=45.20米 (1分) H=19.26米 (1分)。
工程测量模拟考试题(附参考答案)一、单选题(共90题,每题1分,共90分)1、科研中所用()的测绘数据、资料不属于国家秘密。
A、报废B、电子C、纸质D、公开正确答案:D2、导线计算中使用的距离应该是()oA、任意距离均可B、倾斜距离C、水平距离D、大地水准面上的距离正确答案:C3、1985国家高程基准中我国的水准原点高程为()oA、72.289mB、72.269mC、72.260mD、72.280m正确答案:C4、当经纬仪的望远镜上下转动时,竖直度盘()oA、与望远镜相对运动B、无法确定C、不动D、与望远镜一起转动正确答案:D5、在基础施工测量中,水平桩上的高程误差应在()以内。
A、±20mmB、÷5mmC、÷IOmmD、+15mm正确答案:C6、采用设置轴线控制桩法引测轴线时,轴线控制桩一般设在开挖边线()以外的地方,并用水泥砂浆加固。
A、5m~7mB、InI〜2mC、3m~5mD>1m~3m正确答案:C7、水准测量中,设A为后视点,B为前视点,A尺读数为1213m,B尺读数为1401m,A点高程为21.OOOm,则视线高程为()m。
A、22.401B、22.213C、21.812D、20.812正确答案:B8、水准测量中的转点指的是()oA、水准尺的立尺点B、水准仪所安置的位置C、水准路线的转弯点D、为传递高程所选的立尺点正确答案:D9、导线全长相对闭合差指的是()。
A、导线全长闭合差与导线全长的比值.写成百分数形式B、导线全长闭合差与导线全长的比值.写成分子为1的分数形式C、坐标增量闭合差与导线全长的比值D、导线全长与导线全长闭合差的比值正确答案:B10、全站仪可以同时测出水平角、斜距和(),并通过仪器内部的微机计算出有关的结果。
A、Δy.ΔXB、竖直角C、方位角D、高程正确答案:BIK丈量一段距离,往、返测为126.78米、126.68米,则相对误差为()o A、1/1200B、1/1167C、1/1267D、1/1300正确答案:C12、两地面点的绝对高程之差称为()oA、高差B、真高C、高程D、[Wj度正确答案:A13、自动安平水准仪观测操作步骤是()oA、仪器安置调焦照准粗平读数B、仪器安置粗平调焦照准精平读数C、仪器安置粗平调焦照准读数D、仪器安置粗平精平调焦照准读数正确答案:C14、水准管A的分划值为20〃/2mm,水准管B的分划值为30〃/2mm,则水准管A的灵敏度比水准管B的灵敏度()oA、[WjB、低C、相等D、不确定正确答案:A15、地形图上表示地貌的主要符号是()oA、等高线B、比例符号C、高程注记D、非比例符号正确答案:A16、基础施工结束后,应检查基础面的标高是否符合设计要求,其允许误差为()oA、+15mmB、±IOmmC、+5mmD、±20mm正确答案:B17、平面图上直线长度为Imnb相应的实地直线长度为1m,则该平面图的比例尺为()。
《工程测量学》试卷(A)一、选择题(每题2分,计12分)1. 适用于广大区域确定点的绝对位置和相对位置的坐标是()。
A)地理坐标系 B)平面直角坐标系C)高斯-克吕格坐标系 D)都可以2. 水准测量中,调节管水准气泡居中的目的是使()。
A) 竖轴竖直 B)视准轴水平C)十字丝横丝水平 D)十字丝竖丝竖直3.经纬仪视准轴检校是为了满足()。
A) LL⊥VV B) HH⊥VV C)CC⊥LL D)CC⊥HH4. 已知直线AB的真方位角为48°50′15″,A点的磁偏角为δ=-2′45″。
该直线磁方位角为()。
A) 48°53′00″ B) 48°50′15″C) 48°47′30″ D) 48°55′45″5. 解算一条导线至少须有的已知数据是()。
A) 两条边的坐标方位角,一个点的坐标B) 一条边的坐标方位角,一个点的坐标C) 两条边的坐标方位角,两个点的坐标D) 一条边的坐标方位角,两个点的坐标6.下列选项中,不是测设最基本的工作的选项是()。
A) 水平距离 B) 水平角度 C) 高程 D) 坡度二、名词解释(每题4分,计16分)1. 水准点:2. 尺长改正:3. 误差传播定律:4.路线测量转点:三、判断题,对打“√”、错打“×”(每题2分,共20分)1、在高斯投影中,中央子午线的投影为一直线,赤道的投影也为一直线。
()2、在过地面一点的铅垂线上不同位置设置经纬仪,每个位置照准同一目标所测得的垂直角或天顶距是不同的。
()3、地面上两点间的高差是因所选定的高程基准面不同而异。
()4、水准仪视线的高程等于地面点的高程加上此点水准尺上的读数。
()5、在钢尺量距中,量距误差的大小与所量距离长短成反比。
()6、AB直线的象限为NW45°,则AB的方位角为315°。
()7、水准测量采用偶数站观测是为了消除读数误差的影响。
()8、水准仪i角误差对观测高差的影响可以通过前、后视距相等的方法来消除。
机密★启用前
大连理工大学网络教育学院
2012年2月份《测量学》课程考试模拟试卷答案
考试形式:闭卷试卷类型:A
一、单项选择题(本大题共5小题,每小题2分,共10分)
1、B
2、C
3、A
4、C
5、D
二、多项选择题(本大题共5小题,每小题4分,共20分)
1、AC
2、BD
3、AB
4、AB
5、AC
三、填空题(本大题共5小题,每空1分,共10分)
1、投影长度变形
2、天顶距0°~180°
3、水平距离高差
4、1∶500 0.05m
5、水平度盘水平中心地面点
四、简答题(本大题共4小题,每小题6分,共24分)
1、如果目标像与十字丝平面不重合,则观测者的眼睛移动时就会发现目标像与十字丝之间有相对移动,这种现象称为视差。
消除视差的方法如下:转动目镜调焦螺旋,使十字丝清晰,然后转动物镜调焦螺旋,使目标像与十字丝之间已无相对移动,则视差消除。
2、对中为了使经纬仪的中心在地面点中心的垂线上;
整平是为了使经纬仪的水平度盘处于水平状态。
3、轴线:纵轴,平盘水准管轴,圆水准轴,横轴,视准轴。
满足条件:平盘水准管轴垂直于纵轴;圆水准管平行于纵轴;
视准轴垂直于横轴;水准管轴垂直于纵轴;横轴垂直于纵轴。
4、相邻等高线之间的高差成为等高距,同一幅地形图上等高距相等。
相邻等高线之间的水平距离称为等高线平距,等高线平距随地面坡度变化而变化。
等高距与等高线平距的比值就是地面坡度。
五、计算题(本大题共3小题,每小题12分,共36分)
1、解 算术平均值的中误差
2、解
3、解 由题判断竖盘为逆时针刻划,则:
90-=L α=7︒14´24"(2分)
同时得到尺间隔 3.193 2.173 1.02m l =-=,(2分)
利用题中所给定的已知条件和视距测量公式:
α2cos kl D AB =,v i kl H H A B -++=α2sin 2
1
得: 100.380m AB D =,16.752m B H =(8分)。