工业控制系统信息安全自查表
- 格式:doc
- 大小:120.50 KB
- 文档页数:10
附件:重要工业控制系统基本情况调查表及说明填表单位:(盖章)填报日期:年月日填报说明一、调查范围本调查表中的重要工业控制系统是指在钢铁、有色、化工、电力、天然气、装备制造、环境保护、城市供水供气供热以及其他与国计民生紧密相关的领域中建设应用,采用数据采集监控、分布式控制、过程控制、可编程逻辑控制等技术,对生产设备进行状态监测、调度控制的系统。
对于一旦出现问题,可能导致等级安全事故的工业控制系统为本次调查对象。
其中,以可能导致以下后果之一的工业控制系统为主要调查对象。
1. 3人以上死亡或10人以上重伤;2. 1000万元以上直接经济损失;3. 影响10万人(含)以上正常生活;4. 对国家安全、社会秩序、经济建设和公共利益产生重大影响和严重后果。
5. 影响本单位正常生产经营活动产生无法有效提供产品、服务等严重后果。
二、保密要求根据填写内容敏感程度确定是否涉密,并在调查表上明确标识。
三、填报要求1. 工业控制系统因在各行业的应用场景不同而类型不同。
填表单位仅填写自身运营的工业控制系统相关情况,无某系统类型则调查表二中相应类型的表格可不填写。
2. 表格中下划线表示需要填写的详细情况,可出格填写或另外附纸。
3. 报送材料需加盖单位公章。
以下填报材料涂红部分属于填报重点,图黄部分是填报重点说明。
工业控制系统信息安全管理情况调查表一一、运营单位基本情况2按照《事业单位登记管理暂行条例》登记的,为社会公益目的、由国家机关举办或者其他组织利用国有资产举办的,从事教育、科技、文化、卫生等活动的社会服务组织。
3按照《中华人民共和国企业法人登记管理条例》登记注册的三类经济组织:(1)全部资产归国家所有的(非公司制)国有企业;(2)全部资产归国家所有的国有独资有限责任公司;(3)由国有资本占控制地位的有限责任公司和股份有限公司,此处称国有控股公司。
4包括港、澳、台资本和其他地区外资资本设立的独资或控股的独资公司、有限责任公司和股份有限公司。
附件工业控制系统信息安全自查表填表说明一、组成结构本表包含三个分表:(1)工业控制系统信息安全检查情况汇总表(2)工业控制系统运营单位基本情况表(3)工业控制系统信息安全自查表二、填写对象各分表填写责任人如下:(1)工业控制系统信息安全检查情况汇总表:由各地经济和信息化主管部门指定专人负责汇总填写。
(2)工业控制系统运营单位基本情况表:由各工业控制系统运营单位指定专人负责填写。
(3)工业控制系统信息安全自查表:由工业控制系统运营单位的各工业控制系统负责人填写。
表1 工业控制系统信息安全检查情况汇总表1 重要工业控制系统是指与国家安全、国家经济安全、国计民生紧密相关的,如钢铁、有色、化工、装备制造、电子信息、核设施、石油石化、电力、天然气、水利枢纽、环境保护、铁路、城市轨道交通、民航、城市供水供气供热等工业生产领域中的工业控制系统。
2 工业主机是指工业生产控制各业务环节涉及组态、操作、监控、数据采集与存储等功能的主机设备载体,包括工程师站、操作员站、历史站等。
表2 工业控制系统运营单位基本情况表注1:工控系统基本情况可另附表说明。
注2:此处工业控制系统的划分原则为1)具体的完整的工业控制系统:以企业工业自动化生产过程为基础,属于企业的一个自动化生产全过程或一个工业自动化生产装置;或者是2)工业控制系统中相对独立的一部分:以企业工业自动化生产过程的局部环节为基础,属于企业的一个自动化生产全过程或一个工业自动化生产装置的工业控制系统中的相对独立的且物理边界清晰的某个安全区域或通信网络。
1 按照《国民经济行业分类》(GB/T4745-2011)规定填写。
2 按照《事业单位登记管理暂行条例》登记的,为社会公益目的、由国家机关举办或者其他组织组织利用国有资产举办的,从事教育、科技、文化、卫生等活动的社会服务组织。
3 按照《中华人民共和国企业法人登记管理条例》登记注册的三类经济组织:(1)全部资产归国家所有的(非公司制)国有企业;(2)全部资产归国家所有的国有独资有限责任公司;(3)由国有资本占控制地位的有限责任公司和股份有限公司,此处称国有控股公司。
工业控制系统信息安全自查表填表说明一、组成结构本表包含三个分表:(1)工业控制系统信息安全检查情况汇总表(2)工业控制系统运营单位基本情况表(3)工业控制系统信息安全自查表二、填写对象各分表填写责任人如下:(1)工业控制系统信息安全检查情况汇总表:由各地工业和信息化主管部门指定专人负责汇总填写。
(2)工业控制系统运营单位基本情况表:由工业控制系统运营单位(含省属企业)指定专人负责填写。
(3)工业控制系统信息安全自查表:由工业控制系统运营单位的各工业控制系统负责人填写。
表1 工业控制系统信息安全检查情况汇总表1重要工业控制系统是指与国家安全、国家经济安全、国计民生紧密相关的,如钢铁、有色、化工、装备制造、电子信息、核设施、石油石化、电力、天然气、水利枢纽、环境保护、铁路、城市轨道交通、民航、城市供水供气供热等工业生产领域中的工业控制系统。
2工业主机是指工业生产控制各业务环节涉及组态、操作、监控、数据采集与存储等功能的主机设备载体,包括工程师站、操作员站、历史站等。
表2 工业控制系统运营单位基本情况表注1:工控系统基本情况可另附表说明注2:此处工业控制系统的划分原则为:1)具体的完整的工业控制系统:以企业工业自动化生产过程为基础,属于企业的一个自动化生产全过程或一个工业自动化生产装置;或者是2)工业控制系统中相对独立的一部分:以企业工业自动化生产过程的局部环节为基础,属于企业的一个自动化生产全过程或一个工业自动化生产装置的工业控制系统中的相对独立的且物理边界清晰的某个安全区域或通信网络。
1按照《国民经济行业分类》(GB/T4745-2011)规定填写。
2按照《事业单位登记管理暂行条例》登记的,为社会公益目的、由国家机关举办或者其他组织利用国有资产举办的,从事教育、科技、文化、卫生等活动的社会服务组织。
3按照《中华人民共和国企业法人登记管理条例》登记注册的三类经济组织:(1)全部资产归国家所有的(非公有制)国有企业;(2)全部资产归国家所有的国有独资有限责任公司;(3)由国有资本占控制地位的有限责任公司和股份有限公司,此处称国有控股公司。
网络与信息安全自查表网络与信息安全自查表1、网络基础设施1.1 网络拓扑结构检查1.2 网络设备配置和管理1.3 防火墙设置与管理1.4 网络流量监控1.5 安全策略和措施评估1.6 网络备份与恢复机制2、系统与应用安全2.1 操作系统安全补丁更新2.2 权限和访问控制2.3 账号和密码管理2.4 数据加密和传输安全2.5 应用程序安全性评估2.6 弱点扫描和漏洞管理3、数据安全3.1 敏感数据分类和标记 3.2 数据备份和灾难恢复 3.3 数据存储和传输加密 3.4 数据访问控制和审计 3.5 数据泄漏防止和检测3.6 数据销毁和归档策略4、网络安全事件应对4.1 安全事件监测和报警 4.2 安全事件响应和处理 4.3 安全事件调查和取证 4.4 业务连续性和恢复计划 4.5 紧急通信和协调机制4.6 安全事件后评估和改进5、员工安全意识和培训5.1 安全政策和规程宣贯 5.2 社会工程学识别和防范5.3 网络安全意识培训计划5.4 安全演练和模拟攻击5.5 员工违规行为监测5.6 奖惩机制和绩效考核附件:1、网络拓扑图2、设备配置文件3、防火墙规则表4、安全策略和措施文件5、应用程序漏洞扫描报告6、数据备份和恢复方案7、安全事件响应指南8、员工安全意识培训材料法律名词及注释:1、《中华人民共和国网络安全法》:中华人民共和国全国人民代表大会常务委员会于2016年11月7日通过的一部涉及网络安全的综合性法律。
2、《个人信息保护法》:中华人民共和国全国人民代表大会常务委员会拟制的一部保护个人信息的法律。
3、《信息安全技术个人信息安全规范》:中华人民共和国国家标准化管理委员会发布的一项关于个人信息安全技术规范的国家标准。
4、《数据安全管理办法》:中华人民共和国工业和信息化部发布的一项关于数据安全管理的规章。
5、《网络数据安全管理办法》:中华人民共和国公安部发布的一项关于网络数据安全管理的规章。
本文部分内容来自网络整理,本司不为其真实性负责,如有异议或侵权请及时联系,本司将立即删除!== 本文为word格式,下载后可方便编辑和修改! ==工控安全自查工作报告篇一:信息安全自查报告信息系统安全自查工作的报告一、注重信息安全工作及规章制度建设公司自开业以来以《xxx公司信息系统运行管理制度》《xxx公司计算机信息系统安全、保密管理规定》等相关内控制度为基准制定了信息安全工作的安全策略、支撑安全策略实现的各项安全管理规定以及操作规程等构成的全面的信息安全管理制度体系;制订了安全组织的设立、人员的安全管理,系统建设及运维相关安全管理制度;制订了安全管理人员或操作人员执行的管理操作规程;明确了安全管理各个岗位的岗位职责;按监管机构的要求严格实施了机房管理、外来人员管理和信息数据安全管理。
此次自查工作主要分为三个环节逐步开展。
第一个环节是以行政人事部为主,从安全管理制度、设施、人员、岗位职责等方面整体梳理总结;分公司的系统管理员在权限之内负责全省的员工权限的相关配置,各中心支公司的系统管理员没有配置系统的权限,实现辖内员工的权限由分公司统一配置,各中心支公司系统管理负责维护本机构的机器、网络、桌面维护以及系统问题的上报。
第二个环节是联合分公司各部门、各中心支公司开展信息安全自查工作讨论,补充现有制度的缺陷;第三个环节是由信息检查小组再次梳理整体信息安全1工作,并修正检查出的工作错误。
在检查中我公司发现中支信息员对部分规定、通知执行力度不够,无法引起足够的重视,我公司针对此类情况准备下发严格的管控及奖惩措施。
我公司大部分电脑按照总公司要求加入域集中管理,安装了网络版防病毒软件,使用上网行为管理设备对与工作无关的网站及软件进行了封锁,及时更新系统补丁、修复漏洞,通过以上措施,大大降低了系统文件被篡改、中病毒等风险,但是通过自查发现分公司对此项工作的执行力度较强,各中心支公司存在没有进入域管理的情况,针对此类情况,我公司再次下发相关文件要求各中支必须对每台电脑进入域管理,以实现集中管理。
工业控制系统信息安全随着信息化时代的快速发展,工业控制系统信息安全问题日益凸显。
工业控制系统涉及各种工业生产过程,从电力、石油、化工到制造、交通等各个领域。
因此,保障工业控制系统的信息安全对国家的经济发展和社会稳定具有重大意义。
我们需要明确什么是工业控制系统信息安全。
它是指保障工业控制系统的硬件、软件及数据信息的安全,防止非法访问、恶意攻击或病毒传播。
这不仅涉及到技术层面的防护,还包括管理层面和法律层面的保障。
在技术层面,我们需要采取一系列措施来增强工业控制系统的信息安全。
例如,实施网络安全审计,通过专业的审计工具对系统进行漏洞扫描和安全评估。
同时,要定期进行系统升级和补丁更新,以防止病毒或恶意软件的侵入。
数据加密和访问控制也是必不可少的措施,可以有效防止数据泄露和非法访问。
在管理层面,我们需要建立健全的安全管理制度。
这包括对工作人员进行安全培训,提高他们的信息安全意识;制定严格的操作规范,防止因操作不当导致的安全事故;建立应急响应机制,对出现的安全问题及时进行处理和恢复。
在法律层面,我们需要加强对工业控制系统信息安全法律法规的制定和执行。
通过法律手段,对违法犯罪行为进行严厉打击,保障工业控制系统的信息安全。
保障工业控制系统信息安全是一项长期而艰巨的任务。
我们需要从技术、管理和法律等多个层面入手,建立完善的安全保障体系。
只有这样,我们才能确保工业控制系统的稳定运行,为国家的发展和社会的稳定保驾护航。
随着工业自动化技术的不断发展,工业控制系统信息安全问题日益严重。
近年来,工业控制系统信息安全研究取得了重要进展,本文将从技术、应用和管理三个角度进行阐述。
漏洞挖掘与测试是工业控制系统信息安全研究中的一项重要技术。
针对工业控制系统的特点,研究人员开展了大量的漏洞挖掘与测试工作,发现并验证了多个重要漏洞。
这些漏洞主要包括工业协议漏洞、操作系统漏洞、应用软件漏洞等。
针对这些漏洞,研究人员研发了多种测试工具和测试方法,提出了多种漏洞利用技术和攻击模型,为工业控制系统信息安全防护提供了有力支持。
工业控制系统信息安全检查情况汇总表
1
2
位总数。
注2:重要工业控制系统总数应大于或等于检查情况汇总数据中重要工业控制系统总数。
1.重要工业控制系统是指与国家安全、国家经济安全、国计民生紧密相关的,如钢铁、有色、化工、装备制造、电子信息、核设施、石油石化、电力、天然气、水利枢纽、环境保护、铁路、城市轨道交通、民航、城市供水供气供热等工业生产领域中的工业控制系统。
2.工业主机是指工业生产控制各业务环节涉及组态、操作、监控、数据采集与存储等功能的主机设备载体,包括工程师站、操作员站、历史站等。
3
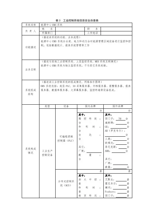
工业控制系统信息安全自查表
4
5
6
7
注:多套系统可复印分别填写。
8。
安全工作自查自纠表一、安全管理制度1. 公司是否建立了完善的安全管理制度,并定期进行评估和修订?2. 是否确保所有员工都明确了安全管理制度,并按照规定落实到位?3. 是否根据实际情况对安全管理制度进行调整和完善?4. 是否定期组织安全会议,对安全管理制度进行规范、宣传和培训?5. 是否建立了应急预案和演练计划,确保能够及时有效地应对突发事件?二、安全生产环境1. 公司生产场所是否符合安全生产的要求?2. 是否存在安全隐患,如电气设备老化、防火设施缺失等?3. 是否定期对生产环境进行安全检查和评估?4. 是否建立了安全警示标识,提醒员工注意安全防范?5. 是否加强对特种设备、有毒有害物质的管理和监控?三、安全操作流程1. 是否建立了标准化的操作流程,对危险作业和作业流程进行详细说明?2. 是否注重对员工进行操作流程的培训和考核?3. 是否规范化管理特种设备的操作,加强维修保养工作的监督和检查?4. 是否建立了操作规范记录,对操作过程进行监测和追溯?5. 是否建立了事故报告和事故调查机制,确保及时排查和处理操作失误引发的事故?四、安全培训和教育1. 公司是否建立了定期的安全培训计划,并确保所有员工参加?2. 是否注重对员工进行安全知识和技能的培训和考核?3. 是否组织安全培训讲座、研讨会等活动,提高员工的安全意识和自我保护能力?4. 是否建立了安全教育档案,对员工的安全学习和培训情况进行记录和评估?5. 是否定期开展安全教育活动,提醒员工注意安全防范和规范操作?五、安全责任追究1. 是否明确规定了安全生产的责任人和责任范围?2. 是否建立了安全责任追究制度,对违反安全规定的行为进行严肃处理?3. 是否建立了安全责任追究记录,追溯责任人的安全工作表现和业绩评估?4. 是否积极开展安全责任追究和安全承诺签订活动,提高员工的责任意识和自我管理能力?5. 是否建立了安全责任追究档案,对责任人的安全违规情况进行存档和备查?六、安全监督和评估1. 是否建立了安全监督和评估制度,对安全生产情况进行监测和评价?2. 是否定期组织安全检查和评估,提前发现和排查安全隐患?3. 是否建立了安全隐患排查记录,确保安全问题及时整改和处理?4. 是否建立了安全监督和评估报告,对安全工作效果进行总结和评估?5. 是否定期开展安全检查和评估活动,在安全问题得到有效解决前不放松监督和检查工作?七、安全文化建设1. 公司是否注重安全文化建设,培育企业员工的安全文化意识和价值观?2. 是否组织安全文化建设活动,宣传安全知识和文化内涵?3. 是否建立了安全文化建设档案,对安全文化建设的情况进行记录和评估?4. 是否建立了安全文化建设标语、歌曲、海报等形式,丰富安全宣传方式和形式?5. 是否建立了安全文化建设奖励和惩戒机制,激励和引导员工树立正确的安全文化观念和行为?八、安全风险管理1. 公司是否建立了完善的安全风险管理体系,分析和评估各类安全风险?2. 是否建立了安全风险管理档案,对安全风险进行全面评估和监测?3. 是否建立了安全风险管理措施和应急预案,定期进行演练和更新?4. 是否定期进行安全风险评估和监测,提前发现和控制潜在的安全风险?5. 是否建立了安全风险管理记录和报告,对安全风险管理的效果进行总结和评估?九、安全信息化建设1. 公司是否注重安全信息化建设,建立了安全信息化系统和数据库?2. 是否定期对安全信息化系统进行维护和更新,确保安全信息的准确性和及时性?3. 是否建立了安全信息化档案和数据库,对安全信息进行整理和归档?4. 是否加强安全信息共享和传递,提高安全信息的应用和管理效率?5. 是否开展安全信息化系统培训和考核,提高员工的安全信息化应用能力和水平?十、安全技术管理1. 公司是否建立了安全技术管理体系,对安全技术进行研究和应用?2. 是否定期开展安全技术培训和研讨会,提高员工的安全技术应用能力?3. 是否建立了安全技术管理档案,对安全技术的研究和应用进行记录和评估?4. 是否加强安全技术的应用和推广,提高公司的安全技术水平和竞争力?5. 是否建立了安全技术管理报告和评估,对安全技术管理的效果进行总结和评估?十一、安全投入和保障1. 公司是否足额投入了安全工作,购买了必要的安全设备和器材?2. 是否建立了安全投入评估记录,对安全投入情况进行总结和评估?3. 是否注重对安全投入的管理和监控,确保安全投入的有效使用和运营?4. 是否建立了安全保障机制,确保安全设备和器材的运行和维护?5. 是否定期进行安全投入评估和监督,提高公司对安全投入的管理和使用效率?以上为安全工作自查自纠表内容,希望公司能够认真对待安全工作,确保员工的生命财产安全,提高公司的安全生产水平和管理效能。
安全生产自检自查表安全生产是企业持续发展的重要保障,也是保障员工生命安全和财产安全的基本要求。
为了落实安全生产责任,确保生产经营活动的安全性,我们制定了以下的自检自查表,帮助企业及员工全面检查和改进安全生产工作。
1. 环境管理1.1 工作场所是否保持整洁,有无易燃易爆等危险物品暴露?1.2 紧急疏散通道是否畅通,并有明显标识?1.3 产生的废气、废水、废渣等是否正确处理?1.4 是否定期进行设备设施的维护和保养工作?2. 安全设备2.1 灭火器是否按规定设置,并在有效期内?2.2 消防栓、消防通道等消防设施是否正常运作?2.3 是否配备了必要的个人防护装备,并有定期检查和更新?3. 生产操作3.1 工艺流程是否进行了合理化设计,最大限度地减少安全风险?3.2 操作人员是否经过相关安全培训和持证上岗?3.3 是否建立了安全操作规程,并进行培训与监督?4. 特殊作业环节4.1 高处作业、有限空间作业、吊装作业等特殊环节是否按规定操作?4.2 是否配备了专业的作业人员,并提供足够的安全保护措施?4.3 是否进行了特殊作业环节的风险评估?5. 事故预案和应急救援5.1 是否编制了事故应急预案,并定期进行演练?5.2 是否配备了相应的急救设施和器材?5.3 事故发生后,是否能够及时启动应急救援措施?6. 安全培训与管理6.1 安全教育培训工作是否得到重视和落实?6.2 是否建立了岗位责任制和安全生产管理制度?6.3 是否及时处理员工提出的安全问题和隐患?经过自检自查,若发现存在安全生产方面的问题或隐患,应及时记录并制定改进措施,确保问题得到及时解决。
企业要建立健全安全生产长效机制,加强宣传教育,提升员工的安全意识和紧急应变能力。
安全生产是一项长期且重要的任务,维护生产安全需要全体员工的共同努力和积极参与。
通过自检自查表的使用,我们能够及时发现问题和隐患,预防和减少事故的发生,确保生产经营活动的平稳进行。
请各位员工充分认识到安全生产的重要性,遵守各项安全规定和操作流程,切实做好自身的安全防护工作,共同维护企业的稳定发展和员工的健康安全。
工控安全自查报告1.引言工控系统是现代工业中不可或缺的关键组成部分。
然而,随着信息技术的快速发展,工控系统也面临着越来越多的网络攻击和威胁。
为了保障工控系统的安全性和稳定性,本报告对我们公司的工控系统进行了全面的自查和评估,旨在发现并解决潜在的安全隐患。
2.背景描述工控系统是用于监控和控制工业过程的自动化系统。
我们公司的工控系统涉及到生产流程、设备控制、数据采集等重要功能。
随着工控系统的智能化,我们也面临着来自内外部的信息安全风险和威胁。
3.自查内容一:物理安全工控系统的物理安全是确保系统正常运行的基础。
我们公司将物理安全作为首要任务,采取了以下措施:1) 控制设备访问权限:只有获得授权的人员才能访问工控系统。
服务器房间和设备操作区域设置了门禁系统。
2) 定期巡检与维护:定期检查系统设备的完整性和运行状态,确保相应的物理设施处于正常工作状态。
3) 视频监控系统:安装了视频监控摄像头,对关键区域和设备进行全天候监控,及时发现异常情况。
4.自查内容二:网络安全工控系统的网络安全是保护系统免受网络攻击的重要措施。
针对网络安全,我们公司采取了以下措施:1) 网络隔离:工控系统与企业办公网络进行物理隔离,确保工控系统与外部网络的隔离。
2) 防火墙设置:通过配置防火墙规则,限制对工控系统的未授权访问,确保安全通信。
3) 数据加密传输:采用加密协议,对工控系统与相关设备之间进行安全的数据传输。
4) 漏洞管理与更新:及时获取工控系统相关厂商发布的安全更新和补丁,修复已知漏洞。
5.自查内容三:权限管理权限管理是保证合法访问和控制的核心要素。
公司在权限管理方面采取了以下措施:1) 角色分级:根据员工职责设置不同角色,并明确权限范围,确保每个员工只能访问其工作职责所需的系统资源。
2) 口令策略:制定严格的口令策略,包括密码复杂度要求、定期更换口令等规定,防止密码被破解。
3) 日志记录与审计:实施完善的日志记录机制,对关键操作进行审计,追踪并及时发现异常行为。
工控系统信息安全防护能力评估检查表
严格安全测试
定变更计划并进行影响分
安全防护
(4项 6.5分)
应急响应预案,当遭受安全威胁导致工业控制系统出现异常或故障时,应立即采取紧急防护措施,防止事态扩大,并逐级报送直至属地省级工业和信息化主管部门,同时注意保护现场,以便进行调查取证
应急预案演练(7项 10分)
(9项 11分)
据进行保护,根据风险评估结果对数据信息进行分级分类管理
(3项 9分)制、成立信息安全协调小组等方式,明确工控安全管理责任人,落实工控安全责任制,部署工控安全防护措施
检查人:经办人:
部门领导:。
附件工业控制系统信息安全自查表填表说明一、组成结构本表包含三个分表:(1)工业控制系统信息安全检查情况汇总表(2)工业控制系统运营单位基本情况表(3)工业控制系统信息安全自查表二、填写对象各分表填写责任人如下:(1)工业控制系统信息安全检查情况汇总表:由各地经济和信息化主管部门指定专人负责汇总填写。
(2)工业控制系统运营单位基本情况表:由各工业控制系统运营单位指定专人负责填写。
(3)工业控制系统信息安全自查表:由工业控制系统运营单位的各工业控制系统负责人填写。
1 重要工业控制系统是指与国家安全、国家经济安全、国计民生紧密相关的,如钢铁、有色、化工、装备制造、电子信息、核设施、石油石化、电力、天然气、水利枢纽、环境保护、铁路、城市轨道交通、民航、城市供水供气供热等工业生产领域中的工业控制系统。
2 工业主机是指工业生产控制各业务环节涉及组态、操作、监控、数据采集与存储等功能的主机设备载体,包括工程师站、操作员站、历史站等。
注1:工控系统基本情况可另附表说明。
注2:此处工业控制系统的划分原则为1)具体的完整的工业控制系统:以企业工业自动化生产过程为基础,属于企业的一个自动化生产全过程或一个工业自动化生产装置;或者是2)工业控制系统中相对独立的一部分:以企业工业自动化生产过程的局部环节为基础,属于企业的一个自动化生产全过程或一个工业自动化生产装置的工业控制系统中的相对独立的且物理边界清晰的某个安全区域或通信网络。
1 按照《国民经济行业分类》(GB/T4745-2011)规定填写。
2 按照《事业单位登记管理暂行条例》登记的,为社会公益目的、由国家机关举办或者其他组织组织利用国有资产举办的,从事教育、科技、文化、卫生等活动的社会服务组织。
3 按照《中华人民共和国企业法人登记管理条例》登记注册的三类经济组织:(1)全部资产归国家所有的(非公司制)国有企业;(2)全部资产归国家所有的国有独资有限责任公司;(3)由国有资本占控制地位的有限责任公司和股份有限公司,此处称国有控股公司。
附件
工业控制系统信息安全自查表
填表说明
一、组成结构
本表包含三个分表:
(1)工业控制系统信息安全检查情况汇总表
(2)工业控制系统运营单位基本情况表
(3)工业控制系统信息安全自查表
二、填写对象
各分表填写责任人如下:
(1)工业控制系统信息安全检查情况汇总表:由各地经济和信息化主管部门指定专人负责汇总填写。
(2)工业控制系统运营单位基本情况表:由各工业控制系统运营单位指定专人负责填写。
(3)工业控制系统信息安全自查表:由工业控制系统运营单位的各工业控制系统负责人填写。
表1 工业控制系统信息安全检查情况汇总表
1 重要工业控制系统是指与国家安全、国家经济安全、国计民生紧密相关的,如钢铁、有色、化工、装备制造、电子信息、核设施、石油石化、电力、天然气、水利枢纽、环境保护、铁路、城市轨道交通、民航、城市供水供气供热等工业生产领域中的工业控制系统。
2 工业主机是指工业生产控制各业务环节涉及组态、操作、监控、数据采集与存储等功能的主机设备载体,包括工程师站、操作员站、历史站等。
表2 工业控制系统运营单位基本情况表
注1:工控系统基本情况可另附表说明。
注2:此处工业控制系统的划分原则为1)具体的完整的工业控制系统:以企业工业自动化生产过程为基础,属于企业的一个自动化生产全过程或一个工业自动化生产装置;或者是2)工业控制系统中相对独立的一部分:以企业工业自动化生产过程的局部环节为基础,属于企业的一个自动化生产全过程或一个工业自动化生产装置的工业控制系统中的相对独立的且物理边界清晰的某个安全区域或通信网络。
1 按照《国民经济行业分类》(GB/T4745-2011)规定填写。
2 按照《事业单位登记管理暂行条例》登记的,为社会公益目的、由国家机关举办或者其他组织组织利用国有资产举办的,从事教育、科技、文化、卫生等活动的社会服务组织。
3 按照《中华人民共和国企业法人登记管理条例》登记注册的三类经济组织:(1)全部资产归国家所有的(非公司制)国有企业;(2)全部资产归国家所有的国有独资有限责任公司;(3)由国有资本占控制地位的有限责任公司和股份有限公司,此处称国有控股公司。
4 包括港、澳、台资本和其他地区外资资本投资设立的独资或控股的独资公司、有限责任公司和股份有限公司。
表3 工业控制系统信息安全自查表
注:多套系统可复印分别填写。
1 工业主机是指工业生产控制各业务环节涉及组态、操作、监控、数据采集与存储等功能的主机设备载体,包括工程师站、操作员站、历史站等。