智能楼宇管理师(三级)培训计划
- 格式:pdf
- 大小:116.20 KB
- 文档页数:5
课程名称:楼宇管理课程级别:三级课时安排:2课时教学目标:1. 知识目标:使学生了解楼宇管理的概念、内容、原则和方法,掌握楼宇安全管理、环境卫生管理、设施设备管理等基本技能。
2. 能力目标:培养学生分析问题和解决问题的能力,提高学生实际操作楼宇管理工作的能力。
3. 情感目标:激发学生对楼宇管理工作的兴趣,树立服务意识,培养责任心。
教学重点:1. 楼宇管理的基本概念和原则。
2. 楼宇安全管理、环境卫生管理、设施设备管理等关键环节。
教学难点:1. 楼宇安全管理中的突发事件处理。
2. 楼宇设备维护保养的周期性和预防性。
教学过程:第一课时一、导入新课1. 提问:同学们,你们对楼宇管理有什么了解?2. 学生自由发言,教师总结并引出楼宇管理的概念。
二、讲授新课1. 楼宇管理的定义、内容、原则和方法。
2. 楼宇安全管理:- 安全检查制度- 应急预案- 火灾预防与处理- 电梯安全管理3. 环境卫生管理:- 清洁标准- 公共区域卫生- 室内环境卫生4. 设施设备管理:- 设备维护保养- 设备维修- 设备更新改造三、案例分析1. 展示实际楼宇管理案例,引导学生分析案例中存在的问题及解决方法。
2. 学生分组讨论,分享讨论成果。
四、课堂小结1. 教师总结本节课的重点内容。
2. 学生回顾本节课所学知识。
第二课时一、复习巩固1. 学生复述楼宇管理的基本概念和原则。
2. 教师提问,检查学生对楼宇安全管理、环境卫生管理、设施设备管理等环节的理解。
二、实践操作1. 教师演示楼宇安全管理、环境卫生管理、设施设备管理等基本操作。
2. 学生分组进行实践操作,教师巡回指导。
三、讨论与交流1. 学生分享实践操作中的心得体会。
2. 教师点评,总结实践操作中的优点和不足。
四、课堂小结1. 教师总结本节课的实践操作要点。
2. 学生回顾本节课所学知识。
五、课后作业1. 撰写一篇关于楼宇管理的实践报告。
2. 针对所学内容,提出改进楼宇管理工作的建议。
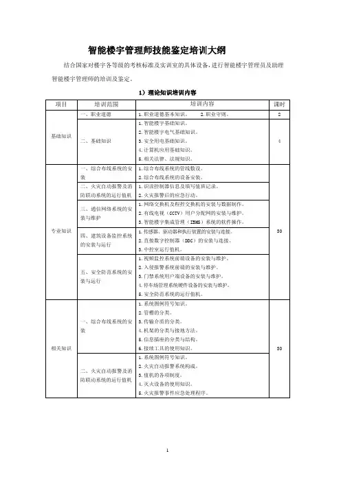
智能楼宇管理员培训计划1. 培训目标1.1 总体目标培养具备以下条件的人员:掌握智能楼宇管理基本概念和专业知识,能运用基本技能独立完成本职业中运行值机管理、楼宇相关设备的安装、连接和维护等常规工作。
1.2 理论知识培训目标依据《智能楼宇管理师国家职业标准》中对智能楼宇管理员的理论知识要求,通过培训,使培训对象掌握智能楼宇管理程控交换机的安装、有线电视用户分配网的安装与维护、建筑设备监控系统的安装与运行、安全防范系统的安装与运行等知识。
1.3 操作技能培训目标依据《智能楼宇管理师国家职业标准》中对智能楼宇管理员的操作技能要求,通过培训,使培训对象掌握综合布线系统安装、消防系统运行值机、程控交换机安装、有线电视用户分配网安装与维护、建筑设备监控系统安装与运行、安全防范系统安装与运行等基本技能。
2. 教学要求2.1 理论知识要求2.1.1 职业道德及相关法律法规2.1.2 基础知识2.1.3 综合布线系统的安装2.1.4火灾自动报警及消防联动系统的运行值机2.1.5通信网络系统的安装与维护2.1.6建筑设备监控系统的安装与运行2.1.7安全防范系统的安装与运行2. 2 操作技能要求2.2.1综合布线系统的安装2.2.2火灾自动报警及消防联动系统的运行值机2.2.3通信网络系统的安装与维护2.2.4建筑设备监控系统的安装与运行2.2.5安全防范系统的安装与运行3. 教学计划安排总课时数:160 课时。
理论知识授课:82 课时。
理论知识复习:8 课时。
操作技能授课:26 课时。
操作技能练习:36 课时。
机动课时:8 课时智能楼宇管理员培训大纲。
《智能楼宇管理师》(三级)培训计划一、编制说明本培训计划依据《智能楼宇管理师》标准编制,适用于智能楼宇管理师(三级)职业技能培训。
各培训机构可根据本培训计划及培训实际情况,在不少于总课时的前提下编写具体实施的计划大纲和课程安排表。
同时,还应根据具体情况布置一定的课外作业时间和课外实训练习时间。
推荐教材仅供参考,各培训机构可根据培训实际情况选择。
智能楼宇管理师(维护),属于智能楼宇和智能小区设备维护方向,在培训中关于周界防盗系统和闭路监控电视系统,应向智能小区拓展;智能楼宇管理师(安装),属于智能楼宇设备维护及安装调试方向,在培训中应拓展及加强设备安装与调试方面的内容。
二、培训目标具备智能楼宇自控现场控制设备维护维修基础、综合布线管理和工程管理基础、网络维护、检修基础、安全防范系统检修、故障诊断基础、消防系统联动维护、检修基础和楼宇物业设施维护基础的专业知识和能力,运用基本技能能够独立完成智能楼宇管理的常规工作;在特定情况下,具有运用专门技能完成技术较为复杂的工作。
三、培训建议课时本职业等级的建议培训课时:270课时。
各培训机构可以在不低于建议课时的前提下,根据培训对象的实际做适当的调整。
四、培训要求与培训内容模块1 基础知识模块1、培训要求:通过本模块技术培训,使培训对象能够(1)掌握智能楼宇管理领域中的计算机辅助应用;(2)掌握专业英语常用词汇。
2、培训主要内容:(1)理论教学内容1.1 计算机基础1.1.1 常用制图软件AUTOCAD工具的应用1.2 专业英语基础1.2.1 常用楼宇智能化词汇解释(2)技能实训内容2.1 AutoCAD使用3、培训方式建议(1)理论教学:除一般常规课堂教学方式外,部分培训内容可利用多媒体教学工具,结合部分完整案例进行全过程剖析,便于学员完整了解本职业实际工作中的各个环节,达到形象化教学目的。
(2)技能实训:通过实例操作进行。
一名实训指导老师可以带教6-10名学员。
2024年三级培训计划一、前言2024年是中国实施人才强国战略的关键一年。
为了加快培养和选拔一批高水平、高素质的专业技术人才,同时提高全国职工的综合素质,我们制定了2024年三级培训计划。
该计划将充分发挥培训的作用,通过科学的培训方法和手段,努力提高广大职工的素质和能力,为国家的经济发展和社会进步提供有力的人才保障。
二、培训目标1. 培训对象:全国各行各业的职工2. 培训内容:包括技术技能培训、职业素质培训、创新思维培训等多方面内容3. 培训目标:提高职工的综合素质和能力,培养一批高水平、高素质的专业技术人才三、培训内容1. 技术技能培训(1)技术专业知识:包括各行业的最新技术、最新标准等方面的知识培训(2)技术操作实践:通过操作实践培训,提高职工的实际操作能力(3)技术创新能力:培养职工的技术创新意识和能力,提高企业的技术创新水平2. 职业素质培训(1)沟通能力:通过培训提高职工的沟通能力,包括口头表达能力、书面表达能力等(2)团队合作能力:通过培训提高职工的团队合作能力,增强团队协作意识(3)职业操守:培训职工遵守职业道德,提高职业操守3. 创新思维培训(1)创新意识培养:通过培训激发职工的创新意识和创新潜能(2)创新方法培训:提供各种创新方法的培训,包括设计思维、创新管理等方面(3)创新案例分享:邀请成功企业家或企业高管分享创新案例,激发职工的创新热情四、培训方式1. 在线培训:为了满足不同地区、不同行业的职工需求,我们将采用在线培训的形式,通过互联网进行远程培训,降低培训成本,提高培训效果。
2. 实践培训:通过实际的操作训练,提高职工的实际操作能力,加深对技术的理解和掌握。
3. 考核培训:通过考核方式对培训效果进行评估,激励职工参与培训,提高培训的积极性和主动性。
五、培训计划1. 技术技能培训(1)培训内容:技术专业知识、技术操作实践、技术创新能力(2)培训方式:在线培训和实践培训相结合(3)培训时间:全年不间断进行,每季度至少一次培训2. 职业素质培训(1)培训内容:沟通能力、团队合作能力、职业操守(2)培训方式:在线培训和考核培训相结合(3)培训时间:全年不间断进行,每季度至少一次培训3. 创新思维培训(1)培训内容:创新意识培养、创新方法培训、创新案例分享(2)培训方式:在线培训和实践培训相结合(3)培训时间:全年不间断进行,每季度至少一次培训六、培训评估1. 考核方式:通过考核培训内容的掌握情况,评估培训效果2. 考核标准:以系统测试、作业完成情况、实际应用效果等为标准3. 考核频次:每次培训结束后进行考核评估4. 效果反馈:根据考核结果反馈培训效果,及时调整培训内容和方式七、总结通过2024年三级培训计划,全国各行各业的职工将得到系统的培训,提高自身的综合素质和技能水平,为国家的经济发展和社会进步提供有力的人才支持。
三级培训计划方案一、培训计划目的三级培训计划旨在提高员工的专业技能和职业素养,促进员工个人成长和职业发展,进而提高企业的生产效率和竞争力。
通过系统性的培训,使员工在工作中能够熟练掌握各项技能,增加工作动力,提高工作效率,促进企业的发展。
二、培训对象本次培训计划的培训对象为公司各部门的员工,包括但不限于技术人员、经营管理人员、企业管理人员等,共计200名员工。
三、培训内容1. 技术培训(1)技术课程根据各部门的实际需要,安排专业的技术老师进行培训,主要内容包括但不限于生产操作技能、设备维护技能、工艺流程控制技能、产品质量控制技能等。
(2)技术考核在技术培训结束后,组织技术考核,考核合格者颁发技术培训证书,以鼓励员工学习和提升技能。
2. 职业素养培训(1)职业道德培训通过树立正确的职业道德观念,培养员工的责任感和使命感,提高员工的职业素养和职业道德修养。
(2)沟通协作培训培养员工良好的沟通协作能力,提高团队协作效率,增进部门之间的合作,共同促进企业的发展。
(3)创新思维培训培养员工的创新意识和创新思维,激发员工的创新潜能,促进企业的技术创新和管理创新。
3. 管理技能培训(1)领导力培训培养管理人员的领导力,增强员工的执行力和凝聚力,提高团队的凝聚力和战斗力。
(2)管理技能培训培养管理人员的管理技能,包括但不限于人员管理、时间管理、成本管理、风险管理等各项管理技能。
四、培训方式1. 线下培训安排专业的培训老师进行实体课程授课,让员工能够亲身体验和学习。
2. 线上培训通过网络平台进行远程培训,让员工能够随时随地进行学习,适应员工分散、灵活的学习需求。
3. 岗位实训通过实际操作岗位的实训,加深员工对技能的掌握和应用,提高员工的技能水平。
五、培训时间本次培训计划为期6个月,每周安排8小时的培训时间,具体安排根据实际情况进行调整。
六、培训效果评估1. 考核评定对参加培训的员工进行培训效果的考核评定,包括技能培训和职业素养培训的考核,根据考核结果对员工进行评定和奖惩。
三级培训计划一、引言三级培训计划是为了提升员工的职业技能和专业知识而设计的一种培训方案。
通过系统性的培训,可以使员工在工作中更加熟练和高效地完成任务,提高工作质量和效率。
二、培训目标1.提升员工的专业知识和技能水平;2.提高员工的工作效率和工作质量;3.增强员工的职业素养和团队合作意识;4.激发员工的创新思维和问题解决能力。
三、培训内容1.专业知识培训通过对相关领域的知识进行系统性的讲解和学习,提升员工的专业知识水平。
例如,对于销售人员可以进行销售技巧和产品知识的培训,对于技术人员可以进行技术理论和实践操作的培训。
2.技能培训针对员工在工作中需要掌握的具体技能,进行实际操作和演练,提高其操作技能和应变能力。
例如,对于客服人员可以进行电话沟通和问题解决的模拟训练,对于生产人员可以进行机械设备操作和维护的培训。
3.职业素养培养通过培训提高员工的职业素养,包括沟通能力、团队合作能力、时间管理能力等。
例如,可以组织员工参加团队建设活动、沟通技巧培训和时间管理讲座等,提升员工的综合素质。
4.创新思维培养培养员工的创新思维和问题解决能力,提高其在工作中的创造力和创新能力。
例如,可以组织员工参加创新思维训练营、问题解决案例分析等活动,激发员工的创新潜能。
四、培训方法1.理论讲解通过讲座、课堂教学等形式,向员工传授相关的知识和技能。
2.案例分析通过分析实际案例,让员工学习和掌握解决问题的方法和技巧。
3.实践操作通过实际操作和模拟训练,让员工在实际工作中学以致用,提高操作技能和应变能力。
4.团队合作通过团队合作的形式,让员工在合作中学习和成长,提高团队协作能力。
五、培训评估1.学员评估通过学员的反馈和评价,了解培训效果和改进方向。
2.成果评估通过对员工的工作表现和业绩进行评估,了解培训成果和影响。
六、培训效果1.提高员工的专业知识和技能水平,使其在工作中更加熟练和高效;2.提高员工的工作效率和工作质量,为企业创造更大的价值;3.增强员工的职业素养和团队合作意识,提升团队的凝聚力和协作能力;4.激发员工的创新思维和问题解决能力,为企业的发展提供源源不断的动力。
一、背景及目的为了提高员工和管理人员的综合素质,提升公司整体管理水平,确保公司可持续发展,根据总公司发展目标,特制定本三级培训教育方案计划。
通过分级培训,培养一批具有专业技能和管理知识的人才,提高公司核心竞争力。
二、培训类别1. 一级培训:针对公司中层以上管理人员和全体管理人员,主要内容为公司大政方针、发展战略、员工心态、管理技能、新技术、新知识、团队建设等前瞻性教育和培训。
组织部门为人力资源部。
2. 二级培训:针对各部门管理人员及各班组长以上人员,主要内容为企业内部管理、企业文化建设和教育、交流和沟通技能、本单位规章制度及安全生产和消防知识的操作规程。
负责人为部门主管、车间主任。
3. 三级培训:针对各车间班组全体员工,主要内容是岗位职责、操作规程、安全操作规程、消防知识和操作规程、岗位工作流程和工艺技能专业知识、作业指导书等。
负责人是各车间班组的负责人。
三、培训对象及时间1. 一级培训:中层以上管理人员和全体管理人员,每年培训时间不少于20天。
2. 二级培训:各部门管理人员及各班组长以上人员,每年培训时间不少于15天。
3. 三级培训:各车间班组全体员工,每月培训时间不少于4小时。
四、培训内容1. 一级培训内容:(1)公司大政方针、发展战略及企业文化;(2)管理技能与领导力提升;(3)新技术、新知识及行业动态;(4)团队建设与沟通技巧。
2. 二级培训内容:(1)企业内部管理及流程优化;(2)安全生产与消防知识;(3)规章制度及操作规程;(4)交流与沟通技巧。
3. 三级培训内容:(1)岗位职责及工作流程;(2)操作规程及安全操作规程;(3)消防知识及操作规程;(4)岗位工作流程和工艺技能专业知识;(5)作业指导书。
五、培训方式1. 一级培训:采用内部讲师授课、外部专家讲座、企业参观等形式。
2. 二级培训:采用内部讲师授课、案例分析、小组讨论、实地操作等形式。
3. 三级培训:采用现场指导、实操培训、视频教学、小组讨论等形式。
如何三级培训计划第一部分:培训计划介绍一、培训目标:1. 增强员工专业技能,提高工作表现和效率;2. 帮助员工理解公司使命和价值观,增强对公司的归属感;3. 培养员工的领导能力和团队合作精神,为公司未来的发展和壮大打下坚实的基础。
二、培训对象:公司全体员工,特别是三级管理人员。
三、培训形式:1. 线上培训课程;2. 线下实践操作;3. 个人辅导和导师制度。
四、培训周期:三个月。
第二部分:培训内容一、专业技能培训1.1 产品知识- 熟悉公司产品线及特点;- 掌握产品应用场景和解决方案。
1.2 销售技巧- 销售基本理论与技巧;- 发掘客户需求和诉求,进行精准销售。
1.3 服务理念- 为客户提供优质服务的意识和技巧;- 建立良好的客户关系和口碑。
1.4 行业趋势- 跟踪行业发展动态;- 分析竞争对手的产品和策略。
1.5 技术技能- 掌握公司产品的使用方法和技术;- 学习相关软件和工具的操作。
二、领导力培训2.1 团队管理- 培养团队合作精神;- 完善团队分工和沟通机制。
2.2 决策能力- 如何做出正确的决策;- 分析问题、制定方案、执行决策。
2.3 激励和激励- 培养激励员工的方法;- 激发员工的工作激情。
2.4 时间管理- 合理安排工作时间;- 解决工作中的时间浪费问题。
2.5 沟通技巧- 提高沟通效率;- 有效应对各种沟通状况。
三、团队合作培训3.1 团队建设- 培养团队协作意识;- 提升团队成员间的相互信任。
3.2 协调能力- 掌握团队协作的方法;- 协调不同部门的合作。
3.3 团队氛围- 创造积极、向上的团队氛围;- 减少团队间的人际摩擦。
3.4 团队目标- 帮助团队成员明确工作目标;- 为实现团队目标提供必要的支持。
3.5 团队动力- 激发团队成员的工作动力;- 提升团队整体绩效。
第三部分:培训实施一、线上课程1.1 制定完善的线上课程表;1.2 选择专业讲师授课;1.3 定期组织员工参加线上学习。
智能楼宇管理员培训教材
智能楼宇管理员培训教材主要包括以下内容:
1. 智能楼宇概述:介绍智能楼宇的定义、发展历程、系统构成及技术基础。
2. 楼宇自控系统:详细介绍楼宇自控系统的原理、组成、功能及实现方式,包括传感器、执行器、控制器等关键设备的工作原理和选型原则。
3. 综合布线系统:介绍综合布线系统的基本概念、构成、设计原则及施工规范,包括线缆类型、路由规划、配线架、信息插座等设备的特点和使用方法。
4. 有线电视系统:介绍有线电视系统的基本原理、系统构成及信号传输方式,包括前端设备、传输网络、用户终端等部分的组成和功能。
5. 消防系统:介绍消防系统的基本原理、组成及功能,包括火灾探测器、报警器、灭火器等设备的原理和使用方法,以及消防安全管理的基本知识和规范。
6. 楼宇安防系统:介绍楼宇安防系统的基本原理、组成及功能,包括门禁控制系统、视频监控系统、防盗报警系统等子系统的组成和功能,以及安防设备的使用和维护方法。
7. 智能楼宇管理系统:介绍智能楼宇管理系统的基本概念、功能及实现方式,包括系统集成、设备监控、能源管理等方面的应用和技术。
8. 实际操作与案例分析:通过实际操作和案例分析,帮助学员掌握智能楼宇管理员的工作技能和常见问题的解决方法。
此外,智能楼宇管理员培训教材还包括相关法律法规和标准规范等方面的内容,以帮助学员全面了解行业标准和规范,提高职业素养和综合能力。
智能楼宇管理师培训计划一、培训背景随着科技的不断发展和进步,智能楼宇管理已成为城市建设的重要组成部分。
智能楼宇管理师的培训成为了当前行业的急需工作。
为此,制定一套全面系统的智能楼宇管理师培训计划至关重要。
二、培训目标1. 掌握智能楼宇管理的基本理论知识,包括楼宇自动化系统、能源管理系统、安防系统等;2. 熟悉智能楼宇管理相关设备和工具的操作和维护;3. 能够熟练运用信息科技来提高楼宇管理的效率和质量;4. 掌握楼宇环境监测、节能减排等技术知识,并能够应用于实践中;5. 具备智能楼宇管理师的核心能力,包括团队合作、沟通协调、问题解决和创新能力等。
三、培训内容1. 理论课程(1)智能楼宇管理概论(2)智能楼宇自动化系统(3)智能楼宇能源管理系统(4)智能楼宇安防系统(5)智能楼宇信息化管理系统2. 实操课程(1)智能楼宇设备操作和维护(2)智能楼宇信息管理系统的使用(3)楼宇环境监测和控制(4)智能楼宇节能减排技术的应用(5)应急预案和安全管理3. 案例分析通过真实案例分析,让学员了解智能楼宇管理在实际项目中的运用和效果。
4. 实习实训安排学员到实际项目中进行实习,提升其在实践中的能力和经验。
四、培训方式1. 线下授课由资深的智能楼宇管理专家进行面对面的授课,提供系统全面的理论知识和工作技能培训。
2. 实践操作学员将通过模拟实验和实际项目实践,进行设备操作、信息管理系统使用等实操训练。
3. 群体讨论通过小组讨论、角色扮演等形式,鼓励学员间的经验交流和问题探讨,提升学员的团队合作与协调能力。
五、培训师资培训师资力量需具备丰富的实践经验和教学经验,具有相关的职业资格认证。
六、培训期限根据培训课程的内容和安排,培训期限设定为3个月,其中包括理论课程、实操课程、案例分析和实习实训。
七、培训评估1. 期中考核2. 期末考核3. 实习评定八、培训成果经过培训,学员将获得智能楼宇管理师的资格认证,并可熟练掌握智能楼宇管理的理论知识和实际操作能力,为其今后在智能楼宇管理领域有着坚实的基础和扎实的能力。
智能楼宇培训计划一、培训目的智能楼宇系统是指基于物联网、大数据、云计算等新一代信息技术构建的集成化楼宇管理系统。
随着城市化进程加速,楼宇的智能化管理需求不断增加,智能楼宇系统已经成为现代化楼宇管理的必备设施。
因此,为了提高楼宇管理人员的技术水平,提升其服务水平,本次培训计划旨在培养和提高智能楼宇管理人员的技能和素质,使其掌握智能楼宇技术和管理方法,适应市场需求,促进智能楼宇的发展。
二、培训对象本次培训面向广大从事智能楼宇管理工作的管理人员、技术工程师以及相关企业的管理人员等。
三、培训内容(一)智能楼宇系统概述1. 智能楼宇系统的定义和发展趋势2. 智能楼宇系统的组成和特点3. 智能楼宇系统的应用场景(二)楼宇自动化控制系统1. 楼宇自动化控制系统的基本原理2. 楼宇自动化控制系统的设计和安装3. 楼宇自动化控制系统的运行维护(三)楼宇安全监控系统1. 楼宇安全监控系统的组成和功能2. 楼宇安全监控系统的应用案例分析3. 楼宇安全监控系统的故障排查和处理(四)智能楼宇能耗管理系统1. 智能楼宇能耗管理系统的设计和优化2. 智能楼宇能耗管理系统的运行监测3. 智能楼宇能耗管理系统的节能技术和应用(五)楼宇智能化管理系统1. 楼宇智能化管理系统的构建和设计2. 楼宇智能化管理系统的运行和优化3. 楼宇智能化管理系统的数据分析和决策支持四、培训方式本次培训采用理论讲解与实践操作相结合的方式,通过专业老师的讲解和现场操作的实践,使学员们能够更加深入地了解智能楼宇系统的理论知识和操作技能,从而提高其实际操作能力。
五、培训时间本次培训计划为期三个月,每周进行两次课程学习和一次实践操作,总共36次培训课程和12次实践操作。
六、培训师资本次培训邀请了多位楼宇智能化管理领域的专业人士担任讲师,他们具有丰富的实践经验和专业知识,能够为学员们提供高质量的培训服务。
七、培训成果通过本次培训,学员们将能够掌握智能楼宇系统的基本原理和实际操作技能,具有较强的楼宇管理和技术能力,能够适应市场需求,提升智能楼宇的管理水平和服务质量。
智能楼宇管理员培训教材随着科技的发展,智能楼宇管理已经成为一个热门话题。
智能楼宇管理是指利用先进的技术手段,使建筑设施更加智能化、高效化及便捷化,从而提高建筑的能效和管理水平。
在人们追求舒适、安全、便利的生活环境的同时,智能楼宇管理也为建筑节省了大量的能源和人力资源,降低了管理成本,使建筑运营更加智能化和可持续化。
作为智能楼宇管理员,需要掌握一系列的知识和技能,包括建筑自动化、智能控制系统、能源管理、安全监控、信息化管理等方面的内容。
下面是智能楼宇管理员培训教材的一些主要内容:第一,建筑自动化管理。
建筑自动化是智能楼宇管理的基础,主要包括建筑设备自动化控制、智能终端设备、智能家居系统等。
管理员需要了解各种自动化设备的原理和使用方法,以及建筑自动化系统的构成和运行原理。
第二,智能控制系统。
智能控制系统是建筑自动化的核心,包括照明控制、空调控制、供水供热控制等方面。
管理员需要学习各种控制系统的安装调试、运行维护以及故障排除的方法,确保系统能够稳定、高效地运行。
第三,能源管理。
能源管理是智能楼宇管理的重要内容,包括能源监测、能源分析、能耗管理、节能改造等方面。
管理员需要学习各种能源管理技术,制定能源管理方案,通过科学的方法节约能源、降低能耗。
第四,安全监控。
安全监控是智能楼宇管理的重点内容,包括消防监控、安防监控、环境监测等方面。
管理员需要学习各种安全监控设备的使用方法,熟悉安全监控系统的运行和维护,提高建筑的安全性和保障居民的生命财产安全。
第五,信息化管理。
信息化是智能楼宇管理的未来发展方向,包括智能建筑管理系统、物联网技术、大数据分析等方面。
管理员需要学习信息化管理的方法和技术,运用信息技术提高管理水平,优化管理流程,提高服务质量。
通过对以上内容的学习和了解,智能楼宇管理员可以更好地掌握智能楼宇管理的技术和方法,提高自身的管理水平和工作效率,为建筑的运营和管理提供科学、高效的保障。
同时,智能楼宇管理也为建筑的可持续发展和节能减排做出了积极的贡献,推动建筑行业迈向智能化、绿色化的发展方向。
楼宇工作培训计划一、培训目标楼宇工作是一个复杂的系统工程,要求人员在管理、维护、安全等方面都要能胜任良好,特别是在人居环境内,要求服务态度好,管理质量高,安全措施到位。
因此,我们制定了楼宇工作培训计划,以提高员工的综合素质和工作能力,为楼宇管理质量的提升提供有力支持。
二、培训对象全体楼宇管理人员,包括楼宇物业管理、保洁人员、维修人员、安全人员等。
三、培训内容1.楼宇管理知识(1)楼宇管理概念和原则(2)楼宇管理制度和规章(3)楼宇应急预案(4)楼宇安全规范2.楼宇服务技能(1)客户服务技巧(2)投诉处理技巧(3)卫生管理技巧(4)楼宇内部装修、清洁、维修等技巧3.楼宇安全管理(1)火灾防范知识(2)安全巡查、隐患排查(3)紧急疏散演练(4)常见事故的应急处理方法4.楼宇维修技能(1)电梯维修(2)电路检修(3)水暖维护(4)室内装修和维护5.其他(1)团队协作训练(2)沟通技巧训练(3)自我管理能力培养四、培训方式1. 理论培训通过培训课程、讲座等形式,传授楼宇管理知识和技能。
在具体内容上,可以邀请资深楼宇管理专家,现场讲解楼宇管理的要点和注意事项,使员工更全面、更深入地了解楼宇管理知识和技能。
2. 实操培训通过实际操作,让员工亲自动手学习楼宇维修、保洁等技能,提高他们的实际操作技能。
3. 实例练习通过实例练习案例,让员工学会运用所学的知识和技能解决实际问题,增强其实际操作能力和解决问题的能力。
五、培训时长我们计划对员工进行为期一个月的集中培训。
在这一个月里,员工将接受全方位的楼宇管理知识和技能培训,以确保他们能在日常工作中胜任各项工作。
六、培训评估1. 学员考试培训结束后,将对员工进行理论和实操技能考核,以评估培训效果。
2. 上岗实绩考核培训结束后,将对员工进行一段时间的上岗实绩考核,以评估培训效果。
七、培训效果1. 员工综合素质大大提高,能够更好地适应楼宇管理工作的要求。
2. 楼宇管理质量得到提升,为楼宇内部环境提供了更良好的服务。
物业楼宇培训计划一、培训目的物业楼宇管理是指负责对各类商用、办公楼宇的日常维护、保洁、安全等工作,以及为入驻的企业和居民提供良好的生活和工作环境。
良好的物业楼宇管理服务可以有效吸引企业和个人选择入驻,提升楼宇的市场竞争力。
因此,为了提高物业楼宇管理人员的专业知识和服务意识,制定一套合理、科学的培训计划是非常必要的。
二、培训内容1.基础知识培训(1)物业楼宇管理的基本概念(2)楼宇结构、设备和系统的基本知识(3)楼宇管理的相关法规和标准(4)常见的楼宇管理工作流程和方法(5)应急预案和安全管理2.服务技能培训(1)客户服务技巧和沟通技巧(2)物业楼宇管理的专业知识和技能(3)问题解决和协调能力(4)日常维护技能和设备操作(5)危险品处理和应急处理技能3.团队管理培训(1)团队建设和团队文化培养(2)团队目标的设定和执行(3)员工激励和管理(4)团队协作和沟通4.项目管理培训(1)项目计划和执行(2)项目风险管理和控制(3)项目绩效评估和改进三、培训方式1.理论培训通过课堂教学、专题讲座、研讨会等形式进行培训,向物业楼宇管理人员传授基础知识和服务技能。
2.实践培训通过实地考察、模拟操作、案例分析等方式进行培训,培养管理人员的实际操作能力和解决问题的能力。
3.网络培训利用互联网平台进行培训课程的在线学习和考核,提供各种学习资源和交流平台。
四、培训计划1.项目启动阶段(1)确定培训目标和内容(2)制定培训计划和安排(3)编制培训材料和课程内容2.培训实施阶段(1)开展基础知识培训和服务技能培训(2)进行团队管理培训(3)组织项目管理培训3.培训总结阶段(1)评估培训效果(2)总结培训经验和不足(3)完善培训内容和方式五、培训评估1.培训效果评估通过学员的学习成绩和实际工作表现评定培训效果,对照培训目标进行评估。
2.培训方案评估对培训内容和方式进行评估,收集学员的反馈意见和建议,对现有培训方案进行改进。
3.培训成本评估对培训所需的人力、物力和财力成本进行评估,优化培训成本,提高培训效益。
楼宇管理培训计划一、培训目标楼宇管理是指对建筑物内部和外部进行管理,使其达到最佳使用状态,包括对建筑物内部的设备、设施以及人员的管理。
楼宇管理工作的目标是在保证建筑物安全、舒适、环保的基础上,提高管理效率,降低运营成本,提升建筑物整体价值。
因此,楼宇管理人员需要具备多种技能和知识,才能胜任这一工作。
本培训计划的目标是培养楼宇管理人员的专业素养,提高其综合管理能力,使其能够熟练处理楼宇管理工作中碰到的各种问题。
二、培训内容1. 楼宇管理的基本知识和技能- 楼宇管理的概念和任务- 楼宇管理的原则和要求- 楼宇管理的组织架构和职能- 楼宇设施的维护和修缮- 楼宇安全管理- 楼宇环保管理- 楼宇服务管理- 楼宇资产管理2. 楼宇管理中的法律法规- 建筑物管理条例- 消防法- 土地管理法- 环境保护法- 劳动法- 合同法3. 楼宇管理中的技术知识- 建筑物结构与设施- 空调、供暖、通风系统的运行与维护- 电梯、消防设备的运行与维护- 绿化和园林管理- 基础设施维护4. 楼宇管理中的沟通技巧和人际关系- 沟通技巧- 职业道德- 团队合作- 冲突处理- 服务意识5. 楼宇管理中的信息技术应用- 办公自动化- 物业管理软件的使用- 楼宇管理信息系统6. 楼宇管理中的应急处理能力- 突发事件的处理- 应急预案的制定- 应急演练7. 楼宇管理中的成本控制- 能源管理- 维修保养管理- 合同管理三、培训对象本培训计划适合以下人员参加:- 从事楼宇管理工作不足两年的初级楼宇管理人员- 有志于从事楼宇管理工作的人员- 公司或单位的管理人员四、培训形式和方法培训形式:面授培训培训方法:讲授、案例分析、讨论、角色扮演、实地考察等五、培训时间和地点培训时间:每年举办一次,每次培训10天培训地点:公司或单位指定的培训场所六、培训师资培训教师应具备以下条件:- 具有丰富的楼宇管理经验- 具有较高的教学水平和表达能力- 具备一定的培训经验七、培训评估为了给参与培训的人员提供更好的培训效果,我们将对参训人员进行培训前、中、后的评估。
楼宇管理培训计划一、培训背景随着城市化进程的加快和楼宇的不断增多,楼宇管理成为一个越来越重要的领域。
楼宇管理人员需要具备专业的知识和技能,以适应日益复杂的管理需求。
因此,开展楼宇管理培训,提升管理人员的能力和水平,已成为当前需要解决的问题。
二、培训目标1. 提高楼宇管理人员的专业知识和技能,使其能够胜任日常管理工作;2. 增强楼宇管理人员的团队合作意识和沟通能力,提升管理效率;3. 培养楼宇管理人员的服务意识和责任意识,提升服务质量和管理水平;4. 增强楼宇管理人员的安全意识和应急处置能力,确保楼宇安全运行;5. 提升楼宇管理人员的管理技能和领导能力,推动楼宇发展和运营。
三、培训内容1. 楼宇管理专业知识(1)楼宇管理概论(2)楼宇设施设备管理(3)楼宇节能环保管理(4)楼宇安全管理(5)楼宇维护保养管理2. 楼宇管理实际操作(1)楼宇巡查检查(2)楼宇设备操作维护(3)楼宇安全事故应急处理(4)楼宇服务接待与客户关系维护3. 沟通协调与团队管理(1)沟通技巧与方法(2)团队合作与协调(3)冲突管理与解决4. 楼宇管理案例分析根据实际楼宇管理案例进行分析和讨论,以增强学员解决问题的能力。
四、培训方法1. 课堂讲授以专业讲师授课,介绍楼宇管理的理论知识和实际操作技能,提供学员所需的专业知识和技能。
2. 案例分析通过具体案例展示、讨论和分析,加深学员对楼宇管理实际操作的理解,培养解决问题的能力。
3. 观摩学习组织学员参观优秀楼宇管理实践案例,从中学习借鉴先进经验和实践。
4. 实际操作在实践基地进行模拟楼宇管理操作,让学员亲自实践并掌握操作技能。
五、培训评估1. 考试评价根据培训课程安排,进行相关知识与技能的考试,评价学员掌握程度。
2. 课程反馈安排学员填写培训反馈表,了解学员对培训课程的满意度和改进建议。
3. 实际操作评估对学员在实践基地进行的模拟操作进行评估,确保学员掌握了相关操作技能。
六、培训实施计划1. 培训时间:连续培训时间为一个月,每周六天,每天8小时。