遇水膨胀止水胶施工技术
- 格式:docx
- 大小:174.21 KB
- 文档页数:5
《建筑业10项新技术》之防水七项新技术《建筑业10项新技术》之防水七项新技术1.防水卷材机械固定施工技术防水卷材机械固定施工技术采用的防水卷材主要包括热固性卷材、热塑性卷材及改性沥青卷材等。
但常用的防水卷材主要是热固性卷材和热塑性卷材。
其中热塑性卷材主要有聚氯乙烯(PVC)和聚烯烃类(TPO);热固性卷材最主要、最具有生命力的是三元乙丙(EPDM)防水卷材,该种卷材使用寿命长,有很强的耐候性和抗化学腐蚀性。
2.地下工程预铺反粘防水技术地下工程预铺反粘防水技术所采用的材料是高分子自粘胶膜防水卷材。
该卷材是在一定厚度的高密度聚乙烯卷材基材上涂覆一层非沥青类高分子自粘胶层和耐候层复合制成的多层复合卷材。
采用预铺反粘法施工时,在卷材表面的胶粘层上直接浇筑混凝土,混凝土固化后,与胶粘层形成完整连续的黏结。
这种黏结是由液态混凝土与整体合成胶相互勾锁而形成的。
高密度聚乙烯主要提供高强度,自粘胶层提供良好的黏结性能,可以承受结构产生的裂缝影响;耐候层既可以使卷材在施工时适当外露,同时提供不粘的表面供施工人员行走,使得后续工程能够顺利进行。
3.预备注浆系统施工技术预备注浆系统是地下混凝土结构工程接缝防水施工技术。
混凝土结构施工时,将具有单透性、不易变形的注浆管预埋在接缝中,当接缝渗漏时,向注浆管系统设定在建(构)筑物外表面的导浆管端口中注入灌浆液,即可密封接缝区域的任何缝隙和孔洞,并终止渗漏。
如果建(构)筑物将来出现渗漏,可重复注浆管系统也可以提供完整的维护方案。
当采用普通水泥、超细水泥或者丙烯酸盐化学浆液时,系统可用于多次重复注浆。
利用这种先进的预备注浆系统可以达到“零渗漏”效果。
4.遇水膨胀止水胶施工技术遇水膨胀止水胶是一种单组分、无溶剂、遇水膨胀的聚氨酯类无定型膏状体,用于密封结构接缝和钢筋、管、线等周围的渗漏。
具有双重密封止水功能,当水进入接缝时,它可以利用橡胶的弹性(以压缩应力止水)和遇水膨胀体积增大(以膨胀压止水)填塞缝隙,起到止水作用。
膨润土橡胶遇水膨胀止水条技术标准
膨润土橡胶遇水膨胀止水条的物性指标参照《膨润土橡胶遇水膨胀止水条》JG/T 141-2001 行业标准制定,检测结果需要满足表14的指标要求。
1、膨润土橡胶遇水膨胀止水条主要有两种断面尺寸,应用在迎水面结构施工缝时,断面尺寸为3cm×1cm;应用在非迎水面结构施工缝(车站楼板施工缝等)时,断面尺寸为2cm×1cm,两种均为缓膨型材料。
2、地下矿山法车站、盾构隧道、结构通道洞口部位的施工缝不采用膨润土橡胶遇水膨胀止水条。
3、止水条采用专用胶粘剂粘贴在施工缝表面,基面潮湿无法粘贴时,可采用间距不小于20cm的水泥钉固定。
表14 膨润土橡胶遇水膨胀止水条的物性指标。
第十四章新技术的应用第一节新科技、新技术、新工艺、新材料的应用意义1.采用科技进步与新技术的意义建筑业是以操作为主的劳动密集型产业,随着中国加入WTO,建筑市场的竞争日益加剧,施工企业的经济效益急剧下滑。
如何用现代化手段改造传统产业.是摆在我们面前的重要课题。
因此,在本工程施工中,我们将积极采用新技术,通过科学技术提高工程的科技含量,提高工程整体质量,并达到增加经济效益的目的。
2.采用科技及新技术的指标科技示范工程:我们将把本工程努力打造成北京市建筑业新技术应用示范工程。
采用新技术种类:我们将采用建设部推广使用的建筑业10项新技术(2010年)中的8大项,14小项,以及屋面雨水收集系统、智能停车场管理系统,共计16项.科技进步效益率:1.8%。
第二节组织机构和保证措施1.组织机构1.1.成立新技术应用示范工程领导小组成立以公司总工为首负责具体业务指导的新技术应用示范工程领导小组,主要负责新技术应用示范工程实施方案的审查、执行情况的监督检查及总结、验收、报告情况。
1.2.项目部成立新技术应用示范工程实施小组项目经理要亲自抓科技,用科技,在项目部成立以项目经理、技术总工为组长,项目生产经理为副组长,各专业部门共同参加的科技示范工程实施小组,具体负责科技示范工程实施方案的制定及具体执行和落实情况工作,定期向领导和有关部门汇报工作,并对实施过程中出现的问题及时予以纠正。
施工人员将新工艺、新技术与传统施工工艺的优劣作全面对比,项目技术总工根据新技术、新工艺、新材料、新设备应用的进展情况,提前编制出详细的施工工艺交底,并组织施工操作人员进行学习,提高施工操作人员的思想认识、施工技术。
2.保证措施组建业务水平提高、管理能力强的项目经理部,把科技示范推广应用情况作为考核本项目班子业绩的主要标准内容。
建立科技保证、监督、检查、信息反馈系统,调动测量、质量、安全、施工技术等部门,有关人员严格要求,积极工作,将动态信息迅速传递到项目决策层,针对问题及时调整方案,确保新技术、新工艺、新材料的顺利实施。
遇水膨胀止水胶技术1. 简介遇水膨胀止水胶技术是一种应用于建筑工程、地下工程和水利工程等领域的新型材料技术。
该技术利用具有吸湿膨胀性能的聚合物,通过与水分接触后发生膨胀,形成密封层,以达到防水、阻尼、止漏等效果。
本文将详细介绍遇水膨胀止水胶技术的原理、应用领域以及优缺点。
2. 原理遇水膨胀止水胶技术基于聚合物在吸湿后发生体积变化的特性。
通常采用的聚合物为聚丙烯酰胺(PAM)或聚丙烯酰酸钠(PANa)。
这些聚合物在干燥状态下呈现粉末状或颗粒状,但当与水分接触后会迅速吸湿并发生体积变化。
具体来说,当聚合物与水分接触后,其分子链上的亲水基团会与水分形成氢键结合,导致聚合物的分子链发生展开,从而引起体积膨胀。
这种膨胀过程是可逆的,即当水分蒸发或排水时,聚合物会恢复到干燥状态。
3. 应用领域3.1 建筑工程在建筑工程中,遇水膨胀止水胶技术常用于地下室、地下管道、地铁隧道等需要防水和止漏的部位。
通过将遇水膨胀止水胶材料应用于结构缝隙、管道接口等位置,可以有效阻止地下水渗透,并保持结构的稳定性。
3.2 地下工程在地下工程中,遇水膨胀止水胶技术可以用于隧道衬砌、堤坝防渗等方面。
由于该技术具有良好的自修复能力,在地下环境中可以有效防止土壤与地下水之间的相互作用,降低渗漏风险。
3.3 水利工程在水利工程中,遇水膨胀止水胶技术可应用于堤坝、河堤、闸门等需要密封和防渗的结构中。
通过在关键位置使用遇水膨胀止水胶材料,可以提高工程的安全性和稳定性,减少水资源的浪费和损失。
4. 优缺点4.1 优点•高效防水:遇水膨胀止水胶材料在接触水分后能够迅速膨胀形成密封层,有效阻止水分渗透。
•自修复能力:聚合物聚集体具有自修复能力,一旦发生损坏,可以通过吸湿和膨胀来填补缺陷。
•环保可持续:该技术所使用的聚合物材料对环境无污染,并且可多次循环使用。
4.2 缺点•对温度敏感:遇水膨胀止水胶材料对温度较为敏感,在极端高温或低温条件下可能影响其性能。
关于橡胶止水带作用及原理橡胶止水带可以广泛应用于各种类型的混凝土结构中,例如:挡水坝、蓄水池、地铁、涵洞、隧道等地下工程中。
以一些建筑工程中,由于不能连续浇铸,或由于地基的变形,或由于温度变化引起的混凝土构件的热胀冷缩等原因,在浇铸时常留有变形缝、施工缝,这些缝的防渗漏问题就要采用在变形缝的部位就必须使用橡胶止水带的方法来解决,它既能防止地下水或外界水渗漏到建筑物结构中,又可防止建筑内的水漏到外界。
具体注意事项如下:1、不能长时间露天曝晒,防止雨淋,勿与污染性强的化学物质接触。
2、在产品的运输和施工中,防止机械,钢筋损伤。
3、施工过程中,必须将止水带固定靠固,避免在浇注混凝土时发生位移,保证止水带在混凝土中的正确位置。
4、固定止水带的方法有:利用附加钢筋固定;专用卡具固定;铅丝和模板固定等,如需穿孔时,只能选在止水带的边缘安装区,不得损伤其它部分。
5、用户定货时应根据工程结构,设计图纸计算好产品长度,异型结构要有图纸说明,尽量在工厂中将止水带连接成整体,如需在现场连接时,可采用电加热板硫化粘合或冷粘接(橡胶止水带)或焊接(塑料止水带)的方法,如用户连接有困难,我公司可派技术人员现场指导。
关于橡胶止水带作用及原理橡胶止水带是利用橡胶材料在受力时产生高弹形变的特性而制成的止水结构产品。
广泛应用于水利、水电、堤坝涵闸、隧道地铁、人防工 事、高层建筑的地下室和停车场等工程中变形缝的止水。
橡胶止水带是在浇筑混凝土时被预埋在变形缝内与混凝土连成一体,可有效地防止构 筑物变形缝处的渗水、漏水,并起到减震缓冲等作用,从而确保工程构筑物中的防水要求。
橡胶止水带按其用途:本产品主要适用于变形缝用止水带,用 B 表示;适用于施工缝用止水带,用 S 表示; 适用于有特殊耐老化要求的接缝用止水带用 J 表示。
欢迎广大客户使用我公司的系列止水带产品 橡胶止水带作用与原理橡胶橡胶止水带的质量达到GB18173.2-2000要求的中埋式橡胶止水带背贴式橡胶止水带是利用橡胶的高弹性和压缩变形性的特点,在各种载荷下产生弹性变形,从而起到有效紧固密封,防止建筑结构的漏水、渗水及减震缓冲作用。
遇水膨胀止水条标准一、概述遇水膨胀止水条是一种特殊的高分子材料,具有遇水急剧膨胀的特性,是建筑工程防水防漏的重要材料之一。
其广泛应用于水利工程、桥梁建设、隧道施工、房屋建筑等领域的变形缝、施工缝、裂缝等容易渗水的部位。
二、产品特点1. 遇水膨胀:一旦接触到水分便会迅速膨胀,形成阻碍水渗透的橡胶弹性体。
2. 使用方便:安装时只需按要求将其粘贴或嵌入一定间隙即可,无需复杂工艺。
3. 耐候性强:具有良好的抗老化、抗紫外线性能,可在各种环境条件下使用。
4. 无毒环保:无污染物质,符合国家环保标准。
5. 持久耐用:经过科学配方研制而成的止水条具有较长的使用寿命。
三、执行标准为了确保遇水膨胀止水条的质量和使用效果,相关行业标准和规范对其原材料、生产工艺、产品质量等方面均作出了明确规定。
具体包括但不限于以下内容:1. 原材料应符合相关质量标准和要求,禁止使用劣质或不符合要求的原料。
2. 产品外观应整洁、无破损、无明显杂质。
3. 膨胀率、抗压强度、耐热度等关键技术指标应符合相关标准要求。
4. 在储存和运输过程中,应注意保护产品不受损坏,防止受潮或暴晒。
四、应用建议在选择和使用遇水膨胀止水条时,以下几点值得注意:1. 根据工程实际需求和施工方案,正确选用规格型号和质量等级的产品。
2. 在安装止水条前,应对待安装部位进行清洁处理,保证接触面干燥、平整。
3. 注意止水条的搭接和密封问题,确保止水条能够充分发挥作用。
4. 对于长期处于高湿度、高温等恶劣环境下的部位,应适当加强维护和管理,及时更换失效的止水条。
五、总结遇水膨胀止水条作为一种重要的防水材料,其质量和性能直接关系到工程的安全性和稳定性。
因此,我们应当重视并遵守相关的标准和规范,从源头上保障产品的品质。
同时,在实际应用中也要根据具体情况灵活调整策略和方法,确保止水条能够发挥理想的效果。
建造师继续教育防水工程新技术一、防水卷材机械固定施工技术二-空二、地下工程预铺反粘防水技术三、预备注浆系统施工技术J ©四、遇水膨胀止水胶施工技术五、丙烯酸盐灌浆液防渗施工技术"皿六、聚乙烯丙纶防水卷材与非固化型防水粘结料复合防水施工技术E「空七、聚氨酯防水涂料施工技术、防水卷材机械固定施工技术(一)聚氯乙烯(PVC、热塑性聚烯烃(TPO防水卷材机械固定施工技术1.主要技术内容机械固定即采用专用固定件,如金属垫片、螺钉、金属压条等,将聚氯乙烯(PVC或热塑性聚烯烃(TPO防水卷材以及其它屋面层次的材料机械固定在屋面基层或结构层上。
机械固定包括点式固定方式和线性固定方式。
固定件的承载能力和布置,根据实验结果和相关规定严格设计。
聚氯乙烯(PVC或热塑性聚烯烃(TPO防水卷材的搭接是由热风焊接形成连续整体的防水层。
焊接缝是因分子链互相渗透、缠绕形成新的内聚焊接链,强度高于卷材且与卷材同寿命。
(1)点式固定点式固定即使用专用垫片和螺钉对卷材进行固定,卷材搭接时覆盖住固定件, 如图8.1-1所示。
0. 8nnii厚压盘钢板图8.1-1点式固定示意图(2)线性固定线性固定即使用专用压条和螺钉对卷材进行固定,使用防水卷材覆盖条对压条进行覆盖,如图8.1-2所示。
基层、隔汽层以及保温板等材料与点式固定相同。
-PVC、TPO 卷材厂隔离层(如果需要)保温层-0 3<nni厚PE険隔2.技术指标(1)当固定基层为混凝土结构时,其厚度应不小于60mm强度等级不低于C25;当固定基层为钢板时,其厚度一般要求为0.8mm不得小于0.63mm。
(2)聚氯乙烯(PVC防水卷材的物理化学性能应满足表8.1-1要求、热塑性聚烯烃(TPO防水卷材物理性能指标应满足表8.1-2要求。
聚氯乙烯(PVC防水卷材物理性能表8.1-1热塑性聚烯烃(TPO防水卷材物理性能表8.1-23.适用范围聚氯乙烯(PVC防水卷材、热塑性聚烯烃(TPO防水卷材机械固定技术的应用范围广泛,可以在低坡大跨度或坡屋面的新屋面及翻新屋面中使用,特别在大跨度屋面中该技术的经济性和施工速度都有明显优势。
建筑业10项新技术(2017年版)1地基基础和地下空间工程技术1.1灌注桩后注浆技术1.2长螺旋钻孔压灌桩技术1.3水泥粉煤灰碎石桩(CFG桩)复合地基技术1.4真空预压法加固软土地基技术1.5土工合成材料应用技术1.6复合土钉墙支护技术1.7型钢水泥土复合搅拌桩支护结构技术1.8工具式组合内支撑技术1.9逆作法施工技术1.10爆破挤淤法技术1.11高边坡防护技术1.12非开挖埋管技术1.13大断面矩形地下通道掘进施工技术1.14复杂盾构法施工技术1.15智能化气压沉箱施工技术1.16双聚能预裂与光面爆破综合技术2混凝土技术2.1高耐久性混凝土2.2高强高性能混凝土2.3自密实混凝土技术2.4轻骨料混凝土2.5纤维混凝土2.6混凝土裂缝控制技术2.7超高泵送混凝土技术2.8预制混凝土装配整体式接受施工技术3钢筋及预应力技术3.1高强钢筋应用技术3.2钢筋焊接网应用技术3.3大直径钢筋直螺纹连接技术3.4无粘结预应力技术3.5有粘结预应力技术3.6索结构预应力施工技术3.7建筑用成型钢筋制品加工与配送技术3.8钢筋机械锚固技术4模板及脚手架技术4.1清水混凝土模板技术4.2钢(铝)框胶合板模板技术4.3塑料模板技术4.4组拼式大模板技术4.5早拆模板施工技术4.6液压爬升模板技术4.7大吨位长行程油缸整体顶升模板技术4.8贮仓筒壁滑模托带仓顶空间钢结构整安装施工技术4.9插接式钢管脚手架及支撑架技术4.10盘销式钢管脚手架及支撑架技术4.11附着升降脚手架技术4.12电动桥式脚手架技术4.13预制箱梁模板技术4.14挂篮悬臂施工技术4.15隧道模板台车技术4.16移动模架造桥技术5钢结构技术5.1深化设计技术5.2厚钢板焊接技术5.3大型钢结构滑移安装施工技术5.4钢结构与大型设备计算机控制整体顶升与提升安装施工技术5.5钢与混凝土组合结构技术5.6住宅钢结构技术5.7高强度钢材应用技术5.8大型复杂膜结构施工技术5.11模块式钢结构框架组装、吊装技术6机电安装工程技术6.1管线综合布置技术6.2金属矩形风管薄钢板法兰连接技术6.3变风量空调系统技术6.4非金属复合板风管施工技术6.5大管道闭式循环冲洗技术6.6薄壁不锈钢管道新型连接技术6.7管道工厂化预制技术6.8超高层高压垂吊式电缆敷设技术6.9预分支电缆施工技术6.10电缆穿刺线夹施工技术6.11大型储罐施工技术7绿色施工技术7.1基坑施工封闭降水技术7.2基坑施工降水回收利用技术7.3预拌砂浆技术7.4外墙自保温体系施工技术7.5粘贴式外墙外保温隔热系统施工技术7.6现浇混凝土外墙外保温施工技术7.7硬泡聚氨酯外墙喷涂保温施工技术7.8工业废渣及(空心)砌块应用技术7.9铝合金窗断桥技术7.10太阳能与建筑一体化应用技术7.11供热计量技术7.12建筑外遮阳技术7.13植生混凝土7.14透水混凝土8防水技术8.1防水卷材机械固定施工技术8.2地下工程预铺反粘防水技术8.3预备注浆系统施工技术8.4遇水膨胀止水胶施工技术8.5丙烯酸盐灌浆液防渗施工技术8.6聚乙烯丙纶防水卷材与非固化型防水粘结料复合防水施工技术8.7聚氨酯防水涂料施工技术9.抗震、加固与改造技术9.1消能减震技术9.2建筑隔震技术9.3混凝土构件粘贴碳纤维、粘钢和外包钢加固技术9.4钢绞线网片聚合物砂浆加固技术粘钢和外包钢加固技术9.5结构无损拆除技术9.6无粘结预应力混凝土结构拆除技术9.7深基坑施工监测技术9.8结构安全性监测(控)技术9.9开挖爆破监测技术9.10隧道变形远程自动监测系统9.11一机多天线GPS变形监测技术10.信息化应用技术10.1虚拟仿真施工技术10.2高精度自动测量控制技术10.3施工现场远程监控管理及工程远程验收技术10.4工程量自动计算技术10.5工程项目管理信息化实施集成应用及基础信息规范分类编码技术10.6建设项目资源计划管理技术10.7项目多方协同管理信息化技术10.8塔式起重机安全监控管理系统应用技术注:第1、4、6项“※”下的子项技术,主要适用于房建外的其他土木领域。
11。
4。
12。
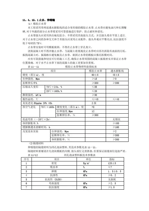
1止水、伸缩缝(1)橡胶止水带本工程采用带两道遇水膨胀线的适合变形缝的橡胶止水带.止水带应避免油污和长期曝晒,对于外露的部分止水带要采用可靠措施进行保护,防止破坏和老化。
止水带接头应采用热压硫化胶合,不得采用其他接头方式,并且接头要在平段上进行.对于止水带之间的各种交叉和T形接头应采用止水配件。
接头外观应平整光洁,抗拉强度不低于母材的75%.止水带安装时可用模板嵌固,不得在止水带上穿孔架立。
浇筑混凝土时不得冲撞止水带,当混凝土将要淹没止水带时应再次清除其表面的污垢。
振捣混凝土时,振捣棒应避免触及止水带,嵌固止水带的模板应推迟拆模时间。
应有可靠措施和切实可行的施工工艺,确保止水带周围的混凝土振捣密实并保证止水带位置准确。
对于水平止水带下部的混凝土的施工更要加倍重视。
伸缩缝的隔缝材料为闭孔泡沫塑料,其技术参数见表11—11。
隔缝材料要铺设在先浇块模板的内侧.接头部位无需搭接,但要保证接缝部位连接严密。
表11-12 闭孔泡沫塑料板技术参数表(4)止水设施的型式、尺寸、埋设位置和材料的品种规格应符合本工程施工图纸的规定。
(5)橡胶止水片的安装应防止变形和撕裂,并切忌与油污接触.(6)安装好的止水片应加以固定和保护;对止水附近的混凝土应采取可靠措施确保浇筑量,防止形成渗漏通道。
(7)伸缩缝混凝土表面应平整、洁净,当有蜂窝麻面时,应按本章11。
4.9条规定处理,外露铁件应割除。
11.5.1伸缩缝防渗工程(1)处理范围这种伸缩缝主要指泵房与前、后池底板、底板与挡墙之间,挡墙之间、底板之间的缝等。
(2)材料选用1)HYM-水工弹性密封膏;2)TB-III砼宝;3)HY-高分子树脂涂料表11—13 TB—III砼宝主要技术指标1)原结构之间的伸缩缝,伸缩缝两侧用切割机切5cm宽、4cm深的槽;新老结构之间的伸缩缝,伸缩缝原结构一侧用切割机切5cm宽、4cm深的槽,新结构一侧预留5cm宽、4cm 深的槽。
建筑业10项新技术包括:地基基础与地下空间工程技术、混凝土技术、钢筋及预应力技术、模板及脚手架技术、钢结构技术、机电安装工程技术、绿色施工技术、防水技术、抗震与加固改造技术及信息化应用技术等10大项108小项。
其中主要常用项目有:一、地基基础与地下空间工程技术包括1、灌注桩后注浆技术,2、长螺旋钻孔压灌桩技术,3、复合土钉墙支护技术,4、逆作法施工技术,5、高边坡防护技术,6、非开挖埋管技术,7、复杂盾构法施工技术等16项技术。
二、混凝土技术包括1、高耐久性混凝土,2、高强高性能混凝土,3、自密实混凝土技术,4、轻骨料混凝土,5、混凝土裂缝控制技术,6、超高泵送混凝土技术等8项技术。
三、钢筋及预应力技术包括1、高强钢筋应用技术,2、大直径钢筋直螺纹连接技术,3、建筑用成型钢筋制品加工与配送,4、钢筋机械锚固技术等8项技术。
四、模板及脚手架技术包括1、清水混凝土模板技术,2、钢(铝)框胶合板模板技术,3、组拼式大模板技术,4、早拆模板施工技术,5、挂篮悬臂施工技术,6、隧道模板台车技术,7、移动模架造桥技术等16项技术。
五、钢结构技术包括1、厚钢板焊接技术,2、大型钢结构滑移安装施工技术,3、钢与混凝土组合结构技术,4、住宅钢结构技术等9项技术。
六、机电安装工程技术包括1、管线综合布置技术,2、金属矩形风管薄钢板法兰连接技术,3、非金属复合风管施工技术,4、大管道闭式循环冲洗技术,5、预分支电缆施工技术等11项技术。
七、绿色施工技术包括1、基坑施工封闭降水技术,2、施工过程水回收利用技术,3、粘贴式外墙保温隔热系统施工技术,4、铝合金窗断桥技术,5、工业废渣及(空心)砌块应用技术,6、现浇混凝土外墙外保温施工技术等14项技术。
八、防水技术包括1、地下工程预铺反粘防水技术,2、遇水膨胀止水胶施工技术,3、聚氨酯防水涂料施工技术等7项技术。
九、抗震与加固改造技术包括1、消能减震技术,2、建筑隔震技术,3、结构无损拆除技术等11项技术。
自2010年8月31日冀东石油家园住宅小区建设工程(一标段)开工,就被列为公司新技术应用示范工程,公司领导对此极为重视,在施工中建设单位、设计单位、省建设厅的各级领导给予了大力的支持及帮助。
各级领导对工程的高度重视,极大的调动了广大工程技术人员推广应用新技术、创建科技示范工程的积极性,在公司内形成了浓厚的学习新技术、应用新技术的氛围,为示范工程的顺利实施奠定了基础。
根据建设部提出的在建筑业重点推广应用十项新技术的要求,结合冀东石油家园住宅小区建设工程(一标段)的实际情况和特点,组织全体管理人员学习建设部的十项新技术的内容,全面、深入地理解推广应用十项新技术的目的和意义,懂得推广新技术不仅是提倡建设部提出的战略部署“科技是第一生产力”,加大科技投入,也是提高企业经济效益,增强市场竞争能力的迫切要求。
通过优化人、财、物配置,为新技术推广提供资源保证。
在各项新技术实施之前,均由项目技术总负责人,对工程施工人员进行详细认真的技术交底,对特殊工种则组织专业培训,使操作工人熟练掌握各项工艺的操作要领及验收标准,在施工中还专门聘请了具有多年施工经验的专业队伍。
在实施过程中公司技术人员多次到现场指导施工,工地上管理人员对施工过程严加控制管理,操作工人认真按工艺标准及技术交底施工,使各项新技术得以全面顺利实施,推广应用的各项新技术,给工程带来了可观的经济效益,同时也为企业带来较好的社会效益。
三、新技术推广应用情况冀东石油家园住宅小区建设工程(一标段)具有工程量大,地质条件复杂,场地窄小,工期要求紧,质量标准高,技术难点多等特点。
针对上述情况,为了确保工程快速、优质、全面的完成,我们在施工中采用了建设部推广的十项科技推广应用新技术中的九项,它们分别是:混凝土裂缝控制技术大直径钢筋直螺纹连接技术早拆模板施工技术电缆绝缘穿刺线夹施工技术施工过程水回收利用技术预拌砂浆技术遇水膨胀止水胶技术工程量自动计算技术建设工程资源计划管理技术2.2混凝土裂缝控制技术本大体积砼工程浇筑、抹面完成后及时覆盖一层塑料薄膜,浇筑完成8小时候进行浇水养护。
一、防水卷材机械固定施工技术(一)聚氯乙烯(PVC)、热塑性聚烯烃(TPO)防水卷材机械固定施工技术1.主要技术内容机械固定即采用专用固定件,如金属垫片、螺钉、金属压条等,将聚氯乙烯(PVC)或热塑性聚烯烃(TPO)防水卷材以及其它屋面层次的材料机械固定在屋面基层或结构层上。
机械固定包括点式固定方式和线性固定方式。
固定件的承载能力和布置,根据实验结果和相关规定严格设计。
聚氯乙烯(PVC)或热塑性聚烯烃(TPO)防水卷材的搭接是由热风焊接形成连续整体的防水层。
焊接缝是因分子链互相渗透、缠绕形成新的内聚焊接链,强度高于卷材且与卷材同寿命。
(1)点式固定点式固定即使用专用垫片和螺钉对卷材进行固定,卷材搭接时覆盖住固定件,如图8.1-1所示。
图8.1-1点式固定示意图(2)线性固定线性固定即使用专用压条和螺钉对卷材进行固定,使用防水卷材覆盖条对压条进行覆盖,如图8.1-2所示。
基层、隔汽层以及保温板等材料与点式固定相同。
图8.1-2线性固定示意图2.技术指标(1)当固定基层为混凝土结构时,其厚度应不小于60mm,强度等级不低于C25;当固定基层为钢板时,其厚度一般要求为0.8mm,不得小于0.63mm。
(2)聚氯乙烯(PVC)防水卷材的物理化学性能应满足表8.1-1要求、热塑性聚烯烃(TPO)防水卷材物理性能指标应满足表8.1-2要求。
聚氯乙烯(PVC)防水卷材物理性能表8.1-13.适用范围聚氯乙烯(PVC)防水卷材、热塑性聚烯烃(TPO)防水卷材机械固定技术的应用范围广泛,可以在低坡大跨度或坡屋面的新屋面及翻新屋面中使用,特别在大跨度屋面中该技术的经济性和施工速度都有明显优势。
主要应用于厂房、仓库和体育场馆等屋面防水工程。
4.已应用的典型工程该技术已经在国内外得到大量应用。
其中国内较典型的工程包括:五棵松体育馆、上汽依维柯红岩商用车项目新建厂房一期、新中国国际展览中心、广州丰田扩能项目厂房、大连英特尔芯片工厂等屋面防水工程。
施工缝遇水膨胀止水条施工方案(总4页)-CAL-FENGHAI.-(YICAI)-Company One1-CAL-本页仅作为文档封面,使用请直接删除施工缝遇水膨胀止水条施工方案1 施工准备1.1材料1.1.1 遇水膨胀橡胶止水条进场时,必须以同一生产厂的同一类型品种的产品,每2t为一验收批(不足2t时,仍按一批计),进行外观验收:表面不得有开裂、缺胶等缺陷;每1000 mm长止水条表面不得有深度大于2mm、面积大于16 mm² 的凹痕、气泡、杂质、明疤等缺陷;尺寸公差应符合表2.1.2的要求。
遇水膨胀橡胶止水条尺寸公差表1.1.1注:1计量单位为mm;2其它规格及异形产品断面尺寸公差由供需双方协商,异形产品的厚度为其最大工作面厚度。
1.2工具钢丝刷,油灰开刀,毛刷(2寸),剪刀或多用刀,小滚筒(φ40×50 mm),铁锤(0.9kg)。
1.3作业条件1.3.1混凝土施工缝留设位置必须符合《混凝土结构工程施工质量验收规范》GB50204-2011、《地下工程防水技术规范》GB50108- 2008、《地下防水工程质量验收规范》GB50208-2011及工程设计要求。
1.3.2施工缝可以是竖向缝,也可以是水平缝。
施工缝混凝土面可预留成定位浅槽或平茬,BW遇水膨胀橡胶止水条拟粘贴部位表面可以是粗糙的,也可以是光滑的,但必须平整、干燥、洁净。
1.4技术准备1.4.1在现场经外观检验合格的遇水膨胀橡胶止水条中,随机抽出足够试样送试验室,进行复试检验,待检验报告合格后方可使用。
1.4.2 BW遇水膨胀橡胶止水条的主要技术指标应符合表2.4.2的要求遇水膨胀橡胶止水条物理性能表1.4.2序号项目指标PN-150 PN-220 PN-3001 体积膨胀倍率(%)≥150 ≥220 ≥3002 高温流淌性(80℃×5h)无流淌无流淌无流淌3 低温性试验(-20℃×2h)无脆裂无脆裂无脆裂注:体积膨胀倍率 = ×100%膨胀前的体积2 操作工艺2.1工艺流程施工缝混凝土表面清理粘贴遇水膨胀橡胶止水条隐蔽工程验收下步混凝土浇筑2.2操作方法2.2.1施工缝混凝土表面清理:粘贴遇水膨胀橡胶止水条前,用钢丝刷、油灰刀、毛刷,将施工缝已硬化的混凝土表面的水泥浮浆、杂物及灰尘清理干净,保持干燥。
腻子型遇水膨胀止水条的用法
腻子型遇水膨胀止水条的用法如下:
1.固定止水条:先将止水条固定在框架上面,按照框架的施工方法与专业机具设备确定后,
用铁丝、螺栓、铁钉等固定止水条。
2.预留凹槽空间:在固定遇水膨胀橡胶止水条时,要充分的预留凹槽空间,后续施工才会
达到方便、快捷、节约时间的效果。
3.保持界面干燥:在施工缝、后浇缝施工时,界面需要保持干燥、无尘土、杂物,防止影
响腻子型遇水膨胀橡胶止水条发挥作用。
4.涂抹粘胶剂:腻子型遇水膨胀橡胶止水条在安装时需要在底面涂抹一层粘胶剂。
5.固定安装:用高强度锚钉将止水条固定安装在设定好的位置。
腻子型遇水膨胀止水条具有遇水膨胀、膨胀倍率高、以水止水、加压不失水、暴露不风化、移动补充性强、耐腐性能最佳等特点。
该止水条费用低且施工工艺简便,对于已完工的工程,如缝隙渗透漏水,可用该止水条重新堵漏。
应用遇水膨胀止水胶施工技术降低施工成本作者:程显峰等来源:《价值工程》2014年第05期摘要:优化施工方案、降低施工成本是施工企业在施工过程中追求的最终目的。
本文结合工程实例,通过实施建筑业十项新技术—遇水膨胀止水胶施工技术,实现了降低施工成本的有效途径,以实践证明了本方案的科学性和有效性,并且在降低施工成本方面取得了显著的成绩。
关键词:遇水膨胀止水胶施工技术;优化施工方案;降低施工成本中图分类号:TU74 文献标识码:A 文章编号:1006-4311(2014)05-0117-020 引言随着市场竞争的日益激烈,降低成本,获得最大经济效益已经成为一个企业生存和发展的前提和必要条件,很多施工企业都在不断的寻找降低施工成本的途径。
作为一个施工企业,在工程项目中应做到既开源又节流、既增收又节支。
只开源不节支,或者只节流不开源,都不可能达到降低成本的目的。
因此在施工中应全方位的考虑降低成本的措施。
降低成本的措施主要有四种:一是从工程项目的资源配置上降低成本,二是从施工过程中的管理上降低成本,三是从优化施工方案上降低施工成本,四是采用国家推广的四新技术上降低施工成本。
本次针对哈尔滨市第二市政工程公司承揽的哈药集团制药总厂新厂区建设项目-环保车间工程,将拟定施工方案进行优化及将四新技术应用到工程实际中去,使工程在按期完工的同时能够有效的降低施工成本。
1 遇水膨胀止水胶施工技术介绍遇水膨胀止水胶随着科学技术的不断进步,不仅在工程中取得了广泛的应用,更取得了良好的效果。
1.1 主要技术内容遇水膨胀止水胶主要用于密封结构的接缝,钢筋以及管线等周围的渗漏等。
当接缝中进水时,它可以利用止水胶的弹性和体积增大将缝隙填塞,从而起到止水的作用,因此,具有双重密封止水的功能。
遇水膨胀止水胶之所以能够广泛应用于实际工程,正是由于其具有独特的性能优势。
无定型膏状能够使其适应不规则基面的接缝防水,并具有施工简便和可操作性强的特点,除了适用于各种接缝部位,还适用于不同材质、操作空间小且施工难度高等部位的密封止水。
遇水膨胀止水胶施工技术
随着我国城市化进程飞速发展,遇水膨胀止水胶施工技术正在全国各大中城市渗入。
传统的防水施工工艺已不足以满足建筑业发展需求,我们必须寻求突破,通过优化防水产品、优化施工工艺,提高生产效率,推动行业发展科技进步。
遇水膨胀止水胶,因为是遇湿硬化单液型,施工性优良。
遇水膨胀,可以更加确实地发挥止水效果。
对混凝土、金属、玻璃等的粘贴性很好。
它可以适合不规则的基面接缝防水,且施工简便、可操作性强,是各种接缝部位,尤其是不同材质之间、操作空间小施工难度高、潮湿、桩头等部位的密封止水。
为了追求建筑物的使用功能、环保、自然,越来越多的装饰工程已开始采用遇水膨胀止水胶施工技术,对原有的传统防水施工的一个补充和升级,其施工工艺,也是时代科技发展和进步的必然。
一、技术特点
遇水膨胀止水胶施工技术,止水效果好,具有橡胶的弹性止水和遇水后自身的体积膨胀止水的双重密封止水机理,最大能抗1.5Mpa的水压力。
遇水膨胀止水胶是一种单组份、无溶剂、遇水膨胀的聚氨酯类无定型膏状体,用于密封结构接缝和钢筋、管、线等周围的渗漏。
具有双重密封止水功能,当水进入接缝时,它可以利用橡胶的弹性(以压缩应力止水)和遇水膨胀体积增大(以膨胀压止水)填塞缝隙,起到止水作用。
遇水膨胀止水胶独特的性能优势,使其在实际工程应用中具有非常广范的适用范围。
无定型膏状,确保它可以适合不规则的基面接缝防水,且施工简便、可操作性强,是各种接缝部位,尤其是不同材质之间、操作空间小施工难度高、潮湿、桩头等部位的密封止水。
与水接触,它的膨胀倍率可达原始体积的220%以上。
可在垂直面施工,不下垂;耐久性好,化学稳定性优异。
它以聚氨酯预聚体为基础、含有特殊接枝技术的脲烷膏状体,固化成形后具有遇水体积膨胀和弹性密封止水的双重密封止水机理。
遇水膨胀止水胶为一种单组分、无溶剂聚氨酯型密封胶,遇水后能产生膨胀,起到很好的止水效果;有良好的填充性和粘接性,确保产品填入裂缝和空隙中,因而适用于潮湿、光滑及粗糙的表面;特有的柔性确保它适合不规则的基面接缝防水;具有好的耐化学介质性能;使用方便。
二、适用范围
主要应用于地铁、隧道、市政工程、水利水电工程、建(构)筑物。
可以在施工缝、后浇带、新旧混凝土接触面、穿墙管(盒)、桩头和立柱等部位使用。
三、技术性能
遇水膨胀止水胶止水效果好,具有橡胶的弹性止水和遇水后自身体积膨胀密封的双重止水机理,最大抗水压≥1.5Mpa耐久性强、质量变化率低:PJ遇水膨胀密封胶中含有特殊接枝技术的脲烷联结链,在长期使用期间不会造成膨胀元流失,在20℃温度下,理论寿命为100年。
表3 遇水膨胀止水胶的技术指标
四、施工工艺流程及措施
4.1工艺流程
基面处理→粘贴止水胶→养护固化→成品保护
4.2施工措施
4.2.1基面处理
(1)基面必须牢固,表面不得有油污、蜂窝、起皮、起砂等现象,否则应予以清除。
(2)基面施工前可采用弹线方式预先定位,定位偏差≤10mm,且距离混凝土外表面≥100mm
4.2.2粘贴止水胶
(1)每支止水胶容积为600ml,不同挤出断面下的挤出长度如下:
表4.2.2 止水胶挤出参数
(2)止水胶采用专用注胶器挤出,挤出宽度及高度应满足设计要求。
挤出应连续、均匀、饱满、无气泡或孔洞。
(3)不宜在雨雪天施工。
(4)止水胶与其它防水工艺配套使用时可待其它防水措施定型后再施做(比如涂刷界面剂、固定注浆管等)。
(5)止水胶一旦出现破损部位或提前膨胀的部位,应割除,并在割除部位重新粘贴止水胶,新旧止水胶的搭接长度不小于20mm,搭接部位应粘贴牢固、紧密,搭接处不得留有缝隙。
图4.2.2 遇水膨胀止水胶安装方法
4.2.3养护固化
(1)最佳的施工环境温度宜选在5℃—40℃。
5℃以下,受湿度影响,硬化时间会延长;40℃以上,下垂度会增加。
施工时环境温度不宜低于-10℃或高于50℃。
(2)止水胶与空气中的水分(湿气)反应、硬化。
在止水胶表面硬化需要完全达到指触干燥后,才可以进行下一次的混凝土续浇。
4.2.4成品保护
(1)在止水胶附近绑扎和焊接钢筋时,应采取必要的措施对止水胶进行保护。
特别是
焊接钢筋时,应在止水胶表面覆盖石棉布等材料。
(2)外露部分的止水胶宜进行临时覆盖保护。
(3)如果从止水胶施工到第二次浇筑混凝土期间较长,请注意保护止水胶不要浸水。
如果遇浸水引起水膨胀而使止水胶剥离,应在浇注混凝土前必须加以修补。
修补方法如下:用钉子固定剥离处的止水胶;除去积水,再除去剥离的止水胶,重新施工。
五、遇水膨胀止水胶施工注意事项
5.1 对施工表面的灰尘进行处理,对表面的干湿平整无特殊要求。
根据接缝要求切割胶嘴的大小和宽度。
5.2 避免与水接触。
5.3 不宜在雨雪天进行施工。
5.4 止水胶一旦出现破损部位或提前膨胀的部位,应割除,并在割除部位重新粘贴止水胶,新旧止水胶的搭接长度不小于20mm,搭接部位应粘贴牢固、紧密,搭接处不得留有缝隙。
六、效益分析
6.1 耐久性强、质量变化率低:FL-606结构中含尿烷联结链,在长期服役期间不会造成膨胀元流失,在20℃下,使用寿命超过100年。
6.2 施工便捷:单组分、胶状物,可使用标准嵌缝胶施工枪。
6.3 施工密贴:能牢固地粘贴在混凝土表面,而不论基面是否潮湿、光滑粗糙。
6.4 环保:具有良好的耐化学品性能,可以耐盐酸、盐水、碳酸钠、氢氧化钾等化学物品,可与饮水接触、安全、无毒,属环保型产品。
6.5 性价比好:性能优于传统的施工缝防水材料,如钢边橡胶止水带或止水条,价格适中。